New Approach to Evaluate the Transformation Accuracy of Inductive CTs for Distorted Current
Abstract
1. Introduction
- The method to determine current error and phase displacement for the transformation of distorted current harmonics by the inductive CTs without the high current generation system is proposed;
- It is confirmed that the effect of the nonlinearity of the magnetic core is covered by the secondary current excitation method;
- The proposed approach is successfully verified with the typically used primary current excitation method, where the secondary currents of the reference and tested current transformers are compared in the differential measuring setup;
- Inductive CTs with current error and phase displacement for transformation of distorted current harmonics determined in the rated ampere-turns conditions may be effectively used in the measuring setup as the reference source of the primary current.
- It eliminated the necessity of the utilization of expensive, high-current supply systems of the measuring setup;
- It did not require the utilization of the reference source of the primary current (e.g., reference transducer/transformer);
- It enabled the determination of the values of current error and phase displacement even for very high frequencies;
- It required the determination of the correct values of inductance and resistance of the CT’s secondary winding,
- It was applicable only to the inductive CTs with even distribution of the winding turns on the surface of the magnetic core.
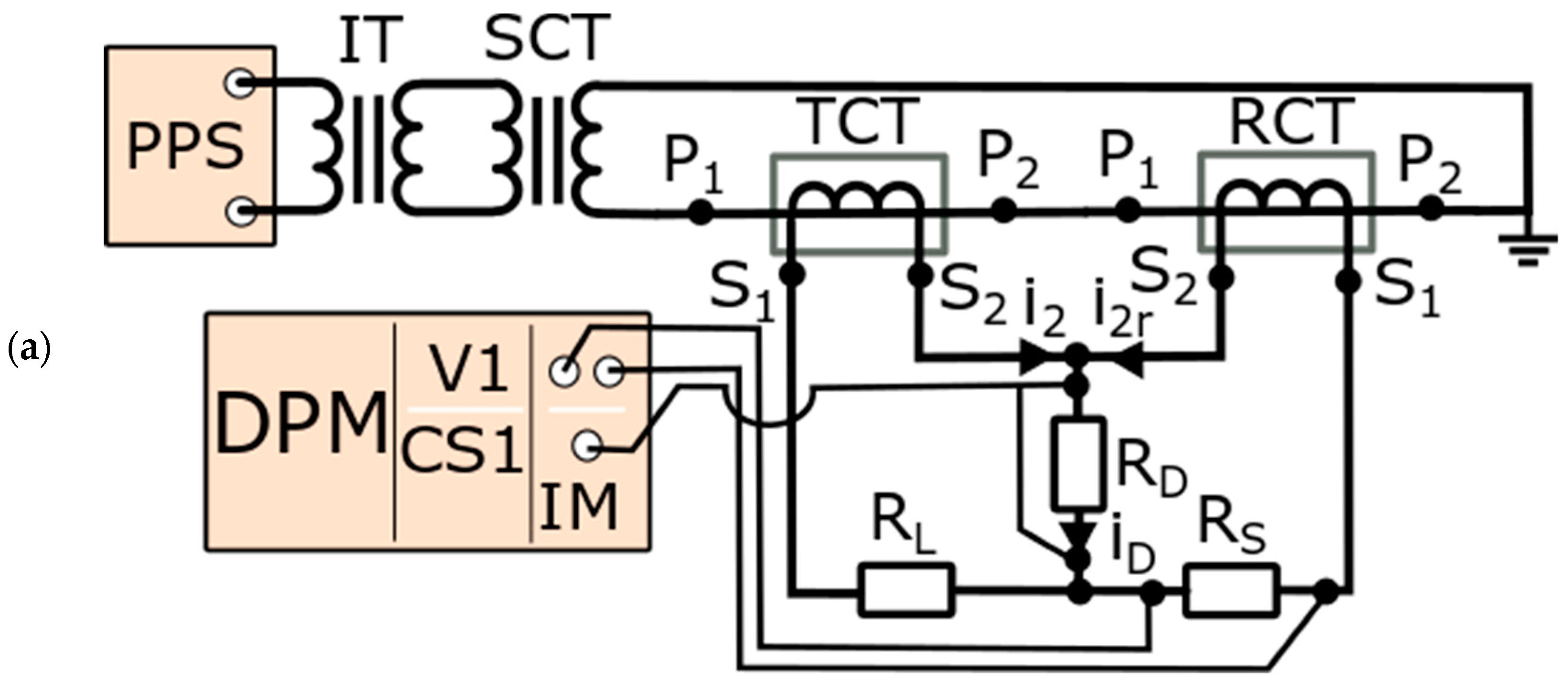
2. Measuring Circuits
- i″0hk is the instantaneous value of the secondary excitation current;
- i″μhk is the instantaneous value of the reactive component of the secondary excitation current;
- i″Fehk is the instantaneous value of the active component of the secondary excitation current;
- L″μhk is the nonlinear mutual inductance between windings of the inductive CT;
- R″Fehk is the nonlinear resistance representing the active power losses in the magnetic core;
- L2 is the leakage inductance of the secondary winding;
- R2 is the resistance of the secondary winding;
- u″μhk is the instantaneous value of the voltage on the mutual inductance between windings;
- and u20hk is the instantaneous value of the equivalent secondary winding supply voltage.
- I″z1hk is the RMS value of the hk higher harmonic of the considered distorted primary current for which the values of the current and phase displacement are determined;
- RL is the load resistance of the secondary winding;
- LL is the load inductance of the secondary winding;
- and U20hk is the RMS value of the hk higher harmonic of the equivalent secondary winding supply voltage.
- DPM is the digital power meter;
- TCT is the tested inductive CT;
- PPS is the programmable power supply;
- IT is the insulation transformer;
- I0 is the instantaneous value of magnetic core’s excitation current;
- RA is the current shunt used to measure value of I0;
- V1/CS1 is the input terminal of the DPM;
- P1/P2 is the primary terminal of the tested CT;
- and S1/S2 is the secondary terminal of the tested CT.
- SCT is the step-up current transformer;
- RD is the current shunt used to measure instantaneous value of the differential current;
- RCT is the reference CT tested in the ampere-turns conditions;
- RL is the load of the secondary winding of the tested CT;
- RS is the current shunt used to measure the instantaneous value of RCTs secondary current;
- i2 is the instantaneous value of the tested CTs secondary current;
- i2r is the instantaneous value of the RCTs secondary current;
- and iD is the instantaneous value of the differential current between the TCT and RCT secondary currents.
- UDhk is the RMS value of the hk voltage higher harmonic of the current shunt RD;
- and ϕhk is the phase angle of the hk higher harmonic measured between voltages of the current shunts RD and RS.
3. Reference and Tested CTs
4. Results
5. Conclusions
Author Contributions
Funding
Institutional Review Board Statement
Informed Consent Statement
Data Availability Statement
Conflicts of Interest
References
- Vieira, D.; Shayani, R.A.; De Oliveira, M.A.G. Reactive Power Billing under Nonsinusoidal Conditions for Low-Voltage Systems. IEEE Trans. Instrum. Meas. 2017, 66, 2004–2011. [Google Scholar] [CrossRef]
- Dirik, H.; Duran, I.U.; Gezegin, C. A Computation and Metering Method for Harmonic Emissions of Individual Consumers. IEEE Trans. Instrum. Meas. 2019, 68, 412–420. [Google Scholar] [CrossRef]
- Hajipour, E.; Vakilian, M.; Sanaye-Pasand, M. Current-Transformer Saturation Compensation for Transformer Differential Relays. IEEE Trans. Power Deliv. 2015, 30, 2293–2302. [Google Scholar] [CrossRef]
- Hong, Y.Y.; Wei, D.W. Compensation of distorted secondary current caused by saturation and remanence in a current transformer. IEEE Trans. Power Deliv. 2010, 25, 47–54. [Google Scholar] [CrossRef]
- Bauer, J.; Ripka, P.; Draxler, K.; Styblikova, R. Demagnetization of current transformers using PWM burden. IEEE Trans. Magn. 2015, 51, 1–4. [Google Scholar] [CrossRef]
- Esmail, E.M.; Elkalashy, N.I.; Kawady, T.A.; Taalab, A.M.I.; Lehtonen, M. Detection of Partial Saturation and Waveform Compensation of Current Transformers. IEEE Trans. Power Deliv. 2015, 30, 1620–1622. [Google Scholar] [CrossRef]
- Sanati, S.; Alinejad-Beromi, Y. Avoid current transformer saturation using adjustable switched resistor demagnetization method. IEEE Trans. Power Deliv. 2021, 36, 92–101. [Google Scholar] [CrossRef]
- Mazin, H.E.; Xu, W.; Huang, B. Determining the harmonic impacts of multiple harmonic-producing loads. IEEE Trans. Power Deliv. 2011, 26, 1187–1195. [Google Scholar] [CrossRef]
- Zobaa, A.F.; Abdel Aleem, S.H.E. A new approach for harmonic distortion minimization in power systems supplying nonlinear loads. IEEE Trans. Ind. Inform. 2014, 10, 1401–1412. [Google Scholar] [CrossRef]
- Draxler, K.; Styblikova, R. Using instrument transformers in a wider frequency range. In Proceedings of the Conference Record—IEEE Instrumentation and Measurement Technology Conference, Hangzhou, China, 10–12 May 2011. [Google Scholar]
- Li, Z.; Zhang, S.; Wu, Z.; Abu-Siada, A.; Tao, Y. Study of current measurement method based on circular magnetic field sensing array. Sensors 2018, 18, 1439. [Google Scholar] [CrossRef]
- Siegenthaler, S.; Mester, C. A computer-controlled calibrator for instrument transformer test sets. In Proceedings of the IEEE Transactions on Instrumentation and Measurement; 2017; pp. 1184–1190. [Google Scholar]
- Frigo, G.; Agustoni, M. Calibration of a Digital Current Transformer Measuring Bridge: Metrological Challenges and Uncertainty Contributions. Metrology 2021, 1, 93–106. [Google Scholar] [CrossRef]
- Kaczmarek, M.; Stano, E. Nonlinearity of Magnetic Core in Evaluation of Current and Phase Errors of Transformation of Higher Harmonics of Distorted Current by Inductive Current Transformers. IEEE Access 2020, 8, 118885–118898. [Google Scholar] [CrossRef]
- Mingotti, A.; Peretto, L.; Bartolomei, L.; Cavaliere, D.; Tinarelli, R. Are inductive current transformers performance really affected by actual distorted network conditions? An experimental case study. Sensors 2020, 20, 927. [Google Scholar] [CrossRef] [PubMed]
- Mingotti, A.; Bartolomei, L.; Peretto, L.; Tinarelli, R. On the long-period accuracy behavior of inductive and low-power instrument transformers. Sensors 2020, 20, 5810. [Google Scholar] [CrossRef] [PubMed]
- Brandolini, A.; Faifer, M.; Ottoboni, R. A simple method for the calibration of traditional and electronic measurement current and voltage transformers. IEEE Trans. Instrum. Meas. 2009, 58, 1345–1353. [Google Scholar] [CrossRef]
- Kaczmarek, M.; Szczęsny, A.; Stano, E. Operation of the Electronic Current Transformer for Transformation of Distorted Current Higher Harmonics. Energies 2022, 15, 4368. [Google Scholar] [CrossRef]
- Kaczmarek, M.; Stano, E. Proposal for extension of routine tests of the inductive current transformers to evaluation of transformation accuracy of higher harmonics. Int. J. Electr. Power Energy Syst. 2019, 113, 842–849. [Google Scholar] [CrossRef]
- Stano, E.; Kaczmarek, M. Wideband self-calibration method of inductive cts and verification of determined values of current and phase errors at harmonics for transformation of distorted current. Sensors 2020, 20, 2167. [Google Scholar] [CrossRef]
- Kaczmarek, M.; Stano, E. The Influence of the 3rd Harmonic of the Distorted Primary Current on the Self-Generation of the Inductive Current Transformers. IEEE Access 2022, 10, 55876–55887. [Google Scholar] [CrossRef]
- Stano, E.; Kaczmarek, P.; Kaczmarek, M. Why Should We Test the Wideband Transformation Accuracy of Inductive Current Transformers? Energies 2022, 15, 5737. [Google Scholar] [CrossRef]
- Stano, E.; Kaczmarek, M. Analytical method to determine the values of current error and phase displacement of inductive current transformers during transformation of distorted currents higher harmonics. Measurement 2022, 200, 111664. [Google Scholar] [CrossRef]
- Stano, E.; Kaczmarek, P.; Kaczmarek, M. Understanding the Frequency Characteristics of Current Error and Phase Displacement of the Corrected Inductive Current Transformer. Energies 2022, 15, 5436. [Google Scholar] [CrossRef]
- Stano, E. The Method to Determine the Turns Ratio Correction of the Inductive Current Transformer. Energies 2021, 14, 8602. [Google Scholar] [CrossRef]
- IEC 61869-2; Instrument Transformers—Additional Requirements for Current Transformers. IEC: Geneva, Switzerland, 2012.
- IEEE C57.13-2016; IEEE Standard Requirements for Instrument Transformers. IEEE: New York City, USA, 2016.
- IEC 61869-6; Instrument Transformers—Additional General Requirements for Low-Power Instrument Transformers. IEC: Geneva, Switzerland, 2016.










| Tested CTs | Lr2 [mH] | R2 [Ω] | LL [mH] | RL [Ω] |
|---|---|---|---|---|
| 1500 A/1 A, cl. 0.2S | 0.074 | 0.305 | - | 5 |
| 100 A/5 A, cl. 0.5 | 0.0035 | 0.0121 | - | 0.1 |
| Harm. Order [-] | U20hk [V] | I″0hk [mA] | ωhk [°] |
|---|---|---|---|
| 1 | 1.0610 | 3.7551 | 167.79 |
| 3 | 0.1061 | 0.4353 | 182.86 |
| 5 | 0.1061 | 0.3333 | 192.33 |
| 7 | 0.1061 | 0.2736 | 193.44 |
| 10 | 0.1062 | 0.2605 | 197.24 |
| 15 | 0.1063 | 0.2800 | 202.26 |
| 20 | 0.1065 | 0.2887 | 206.37 |
| 25 | 0.1067 | 0.3078 | 209.62 |
| 30 | 0.1070 | 0.3367 | 212.23 |
| 40 | 0.1077 | 0.4152 | 215.61 |
| 50 | 0.1086 | 0.5254 | 217.87 |
| 60 | 0.1097 | 0.6261 | 219.99 |
| 70 | 0.1110 | 0.7615 | 221.65 |
| 80 | 0.1124 | 0.9671 | 222.97 |
| 90 | 0.1141 | 1.1419 | 225.21 |
| 100 | 0.1158 | 1.3028 | 227.41 |
| Harm. Order [-] | U20hk [V] | I″0hk [mA] | ωhk [°] |
|---|---|---|---|
| 1 | 0.5605 | 5.9601 | 167.79 |
| 3 | 0.0561 | 0.6593 | 182.86 |
| 5 | 0.0561 | 0.5146 | 192.33 |
| 7 | 0.0562 | 0.4698 | 193.44 |
| 10 | 0.0563 | 0.4661 | 197.24 |
| 15 | 0.0567 | 0.4636 | 187.20 |
| 20 | 0.0571 | 0.4467 | 187.77 |
| 25 | 0.0577 | 0.4446 | 188.53 |
| 30 | 0.0584 | 0.4422 | 189.25 |
| 40 | 0.0602 | 0.4403 | 191.01 |
| 50 | 0.0624 | 0.4447 | 192.77 |
| 60 | 0.0650 | 0.4598 | 194.29 |
| 70 | 0.0680 | 0.4640 | 195.96 |
| 80 | 0.0712 | 0.4897 | 197.17 |
| 90 | 0.0748 | 0.4899 | 198.58 |
| 100 | 0.0785 | 0.5076 | 199.68 |
Disclaimer/Publisher’s Note: The statements, opinions and data contained in all publications are solely those of the individual author(s) and contributor(s) and not of MDPI and/or the editor(s). MDPI and/or the editor(s) disclaim responsibility for any injury to people or property resulting from any ideas, methods, instructions or products referred to in the content. |
© 2023 by the authors. Licensee MDPI, Basel, Switzerland. This article is an open access article distributed under the terms and conditions of the Creative Commons Attribution (CC BY) license (https://creativecommons.org/licenses/by/4.0/).
Share and Cite
Kaczmarek, M.; Stano, E. New Approach to Evaluate the Transformation Accuracy of Inductive CTs for Distorted Current. Energies 2023, 16, 3026. https://doi.org/10.3390/en16073026
Kaczmarek M, Stano E. New Approach to Evaluate the Transformation Accuracy of Inductive CTs for Distorted Current. Energies. 2023; 16(7):3026. https://doi.org/10.3390/en16073026
Chicago/Turabian StyleKaczmarek, Michal, and Ernest Stano. 2023. "New Approach to Evaluate the Transformation Accuracy of Inductive CTs for Distorted Current" Energies 16, no. 7: 3026. https://doi.org/10.3390/en16073026
APA StyleKaczmarek, M., & Stano, E. (2023). New Approach to Evaluate the Transformation Accuracy of Inductive CTs for Distorted Current. Energies, 16(7), 3026. https://doi.org/10.3390/en16073026

