Inductive Wireless Power Transfer Systems for Low-Voltage and High-Current Electric Mobility Applications: Review and Design Example
Abstract
1. Introduction
1.1. Overview
1.2. Research Motivation on IPT Systems for Low-Voltage Applications
- From the design perspective, 60 V is considered the upper limit of DC to be safe to touch; and 48 V is safe to touch, hence ground return through the body is possible. Safety and protection requirements are reduced drastically. Further, it is safe to handle the vehicle during any accidents and HV-trained technicians are not needed for maintenance.
- In a 48 V battery, more cells are connected in parallel compared to the high-voltage cells, it is easy to balance the cell voltage and this improves the available energy content.
- Auxiliary components such as turbochargers, intercoolers, HVAC pumps, and EPS motors for 48 V that have already been developed for HEVs can be used.
- No need for additional converters for the auxiliary equipment.
- This voltage level helps to produce better-quality components cost-effectively and reduces overall system costs.
- It demands a larger amount of current, resulting in higher power losses for the same power level as the high-voltage drive train.
- Cables with a larger diameter are needed, routing of cables inside limited space will be challenging.
- Maximum speed is limited for a 48 V drive train.
- The 48 V system efficiency is low compared to high-voltage systems.
1.3. Paper Contribution and Structure
- (1)
- This paper intends to provide a review map of compensation selections, control strategies, and power electronic architectures of IPT technology aiming for low-voltage and high-current applications. In which challenges and trends are identified and discussed.
- (2)
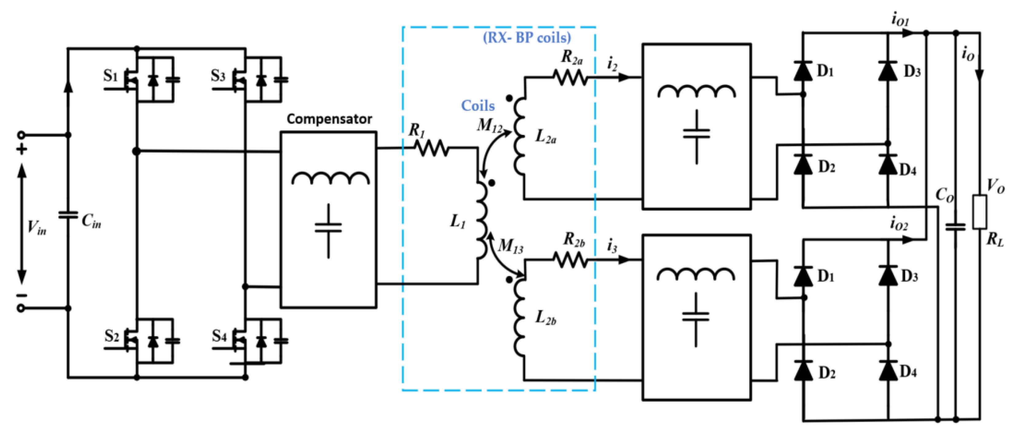
- A design concept is proposed as a case study with the verification of Ansys Maxell software and simulation results. In this paper, a high step-down 400 V/48 V IPT system is proposed to address two main issues:
- Firstly, high-current stress on the receiver side and output rectifiers can be reduced due to the proposed asymmetrical compensation structure for the dual- decoupled coils (BP) and LCC-LCC compensation configuration.
- Secondly, the passive current sharing technique is used to significantly improve current balancing between two sets of receiver coils (BP), resonant tanks (LCC-LCC), and output rectifiers under resonant component tolerance and misalignment scenarios. The resonant capacitor and inductor in each receiver are connected in parallel without requiring extra components or control loop design.
2. Magnetic Coupler Pads
2.1. Coil Pad Structures
- A planar spiral coil with a square or rectangular shape is called a square/rectangular coil and is considered a closed variant of CP [50]. Therefore, it is also a suitable coil structure for EV chargers due to the convenience of installation. This coil structure is also simple to manufacture and shows symmetric characteristics. Better lateral misalignment tolerance compared to the circular coil. Lateral tolerance is higher along the longer side than the shorter side [55].
- In circular, rectangular, square, and helical coil structures, only a pair of coils is used for coupling. Budhia et al. [16,56] proposed a double D (DD) coil system as shown in Figure 5c. The flux generated by this structure is bipolar and single sided in nature, this coil configuration shows better performance than unipolar pads such as circular and rectangular [47]. In addition, the fundamental height of the flux path is proportional to half the length of the pad resulting in a higher coupling coefficient called intra-pad coupling [16]. These coils are magnetically in parallel and electrically in series. Thus, the unwanted leakage flux path at the rear side of the coil pairs is reduced. DD pad is commonly used as a transmitter and has interoperable with different receiver topologies. However, the conductor length and ohmic loss are higher, so it is not suitable to be applied on the receiver side of low-voltage and high-current IPT systems. The self-inductance of the DD coil is almost 1.7 times the self-inductance of the rectangular coil with the same dimension.
- DD coil only couples the horizontal component of the flux. Misalignment tolerance can be improved further by placing a third coil in the DD coil’s center. This third coil is aligned in special quadrature to the DD coils, and it helps to capture perpendicular flux [56]. This three-coil structure is a modified version of the DD structure called DDQ as shown in Figure 5d. In a perfectly designed DDQ coil, the series connected DD coil and the Q coils are mutually decoupled so these can be tuned and controlled separately [48]. It is demonstrated that the charging zone of the DDQ system is five times larger than that of a circular pad of comparable size [16]. However, DDQ requires more copper wire compared to others and complex design process.
- A bipolar (BP) coil is a multi-coil configuration with a bipolar flux path. There are two identical, partially overlapped coils in a BP pad. The top view and simulation model of the BDD coil are shown in Figure 5e. It is commonly adopted on the secondary side. Overlapping of two similar coils helps to cancel out the flux, this concept is used to achieve the decoupling [57]. The superior characteristics BP coil are the remarkable increase in the charging zone and the lateral misalignment tolerance. The benefit of such decoupled coils is that they can be tuned and regulated separately.

2.2. Comparison
3. Compensation Networks
- Minimized reactive circulating current by canceling leakage inductance in the primary HFI and secondary rectifier. As a result, maximum power transfer and system efficiency are achieved.
- Allow high switching operation due to soft-switching characteristics such as zero voltage switching (ZVS) and zero current switching (ZCS) in power devices.
- Avoid bifurcation and increase the tolerance of the system for misalignment [60].
- Implement constant current (CC) or constant voltage (CV), which is suitable for battery charging of EV applications [42].
- Improving the misalignment tolerance [63].
3.1. Single Element Compensation Networks
3.2. Multi-Element Compensation Networks
| Compensation Topologies | Operating Resonant Frequency | Output Characteristics | Load Output | ZPA |
|---|---|---|---|---|
| SS [64,65,66,67] | CC | Yes | ||
| SP [68] | Resonant frequency-coupling dependent | CV | Yes | |
| PS with [65] | And | CV | Yes | |
| PP with [65] | And Resonant frequency-coupling dependent | CC | Yes | |
| S/SP [70,71,72,73,74] | Resonant frequency-coupling dependent | CV | Yes | |
| LC-LC [75,76] | And | CC | Yes | |
| S-LCC [77,78,79] | CV | Yes | ||
| LCC-S [80,81] | CV | Yes | ||
| LCC-P [82,83,84,85] | Resonant frequency-coupling dependent | CC | Yes | |
| LCC-LCC [86,87,88,89,90] | CC | Yes |
3.3. Hybrid Compensation Networks
4. Power Electronic Architectures and Control Methods
4.1. Auxiliary DC-DC Converters
4.2. Phase Shift Angle Control
4.3. Frequency Modulation Control
4.4. Reconfigurable Hybrid Compensation
4.5. Switchable Dual Frequency
4.6. Tunable Compensation Networks
5. Discussion on Low-Voltage and High-Current IPT Designs
6. Design Example for Low-Voltage and High-Current IPT Applications
6.1. Coils Design
6.2. Proposed Asymmetric LCC-LCC Compensation Network
| DC and AC Conversion | Defined receiver equivalent impedances | ||
|---|---|---|---|
| (5) | (6) | ||
| Defined transmitter equivalent impedances | Transmitter and receiver currents | ||
| (7) | (8) | ||
| The current gain equation | Resonant conditions to obtain load-independent current and ZPA | ||
| (9) | (10) | ||
| , | |||
| (11) | (12) | ||
6.3. Proposed Passive Current Sharing Method of LCC-LCC—BP Receiver Coil
6.4. Simulation Results
7. Discussion and Future Works
- For AGV applications, dynamic IPT solutions can be applied to reduce battery size, replace batteries with supercapacitors, or remove batteries entirely. Thus, vehicles can extend their operating time.
- Because of high-current stress on the receiver side. More studies into the circuit topologies, sensing techniques, and control methods of synchronous rectifiers is needed to improve the system’s efficiency.
- Wide BandGap (WBG) devices, such as Gallium-Nitride (GaN) semiconductors, can be used in high-frequency IPT for AGV applications, where the frequency can be increased to several hundreds of kHz or MHz to significantly reduce the volume of the coils and passive resonant components. Meanwhile, the frequency band for IPT-LEVs remains limited by the SAE J2954 standard, recommended range of 81 kHz to 90 kHz.
- Experiment waveforms should be provided to validate the design concept through the implementation of hardware setups including DD-BP coils, LCC-LCC compensation, and HF-inverter/rectifier.
- Although the proposed IPT design for loosely coupled LEVs applications has the advantage of a very low turn-off switching current as shown in simulation waveforms, the feasibility of the proposed methodology for tightly coupled AGV applications needs to be investigated further in future work.
8. Conclusions
Author Contributions
Funding
Data Availability Statement
Acknowledgments
Conflicts of Interest
Abbreviations
| ACS | AC Switches | OBC | Onboard Charger |
| AR | Active Rectifier | PP | Parallel-Parallel |
| AWG | Americal Wire Gauge | PS | Parallel-Series |
| AGV | Automated Guided Vehicles | PR | Passive Rectifier |
| AMRs | Automated Mobile Robots | PE | Power Electronics |
| BDD | Bipolar Double D | PFC | Power Factor Correction |
| BP | Bipolar Pads | PWM | Pulse Width Modulation |
| CPT | Capacitive Power Transfer | RX | Receiver |
| CC | Constant Current | S-BAR | Semi-Bridgeless Active Rectifier |
| CP | Constant Power | SP | Series Parallel |
| CV | Constant Voltage | SS | Series–Series |
| CDR | Current Double Rectifiers | S/SP | Series/Series–Parallel |
| CDSR | Current Double Synchronous Rectifier | SCCs | Switched-Controlled Capacitors |
| DDQ | DD-Quadrature | TX | Transmitter |
| DOF | Degree of Freedom | UAV | Unmanned Air Vehicles |
| DD | Double D | V2G | Vehicle to Grid |
| EV | Electric Vehicles | WPT | Wireless Power Transfer |
| ESR | Equivalent Series Resistance | ZCS | Zero Current Switching |
| FHA | Fundamental Harmonic Approximation | ZPA | Zero Phase Angle |
| G2V | Grid to Vehicle | ZVS | Zero Voltage Switching |
| HFI | High Frequency Inverter | ||
| IPT | Inductive Power Transfer | ||
| ICE | Internal Combustion Engine | ||
| ICCDR | Inverse Coupled Current Double Rectifier | ||
| LEV | Light Electric Vehicles | ||
| Li-ion | Lithium Ion | ||
| MET | Maximum efficiency tracking |
References
- Roth, H.; Kuhn, P.; Gohla-Neudecker, B. Sustainable Mobility—Cost-Effective and Zero Emission Integration of Germany’s Ev Fleet. In Proceedings of the 2009 International Conference on Clean Electrical Power, ICCEP 2009, Capri, Italy, 9–11 June 2009; pp. 207–211. [Google Scholar] [CrossRef]
- Bi, Z.; Kan, T.; Mi, C.C.; Zhang, Y.; Zhao, Z.; Keoleian, G.A. A Review of Wireless Power Transfer for Electric Vehicles: Prospects to Enhance Sustainable Mobility. Appl. Energy 2016, 179, 413–425. [Google Scholar] [CrossRef]
- Bindra, A. Electric Vehicle Batteries Eye Solid-State Technology: Prototypes Promise Lower Cost, Faster Charging, and Greater Safety. IEEE Power Electron. Mag. 2020, 7, 16–19. [Google Scholar] [CrossRef]
- Yilmaz, M.; Krein, P.T. Review of Battery Charger Topologies, Charging Power Levels, and Infrastructure for Plug-in Electric and Hybrid Vehicles. IEEE Trans. Power Electron. 2013, 28, 2151–2169. [Google Scholar] [CrossRef]
- Patil, D.; McDonough, M.K.; Miller, J.M.; Fahimi, B.; Balsara, P.T. Wireless Power Transfer for Vehicular Applications: Overview and Challenges. IEEE Trans. Transp. Electrif. 2017, 4, 3–37. [Google Scholar] [CrossRef]
- Tesla, N. Apparatus for Transmission of Electrical Energy. ACM SIGGRAPH Comput. Graph. 1900, 28, 131–134. [Google Scholar]
- Zhang, H.; Lu, F.; Hofmann, H.; Liu, W.; Mi, C.C. A Four-Plate Compact Capacitive Coupler Design and LCL-Compensated Topology for Capacitive Power Transfer in Electric Vehicle Charging Application. IEEE Trans. Power Electron. 2016, 31, 8541–8551. [Google Scholar] [CrossRef]
- Hossain, A.N.M.S.; Erfani, R.; Mohseni, P.; Lavasani, H.M. On the Non-Idealities of a Capacitive Link for Wireless Power Transfer to Biomedical Implants. IEEE Trans. Biomed. Circuits Syst. 2021, 15, 314–325. [Google Scholar] [CrossRef]
- Dai, J.; Ludois, D.C. A Survey of Wireless Power Transfer and a Critical Comparison of Inductive and Capacitive Coupling for Small Gap Applications. IEEE Trans. Power Electron. 2015, 30, 6017–6029. [Google Scholar] [CrossRef]
- Fu, M.; Zhang, T.; Ma, C.; Zhu, X. Efficiency and Optimal Loads Analysis for Multiple-Receiver Wireless Power Transfer Systems. IEEE Trans. Microw. Theory Tech. 2015, 63, 801–812. [Google Scholar] [CrossRef]
- Ahn, D.; Hong, S. Effect of Coupling between Multiple Transmitters or Multiple Receivers on Wireless Power Transfer. IEEE Trans. Ind. Electron. 2013, 60, 2602–2613. [Google Scholar] [CrossRef]
- Bagchi, A.C.; Kamineni, A.; Zane, R.A.; Carlson, R. Review and Comparative Analysis of Topologies and Control Methods in Dynamic Wireless Charging of Electric Vehicles. IEEE J. Emerg. Sel. Top. Power Electron. 2021, 9, 4947–4962. [Google Scholar] [CrossRef]
- Kurs, A.; Karalis, A.; Moffatt, R.; Joannopoulos, J.D.; Fisher, P.; Soljačić, M. Wireless Power Transfer via Strongly Coupled Magnetic Resonances. Science 2007, 317, 83–86. [Google Scholar] [CrossRef]
- Budhia, M.; Covic, G.A.; Boys, J.T. Design and Optimization of Circular Magnetic Structures for Lumped Inductive Power Transfer Systems. IEEE Trans. Power Electron. 2011, 26, 3096–3108. [Google Scholar] [CrossRef]
- Chen, Y.; Zhang, H.; Shin, C.S.; Jo, C.H.; Park, S.J.; Kim, D.H. An Efficiency Optimization-Based Asymmetric Tuning Method of Double-Sided LCC Compensated WPT System for Electric Vehicles. IEEE Trans. Power Electron. 2020, 35, 11475–11487. [Google Scholar] [CrossRef]
- Budhia, M.; Boys, J.T.; Covic, G.A.; Huang, C.Y. Development of a Single-Sided Flux Magnetic Coupler for Electric Vehicle IPT Charging Systems. IEEE Trans. Ind. Electron. 2013, 60, 318–328. [Google Scholar] [CrossRef]
- Jayalath, S.; Khan, A. Design, Challenges, and Trends of Inductive Power Transfer Couplers for Electric Vehicles: A Review. IEEE J. Emerg. Sel. Top. Power Electron. 2021, 9, 6196–6218. [Google Scholar] [CrossRef]
- Micro Electric Vehicles [EV] Market Size|Industry Analysis. Available online: https://www.fortunebusinessinsights.com/micro-electric-vehicles-ev-market-103474 (accessed on 21 February 2023).
- Voitures Neuves|Constructeur Automobile|Citroën. Available online: https://www.citroen.be/fr/ (accessed on 21 February 2023).
- Renault TWIZY. Available online: https://nl.renault.be/elektrische-wagens/twizy.html (accessed on 30 September 2022).
- Specs_E2_Polaris GEM. Available online: https://gem.polaris.com/en-us/e2/specs/ (accessed on 30 September 2022).
- Liberty|E-Z-GO. Available online: https://ezgo.txtsv.com/personal/golfcarts/liberty (accessed on 21 February 2023).
- Italcar Industrial|Electric Vehicles. Available online: https://italcar.com/en/homepage/ (accessed on 21 February 2023).
- Specs: 2022 Polaris RANGER EV Avalanche Gray. Available online: https://www.polaris.com/en-us/off-road/ranger/2022/ranger-ev-avalanche-gray/specs/ (accessed on 22 February 2023).
- Club Car|World’s Best Golf Carts and Utility Vehicles. Available online: https://www.clubcar.com/en-be (accessed on 21 February 2023).
- Elektro-Gabelstapler—SolidHub. Available online: https://www.solidhub.eu/elektro-gabelstapler/ (accessed on 21 February 2023).
- Discover the Carver—Carver. Available online: https://carver.earth/en/discover-the-carver/ (accessed on 14 March 2023).
- This Is Not a Car!|Microlino—Microlino-Car.Com. Available online: https://microlino-car.com/en/microlino (accessed on 13 March 2023).
- New Baojun Automobile_Baojun Automobile_Wuling Automobile_SAIC-GM-Wuling SGMW Official Website. Available online: https://www.sgmw.com.cn/ (accessed on 12 March 2023).
- 2020 Toyota C+pod 9.06 KWh (13 Hp)|Technical Specs, Data, Fuel Consumption, Dimensions. Available online: https://www.auto-data.net/en/toyota-c-pod-9.06-kwh-13hp-42028 (accessed on 14 March 2023).
- Solar Car City Car for Daily Urban Mobility. Available online: https://www.squadmobility.com/# (accessed on 14 March 2023).
- Home—Triggo. Available online: https://www.triggo.city/ (accessed on 14 March 2023).
- Eli ZERO|Specs. Available online: https://www.eli.world/specs (accessed on 14 March 2023).
- Dörsam, T.; Kehl, S.; Klinkig, A.; Radon, A.; Sirch, O. The New Voltage Level 48 V for Vehicle Power Supply. ATZelektronik Worldw. 2012, 7, 10–15. [Google Scholar] [CrossRef]
- Baumgardt, A.; Bachheibl, F.; Patzak, A.; Gerling, D.; Machine, A.E. 48V Traction: Innovative Drive Topology and Battery. In Proceedings of the 2016 IEEE International Conference on Power Electronics, Drives and Energy Systems (PEDES), Trivandrum, India, 14–17 December 2016; pp. 1–6. [Google Scholar]
- Haller, S.; Alam, M.F.; Bertilsson, K. Reconfigurable Battery for Charging 48 V EVs in High-Voltage Infrastructure. Electronics 2022, 11, 353. [Google Scholar] [CrossRef]
- Yamamoto, K.; Ponchant, M.; Sellier, F.; Favilli, T.; Pugi, L.; Berzi, L. 48V Electric Vehicle Powertrain Optimal Model-Based Design Methodology. In Proceedings of the 2020 AEIT International Conference of Electrical and Electronic Technologies for Automotive, AEIT AUTOMOTIVE 2020, Turin, Italy, 18–20 November 2020. [Google Scholar] [CrossRef]
- Electric Vehicle Powertrain: The 48V Design Challenge|Automotive|Avnet Abacus. Available online: https://www.avnet.com/wps/portal/abacus/solutions/markets/automotive-and-transportation/automotive/power-train-and-ev-hc-phev-systems/the-48v-design-challenge/ (accessed on 21 February 2023).
- Daszczuk, W.B. Measures of Structure and Operation of Automated Transit Networks. IEEE Trans. Intell. Transp. Syst. 2019, 21, 2966–2979. [Google Scholar] [CrossRef]
- Mercy, T.; Van Parys, R.; Pipeleers, G. Spline-Based Motion Planning for Autonomous Guided Vehicles in a Dynamic Environment. IEEE Trans. Control. Syst. Technol. 2018, 26, 2182–2189. [Google Scholar] [CrossRef]
- Zhu, C.; Yu, J.; Gu, Y.; Gao, J.; Yang, H.; Mai, R.; Li, Y.; He, Z. Analysis and Design of Cost-Effective WPT Systems with Dual Independently Regulatable Outputs for Automatic Guided Vehicles. IEEE Trans. Power Electron. 2021, 36, 6183–6187. [Google Scholar] [CrossRef]
- Nguyen, H.T.; Alsawalhi, J.Y.; Al-Hosani, K.; Al-Sumaiti, A.S.; Al Jaafari, K.A.; Byon, Y.J.; Moursi, M.S. El Review Map of Comparative Designs for Wireless High-Power Transfer Systems in EV Applications: Maximum Efficiency, ZPA, and CC/CV Modes at Fixed Resonance Frequency Independent from Coupling Coefficient. IEEE Trans. Power Electron. 2022, 37, 4857–4876. [Google Scholar] [CrossRef]
- Zhang, Y. Design of High-Power Static Wireless Power Transfer via Magnetic Induction: An Overview. CPSS Trans. Power Electron. Appl. 2021, 6, 281–297. [Google Scholar] [CrossRef]
- Zhang, W.; Mi, C.C. Compensation Topologies of High-Power Wireless Power Transfer Systems. IEEE Trans. Veh. Technol. 2016, 65, 4768–4778. [Google Scholar] [CrossRef]
- Feng, H.; Tavakoli, R.; Onar, O.C.; Pantic, Z. Advances in High-Power Wireless Charging Systems: Overview and Design Considerations. IEEE Trans. Transp. Electrif. 2020, 6, 886–919. [Google Scholar] [CrossRef]
- Raabe, S.; Elliott, G.A.J.; Covic, G.A.; Boys, J.T. A Quadrature Pickup for Inductive Power Transfer Systems. In Proceedings of the ICIEA 2007: 2007 Second IEEE Conference on Industrial Electronics and Applications, Harbin, China, 23–25 May 2007; pp. 68–73. [Google Scholar] [CrossRef]
- Zaheer, A.; Kacprzak, D.; Covic, G.A. A Bipolar Receiver Pad in a Lumped IPT System for Electric Vehicle Charging Applications. In Proceedings of the 2012 IEEE Energy Conversion Congress and Exposition, ECCE 2012, Raleigh, NC, USA, 15–20 September 2012; pp. 283–290. [Google Scholar] [CrossRef]
- Ding, W. Magnetically Coupled Resonant Using Mn-Zn Ferrite for Wireless Power Transfer. In Proceedings of the 2014 15th International Conference on Electronic Packaging Technology, Chengdu, China, 12–15 August 2014; pp. 1561–1564. [Google Scholar]
- Onar, O.C.; Su, G.J.; Asa, E.; Pries, J.; Galigekere, V.; Seiber, L.; White, C.; Wiles, R.; Wilkins, J. 20-KW Bi-Directional Wireless Power Transfer System with Energy Storage System Connectivity. In Proceedings of the IEEE Applied Power Electronics Conference and Exposition—APEC, New Orleans, LA, USA, 15–19 March 2020; pp. 3208–3214. [Google Scholar] [CrossRef]
- Bosshard, R.; Member, S.; Kolar, J.W.; Mühlethaler, J.; Member, S.; Wunsch, B. Modeling and η-α-Pareto Optimization of Inductive Power Transfer Coils for Electric Vehicles. IEEE J. Emerg. Sel. Top. Power Electron. 2015, 3, 50–64. [Google Scholar] [CrossRef]
- Kalwar, K.A.; Aamir, M.; Mekhilef, S. Inductively Coupled Power Transfer (ICPT) for Electric Vehicle Charging—A Review. Renew. Sustain. Energy Rev. 2015, 47, 462–475. [Google Scholar] [CrossRef]
- International Commission on Non-Ionizing Radiation Protection. Guidelines for limiting exposure to timevarying electric and magnetic fields (1 Hz to 100 KHz). Health Phys. 2020, 99, 818–836. [Google Scholar]
- Shi, X.; Qi, C.; Qu, M.; Ye, S.; Wang, G.; Sun, L.; Yu, Z. Effects of Coil Shapes on Wireless Power Transfer via Magnetic Resonance Coupling. J Electromagn. Waves Appl. 2014, 28, 1316–1324. [Google Scholar] [CrossRef]
- Miller, J.M.; Daga, A. Elements of Wireless Power Transfer Essential to High Power Charging of Heavy Duty Vehicles. IEEE Trans. Transp. Electrif. 2015, 1, 26–39. [Google Scholar] [CrossRef]
- Kim, J.; Kim, J.; Kong, S.; Kim, H.; Suh, I.S.; Suh, N.P.; Cho, D.H.; Kim, J.; Ahn, S. Coil Design and Shielding Methods for a Magnetic Resonant Wireless Power Transfer System. Proc. IEEE 2013, 101, 1332–1342. [Google Scholar] [CrossRef]
- Budhia, M.; Covic, G.A.; Boys, J.T.; Huang, C.Y. Development and Evaluation of Single Sided Flux Couplers for Contactless Electric Vehicle Charging. In Proceedings of the IEEE Energy Conversion Congress and Exposition: Energy Conversion Innovation for a Clean Energy Future, ECCE 2011, Phoenix, AZ, USA, 17–22 September 2011; pp. 614–621. [Google Scholar] [CrossRef]
- Lin, F.Y.; Kim, S.; Covic, G.A.; Boys, J.T. Effective Coupling Factors for Series and Parallel Tuned Secondaries in IPT Systems Using Bipolar Primary Pads. IEEE Trans. Transp. Electrif. 2017, 3, 434–444. [Google Scholar] [CrossRef]
- Covic, G.A.; Boys, J.T. Modern Trends in Inductive Power Transfer for Transportation Applications. IEEE J. Emerg. Sel. Top. Power Electron. 2013, 1, 28–41. [Google Scholar] [CrossRef]
- Chopra, S.; Bauer, P. Analysis and Design Considerations for a Contactless Power Transfer System. In Proceedings of the INTELEC, International Telecommunications Energy Conference, Amsterdam, The Netherlands, 9–13 October 2011. [Google Scholar] [CrossRef]
- Wang, C.S.; Covic, G.A.; Stielau, O.H. Power Transfer Capability and Bifurcation Phenomena of Loosely Coupled Inductive Power Transfer Systems. IEEE Trans. Ind. Electron. 2004, 51, 148–157. [Google Scholar] [CrossRef]
- Outeiro, M.T.; Buja, G.; Czarkowski, D. Resonant Power Converters: An Overview with Multiple Elements in the Resonant Tank Network. IEEE Ind. Electron. Mag. 2016, 10, 21–45. [Google Scholar] [CrossRef]
- Keeling, N.A.; Covic, G.A.; Boys, J.T. A Unity-Power-Factor IPT Pickup for High-Power Applications. IEEE Trans. Ind. Electron. 2010, 57, 744–751. [Google Scholar] [CrossRef]
- Ke, G.; Chen, Q.; Gao, W.; Wong, S.C.; Tse, C.K.; Zhang, Z. Research on IPT Resonant Converters with High Misalignment Tolerance Using Multicoil Receiver Set. IEEE Trans. Power Electron. 2020, 35, 3697–3712. [Google Scholar] [CrossRef]
- Zhang, W.; Wong, S.C.; Tse, C.K.; Chen, Q. Load-Independent Duality of Current and Voltage Outputs of a Series- or Parallel-Compensated Inductive Power Transfer Converter with Optimized Efficiency. IEEE J. Emerg. Sel. Top. Power Electron. 2015, 3, 137–146. [Google Scholar] [CrossRef]
- Qu, X.; Han, H.; Wong, S.C.; Tse, C.K.; Chen, W. Hybrid IPT Topologies with Constant Current or Constant Voltage Output for Battery Charging Applications. IEEE Trans. Power Electron. 2015, 30, 6329–6337. [Google Scholar] [CrossRef]
- Huang, Z.; Wong, S.C.; Tse, C.K. Design of a Single-Stage Inductive-Power-Transfer Converter for Efficient EV Battery Charging. IEEE Trans. Veh. Technol. 2017, 66, 5808–5821. [Google Scholar] [CrossRef]
- Huang, Z.; Wong, S.C.; Tse, C.K. An Inductive-Power-Transfer Converter with High Efficiency Throughout Battery-Charging Process. IEEE Trans. Power Electron. 2019, 34, 10245–10255. [Google Scholar] [CrossRef]
- Auvigne, C.; Germano, P.; Ladas, D.; Perriard, Y. A Dual-Topology ICPT Applied to an Electric Vehicle Battery Charger. In Proceedings of the 2012 20th International Conference on Electrical Machines, ICEM 2012, Marseille, France, 2–5 September 2012; pp. 2287–2292. [Google Scholar] [CrossRef]
- Villa, J.L.; Sallán, J.; Sanz Osorio, J.F.; Llombart, A. High-Misalignment Tolerant Compensation Topology for ICPT Systems. IEEE Trans. Ind. Electron. 2012, 59, 945–951. [Google Scholar] [CrossRef]
- Hou, J.; Chen, Q.; Wong, S.C.; Tse, C.K.; Ruan, X. Analysis and Control of Series/Series-Parallel Compensated Resonant Converter for Contactless Power Transfer. IEEE J. Emerg. Sel. Top. Power Electron. 2015, 3, 124–136. [Google Scholar] [CrossRef]
- Hou, J.; Chen, Q.; Ren, X.; Ruan, X.; Wong, S.C.; Tse, C.K. Precise Characteristics Analysis of Series/Series-Parallel Compensated Contactless Resonant Converter. IEEE J. Emerg. Sel. Top. Power Electron. 2015, 3, 101–110. [Google Scholar] [CrossRef]
- Yao, Y.; Wang, Y.; Liu, X.; Lu, K.; Xu, D. Analysis and Design of an S/SP Compensated IPT System to Minimize Output Voltage Fluctuation versus Coupling Coefficient and Load Variation. IEEE Trans. Veh. Technol. 2018, 67, 9262–9272. [Google Scholar] [CrossRef]
- Lu, J.; Zhu, G.; Lin, D.; Zhang, Y.; Wang, H.; Mi, C.C. Realizing Constant Current and Constant Voltage Outputs and Input Zero Phase Angle of Wireless Power Transfer Systems with Minimum Component Counts. IEEE Trans. Intell. Transp. Syst. 2021, 22, 600–610. [Google Scholar] [CrossRef]
- Wang, Y.; Zhao, S.; Zhang, H.; Lu, F. High-Efficiency Bilateral S–SP Compensated Multiload IPT System with Constant-Voltage Outputs. IEEE Trans. Industr. Inform. 2022, 18, 901–910. [Google Scholar] [CrossRef]
- Madawala, U.K.; Thrimawithana, D.J. A Bidirectional Inductive Power Interface for Electric Vehicles in V2G Systems. IEEE Trans. Ind. Electron. 2011, 58, 4789–4796. [Google Scholar] [CrossRef]
- Qu, X.; Chu, H.; Huang, Z.; Wong, S.C.; Tse, C.K.; Mi, C.C.; Chen, X. Wide Design Range of Constant Output Current Using Double-Sided LC Compensation Circuits for Inductive-Power-Transfer Applications. IEEE Trans. Power Electron. 2019, 34, 2364–2374. [Google Scholar] [CrossRef]
- Shi, G.; Guo, W.; Liul, X.; Wang, Y.; Yaol, Y.; Xul, D. A Double-T-Type Compensation Network and Its Tuning Method for IPT System. In Proceedings of the IEEE International Conference on Power Electronics, Drives and Energy Systems, PEDES 2016, Trivandrum, India, 14–17 December 2016; pp. 1–5. [Google Scholar] [CrossRef]
- Zhang, Z.; Zheng, S.; Luo, S.; Xu, D.; Krein, P.T.; Ma, H. An Inductive Power Transfer Charging System with a Multiband Frequency Tracking Control for Misalignment Tolerance. IEEE Trans. Power Electron. 2022, 37, 11342–11355. [Google Scholar] [CrossRef]
- Tran, M.T.; Choi, W. Design and Implementation of a Constant Current and Constant Voltage Wireless Charger Operating at 6.78 MHz. IEEE Access 2019, 7, 184254–184265. [Google Scholar] [CrossRef]
- Wang, X.; Xu, J.; Leng, M.; Ma, H.; He, S. A Hybrid Control Strategy of LCC-S Compensated WPT System for Wide Output Voltage and ZVS Range with Minimized Reactive Current. IEEE Trans. Ind. Electron. 2021, 68, 7908–7920. [Google Scholar] [CrossRef]
- Kim, M.; Joo, D.M.; Lee, B.K. Design and Control of Inductive Power Transfer System for Electric Vehicles Considering Wide Variation of Output Voltage and Coupling Coefficient. IEEE Trans. Power Electron. 2019, 34, 1197–1208. [Google Scholar] [CrossRef]
- Yan, Z.; Zhang, Y.; Song, B.; Zhang, K.; Kan, T.; Mi, C. An LCC-p Compensated Wireless Power Transfer System with a Constant Current Output and Reduced Receiver Size. Energies 2019, 12, 172. [Google Scholar] [CrossRef]
- Vu, V.B.; Phan, V.T.; Dahidah, M.; Pickert, V. Multiple Output Inductive Charger for Electric Vehicles. IEEE Trans. Power Electron. 2019, 34, 7350–7368. [Google Scholar] [CrossRef]
- Kavimandan, U.D.; Galigekere, V.P.; Onar, O.; Mohammad, M.; Ozpineci, B.; Mahajan, S.M. The Sensitivity Analysis of Coil Misalignment for a 200-KW Dynamic Wireless Power Transfer System with an LCC-S and LCC-P Compensation. In Proceedings of the 2021 IEEE Transportation Electrification Conference and Expo, ITEC 2021, Chicago, IL, USA, 21–25 June 2021; pp. 1–8. [Google Scholar] [CrossRef]
- Hou, J.; Chen, Q.; Zhang, Z.; Wong, S.C.; Tse, C.K. Analysis of Output Current Characteristics for Higher Order Primary Compensation in Inductive Power Transfer Systems. IEEE Trans. Power Electron. 2018, 33, 6807–6821. [Google Scholar] [CrossRef]
- Wu, H.H.; Gilchrist, A.; Sealy, K.D.; Bronson, D. A High Efficiency 5 KW Inductive Charger for EVs Using Dual Side Control. IEEE Trans. Ind. Inform. 2012, 8, 585–595. [Google Scholar] [CrossRef]
- Li, S.; Li, W.; Deng, J.; Nguyen, T.D.; Mi, C.C. A Double-Sided LCC Compensation Network and Its Tuning Method for Wireless Power Transfer. IEEE Trans. Veh. Technol. 2015, 64, 2261–2273. [Google Scholar] [CrossRef]
- Li, W.; Zhao, H.; Li, S.; Deng, J.; Kan, T.; Mi, C.C. Integrated LCC Compensation Topology for Wireless Charger in Electric and Plug-in Electric Vehicles. IEEE Trans. Ind. Electron. 2015, 62, 4215–4225. [Google Scholar] [CrossRef]
- Qu, X.; Chu, H.; Wong, S.C.; Tse, C.K. An IPT Battery Charger with Near Unity Power Factor and Load-Independent Constant Output Combating Design Constraints of Input Voltage and Transformer Parameters. IEEE Trans. Power Electron. 2019, 34, 7719–7727. [Google Scholar] [CrossRef]
- Vu, V.B.; Tran, D.H.; Choi, W. Implementation of the Constant Current and Constant Voltage Charge of Inductive Power Transfer Systems with the Double-Sided LCC Compensation Topology for Electric Vehicle Battery Charge Applications. IEEE Trans. Power Electron. 2018, 33, 7398–7410. [Google Scholar] [CrossRef]
- Kan, T.; Nguyen, T.D.; White, J.C.; Malhan, R.K.; Mi, C.C. A New Integration Method for an Electric Vehicle Wireless Charging System Using LCC Compensation Topology: Analysis and Design. IEEE Trans. Power Electron. 2017, 32, 1638–1650. [Google Scholar] [CrossRef]
- Mai, R.; Chen, Y.; Li, Y.; Zhang, Y.; Cao, G.; He, Z. Inductive Power Transfer for Massive Electric Bicycles Charging Based on Hybrid Topology Switching with a Single Inverter. IEEE Trans. Power Electron. 2017, 32, 5897–5906. [Google Scholar] [CrossRef]
- Hwang, S.H.; Chen, Y.; Zhang, H.; Lee, K.Y.; Kim, D.H. Reconfigurable Hybrid Resonant Topology for Constant Current/Voltage Wireless Power Transfer of Electric Vehicles. Electronics 2020, 9, 1323. [Google Scholar] [CrossRef]
- Wang, D.; Qu, X.; Yao, Y.; Yang, P. Hybrid Inductive-Power-Transfer Battery Chargers for Electric Vehicle Onboard Charging with Configurable Charging Profile. IEEE Trans. Intell. Transp. Syst. 2021, 22, 592–599. [Google Scholar] [CrossRef]
- Tuan, T.M.; Choi, W. A 6.78 MHz Constant Current and Constant Voltage Wireless Charger for E-Mobility Applications. In Proceedings of the KIPE Conference, Busan, Republic of Korea, 27–30 May 2019; pp. 142–144. [Google Scholar]
- Chen, Y.; Yang, B.; Kou, Z.; He, Z.; Cao, G.; Mai, R. Hybrid and Reconfigurable IPT Systems with High-Misalignment Tolerance for Constant-Current and Constant-Voltage Battery Charging. IEEE Trans. Power Electron. 2018, 33, 8259–8269. [Google Scholar] [CrossRef]
- Zhang, Y.; Kan, T.; Yan, Z.; Mi, C.C. Frequency and Voltage Tuning of Series-Series Compensated Wireless Power Transfer System to Sustain Rated Power under Various Conditions. IEEE J. Emerg. Sel. Top. Power Electron. 2019, 7, 1311–1317. [Google Scholar] [CrossRef]
- Koran, A.; Badran, K. Adaptive Frequency Control of a Sensorless-Receiver Inductive Wireless Power Transfer System Based on Mixed-Compensation Topology. IEEE Trans. Power Electron. 2021, 36, 978–990. [Google Scholar] [CrossRef]
- Song, K.; Li, Z.; Jiang, J.; Zhu, C. Constant Current/Voltage Charging Operation for Series-Series and Series-Parallel Compensated Wireless Power Transfer Systems Employing Primary-Side Controller. IEEE Trans. Power Electron. 2018, 33, 8065–8080. [Google Scholar] [CrossRef]
- Rong, C.; Zhang, B.; Jiang, Y.; Shu, X.; Wei, Z. A Misalignment-Tolerant Fractional-Order Wireless Charging System With Constant Current or Voltage Output. IEEE Trans. Power Electron. 2022, 37, 11356–11368. [Google Scholar] [CrossRef]
- Yenil, V.; Cetin, S. Load Independent Constant Current and Constant Voltage Control of LCC-Series Compensated Wireless EV Charger. IEEE Trans. Power Electron. 2022, 37, 8701–8712. [Google Scholar] [CrossRef]
- Jiang, Y.; Wang, L.; Fang, J.; Li, R.; Han, R.; Wang, Y. A High-Efficiency ZVS Wireless Power Transfer System for Electric Vehicle Charging with Variable Angle Phase Shift Control. IEEE J. Emerg. Sel. Top. Power Electron. 2021, 9, 2356–2372. [Google Scholar] [CrossRef]
- Diekhans, T.; De Doncker, R.W. A Dual-Side Controlled Inductive Power Transfer System Optimized for Large Coupling Factor Variations and Partial Load. IEEE Trans. Power Electron. 2015, 30, 6320–6328. [Google Scholar] [CrossRef]
- Jiang, Y.; Wang, L.; Wang, Y.; Wu, M.; Zeng, Z.; Liu, Y.; Sun, J. Phase-Locked Loop Combined with Chained Trigger Mode Used for Impedance Matching in Wireless High Power Transfer. IEEE Trans. Power Electron. 2020, 35, 4272–4285. [Google Scholar] [CrossRef]
- Chen, C.; Zhou, H.; Deng, Q.; Hu, W.; Yu, Y.; Lu, X.; Lai, J. Modeling and Decoupled Control of Inductive Power Transfer to Implement Constant Current/Voltage Charging and ZVS Operating for Electric Vehicles. IEEE Access 2018, 6, 59917–59928. [Google Scholar] [CrossRef]
- Orekan, T.; Zhang, P.; Shih, C. Analysis, Design, and Maximum Power-Efficiency Tracking for Undersea Wireless Power Transfer. IEEE J. Emerg. Sel. Top. Power Electron. 2018, 6, 843–854. [Google Scholar] [CrossRef]
- Yang, Y.; Zhong, W.; Kiratipongvoot, S.; Tan, S.C.; Hui, S.Y.R. Dynamic Improvement of Series-Series Compensated Wireless Power Transfer Systems Using Discrete Sliding Mode Control. IEEE Trans. Power Electron. 2018, 33, 6351–6360. [Google Scholar] [CrossRef]
- Zhong, W.X.; Hui, S.Y.R. Maximum Energy Efficiency Tracking for Wireless Power Transfer Systems. IEEE Trans. Power Electron. 2015, 30, 4025–4034. [Google Scholar] [CrossRef]
- Li, H.; Li, J.; Wang, K.; Chen, W.; Yang, X. A Maximum Efficiency Point Tracking Control Scheme for Wireless Power Transfer Systems Using Magnetic Resonant Coupling. IEEE Trans. Power Electron. 2015, 30, 3998–4008. [Google Scholar] [CrossRef]
- Dai, X.; Li, X.; Li, Y.; Hu, A.P. Maximum Efficiency Tracking for Wireless Power Transfer Systems with Dynamic Coupling Coefficient Estimation. IEEE Trans. Power Electron. 2018, 33, 5005–5015. [Google Scholar] [CrossRef]
- Yang, L.; Shi, Y.; Wang, M.; Ren, L. Constant Voltage Charging and Maximum Efficiency Tracking for WPT Systems Employing Dual-Side Control Scheme. IEEE J. Emerg. Sel. Top. Power Electron. 2022, 10, 945–955. [Google Scholar] [CrossRef]
- Lu, J.; Zhu, G.; Lin, D.; Zhang, Y.; Jiang, J.; Mi, C.C. Unified Load-Independent ZPA Analysis and Design in CC and CV Modes of Higher Order Resonant Circuits for WPT Systems. IEEE Trans. Transp. Electrif. 2019, 5, 977–987. [Google Scholar] [CrossRef]
- Wang, X.; Xu, J.; Ma, H.; He, S. Inductive Power Transfer Systems with Digital Switch-Controlled Capacitor for Maximum Efficiency Point Tracking. IEEE Trans. Ind. Electron. 2021, 68, 9467–9480. [Google Scholar] [CrossRef]
- Song, K.; Lan, Y.; Wei, R.; Yang, G.; Yang, F.; Li, W.; Jiang, J.; Zhu, C.; Li, Y. A Control Strategy for Wireless EV Charging System to Improve Weak Coupling Output Based on Variable Inductor and Capacitor. IEEE Trans. Power Electron. 2022, 37, 12853–12864. [Google Scholar] [CrossRef]
- Zhang, Z.; Zhu, F.; Xu, D.; Krein, P.T.; Ma, H. An Integrated Inductive Power Transfer System Design with a Variable Inductor for Misalignment Tolerance and Battery Charging Applications. IEEE Trans. Power Electron. 2020, 35, 11544–11556. [Google Scholar] [CrossRef]
- Kavimandan, U.D.; Mahajan, S.M.; Van Neste, C.W. Analysis and Demonstration of a Dynamic ZVS Angle Control Using a Tuning Capacitor in a Wireless Power Transfer System. IEEE J. Emerg. Sel. Top. Power Electron. 2021, 9, 1876–1890. [Google Scholar] [CrossRef]
- Wong, C.S.; Wong, M.C.; Cao, L.; Loo, K.H. Design of High-Efficiency Inductive Charging System with Load-Independent Output Voltage and Current Tolerant of Varying Coupling Condition. IEEE Trans. Power Electron. 2021, 36, 13546–13561. [Google Scholar] [CrossRef]
- Li, W.; Zhang, Q.; Cui, C.; Wei, G. A Self-Tuning S/S Compensation WPT System without Parameter Recognition. IEEE Trans. Ind. Electron. 2022, 69, 6741–6750. [Google Scholar] [CrossRef]
- Luo, Z.; Zhao, Y.; Xiong, M.; Wei, X.; Dai, H. A Self-Tuning LCC/LCC System Based on Switch-Controlled Capacitors for Constant-Power Wireless Electric Vehicle Charging. IEEE Trans. Ind. Electron. 2022, 70, 709–720. [Google Scholar] [CrossRef]
- Lim, Y.; Tang, H.; Lim, S.; Park, J. An Adaptive Impedance-Matching Network Based on a Novel Capacitor Matrix for Wireless Power Transfer. IEEE Trans. Power Electron. 2014, 29, 4403–4413. [Google Scholar] [CrossRef]
- Zhang, Z.; Ai, W.; Liang, Z.; Wang, J. Topology-Reconfigurable Capacitor Matrix for Encrypted Dynamic Wireless Charging of Electric Vehicles. IEEE Trans. Veh. Technol. 2018, 67, 9284–9293. [Google Scholar] [CrossRef]
- Lee, E.S.; Han, S.H. 2-D Thin Coil Designs of IPT for Wireless Charging of Automated Guided Vehicles. IEEE J. Emerg. Sel. Top. Power Electron. 2022, 10, 2629–2644. [Google Scholar] [CrossRef]
- Lu, F.; Zhang, H.; Zhu, C.; Diao, L.; Gong, M.; Zhang, W.; Mi, C.C. A Tightly Coupled Inductive Power Transfer System for Low-Voltage and High-Current Charging of Automatic Guided Vehicles. IEEE Trans. Ind. Electron. 2019, 66, 6867–6875. [Google Scholar] [CrossRef]
- Lu, F.; Zhang, Y.; Zhang, H.; Zhu, C.; Diao, L.; Gong, M.; Zhang, W.; Mi, C. A Low-Voltage and High-Current Inductive Power Transfer System with Low Harmonics for Automatic Guided Vehicles. IEEE Trans. Veh. Technol. 2019, 68, 3351–3360. [Google Scholar] [CrossRef]
- Zaheer, A.; Covic, G.A.; Kacprzak, D. A Bipolar Pad in a 10-KHz 300-W Distributed IPT System for AGV Applications. IEEE Trans. Ind. Electron. 2014, 61, 3288–3301. [Google Scholar] [CrossRef]
- Liu, S.; Zhao, X.; Wu, Y.; Zhou, L.; Li, Y.; Mai, R.; He, Z. Efficiency Improvement of Dual-Receiver WPT Systems Based on Partial Power Processing Control. IEEE Trans. Power Electron. 2022, 37, 7456–7469. [Google Scholar] [CrossRef]
- Shi, L.; Delgado, A.; Ramos, R.; Alou, P. A Wireless Power Transfer System with Inverse Coupled Current Doubler Rectifier for High-Output Current Applications. IEEE Trans. Ind. Electron. 2022, 69, 4607–4616. [Google Scholar] [CrossRef]
- Li, Y.; Lin, T.; Mai, R.; Huang, L.; He, Z. Compact Double-Sided Decoupled Coils-Based WPT Systems for High-Power Applications: Analysis, Design, and Experimental Verification. IEEE Trans. Transp. Electrif. 2017, 4, 64–75. [Google Scholar] [CrossRef]
- Pan, S.; Xu, Y.; Lu, Y.; Liu, W.; Li, Y.; Mai, R. Design of Compact Magnetic Coupler with Low Leakage EMF for AGV Wireless Power Transfer System. IEEE Trans. Ind. Appl. 2022, 58, 1044–1052. [Google Scholar] [CrossRef]
- Wu, T.F.; Tsai, C.T.; Chang, Y.D.; Chen, Y.M. Analysis and Implementation of an Improved Current-Doubler Rectifier with Coupled Inductors. IEEE Trans. Power Electron. 2008, 23, 2681–2693. [Google Scholar] [CrossRef]
- Badstuebner, U.; Biela, J.; Christen, D.; Kolar, J.W. Optimization of a 5-KW Telecom Phase-Shift Dc-Dc Converter with Magnetically Integrated Current Doubler. IEEE Trans. Ind. Electron. 2011, 58, 4736–4745. [Google Scholar] [CrossRef]
- Shin, J.Y.; Kim, H.W.; Cho, K.Y.; Hwang, S.S.; Chung, S.K.; Chung, G.B. Analysis of LLC Resonant Converter with Current-Doubler Rectification Circuit. In Proceedings of the 16th International Power Electronics and Motion Control Conference and Exposition, PEMC 2014, Antalya, Turkey, 21–24 September 2014; pp. 162–167. [Google Scholar] [CrossRef]
- Xiong, M.; Dai, H.; Li, Q.; Jiang, Z.; Luo, Z.; Wei, X. Design of the LCC-SP Topology with a Current Doubler for 11-KW Wireless Charging System of Electric Vehicles. IEEE Trans. Transp. Electrif. 2021, 7, 2128–2142. [Google Scholar] [CrossRef]
- Scortegagna, R.G.; Gules, R. Self-Driven Current-Doubler Synchronous Rectifier and Design Tuning for Maximizing Efficiency in IPT Systems. IEEE J. Emerg. Sel. Top. Power Electron. 2022, 10, 1007–1016. [Google Scholar] [CrossRef]
- Tao, C.; Liu, Z.; Li, S.; Guo, Y.; Wang, L. A High-Efficiency Wireless Power Transfer System Using Quasi-Z-Source Inverter and Current-Double Synchronous Rectifier for Low-Voltage and High-Current Applications. IEEE Trans. Transp. Electrif. 2022, 8, 2758–2769. [Google Scholar] [CrossRef]
- Feng, H.; Lukic, S.M. Reduced-Order Modeling and Design of Single-Stage LCL Compensated IPT System for Low Voltage Vehicle Charging Applications. IEEE Trans. Veh. Technol. 2020, 69, 3728–3739. [Google Scholar] [CrossRef]
- Zhou, L.; Mai, R.; Liu, S.; Yu, J.; Li, Y.; Fu, L. Minimizing Input Current of the Rectifier of LCC-LCC Compensated IPT Systems by Switch-Controlled Capacitor for Improving Efficiency. IEEE Trans. Ind. Appl. 2022, 58, 1010–1021. [Google Scholar] [CrossRef]
- Yang, B.; Lu, Y.; Peng, Y.; He, S.; Chen, Y.; He, Z.; Mai, R.; Wang, Z. Analysis and Design of a T/S Compensated IPT System for AGV Maintaining Stable Output Current Versus Air Gap and Load Variations. IEEE Trans. Power Electron. 2022, 37, 6217–6228. [Google Scholar] [CrossRef]
- Wang, H.; Member, S.; Chen, Y.; Member, S.; Qiu, Y.; Fang, P.; Zhang, Y.; Wang, L.; Liu, Y.; Afsharian, J.; et al. Common Capacitor Multiphase LLC Converter with Passive Current Sharing Ability. IEEE Trans. Power Electron. 2018, 33, 370–387. [Google Scholar] [CrossRef]
- Wang, H.; Member, S.; Chen, Y.; Member, S.; Liu, Y. A Passive Current Sharing Method with Common Inductor Multiphase LLC Resonant Converter. IEEE Trans. Power Electron. 2017, 32, 6994–7010. [Google Scholar] [CrossRef]
































| LEVs | Ref. | Motor (kW) | Battery Voltage (V) | Battery Capacity (kWh) | Range (km) | Max Speed (km/h) | Weight (kg) | Use | Country of Origin |
|---|---|---|---|---|---|---|---|---|---|
| Citroen AMI | [19] | 6 | 48 | 5.5 | 75 | 45 | 485 | Urban mobility | France |
| Renault Twizy | [20] | 13 | 58 | 6.1 | 100 | 80 | 450 | Urban mobility | France |
| GEM e2 | [21] | 5 | 48 | 8.9 | 100 | 40 | 517 | Urban mobility | USA |
| E-Z-GO Liberty | [22] | 8.7 | 56.7 | 6.8 | NA | 31 | 408 | Golf Cart | USA |
| Italcar-nev C2S.5 | [23] | NA | 48 | NA | 120 | 50 | N/A | Urban mobility | Italy |
| Italcar Attiva fleet.6 | [23] | 3 | 48 | NA | 36 | 22 | N/A | Golf Cart | Italy |
| Polaris Ranger EV | [24] | 22 | 48 | 14.9 | 60–70 | 40 | 799 | Off-road | USA |
| Club Car Electric | [25] | 2.4 | 48 | NA | NA | 30 | 410 | Golf Cart | USA |
| SolidHub GSE2500/5 | [26] | 11.5 | 48 | 34 | N/A | 15 | 4000 | Forklift | UK |
| Carver One | [27] | 4 | 48 | 5,4 | 100 | 45.0 | 330.0 | Urban mobility | Netherlands |
| Microlino | [28] | 12.5 | N/A | 14.0 | 230 | 90 | 530 | Urban mobility | Switzerland |
| Wuling Mini EV | [29] | 20.0 | 90 | 9.2 | 120 | 100 | 665 | Urban mobility | China |
| Toyota C + Pod | [30] | 9.2 | 177.6 | 9.1 | 150 | 60 | 680 | Urban mobility | Japan |
| Squad Mobility Solar | [31] | 4.0 | N/A | 6.4 | 100 | 45 | 350 | Urban mobility | Netherlands |
| Tilting Triggo EV | [32] | 15 | 48 | 14.0 | 140 | 90 | 530 | Urban mobility | Poland |
| Eli Zero | [33] | 4.0 | 72 | 5.8 | 80 | 40 | 398 | Urban mobility | USA |
| Circular | Rectangular/Square | DD | DDQ | BP | |
|---|---|---|---|---|---|
| Number of coils | 1 | 1 | 1 | 2 | 2 |
| Flux type | Single sided and unipolar | Single sided and unipolar | Single sided and bipolar | Double sided and bipolar | Double sided and bipolar |
| Flux leakage | High | Moderate | Very low | Very low | Very low |
| Transfer distance | Low | Low | Moderate | Large | Large |
| Misalignment tolerance | Very poor | Poor | Good | Better | Better |
| Interoperability | Poor | Poor | Good | Best | Best |
| Charging area | Small | Small | Moderate | Large | Large |
| Commonly used as | Tx/Rx | Tx/Rx | Tx | Rx | Rx |
| ESR Losses | Small | Small | Medium | Large | Large |
| Complexity | Very simple | Very simple | Simple | Complex | Moderate |
| Reconfigurable Hybrid Topologies | Mode Selections | |
|---|---|---|
| CC Mode | CV Mode | |
![]() [65] | S1: ON and S2, S3: OFF SS ZPA: Yes | S1: OFF and S2, S3: OFF PS with ZPA: Yes |
![]() [92] | S1: ON, S2: OFF SS ZPA: Yes | S1: OFF, S2: ON S-LCC ZPA: Yes |
![]() [93] | S1: OFF, S2: ON SS ZPA: Yes | S1: ON, S2: OFF LCC-S ZPA: Yes |
![]() [94] | S1: OFF, S2: ON LCC-LCC ZPA: Yes | S1: ON, S2: OFF LCC-S ZPA: Yes |
![]() [79] | S1: OFF, S2: ON S-LCC+LCL ZPA: Yes | S1: ON, S2: OFF S-LCC ZPA: Yes |
![]() [95] | S1: OFF, S2: ON LCC-S+LCL ZPA: Yes | S1: ON, S2: OFF LCC-S ZPA: Yes |
| Control Methodologies | Primary Side (HB, FB) | Secondary Side (AR, Semi-R, PR) | Dual Side |
|---|---|---|---|
| Frequency tuning | CP [97] MET [98] CC/CV [99] | N/A | N/A |
| Phase shift control | CC/CV [100] | CC/CV [101,102] | CC/CV [103] CC/CV + MET [104] |
| Auxiliary DC-DC converter (Buck, Boost, Boost-Buck) | CC/CV [105] | MET [106,107,108] | MET + CV [109,110,111] |
| Switchable dual-band frequency | CC/CV [89,90,112] | N/A | N/A |
| Reconfigurable compensation networks | CC/CV [65,93] | CC/CV [79,87,92,94,95] | |
| Tunable compensation networks (Tunable equivalent capacitances or inductances) | MET [113,114] CC/CV [115,116] | CC/CV [117] | CC [118] CP [119] |
| LEVs | AGVs | |
|---|---|---|
| Coupling coefficient k | Loosely coupling < 0.5 | Tight coupling > 0.8 |
| Design challenges | ||
| High-current stress on rectifier devices | ✓ | ✓ |
| Large power losses on the receiver side | ✓ | ✓ |
| Require compact design | ✓ | ✓ |
| Sensitive to the air gap variation | ✓ | |
| High-order harmonic current | ✓ |
| Ref. /Years | Applications | Coil Structures-TX/RX and Dimension | Resonant Topologies | Vin, PO, VO, IO, | Coupling k, fsw, Efficiency | Circuit Structures and Design Objectives |
|---|---|---|---|---|---|---|
| [123] 2019 | AGV |
| LCC-LCC |
|
|
|
| [124] 2019 | AGV |
| SS |
|
|
|
| [126] 2022 | LEV |
| LCC-LCC |
|
|
|
| [136] 2020 | LEV |
| LCL-S |
|
|
|
| [122] 2022 | AGV |
| SS |
|
|
|
| [127] 2022 | LEV, AGV |
| SS |
|
|
|
| [135] 2022 | LEV, AGV |
| LCC-P |
|
|
|
| [137] 2022 | AGV |
| LCC-LCC |
|
|
|
| [138] 2022 | AGV |
| T-type/Series(T/S) |
|
|
|
| Parameters | Symbols | Values |
|---|---|---|
| Input voltage | Vdc | 400 V |
| Output voltage | VO | 48 V |
| Output Power | PO | 2500 W |
| Switching frequency | fO | 85 kHz |
| Parameters | Value |
|---|---|
| Coils dimension | 400 × 400 mm |
| TX-DD coil | 235 uH |
| RX-BP coil | 116 uH |
| Mutual inductance | 56 uH |
| Overlap distance BP coil | 121 mm |
| Air gap distance | 100 mm |
| Ferrite bar pitch | 26 mm |
| Ferrite bar material | N87 |
| Litz wire | AWG38 × 300 strands |
| Parameters | Values |
|---|---|
| 27.32 nF | |
| 32.85 nF | |
| 106 uH | |
| 12.8 uH | |
| 273.8 nF | |
| 36.1 nF |
Disclaimer/Publisher’s Note: The statements, opinions and data contained in all publications are solely those of the individual author(s) and contributor(s) and not of MDPI and/or the editor(s). MDPI and/or the editor(s) disclaim responsibility for any injury to people or property resulting from any ideas, methods, instructions or products referred to in the content. |
© 2023 by the authors. Licensee MDPI, Basel, Switzerland. This article is an open access article distributed under the terms and conditions of the Creative Commons Attribution (CC BY) license (https://creativecommons.org/licenses/by/4.0/).
Share and Cite
Tran, M.T.; Thekkan, S.; Polat, H.; Tran, D.-D.; El Baghdadi, M.; Hegazy, O. Inductive Wireless Power Transfer Systems for Low-Voltage and High-Current Electric Mobility Applications: Review and Design Example. Energies 2023, 16, 2953. https://doi.org/10.3390/en16072953
Tran MT, Thekkan S, Polat H, Tran D-D, El Baghdadi M, Hegazy O. Inductive Wireless Power Transfer Systems for Low-Voltage and High-Current Electric Mobility Applications: Review and Design Example. Energies. 2023; 16(7):2953. https://doi.org/10.3390/en16072953
Chicago/Turabian StyleTran, Manh Tuan, Sarath Thekkan, Hakan Polat, Dai-Duong Tran, Mohamed El Baghdadi, and Omar Hegazy. 2023. "Inductive Wireless Power Transfer Systems for Low-Voltage and High-Current Electric Mobility Applications: Review and Design Example" Energies 16, no. 7: 2953. https://doi.org/10.3390/en16072953
APA StyleTran, M. T., Thekkan, S., Polat, H., Tran, D.-D., El Baghdadi, M., & Hegazy, O. (2023). Inductive Wireless Power Transfer Systems for Low-Voltage and High-Current Electric Mobility Applications: Review and Design Example. Energies, 16(7), 2953. https://doi.org/10.3390/en16072953







