Ground Fault Detection Based on Fault Data Stitching and Image Generation of Resonant Grounding Distribution Systems
Abstract
1. Introduction
2. Related Studies
2.1. Option 1
2.2. Option 2
3. The Proposed Fault Detection Framework
- (1)
- It does not rely on the experience of experts and has the advantage of small computational effort.
- (2)
- The improved CNN identifies not the TZSC of a single feeder, but the grayscale images formed by stitching the TZSC of each feeder in a specific order, taking into account the differences and correlations between normal and faulty feeders.
- (3)
- The proposed fault data stitching and image generation method can enhance the characterization capability of data features.
4. Fault Data Stitching and Image Generation Methods
4.1. Fault Data Stitching Method
4.2. Signal-Image Conversion Method
4.3. Fault Detection Model Based on Improved CNN
- (1)
- Convolution operation on the input grayscale image.
- (2)
- Batch normalization of the feature map of the output after convolution using the BN algorithm [16].
- (3)
- Activation of the batch normalized feature map, the activation function is selected as the Relu function.
5. Example Analysis
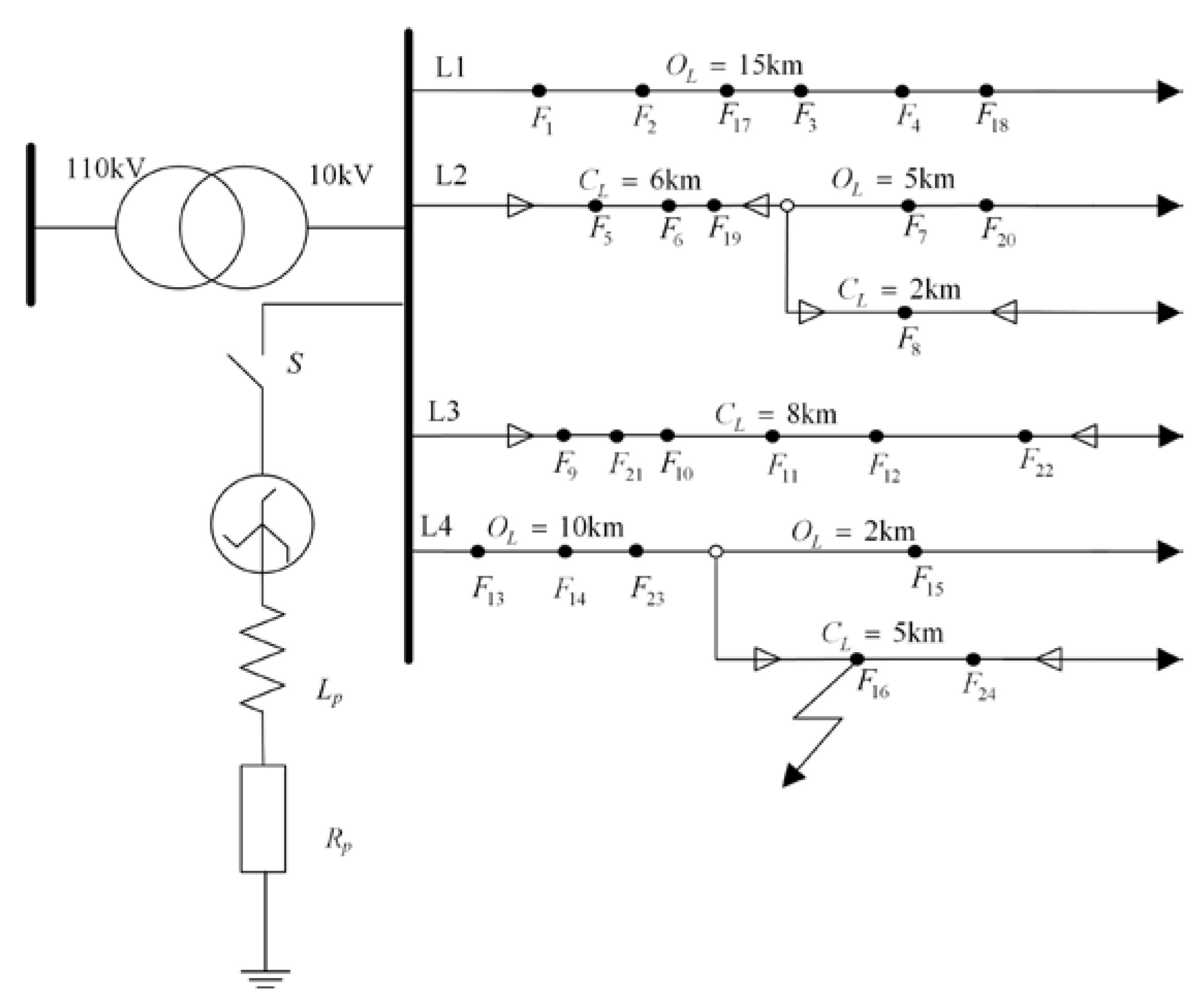
5.1. Simulation Model Building
5.2. Fault Dataset Generation
5.3. Fault Characterization Capability Analysis
- (1)
- Direct visualization of the fault feeder data from the training samples;
- (2)
- Pre-processing the training samples using the proposed fault stitching and image generation methods, followed by visualization.
- (1)
- The ability to preserve the difference between healthy and faulty feeders;
- (2)
- The converted grayscale image can retain the amplitude features and polarity features of the faulty feeder and the healthy feeder;
- (3)
- The method can fix the fault features in a specific region, enhancing the feature characterization of the system’s grayscale images.
5.4. Model Training and Testing
5.5. Comparison of Algorithms
- (1)
- Model-1
- (2)
- Model-2
- (3)
- Model-3
- (4)
- Model-4
5.5.1. Comparison of Different Models
5.5.2. Robustness Comparison of Models
- (1)
- Change of neutral-point operation mode
- (2)
- Reverse installation of CTs
- (3)
- Noise impact
- (4)
- Sampling delay
- (5)
- Sampling delay
6. Conclusions
- (1)
- The proposed fault data stitching method can highlight the amplitude characteristics of the faulty feeder. Secondly, the signal-image conversion method is used to make up for the possible fault polarity confusion in the fault data stitching method. Finally, the visualization technique is used to verify that the proposed fault data stitching and image generation methods can enhance the characterization ability of fault features.
- (2)
- The improved CNN model can accelerate the training speed of the model, the model is not easily affected by fault conditions, and has high detection accuracy.
- (3)
- Compared with existing detection methods, the proposed improved CNN fault line selection model shows superior robustness and good adaptability under the conditions of neutral operation mode change, noise, CT reversal and sampling delay.
Author Contributions
Funding
Data Availability Statement
Conflicts of Interest
References
- Wang, X.; Gao, J.; Song, G.; Cheng, Q.; Wei, X.; Wei, Y. Faulty Line Selection Method for Distribution Network Based on Variable Scale Bistable System. J. Sens. 2016, 2016, 7436841. [Google Scholar] [CrossRef]
- Shafiullah, M.; Abido, M.A. S-Transform Based FFNN Approach for Distribution Grids Fault Detection and Classification. IEEE Access 2018, 6, 8080–8088. [Google Scholar] [CrossRef]
- Wang, Y.; Huang, Y.; Zeng, X.; Wei, G.; Zhou, J.; Fang, T.; Chen, H. Faulty Feeder Detection of Single Phase-Earth Fault Using Grey Relation Degree in Resonant Grounding System. IEEE Trans. Power Deliv. 2017, 32, 55–61. [Google Scholar] [CrossRef]
- Li, Z.; Ye, Y.; Ma, X.; Lin, X.; Xu, F.; Wang, C.; Ni, X.; Ding, C. Single-Phase-to-Ground Fault Section Location in Flexible Resonant Grounding Distribution Networks Using Soft Open Points. Int. J. Electr. Power Energy Syst. 2020, 122, 106198. [Google Scholar] [CrossRef]
- Jin, N.; Xing, J.; Liu, Y.; Li, Z.; Lin, X. A Novel Single-Phase-to-Ground Fault Identification and Isolation Strategy in Wind Farm Collector Line. Int. J. Electr. Power Energy Syst. 2018, 94, 15–26. [Google Scholar] [CrossRef]
- Wang, B.; Geng, J.; Dong, X. High-Impedance Fault Detection Based on Nonlinear Voltage–Current Characteristic Profile Identification. IEEE Trans. Smart Grid 2018, 9, 3783–3791. [Google Scholar] [CrossRef]
- Yuan, J.; Jiao, Z.; Feng, G.; Chen, M.; Xu, M. Study on Fault Line Detection Methods Based on Multi-feature Fusion in Distribution Systems. IET Gener. Transm. Distrib. 2021, 15, 860–869. [Google Scholar] [CrossRef]
- Namdari, F.; Salehi, M. High-Speed Protection Scheme Based on Initial Current Traveling Wave for Transmission Lines Employing Mathematical Morphology. IEEE Trans. Power Deliv. 2017, 32, 246–253. [Google Scholar] [CrossRef]
- Xie, L.; Luo, L.; Li, Y.; Zhang, Y.; Cao, Y. A Traveling Wave-Based Fault Location Method Employing VMD-TEO for Distribution Network. IEEE Trans. Power Deliv. 2020, 35, 1987–1998. [Google Scholar] [CrossRef]
- Yuan, J.; Jiao, Z. Faulty Feeder Detection Based on Fully Convolutional Network and Fault Trust Degree Estimation in Distribution Networks. Int. J. Electr. Power Energy Syst. 2022, 141, 108264. [Google Scholar] [CrossRef]
- Ghaderi, A.; Mohammadpour, H.A.; Ginn, H.L.; Shin, Y.-J. High-Impedance Fault Detection in the Distribution Network Using the Time-Frequency-Based Algorithm. IEEE Trans. Power Deliv. 2015, 30, 1260–1268. [Google Scholar] [CrossRef]
- Sahani, M.; Dash, P.K. Fault Location Estimation for Series-Compensated Double-Circuit Transmission Line Using Parameter Optimized Variational Mode Decomposition and Weighted P-Norm Random Vector Functional Link Network. Appl. Soft Comput. 2019, 85, 105860. [Google Scholar] [CrossRef]
- Guo, M.-F.; Yang, N.-C.; Chen, W.-F. Deep-Learning-Based Fault Classification Using Hilbert–Huang Transform and Convolutional Neural Network in Power Distribution Systems. IEEE Sens. J. 2019, 19, 6905–6913. [Google Scholar] [CrossRef]
- Wang, X.; Zhou, P.; Peng, X.; Wu, Z.; Yuan, H. Fault Location of Transmission Line Based on CNN-LSTM Double-Ended Combined Model. Energy Rep. 2022, 8, 781–791. [Google Scholar] [CrossRef]
- Guo, M.-F.; Zeng, X.-D.; Chen, D.-Y.; Yang, N.-C. Deep-Learning-Based Earth Fault Detection Using Continuous Wavelet Transform and Convolutional Neural Network in Resonant Grounding Distribution Systems. IEEE Sens. J. 2018, 18, 1291–1300. [Google Scholar] [CrossRef]
- Yuan, J.; Jiao, Z. Faulty Feeder Detection Based on Image Recognition of Current Waveform Superposition in Distribution Networks. Appl. Soft Comput. 2022, 130, 109663. [Google Scholar] [CrossRef]
- Wei, X.; Yang, D.; Wang, X.; Wang, B.; Gao, J.; Wei, K. Faulty Feeder Detection Based on Fundamental Component Shift and Multiple-Transient-Feature Fusion in Distribution Networks. IEEE Trans. Smart Grid 2021, 12, 1699–1711. [Google Scholar] [CrossRef]
- Ince, T.; Kiranyaz, S.; Eren, L.; Askar, M.; Gabbouj, M. Real-Time Motor Fault Detection by 1-D Convolutional Neural Networks. IEEE Trans. Ind. Electron. 2016, 63, 7067–7075. [Google Scholar] [CrossRef]
- Ioffe, S.; Szegedy, C. Batch Normalization: Accelerating Deep Network Training by Reducing Internal Covariate Shift. arXiv 2015, arXiv:1502.03167. [Google Scholar]
- Zhang, J.; He, Z.Y.; Lin, S.; Zhang, Y.B.; Qian, Q.Q. An ANFIS-Based Fault Classification Approach in Power Distribution System. Int. J. Electr. Power Energy Syst. 2013, 49, 243–252. [Google Scholar] [CrossRef]
- Adewole, A.C.; Tzoneva, R.; Behardien, S. Distribution Network Fault Section Identification and Fault Location Using Wavelet Entropy and Neural Networks. Appl. Soft Comput. 2016, 46, 296–306. [Google Scholar] [CrossRef]
- Liang, P.; Wang, W.; Yuan, X.; Liu, S.; Zhang, L.; Cheng, Y. Intelligent Fault Diagnosis of Rolling Bearing Based on Wavelet Transform and Improved ResNet under Noisy Labels and Environment. Eng. Appl. Artif. Intell. 2022, 115, 105269. [Google Scholar] [CrossRef]
- Yin, H.; Miao, S.; Guo, S. Novel Method for Single-Phase Grounding Fault Line Selection in Distribution Network Based on S-Transform Correlation and Deep Learning. Electr. Power Autom. Equip. 2021, 41, 88–96. [Google Scholar]
- Chavez, J.J.; Popov, M.; López, D.; Azizi, S.; Terzija, V. S-Transform Based Fault Detection Algorithm for Enhancing Distance Protection Performance. Int. J. Electr. Power Energy Syst. 2021, 130, 106966. [Google Scholar] [CrossRef]
- Zhu, X.; Li, S.; Guo, Y.; Chen, X.; He, C.; Deng, J. Novel Wavefront Detection and Fault Location Method Based on Hilbert-Huang Transform for Long HVDC Transmission Lines. Electr. Power Syst. Res. 2022, 211, 108213. [Google Scholar] [CrossRef]
- Shamlou, A.; Feyzi, M.R.; Behjat, V. Winding Deformation Classification in a Power Transformer Based on the Time-Frequency Image of Frequency Response Analysis Using Hilbert-Huang Transform and Evidence Theory. Int. J. Electr. Power Energy Syst. 2021, 129, 106854. [Google Scholar] [CrossRef]
- Wang, X.; Gao, J.; Wei, X.; Song, G.; Wu, L.; Liu, J.; Zeng, Z.; Kheshti, M. High Impedance Fault Detection Method Based on Variational Mode Decomposition and Teager–Kaiser Energy Operators for Distribution Network. IEEE Trans. Smart Grid 2019, 10, 6041–6054. [Google Scholar] [CrossRef]
- Wen, L.; Li, X.; Gao, L.; Zhang, Y. A New Convolutional Neural Network-Based Data-Driven Fault Diagnosis Method. IEEE Trans. Ind. Electron. 2018, 65, 5990–5998. [Google Scholar] [CrossRef]
- Nguyen-Duc, T.; Le-Viet, T.; Nguyen-Dang, D.; Dao-Quang, T.; Bui-Quang, M. Photovoltaic Array Reconfiguration under Partial Shading Conditions Based on Short-Circuit Current Estimated by Convolutional Neural Network. Energies 2022, 15, 6341. [Google Scholar] [CrossRef]
- Zhan, X.; Han, S.; Rong, N.; Liu, P.; Ao, W. A Two-Stage Transient Stability Prediction Method Using Convolutional Residual Memory Network and Gated Recurrent Unit. Int. J. Electr. Power Energy Syst. 2022, 138, 107973. [Google Scholar] [CrossRef]
- Hao, S.; Zhang, X.; Ma, R. Fault Line Selection Method for Small Current Grounding System Based on Improved GoogLeNet. Power Syst. Technol. 2022, 46, 361–368. [Google Scholar]
- Shao, H.; Jiang, H.; Zhang, X.; Niu, M. Rolling Bearing Fault Diagnosis Using an Optimization Deep Belief Network. Meas. Sci. Technol. 2015, 26, 115002. [Google Scholar] [CrossRef]
- Gui, T.; Ma, C.; Wang, F.; Jinyang, L.; Wilkins, D.E. A Novel Cluster-Based Routing Protocol Wireless Sensor Networks Using Spider Monkey Optimization. In Proceedings of the IECON 2016–42nd Annual Conference of the IEEE Industrial Electronics Society, Florence, Italy, 23–26 October 2016; pp. 5657–5662. [Google Scholar]
- Du, Y.; Liu, Y.; Shao, Q.; Luo, L.; Dai, J.; Sheng, G.; Jiang, X. Single Line-to-Ground Faulted Line Detection of Distribution Systems With Resonant Grounding Based on Feature Fusion Framework. IEEE Trans. Power Deliv. 2019, 34, 1766–1775. [Google Scholar] [CrossRef]
















| Layer Types | Output Feature Size | Convolution Kernel Size-Number | Stride | Activation Function |
|---|---|---|---|---|
| Input | ||||
| C1 | 1 | Relu | ||
| S1 | 2 | |||
| C2 | 1 | Relu | ||
| S2 | 2 | |||
| C3 | 1 | Relu | ||
| FC layer | ||||
| Output |
| Line Types | Sequence | Resistance | Inductance | Capacitance |
|---|---|---|---|---|
| Overhead | Positive-sequence | 0.125 | 1.3 | 0.0096 |
| Zero-sequence | 0.275 | 4.6 | 0.0054 | |
| Cable | Positive-sequence | 0.27 | 0.255 | 0.339 |
| Zero-sequence | 2.7 | 1.019 | 0.28 |
| Parameters | Value | Sample Size | |
|---|---|---|---|
| Training samples | Voltage/kV | 9.5, 10.0, 10.5 | 5760 |
| Fault Type | A-G, B-G, C-G | ||
| Fault phase angle/degree | 0, 30, 45, 60, 90 | ||
| Transition Resistors/ | 1, 50, 100, 200, 500, 1000, 1500, 2000 | ||
| Fault distance | In Figure 11, | ||
| Testing samples | Voltage/kV | 10.0 | 720 |
| Fault Type | A-G, B-G, C-G | ||
| Fault phase angle degree | 20, 40, 50, 70, 80 | ||
| Transition Resistors/ | 10, 300, 800, 1200, 2000, 3000 | ||
| Fault distance | In Figure 11, |
| Feeder Detection Method | Model-1 | Model-2 | Model-3 | Model-4 | The Proposed Method |
|---|---|---|---|---|---|
| Accuracy/% | 84.24 | 95.63 | 100 | 94.58 | 100 |
| Method | Model-1 | Model-2 | Model-3 | Model-4 | The Proposed Method |
|---|---|---|---|---|---|
| Accuracy/% | 67.19 | 79.86 | 81.25 | 80.21 | 100 |
| Fault Type | The Number of Samples with Reversed CTs in Testing Data | The Number of Samples with Correct CTs in Testing Data | The Number of Testing Data |
|---|---|---|---|
| Fault in Feeder 1 | 72 | 108 | 180 |
| Fault in Feeder 2 | 72 | 108 | 180 |
| Fault in Feeder 3 | 72 | 108 | 180 |
| Fault in Feeder 4 | 72 | 108 | 180 |
| Method | Model-1 | Model-2 | Model-3 | Model-4 | The Proposed Method |
|---|---|---|---|---|---|
| Accuracy/% | 84.72 | 95.63 | 93.61 | 80.56 | 100 |
| Method | Model-1 | Model-2 | Model-3 | Model-4 | The Proposed Method |
|---|---|---|---|---|---|
| Average accuracy/% | 70 | 85.33 | 94.51 | 97.07 | 99.51 |
Disclaimer/Publisher’s Note: The statements, opinions and data contained in all publications are solely those of the individual author(s) and contributor(s) and not of MDPI and/or the editor(s). MDPI and/or the editor(s) disclaim responsibility for any injury to people or property resulting from any ideas, methods, instructions or products referred to in the content. |
© 2023 by the authors. Licensee MDPI, Basel, Switzerland. This article is an open access article distributed under the terms and conditions of the Creative Commons Attribution (CC BY) license (https://creativecommons.org/licenses/by/4.0/).
Share and Cite
Nie, X.; Zhang, J.; He, Y.; Luo, W.; Gu, T.; Li, B.; Hu, X. Ground Fault Detection Based on Fault Data Stitching and Image Generation of Resonant Grounding Distribution Systems. Energies 2023, 16, 2937. https://doi.org/10.3390/en16072937
Nie X, Zhang J, He Y, Luo W, Gu T, Li B, Hu X. Ground Fault Detection Based on Fault Data Stitching and Image Generation of Resonant Grounding Distribution Systems. Energies. 2023; 16(7):2937. https://doi.org/10.3390/en16072937
Chicago/Turabian StyleNie, Xianglun, Jing Zhang, Yu He, Wenjian Luo, Tingyun Gu, Bowen Li, and Xiangxie Hu. 2023. "Ground Fault Detection Based on Fault Data Stitching and Image Generation of Resonant Grounding Distribution Systems" Energies 16, no. 7: 2937. https://doi.org/10.3390/en16072937
APA StyleNie, X., Zhang, J., He, Y., Luo, W., Gu, T., Li, B., & Hu, X. (2023). Ground Fault Detection Based on Fault Data Stitching and Image Generation of Resonant Grounding Distribution Systems. Energies, 16(7), 2937. https://doi.org/10.3390/en16072937

