Abstract
Numerous recent innovations have been achieved with the goal of enhancing electric vehicles and the parts that go into them, particularly in the areas of managing energy, battery design and optimization, and autonomous driving. This promotes a more effective and sustainable eco-system and helps to build the next generation of electric car technology. This study offers insights into the most recent research and advancements in electric vehicles (EVs), as well as new, innovative, and promising technologies based on scientific data and facts associated with e-mobility from a technological standpoint, which may be achievable by 2030. Appropriate modeling and design strategies, including digital twins with connected Internet of Things (IoT), are discussed in this study. Vehicles with autonomous features have the potential to increase safety on roads, increase driving economy, and provide drivers more time to focus on other duties thanks to the Internet of Things idea. The enabling technology that entails a car moving out of a parking spot, traveling along a long highway, and then parking at the destination is also covered in this article. The development of autonomous vehicles depends on the data obtained for deployment in actual road conditions. There are also research gaps and proposals for autonomous, intelligent vehicles. One of the many social concerns that are described is the cause of an accident with an autonomous car. A smart device that can spot strange driving behavior and prevent accidents is briefly discussed. In addition, all EV-related fields are covered, including the likely technical challenges and knowledge gaps in each one, from in-depth battery material sciences through power electronics and powertrain engineering to market assessments and environmental assessments.
1. Introduction
To acquire a proper pace to meet the increasing demands of sustainable transportation one may come across many technical hurdles that currently exist in the area of electric vehicles and their electrification mobility plan [1]. As per the literature survey [2,3,4], it has been observed that the price of current electric vehicles, range, and the facilities to charge them are the major concerns in the present market of electric vehicles. With time, these three challenging issues have gone through tremendous evolution. For instance, the price has been decreased by almost 90 percent and it is predicted that it may reduce more in future by 2050. Its range comparatively has been increased from 80–160 km to 320+ km [5,6,7], whereas the charging infrastructures have been observed as still a major concern. These electric vehicles are no doubt environmentally friendly [8,9] and have the great boom of renewable sources in the electrical grid, as witnessed in [10]. This review manuscript will try to address these issues in more detail along with emphasizing the current cutting-edge advancements in this e-mobility [11,12,13].
Looking at 2020, one may see that the battery’s specific energy has been increased from almost 110 Wh/kg to 250 Wh/kg. Hence, looking at this advancement one may predict that it may reach up to 450 Wh/kg by the year of 2030. Moreover, the energy density also increased from 300 Wh/L to 550 Wh/L from 2010 to 2020 (in merely 10 years). Thus, one may also predict for 2030 that it may increase up to 1100 Wh/L. Where the prices of batteries are concerned, there is reduction in the cost as well. The battery price that used to be EUR 1200 per kWh has been reduced to EUR 120 per kWh and will likely to go down to EUR 50 per kWh in the near future. This review paper therefore shares the current state of the battery technology as well [11,12,13].
Discussing further the traction inverter power density, one may see that it is also increased up to 35 kW/L and likely to be increased up to 60 kW/L in the upcoming 10 years [11]. Researchers have so far incorporated wide band gap strategies to increase the efficiency up to 98% with an increment in driving range by 8%. The method utilized to generate electricity has the biggest impact on how environmentally friendly electric vehicles are. The European Energy Mix estimates that CO2 emissions in 2010 were at 300 CO2 g/kWh. The deployment of sustainable energy sources and the potential retirement of nuclear power plants are expected to reduce CO2 emissions to below 200 g/kWh by 2030, and maybe even lower. The CO2 emissions per vehicle will drop from 66 CO2 g/km in 2010 to under 30 CO2 g/km in 2030 when the consumption and emissions of the electric vehicles used to generate the electricity are taken into account [11,12,13,14].
Autonomous vehicles (AVs) are anticipated to be used by 2030. They will probably be electric and shared. Some of the commercial used vehicles have been incorporated with automation level 1, as mentioned by the SAE in 2010. Now, the latest cutting-edge vehicular technologies have reached level 3 already, and some of them have level 4 automation. They have artificial intelligence features already incorporated with advanced communication systems that enable their use for brand new mobility services right now. Such development is also present in this article. In this present era, thousands of things cannot only be sensed but processed and actuated using the Internet of Things feature. This will also enable the smooth collaboration and makes sharing of data easy [14,15,16]. Such platforms are used in the automotive mobility, automation, as well as in smart cities. These platforms are not only used to identify threats but also used to tackle them [14,15,16,17,18,19,20]. While driving one may see that driver has to perform a series of actions, such as accelerating and de-accelerating the vehicle, taking care of directions, and using indicators and changing lanes accordingly [21]. An autonomous vehicle must consider its surroundings in order to operate [22]; the five core processes of perception and planning, along with localization, vehicle control system, and system administration, are needed for this.
Estimating the position of the vehicle is the responsibility of the localization module, while the perception module uses data from several sensors to build a representation of the driving environment. Thus far, the module related to planning is concerned; its main task is to make decisions for maneuvering the EV based on safer localization and mapping. This is all possible because of the perception data only. Moreover, the acceleration, steering, and braking mechanisms all are controlled by the vehicle control system [23]. Thus, taking all factors on the road into account, such as pedestrians, cyclists, other vehicles, etc., the procedure becomes a bit complex. Therefore, the communication system module plays a vital role in the autonomous electric vehicles, which allows the vehicle to take care of such factors while being driven on roads. A frequent name for this type of communication is “vehicle-to-everything” (V2X) communication, which encompasses a number of situations including “vehicle-to-vehicle”, “vehicle-to-infrastructure”, “vehicle-to-pedestrian”, and “vehicle-to-network” (V2N) communication [24,25].
Thus far, it has been observed and studied in the literature [25,26] that two vehicles can communicate with each other, known as vehicle-to-vehicle communication. This enables fewer collisions and enables road departure with nominal speed and acceleration by letting other side vehicles know about each other [27]. Instead, V2I communication allows the car to link to the infrastructure on the side of the road to spread information widely [28]. Among the advanced services, one may find all relevant information related to safe distances from surrounding cars, speed limits, safety, roadblocks, and accidental warnings, and it also helps in assisting lane tracking as well [29]. In order to reduce accidents, the term “V2P” refers to the idea of information being exchanged between a vehicle and a pedestrian utilizing sensors and intelligent technology [30,31,32]. The server that provides centralized control and data on traffic, roads, and services is connected by V2N, which connects car user equipment [33]. As a result, the deployment of V2X communications in conjunction with already existing vehicle-sensing capabilities serves as the basis for complex applications intended at enhancing vehicle traffic, passenger infotainment, manufacturer services, and road safety [34,35].
If such systems are to be successful when implemented in a real-life scenario, they will ultimately depend on the data gathered from actual contact [36]. For instance, machine vision makes use of image processing to keep an eye on the back cars [37] and trajectory analysis of the vehicles in particular jurisdiction [38]. The best control parameters for maximizing fuel efficiency and saving fuel are also determined using historical data [39]. The chance of drunk or sleepy driving is decreased by using data gathered by in-car sensors to examine driver behavior even when the vehicle is not fully autonomous [40].
There is literature that examines V2X communication and focuses on the connectivity and security of networks [41,42,43,44,45]. There have also been reviews that concentrate on various aspects of the autonomous vehicle. The state of the art for connected automobiles was outlined by Siegel et al. [40] starting with the obstacles, applications, and requirements for vehicle data. It was endorsed in [46] that the communication between transport infrastructures with cooperative traffic management solves half of the problems. They focus on non-signalized junctions in their study while also including approaches for signalized intersections. The detailed review on autonomous overtaking was published in [47]. The authors demonstrated that the dynamics of vehicles and restrictions associated with the environment, as well as proper understanding of the environment and nearby obstructions, are the two key components of high-speed overtaking. Bresson et al. [48] conducted an assessment on localization methods for autonomous cars equipped with on-board sensor-based systems along with the combination of a communication network, either V2V or V2I, or in some of the cases both are equipped.
Development of Vehicular Networks and Cloud Options
Furthermore, one may see several research contributions revolving around cloud computing [49,50,51,52,53,54,55,56,57,58]. In these research manuscripts, authors have investigated the vehicular computing based on cloud things and associated its extension to mobile-based cloud computing and vehicular networks. In addition to this, one may find additional information related to privacy, security topics, and concern areas such as cloud applications and their formation along with the communication system design. The difficulties of vehicle cloud networks were discussed in [50,51]. Last but not least, one may see similar discussions on vehicular cloud options, including traffic models, services, and applications that can make vehicular clouds possible in a more dynamic setting [52,53]. Reviews written by various authors have concentrated on a certain topic. Although review paper [40] focused on a more general topic, network connectivity was highlighted. The application had very few details. However, the researcher in [40] only highlighted applications that may use gathered data to check drivers, hence lowering the danger of sluggish drinking, as an example of driver monitoring. As per our best efforts on studying the literature, one may be unable to find any study related to the cutting-edge trends in autonomous vehicular technology. Hence, the aim to include this in our review manuscript is to comment whether the above-stated jobs will be performed by the modern autonomous vehicular technology or not. Fuzzy, modern predictive control, and a number of other techniques are used to enhance fuel efficiency and energy consumption without sacrificing the vehicle’s performance. Some of these provide information on the EMS’s real-time development process and its calibration parameters, which are utilized to improve the vehicle output characteristics. These parameters include SOC, vehicle speed, power-split, etc. The primary goal of this type of research is to investigate a comprehensive strategy for creating the control architecture of an EMS using multiple control techniques. Along with a brief suggestion and debate regarding the improvement of future EMS research, constraints and difficulties relating to EMS breakthroughs are also suitably emphasized. The significance and potential effects of real-time EMSs with different control systems were finally revealed by an interpretative analysis [39]. For the transportation of the future, which is anticipated to be sustainable in terms of energy generation, consumption, and vehicle emissions, these methods are all put forth. Vehicle electrification, autonomy, and implementation all heavily rely on embedded intelligent systems. Despite the fact that electric vehicle technology is anticipated to dominate the automotive powertrain design in the next decades, a number of obstacles currently prevent their widespread adoption in the automotive industry. These obstacles can generally be divided into four categories: consumer behavior, charging infrastructure, car performance, and governmental backing. Hence, a thorough understanding of these obstacles is a matter of concern. Based on the importance of each barrier to be found and removed, this article studies them and deduces the relative order of their removal [40].
This paper starts with information about the digital-twin-based vehicle propulsion system (DTVPS) and its revolutionary benefits associated with the wide band gap (WBG)-based semiconductor trend utilized in power converters. Later, one may read about the rapid charger technology in detail with respect to vehicle-to-grid (V2G) and vehicle-to-device (V2D) communication systems [59,60]. In addition to this, one may see the overall investigation provided by these modern strategies that make modern autonomous cars more powerful. At the same time, there is a recommendation of resolving the issues as stated in this manuscript. Thus, the main objective of this research article is to propose an overall picture of this topic though comprehensive literature work which includes related areas but no discussion on algorithms at this moment.
2. Future Electric Vehicle Propulsion Systems
In terms of the concept related to electric vehicle propulsion systems, one may understand it in an easy way, as it requires a power converter, a battery, an electric motor, and, last but certainly not least, a fixed transmission. Moreover, there is no need for a gearbox, and it is also free from clutch and oil filters. This cuts down the costs as well as improves the driving comfort [61,62,63,64]. One may find the information associated with the upcoming market trends with EV propulsion in this section and will be able to draw the new directions for research as well.
2.1. Development of Digital Twins for EVs and Their Perks
For many years, automotive researchers and engineers have created analytical and simulation models of the individual parts of EVs as well as complete EVs. With time, these models have advanced and become more precise. With the advent of sensor technologies and the powerful IoT-like feature, all offline models have been turned into digital models that provide liberty of monitoring, rescheduling maintenance, predictive maintenance, and fault endurance and recognition for their lifetime. This results in reducing the costs over the intermediate steps during manufacturing, such as system design verification and validation. These are the reasons that digital twin has been initiated based on the advanced strategies such as AI, IoT, and cloud computing [65,66].
The entire idea about digital twin is illustrated in Figure 1, where one may see an electric vehicle containing all essential components, such as a power converter, battery, and then a suitable number of sensors equipped with a motor. The representational model of the simulation platform is housed in the virtual environment. Thus, using a multi-physics framework, one of the highly accurate models has been developed. The exchange of information and data links the physical and digital worlds. The vehicle designer can develop a virtual process that runs concurrently with the real one and functions as a source that helps in analyzing the model in terms of dynamic and static perspectives.
Figure 1.
The creation of a digital twin implementation concept.
The EV’s digital twin model and tool can provide the following advantages:
- Ensuring that future EVs’ functionality, energy efficiency, and user comfort all advance significantly: These criteria can gauge the usability and attributes of the vehicle, for instance, price, driving distance, range forecast, overall journey time, appropriateness of a long-distance trip, comfort in all environmental circumstances, and comfort in traffic situations.
- Stress modeling and study using multi-physics: This analysis predicts breakdowns in advance, allowing for the prevention of failures and a reduction in downtime.
- Predictive maintenance using reliability analysis based on mission profiles: Battery-based electric vehicle drivetrain deterioration of the components crucial to system dependability can be identified via the mission-profile-oriented accelerated lifetime testing. As a result, product developers will be better equipped to innovate quickly and consistently, testing several combinations of various variations of drivetrain components and experimenting with novel ideas.
Additionally, maintenance protocols and schedules can be created utilizing the data collected from the digital twins of the cars to ensure that the parts are available before they are anticipated to fail in the EV and reduce inventory stocks. The use of the digital twin in control design, designing powertrain, and the dependability of innovative new powertrains is also one of the major themes of the future. This shares three significant domains, such as the digital-twin-based reliability, its design itself, and digital-twin-based control design. These areas are all crucial for creating future vehicle generations that are more dependable and cost effective.
2.2. Power Electronic Interfaces
Power electronic converters are no doubt important components of any electric vehicle propulsion [11]. Numerous studies have been undertaken in the area of semiconductor -based materials designed as switches for these power converters. These switches are currently proposed based on silicon (Si) materials or silicon carbide (SiC). A few of them use gallium nitride (GaN), as referred to in [67,68,69,70]. The only limitation or constraint with such switches is their switching frequency. As per the user requirement, it is seen that the silicon-based IGBT traction inverter designs restrict the switching frequency [71]. These wide band gap materials need one- or two-electron volt energy to transfer their electron to the valence band in order to execute the conduction [67,68,69,70,71,72,73]. Such properties are illustrated in Figure 2.
Figure 2.
Comparison between silicon (Si), silicon carbide (SiC), and gallium nitride (GaN) [73].
For Si-based OBCs, the switching frequency for MOSFET-based on-board chargers (OBCs) must be less than 100 kHz [72]. The WBG semiconductors, in contrast to typical Si semiconductors, have intriguing characteristics and advanced material features, such as the capacity to function at higher voltages and with less leakage current, as well as greater switching frequencies and thermal conductivity. Thus, for low-voltage applications, the high-frequency-based WBG semiconductor provides good efficiency along with better power density. This results as a reduction in the overall weight of the converter and efficiency of the electric powertrain. Moreover, these high frequencies that are in between 40 kHz–100 kHz for active front-end inverters and 200 kHz to 500 kHz for OBC systems will allow to even operate on high temperature readings as well. It has been observed that there is much less focus dedicated to the thermal control of GaN-based semiconductor devices. Thus, precise models for GaN-based power electronic converters are required so that one may suggest the outcome based on their parametric as well as non-parametric representations.
Additionally, for power electronic converters, the most failure-prone devices are the semiconductor modules. This is because of their high thermal stress property. Many of these failures are time-dependent dielectric breakdowns [74]. WBG-based power converters are most reliable because of their higher activation and are currently preferable due to their cost-effective packaging devices. These reliability operations have so far not been discussed in previous research contributions. Although there are some research manuscripts that may share the reliability analysis of silicon- and silicon-carbide-based converters, one may find very little research on GaN-based power converters. These GaN devices in the EV power industry enable higher range efficiency, but still one of the key constraints in this area to tackle is the range of voltages. Regarding the predictive maintenance and reliability, no detailed stress study is available. Therefore, in accordance with these WBG technologies, one may see them being integrated with electric motors as well as with the battery systems.
3. The Future of Solid Batteries
Because of the dominating properties, lithium batteries are currently the most common type of batteries used in electric vehicles, according to the literature [75,76,77,78]. This battery’s role in EVs is crucial, since it determines the vehicle’s energy, cycle life, power performance, safety, and, most importantly, its driving range. Numerous unique scientific advancements in battery chemistry, composition, and manufacturing have improved the performance of EVs while also lowering their overall cost [79].
3.1. Previous Technology Developments Associated with Lithium Batteries
According to the cathode material utilized, Li-ion batteries are frequently categorized [80,81]. The common iron and phosphate are used to create LFP (lithium iron phosphate) batteries, on the other hand. Due to the material’s hard olivine structure, these batteries have a very long lifespan and are capable of producing very high power. Unfortunately, this technology’s intrinsic low potential compared to Li+ and particular capacitance make it less suitable for high-energy applications. LFP is still a good option for power applications (hybrid cars, power equipment, etc.) or situations requiring a lot of cycles, whereas both lithium nickel cobalt aluminum oxide (NCA) and lithium nickel manganese cobalt oxide (NMC) are energy-dense technologies, and electric cars frequently employ them. The amount of cobalt is being decreased in favor of the amount of nickel in both technologies, which is a definite trend. This guarantees a better energy density and lessens reliance on pricey cobalt. Studying different stoichiometric proportions enables us to see several types of NMC which are now available for commercial usage. Considering NMC111, NMC532, and NMC622, each of the three components are present in the same quantity. NMC111 is better suited for higher power applications, since it has less nickel and more manganese, but NCA, NMC-532, and NMC-622 are considered to be cutting-edge cathode materials, as seen in Figure 3.
Figure 3.
Illustration of Energy density vs. specific energy.
There are many constraints of negative electrodes in terms of their availability for commercial usage. Because of their low potential when compared with Li+, it is observed that high specific capacitance and carbon anodes have outclassed them since 1991. In the year 2016, almost 90% of commercial batteries were based on graphite, whereas only 7% of them had amorphous carbon and only 2% had lithium titanate oxide. These materials have the ability to charge the batteries quickly but at the same time the raw material seems quite expensive, along with the low energy density [82]. There is a plethora of perks of the electrode material available today in the market, and this is because of the recent research and developments occurring in the field of Li-ion batteries, as illustrated in Figure 3. In the near future, silicium’s contribution to this will be crucial. It has been observed while going through the literature that silicon is one of the alternate solutions for the next-generation materials for anodes [83], and this leads toward the reduction in the low prices: almost eight to ten percent less than graphite. In addition to this, the life cycle of silicon-based batteries is still short, even with the amalgamation of graphite electrodes in lower amounts. A few examples of this amalgamation have occurred already, for example, the 5 percent incorporation in Panasonic cells which were later utilized in Tesla X. We all expect that the technology that we have today will surely expand in upcoming years, and with this expansion there will surely be a boost in nickel-based cathodes that may lead to lessen the silicon’s content and immediately will result in an increment in energy density. This is something that is expected until 2025, along with the anticipation of technologies based on lithium-sulfur-oxygen and solid-state batteries. In the coming eight to ten years, the current market is predicted to head toward the next generation of technology based on the lithium-ion battery. It is concluded that with an inclusion of cobalt or nickel the energy densities can be increased at the cell level as well as at the pack level, as shown in [84,85]. In order to fulfil this prediction, extensive research is required on these solid-state electrolytes. These are the thicker electrolytes with higher energy densities. They are not flammable and do not have any impact on concentration polarization voltage losses like the other liquid electrolytes. These are found to have brilliant dendritic growth resistance that allow us to use Li-based anodes easily [86].
Specifically, for a solid electrolyte to be used for the applications associated with an electric vehicle, it must have a fast charging capability. In addition to this, the maximum current density over which the battery becomes short circuited due to the Li-dendrite penetration phenomenon is one of the key things to be kept in mind. The modern parametric reading for critical current density values should be below the value of 5 mA/cm2 [87,88], but in actuality they are even below 0.12 mA/cm2. Furthermore, variable current densities are needed for charging and discharging. Recently, it was discovered that critical current densities are higher during charging than during discharging [86].
Investigating the interfaces such as electrode to electrolyte in solid-state batteries is one of the significant aspects in acquiring high specific energy with a longer life cycle. Moreover, one of the reasons due to which cells usually fail is the electro-chemical interfacial instability. For example, solid-state electrolytes presently have a stability window up to 6 V as compared to Li+/Li batteries. The cell impedance may eventually rise as a result of the breakdown of the solid electrolyte–solid electrode contact. The purpose of some techniques, such as liquid–solid hybrid electrolytes, is to explain the interface instabilities [87]. It is seen that the polymers and their composite electrolytes are majorly centered on solid-state batteries; this is because of their well-oriented nature towards the field of energy storage. In addition to providing improved mechanical flexibility, processability, and scaling up, they are less flammable than liquid electrolytes. Due to its broad ionic conductivity ranges, poly (ethylene oxide) (PEO) and its derivatives have fascinating solid-state battery possibilities. Compared to the conventional organic liquid electrolytes, ion conduction is still less efficient and more challenging [89,90,91]. Solid-state battery production comprises distinct lines for anode, cathode, and electrolyte sheets, much like standard Li-ion battery assembly. The production of battery parts and the methods by which they are assembled, however, differ. In contrast to conventional Li-ion batteries, electrodes must be added after the electrolyte has been created. Additionally, the creation of extremely poisonous H2S (in the case of sulphides such as Li6PS5Cl) and somewhat high temperatures (over 1000 C in the case of Li7La3Zr2O12) are required for the production of solid electrolytes [92].
3.2. Problems Confronting the Solid-State Battery and Potential Solutions
It is a fact that the cost per cell or cost per pack is very high for EV applications, and the same goes for the energy per cell and pack as well. This goal is quite sincere, even though the expected level of safety is compromised. Here is a list of some of the issues that scientists are now working to resolve:
- Due to the weak wetting between lithium and the solid electrolyte, an interfacial resistance forms. Solid electrolytes, especially those made of ceramic, exhibit very high interfacial resistance due to insufficient wetting of Li. Li is therefore ineligible for use in solid-state batteries. It was discovered that solid electrolytes made of polymers exhibit improved Li wetting while having less ionic conductivity than their ceramic counterparts. In light of this, polymer/ceramic composites can be used as electrolytes to address the Li wetting problem [86].
- Li metal used in high-power applications has substantial dendrite development and spread problems. The critical current densities for solid-state batteries are quite a distance from the intended value of 5 mA/cm2 [87,88]. Additionally, since plating (charging) and stripping (discharging) differ from one another, the critical current density must be decreased. Dendrite propagation is severely constrained in dense microstructures, hence great attention has been taken to create the electrolytes as tightly as possible, despite the fact that the exact reason and therapeutic treatments are yet unknown [86].
- Solid electrolytes with high ionic conductivity are challenging to make, store, and handle. They are expensive to use and necessitate specific methods and oxygen-free environments. In this field, there is a constant need to reduce production costs and facilitate handling of solid electrolytes.
During the process of developing a cell based on ceramic material, there are a lot of heat pressing techniques being utilized, as illustrated in Figure 4. Moreover, this step is performed to ensure the proper but smooth relation or contact between the electrode and its electrolyte. Today, the design engineering may easily perform this process, whereas it is observed that the bulk type of solid-state batteries may produce enough retention capacity [93]. On the other hand, the scalability is also one of the main constraints of bulk-type batteries. Thus, one may opt for polymer composites as a true solution during the massive production of these products. Furthermore, Li metal creeps while being operated on at high temperatures. Therefore, in modern methods it is suggested to engage Li metal in a process that actually reduces the creep tendency [94,95].
Figure 4.
Battery production for process parameter optimization [94].
3.3. Batteries with Embedded Sensors
Over time, battery performance changes substantially. This may be the result of a multitude of undesirable material side reactions that eventually lead to capacity fading and impedance growth, which may raise safety concerns about dendritic short circuits. It is essential to properly manage and monitor batteries when they are in use. To perform this, a battery management system (BMS) is typically used. Each cell’s voltage, current, and temperature are kept within its ideal safety parameters by the BMS. There are states of a battery, such as the state of charge (SoC) that shares the energy storage information one battery has [96] and the state of health (Soh) that describes the capability of a battery to hold on to a charge as compared to a new battery [97]. These parameters can never be examined directly, but can be analyzed with the help of voltage, current, and temperature measurements. Currently, they are accurately measured and optimized using intelligent algorithms [97]. These all-measurement techniques involve sensors to track all such parameters that share all information related to battery life. Implantable sensors that are integrated into battery cells are thus receiving more and more attention.
This approach will enable us to measure previously unmeasured quantities, learn more about the physical parameters, and comprehend the parasitic chemical activities that happen inside of the cells. This results in the improvement of dependability and advancing the security of batteries. The factors such as pressure, strain, expansion, temperature, and composition of the proposed electrolyte enable the numerous possibilities when computed using next-generation state estimation techniques [98].
Another recent area of study is batteries that can heal themselves. Unwanted chemical alterations within the cell are the cause of battery breakdown. Reversing these modifications to return the battery to its initial configuration and operation is the idea behind self-healing in batteries. Batteries with self-healing capabilities will focus on repairing damaged electrodes on their own to restore their conductivity, controlling ion movement inside the cell, and reducing the impact of parasitic side effects. Due to the difficult chemical environment that self-healing mechanisms must operate in, the field of battery technology has been sluggish to adopt them, but the subject is presently gaining ground quickly. There are some polymer-based substrates that heal themselves and are commonly known as self-healing polymer substrates (SHPS). Their primary goal is to repair all damages on electrodes and try to restore the conductivity [99]. Self-healing polymer binders, such as those used in silicon anodes, are designed to keep fractured active material particles from losing electrical contact with one another [100]. Functionalized membranes, which can trap undesirable molecules and stop them from reacting with other components in the cell, are another potential idea.
On the other hand, self-healing electrolytes have healing agents that can dissolve undesirable depositions [90]. The enclosed self-healing molecules are a promising concept for the future. These are made up of therapeutic substances housed in microcapsules. By supplying the proper stimulus, the healing chemicals can be released when necessary. The functions of sensing and self-healing should be emphasized as being closely related. Smart batteries combine both of these features so that in the first place a BMS will receive signals from the integrated sensors and analyze them. In the event that a fault is found, the BMS will signal the actuator, stimulating the proper self-healing procedure. The reliability, lifetime, user confidence, and safety of future batteries will all be maximized by this ground-breaking strategy.
One may be thinking about integrating the sensors with the battery, so for this purpose as described in [91], where an integrated conductivity and temperature (CT) micro-sensor for the conductivity high-precision measurement of electric car battery coolant was inserted, one may embed the sensor with the battery in the same manner. An inter-digital micro-electrode is made for conductivity sensing, and the temperature sensor cell is a thin-film platinum resistor. With a resolution of 0.1 S/cm, the integrated CT sensor has a respectable limit of detection. Moreover, sensors have a high-precision signal collection and processing circuit constructed for them, and a desirable full-scale measuring error is seen. Moreover, once this sensor is deployed the data can later be easily transported to a static IP using the Internet of Things and can perform several AI algorithms for further monitoring and predictive maintenance.
4. Intelligent Bidirectional V2G Systems
For the widespread use of EVs, the battery needs to be charged quickly and effectively. The average modern electric car can travel 300–400 km without recharging. There are numerous difficulties to think about: the first is having charging stations available everywhere; the second is quick charging; and the third is improving power density and specific power [101]. There are four primary forms of charging in use today. The following charger types are described in Table 1 [102].
Table 1.
Different charging level systems [102].
In level 1 and level 2 chargers, batteries are always plugged in on-board, whereas in level 3 converters they are usually off-board systems and have enough ability for a high-power charge. Moreover, it is also seen that level 1 and 2 are sluggish when it comes to their charging time, and therefore they are available commonly in public spaces, homes, and private setups. In most of the shopping centers one may find level 3 charging systems, which are DC power in nature and very fast in charging the system [101,102]. Regarding the level 2 charging systems, they produce approximately 20 kW of AC charging and take almost 2 h; using this system the EV may travel up to 200 km. In addition to this, one may cover 200 km by utilizing the 150 kW DC charging system that may lower down the time by 15 min compared to the conventional one. Similarly, the charging system of 350 kW takes 7 min [103,104].
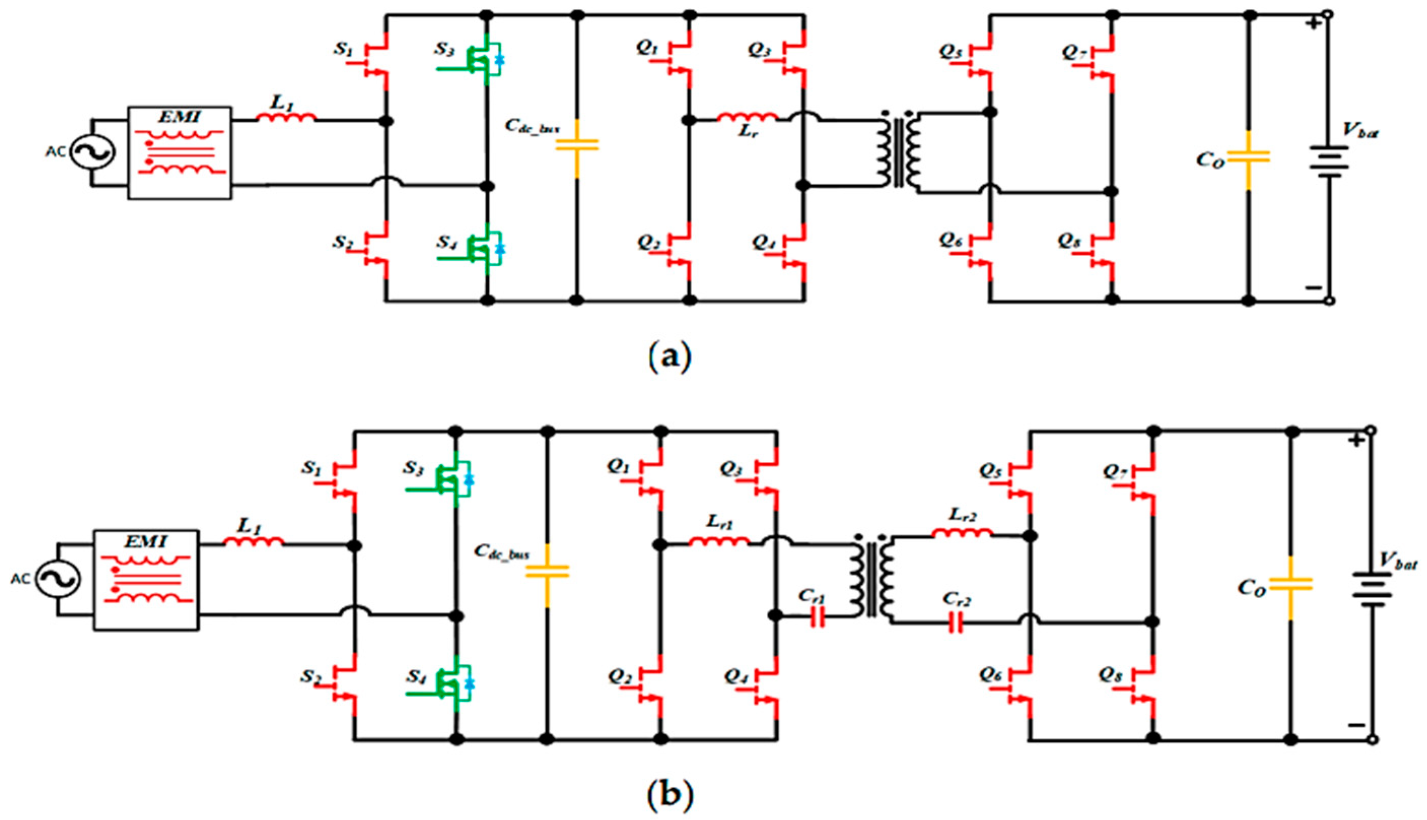
Regarding the three-phase topologies compared to the front-end inverters, they may include rectifiers based on diodes, matrix rectifiers, as well as Vienna rectifiers [105]. The simplest and most effective tool for power conversion is a diode rectifier. However, the output fixed voltage is affected by the three-phase supply voltage. In terms of total harmonic distortion, it is unfavorable (THD). A three-phase active front-end (AFE) rectifier tackles the THD problem by generating three-phase sine shaped input current waveforms with an enhanced power factor and efficiency and offering variable DC output voltages. Even though it might not be as well known, the Vienna rectifier is becoming more and more widespread. Out of all the three-phase conversion techniques described so far [103,106], the AFE boost rectifier can be used for off-board fast-charging systems. As the number of battery electric vehicles has expanded, so too has the prevalence of grid-connected power electronic converters (PEC). If these PECs are bidirectional, the power kept in a car can be used to either supply peak power or temporarily store electricity (V2G, or vehicle-to-grid; grid-to-vehicle, G2V). Active switches now replace diodes in the existing PEC topologies to handle the bidirectional power flow. The system design for the multiphase-bidirectional on-board charger is depicted in Figure 5.
Figure 5.
Architecture of the multiphase-bidirectional on-board charger system [107].
Bidirectional (V2G/G2V) On-Board Charging Systems
For opting for the off-board charger in the power electronic converter there are a few main factors that must be studied, such as high reliability, distortion-free operation, less grid interference, lower system size, weight, high efficiency, and, last but certainly not least, high efficiency. In order to be portable, light, and effective, wide band gap devices have contributed a lot, and they made switching frequency optimal as required in this domain by low gate charge and output capacitance. This was possible all because of the GaN-based power transistors. The devices such as capacitors, inductors, and transformers, which are passive in nature, were also changed to be lighter weight and smaller in size [107,108] because of the advent of WBG technology. It is noted that GaN-based transistors are high electron mobility transistors (HEMT), thus we call them GaN-HEMT in short, and they have a voltage rating up to 660 V, whereas the current ranges from 20–50 A [104,107]. These components are mostly deployed in off-board chargers (OBCs) with the output power ranging in between 3.0 kW and 20 kW. Figure 6 is illustrated in order to show two single-phase bidirectional off-board chargers with a special DC to DC stage structure as well as the same identical AC to DC structure, which is a totem pole PFC. One may also see the dual active bridge that is functional because of the galvanic-nature-based isolation and bidirectional power transformation, including zero-voltage detector and switching at both primary as well as secondary sides. This has compact-size-based components and a fixed-frequency operation, as referred to in [109].
Figure 6.
GaN-switch-based bidirectional OBC system topologies [107].
It is tough to achieve the full range of ZVS due to the wide range in load power. The resonant bidirectional CLLC architecture (where C is capacitance and L is inductance) shown in Figure 7b is incredibly efficient because of the zero-current switching (ZCS) on the secondary side and the zero-voltage switching (ZVS) in the main bridge. The CLLC architecture has the drawback of not being able to adjust output voltage using the series resonant frequency when it is being used for charging.
Figure 7.
(a,b) Modular 600 kW DC ultra-fast charger [111].
In order to solve this issue, reference [70] advises switching from frequency modulation in the DC-DC stage to DC bus voltage modulation in the PFC stage. The resonant CLLC stage will be able to function at its most effective level as a result [109,110]. A modular converter method is a suitable replacement for the development of ultra-fast charging systems.
Four AFE converters are combined and connected in parallel to generate the current design, which is suggested for the 600 kW DC ultra-fast charger [111]. This is seen in Figure 7. A comparison of silicon-based and silicon-carbide-based semiconductors has been performed for each module with a 150 kW power rating. In order to examine the effectiveness of Si (SKM400GB12T4) and SiC (CAS300M12BM2) devices at various power levels, a non-linear electro-thermal simulation model was adopted. The simulations for both scenarios contain the pertinent datasheet information. Figure 8 illustrates how SiC devices are substantially more effective as chargers than silicon-based ones. Wide band gap devices can save energy in this way because Si has a larger loss than SiC.
Figure 8.
Si- and SiC-based high-power off-board charging system efficiency map.
5. The Transition to Climate-Neutral Transportation and Energy
Integrating renewable energy sources such as wind, solar, and hydro is essential to creating communities with sustainable energy. Even when accounting for the hourly effects of renewables’ intermittency in a fully dynamic energy system, renewable energy sources have a far lower impact on climate change from a life cycle viewpoint than conventional energy sources such as oil, natural gas, or coal [112]. The increasing amount of distributed power generation equipment connected to the utility network has caused problems with power quality, safe operation, and islanding protection. In order to adhere to grid interconnection standards, distributed generating system control must be improved [113]. For instance, transitioning to all-electric cars would only increase electricity use by 20% in Belgium [114]. Renewable energy is being used more frequently. What happens if there is neither wind nor sun, though? In these situations, we must either rely more heavily on alternate energy sources or invest more money on energy storage. Battery size plays a big role in electric car performance. Batteries in cars can be used to store extra solar- or wind-generated electricity. The phrase “smart charge management” is used to describe it. When there is a high demand for power, the stored energy can be released back into the grid. The technical term for this is vehicle-to-grid, or V2G.
An extensive cycle test revealed that using the V2H to power a house had little influence on the battery’s effects of aging. The main cause of the V2G features’ minimal effects on battery aging is that the discharge current needed to power a house is substantially lower than the current needed to accelerate an automobile [115]. A battery can be integrated into a Local Energy Community (LEC) in a number of advantageous ways, enabling energy to be stored while it is affordable on the wholesale market and released when it is more expensive. Capacity credit, a service offered, can help delay or reduce the need for infrastructure upgrades in the production, transmission, or distribution sectors. Batteries installed behind the meter can also help with backup power and energy cost reduction by increasing PV self-consumption in microgrids.
As energy communities and more decentralized production become more common, the power grid is projected to alter. The energy management of such systems must include electric fleet bidirectional charging systems, which can offer services that are flexible in nature, enhance self-consumption, and continue to prevent grid congestion. A vehicle-to-grid case study’s techno-economic analysis can be found in reference [116]. However, for vehicles and chargers to function in a bidirectional manner, electricity must be able to be transmitted in both directions. This raises a need to initiate communication with the local grid operator, which is still an unresolved issue. The first realization shows how taking use of value streams connected to grid balancing can be facilitated by intelligently integrating electric vehicles into a grid [117]. Therefore, it is crucial to build a real laboratory where this research can be carried out. Several guidelines and specific requirements for integrating the V2G in a local energy system are provided in reference [118]. Electric vehicles are seen to emit two times less carbon dioxide (CO2) over the course of their whole lives than gasoline or diesel engines do if we use the European electricity mix. This may be four times less if we use the electrical mix in Belgium as an example. If automobiles were fueled by renewable energy, carbon dioxide emissions might be reduced by a factor of more than ten [8,102,119]. Figure 9 displays the findings for each vehicle’s ability to contribute to climate change or global warming. The BEV using Belgium’s power mix receives the lowest overall grade for climate change.
Figure 9.
Results of the life cycle assessment (LCA) for climate change [8].
The BEV also outperforms conventional gasoline and diesel vehicles in many other mid-range areas, with the exception of human toxicity. The large impact on human toxicity is brought on by the creation of auxiliary components such as batteries, motors, electronics, etc. However, when comparing the well-to-wheel (WTW) phase, which is appropriate for the Belgian limits (and urban region), it is evident that the BEV has higher ratings than all other vehicles in the investigated impact categories.
In light of this, reference [120] suggests a range-based LCA method that takes into account the market variability of each technology. The results reveal that, as shown in Figure 10, the BEV performs best when evaluated on an all-encompassing single score level.
Figure 10.
Results of single-score LCA [8].
6. Autonomous Electric Vehicles (AEVs)
These industries are transitioning towards greater automation together with the electrification of the energy and transportation sectors. The development of electric vehicles with high levels of automation is receiving more research attention and funding from the automotive industry as well as other technical industries. This is the main reason that the electric vehicle has to be autonomous, to bring more perks in terms of cost reduction, safety, service level, and above all environment benefits [121,122].
Synergies between AVs and EVs can be used as a result of the transition from EV to AEV. New innovations in data-driven algorithms, artificial intelligence, robust sensor technology, and smart communication are all necessary for this transformation. The mobility system and its integration into the power grid may be further optimized and its environmental impact may be decreased by addressing the fleet management and energy demand challenges [123]. Strong and rapid communication protocols are important to offer a seamless integration.
6.1. Wireless-Enabled Technology for AEVs
While embedding the highly autonomous features in a car to turn it into an autonomous vehicle, there must be a method of communication to interact with surrounding vehicles, and this communication is commonly known as vehicle-to-vehicle communication (V2V), whereas the communication in between vehicles and any infrastructure is known as vehicle-to-infrastructure (V2I). Moreover, there is vehicle-to-home (V2H) as well as V2P, which stands for vehicle-to-people communication. V2N is an acronym for vehicle-to-network. All of these protocols are illustrated in Figure 11.
Figure 11.
Vehicle-to-everything (V2E) protocol illustration.
There are numerous ways to establish this contact, each having benefits and downsides of their own. Bluetooth, 5G, and Wi-Fi are well-known wireless communication technologies. Although these radio wave technologies may occasionally offer enough bandwidth for V2V and V2I communication, it is important to take into account circumstances where this is not possible. Examples include rural areas, urban areas with poor coverage, areas with high electromagnetic interference, indoor and underground spaces such as parking lots and tunnels, etc. Light Fidelity (Li-Fi), which uses visible and infrared light for data flow, is an alternative to radio wave communication. Professor Harald Haas coined the term “Li-Fi” for the first time in 2011 [123]. Using the light from a straightforward LED desk lamp, he demonstrated how data may be delivered in the direction of a photoreceiver. By adjusting the light radiation from currently installed lighting infrastructure, such as streetlights, automobile headlights, etc., this can be accomplished. A unidirectional or bidirectional communication link with a bandwidth that can produce a data rate up to 100 times greater than Wi-Fi can be established with the use of suitable photoreceivers [123].
Figure 12 shows the technical implementation of Li-Fi. By turning the current on and off, an electrical driver controls the brightness of the light generated by the transmitter of solid-state light sources such as an LED or a laser diode. Implementing Li-Fi is rather simple because solid-state lighting is becoming more and more common in infrastructure (road lighting, traffic signals, and vehicle head- and taillights). A completely new infrastructure must be constructed in comparison to similar systems employing traditional RF-based communication (such as dedicated short-range communications, or DSRC). Since a Li-Fi transmitter can be as basic as an LED light, current lighting systems could be converted to Li-Fi transmitters. Following that, it can serve as a hub for accessing information for both automobiles and other road users (pedestrians, bikes, etc.). This results in a low implementation cost and a large number of accessible access points. With minimal effort, the current “dumb” lighting infrastructure for roads may transform into a “smart” lighting infrastructure. However, as was previously mentioned, its implementation is still difficult. However, compared to alternatives, the expenses of implementation are cheaper.
Figure 12.
Implementation of a Li-Fi downlink channel on a technological level.
6.2. Shared Electric Autonomous Vehicles (SEAVs)
Given that they may be less expensive, safer, and more effective alternatives to the ridesharing and car-sharing choices available now, shared autonomous vehicles (SAV) are generating a lot of attention [124]. In addition, SEAVs, the electric version, could economically compete with current modes of transportation and have less of an impact on the environment than traditional combustion engine cars. As a result, they are thought of as a promising element of smart mobility [124]. The use of SEAVs involves a number of difficulties. Estimating passenger demand and determining the desire to use and pay for this service will be essential from an economic perspective in order to develop workable business models [124]. The vehicle supply must correspond to travel demand from the perspective of mobility. SEAVSs may increase mobility, particularly for elderly and less mobile individuals [125,126,127]. In this aspect, the digital divide between people—where those who are less tech-savvy and resistant to embracing new technologies are people who are socially excluded—is concerning. Due to the electric nature of AEVs, fleet management must maintain passenger service while also considering the driving range and charging requirements. For SEAV fleet charging, it is important to consider the anticipated quantity, location, and power levels of the charging stations [123]. This is still an active area of research, because studies on SEAVs that take charging aspects into account [128,129] have only included a spatial distribution or rule-based introduction up to this point; they have not looked at other factors to determine whether a location is suitable or examined grid constraints or impacts.
The widespread adoption of electric vehicles also prompts energy-related worries about the availability of electricity and the electrical infrastructure. The widespread use of EVs, however, has been demonstrated to only slightly increase the demand for electricity and presents significant potential to balance the electricity grid through a variety of ancillary services with improved bidirectional charging (vehicle-to-grid) [130]. Additionally, as discussed in the previous chapter, EVs can help accelerate the deployment of renewable energy sources (RES) by balancing their intermittent nature. The SEAV fleets offer potential in this regard because of their high degree of controllability and coordination [131]. Due to their autonomous and electric natures, which enable optimized fleet behavior, studies at this time highlight the potential of SEAV fleets (environmental, economic, and service-related). However, it does provide a challenging fleet management issue that necessitates further research as well as the creation of crucial enabling technologies, including mobility and energy demand.
7. Autonomous Electric Vehicles and Autonomous Driving Concept
This section gives a thorough overview of the enabling technologies used to make autonomous vehicles a reality, including advanced driver assistance systems and the idea of operating electric vehicles (EVs) on their own. It then offers suggestions for resolving identified problems and identifies any gaps in the existing literature.
7.1. Advanced Driver Assistance Systems (ADASs)
Prior to fully autonomous driving, the technology of advanced driver assistance systems (ADASs) is briefly discussed. To improve road safety, monitoring, braking, and alerting functions can be helped by ADASs. ADASs are capable of monitoring or assisting with parking. Streetlights, traffic data, and other connected technology can increase the safety of roads for both drivers and pedestrians, in addition to ADAS. Governments may soon mandate the installation of necessary ADASs and their components in automobiles over the next few years as ADASs continue to strive for more advantages. It is important to emphasize that the ADASs covered here are not autonomous vehicles but rather technology that aids the driver while driving. The technology in today’s driver assistance systems is gradually becoming more sophisticated. The majority of systems attempt to provide adaptive cruise control, driver fatigue detection, forward collision warnings, lane-departure warnings, and parking assistance [132]. There is plethora of commercially available advanced driver assistance systems (ADAS) that have the potential to improve driving comfort and safety. Owing to age-specific performance limits, older drivers could profit a lot from such in-vehicle technology, assuming that they are purchased and used. However, at the same time, as per the findings of various market research surveys, there is much greater knowledge of ADASs than there is usage of them. In a semi-structured interview study, 32 senior citizens were polled to examine the gap between awareness and desire to utilize ADAS. There are numerous research studies, such as [132], that look at senior people’s knowledge, experiences, and obstacles to using ADASs.
Backward parking is intended to be both secure and comfortable via parking assistance systems. A collision while reversing is avoided thanks to a reference that tells the driver where the car is going. When a motorist gets too close to a vehicle in front of them, forward collision avoidance systems are intended to provide them an audio and visual warning [133]. To assess whether there is a risk of collision, these systems often evaluate the distance between the two vehicles and keep an eye on their own speed as well as the speed of the vehicle in front of them [134]. LiDAR, GPS, radar, and vision-based sensors can all be used for monitoring [135,136].
The usual causes of abnormal driving are intoxication, carelessness, and/or exhaustion [136,137,138,139,140,141,142,143,144]. Any of these factors usually cause a motorist to act differently or move their body in a certain way. The typical behaviors of a fatigued driver are rapid and continuous blinking, head nodding or swinging, and frequent yawning [145]. On the other hand, a drunk driver frequently gets into the habit of accelerating or decelerating suddenly and reacting slowly. In some ways, reckless driving is similar to drunk driving. The motorist may be conscious but under the influence of emotional elements, which would cause them to accelerate or decelerate suddenly and go over the speed limit [145]. Consequently, a driver monitoring system can be implemented by either directly or indirectly watching the driver. Direct driver monitoring systems use a variety of sensors to track the driver’s bodily movements and heart rate. Analyzing pedal and steering movements as well as responses to specific events is a part of indirect driver monitoring [146,147]. A warning mechanism will be activated when such anomalous activity is discovered.
7.2. Constraints of Autonomous Driving
Even though there has been a lot of research conducted in the field of autonomous vehicles, several topics have not been covered. First off, a sudden obstruction during the autonomous vehicle’s parking trajectory has not yet been mentioned in the literature. A toddler might sprint into the parking lot to grab something, or an adult might inadvertently enter that space. For the benefit of the driver, a rear camera is placed, and a sensor that detects impediments in the rear is also installed. However, it is possible that the driver will not glance in that direction or that the sensors will not raise an alarm. When completing the parking trajectory, an autonomous vehicle should stop appropriately if such a sudden impediment appears. For instance, if the autonomous vehicle detects a balloon as a barrier, it should continue with parking rather than halting.
Systems geared toward obstacle avoidance are discussed in the most recent research [148,149]. A further factor was offered by Funke et al. [149] that takes into account unforeseen barriers such as a deer crossing the road. None of the studies, however, have addressed how autonomous vehicles ought to respond when something falls off a vehicle. In the case of a large truck delivering a mass of iron rods for construction, if the rods were to fall off and penetrate the window of the truck, it may result in deadly injuries. Although giving way to an emergency vehicle has not been mentioned in the literature, emergency vehicles do have priority in junctions [150]. Future self-driving electric vehicles must rely on both their own internal sensors and the sensors of other cars. V2V will be used to exchange measurement data in order to improve environmental awareness. Utilizing low-cost GNSS receivers [151,152], radar-camera-based traffic monitoring devices [151], microscale traffic information, and other networks [153,154,155,156], it is possible to integrate ADASs and smart lighting infrastructures.
It is an admitted fact that a driverless car has so many perks, but at the same time it can cause several issues for our society. One important issue is being responsible for an accident; either the manufacturer should be accountable for this or an insurance company [157,158]. In [158], it has been claimed that treating autonomous vehicles and human drivers equally would guarantee that autonomous vehicles would only be held responsible for negligence-related conduct. Giving a car the same rights as a human may be easier to speak than to actually do. Tort laws should apply to cars in the same manner they do to dogs [159]. The dog law and this would be comparable. Because the authors did not address how the rule might be applied to autonomous vehicles, this indicates that there is still much work to be conducted before they can be put into practice. In [160], it was argued that manufacturers should be in charge of their design and emphasized that products should go through rigorous testing before actually being distributed because the installation of such a system should not compromise road safety. It is clear that improvements must be made to the law [160,161,162,163] controlling autonomous vehicles before they can be accepted by both the general public and manufacturers.
8. Challenges and Opportunities
The most recent research obstacles for intelligent, autonomous, and connected electric vehicle technologies are examined in this section. The following details are provided [164,165,166,167,168,169,170,171,172,173]. Better decision-making capabilities for driving are provided by autonomous vehicles, which eliminate intoxication, distraction, exhaustion, and the inability to make quick decisions. Many of these elements contribute to the technologies’ capacity to outperform human decision-making abilities when it comes to driving [169]. Hence, real-time responses and error avoidance represent key hurdles for AI-integrated autonomous cars. The significance of autonomous vehicle safety and performance measures has been covered in numerous research studies. These measurements ought to take into account sensor error, programming errors, unforeseen events and entities, likelihoods of cyberattacks and threats, and hardware failures. In the future, it will be crucial to develop these indicators and analyze them in a real-time setting. The comparative evaluation of autonomous driving systems is highlighted in Table 2.
Table 2.
Challenges and future directions of modern intelligent vehicle technologies.
Cyberattacks fall under a number of areas, including those that target control systems, driving system components, communications across vehicle-to-everything networks, and risk assessment and survey systems. Sensor attacks, mobile-application-based vehicle information system assaults, IoT-infrastructure-based attacks, physical attacks, and side-channel attacks are the main threat types that need to be investigated and examined. Moreover, cybersecurity uses artificial intelligence for attack identification. Another intriguing feature is autonomy architecture. Autonomous systems that integrate sensors, actuators, control mechanisms, a vehicle’s environment for monitoring, external control variables, speed, visibility, and object identification are crucial subsystems to pay attention to and investigate in architecture.
The cost of communication will rise as the number of autonomous vehicles rises. This results in packet delay or loss, which indirectly reduces performance or increases communication error. Human life depends on autonomous vehicles and their implementation. The drawbacks of previous efforts include the lack of in-depth research of current trends such as the use of deep learning and IoT. Furthermore, it is crucial to discuss intelligent tools and software, which are not covered in the works that have already been published. Moreover, improvements in effective simulation are needed. To create autonomous vehicles, object identification, path planning, sensors, and cloud computing should all be enhanced.
Path planning and motion control for autonomous vehicles can be determined using a predictive model. A more advanced AI-based model for AVs is required. Each element of real-time architecture must be taken care of. For instance, object detection and object tracking are necessary for scene recognition [179]. Current AV architectures do not provide a start-to-end representation [180]. System errors and scalability management should be able to be handled by the AVs’ architecture. As AVs must communicate with other cars in real-time while also perceiving their environment, real-time architecture is necessary. AI-based methods can accomplish this. Infrastructure and devices act as the primary agents in AVs, and they must cooperate for accuracy [181]. The SAE categorizes automation levels on a scale of 0 to 5, where 0 denotes no automation and 5 denotes complete performance. To reach level 5, businesses and researchers are working very hard [81]. According to SAEJ 3016, the following component classes are necessary for architecture:
- In the operational class, vehicle control is the main concern.
- Second is the tactical class, where object identification and tracking as well as path planning are planned.
- Third, but certainly no less important, is the strategic class, where one may consider destination planning.
Design, development, validation, and real-time monitoring of AVs have all considerably benefited from AI. AI is a useful tool for perception, path planning, and decision making. AVs employ AI in the following ways:
- Based on a predictive algorithm, autonomous vehicles choose their own routes.
- AVs use real-time information from various sensors in an intelligent way.
- Autonomous cars make decisions about their speed and course by studying the past.
- In addition to this there are several future directions provided, such as the following:
- An intentional attack on the AI system that interferes with its operation may put autonomous vehicles in danger of being destroyed. Attacks against stop signs, such as placing stickers on them to make them more challenging to identify, is an example of such attacks. As a result of these modifications, artificial intelligence may erroneously detect objects, resulting in the autonomous vehicle behaving in a way that puts humans in danger. Thus, there is a need to explore the RFID or IoT-based solutions that use artificial intelligence to solve these challenges.
- It is observed that self-driving cars will revolutionize our lives. There is a need for legislators to create legislation that benefits the country’s economy and social structure. Studies have examined an AV’s potential to become a “killer app” with dramatic consequences. AVs will have substantial impacts over time, even if they are still in development. Thus, there is a need to study the safety precautions before accepting them in real environments.
- Deep neural networks (DNNs) enable self-driving cars to learn how to move around their surroundings independently. Human brains are similar to DNNs because of they both learn via trial and error. There is no hard and fast rule regarding autonomous driving and how many DNNs are required. Thus, there is a need to conduct an in-depth study in the future.
- A real autonomous driving on-road environment requires millions of interactions between vehicles, people, and devices. To handle such an extensive infrastructure, there is a need for high-end infrastructure, which may be costly. Thus, there is a need to study how artificial intelligence can efficiently utilize the infrastructure for smooth autonomous experiences.
- In the future, more intelligent tools and software should be developed to implement better path planning and object detection in autonomous vehicles. Data communication should be of higher velocity, as real-time decisions are to be made [182,183,184].
- In autonomous systems, the machine learning system monitors machine activity to predict problems. The solution reduces unplanned downtime costs, extends asset life, and increases operational efficiency. There is a need to identify the best machine learning algorithms and approaches that monitor a machine or its activities. This task can be explored in the future.
- Early diagnosis of vasculature via fundus imaging may be able to prevent retinopathies such as glaucoma, hypertension, and diabetes, among others, from developing [185,186,187]. The overall purpose of this study is to create a new way for combining the benefits of old template-matching techniques with those of more current deep learning methods in order to achieve greater efficiency. A U-shaped fully connected convolutional neural network is used to train the segmentation of vessels and backgrounds in pixels of images (Unet). Likewise, other advanced technologies such as blockchain and quantum can be explored for AV mobile information systems [182,183,184,185]. The wireless sensor network is used in autonomous vehicles for information communication [186,187,188,189,190,191,192].
9. Conclusions
This manuscript proposes all of the cutting-edge discoveries related to electric vehicular technology and innovation. In addition to this is the brief study associated with the charging systems and their respective levels. The synergy between the shared autonomous electric vehicles and the current market is also described, and safety issues are addressed as well. This leads us to the conclusion that there is an immediate need to improvise the present advanced driving assistance systems, and this aspect is also covered in this review paper. Current developments in the battery technology and their system interfaces and cutting-edge solid-state battery evolution theory have been presented. Batteries will become more reliable and secure with the aid of this cutting-edge technology, self-healing batteries, and the integration of embedded sensors within the cell. The usage of a digital twin (DT) will allow for higher-reliability powertrain design, while also improving the economics and dependability of EVs. New trends and directions for innovative, practical, and reasonably priced powertrains are thus given.
Regarding autonomous driving systems, drivers will not have to manage such a complex chore any longer, preventing any potential harm when parking a car and reducing traffic congestion and fuel consumption. As was previously indicated, notions in the literature have been formed based on the full adoption of autonomous vehicles, which may not occur very soon. It has not been discussed how an autonomous vehicle should react to a careless driver. Tailgating, driving against traffic, speeding, neglecting to use turn signals, proceeding through red lights without stopping, and failing to surrender the right of way are all examples of reckless driving. Additionally, motorbike and autonomous vehicle interactions have not been taken into account by researchers, who have instead concentrated on four-wheel-drive interactions. It is difficult to determine how an autonomous vehicle should deal with a mode of transportation where there is a substantial danger of fatalities for motorcyclists. Modern technologies now have the ability to analyze driving behavior, which can help to prevent anomalous driving habits. The devices are able to control the lateral motion of an EV during unusual behavior. NVIDIA has established a new paradigm for autonomous driving software with the successful demonstration of neural-network-based autonomous driving. Autonomous lateral control is self-driving automobiles’ major problem. In terms of offering a full software stack for autonomous driving, an end-to-end model appears to be quite promising. This technology is one of several steps toward the realization of self-driving automobiles, even though it is not yet ready to be offered as a feature on the market. The work discussed in the paper [190] focuses on the application of an end-to-end paradigm. With the goal of illuminating deep learning and the software needed for neural network training, the subtleties of building an effective end-to-end model are highlighted. The model showed a 96.62% autonomy for a multilane track, like the one that was employed for training in this research contribution [190]. The model successfully maneuvered the car on single-lane, uncharted tracks 89.02% of the time. The findings show that end-to-end learning and behavioral cloning can be used with artificial intelligence to enable autonomous driving in novel and uncharted environments.
There are several reasons why EVs are attractive, among such reasons being the coordination between carbon footprints and the power grids employing various renewable sources. It is being investigated whether coordinated charging of electric vehicles has the potential to reduce the CO2 emissions associated with their charging by charging only when the grid’s carbon intensity (gCO2/kWh) is low and absorbing excess wind generation during periods when it would otherwise be curtailed. A time-coupled linearized optimal power flow formulation, based on plugging-in periods generated from a sizable travel dataset, is described as a way of scheduling charge events that seeks the lowest carbon intensity of charging while respecting EV and network restrictions [191,192]. Another reason is of course the efficiency of autonomous vehicles that has been increased significantly with the advent of artificial intelligence. Thus, an outline of autonomous vehicles is also included in this manuscript. The key components of an autonomous vehicle that enable data gathering and transmission are sensors. An improved system for lane keeping, lane change, and obstacle recognition is made possible by this information. However, various sensors have a number of limitations. Techniques for image processing could reduce costs; however, they are susceptible to climatic and environmental factors. Therefore, more work is required to either increase the reliability of inexpensive sensors or lower the cost of high-reliability sensors for mass production. In addition, the areas of research needed for autonomous intelligent vehicles were also noted. With the advent of technology day by day, road safety measures have been increased and still are top concerns while designing any advanced driver assistance product. The common issues on roads associated with society directly affect the driverless vehicles and their concept. This is the main reason that there is still no legislation on it. The future concern must be in this regard to set a main focus over the major penetration of autonomous shared electric vehicle and their co-existence with normal vehicles on the same roads.
Author Contributions
G.E.M.A. performed writing, studied the literature, and compiled all facts. N.E.O., M.A.M., S.A.B.M.Z. and V.S.A. reviewed the entire paper. K.K., V.S.A. and N.E.O. contributed the information about wide bandgap (WBG) power electronics and charging technology and drafted some of the sections on the battery technology. G.E.M.A., K.K., S.A.B.M.Z. and V.S.A. also wrote information on autonomous electric vehicles and shared autonomous electric vehicle and Li-Fi technology. All authors have equally contributed to this research review article. All authors have read and agreed to the published version of the manuscript.
Funding
This research received no external funding.
Data Availability Statement
Data sharing not applicable.
Acknowledgments
We thank the Centre for Automotive Research and Electric Mobility (CAREM) Universiti Teknologi PETRONAS, Malaysia, for supplying all the necessary data and resources for this project. Moreover, we also acknowledge the support of the co-authors from the Laboratory of Mechanical, Computer, Electronics and Telecommunications, Faculty of Sciences and Technology, Hassan First University, Morocco, and the Electrical Engineering Department, Faculty of Engineering, Minia University, Minia, Egypt.
Conflicts of Interest
The author declares no conflict of interest.
References
- Chan, C.C.; Wong, Y.S.; Bouscayrol, A.; Chen, K. Powering sustainable mobility: Roadmaps of electric, hybrid, and fuel cell vehicles [point of view]. Proc. IEEE 2009, 97, 603–607. [Google Scholar] [CrossRef]
- Lebeau, K.; Van Mierlo, J.; Lebeau, P.; Mairesse, O.; Macharis, C. Consumer attitudes towards battery electric vehicles: A large-scale survey. Int. J. Electr. Hybrid Veh. 2013, 5, 28. [Google Scholar] [CrossRef]
- Bloomberg NEF. BloombergNEF’s 2019 Battery Price Survey BNEF. Available online: https://about.bnef.com/blog/battery-packprices-fall-as-market-ramps-up-with-market-average-at-156-kwh-in-2019/ (accessed on 3 February 2023).
- Berckmans, G.; Messagie, M.; Smekens, J.; Omar, N.; Vanhaverbeke, L.; Van Mierlo, J. Cost Projection of State of the Art Lithium-Ion Batteries for Electric Vehicles Up to 2030. Energies 2017, 10, 1314. [Google Scholar] [CrossRef]
- Vijayagopal, R.; Rousseau, A. Benefits of Electrified Powertrains in Medium- and Heavy-Duty Vehicles. World Electr. Veh. J. 2020, 11, 12. [Google Scholar] [CrossRef]
- Simeu, S.K.; Brokate, J.; Stephens, T.; Rousseau, A. Factors Influencing Energy Consumption and Cost-Competiveness of Plug-in Electric Vehicles. World Electr. Veh. J. 2018, 9, 23. [Google Scholar] [CrossRef]
- Islam, E.S.; Moawad, A.; Kim, N.; Rousseau, A. Vehicle Electrification Impacts on Energy Consumption for Different Connected-Autonomous Vehicle Scenario Runs. World Electr. Veh. J. 2020, 11, 9. [Google Scholar] [CrossRef]
- Messagie, M.; Boureima, F.-S.; Coosemans, T.; Macharis, C.; Mierlo, J.V. A Range-Based Vehicle Life Cycle Assessment Incorporating Variability in the Environmental Assessment of Different Vehicle Technologies and Fuels. Energies 2014, 7, 1467–1482. [Google Scholar] [CrossRef]
- Marmiroli, B.; Messagie, M.; Dotelli, G.; Van Mierlo, J. Electricity Generation in LCA of Electric Vehicles: A Review. Appl. Sci. 2018, 8, 1384. [Google Scholar] [CrossRef]
- Rangaraju, S.; De Vroey, L.; Messagie, M.; Mertens, J.; Van Mierlo, J. Impacts of electricity mix, charging profile, and driving behavior on the emissions performance of battery electric vehicles: A Belgian case study. Appl. Energy 2015, 148, 496–505. [Google Scholar] [CrossRef]
- Islam, S.; Iqbal, A.; Marzband, M.; Khan, I.; Al-Wahedi, A.M. State-of-the-art vehicle-to-everything mode of operation of electric vehicles and its future perspectives. Renew. Sustain. Energy Rev. 2022, 166, 112574. [Google Scholar] [CrossRef]
- Yong, J.Y.; Ramachandaramurthy, V.K.; Tan, K.M.; Mithulananthan, N. A review on the state-of-the-art technologies of electric vehicle, its impacts and prospects. Renew. Sustain. Energy Rev. 2015, 49, 365–385. [Google Scholar]
- Shariff, S.M.; Iqbal, D.; Alam, M.S.; Ahmad, F. A State of the Art Review of Electric Vehicle to Grid (V2G) technology. IOP Conf. Ser. Mater. Sci. Eng. 2019, 561, 012103. [Google Scholar] [CrossRef]
- Alam, F.; Mehmood, R.; Katib, I.; Albogami, N.N.; Albeshri, A. Data Fusion and IoT for Smart Ubiquitous Environments: A Survey. IEEE Access 2017, 5, 9533–9554. [Google Scholar] [CrossRef]
- Munoz, R.; Vilalta, R.; Yoshikane, N.; Casellas, R.; Martinez, R.; Tsuritani, T.; Morita, I. Integration of IoT, Transport SDN, and Edge/Cloud Computing for Dynamic Distribution of IoT Analytics and Efficient Use of Network Resources. J. Light. Technol. 2018, 36, 1420–1428. [Google Scholar] [CrossRef]
- Frustaci, M.; Pace, P.; Aloi, G.; Fortino, G. Evaluating Critical Security Issues of the IoT World: Present and Future Challenges. IEEE Internet Things J. 2018, 5, 2483–2495. [Google Scholar] [CrossRef]
- Ngu, A.H.; Gutierrez, M.; Metsis, V.; Nepal, S.; Sheng, Q.Z. IoT middleware: A survey on issues and enabling technologies. IEEE Internet Things J. 2017, 4, 1–20. [Google Scholar] [CrossRef]
- Kannan, M.; Mary, L.W.; Priya, C.; Manikandan, R. Towards smart city through virtualized and computerized car parking system using arduino in the internet of things. In Proceedings of the 2020 International Conference on Computer Science, Engineering and Applications (ICCSEA), Gunupur, India, 13–14 March 2020; pp. 1–6. [Google Scholar]
- Kuutti, S.; Fallah, S.; Katsaros, K.; Dianati, M.; Mccullough, F.; Mouzakitis, A. A Survey of the State-of-the-Art Localization Techniques and Their Potentials for Autonomous Vehicle Applications. IEEE Internet Things J. 2018, 5, 829–846. [Google Scholar] [CrossRef]
- Kong, L.; Khan, M.K.; Wu, F.; Chen, G.; Zeng, P. Millimeter-wave wireless communications for IoT-cloud supported autonomous vehicles: Overview, design, and challenges. IEEE Commun. Mag. 2017, 55, 62–68. [Google Scholar]
- Honnaiah, P.J.; Maturo, N.; Chatzinotas, S. Foreseeing semi-persistent scheduling in mode-4 for 5G enhanced V2X communication. In Proceedings of the 2020 IEEE 17th Annual Consumer Communications & Networking Conference (CCNC), Las Vegas, NV, USA, 10–13 January 2020; pp. 1–2. [Google Scholar]
- Li, L.; Liu, Y.; Wang, J.; Deng, W.; Oh, H. Human dynamics based driver model for autonomous car. IET Intell. Transp. Syst. 2016, 10, 545–554. [Google Scholar] [CrossRef]
- Andresen, L.; Brandemuehl, A.; Honger, A.; Kuan, B.; Vödisch, N.; Blum, H.; Reijgwart, V.; Bernreiter, L.; Schaupp, L.; Chung, J.J.; et al. Accurate mapping and planning for autonomous racing. In Proceedings of the 2020 IEEE/RSJ International Conference on Intelligent Robots and Systems (IROS), Las Vegas, NV, USA, 24 October–24 January 2020; pp. 4743–4749. [Google Scholar]
- Bensekrane, I.; Kumar, P.; Melingui, A.; Coelen, V.; Amara, Y.; Chettibi, T.; Merzouki, R. Energy Planning for Autonomous Driving of an Over-Actuated Road Vehicle. IEEE Trans. Intell. Transp. Syst. 2020, 22, 1114–1124. [Google Scholar] [CrossRef]
- Choi, Y.-J.; Hur, J.; Jeong, H.-Y.; Joo, C. Special issue on V2X communications and networks. J. Commun. Netw. 2017, 19, 205–208. [Google Scholar] [CrossRef]
- Chen, S.; Hu, J.; Shi, Y.; Peng, Y.; Fang, J.; Zhao, R.; Zhao, L. Vehicle-to-Everything (v2x) Services Supported by LTE-Based Systems and 5G. IEEE Commun. Stand. Mag. 2017, 1, 70–76. [Google Scholar] [CrossRef]
- Bai, B.; Chen, W.; Ben Letaief, K.; Cao, Z. Low Complexity Outage Optimal Distributed Channel Allocation for Vehicle-to-Vehicle Communications. IEEE J. Sel. Areas Commun. 2010, 29, 161–172. [Google Scholar] [CrossRef]
- Zhang, R.; Cheng, X.; Yao, Q.; Wang, C.-X.; Yang, Y.; Jiao, B. Interference Graph-Based Resource-Sharing Schemes for Vehicular Networks. IEEE Trans. Veh. Technol. 2013, 62, 4028–4039. [Google Scholar] [CrossRef]
- Du, L.; Dao, H. Information Dissemination Delay in Vehicle-to-Vehicle Communication Networks in a Traffic Stream. IEEE Trans. Intell. Transp. Syst. 2014, 16, 66–80. [Google Scholar] [CrossRef]
- Mei, J.; Zheng, K.; Zhao, L.; Teng, Y.; Wang, X. A Latency and Reliability Guaranteed Resource Allocation Scheme for LTE V2V Communication Systems. IEEE Trans. Wirel. Commun. 2018, 17, 3850–3860. [Google Scholar] [CrossRef]
- Belanovic, P.; Valerio, D.; Paier, A.; Zemen, T.; Ricciato, F.; Mecklenbrauker, C.F. On Wireless Links for Vehicle-to-Infrastructure Communications. IEEE Trans. Veh. Technol. 2009, 59, 269–282. [Google Scholar] [CrossRef]
- Liu, N.; Liu, M.; Cao, J.; Chen, G.; Lou, W. When transportation meets communication: V2P over VANETs. In Proceedings of the 2010 IEEE 30th International Conference on Distributed Computing Systems, Genoa, Italy, 21–25 June 2010; pp. 567–576. [Google Scholar]
- Lee, S.; Kim, D. An Energy Efficient Vehicle to Pedestrian Communication Method for Safety Applications. Wirel. Pers. Commun. 2015, 86, 1845–1856. [Google Scholar] [CrossRef]
- Merdrignac, P.; Shagdar, O.; Nashashibi, F. Fusion of Perception and V2P Communication Systems for the Safety of Vulnerable Road Users. IEEE Trans. Intell. Transp. Syst. 2016, 18, 1740–1751. [Google Scholar] [CrossRef]
- Campolo, C.; Molinaro, A.; Iera, A.; Menichella, F. 5G Network Slicing for Vehicle-to-Everything Services. IEEE Wirel. Commun. 2017, 24, 38–45. [Google Scholar] [CrossRef]
- Abboud, K.; Omar, H.A.; Zhuang, W. Interworking of DSRC and Cellular Network Technologies for V2X Communications: A Survey. IEEE Trans. Veh. Technol. 2016, 65, 9457–9470. [Google Scholar] [CrossRef]
- Wei, Q.; Wang, L.; Feng, Z.; Ding, Z. Wireless Resource Management in LTE-U Driven Heterogeneous V2X Communication Networks. IEEE Trans. Veh. Technol. 2018, 67, 7508–7522. [Google Scholar] [CrossRef]
- Naik, G.; Choudhury, B.; Park, J.-M. IEEE 802.11bd & 5G NR V2X: Evolution of Radio Access Technologies for V2X Communications. IEEE Access 2019, 7, 70169–70184. [Google Scholar] [CrossRef]
- Saiteja, P.; Ashok, B. Critical review on structural architecture, energy control strategies and development process towards optimal energy management in hybrid vehicles. Renew. Sustain. Energy Rev. 2022, 157, 112038. [Google Scholar] [CrossRef]
- Chidambaram, K.; Ashok, B.; Vignesh, R.; Deepak, C.; Ramesh, R.; Narendhra, T.M.; Usman, K.M.; Kavitha, C. Critical analysis on the implementation barriers and consumer perception toward future electric mobility. Proc. Inst. Mech. Eng. Part D J. Automob. Eng. 2022, 09544070221080349. [Google Scholar] [CrossRef]
- Dueholm, J.V.; Kristoffersen, M.S.; Satzoda, R.K.; Moeslund, T.B.; Trivedi, M.M. Trajectories and Maneuvers of Surrounding Vehicles with Panoramic Camera Arrays. IEEE Trans. Intell. Veh. 2016, 1, 203–214. [Google Scholar] [CrossRef]
- Han, L.; Zheng, K.; Zhao, L.; Wang, X.; Shen, X. Short-Term Traffic Prediction Based on DeepCluster in Large-Scale Road Networks. IEEE Trans. Veh. Technol. 2019, 68, 12301–12313. [Google Scholar] [CrossRef]
- Shabir, B.; Khan, M.A.; Rahman, A.U.; Malik, A.W.; Wahid, A. Congestion Avoidance in Vehicular Networks: A Contemporary Survey. IEEE Access 2019, 7, 173196–173215. [Google Scholar] [CrossRef]
- MacHardy, Z.; Khan, A.; Obana, K.; Iwashina, S. V2X access technologies: Regulation, research, and remaining challenges. IEEE Commun. Surv. Tutor. 2018, 20, 1858–1877. [Google Scholar]
- Hu, Q.; Luo, F. Review of secure communication approaches for in-vehicle network. Int. J. Automot. Technol. 2018, 19, 879–894. [Google Scholar]
- Masini, B.M.; Bazzi, A.; Zanella, A. A Survey on the Roadmap to Mandate on Board Connectivity and Enable V2V-Based Vehicular Sensor Networks. Sensors 2018, 18, 2207. [Google Scholar] [CrossRef] [PubMed]
- Wang, X.; Mao, S.; Gong, M.X. An Overview of 3GPP Cellular Vehicle-to-Everything Standards. GetMobile Mob. Comput. Commun. 2017, 21, 19–25. [Google Scholar] [CrossRef]
- Chen, L.; Englund, C. Cooperative intersection management: A survey. IEEE Trans. Intell. Transp. Syst. 2015, 17, 570–586. [Google Scholar] [CrossRef]
- Dixit, S.; Fallah, S.; Montanaro, U.; Dianati, M.; Stevens, A.; Mccullough, F.; Mouzakitis, A. Trajectory planning and tracking for autonomous overtaking: State-of-the-art and future prospects. Annu. Rev. Control 2018, 45, 76–86. [Google Scholar] [CrossRef]
- Bresson, G.; Alsayed, Z.; Yu, L.; Glaser, S. Simultaneous localization and mapping: A survey of current trends in autonomous driving. IEEE Trans. Intell. Veh. 2017, 2, 194–220. [Google Scholar] [CrossRef]
- Bousselham, M.; Benamar, N.; Addaim, A. A new security mechanism for vehicular cloud computing using fog computing system. In Proceedings of the 2019 International Conference on Wireless Technologies, Embedded and Intelligent Systems (WITS), Fez, Morocco, 3–4 April 2019; pp. 1–4. [Google Scholar]
- Mekki, T.; Jabri, I.; Rachedi, A.; ben Jemaa, M. Vehicular cloud networks: Challenges, architectures, and future directions. Veh. Commun. 2017, 9, 268–280. [Google Scholar] [CrossRef]
- Boukerche, A.; De Grande, R.E. Vehicular cloud computing: Architectures, applications, and mobility. Comput. Netw. 2018, 135, 171–189. [Google Scholar] [CrossRef]
- Yang, Q.; Zhu, B.; Wu, S. An Architecture of Cloud-Assisted Information Dissemination in Vehicular Networks. IEEE Access 2016, 4, 2764–2770. [Google Scholar] [CrossRef]
- Meneguette, R.I.; Boukerche, A.; de Grande, R. SMART: An Efficient Resource Search and Management Scheme for Vehicular Cloud-Connected System. In Proceedings of the IEEE Global Communications Conference (GLOBECOM), Washington, DC, USA, 4–8 December 2016; pp. 1–6. [Google Scholar] [CrossRef]
- De Souza, A.B.; Rego, P.A.L.; de Souza, J.N. Exploring computation offloading in vehicular clouds. In Proceedings of the 2019 IEEE 8th International conference on cloud networking (CloudNet), Coimbra, Portugal, 4–6 November 2019; pp. 1–4. [Google Scholar]
- Sharma, V.; You, I.; Yim, K.; Chen, R.; Cho, J.H. BRIoT: Behavior rule specification-based misbehavior detection for IoT-embedded cyber-physical systems. IEEE Access 2019, 7, 118556–118580. [Google Scholar] [CrossRef]
- Salahuddin, M.A.; Al-Fuqaha, A.; Guizani, M. Software-Defined Networking for RSU Clouds in Support of the Internet of Vehicles. IEEE Internet Things J. 2014, 2, 133–144. [Google Scholar] [CrossRef]
- Tran, D.-D.; Vafaeipour, M.; El Baghdadi, M.; Barrero, R.; Van Mierlo, J.; Hegazy, O. Thorough state-of-the-art analysis of electric and hybrid vehicle powertrains: Topologies and integrated energy management strategies. Renew. Sustain. Energy Rev. 2020, 119, 109596. [Google Scholar] [CrossRef]
- Hannan, M.A.; Hoque, M.D.M.; Hussain, A.; Yusof, Y.; Ker, A.P.J. State-of-the-Art and Energy Management System of Lithium-Ion Batteries in Electric Vehicle Applications: Issues and Recommendations. IEEE Access Spec. Sect. Adv. Energy Storage Technol. Appl. 2018, 6, 19362–19378. [Google Scholar] [CrossRef]
- Chen, K.; Bouscayrol, A.; Lhomme, W. Energetic Macroscopic Representation and Inversion-based Control: Application to an Electric Vehicle with an Electrical Differential. J. Asian Electr. Veh. 2008, 6, 1097–1102. [Google Scholar] [CrossRef]
- Chan, C.C.; Bouscayrol, A.; Chen, K. Electric, Hybrid, and Fuel-Cell Vehicles: Architectures and Modeling. IEEE Trans. Veh. Technol. 2009, 59, 589–598. [Google Scholar] [CrossRef]
- Koot, M.; Kessels, J.T.; De Jager, B.; Heemels, W.; Van den Bosch, P.; Steinbuch, M. Energy management strategies for vehicular electric power systems. IEEE Trans. Veh. Technol. 2005, 54, 771–782. [Google Scholar] [CrossRef]
- Hofman, T.; Steinbuch, M.; Van Druten, R.; Serrarens, A. Rule-based energy management strategies for hybrid vehicles. Int. J. Electr. Hybrid Veh. 2007, 1, 71. [Google Scholar] [CrossRef]
- Madni, A.M.; Madni, C.C.; Lucero, S.D. Leveraging Digital Twin Technology in Model-Based Systems Engineering. Systems 2019, 7, 7. [Google Scholar] [CrossRef]
- Wu, B.; Widanage, W.D.; Yang, S.; Liu, X. Battery digital twins: Perspectives on the fusion of models, data and artificial intelligence for smart battery management systems. Energy AI 2020, 1, 100016. [Google Scholar] [CrossRef]
- Microsemi, P.P.G. Gallium Nitride (GaN) Versus Silicon Carbide (SiC) in the High Frequency (RF) and Power Switching Applications. Digi-Key. 2014. Available online: https://www.digikey.cz/Site/Global/Layouts/DownloadPdf.ashx?pdfUrl=4039FA9B108F42229FEF9E84EE758607 (accessed on 20 March 2023).
- Rasool, H.; El Baghdadi, M.; Rauf, A.M.; Zhaksylyk, A.; Hegazy, O. A Rapid Non-Linear Computation Model of Power Loss and Electro Thermal Behaviour of Three-Phase Inverters in EV Drivetrains. In Proceedings of the 2020 International Symposium on Power Electronics, Electrical Drives, Automation and Motion (SPEEDAM), Sorrento, Italy, 24–26 June 2020; pp. 317–323. [Google Scholar]
- Keshmiri, N.; Wang, D.; Agrawal, B.; Hou, R.; Emadi, A. Current Status and Future Trends of GaN HEMTs in Electrified Transportation. IEEE Access 2020, 8, 70553–70571. [Google Scholar] [CrossRef]
- Sewergin, A.; Wienhausen, A.H.; Oberdieck, K.; De Doncker, R.W. Modular bidirectional full-SiC DC-DC converter for automotive applications. In Proceedings of the 2017 IEEE 12th International Conference on Power Electronics and Drive Systems (PEDS), Honolulu, HI, USA, 12–15 December 2017; pp. 277–281. [Google Scholar]
- Rui, R. Power Stage of 48V BSG Inverter. Infineon Appl. Note. 2018. Available online: https://www.infineon.com/dgdl/Infineon-20180802_AN-Power_stage_of_48V_BSG_inverter_V2.2-AN-v01_00-EN.pdf?fileId=5546d46265487f7b0165a3863b8e5bcf (accessed on 20 March 2023).
- Liu, Z.; Li, B.; Lee, F.C.; Li, Q. High-Efficiency High-Density Critical Mode Rectifier/Inverter for WBG-Device-Based On-Board Charger. IEEE Trans. Ind. Electron. 2017, 64, 9114–9123. [Google Scholar] [CrossRef]
- Rasool, H.; Zhaksylyk, A.; Chakraborty, S.; El Baghdadi, M.; Hegazy, O. Optimal design strategy and electro-thermal modelling of a high-power off-board charger for electric vehicle applications. In Proceedings of the 2020 Fifteenth International Conference on Ecological Vehicles and Renewable Energies (EVER), Monte-Carlo, Monaco, 10–12 September 2020; pp. 1–8. [Google Scholar]
- Chakraborty, S.; Vu, H.-N.; Hasan, M.M.; Tran, D.-D.; El Baghdadi, M.; Hegazy, O. DC-DC Converter Topologies for Electric Vehicles, Plug-in Hybrid Electric Vehicles and Fast Charging Stations: State of the Art and Future Trends. Energies 2019, 12, 1569. [Google Scholar] [CrossRef]
- Lu, L.; Han, X.; Li, J.; Hua, J.; Ouyang, M. A review on the key issues for lithium-ion battery management in electric vehicles. J. Power Sources 2013, 226, 272–288. [Google Scholar] [CrossRef]
- Fuchs, G.; Lunz, B.; Leuthold, M.; Sauer, D.U. Technology Overview on Electricity Storage. ISEA Aachen Juni 2012, 26. Available online: https://sei.info.yorku.ca/files/2013/03/Sauer2.pdf (accessed on 20 March 2023).
- Li, M.; Lu, J.; Chen, Z.; Amine, K. 30 years of lithium-ion batteries. Adv. Mater. 2018, 30, 1800561. [Google Scholar]
- Sun, Y.-K.; Myung, S.-T.; Park, B.-C.; Prakash, J.; Belharouak, I.; Amine, K. High-energy cathode material for long-life and safe lithium batteries. Nat. Mater. 2009, 8, 320–324. [Google Scholar] [CrossRef]
- Philippot, M.; Alvarez, G.; Ayerbe, E.; Van Mierlo, J.; Messagie, M. Eco-Efficiency of a Lithium-Ion Battery for Electric Vehicles: Influence of Manufacturing Country and Commodity Prices on GHG Emissions and Costs. Batteries 2019, 5, 23. [Google Scholar] [CrossRef]
- Schmuch, R.; Wagner, R.; Hörpel, G.; Placke, T.; Winter, M. Performance and cost of materials for lithium-based rechargeable automotive batteries. Nat. Energy 2018, 3, 267–278. [Google Scholar] [CrossRef]
- Xie, J.; Lu, Y.-C. A retrospective on lithium-ion batteries. Nat. Commun. 2020, 11, 2499. [Google Scholar] [CrossRef] [PubMed]
- Gopalakrishnan, R.; Goutam, S.; Oliveira, L.M.; Timmermans, J.-M.; Omar, N.; Messagie, M.; Bossche, P.V.D.; van Mierlo, J. A Comprehensive Study on Rechargeable Energy Storage Technologies. J. Electrochem. Energy Convers. Storage 2016, 13. [Google Scholar] [CrossRef]
- Berckmans, G.; De Sutter, L.; Marinaro, M.; Smekens, J.; Jaguemont, J.; Wohlfahrt-Mehrens, M.; van Mierlo, J.; Omar, N. Analysis of the effect of applying external mechanical pressure on next generation silicon alloy lithium-ion cells. Electrochim. Acta 2019, 306, 387–395. [Google Scholar] [CrossRef]
- Edström, K. BATTERY 2030+. Inventing the Sustainable Batteries of the Future. Research Needs and Future Actions. Available online: https://battery2030.eu/digitalAssets/860/c_860904-l_1-k_roadmap-27-march.pdf (accessed on 3 February 2021).
- Ev, I.G. Outlook to Electric Mobility; International Energy Agency (IEA): Paris, France, 2019. [Google Scholar]
- Pasta, M.; Armstrong, D.; Brown, Z.L.; Bu, J.; Castell, M.R.; Chen, P.; Cocks, A.; Corr, S.A.; Cussen, E.J.; Darnbrough, E.; et al. 2020 roadmap on solid-state batteries. J. Phys. Energy 2020, 2, 032008. [Google Scholar] [CrossRef]
- Randau, S.; Weber, D.A.; Kötz, O.; Koerver, R.; Braun, P.; Weber, A.; Ivers-Tiffée, E.; Adermann, T.; Kulisch, J.; Zeier, W.G.; et al. Benchmarking the performance of all-solid-state lithium batteries. Nat. Energy 2020, 5, 259–270. [Google Scholar] [CrossRef]
- Albertus, P.; Babinec, S.; Litzelman, S.; Newman, A. Status and challenges in enabling the lithium metal electrode for high-energy and low-cost rechargeable batteries. Nat. Energy 2017, 3, 16–21. [Google Scholar] [CrossRef]
- Gao, Y.; Rojas, T.; Wang, K.; Liu, S.; Wang, D.; Chen, T.; Wang, H.; Ngo, A.T.; Wang, D. Low-temperature and high-rate-charging lithium metal batteries enabled by an electrochemically active monolayer-regulated interface. Nat. Energy 2020, 5, 534–542. [Google Scholar] [CrossRef]
- Forsyth, M.; Porcarelli, L.; Wang, X.; Goujon, N.; Mecerreyes, D. Innovative Electrolytes Based on Ionic Liquids and Polymers for Next-Generation Solid-State Batteries. Acc. Chem. Res. 2019, 52, 686–694. [Google Scholar] [CrossRef]
- Chen, X.; Wang, X.; Sun, W.; Jiang, C.; Xie, J.; Wu, Y.; Jin, Q. Integrated interdigital electrode and thermal resistance micro-sensors for electric vehicle battery coolant conductivity high-precision measurement. J. Energy Storage 2023, 58, 106402. [Google Scholar] [CrossRef]
- Kerman, K.; Luntz, A.; Viswanathan, V.; Chiang, Y.-M.; Chen, Z. Review—Practical Challenges Hindering the Development of Solid State Li Ion Batteries. J. Electrochem. Soc. 2017, 164, A1731–A1744. [Google Scholar] [CrossRef]
- Garbayo, I.; Struzik, M.; Bowman, W.J.; Pfenninger, R.; Stilp, E.; Rupp, J.L. Glass-Type Polyamorphism in Li-Garnet Thin Film Solid State Battery Conductors. Adv. Energy Mater. 2018, 8, 1702265. [Google Scholar]
- Smekens, J.; Gopalakrishnan, R.; Steen, N.V.D.; Omar, N.; Hegazy, O.; Hubin, A.; Van Mierlo, J. Influence of Electrode Density on the Performance of Li-Ion Batteries: Experimental and Simulation Results. Energies 2016, 9, 104. [Google Scholar] [CrossRef]
- Krauskopf, T.; Mogwitz, B.; Rosenbach, C.; Zeier, W.G.; Janek, J. Diffusion Limitation of Lithium Metal and Li–Mg Alloy Anodes on LLZO Type Solid Electrolytes as a Function of Temperature and Pressure. Adv. Energy Mater. 2019, 9, 1902568. [Google Scholar] [CrossRef]
- Truchot, C.; Dubarry, M.; Liaw, B.Y. State-of-charge estimation and uncertainty for lithium-ion battery strings. Appl. Energy 2014, 119, 218–227. [Google Scholar] [CrossRef]
- Li, Y.; Liu, K.; Foley, A.M.; Zülke, A.; Berecibar, M.; Nanini-Maury, E.; Van Mierlo, J.; Hoster, H.E. Data-driven health estimation and lifetime prediction of lithium-ion batteries: A review. Renew. Sustain. Energy Rev. 2019, 113, 109254. [Google Scholar] [CrossRef]
- De Sutter, L.; Berckmans, G.; Marinaro, M.; Wohlfahrt-Mehrens, M.; Berecibar, M.; Van Mierlo, J. Mechanical behavior of Silicon-Graphite pouch cells under external compressive load: Implications and opportunities for battery pack design. J. Power Sources 2020, 451, 227774. [Google Scholar] [CrossRef]
- Campanella, A.; Döhler, D.; Binder, W.H. Self-healing in supramolecular polymers. Macromol. Rapid Commun. 2018, 39, 1700739. [Google Scholar] [CrossRef]
- Wang, C.; Wu, H.; Chen, Z.; McDowell, M.T.; Cui, Y.; Bao, Z. Self-healing chemistry enables the stable operation of silicon microparticle anodes for high-energy lithium-ion batteries. Nat. Chem. 2013, 5, 1042–1048. [Google Scholar] [CrossRef] [PubMed]
- Langer, E. Liquid Cooling in Electric Vehicles—What to Know to Keep EVs on the Go By; CPC: Preston, UK, 2019.
- Habib, S.; Khan, M.M.; Abbas, F.; Tang, H. Assessment of electric vehicles concerning impacts, charging infrastructure with unidirectional and bidirectional chargers, and power flow comparisons. Int. J. Energy Res. 2018, 42, 3416–3441. [Google Scholar] [CrossRef]
- Van Mierlo, J.; Berecibar, M.; El Baghdadi, M.; De Cauwer, C.; Messagie, M.; Coosemans, T.; Jacobs, V.A.; Hegazy, O. Beyond the State of the Art of Electric Vehicles: A Fact-Based Paper of the Current and Prospective Electric Vehicle Technologies. World Electr. Veh. J. 2021, 12, 20. [Google Scholar] [CrossRef]
- Dusmez, S.; Cook, A.; Khaligh, A. Comprehensive analysis of high quality power converters for level 3 off-board chargers. In Proceedings of the 2011 IEEE Vehicle Power and Propulsion Conference, Chicago, IL, USA, 6–9 September 2011; pp. 1–10. [Google Scholar] [CrossRef]
- Salgado-Herrera, N.; Anaya-Lara, O.; Campos-Gaona, D.; Medina-Rios, A.; Tapia-Sanchez, R.; Rodriguez-Rodriguez, J. Active Front-End converter applied for the THD reduction in power systems. In Proceedings of the 2018 IEEE Power & Energy Society General Meeting (PESGM), Portland, OR, USA, 5–10 August 2018; pp. 1–5. [Google Scholar]
- Kesler, M.; Kisacikoglu, M.C.; Tolbert, L.M. Vehicle-to-Grid Reactive Power Operation Using Plug-In Electric Vehicle Bidirectional Offboard Charger. IEEE Trans. Ind. Electron. 2014, 61, 6778–6784. [Google Scholar] [CrossRef]
- Vu, H.-N.; Abdel-Monem, M.; El Baghdadi, M.; Van Mierlo, J.; Hegazy, O. Multi-Objective Optimization of On-Board Chargers Based on State-of-the-Art 650V GaN Power Transistors for the Application of Electric Vehicles. In Proceedings of the 2019 IEEE Vehicle Power and Propulsion Conference (VPPC), Hanoi, Vietnam, 14–17 October 2019; pp. 1–6. [Google Scholar]
- Yilmaz, M.; Krein, P.T. Review of Battery Charger Topologies, Charging Power Levels, and Infrastructure for Plug-In Electric and Hybrid Vehicles. IEEE Trans. Power Electron. 2013, 28, 2151–2169. [Google Scholar] [CrossRef]
- Xue, L.; Shen, Z.; Boroyevich, D.; Mattavelli, P.; Diaz, D. Dual Active Bridge-Based Battery Charger for Plug-in Hybrid Electric Vehicle with Charging Current Containing Low Frequency Ripple. IEEE Trans. Power Electron. 2015, 30, 7299–7307. [Google Scholar] [CrossRef]
- Li, B.; Lee, F.C.; Li, Q.; Liu, Z. Bi-directional on-board charger architecture and control for achieving ultra-high efficiency with wide battery voltage range. In Proceedings of the 2017 IEEE Applied Power Electronics Conference and Exposition (APEC), Tampa, FL, USA, 26–30 March 2017; pp. 3688–3694. [Google Scholar]
- Zhaksylyk, A.; Rasool, H.; Geury, T.; El Baghdadi, M.; Hegazy, O. Masterless Control of Parallel Modular Active front-end (AFE) Systems for Vehicles and Stationary Applications. In Proceedings of the 2020 Fifteenth International Conference on Ecological Vehicles and Renewable Energies (EVER), Monte-Carlo, Monaco, 10–12 September 2020; pp. 1–6. [Google Scholar]
- Blaabjerg, F.; Teodorescu, R.; Liserre, M.; Timbus, A.V. Overview of Control and Grid Synchronization for Distributed Power Generation Systems. IEEE Trans. Ind. Electron. 2006, 53, 1398–1409. [Google Scholar] [CrossRef]
- Messagie, M.; Mertens, J.; Oliveira, L.; Rangaraju, S.; Sanfelix, J.; Coosemans, T.; Van Mierlo, J.; Macharis, C. The hourly life cycle carbon footprint of electricity generation in Belgium, bringing a temporal resolution in life cycle assessment. Appl. Energy 2014, 134, 469–476. [Google Scholar]
- Van Mierlo, J. The world electric vehicle journal, the open access journal for the e-mobility scene. World Electr. Veh. J. 2018, 9, 1. [Google Scholar]
- Li, Y.; Messagie, M.; Berecibar, M.; Hegazy, O.; Omar, N.; Van Mierlo, J. The impact of the vehicle-to-grid strategy on lithium-ion battery ageing process. In Proceedings of the 31st International Electric Vehicle Symposium & Exhibition (EVS 31), Kobe, Japan, 1–3 October 2018. [Google Scholar]
- Van Kriekinge, G.; De Cauwer, C.; Van Mierlo, J.; Coosemans, T.; Messagie, M. Techno-economical assessment of vehicle-to-grid in a microgrid: Case study. In Proceedings of the 33th International Electric Vehicle Symposium and Exhibition (EVS 2020), Portland, OR, USA, 14–17 June 2020; pp. 14–17. [Google Scholar]
- Syed, A.; Crispeels, T.; Jahir Roncancio Marin, J.; Cardellini, G.; De Cauwer, C.; Coosemans, T.; Van Mierlo, J.; Messagie, M. A Novel Method to Value the EV-Fleet’s Grid Balancing Capacity. In Proceedings of the 33th International Electric Vehicle Symposium and Exhibition (EVS 2020), Portland, OR, USA, 14–17 June 2020; pp. 14–17. [Google Scholar]
- De Cauwer, C.; Van Kriekinge, G.; Van Mierlo, J.; Coosemans, T.; Messagie, M. Integration of Vehicle-to-Grid in Local Energy Systems: Concepts and Specific Requirements. In Proceedings of the 33th International Electric Vehicle Symposium and Exhibition (EVS 2020), Portland, OR, USA, 14–17 June 2020; pp. 14–17. [Google Scholar]
- Hooftman, N.; Messagie, M.; Van Mierlo, J.; Coosemans, T. The Paris Agreement and Zero-Emission Vehicles in Europe: Scenarios for the Road towards a Decarbonised Passenger Car Fleet. In Towards User-Centric Transport in Europe 2: Enablers of Inclusive, Seamless and Sustainable Mobility; Springer, 2020; pp. 151–168. Available online: https://link.springer.com/chapter/10.1007/978-3-030-38028-1_11 (accessed on 20 March 2023). [CrossRef]
- Messagie, M.; Coosemans, T.; Van Mierlo, J. The Need for Uncertainty Propagation in Life Cycle Assessment of Vehicle Technologies. In Towards User-Centric Transport in Europe 2: Enablers of Inclusive, Seamless and Sustainable Mobility; IEEE Xplorer, 2019; pp. 1–7. Available online: https://ieeexplore.ieee.org/abstract/document/8952350/ (accessed on 20 March 2023). [CrossRef]
- Narayanan, S.; Chaniotakis, E.; Antoniou, C. Shared autonomous vehicle services: A comprehensive review. Transp. Res. Part C Emerg. Technol. 2020, 111, 255–293. [Google Scholar]
- Loeb, B.; Kockelman, K.M. Fleet performance and cost evaluation of a shared autonomous electric vehicle (SEAVS) fleet: A case study for Austin, Texas. Transp. Res. Part A Policy Pract. 2019, 121, 374–385. [Google Scholar]
- Haas, H. Wireless Data from Every Light Bulb. Available online: https://www.ted.com/talks/harald_haas_wireless_data_from_every_light_bulb/transcript (accessed on 13 February 2023).
- Golbabaei, F.; Yigitcanlar, T.; Bunker, J. The role of shared autonomous vehicle systems in delivering smart urban mobility: A systematic review of the literature. Int. J. Sustain. Transp. 2020, 15, 731–748. [Google Scholar] [CrossRef]
- Maurer, M.; Gerdes, J.C.; Lenz, B.; Winner, H. Autonomous Driving: Technical, Legal and Social Aspects; Springer Nature: Berlin/Heidelberg, Germany, 2016. [Google Scholar]
- Fagnant, D.J.; Kockelman, K. Preparing a nation for autonomous vehicles: Opportunities, barriers and policy recommendations. Transp. Res. Part A Policy Pract. 2015, 77, 167–181. [Google Scholar]
- Cohen, T.; Cavoli, C. Automated vehicles: Exploring possible consequences of government (non)intervention for congestion and accessibility. Transp. Rev. 2019, 39, 129–151. [Google Scholar] [CrossRef]
- Chen, T.D.; Kockelman, K.M.; Hanna, J.P. Operations of a shared, autonomous, electric vehicle fleet: Implications of vehicle & charging infrastructure decisions. Transp. Res. Part A Policy Pract. 2016, 94, 243–254. [Google Scholar] [CrossRef]
- Iacobucci, R.; McLellan, B.; Tezuka, T. Modeling shared autonomous electric vehicles: Potential for transport and power grid integration. Energy 2018, 158, 148–163. [Google Scholar] [CrossRef]
- Tan, K.M.; Ramachandaramurthy, V.K.; Yong, J.Y. Integration of electric vehicles in smart grid: A review on vehicle to grid technologies and optimization techniques. Renew. Sustain. Energy Rev. 2016, 53, 720–732. [Google Scholar] [CrossRef]
- Rangaraju, S. Environmental Performance of Battery Electric Vehicles: Implications for Future Integrated Electricity and Transport System. Ph.D. Thesis, 2018. Available online: https://researchportal.vub.be/en/publications/environmental-performance-of-battery-electric-vehicles-implicatio (accessed on 20 March 2023).
- Trübswetter, N.; Bengler, K. Why should I use ADAS? Advanced driver assistance systems and the elderly: Knowledge, experience and usage barriers. In Driving Assesment Conference; University of Iowa: Iowa, IA, USA, 2013; Volume 7. [Google Scholar]
- Eichelberger, A.H.; McCartt, A.T. Toyota drivers’ experiences with dynamic radar cruise control, pre-collision system, and lane-keeping assist. J. Saf. Res. 2016, 56, 67–73. [Google Scholar] [CrossRef] [PubMed]
- Hubele, N.; Kennedy, K. Forward collision warning system impact. Traffic Inj. Prev. 2018, 19, S78–S83. [Google Scholar] [CrossRef] [PubMed]
- Patra, S.; Veelaert, P.; Calafate, C.T.; Cano, J.-C.; Zamora, W.; Manzoni, P.; González, F. A Forward Collision Warning System for Smartphones Using Image Processing and V2V Communication. Sensors 2018, 18, 2672. [Google Scholar] [CrossRef]
- Motamedidehkordi, N.; Amini, S.; Hoffmann, S.; Busch, F.; Fitriyanti, M.R. Modeling tactical lane-change behavior for automated vehicles: A supervised machine learning approach. In Proceedings of the 2017 5th IEEE International Conference on Models and Technologies for Intelligent Transportation Systems (MT-ITS), Naples, Italy, 26–28 June 2017; pp. 268–273. [Google Scholar]
- Yan, Z.; Yang, K.; Wang, Z.; Yang, B.; Kaizuka, T.; Nakano, K. Intention-Based Lane Changing and Lane Keeping Haptic Guidance Steering System. IEEE Trans. Intell. Veh. 2020, 6, 622–633. [Google Scholar] [CrossRef]
- Katzourakis, D.I.; Lazic, N.; Olsson, C.; Lidberg, M.R. Driver Steering Override for Lane-Keeping Aid Using Computer-Aided Engineering. IEEE/ASME Trans. Mechatron. 2015, 20, 1543–1552. [Google Scholar] [CrossRef]
- Shen, D.; Yi, Q.; Li, L.; Tian, R.; Chien, S.; Chen, Y.; Sherony, R. Test Scenarios Development and Data Collection Methods for the Evaluation of Vehicle Road Departure Prevention Systems. IEEE Trans. Intell. Veh. 2019, 4, 337–352. [Google Scholar] [CrossRef]
- Sternlund, S.; Strandroth, J.; Rizzi, M.; Lie, A.; Tingvall, C. The effectiveness of lane departure warning systems—A reduction in real-world passenger car injury crashes. Traffic Inj. Prev. 2017, 18, 225–229. [Google Scholar] [PubMed]
- Abdullahi, A.; Akkaya, S. Adaptive cruise control: A model reference adaptive control approach. In Proceedings of the 2020 24th International Conference on System Theory, Control and Computing (ICSTCC), Sinaia, Romania, 8–10 October 2020; pp. 904–908. [Google Scholar]
- Li, Y.; Li, Z.; Wang, H.; Wang, W.; Xing, L. Evaluating the safety impact of adaptive cruise control in traffic oscillations on freeways. Accid. Anal. Prev. 2017, 104, 137–145. [Google Scholar] [CrossRef] [PubMed]
- Plessen, M.G.; Bernardini, D.; Esen, H.; Bemporad, A. Spatial-Based Predictive Control and Geometric Corridor Planning for Adaptive Cruise Control Coupled with Obstacle Avoidance. IEEE Trans. Control Syst. Technol. 2017, 26, 38–50. [Google Scholar] [CrossRef]
- Hu, J.; Xu, L.; He, X.; Meng, W. Abnormal Driving Detection Based on Normalized Driving Behavior. IEEE Trans. Veh. Technol. 2017, 66, 6645–6652. [Google Scholar] [CrossRef]
- Adochiei, I.-R.; Stirbu, O.-I.; Adochiei, N.-I.; Pericle-Gabriel, M.; Larco, C.-M.; Mustata, S.-M.; Costin, D. Drivers’ drowsiness detection and warning systems for critical infrastructures. In Proceedings of the 2020 International Conference on e-Health and Bioengineering (EHB), Iasi, Romania, 29–30 October 2020; pp. 1–4. [Google Scholar]
- Saito, Y.; Itoh, M.; Inagaki, T. Driver Assistance System with a Dual Control Scheme: Effectiveness of Identifying Driver Drowsiness and Preventing Lane Departure Accidents. IEEE Trans. Human Mach. Syst. 2016, 46, 660–671. [Google Scholar] [CrossRef]
- Yin, J.-L.; Chen, B.-H.; Lai, K.-H.R.; Li, Y. Automatic Dangerous Driving Intensity Analysis for Advanced Driver Assistance Systems from Multimodal Driving Signals. IEEE Sens. J. 2017, 18, 4785–4794. [Google Scholar] [CrossRef]
- Chen, Y.; Peng, H.; Grizzle, J. Obstacle Avoidance for Low-Speed Autonomous Vehicles with Barrier Function. IEEE Trans. Control Syst. Technol. 2017, 26, 194–206. [Google Scholar] [CrossRef]
- Funke, J.; Brown, M.; Erlien, S.M.; Gerdes, J.C. Collision Avoidance and Stabilization for Autonomous Vehicles in Emergency Scenarios. IEEE Trans. Control Syst. Technol. 2016, 25, 1204–1216. [Google Scholar] [CrossRef]
- Viriyasitavat, W.; Tonguz, O.K. Priority management of emergency vehicles at intersections using self-organized traffic control. In Proceedings of the 2012 IEEE Vehicular Technology Conference (VTC Fall), Quebec City, QC, Canada, 3–6 September 2012; pp. 1–4. [Google Scholar]
- Masini, B.M.; Zanella, A.; Pasolini, G.; Bazzi, A.; Zabini, F.; Andrisano, O.; Mirabella, M.; Toppan, P. Toward the integration of ADAS capabilities in V2X communications for cooperative driving. In Proceedings of the 2020 AEIT International Conference of Electrical and Electronic Technologies for Automotive (AEIT AUTOMOTIVE), Associazione Italiana di Elettrotecnica, Elettronica, Milano, Italy, 18–20 November 2020; pp. 1–6. [Google Scholar]
- Narula, L.; Wooten, M.J.; Murrian, M.J.; LaChapelle, D.M.; Humphreys, T.E. ADAS Enhanced by 5G Connectivity: Volumes 1 and 2; No. D-STOP/2018/139; University of Texas at Austin, Center for Transportation Research: Texas, TX, USA, 2018. [Google Scholar]
- Bazzi, A.; Masini, B.M.; Zanella, A.; De Castro, C.; Raffaelli, C.; Andrisano, O. Cellular aided vehicular named data networking. In Proceedings of the 2014 International Conference on Connected Vehicles and Expo (ICCVE), Vienna, Austria, 3–7 November 2014; pp. 747–752. [Google Scholar]
- Masini, B.M.; Silva, C.M.; Balador, A. The Use of Meta-Surfaces in Vehicular Networks. J. Sens. Actuator Netw. 2020, 9, 15. [Google Scholar] [CrossRef]
- Guanetti, J.; Kim, Y.; Borrelli, F. Control of connected and automated vehicles: State of the art and future challenges. Annu. Rev. Control 2018, 45, 18–40. [Google Scholar] [CrossRef]
- Rios-Torres, J.; Malikopoulos, A.A. A Survey on the Coordination of Connected and Automated Vehicles at Intersections and Merging at Highway On-Ramps. IEEE Trans. Intell. Transp. Syst. 2016, 18, 1066–1077. [Google Scholar] [CrossRef]
- Birnbacher, D.; Birnbacher, W. Fully Autonomous Driving: Where Technology and Ethics Meet. IEEE Intell. Syst. 2017, 32, 3–4. [Google Scholar] [CrossRef]
- Greenblatt, N.A. Self-driving cars and the law. IEEE Spectr. 2016, 53, 46–51. [Google Scholar] [CrossRef]
- Urooj, S.; Feroz, I.; Ahmad, N. Systematic literature review on user interfaces of autonomous cars: Liabilities and responsibilities. In Proceedings of the 2018 International Conference on Advancements in Computational Sciences (ICACS), Lahore, Pakistan, 19–21 February 2018; pp. 1–10. [Google Scholar]
- Borenstein, J.; Herkert, J.; Miller, K. Self-Driving Cars: Ethical Responsibilities of Design Engineers. IEEE Technol. Soc. Mag. 2017, 36, 67–75. [Google Scholar] [CrossRef]
- Fournier, T. Will my next car be a libertarian or a utilitarian? Who will decide? IEEE Technol. Soc. Mag. 2016, 35, 40–45. [Google Scholar]
- Lin, P. The Ethics of Autonomous Cars. The Atlantic. Available online: http://www.theatlantic.com/technology/archive/2013/10/theethics-of-autonomous-cars/280360/ (accessed on 14 February 2023).
- Ma, A. China Has Started Ranking Citizens with a Creepy ‘Social Credit’ System—Here’s What You Can Do Wrong, and the Embarrassing, Demeaning Ways They Can Punish You. Business Insider US. Available online: https://www.businessinsider.sg/china-social-credit-system-punishments-and-rewards-explained-2018-4/?r=US&IR=T (accessed on 12 February 2023).
- Chan, T.K.; Chin, C.S.; Chen, H.; Zhong, X. A Comprehensive Review of Driver Behavior Analysis Utilizing Smartphones. IEEE Trans. Intell. Transp. Syst. 2019, 21, 4444–4475. [Google Scholar] [CrossRef]
- Solanke, T.U.; Ramachandaramurthy, V.K.; Yong, J.Y.; Pasupuleti, J.; Kasinathan, P.; Rajagopalan, A. A review of strategic charging–discharging control of grid-connected electric vehicles. J. Energy Storage 2020, 28, 101193. [Google Scholar] [CrossRef]
- Zou, Y.; Zhao, J.; Gao, X.; Chen, Y.; Tohidi, A. Experimental results of electric vehicles effects on low voltage grids. J. Clean. Prod. 2020, 255, 120270. [Google Scholar] [CrossRef]
- Arena, F.; Pau, G.; Severino, A. An Overview on the Current Status and Future Perspectives of Smart Cars. Infrastructures 2020, 5, 53. [Google Scholar] [CrossRef]
- Das, H.S.; Rahman, M.M.; Li, S.; Tan, C.W. Electric vehicles standards, charging infrastructure, and impact on grid integration: A technological review. Renew. Sustain. Energy Rev. 2020, 120, 109618. [Google Scholar] [CrossRef]
- Pappalardo, G.; Cafiso, S.; Di Graziano, A.; Severino, A. Decision Tree Method to Analyze the Performance of Lane Support Systems. Sustainability 2021, 13, 846. [Google Scholar] [CrossRef]
- Ghahari, S.; Assi, L.; Carter, K.; Ghotbi, S. The Future of Hydrogen Fueling Systems for Fully Automated Vehicles; American Society of Civil Engineers (ASCE): Reston, VA, USA, 2019; pp. 66–76. [Google Scholar]
- Lin, T.Y.; Maire, M.; Belongie, S.; Hays, J.; Perona, P.; Ramanan, D.; Dollár, P.; Zitnick, C.L. Microsoft coco: Common objects in context. In Proceedings of the Computer Vision–ECCV 2014: 13th European Conference, Zurich, Switzerland, 6–12 September 2014; Springer International Publishing: Berlin/Heidelberg, Germany, 2014; pp. 740–755. [Google Scholar]
- Zhang, S.; Benenson, R.; Omran, M.; Hosang, J.; Schiele, B. Towards reaching human performance in pedestrian detection. IEEE Trans. Pattern Anal. Mach. Intell. 2017, 40, 973–986. [Google Scholar]
- Li, B. 3D fully convolutional network for vehicle detection in point cloud. In Proceedings of the 2017 IEEE/RSJ International Conference on Intelligent Robots and Systems (IROS), Vancouver, BC, Canada, 24–28 September 2017; pp. 1513–1518. [Google Scholar] [CrossRef]
- Grigorescu, S.; Trasnea, B.; Cocias, T.; Macesanu, G. A survey of deep learning techniques for autonomous driving. J. Field Robot. 2019, 37, 362–386. [Google Scholar] [CrossRef]
- Ning, H.; Yin, R.; Ullah, A.; Shi, F. A Survey on Hybrid Human-Artificial Intelligence for Autonomous Driving. IEEE Trans. Intell. Transp. Syst. 2021, 23, 6011–6026. [Google Scholar] [CrossRef]
- Kumar, A.; Krishnamurthi, R.; Nayyar, A.; Luhach, A.K.; Khan, M.S.; Singh, A. A novel Software-Defined Drone Network (SDDN)-based collision avoidance strategies for on-road traffic monitoring and management. Veh. Commun. 2020, 28, 100313. [Google Scholar] [CrossRef]
- Kim, H.; Ben-Othman, J.; Mokdad, L.; Son, J.; Li, C. Research challenges and security threats to AI-driven 5G virtual emotion applications using autonomous vehicles, drones, and smart devices. IEEE Netw. 2020, 34, 288–294. [Google Scholar]
- Wang, Y.; Su, Z.; Zhang, K.; Benslimane, A. Challenges and Solutions in Autonomous Driving: A Blockchain Approach. IEEE Netw. 2020, 34, 218–226. [Google Scholar] [CrossRef]
- Kato, S.; Takeuchi, E.; Ishiguro, Y.; Ninomiya, Y.; Takeda, K.; Hamada, T. An Open Approach to Autonomous Vehicles. IEEE Micro 2015, 35, 60–68. [Google Scholar] [CrossRef]
- Novickis, R.; Levinskis, A.; Kadikis, R.; Fescenko, V.; Ozols, K. Functional architecture for autonomous driving and its implementation. In Proceedings of the 2020 17th Biennial Baltic Electronics Conference (BEC), Tallinn, Estonia, 6–8 October 2020; pp. 1–6. [Google Scholar]
- Martínez-Díaz, M.; Soriguera, F. Autonomous vehicles: Theoretical and practical challenges. Transp. Res. Procedia 2018, 33, 275–282. [Google Scholar] [CrossRef]
- Sharma, S.; Gupta, S.; Gupta, D.; Juneja, S.; Gupta, P.; Dhiman, G.; Kautish, S. Deep Learning Model for the Automatic Classification of White Blood Cells. Comput. Intell. Neurosci. 2022, 2022, 7384131. [Google Scholar] [CrossRef] [PubMed]
- Samad, A.; Alam, S.; Mohammed, S.; Bhukhari, M.U. Internet of vehicles (IoV) requirements, attacks and countermeasures. In Proceedings of the 12th INDIACom; INDIACom-2018; 5th International Conference on “Computing for Sustainable Global Development” IEEE Conference, New Delhi, India, 13–15 March 2018. [Google Scholar]
- Atakishiyev, S.; Salameh, M.; Yao, H.; Goebel, R. Explainable Artificial Intelligence for Autonomous Driving: A Comprehensive Overview and Field Guide for Future Research Directions. arXiv 2021, arXiv:2112.11561. [Google Scholar]
- Shuaib, M.; Hassan, N.H.; Usman, S.; Alam, S.; Bhatia, S.; Mashat, A.; Kumar, A.; Kumar, M. Self-Sovereign Identity Solution for Blockchain-Based Land Registry System: A Comparison. Mob. Inf. Syst. 2022, 2022, 8930472. [Google Scholar] [CrossRef]
- Singh, S.; Malik, A.; Kumar, R.; Singh, P.K. A proficient data gathering technique for unmanned aerial vehicle-enabled heterogeneous wireless sensor networks. Int. J. Commun. Syst. 2021, 34, e4956. [Google Scholar] [CrossRef]
- Sharma, A.; Singh, P.K. UAV-based framework for effective data analysis of forest fire detection using 5G networks: An effective approach towards smart cities solutions. Int. J. Commun. Syst. 2021, e4826. [Google Scholar] [CrossRef]
- Jain, S.; Ahuja, N.J.; Srikanth, P.; Bhadane, K.V.; Nagaiah, B.; Kumar, A.; Konstantinou, C. Blockchain and autonomous vehicles: Recent advances and future directions. IEEE Access 2021, 9, 130264–130328. [Google Scholar]
- Kumar, A.; de Jesus Pacheco, D.A.; Kaushik, K.; Rodrigues, J.J. Futuristic view of the internet of quantum drones: Review, challenges and research agenda. Veh. Commun. 2022, 36, 100487. [Google Scholar]
- Sharma, S.; Tewolde, G.; Kwon, J. Behavioral cloning for lateral motion control of autonomous vehicles using deep learning. In Proceedings of the 2018 IEEE International Conference on Electro/Information Technology (EIT), Rochester, MI, USA, 3–5 May 2018; pp. 0228–0233. [Google Scholar]
- Dixon, J.; Bukhsh, W.; Edmunds, C.; Bell, K. Scheduling electric vehicle charging to minimise carbon emissions and wind curtailment. Renew. Energy 2020, 161, 1072–1091. [Google Scholar] [CrossRef]
- Haddadian, G.; Khalili, N.; Khodayar, M.; Shahiedehpour, M. Security-constrained power generation scheduling with thermal generating units, variable energy resources, and electric vehicle storage for V2G deployment. Int. J. Electr. Power Energy Syst. 2015, 73, 498–507. [Google Scholar]
Disclaimer/Publisher’s Note: The statements, opinions and data contained in all publications are solely those of the individual author(s) and contributor(s) and not of MDPI and/or the editor(s). MDPI and/or the editor(s) disclaim responsibility for any injury to people or property resulting from any ideas, methods, instructions or products referred to in the content. |
© 2023 by the authors. Licensee MDPI, Basel, Switzerland. This article is an open access article distributed under the terms and conditions of the Creative Commons Attribution (CC BY) license (https://creativecommons.org/licenses/by/4.0/).











