Parameter Identification of DFIG Converter Control System Based on WOA
Abstract
1. Introduction
2. DFIG Converter Control System Dynamic Model
2.1. Mathematical Model of Rotor-Side Converter (RSC) Control System
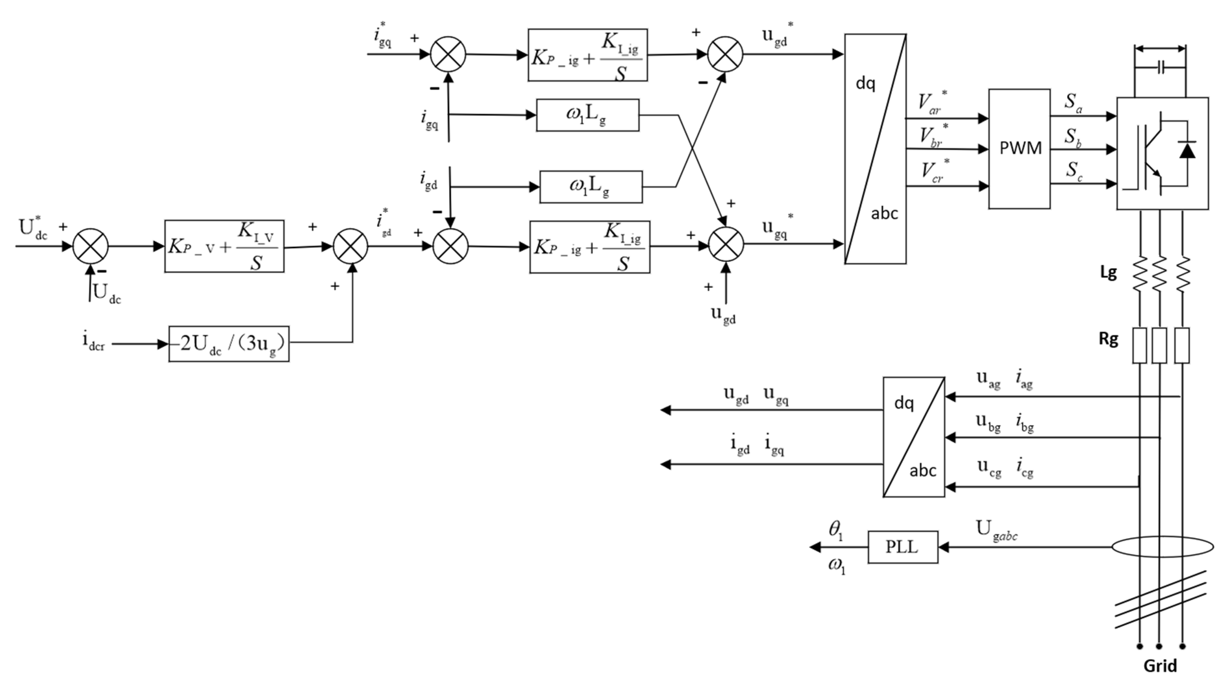
2.2. Mathematical Model of Grid-Side Converter (GSC) Control System
3. Control System Parameter Identification Feasibility and Identification Process
3.1. Track Sensitivity Standard Value
3.2. Trajectory Sensitivity Analysis
3.3. Whale Optimization Algorithm
4. Results and Discussions
4.1. Algorithm Performance Test
4.2. Analysis of the Influence of Control Parameters under Three-Phase Grounded Short-Circuit Conditions
4.3. Analysis of Parameter Identification Results
5. Conclusions
Author Contributions
Funding
Conflicts of Interest
References
- Aghajani, G.; Ghadimi, N. Multi-objective energy management in a micro-grid. Energy Rep. 2018, 4, 218–225. [Google Scholar] [CrossRef]
- Gollou, A.R.; Ghadimi, N. A new feature selection and hybrid forecast engine for day-ahead price forecasting of electricity markets. J. Intell. Fuzzy Syst. Appl. Eng. Technol. 2017, 32, 4031–4045. [Google Scholar] [CrossRef]
- Liu, Y.; Wang, W.; Ghadimi, N. Electricity load forecasting by an improved forecast engine for building level consumers. Energy 2017, 139, 18–30. [Google Scholar] [CrossRef]
- Wang, T.; Zhu, Z.; Nian, H. A review of the operation technology of doubly-fed wind power system under a non-ideal grid. J. Electr. Eng. Technol. 2020, 35, 455–471. [Google Scholar] [CrossRef]
- Wang, R.; Zhang, R.; Wang, M.; Gao, X.; Qin, B. A tracking control method to enhance the low voltage ride-through capability of doubly-fed wind power systems. Power Eng. Technol. 2021, 40, 185–191. [Google Scholar]
- Huang, S.; Ji, T.; Wang, T. Transfer Function Sensitivity Based DFIG Shedding Scheme to Mitigate Subsynchronous Oscillation. In Proceedings of the 2021 IEEE 4th International Electrical and Energy Conference (CIEEC), Wuhan, China, 28–30 May 2021; pp. 1–6. [Google Scholar]
- Kouadria, S.; Berkouk, E.M.; Messlem, Y.; Denaï, M. Improved control strategy of DFIG-based wind turbines using direct torque and direct power control techniques. J. Renew. Sustain. Energy 2018, 10, 043306. [Google Scholar] [CrossRef]
- Yuhao, Z.; Long, Z.; Jen, L.W. Robustness Analysis of Dynamic Equivalent Model of DFIG Wind Farm for Stability Study. IEEE Trans. Ind. Appl. 2018, 54, 5682–5690. [Google Scholar]
- Xiaoyu, Z.; Chao, L. Accommodation capability assessment of high-voltage direct current with a large-scale wind power integration system based on risk constraints of sub-synchronous oscillation. J. Eng. 2019, 2019, 2131–2136. [Google Scholar] [CrossRef]
- Jishnu, K.K.; Ullah, K.M.S.; Youyi, W.; AIi, I.M.; Jin, Y.Y. A Novel Control Technique to Reduce the Effects of Torsional Interaction in Wind Turbine System. IEEE J. Emerg. Sel. Top. Power Electron. 2019, 7, 2090–2105. [Google Scholar]
- Teng, W.; Meng, Y. An improved control strategy to the frequency regulation of DFIG based wind turbine. J. Renew. Sustain. Energy 2017, 9, 063303. [Google Scholar] [CrossRef]
- Abdelhak, D.; Seddik, B.; Hossein, I.E. Efficient real-time estimation for DFIG—Performance and reliability enhancement of grid/micro-grid connected energy conversion systems. J. Renew. Sustain. Energy 2019, 11, 025503. [Google Scholar]
- Li, H.; Wu, Y.; Li, Q.; Gong, L.; Yang, W. Improved identification method of doubly-fed induction generator based on trajectory sensitivity analysis. Int. J. Electr. Power Energy Syst. 2021, 125, 106472. [Google Scholar] [CrossRef]
- Bai, C.; Qin, M.; Sun, Z.; Hong, W. Power response characteristics of wind turbine drive chain under generator short-circuit conditions. Electromech. Eng. 2022, 39, 612–619. [Google Scholar]
- Li, H.; Ma, W.; Zhang, Y. Damping control strategy for wind turbine drive chain. Electrotechnology 2022, 14, 19–20+24. [Google Scholar] [CrossRef]
- Wei, J.; Guo, J.; Zhang, W.; Xu, Z.; Yan, J.; Ji, K. Study on the dynamic characteristics of electromechanical coupling of large wind turbine gearing system. J. Sol. Energy 2022, 43, 300–308. [Google Scholar] [CrossRef]
- Tian, D.; Liu, F.; Fang, J.J.; Li, B.; Tang, S.; Deng, Y. Simulation study on air-machine-electric coupling modeling of wind turbine drive chain. Wind. Energy 2021, 72–78. [Google Scholar]
- Wang, J. Characterization method of wind turbine main drive chain based on SCADA system. Inf. Rec. Mater. 2022, 23, 211–214. [Google Scholar] [CrossRef]
- Wu, I.; Li, Y.; Yang, C.; Yang, L.; Wang, I. Dynamic load identification algorithm and validation for wind turbine drive chain. Vibration. Test. Diagn. 2022, 42, 664–670+822. [Google Scholar] [CrossRef]
- Seif, A.; Karimi, S.; Abdi, H.; Fazli, M. Comparison of DFIG and SEF-DFIG operation in wind turbine systems. In Proceedings of the 2015 16th International Conference on Computational Problems of Electrical Engineering (CPEE), Lviv, Ukraine, 2–5 September 2015; pp. 168–173. [Google Scholar]
- Wang, L.; Liu, H.; Chen, J.; Yu, C.; Wang, Z. Research on identifying parameter of DFIG-based wind farm based on mathematical mechanization analysis. IOP Conf. Ser. Earth Environ. Sci. 2022, 983, 012009. [Google Scholar] [CrossRef]
- Zhang, J.; Xin, F.; Chen, X.; Wang, J. Parameter identification of DFIG with three-phase short circuit. Dianli Zidonghua Shebei/Electr. Power Autom. Equip. 2012, 32, 86–89. [Google Scholar]
- Lei, T.; Barnes, M.; Ozakturk, M. Doubly-fed induction generator wind turbine modelling for detailed electromagnetic system studies. IET Renew. Power Gener. 2013, 7, 180–189. [Google Scholar] [CrossRef]
- Trilla, L.; Gomis-Bellmunt, O.; Junyent-Ferre, A.; Mata, M.; Navarro, J.S.; Sudria-Andreu, A. Modeling and Validation of DFIG 3-MW Wind Turbine Using Field Test Data of Balanced and Unbalanced Voltage Sags. IEEE Trans. Sustain. Energy 2011, 2, 509–519. [Google Scholar] [CrossRef]
- Zhang, Y.; Qin, W.P.; Cao, R.; Zhu, Z.L.; Xue, S.K.; Wang, K. A simplified modeling approach for DFIG dynamic full process simulation based on two-level trajectory sensitivity analysis. Power Autom. Equip. 2022, 1–13. [Google Scholar] [CrossRef]
- Linlin, W.; Hui, L.; Jiaan, Z.; Chenyu, L.; Yamin, S.; Zhijun, L.; Jingwei, L. Identification of Control Parameters for Converters of Doubly Fed Wind Turbines Based on Hybrid Genetic Algorithm. Processes 2022, 10, 567. [Google Scholar]
- Pradhan, P.P.; Subudhi, B. An ARMAX-DFIG model based adaptive controller for a wind energy conversion system. Wind Eng. 2022, 46, 12–22. [Google Scholar] [CrossRef]
- Xie, G.; Zhao, D. Improved ant-lion algorithm for multi-parameter identification of permanent magnet synchronous motors. J. Power Syst. Autom. 2022, 1–8. [Google Scholar] [CrossRef]
- Li, J.; Yang, S.Y.; Xie, Z.; Zhang, X. Online identification of permanent magnet synchronous motor parameters based on effective information iterative fast particle swarm optimization algorithm. J. Electr. Eng. Technol. 2022, 37, 4604–4613. [Google Scholar] [CrossRef]
- Zhong, K. Short-Term Wind Power Prediction Based on WOA and LSSVM. Master’s Thesis, Nanchang University, Nanchang, China, 2021. [Google Scholar]
- Liu, K.; Wei, D.T. WOA-ESN-based prediction of chaotic oscillations in motor systems. Comput. Phys. 2021, 49, 34–37. [Google Scholar]
- Guo, J.; Wu, L.; Qi, J.; Gao, S.; Wang, J. Research on line loss calculation based on WOA optimized Elman neural network. Hebei Electr. Power Technol. 2022, 41, 42–47. [Google Scholar]
- Qin, L.Z.; Zhou, Z. Multi-objective combustion optimization for ultra-supercritical units based on whale optimization algorithm. Power Sci. Eng. 2022, 38, 70–78. [Google Scholar]
- Hu, D.; Yuan, Y.; Qu, X.; Yin, Q. Energy efficiency optimization analysis of fuel cell/lithium battery hybrid ships based on whale optimization algorithm. Chin. Ship Res. 2022, 17, 155–166. [Google Scholar] [CrossRef]
- Zheng, K.; Ding, Y. Fault diagnosis of wind turbine gearbox based on WOA-LSSVM algorithm. J. Shanghai Inst. Electr. Eng. 2020, 23, 317–322. [Google Scholar]
- Gong, X. Online Identification of Low Frequency Oscillation Patterns in Power Systems Based on ARMA Recursive Algorithm. Master’s Thesis, Chongqing University, Chongqing, China, 2011. [Google Scholar]
- Zhang, H.Q.; Yan, H.F.; Leng, Y.L.; Wang, X.Y. Study on online identification of PMSM based on model reference adaption. Electr. Drives 2015, 45, 3–7+16. [Google Scholar] [CrossRef]
- Pan, X.P.; Ju, P.; Wen, R.C.; Wu, F.; Jin, Y.Q. A frequency domain approach for decoupling identification of rotor-side controller parameters of doubly-fed wind turbines. Power Syst. Autom. 2015, 39, 19–25+108. [Google Scholar]
- Pan, X.; Wen, R.; Ju, P.; Jin, Y.; Zhang, Y. A frequency domain approach to identify the parameters of doubly-fed wind turbine grid-side controllers. Power Grid Technol. 2015, 39, 634–638. [Google Scholar] [CrossRef]
- Li, J. Research on Parameter Identification Algorithm of Double-Fed Wind Turbine Converter Control System. Master’s Thesis, Hebei University of Technology, Baoding, China, 2021. [Google Scholar]
- Zhai, H.; Zhu, C.; Song, C.; Liu, H.; Li, G.; Ma, F. Dynamic modeling and analysis for transmission system of high-power wind turbine gearbox. J. Mech. Sci. Technol. 2015, 29, 4073–4082. [Google Scholar] [CrossRef]
- Andrzej, B.; Michał, P.; Joanna, J. The Whale Optimization Algorithm Approach for Deep Neural Networks. Sensors 2021, 21, 8003. [Google Scholar]











| Algorithms | Application Areas | Advantages | Disadvantages |
|---|---|---|---|
| Least Squares | Curve fitting, state estimation, offline parameter identification, etc. | Can find the best functional match for the data by minimizing the sum of squares of errors | Easy to saturate data, unable to realize online parameter identification |
| PSO | State estimation, online parameter identification, etc. | High precision, a simple calculation | Easy local convergence, slow convergence speed, difficult multi-parameter identification, and weak global search capability |
| CPSO | State estimation, online parameter identification, etc. | High precision, complex computation, strong global search capability | Easy to converge locally, slow convergence speed |
| WOA | State prediction, multi-objective optimization, fault diagnosis, etc. | High precision, fast convergence, simple computation, and strong global search ability | Still have a local convergence problem |
Disclaimer/Publisher’s Note: The statements, opinions and data contained in all publications are solely those of the individual author(s) and contributor(s) and not of MDPI and/or the editor(s). MDPI and/or the editor(s) disclaim responsibility for any injury to people or property resulting from any ideas, methods, instructions or products referred to in the content. |
© 2023 by the authors. Licensee MDPI, Basel, Switzerland. This article is an open access article distributed under the terms and conditions of the Creative Commons Attribution (CC BY) license (https://creativecommons.org/licenses/by/4.0/).
Share and Cite
Li, Y.; Zeng, Y.; Qian, J.; Yang, F.; Xie, S. Parameter Identification of DFIG Converter Control System Based on WOA. Energies 2023, 16, 2618. https://doi.org/10.3390/en16062618
Li Y, Zeng Y, Qian J, Yang F, Xie S. Parameter Identification of DFIG Converter Control System Based on WOA. Energies. 2023; 16(6):2618. https://doi.org/10.3390/en16062618
Chicago/Turabian StyleLi, Youtao, Yun Zeng, Jing Qian, Fanjie Yang, and Shihao Xie. 2023. "Parameter Identification of DFIG Converter Control System Based on WOA" Energies 16, no. 6: 2618. https://doi.org/10.3390/en16062618
APA StyleLi, Y., Zeng, Y., Qian, J., Yang, F., & Xie, S. (2023). Parameter Identification of DFIG Converter Control System Based on WOA. Energies, 16(6), 2618. https://doi.org/10.3390/en16062618

