Probabilistic Power Flow Method for Hybrid AC/DC Grids Considering Correlation among Uncertainty Variables
Abstract
1. Introduction
- (1)
- The PPF algorithm based on the van der Waerden scores and diffusion kernel density estimation (DKDE) is proposed for the first time, which can maintain computational accuracy while reducing the number of samples.
- (2)
- The approximation errors of the ILHS algorithm for correlation coefficients and statistical characteristics of random variables are examined according to different sampling numbers and sample correlation scenarios.
- (3)
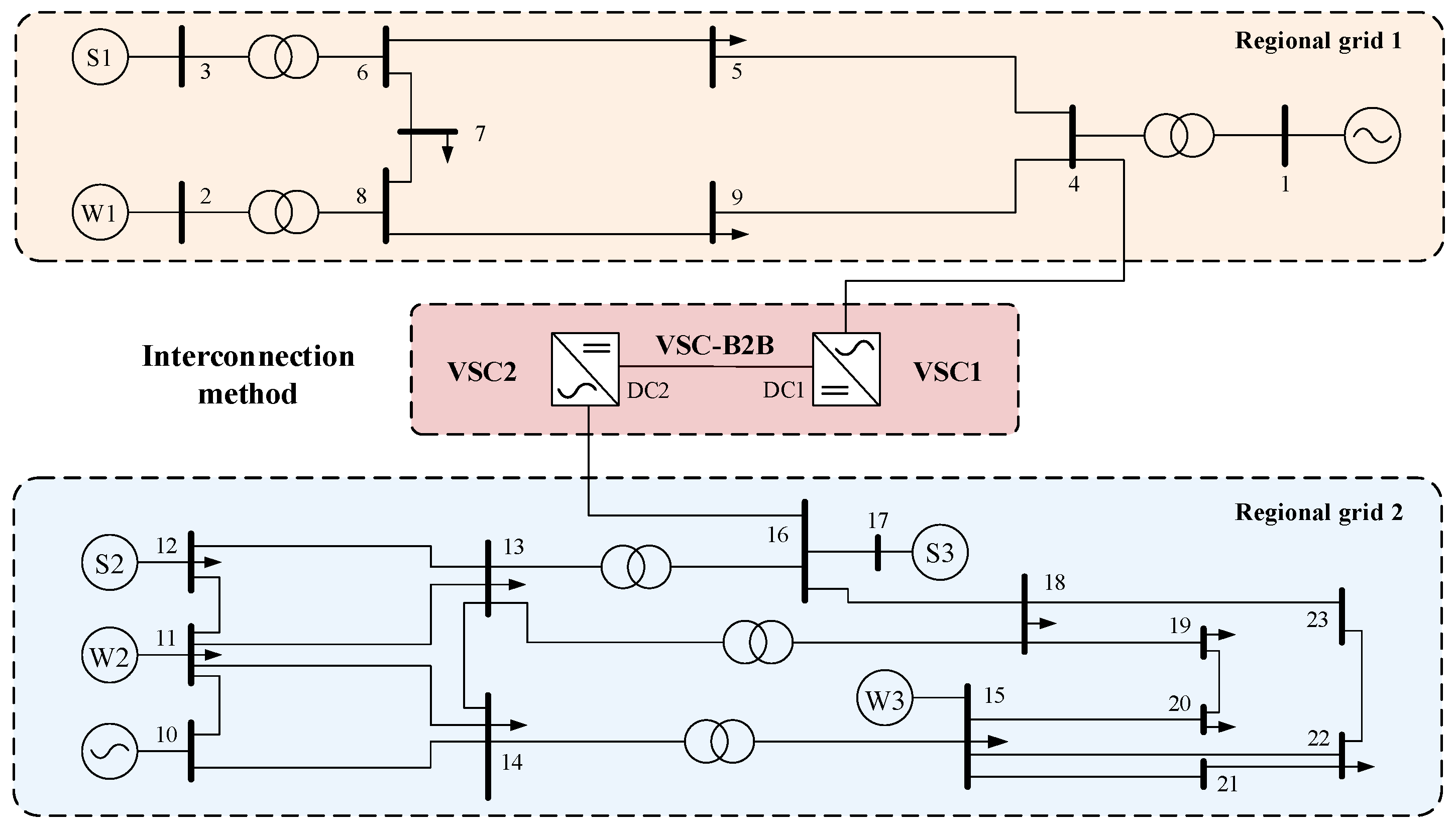
- The approximation degree of the proposed PPF to the probabilistic properties of each state variable and the performance of the operation under severe operation scenarios are analyzed with AC/DC interconnected grid topology cases.
2. Steady-State Model of AC/VSC-HVDC Hybrid Grids
2.1. AC Grid Model
2.2. VSC Station Model
2.3. DC Grid Model
2.4. Mathematical Relationship of Interaction between AC and DC Grids
- (1)
- Power transfer between the AC grid and the VSC:
- (2)
- Power transfer between the DC grid and the VSC:
3. Improved Latin Hypercube Sampling Method
3.1. Procedure for Solving Probabilistic Power Flow of Hybrid AC/DC Power Grid
3.2. The Evaluation Index of the Sampling Accuracy
3.3. The Precision Measurement Index of the Probabilistic Power Flow Methods
4. Result and Discussion
4.1. Sampling Performance Evaluation of the Proposed Algorithm for Uncertain Variables
4.2. The Performance Evaluation of the Proposed Method
4.3. The Robustness Evaluation of the Proposed Algorithm
5. Conclusions
- (1)
- In terms of the approximate accuracy of sample statistics, the proposed method far exceeds the LHS and the Nataf. At the same time, the ILHS algorithm can still maintain the fitting accuracy in the range of 0.015% to 2.01% in the error test of sample size reduction and the robustness test of dataset correlation change.
- (2)
- The effectiveness of the proposed method is evaluated in the case of an interconnected grid consisting of IEEE 9-bus and IEEE 14-bus. During the comparison with the calculation errors of the LHS and Nataf algorithms, the ILHS method shows greater approximation accuracy for the AC state variables and the VSC stations’ related variables.
- (3)
- The computing performance of the proposed algorithm under different severe scenarios is investigated in a modified IEEE 66-bus test system based on the B2B-VSC structure. The ILHS algorithm can ensure that the accuracy is maintained and least disturbed among the three algorithms even when the magnitude of the load fluctuations and the dimensionality of the random variables increase.
Author Contributions
Funding
Data Availability Statement
Acknowledgments
Conflicts of Interest
References
- Bouckaert, S.; Pales, A.F.; McGlade, C.; Remme, U.; Wanner, B.; Varro, L.; D’Ambrosio, D.; Spencer, T.; Hosker, E.; Justus, D. (Eds.) Net Zero by 2050—A Roadmap for the Global Energy Sector, 4th ed.; International Energy Agency: Paris, France, 2021.
- Pennock, S.; Coles, D.; Angeloudis, A.; Bhattacharya, S.; Jeffrey, H. Temporal complementarity of marine renewables with wind and solar generation: Implications for GB system benefits. Appl. Energy 2022, 319, 119276. [Google Scholar] [CrossRef]
- Drucke, J.; Borsche, M.; James, P.; Kaspar, F.; Pfeifroth, U.; Ahrens, B.; Trentmann, J. Climatological analysis of solar and wind energy in Germany using the Grosswetterlagen classification. Renew. Energy 2021, 164, 1254–1266. [Google Scholar] [CrossRef]
- Long, B.; Jeong, T.W.; Lee, J.D.; Jung, Y.C.; Chong, K.T. Energy Management of a Hybrid AC-DC Micro-Grid Based on a Battery Testing System. Energies 2015, 8, 1181–1194. [Google Scholar] [CrossRef]
- Hosseinzadeh, M.; Salmasi, F.R. Robust Optimal Power Management System for a Hybrid AC/DC Micro-Grid. IEEE Trans Sustain. Energy 2015, 6, 675–687. [Google Scholar] [CrossRef]
- Gabbar, H.A.; El-Hendawi, M.; El-Saady, G.; Ibrahim, E.N.A. Supervisory controller for power management of AC/DC microgrid. In Proceedings of the 2016 IEEE International Conference on Smart Energy Grid Engineering (SEGE), Oshava, ON, Canada, 21–24 August 2016; pp. 147–152. [Google Scholar] [CrossRef]
- Liu, B.X.; Lund, J.R.; Liao, S.L.; Jin, X.Y.; Liu, L.J.; Cheng, C.T. Optimal power peak shaving using hydropower to complement wind and solar power uncertainty. Energy Convers. Manag. 2020, 209, 112628. [Google Scholar] [CrossRef]
- Schindler, D.; Schmidt-Rohr, S.; Jung, C. On the spatiotemporal complementarity of the European onshore wind resource. Energy Convers. Manag. 2021, 237, 114098. [Google Scholar] [CrossRef]
- Mazzeo, D.; Matera, N.; De Luca, P.; Baglivo, C.; Congedo, P.M.; Oliveti, G. A literature review and statistical analysis of photovoltaic-wind hybrid renewable system research by considering the most relevant 550 articles: An upgradable matrix literature database. J. Clean. Prod. 2021, 295, 126070. [Google Scholar] [CrossRef]
- Li, H.; Zhang, Z.; Yin, X.G. A Novel Probabilistic Power Flow Algorithm Based on Principal Component Analysis and High-Dimensional Model Representation Techniques. Energies 2020, 13, 3520. [Google Scholar] [CrossRef]
- Ramadhani, U.H.; Shepero, M.; Munkhammar, J.; Widen, J.; Etherden, N. Review of probabilistic load flow approaches for power distribution systems with photovoltaic generation and electric vehicle charging. Int. J. Electr. Power Energy Syst. 2020, 120, 106003. [Google Scholar] [CrossRef]
- Sun, Y.F.; Xia, D.P.; Gao, Z.C.; Wang, Z.H.; Li, G.Q.; Lu, W.H.; Wu, X.G.; Li, Y. Probabilistic load flow calculation of AC/DC hybrid system based on cumulant method. Int. J. Electr. Power Energy Syst. 2022, 139, 107998. [Google Scholar] [CrossRef]
- Misurovic, F.; Mujovic, S. Numerical Probabilistic Load Flow Analysis in Modern Power Systems with Intermittent Energy Sources. Energies 2022, 15, 2038. [Google Scholar] [CrossRef]
- Singh, V.; Moger, T.; Jena, D. Uncertainty handling techniques in power systems: A critical review. Electr. Power Syst. Res. 2022, 203, 107633. [Google Scholar] [CrossRef]
- Abbasi, A.R. Comparison parametric and non-parametric methods in probabilistic load flow studies for power distribution networks. Electr. Eng. 2022, 104, 3943–3954. [Google Scholar] [CrossRef]
- Allahvirdizadeh, Y.; Galvani, S.; Shayanfar, H.; Moghaddam, M.P. Risk-averse scheduling of an energy hub in the presence of correlated uncertain variables considering time of use and real-time pricing-based demand response programs. Energy Sci. Eng. 2022, 10, 1343–1372. [Google Scholar] [CrossRef]
- Wang, W.; Huang, Y.F.; Yang, M.; Chen, C.Y.; Zhang, Y.M.; Xu, X.M. Renewable energy sources planning considering approximate dynamic network reconfiguration and nonlinear correlations of uncertainties in distribution network. Int. J. Electr. Power Energy Syst. 2022, 139, 107791. [Google Scholar] [CrossRef]
- Zhang, D.L.; Jiang, S.Y.; Liu, J.X.; Wang, L.Z.; Chen, Y.C.; Xiao, Y.X.; Jiao, S.C.; Xie, Y.; Zhang, Y.; Li, M.C. Stochastic Optimization Operation of the Integrated Energy System Based on a Novel Scenario Generation Method. Processes 2022, 10, 330. [Google Scholar] [CrossRef]
- Galvani, S.; Mohammadi-Ivatloo, B.; Nazari-Heris, M.; Rezaeian-Marjani, S. Optimal allocation of static synchronous series compensator (SSSC) in wind-integrated power system considering predictability. Electr. Power Syst. Res. 2021, 191, 106871. [Google Scholar] [CrossRef]
- Zhu, J.Z.; Zhang, Y. Probabilistic load flow with correlated wind power sources using a frequency and duration method. IET Gener. Transm. Distrib. 2019, 13, 4158–4170. [Google Scholar] [CrossRef]
- Mei, F.; Zhang, J.T.; Lu, J.X.; Lu, J.J.; Jiang, Y.H.; Gu, J.Q.; Yu, K.; Gan, L. Stochastic optimal operation model for a distributed integrated energy system based on multiple-scenario simulations. Energy 2021, 219, 119629. [Google Scholar] [CrossRef]
- Xie, Y.L.; Xu, Y. Transmission Expansion Planning Considering Wind Power and Load Uncertainties. Energies 2022, 15, 7140. [Google Scholar] [CrossRef]
- Cai, J.L.; Hao, L.L.; Xu, Q.S.; Zhang, K.Q. Reliability assessment of renewable energy integrated power systems with an extendable Latin hypercube importance sampling method. Sustain. Energy Technol. Assess. 2022, 50, 101792. [Google Scholar] [CrossRef]
- Cao, J.; Du, W.J.; Wang, H.F.F.; Bu, S.Q. Minimization of Transmission Loss in Meshed AC/DC Grids With VSC-MTDC Networks. IEEE Trans. Power Syst. 2013, 28, 3047–3055. [Google Scholar] [CrossRef]
- Aleixo, S.M.; Teles, J. Weighting Lower and Upper Ranks Simultaneously Through Rank-Order Correlation Coefficients. In Proceedings of the 18th International Conference on Computational Science and Its Applications (ICCSA), Melbourne, VIC, Australia, 2–5 July 2018; pp. 318–334. [Google Scholar] [CrossRef]
- Botev, Z.I.; Grotowski, J.F.; Kroese, D.P. Kernel Density Estimation Via Diffusion. Ann. Stat. 2010, 38, 2916–2957. [Google Scholar] [CrossRef]
- Jani, H.K.; Kachhwaha, S.S.; Nagababu, G.; Das, A. Temporal and spatial simultaneity assessment of wind-solar energy resources in India by statistical analysis and machine learning clustering approach. Energy 2022, 248, 123586. [Google Scholar] [CrossRef]
- Khorramdel, B.; Chung, C.Y.; Safari, N.; Price, G.C.D. A Fuzzy Adaptive Probabilistic Wind Power Prediction Framework Using Diffusion Kernel Density Estimators. IEEE Trans. Power Syst. 2018, 33, 7109–7121. [Google Scholar] [CrossRef]
- Zhang, J.; Fan, L.Q.; Zhang, Y.; Yao, G.; Yu, P.J.; Xiong, G.J.; Meng, K.; Chen, X.P.; Dong, Z.Y. A Probabilistic Assessment Method for Voltage Stability Considering Large Scale Correlated Stochastic Variables. IEEE Access 2020, 8, 5407–5415. [Google Scholar] [CrossRef]
- Jithendranath, J.; Das, D.; Guerrero, J.M. Probabilistic optimal power flow in islanded microgrids with load, wind and solar uncertainties including intermittent generation spatial correlation. Energy 2021, 222, 119847. [Google Scholar] [CrossRef]
- Nosratabadi, H.; Mohammadi, M.; Kargarian, A. Nonparametric Probabilistic Unbalanced Power Flow with Adaptive Kernel Density Estimator. IEEE Trans. Smart Grid. 2019, 10, 3292–3300. [Google Scholar] [CrossRef]
- Alzubaidi, M.; Hasan, K.N.; Meegahapola, L. Impact of Probabilistic Modelling of Wind Speed on Power System Voltage Profile and Voltage Stability Analysis. Electr. Power Syst. Res. 2022, 206, 107807. [Google Scholar] [CrossRef]














| VSC1 | VSC2 | |
|---|---|---|
| Ztf/p.u. | 0.0015 + 0.1121j | 0.0015 + 0.1121j |
| Bf/p.u. | 0.0887 | 0.0887 |
| Zc/p.u. | 0.0001 + 0.1643j | 0.0001 + 0.1643j |
| Control models | Ps1 − Qs1 | Udc2 − Us2 |
| Control parameters/p.u. | Ps1 = 1.2 Qs1 = 0.4 | Udc2 = 1.0 Us2 = 1.01 |
| Test Variables | The Mean Error % | The Standard Deviation Error % | ||||
|---|---|---|---|---|---|---|
| ILHS | LHS | NATAF | ILHS | LHS | NATAF | |
| Vdc1 | 0.0024 | 0.0363 | 0.0829 | 0.0122 | 0.149 | 25.8 |
| Vca1 | 0.17 | 2.45 | 4.24 | 0.0565 | 0.25 | 23.3 |
| Vca2 | 0.25 | 2.86 | 12.5 | 0.19 | 0.28 | 0.72 |
| Pdc | 0.42 | 2.14 | 11.8 | 0.0419 | 0.097 | 19.3 |
| VSC1 | VSC2 | |
|---|---|---|
| Control models | Ps1 − Qs1 | Udc2 − Us2 |
| Control parameters/p.u. | Ps1 = 1.2 Qs1 = 0.2 | Udc2 = 1.0 Us2 = 1.004 |
| The Dimensions of the Random Variable | The RMSE of Pn | ||
|---|---|---|---|
| NATAF | LHS | ILHS | |
| 6 | 0.023 | 0.02 | 0.0141 |
| 12 | 0.0417 | 0.0218 | 0.0208 |
| 24 | 0.0507 | 0.0288 | 0.0226 |
| 48 | 0.0607 | 0.0403 | 0.0252 |
Disclaimer/Publisher’s Note: The statements, opinions and data contained in all publications are solely those of the individual author(s) and contributor(s) and not of MDPI and/or the editor(s). MDPI and/or the editor(s) disclaim responsibility for any injury to people or property resulting from any ideas, methods, instructions or products referred to in the content. |
© 2023 by the authors. Licensee MDPI, Basel, Switzerland. This article is an open access article distributed under the terms and conditions of the Creative Commons Attribution (CC BY) license (https://creativecommons.org/licenses/by/4.0/).
Share and Cite
Xia, X.; Xiao, L. Probabilistic Power Flow Method for Hybrid AC/DC Grids Considering Correlation among Uncertainty Variables. Energies 2023, 16, 2547. https://doi.org/10.3390/en16062547
Xia X, Xiao L. Probabilistic Power Flow Method for Hybrid AC/DC Grids Considering Correlation among Uncertainty Variables. Energies. 2023; 16(6):2547. https://doi.org/10.3390/en16062547
Chicago/Turabian StyleXia, Xiaotian, and Liye Xiao. 2023. "Probabilistic Power Flow Method for Hybrid AC/DC Grids Considering Correlation among Uncertainty Variables" Energies 16, no. 6: 2547. https://doi.org/10.3390/en16062547
APA StyleXia, X., & Xiao, L. (2023). Probabilistic Power Flow Method for Hybrid AC/DC Grids Considering Correlation among Uncertainty Variables. Energies, 16(6), 2547. https://doi.org/10.3390/en16062547

