A Discrete Electrical Model for Photovoltaic Solar Cells—d1MxP
Abstract
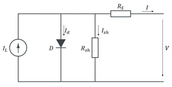
1. Introduction
2. Methodology
3. Model Evaluation and Validation
3.1. I-V and P-V Curves from d1MxP and 1M5P Models
3.2. Results Analysis
4. Conclusions
Author Contributions
Funding
Institutional Review Board Statement
Informed Consent Statement
Data Availability Statement
Acknowledgments
Conflicts of Interest
References
- Marques Lameirinhas, R.A.; Torres, J.P.N.; de Melo Cunha, J.P. A Photovoltaic Technology Review: History, Fundamentals and Applications. Energies 2022, 15, 1823. [Google Scholar] [CrossRef]
- El Chaar, L.; Lamont, L.A.; El Zein, N. Review of photovoltaic technologies. Renew. Sustain. Energy Rev. 2011, 15, 2165–2175. [Google Scholar] [CrossRef]
- Zaini, N.H.; Ab Kadir, M.Z.; Izadi, M.; Ahmad, N.I.; Radzi, M.A.M.; Azis, N. The effect of temperature on a mono-crystalline solar PV panel. In Proceedings of the 2015 IEEE Conference on Energy Conversion (CENCON), Johor Bahru, Malaysia, 19–20 October 2015. [Google Scholar] [CrossRef]
- Antunes Alves dos Santos, S.; Torres, J.P.N.; Fernandes, C.A.F.; Marques Lameirinhas, R.A. The impact of aging of solar cells on the performance of photovoltaic panels. Energy Convers. Manag. X 2021, 10, 100082. [Google Scholar] [CrossRef]
- Sinke, W.C. Development of photovoltaic technologies for global impact. Renew. Energy 2019, 138, 911–914. [Google Scholar] [CrossRef]
- Asdrubali, F.; Desideri, U. Chapter 7—High Efficiency Plants and Building Integrated Renewable Energy Systems. In Handbook of Energy Efficiency in Buildings; Elsevier: Amsterdam, The Netherlands, 2019. [Google Scholar] [CrossRef]
- Pinho Correia Valério Bernardo, C.; Marques Lameirinhas, R.A.; Neto Torres, J.P.; Baptista, A. Comparative analysis between traditional and emerging technologies: Economic and viability evaluation in a real case scenario. Mater. Renew. Sustain. Energy 2023. [Google Scholar] [CrossRef]
- Alves, T.; N. Torres, J.P.; Marques Lameirinhas, R.A.; F. Fernandes, C.A. Different Techniques to Mitigate Partial Shading in Photovoltaic Panels. Energies 2021, 14, 3863. [Google Scholar] [CrossRef]
- De Melo Cunha, J.P.; Marques Lameirinhas, R.A.; N. Torres, J.P. Multi-Junction Solar Cells and Nanoantennas. Nanomaterials 2022, 12, 3173. [Google Scholar] [CrossRef] [PubMed]
- Green, M.A. Silicon photovoltaic modules: A brief history of the first 50 years. Prog. Photovoltaics Res. Appl. 2005, 13, 447–455. [Google Scholar] [CrossRef]
- Rui, C.; Silva, M. Experimental and Theoretical Validation of One Diode and Three Parameters–Based PV Models. Energies 2021, 14, 2140. [Google Scholar] [CrossRef]
- Yuqiang, L.; Li, Y.; Wu, Y.; Yang, G.; Mazzarella, L.; Procel-Moya, P.; Tamboli, A.C.; Weber, K.; Boccard, M.; Isabella, O.; et al. High-Efficiency Silicon Heterojunction Solar Cells: Materials, Devices and Applications. Mater. Sci. Eng. Rep. 2020, 147, 100579. [Google Scholar]
- Firoz, K.; Singh, S.N.; Husain, M. Effect of illumination intensity on cell parameters of a silicon solar cell. Sol. Energy Mater. Sol. Cells 2010, 94, 1473–1476. [Google Scholar] [CrossRef]
- Zhaoxu, S.; Kun, F.; Xiaofang, S.; Ying, L.; Wei, L.; Chuanzhong, X.; Gongyi, H.; Fei, Y. An Effective Method to Accurately Extract the Parameters of Single Diode Model of Solar Cells. Nanomaterials 2021, 11, 2615. [Google Scholar] [CrossRef]
- Skoplaki, E.; Palyvos, J.A. On the temperature dependence of photovoltaic module electrical performance: A review of efficiency/power correlations. Solar Energy 2009, 83, 614–624. [Google Scholar] [CrossRef]
- Babu, B.C.; Gurjar, S. A Novel Simplified Two-Diode Model of Photovoltaic (PV) Module. IEEE J. Photovoltaics 2014, 4, 1156–1161. [Google Scholar] [CrossRef]
- Ortiz-Conde, A.; Lugo-Muñoz, D.; García-Sánchez, F.J. An Explicit Multiexponential Model as an Alternative to Traditional Solar Cell Models With Series and Shunt Resistances. IEEE J. Photovoltaics 2012, 2, 61–268. [Google Scholar] [CrossRef]
- De Oliveira Santos, L.; de Carvalho, P.C.M.; de Oliveira Carvalho Filho, C. Photovoltaic Cell Operating Temperature Models: A Review of Correlations and Parameters. IEEE J. Photovoltaics 2022, 12, 179–190. [Google Scholar] [CrossRef]
- Subhash, C.; Purohit, A.; Sharma, A.; Nehra, S.P.; Dhaka, M.S. Impact of temperature on performance of series and parallel connected mono-crystalline silicon solar cells. Energy Rep. 2015, 1, 175–180. [Google Scholar] [CrossRef]
- Singh, P.; Ravindra, N.M. Temperature dependence of solar cell performance—An analysis. Sol. Energy Mater. Sol. Cells 2012, 101, 36–45. [Google Scholar] [CrossRef]















| N | [] | [V] |
|---|---|---|
| 1 | 89.217 | 0 |
| 2 | 46.209 | 0.071 |
| 3 | 11.384 | 0.376 |
| 4 | 20.753 | 0.410 |
| 5 | 2.712 | 0.438 |
| 6 | 44.543 | 0.456 |
| 7 | 6.249 | 0.470 |
| 8 | 12.856 | 0.483 |
| 9 | 4.027 | 0.492 |
| 10 | 6.990 | 0.504 |
| 11 | 27.201 | 0.510 |
| 12 | 39.350 | 0.517 |
| N | [] | [V] |
|---|---|---|
| 1 | 46.922 | 0 |
| 2 | 74.154 | 0.063 |
| 3 | 6.962 | 0.335 |
| 4 | 15.527 | 0.358 |
| 5 | 83.059 | 0.382 |
| 6 | 57.348 | 0.400 |
| 7 | 6.109 | 0.432 |
| 8 | 8.989 | 0.447 |
| 9 | 2.863 | 0.457 |
| 10 | 8.541 × 10 | 0.466 |
| 11 | 6.913 | 0.475 |
| 12 | 11.212 | 0.481 |
| 13 | 18.802 | 0.496 |
| 14 | 76.934 | 0.502 |
| 15 | 14.072 | 0.508 |
| N | [] | [V] |
|---|---|---|
| 1 | 34.145 | 0 |
| 2 | 66.247 | 0.055 |
| 3 | 22.506 | 0.280 |
| 4 | 22.244 | 0.369 |
| 5 | 4.244 | 0.392 |
| 6 | 6.534 | 0.409 |
| 7 | 4.813 | 0.437 |
| 8 | 6.831 | 0.447 |
| 9 | 14.223 | 0.463 |
| 10 | 5.216 | 0.470 |
| 11 | 11.058 | 0.487 |
| 12 | 20.481 | 0.503 |
| N | [] | [V] |
|---|---|---|
| 1 | 35.026 | 0 |
| 2 | 32.910 | 0.047 |
| 3 | 10.928 | 0.252 |
| 4 | 9.728 | 0.332 |
| 5 | 4.390 | 0.391 |
| 6 | 10.680 | 0.421 |
| 7 | 2.819 | 0.436 |
| 8 | 4.830 | 0.463 |
| 9 | 5.982 | 0.486 |
| d1MxP | 1M5P | (%) | ||
|---|---|---|---|---|
| T = 25 °C | [W] | 0.0900 | 0.0905 | 0.55 |
| [V] | 0.4383 | 0.4281 | 2.38 | |
| [A] | 0.2053 | 0.2115 | 2.93 | |
| T = 40 °C | [W] | 0.0867 | 0.0897 | 3.35 |
| [V] | 0.4322 | 0.4107 | 5.24 | |
| [A] | 0.2005 | 0.2184 | 8.20 | |
| T = 50 °C | [W] | 0.0863 | 0.0873 | 1.15 |
| [V] | 0.4087 | 0.3958 | 3.26 | |
| [A] | 0.2111 | 0.2206 | 4.31 | |
| T = 60 °C | [W] | 0.0799 | 0.0818 | 2.32 |
| [V] | 0.3913 | 0.3702 | 5.70 | |
| [A] | 0.2042 | 0.2209 | 7.56 | |
| Data (Ref. [19]) | d1MxP | (%) | |
|---|---|---|---|
| T = 25 °C | 0.7044 | 0.8917 | 26.59 |
| T = 40 °C | 0.6900 | 0.8803 | 27.58 |
| T = 50 °C | 0.6644 | 0.8750 | 31.70 |
| T = 60 °C | 0.6292 | 0.8556 | 35.98 |
Disclaimer/Publisher’s Note: The statements, opinions and data contained in all publications are solely those of the individual author(s) and contributor(s) and not of MDPI and/or the editor(s). MDPI and/or the editor(s) disclaim responsibility for any injury to people or property resulting from any ideas, methods, instructions or products referred to in the content. |
© 2023 by the authors. Licensee MDPI, Basel, Switzerland. This article is an open access article distributed under the terms and conditions of the Creative Commons Attribution (CC BY) license (https://creativecommons.org/licenses/by/4.0/).
Share and Cite
Torres, J.P.N.; Marques Lameirinhas, R.A.; Correia V. Bernardo, C.P.; Veiga, H.I.; dos Santos, P.M. A Discrete Electrical Model for Photovoltaic Solar Cells—d1MxP. Energies 2023, 16, 2018. https://doi.org/10.3390/en16042018
Torres JPN, Marques Lameirinhas RA, Correia V. Bernardo CP, Veiga HI, dos Santos PM. A Discrete Electrical Model for Photovoltaic Solar Cells—d1MxP. Energies. 2023; 16(4):2018. https://doi.org/10.3390/en16042018
Chicago/Turabian StyleTorres, João Paulo N., Ricardo A. Marques Lameirinhas, Catarina P. Correia V. Bernardo, Helena Isabel Veiga, and Pedro Mendonça dos Santos. 2023. "A Discrete Electrical Model for Photovoltaic Solar Cells—d1MxP" Energies 16, no. 4: 2018. https://doi.org/10.3390/en16042018
APA StyleTorres, J. P. N., Marques Lameirinhas, R. A., Correia V. Bernardo, C. P., Veiga, H. I., & dos Santos, P. M. (2023). A Discrete Electrical Model for Photovoltaic Solar Cells—d1MxP. Energies, 16(4), 2018. https://doi.org/10.3390/en16042018

