A Fractional Order Controller for Sensorless Speed Control of an Induction Motor
Abstract
1. Introduction
2. Literature Review
Contributions of the Proposed Work
- Speed control of an induction motor by designing three fractional order controllers for flux, speed, and torque along with space vector modulation (SVM) for ripple reduction.
- Reference speed tracking, which provides tracking with less rise time, settling time, and overshoot Speed tracking covers a wide range, e.g., low to high, high to low, and again high. The speed reversal tracking (anti-clockwise rotation) of the three-phase induction motor is also highlighted.
- The state estimation concept for a sensor-free system is provided. The induction motor model is extended by adding two more states: speed and load torque. The EKF estimator is designed for sensorless control, which provides ideal filtering of noise and estimates states with minimal error.
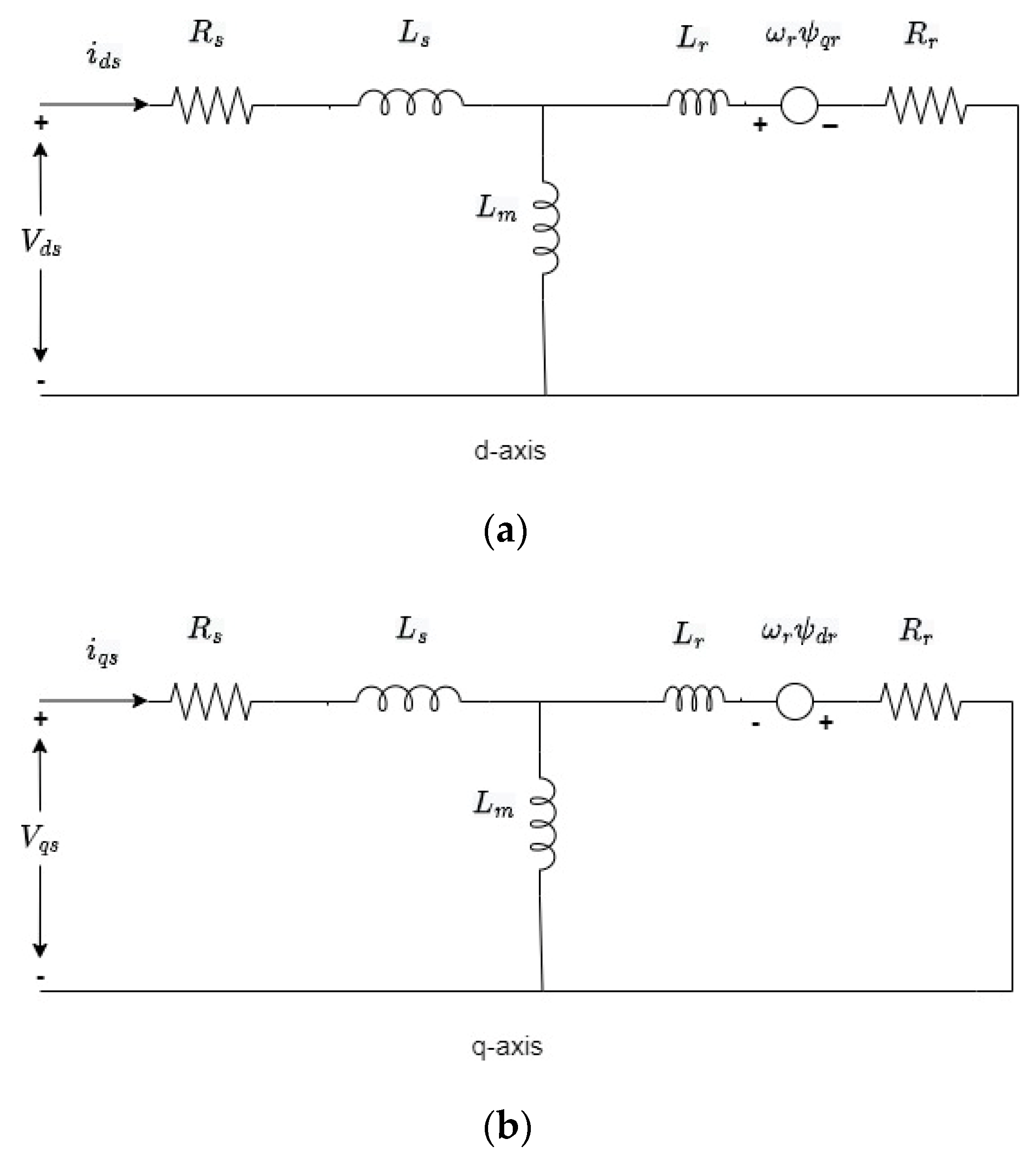
3. Three-Phase Induction Motor
State Space Model
4. Control Strategy
- The estimated torque, speed, and flux signal are subtracted from the reference signal.
- The difference between the reference and estimated signal (error signal) is then acting as input to the controller.
- The reference signal is converted into (α, β) coordinate system. Using Clark transformation and the knowledge of line voltage, current, and voltage in a stationary frame of reference are obtained. Clark and Inverse Clark transformation matrices are given in (16) and (17).
- After modulation, the signal is then fed into the inverter.
Fractional−Order Controller
5. Extended Kalman Filter (EKF)
EKF Algorithm
6. Space Vector Modulation
7. Results and Discussion
- Motor speed has been changed from 0 Revolutions per Minute (RPM) to 1000 RPM using a step function,
- Motor speed is changed from 0 to 1000 RPM using a step signal and then it is suddenly reversed to −1000 RPM, i.e., it operated to 1000 RPM in opposite direction,
- Motor speed is kept constant for 0.5 s and is then increased linearly with time to 487 RPM,
- Motor speed is kept constant at 0 RPM for 1 s and then is increased to 500 RPM. It is kept constant at that speed for 1.5 s and is then suddenly increased to 1400 RPM. After keeping constant at 1400 RPM, it has been decreased to 0 RMP and is then increased to 500 RPM after being kept constant for 1 s.
8. Conclusions
Author Contributions
Funding
Data Availability Statement
Conflicts of Interest
References
- Kolhe, M.S.; Tapre, M.P.C. Condition Monitoring & Control of Induction Motors by using IoT Platform for Agriculture System. Int. J. Eng. Res. Technol. 2019, 8, 1043–1045. [Google Scholar]
- Ramesh, A.; Kumar, M.S.; Sekhar, O.C. Interleaved boost converter fed with PV for induction motor/agricultural applications. Int. J. Power Electron. Drive Syst. 2016, 7, 835. [Google Scholar] [CrossRef]
- Martins, C.A.; Carvalho, A.S. Technological trends in induction motor electrical drives. IEEE Porto Power Tech Proc. 2001, 2, 7. [Google Scholar]
- Behrooz, F.; Mariun, N.; Marhaban, M.H.; Radzi, M.A.M.; Ramli, A.R. Review of control techniques for HVAC systems—Nonlinearity approaches based on Fuzzy cognitive maps. Energies 2018, 11, 495. [Google Scholar] [CrossRef]
- El Ouanjli, N.; Derouich, A.; El Ghzizal, A. Modern improvement techniques of direct torque control for induction motor drives-a review. Prot. Control Mod. Power Syst. 2019, 4, 1–12. [Google Scholar] [CrossRef]
- Vas, P.; Alakula, M. Field-oriented control of saturated induction machines. IEEE Trans. Energy Convers. 1990, 5, 218–224. [Google Scholar] [CrossRef]
- Depenbrock, M. Direct self-control (DSC) of inverter fed induktion machine. IEEE Power Electron. Spec. Conf. 1987, 3, 632–641. [Google Scholar]
- Takahashi, I.; Noguchi, T. A new quick-response and high-efficiency control strategy of an induction motor. IEEE Trans. Ind. Appl. 1986, 5, 820–827. [Google Scholar] [CrossRef]
- Casadei, D.; Profumo, F.; Serra, G.; Tani, A. FOC and DTC: Two viable schemes for induction motors torque control. IEEE Trans. Power Electron. 2002, 17, 779–787. [Google Scholar] [CrossRef]
- Lai, Y.-S.; Chen, J.-H. A new approach to direct torque control of induction motor drives for constant inverter switching frequency and torque ripple reduction. IEEE Trans. Energy Convers. 2001, 16, 220–227. [Google Scholar]
- Lin, F.-J.; Wai, R.-J. Hybrid control using recurrent fuzzy neural network for linear induction motor servo drive. IEEE Trans. Fuzzy Syst. 2001, 9, 102–115. [Google Scholar]
- Ahn, T.-C.; Kwon, Y.-W.; Hwang, H.-S.; Pedrycz, W. Design of neuro-fuzzy controller on DSP for real-time control of induction motors. In Proceedings of the 9th IFSA World Congress and 20th NAFIPS International Conference, Vancouver, BC, Canada, 25–28 July 2002; pp. 3038–3043. [Google Scholar]
- Moallem, M.; Mirzaeian, B.; Mohammed, O.A.; Lucas, C. Multi-objective genetic-fuzzy optimal design of PI controller in the indirect field oriented control of an induction motor. IEEE Trans. Magn. 2001, 37, 3608–3612. [Google Scholar] [CrossRef]
- Habibullah, M.; Lu, D.D.-C.; Xiao, D.; Rahman, M.F. A simplified finite-state predictive direct torque control for induction motor drive. IEEE Trans. Ind. Electron. 2016, 63, 3964–3975. [Google Scholar] [CrossRef]
- Wróbel, K.; Serkies, P.; Szabat, K. Model predictive base direct speed control of induction motor drive—Continuous and finite set approaches. Energies 2020, 13, 1193. [Google Scholar] [CrossRef]
- Ammar, A.; Bourek, A.; Benakcha, A. Modified load angle Direct Torque Control for sensorless induction motor using sliding mode flux observer. In Proceedings of the 4th International Conference on Electrical Engineering (ICEE), Boumerdes, Algeria, 13–15 December 2015; pp. 1–6. [Google Scholar]
- Azcue-Puma, J.L.; Filho, A.J.S.; Ruppert, E. The fuzzy logic-based stator-flux-oriented direct torque control for three-phase asynchronous motor. J. Control Autom. Electr. Syst. 2014, 25, 46–54. [Google Scholar] [CrossRef]
- Barambones, O.; Alkorta, P. Position control of the induction motor using an adaptive sliding-mode controller and observers. IEEE Trans. Ind. Electron. 2014, 61, 6556–6565. [Google Scholar] [CrossRef]
- Zelechowski, M.; Kazmierkowski, M.P.; Blaabjerg, F. Controller design for direct torque controlled space vector modulated (DTC-SVM) induction motor drives. In Proceedings of the IEEE International Symposium on Industrial Electronics, Dubrovnik, Croatia, 20–23 June 2005; Volume 3, pp. 951–956. [Google Scholar]
- Ferdiansyah, I.; Rusli, M.R.; Praharsena, B.; Toar, H.; Purwanto, E. Speed control of three phase induction motor using indirect field oriented control based on real-time control system. In Proceedings of the 10th International Conference on Information Technology and Electrical Engineering (ICITEE), Bali, Indonesia, 24–26 July 2018; pp. 438–442. [Google Scholar]
- Manes, C.; Parasiliti, F.; Tursini, M. A comparative study of rotor flux estimation in induction motors with a nonlinear observer and the extended Kalman filter. In Proceedings of the IECON’94–20th Annual Conference of IEEE Industrial Electronics, Bologna, Italy, 5–9 September 1994; Volume 3, pp. 2149–2154. [Google Scholar]
- Lascu, C.; Boldea, I.; Blaabjerg, F. Direct torque control of sensorless induction motor drives: A sliding-mode approach. IEEE Trans. Ind. Appl. 2004, 40, 582–590. [Google Scholar] [CrossRef]
- Talla, J.; Leu, V.Q.; Šmídl, V.; Peroutka, Z. Adaptive speed control of induction motor drive with inaccurate model. IEEE Trans. Ind. Electron. 2018, 65, 8532–8542. [Google Scholar] [CrossRef]
- Traoré, D.; Plestan, F.; Glumineau, A.; De Leon, J. Sensorless induction motor: High-order sliding-mode controller and adaptive interconnected observer. IEEE Trans. Ind. Electron. 2008, 55, 3818–3827. [Google Scholar] [CrossRef]
- Ammar, A.; Bourek, A.; Benakcha, A. Sensorless SVM-direct torque control for induction motor drive using sliding mode observers. J. Control Autom. Electr. Syst. 2017, 28, 189–202. [Google Scholar] [CrossRef]
- Zhou, M.; Cheng, S.; Feng, Y.; Xu, W.; Wang, L.; Cai, W. Full-Order Terminal Sliding-Mode-Based Sensorless Control of Induction Motor with Gain Adaptation. IEEE J. Emerg. Sel. Top. Power Electron. 2021, 10, 1978–1991. [Google Scholar] [CrossRef]
- Liu, P.; Hung, C.-Y.; Chiu, C.-S.; Lian, K.-Y. Sensorless linear induction motor speed tracking using fuzzy observers. IET Electr. Power Appl. 2011, 5, 325–334. [Google Scholar] [CrossRef]
- Cai, X.; Wang, Q.; Wang, Y.; Zhang, L. Research on a Variable-Leakage-Flux Permanent Magnet Motor Control System Based on an Adaptive Tracking Estimator. Energies 2023, 16, 587. [Google Scholar] [CrossRef]
- Alsofyani, I.M.; Idris, N.R.N. Simple flux regulation for improving state estimation at very low and zero speed of a speed sensorless direct torque control of an induction motor. IEEE Trans. Power Electron. 2015, 31, 3027–3035. [Google Scholar] [CrossRef]
- Chapman, S.J. Electric Machinery Fundamentals; McGraw-Hill: New York, NY, USA, 2004. [Google Scholar]
- Zamani, M.; Karimi-Ghartemani, M.; Sadati, N.; Parniani, M. Design of a fractional order PID controller for an AVR using particle swarm optimization. Control Eng. Pract. 2009, 17, 1380–1387. [Google Scholar] [CrossRef]
- Bingül, Z.; Karahan, O. Fractional PID controllers tuned by evolutionary algorithms for robot trajectory control. Turk. J. Electr. Eng. Comput. Sci. 2012, 20, 1123–1136. [Google Scholar] [CrossRef]
- Rajasekhar, A.; Jatoth, R.K.; Abraham, A. Design of intelligent PID/PIλDμ speed controller for chopper fed DC motor drive using opposition based artificial bee colony algorithm. Eng. Appl. Artif. Intell. 2014, 29, 13–32. [Google Scholar] [CrossRef]
- Podlubny, I. Fractional-order systems and PI/sup/spl lambda//D/sup/spl mu//-controllers. IEEE Trans. Automat. Contr. 1999, 44, 208–214. [Google Scholar] [CrossRef]
- Bingul, Z.; Karahan, O. Comparison of PID and FOPID controllers tuned by PSO and ABC algorithms for unstable and integrating systems with time delay. Optim. Control Appl. Methods 2018, 39, 1431–1450. [Google Scholar] [CrossRef]
- Vas, P. Sensorless Vector and Direct Torque Control; Oxford University Press: New York, NY, USA, 1998. [Google Scholar]
- Ge, Q.; Feng, Z. Speed estimated for vector control of induction motor using reduced-order extended Kalman filter. In Proceedings of the Third International Power Electronics and Motion Control Conference, Beijing, China, 15–18 January 2000; pp. 138–142. [Google Scholar]
- El Daoudi, S.; Lazrak, L.; Lafkih, M.A. Sliding mode approach applied to sensorless direct torque control of cage asynchronous motor via multi-level inverter. Prot. Control Mod. Power Syst. 2020, 5, 1–10. [Google Scholar] [CrossRef]
- Ammar, A.; Benakcha, A.; Bourek, A. Closed loop torque SVM-DTC based on robust super twisting speed controller for induction motor drive with efficiency optimization. Int. J. Hydrogen Energy 2017, 42, 17940–17952. [Google Scholar] [CrossRef]
- Premkumar, K.; Thamizhselvan, T.; Priya, M.V.; Carter, S.B.R.; Sivakumar, L.P. Fuzzy anti-windup pid controlled induction motor. Int. J. Eng. Adv. Technol. 2019, 9, 184–189. [Google Scholar] [CrossRef]









| Symbols | Description |
|---|---|
| Stator current along the alpha axis | |
| Stator current along the beta axis | |
| Stator current along the direct axis | |
| Stator current along the quadrature axis | |
| Stator flux along the alpha axis | |
| Stator flux along the beta axis | |
| Stator flux along the direct axis | |
| Stator flux along the quadrature axis | |
| Stator voltages along the direct axis | |
| Stator Voltage along quadrature axis | |
| Rotor current along the direct axis | |
| Rotor current along the quadrature axis | |
| Rotor flux along the direct axis | |
| Rotor flux along the quadrature axis | |
| Rotor voltages along the direct axis | |
| Rotor voltages along quadrature axis | |
| Blondel’s coefficient | |
| Electromagnetic torque | |
| Load torque | |
| Rotor speed | |
| Number of poles | |
| Frequency | |
| DC-bus voltage |
| Parameter | Symbol | Value | Unit |
|---|---|---|---|
| Resistance of stator | 6.75 | ||
| Resistance of rotor | 6.21 | ||
| Inductance of stator | 0.51 | ||
| Inductance of rotor | 0.5192 | ||
| Mutual inductance | 0.4957 | ||
| Friction coefficient | 0.002 | ||
| Inertia coefficient | 0.01240 | kg m2 | |
| Poles | 2 | - | |
| Power | 1.1 |
| Controller Parameters for Speed | |
| 2 | |
| 0.01 | |
| 0.92 | |
| 0.01 | |
| 0.85 | |
| Controller Parameters for Torque | |
| 1000 | |
| 100 | |
| 0.9 | |
| 0 | |
| 0 | |
| Controller Parameters for Flux | |
| 0.5 | |
| 1 | |
| 0.9 | |
| 0.01 | |
| 0.2 | |
| Speed Range | Time (s) | Time Delay (s) | Percent Overshoot | Comments | ||
|---|---|---|---|---|---|---|
| FOPID | PID | FOPID | PID | |||
| 0–1000 | 0 to 0.7 | 0.1 | 0.1 | 0% | 0% | Time delay same |
| 1000 to 1000 | 0.7 to 1.6 | 0.2 | 0.27 | 0% | 0% | Time delay of EKF is less (0.07 s) |
| −1000 to 1000 | 1.6 to 2 | 0.2 | 0.27 | 0% | 0% | Time delay of EKF is less (0.07 s) |
| 0 to 1000 | 0 to 0.7 | 0.07 | 0.1 | 0% | 0% | Time delay of EKF is less (0.03 s) |
| 100 to 600 | 0.7 to 1.4 | 0.02 | 0.45 | 0% | 0% | Time delay of EKF is less (0.43 s) |
| 600 to 1000 | 1.4 to 2 | 0.02 | 0.4 | 0% | 0% | Time delay of EKF is less (0.38 s) |
| 0 to 480 | 0 to 1 | 0 | 0 | 0% | 0 | This analysis is for a wide speed range. Less time delay for speed tracking highlights the fast performance of the proposed scheme. |
| 480 to 1430 | 1 to 2.5 | 0% | ||||
| 1430 to 0 | 2.5 to 4 | 0% | ||||
| 0–1430 | 4 to 5 | 0% | ||||
| 1430 to 480 | 5 to 7 | 0% | ||||
| Approach | Time Delay (s) | % Overshoot |
|---|---|---|
| Proportional integral (PI) + Slide Mode Observer (SMO) [25] | 0.1 | 0% |
| Direct Torque Control (DTC) + Slide Mode Control (SMC) [38] | 0.17 | 6.385% |
| PI + Space Vector Modulation (SVM)-DTC [39,40] | 0.095 | 0% |
| Proposed technique (FOPID + extended Kalman filter (EKF)) | 0.07 | 0% |
Disclaimer/Publisher’s Note: The statements, opinions and data contained in all publications are solely those of the individual author(s) and contributor(s) and not of MDPI and/or the editor(s). MDPI and/or the editor(s) disclaim responsibility for any injury to people or property resulting from any ideas, methods, instructions or products referred to in the content. |
© 2023 by the authors. Licensee MDPI, Basel, Switzerland. This article is an open access article distributed under the terms and conditions of the Creative Commons Attribution (CC BY) license (https://creativecommons.org/licenses/by/4.0/).
Share and Cite
Nosheen, T.; Ali, A.; Chaudhry, M.U.; Nazarenko, D.; Shaikh, I.u.H.; Bolshev, V.; Iqbal, M.M.; Khalid, S.; Panchenko, V. A Fractional Order Controller for Sensorless Speed Control of an Induction Motor. Energies 2023, 16, 1901. https://doi.org/10.3390/en16041901
Nosheen T, Ali A, Chaudhry MU, Nazarenko D, Shaikh IuH, Bolshev V, Iqbal MM, Khalid S, Panchenko V. A Fractional Order Controller for Sensorless Speed Control of an Induction Motor. Energies. 2023; 16(4):1901. https://doi.org/10.3390/en16041901
Chicago/Turabian StyleNosheen, Tayyaba, Ahsan Ali, Muhammad Umar Chaudhry, Dmitry Nazarenko, Inam ul Hasan Shaikh, Vadim Bolshev, Muhammad Munwar Iqbal, Sohail Khalid, and Vladimir Panchenko. 2023. "A Fractional Order Controller for Sensorless Speed Control of an Induction Motor" Energies 16, no. 4: 1901. https://doi.org/10.3390/en16041901
APA StyleNosheen, T., Ali, A., Chaudhry, M. U., Nazarenko, D., Shaikh, I. u. H., Bolshev, V., Iqbal, M. M., Khalid, S., & Panchenko, V. (2023). A Fractional Order Controller for Sensorless Speed Control of an Induction Motor. Energies, 16(4), 1901. https://doi.org/10.3390/en16041901

