Abstract
The efficiency of a nation’s progress is determined by a variety of factors; however, transportation plays a critical role in boosting progress because it facilitates trade and communication between countries. The majority of transportation is powered by fossil fuels such as gasoline or diesel, which will be depleted in less than 50 years. Another option is to operate transportation systems after replacing conventional vehicles with electric vehicles (EV). Powering these vehicles with green electricity contributes zero carbon emissions from production to the final product. Together with the controller, an efficient charger ensures that the entire system is reliable and stable. The current work focuses on charging an off-board EV from greener energy sources (both a fuel cell and PV array forming a micro-grid) based on their availability via an efficient converter controlled by an adaptive multi-objective controller. A novel multi-output-based adaptive neuro fuzzy inference system (ANFIS) controller for charging the off-board EV at a constant current and voltage for both line and load regulations is proposed, in the current work. A comparison study of grid partitioning and subtractive clustering was conducted in order to select an optimized algorithm for generating FIS. Novelty is achieved by ensuring closed-loop stability is the main aim of the work. The entire work was created with the MATLAB/Simulink software.
1. Introduction
Electric vehicles are eco-friendly and have lower greenhouse-gas emissions when compared to gasoline/fossil-fuel vehicles, and emissions can also be reduced to zero provided green electricity is used for charging electric vehicles (e.g., an EV battery). Green electricity [1] production can be achieved using renewable energy sources, fuel cells to name one example. Recently, renewable technology [2] has become a trending and prominent topic in the literature. While COVID-19 prompted economic losses, 260 GW of renewables capacity was made available, globally, in 2020. A report by the International Renewable Energy Agency (IRENA) [3] states that 127 GW of wind energy and 111 GW of solar energy has been contributed. Among these, solar-attached EVs and solar-panel-based charging stations are becoming one of the promising research projects, as their nature of electricity is direct current. Solar-panel modules can be easily recycled using recycling techniques. The solar-energy method of charging electric vehicles is one of the cleanest options, and it is also cost-efficient [4,5]. Broader development is occurring in the construction of a solar cell with different layers, such as aluminum frames for protection, and glass frames for absorbing sunlight and heat [6]. A constant stream of research on fuel cells run EVs and fuel-cell-based charging stations is taking place. As hydrogen fuel cells can be represented by a battery, they are easier to analyze. The main difference is the battery discharge. Most of the cells have a cathode, anode, and electrolyte [7]. The fuel cell generates electricity through an electrochemical reaction by utilizing hydrogen and oxygen, producing heat and water as byproducts. Fuel-cell systems are effective, dependable, and show consistently good performance. When compared to conventional energy sources, which include the burning of fossil fuels, this electrochemical conversion is one of the most systematic methods of producing electrical energy, since the energy conversion happens without any combustion, i.e., zero emissions [8,9]. These battery-like systems do not require regular recharging; instead, they require a continuous fuel supply. A proton-exchange membrane fuel cell (PEMFC), being lower in weight, with fast start up and highly efficient energy conversion, are used in electricity-generation applications. The present work focuses on integrating both solar and fuel cells, which together. forms a micro-grid used for charging an electric vehicle. The integration is performed appropriately by measuring the irradiance and fuel content. This increases reliability and makes the overall system energy efficient. As both energies are DC, a direct DC–DC converter is required to charge the electric vehicle. The literature proposes various topologies of converters [10], such as boost, cuk converter, or a single-ended primary inductor converter (SEPIC), for charging an EV [11]; however, these converters offer a limited range of voltage gain, create a short-circuit effect and will require a high voltage and create current stress on passive elements as well as switches. Z-source converters [12] can overcome these disadvantages and offer fewer source current ripples. A switched-capacitor-based Z-source equivalent DC–DC boost converter (SCZEBC) [13] was chosen for charging an EV’s battery as it can offer a common ground and has low-voltage rated output capacitors, along with the advantages of Z-source-based DC–DC converters [14]. The constant-current method of charging allows an EV’s battery to eradicate the imbalances of cells and protects the battery from high inrush currents [15]. To achieve the same, a controller is required. Conventional controllers such as PI and PID [16] need to be perfectly tuned to obtain the desired output from the plant. Even tuned conventional controllers cannot produce the desired response if a dynamic change happens in the system and these controllers produce offset problems while implementing them in hardware. Therefore, whenever changes are happening, the controller should mitigate these and needs to maintain the desired response at the output. The controllers that can learn from the knowledge which we provide through a database could handle the changes in the environment and produce an exact output. A few of such controllers are the fuzzy logic controller (FLC) [17], artificial neural network (ANN) [18], biology-inspired algorithms. A fuzzy inference system (FIS) has the capacity to produce rule-based knowledge (RBK). An ANN learns from the data provided and controls the system. However, an FIS does not have learning ability and an ANN cannot produce RBK [19]. These drawbacks can be mitigated by integrating intelligent controllers (FIS and ANN). This integration of FIS and ANN produces an adaptive neuro fuzzy inference system (ANFIS) [20], which generates if-then fuzzy rules from FIS and improves the prediction performance of rules by the applying learning capability of ANN. The tool ANFIS in MATLAB performs FIS operations using sugeno [21], which cannot produce multiple outputs.
The objective of this paper is to form a micro-grid by integrating a fuel cell and solar energy according to the respective input conditions to charge an EV’s battery through a controlled SCZEBC in CC-CV mode [22]. The controller designed for the converter will be able to charge the battery at a constant current and constant voltage with added line and load regulations capability. The line regulation is achieved by sensing the input voltage and current and load regulation by state of charge (SOC). The suitable integration of sources is achieved through a controller by observing irradiance and fuel content. These two controllers are realized using ANFIS. The majority of simulation software typically employs a single input and output; however, the novelty in this publication is performing a multi-input, multi-output analysis utilizing a variety of methodologies. This configuration is hardware implementable, and a simulation is used to verify the outcomes. Small-signal analysis for SCZEBC is discussed. The proposed model was designed by considering TATA Nexon EV specifications (30.2 kWh, 320 V lithium polymer). The overall model was developed and validated using MATLAB/Simulink software.
The organization of the paper is as follows. Section 2 has different subsections which discuss the description and design of the individual components of the overall system. The first subsection describes the block diagram of the proposed system and the second and third subsections detail the fuel cell and solar cell. The fourth subsection describes the modes of operation, design, mathematical modelling using SSA and stability analysis of the SCZEBC. Subsection five is comprised of the explanation of different controllers, modelling of ANFIS layers and algorithms used in generating FIS and its comparative study. The third section of the paper discuss the results and their discussion. It has two subsections: one details the MIMO-based ANFIS results and the other details the overall simulation results for the proposed objective. The paper is concluded in Section 4.
2. System Description and Design
2.1. Block Diagram
The proposed objective is shown in Figure 1. The battery is charged from either the fuel cell or solar according to their relay conditions. The ‘MAC’ unit, which is an MIMO-based ANFIS controller, receives the input from the converter input voltage (Vin), converter input current (Iin), battery current (Ib), SOC of the battery (SOC), hydrogen content from the fuel cell and irradiance measure. This MAC generates two different output logics. One of them gives the logic to the source relays. The conditional statement for this logic is to check the source availability and, accordingly, power the converter. The other output logic from the MAC unit produces the duty ratio, which is given to the ‘duty ratio to PWM pulse generator’ and these PWM pulses are further provided to the converter as a ‘Logic,’ as represented in Figure 1.
Figure 1.
Pictorial representation of overall system.
2.2. Fuell Cell
A 30.2 kW fuel cell was chosen for powering the EV’s battery during the run. The power rating was achieved by concatenating 4 series and 2 parallel fuel stacks of 6.4 kW power. The fuel cell utilized in the simulation was a proton exchange membrane fuel cell (PEMFC) whose nominal and maximal stack powers are 5998.5 W and 8325 W. respectively. The output terminal resistance from each cell of the fuel stack is 78.33 mΩ. Table 1 represents the electrical and input parameters of the fuel-cell stack.
Table 1.
Fuel-cell parameters [7].
Figure 2 describes the stack voltage versus current (V-I) and stack power versus current (P-I) characteristics of the designed fuel cell. A maximum power of 8.325 kW can be achieved for this module at an operating current of 225 A and the respective voltage at which the module operates is 37 V. The nominal operating point is 133 A and 45 V, at which the power achieved from the module is 6 kW.
Figure 2.
Stack voltage versus current, and power versus current [7].
2.3. Solar
Like the fuel cell’s power rating, a solar cell of 30.2 kW was designed to power the Ev’s battery. Three series modules of 64 V and twenty parallel strings of 8 A were concatenated to achieve the desired power rating. The required parameters for the solar module are depicted in Table 2.
Table 2.
Solar-array specifications [10].
The P-V and V-I characteristics of the overall solar module are shown in Figure 3. These characteristics were captured at an operating temperature of 25 °C and irradiances of 1 kW/m2, 2 kW/m2 and 3 kW/m2. A maximum power of 38 kW can be achieved by operating the module at 185 V and 205 A at a given irradiance of 1000 W/m2.
Figure 3.
Characteristics of PV array [10].
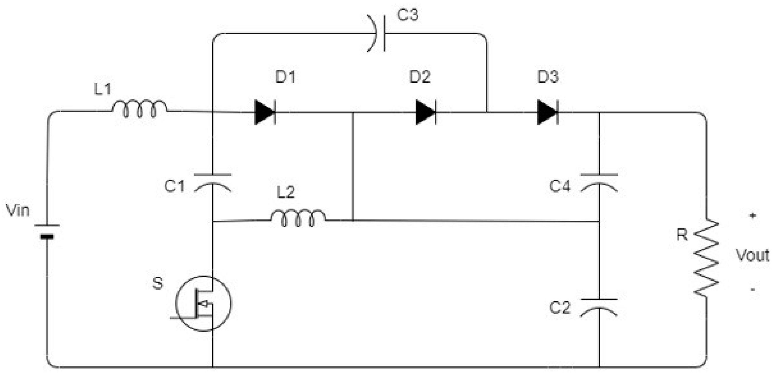
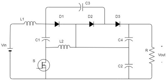
2.4. SCZEB Converter
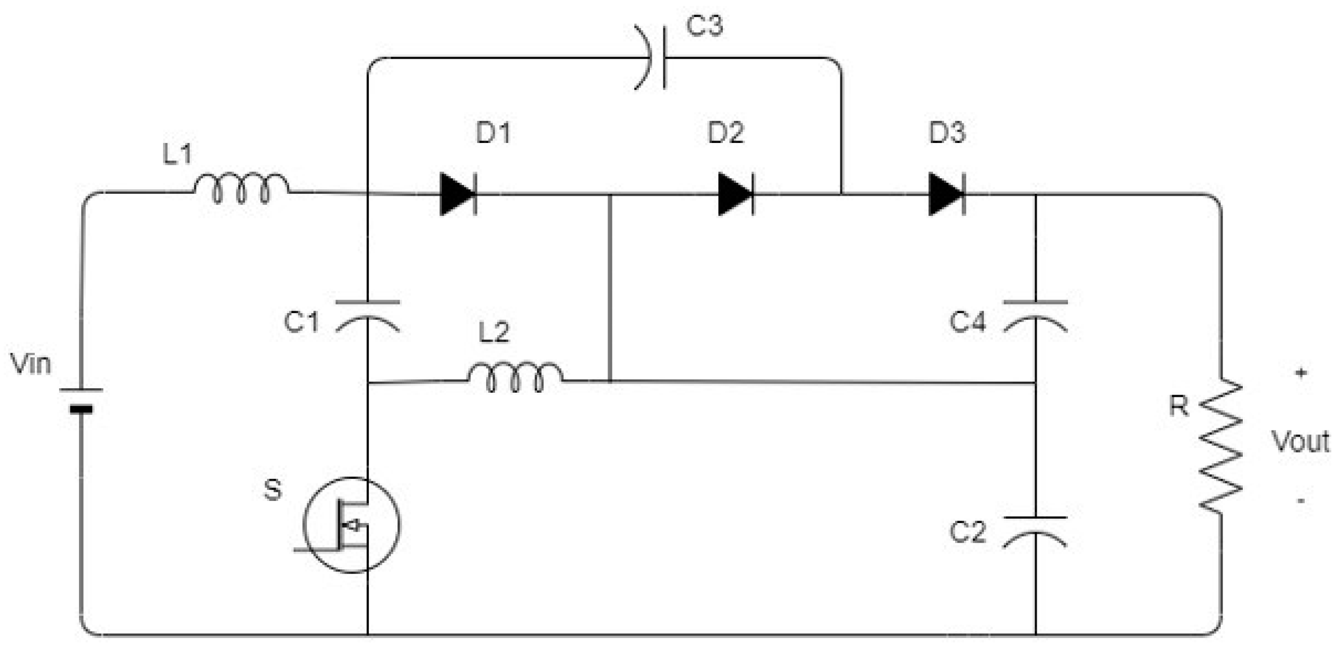
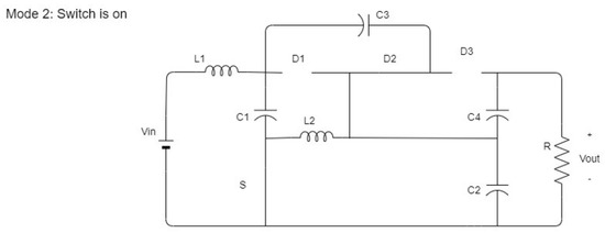
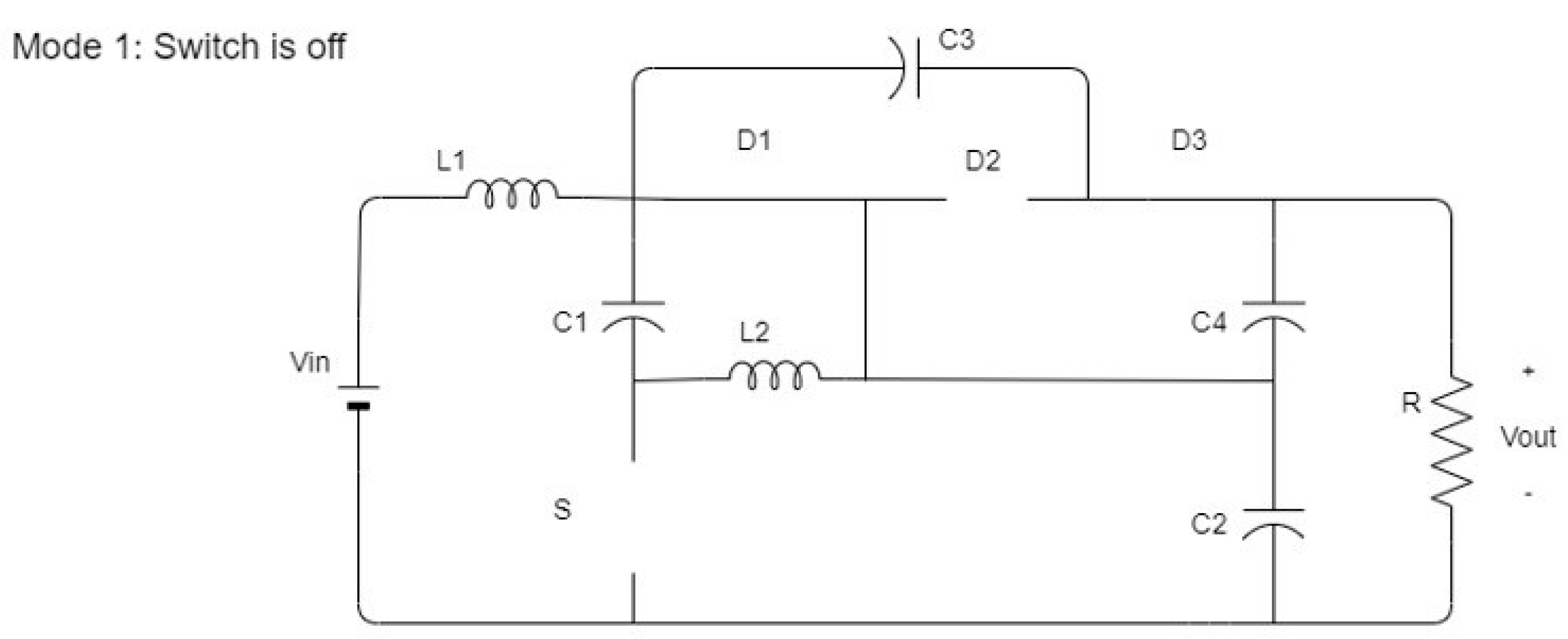
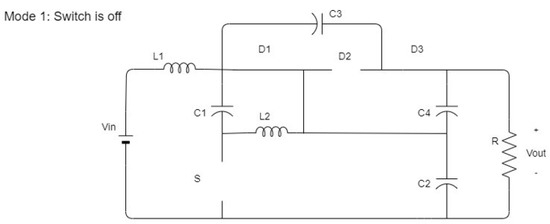
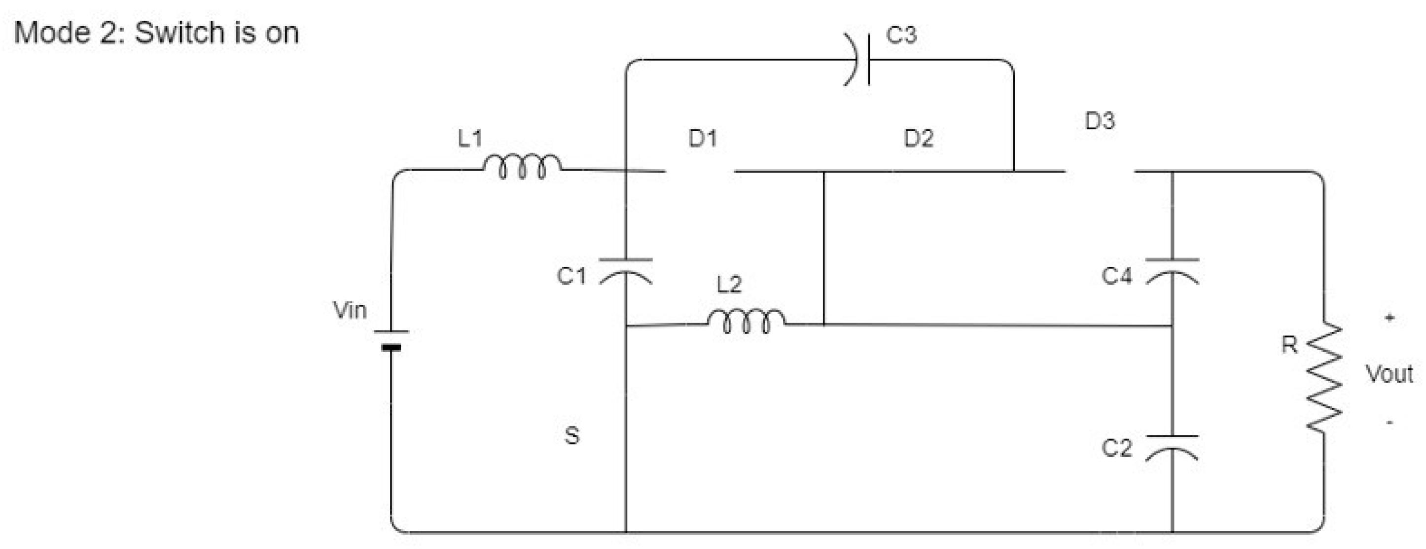
The converter considered here is a switched-capacitor-based Z-source equivalent DC–DC boost converter (SCZEBC) [12]. The exceptional characteristics of the SCZEBC are its high voltage gain; common groun; continuous input current, i.e., low current ripple; and avoidance of high voltage ratings or stresses on capacitors along with other active devices [12]. The proposed SCZEBC shown in Figure 4 has three diodes and a switch which are D1, D2, D3 and S, respectively. The converter can be set to two different modes of operation and the equivalent circuits are illustrated in Figure 5 and Figure 6. The switch S and the diode D2 conduct simultaneously, while the other semiconductor diodes D1 and D3 conduct simultaneously, and both the states of conducting are interdependent. The modes of operation are studied in detail, as follows:
Figure 4.
Topology of SCZEB converter [12].
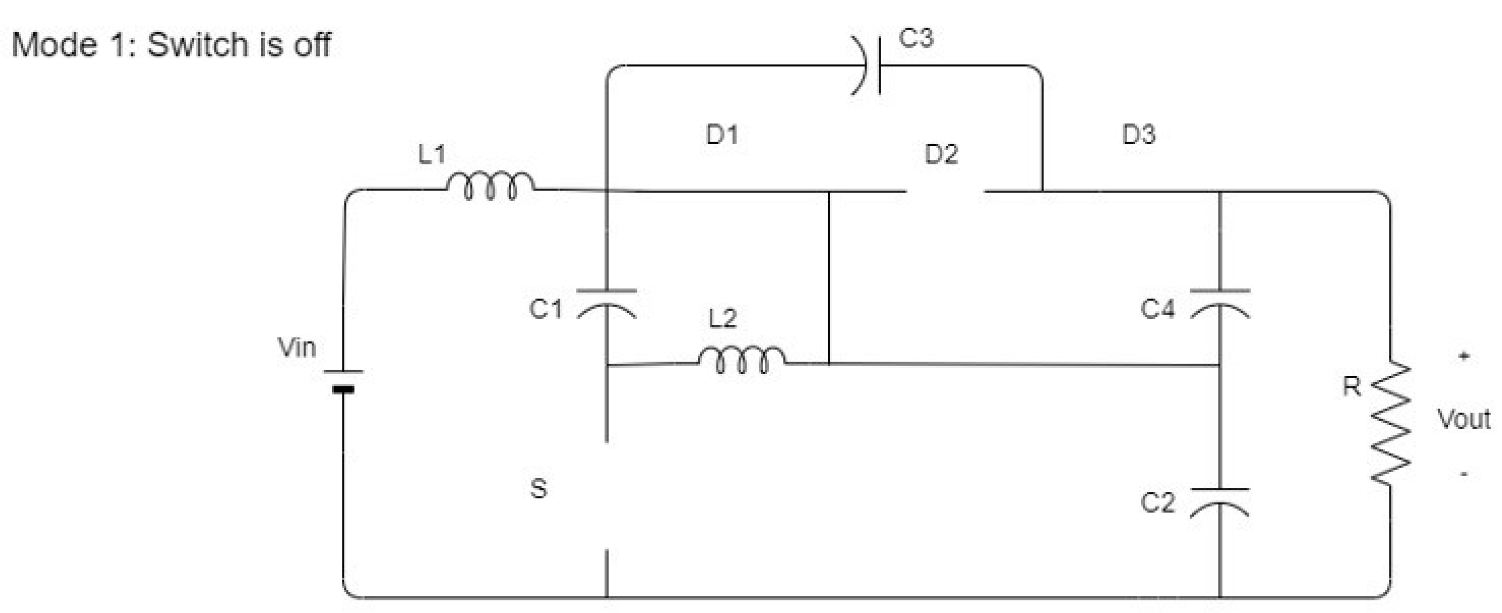
Figure 5.
SCZEBC—Mode 1.
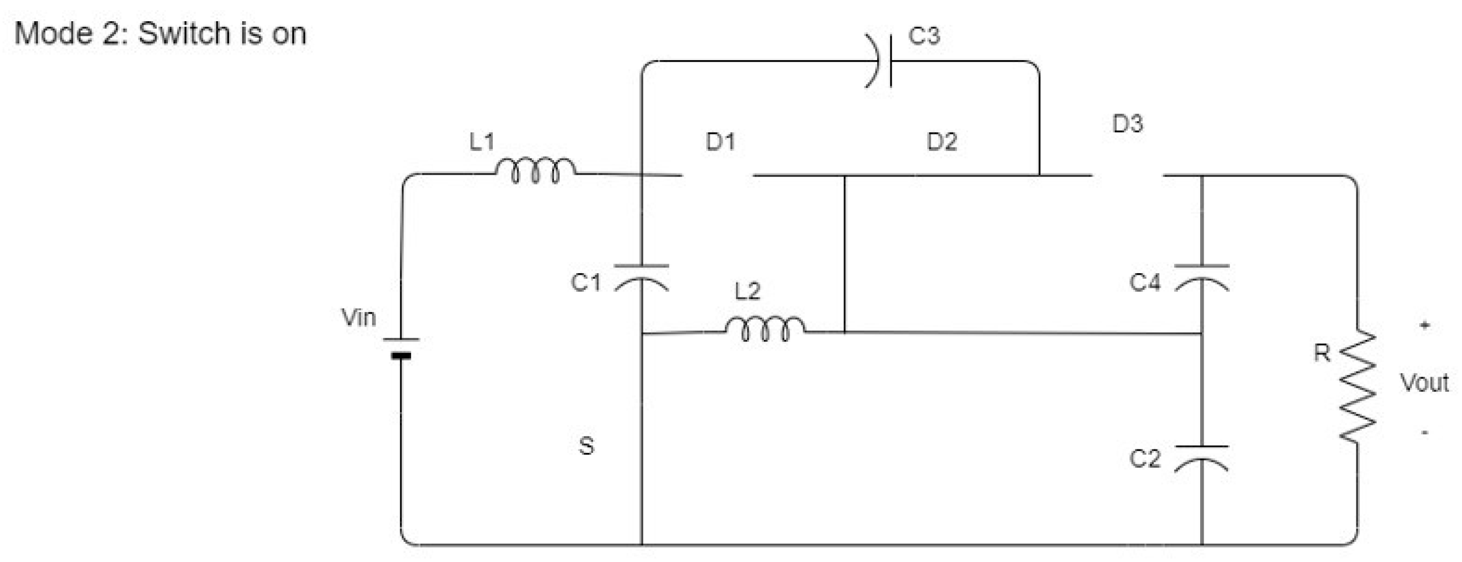
Figure 6.
SCZEBC—Mode 2.
- Mode 1: This mode is represented in Figure 5, which is the off state. It is when the switch is turned off and, simultaneously, the diode D2 is reverse-biased since both conduct together. Therefore, inductor l2 is charged by the capacitor C1 and for remaining devices, such as the capacitors and the load resistance, the power is supplied from the input DC source through inductor l1.
- Mode 2: This mode is represented in Figure 6, which is the on state. It is when the switch is turned on and, simultaneously, the diode D2 is forward-biased. The diodes D1 and D3 are reverse-biased; therefore, they are in off state. Thus, the voltage across the diodes D1 and D3 is negative and the inductor l1 is charged from the source and capacitor C3. Similarly, capacitor C1 is charged via inductor l2 and the output capacitors C2 and C4 supply the load resistance.
The desired output voltage and current from the converter are Vout = 320 V and Io = 94 A, with the input voltage Vin = 250 V. By applying KVL to Figure 5 and Figure 6 and after the required manipulation of the variables, Equations (1)–(4) can be obtained [12]. With the help of Equations (1)–(4), the gain of the converter (V0/Vin) can be derived. It is given by Equation (5). With the help of the conservation of energy law, the current of input/inductor 1 can be deduced and is given by Equation (6). As IL1 + IL2 = IO, the current for inductor 2 can be found and its respective formula is depicted in Equation (7). With the help of on- and off-state equations (averaging) and the respective voltage and current waveforms of capacitors and inductors, Equations (8)–(13) were deduced. These set of equations are known as the designing equation, (12), for the chosen switched-capacitor z-source converter in boost mode.
With the provided voltage and current ripples of 1% and 5%, respectively, the delta values (∆iL1,∆iL2,∆vC1,∆vC2,∆vC3,∆vC4) are given below. By substituting these values along with the required input and output data (as mentioned above), the design values for the proposed power of the converter were derived and are depicted in Table 3.
∆iL1 = 5% of IL1 ∆iL2 = 5% of IL2
∆vC1 = 1% of VC1 ∆vC2 = 1% of VC2
∆vC3 = 1% of VC3 ∆vC4 = 1% of VC4
Table 3.
SCZEB-converter design parameters.
Devising a controller for the second-order converter can be carried out through a conventional controller either with gain-combined zero or pole, as the number of controlling parameters is low. Whereas, with a converter with an order greater than two, it is required to have a controller with a minimum of two zeros or poles, where the complexity increases and obtaining those values through a trial-and-error method becomes infeasible. In such a scenario, it is advised to model the converter to include a transfer function. To achieve the required parameters that have to be controlled, the corresponding transfer function can be further analyzed either using time- or frequency-domain plots. A state-space averaging technique using small-signal analysis is one of the methods to mathematically model a converter with an order greater than or equal to three. Firstly, the state-space averaging models for both on and off conditions are formulated, and then small-signal analysis is performed to achieve the transfer function of the converter. Equations (14) and (15) represent the state space modelling for a system and its respective averaging constants are given by Equations (16)–(19). The steady-state parameters can be achieved by substituting the values in Equation (20). The overall transfer function for the system is formulated as in Equation (21). The converter mentioned in Figure 4 has six energy-storage elements making the system sixth order. For the respective system, the state-space matrices are given by matrix’s 22 to 29. The constants mentioned in these matrices were formulated and are detailed in Table 4. Substituting these matrices in Equation (21) would derive Equation (30). The final transfer function of the converter is shown by Equation (31), which is the ratio between the output voltage and duty ratio obtained by mentioning the designed values from Table 3 in Equation (30) [12].
where i = 1, 2 describes the operating modes of SCZEBC
Table 4.
SCZEB Converter Design parameters.
Figure 7 shows the step response for Equation (31). The time-domain and frequency-domain parameters for the modelled transfer function are mentioned in Table 5. The overshoot is 31% with settling time as 13 ms. There are six left-hand plane poles and six zeros. The root locus for the system is given in Figure 8 and the zoomed version has been included in Figure 9. P = −290 ± i770 and z = −452 ± i5214 converges; similarly, the pole at −27,140 converges to zero at −6173 [12]. The poles at −220 ± i4940 complete their locus at zeros 9064 and −51,981. Similarly, p =−111,940 closes it root locus at z = 70,879. The final pole p = −30,340 and zero z= −29,791 complete their respective locus. The bode plot for the transfer function mentioned in (31) is described in Figure 10. The magnitude plot started with f = 10 Hz with 20.5 db and at f = 1000 kHz, the magnitude of the plot was settled at −33.3 db. Similarly, the phase plot at frequencies 10 Hz and 100 kHz has phase 00 (3600) and −1800(1800), respectively. The gain margin (Gm) at phase cross over frequency 2.9 kHz is 1.1873 db and the phase margin (Pm) at gain cross over frequency 3.2055 kHz is seen as 1.92360. It can be seen Pm > Gm and both Pm and Gm are positive. From the root locus and bode plot, it can be concluded that the chosen converter in an open-loop configuration is stable. To attain closed-loop stabilization and power control for a given voltage as well as to improve the step response (all time- and frequency-domain parameters as well) along with maximum noise rejection control (NRC), a robust controller is required.
Figure 7.
The step response for Equation (31).
Table 5.
SCZEB Converter Design parameters.
Figure 8.
Root locus for the SCZEBC converter.
Figure 9.
Zoomed version Figure 8.
Figure 10.
Bode plot for the SCZEBC converter.
It is a tedious process to design a conventional converter, as it involves choosing a gain margin, phase margin and loop gain crossover frequency (Fc) at specified terms in order to achieve the control for the converter. As the converter involved is a non-minimum phase system, it is not easy to increase Fc, which is recommended. Similarly, by increasing Gm, the Pm and bandwidth has to be compensated. There might be a situation where the robustness and performance of the controller have to be traded off when we choose to design some traditional controllers such as PID. To overcome the difficulties mentioned, soft computing controllers are used. A brief comparative study about the conventional converter over soft computing controllers is mentioned in the next subsection. The specifications of the diode and MOSFET utilized in the converter are shown in Table 6 and Table 7, respectively.
Table 6.
Diode specifications of the converter.
Table 7.
MOSFET specifications of the converter.
2.5. ANFIS Controller
To increase the robustness and performance and to bring the closed-loop stabilization in accordance, i.e., to maintain constant current and constant voltage at the output and to protect the battery from high inrush currents, a controller is needed. There are some conventional controllers such as P, PI, and PID; it is required to tune these properly to arrive at the desired output.
Figure 11 shows the proportional integral controller schematic diagram along with a plant. However, in the event that these perfectly tuned controllers fail to produce the desired output during any dynamic changes, if there are any changes happening in the system, the controller should rectify these and maintain the desired output. The controllers which can handle the dynamic changes in the surroundings and produce the exact output are the ones which can learn from the knowledge which we provide through databases such controllers are artificial neural network (ANN), fuzzy logic controller (FLC), or biology-inspired algorithms, etc. Figure 12 shows a fuzzy logic controller algorithm. Here, this controller works by taking error and change in error as input variables; these crisp variables are converted to fuzzy variables using fuzzification, with the knowledge and rule base provided by the inference system in the FLC producing an output by considering input fuzzy data. This output fuzzy data is converted back to crisp data, which can be either duty ratios in most of the converter controllers.
Figure 11.
PI Controller.
Figure 12.
Block diagram representation of FLC.
ANN is a self-learning algorithm where the network consists of neural nodes whose weights would be updated every iteration until the desired output is reached for a certain input. The block diagram for ANN is detailed in Figure 13 respectively. It can be seen that ANN cannot have a rule-based inference knowledge and FLC cannot self-learn as am ANN. These tradeoffs can be overcome through an ANFIS controller, which is a combination of both an FLC and ANN.
Figure 13.
Block-diagram representation of ANN.
An adaptive neuro-fuzzy inference system (ANFIS) controller is used to generate self-learned rule-based knowledge for the fuzzy inference system (FIS) through the neural-network model. It is an optimized FIS through ANN. The module obtains the input as different sets of data such as training, checking and testing. With the root mean square error analysis and the optimum epochs to train, the model deduces the membership functions for FIS. There are two major FIS’s which are Mamdani and Takagi–Sugeno. For this module, Takagi–Sugeno is best-suited, as the computational time is less and outer space is continuous when compared with Mamdani.
The ANFIS structure for two inputs with an input membership function is shown in Figure 14. Each node in the first and fourth layers is settable or adaptive and the nodes in layers 2 and 3 are constants or non-settable, with a fifth node as output. Equation (32) shows the fuzzy rule of a sugeno FIS. Here, the input variable is X and output variable is y. The representations of all five layers are given in Equations (33)–(38), respectively. Layer 1′s mathematical representation is given by Equation (33). It gives the information of input membership functions. Equation (34) describes the Gaussian-curve membership function. Here, ‘a’ and ‘c’ are known as premise parameters. Equation (35) shows that the node outputs the products of inputs, which are known as weight or firing strength. The normalized firing strength or weight of rule is given by Equation (36). The multiplication of input data with the normalized weight linearly results in the output from layer 4, which is given by Equation (37). Here, p, q, r are the consequent or conclusion parameters, respectively. The summation of all the outputs from layer 4 results in the output, which is given by Equation (38) [18].
Figure 14.
Structure of ANFIS.
The adaptive nodes layer 1 and layer 4 have conditional/premise and conclusion/consequent parameters, respectively. These parameters are updated using the learning techniques such as the back-propagation technique or a hybrid technique. Hybrid techniques utilize the least-square estimator as the forward pass and the back-propagation technique (gradient descent) as the backward pass. The forward pass updates the conclusion parameters whereas the backward pass updates conditional parameters. This update continues until the given error tolerance is reached or the epochs reached. There are nonlinear parameters or structures which are the input or conditional parameters. Similarly, the conclusion parameters are known to be linear structures or parameters. The FIS in the ANFIS processes the input variables and divides the input variables into n-dimensional space using the divide-and-conquer method. This states that the conditional part divides input space into particular areas and each area has an inference for the conclusion part for the same fuzzy rule. The space creation from the input variables can be performed either by the grid-partitioning (GP) technique or scatter-partitioning technique (SP). Again, in SP, there are subtractive clustering (SC), fuzzy C means (FCM), and context-based fuzzy C means (CFCM) [18]. The GP technique divides the n input variables with m input membership functions into m^n spaces. This means m^n fuzzy rules. This ensures there is no overlap between the spaces and, therefore, the fuzzy rules are smoothly analyzed. The GP technique works efficiently when the input variables are small. The SP divides the input space into n clusters according to the range of influence provided in the case of SC. Each cluster frames a particular region, which implies SP produces n fuzzy rules. The advantage of SP is that the rules do not grow exponentially with respect to input variables. The range of influence in the case of SC is the radius of the unit hypercube [18].
The ANFIS controller was propounded in this paper in order to charge the battery in the CC-CV mode as well as to switch between the sources according to the climatic conditions. Typically, there are non-linearities present in the sources, as the PV array and fuel-cell power availability varies according to the irradiance (climatic conditions) and hydrogen content available. Similarly, the load (battery) has to be charged using CC-CV method at different regulations occur at line and load. The ANFIS method of control is one of the most effective techniques since this does not require an accurate model; therefore, it is easy to model. The input and output variables to the ANFIS differ for these given two situations, for the described situation one, input variables will be the irradiance measure and hydrogen content available for which the output is a relay condition for these sources. Similarly, for the second statement provided, the input variables are converter-input and output electrical measurements, and the output variable is the duty ratio for the devised converter.
Sugeno has a property which can produce only a single output. Therefore, for multi output systems, ANFIS has not been not chosen so far in the literature. As stated above, the aim is two produce two outputs from a controller; it is not advised to device a controller using ANFIS, as it does not support MIMO systems. Thus, the novelty of achieving the MIMO-system-based ANFIS controller is an aim. Two different ANFIS models will be derived for two different statements, as stated above. Then, the amalgamation of these FIS will be performed to produce multiple outputs with multiple inputs specified.
- ANFIS related to the converter statement:
As discussed, grid partitioning and subtractive clustering are the two different chosen methods where the fuzzy membership functions along with rule-knowledge base are optimized. For comparative study between these algorithms, the input data for the converter statement was chosen. The respective input data for this scenario includes the duty ratio for the converter for various input voltage along with input and output current with battery SOC. Figure 15 shows the overall input data index. Around 70%,15% and 15% of input data was classified as training, testing, and checking, respectively. The data-set index for these parameters is depicted in Figure 16.
Figure 15.
Input parameters and the output of ANFIS.
Figure 16.
Data-set index for (a) training, (b) testing and (c) checking, respectively.
The data was provided to the module and trained using hybrid learning method. For generating FIS either from grid portioning or subtractive clustering, the membership functions (MF’s) chosen are Gaussian and three MF’s per each input. The ANFIS structure while using grid partitioning has been mentioned in Figure 17 and the training and validation error using this method is depicted in Figure 18. Similarly, the ANFIS structure as well as the error from the module when trained using subtractive clustering are represented in Figure 19 and Figure 20, respectively.
Figure 17.
ANFIS structure developed using grid partitioning.
Figure 18.
RMSE plot for grid partitioning.
Figure 19.
ANFIS structure developed using Subtractive clustering.
Figure 20.
RMSE plot for subtractive clustering.
Table 8 represents the comparative study between the grid-partitioning (GP) and subtractive-clustering (SC) techniques utilized. The parameters for clustering utilized in SC are mentioned in Table 9. It can be inferred that number of nodes and linear parameters utilized in SC are low compared to GP. It states that size efficiency (cost efficiency too) is higher for SC than GP. Conversely, the nonlinear parameters used by ANFIS while generating FIS using SC and GP are same. The fuzzy rules in GP are more than SC. From an RMSE perspective, the GP proves to be better than SC with less training and checking errors in this respective application. The efficiency of GP is more with respect to SC’s. SC is better suited when input space is large as the cost and size reduces. GP performs well when input space is small, where the RMSE would be low, and efficiency of the application will also increase. As the application used in the project has a smaller input size that must be provided, GP method was chosen for the further analysis as the RMSE and efficiency of the system will be optimized.
Table 8.
Comparative study of GP and SC algorithms.
Table 9.
Parameters required for SC algorithm.
The outputs from the FIS system with respect to input data provided, and the comparative graphs provided for training, testing and checking, are shown in Figure 21. The deviations in the graph represent the RMSE. These are related to the GP technique utilized. The training and checking RMSE data are detailed in Table 8. The testing error for this application is 7.2 × 10−6.

Figure 21.
Deviations in FIS output and input data for (a) training, (b) testing and (c) checking.
- ANFIS related to the input relay statement:
This respective ANFIS is based on the data parameters fuel content, irradiance and relay condition. The data shown in Figure 22 was provided to the ANFIS module as input data. The blue line indicates fuel data, and the orange line indicates the irradiance content. For example, when irradiance is 50 and fuel content is 30, then output relay would be 0, i.e., solar relay’s condition is high and complementary condition for fuel cell’s relay. Therefore, it can be inferred that when solar content is high, power is consumed from solar sources. Around 70%,15% and 15% of input data was classified as training, testing and checking, respectively. The training, testing, and checking data-set index is provided in Figure 23. The ANFIS structure generated by the module (using the GP technique) is depicted in Figure 24. The RMSE error plot is given by Figure 25. It can be inferred from these figures that the overall nodes are 35 with linear and nonlinear parameters 9 and 12, respectively. The checking error was found to be 0.28 and training error as 0.21 as in Figure 26.
Figure 22.
Data for the ANFIS 2.
Figure 23.
Data-set index for (a) training, (b) testing and (c) checking, respectively.
Figure 24.
ANFIS structure developed by using grid partitioning.
Figure 25.
RMSE plot for grid partitioning of ANFIS 2.
Figure 26.
Deviations in FIS output and input data for (a) training, (b) testing and (c) checking.
2.6. Battery
Table 10 depicts the parameters and specifications of the battery used in the simulation. The battery Tata Nexon EV was designed and used for the respective objectives stated. The battery is 30.2 kWh 320 V lithium polymer. The battery of this EV is a high-energy density of 30.2 kWh Lithium iron phosphate. This battery is of range 312 km. TATA gives an 8 years/160 KM warranty. An electric-car Lithium iron phosphate battery lasts 10–20 years before they need to be replaced.
Table 10.
Battery specifications.
Figure 27 shows the discharging characteristics of battery. The shaded yellow region in the first plot shows the exponential area and it can be observed that the exponential voltage is 360 V. The discharging characteristic curve was made at a rating 0.43478 C. Nominal voltage is 315 V and it can be inferred that the battery is discharged completely at 2.3 h with the discharging current would be (0.43478*Irated) i.e., 40.8696 A. The discharging characteristic curves were been drawn for ratings 0.065 C, 0.13 C, and 0.325 C and the corresponding battery discharge happens at 14 h, 7 h and 2.7 h. The second plot in Figure 28 represents the plot between voltage and Ampere-hours and the battery is completely discharged at 93 Ah.
Figure 27.
Nominal current discharge characteristics voltage (V) versus time (h).
Figure 28.
Nominal current discharge characteristics voltage (V) versus ampere-hour (Ah).
3. Results and Discussion
3.1. MIMO ANFIS Based Controller Results
The FIS files generated by individual ANFIS modules were amalgamated to generate a MIMO FIS through an addition method. The overall FIS figure with MIMO functionality is depicted in Figure 29. The input and output membership functions generated from MIMO–ANFIS are shown in Figure 30, Figure 31, Figure 32 and Figure 33, respectively. The controller utilized “prod” for And method and “probor” for Or method. The implication and aggregation used are min and max methods, respectively. The defuzzification utilized is “wtaver”.
Figure 29.
Pictorial representation of the FIS generated for MIMO system.
Figure 30.
Membership function for the variable (a) input voltage, (b) input current, and (c) battery current.
Figure 31.
Membership function for the variable (a) SOC, (b) fuel content, and (c) irradiance, respecttively.
Figure 32.
Output variable ‘Duty ratio’ membership functions.
Figure 33.
Output variable relay membership functions.
Figure 34 and Figure 35 shows the rule base of the MIMO_ANFIS in pictorial and inference representation, respectively. For visibility, the mixture of rules for two outputs are depicted as 1–20 rules for the first output and rest for the second output. Figure 36a represents the surface relation among the input variables ‘input current’, ‘input voltage’ and the output variable ‘duty ratio’; Figure 36b represents the surface relation among the input variables battery current, input voltage and the output variable duty ratio, similarly Figure 36c represents the surface relation among the input variables ‘SOC’, ‘input voltage’ and the output variable ‘duty ratio’, Figure 37a–c represents the surface relations among the input variables (a) ‘battery current’, ‘input current’, (b) ‘SOC’, ‘input current’, (c) ‘SOC’, ‘battery current’ with the output variable ‘duty ratio’ respectively. Figure 38 represents the surface relation among the input variables ‘fuel content’, ‘irradiance’ and the output variable ‘relay’.
Figure 34.
Rule base of MIMO ANFIS.
Figure 35.
Rules generated by grid partitioning of MIMO ANFIS.
Figure 36.
Surface representation for the variables (a) input current, input voltage and duty ratio, (b) battery current, input voltage and duty ratio (c) SOC, input voltage and duty ratio.
Figure 37.
Surface representation for the variables (a) battery current, input current and duty ratio, (b) SOC, input current and duty ratio (c) SOC, battery current and duty ratio.
Figure 38.
Surface representation of the variable irradiance, fuel content and Relay.
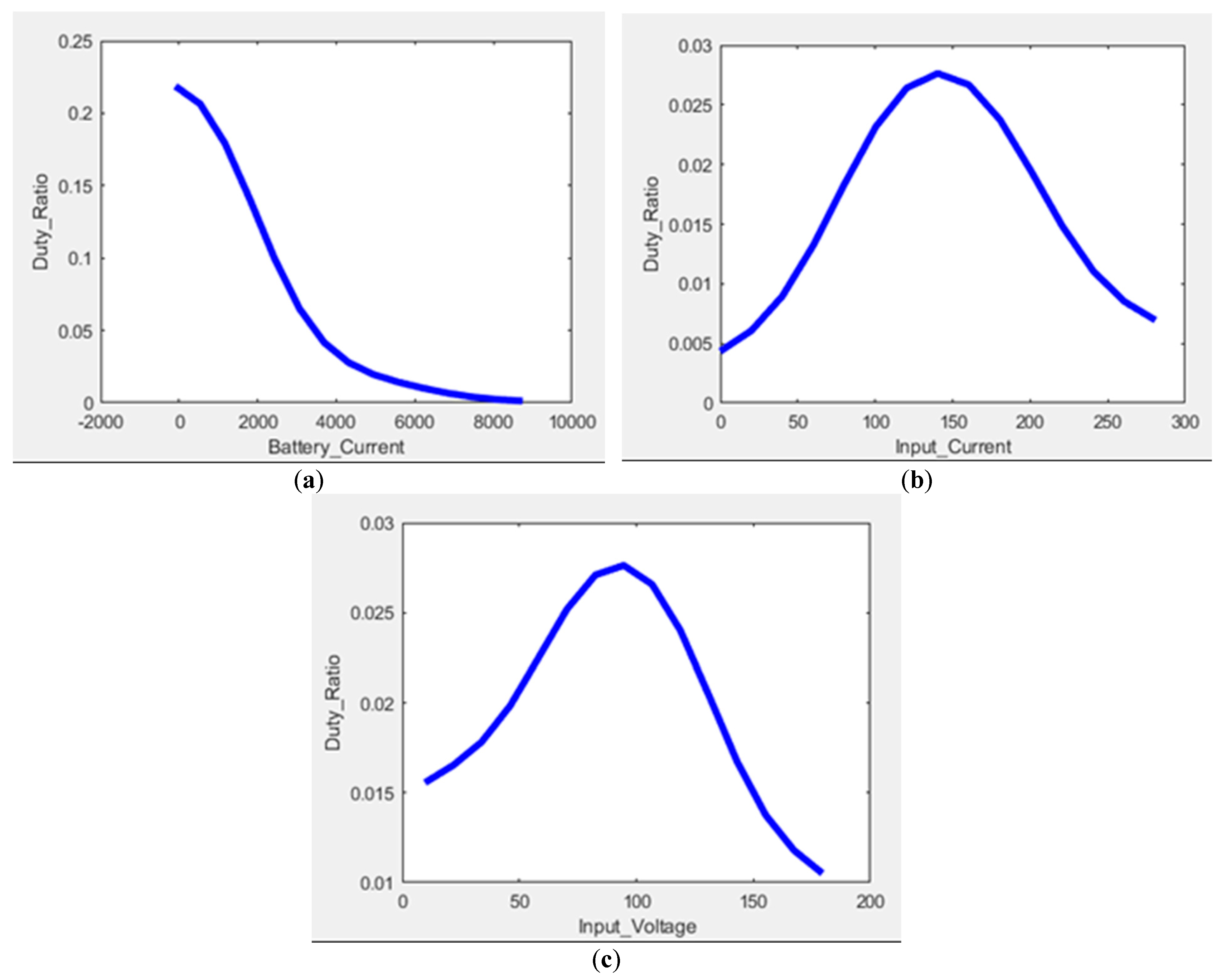
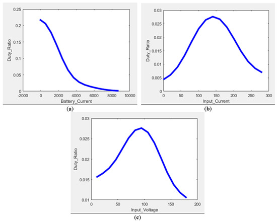
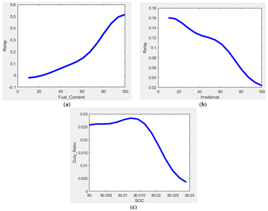
To acknowledge the relation between output variable with respect to each individual input variable, these graphs were created. A correlation between the fuel content and relay is observed in Figure 39a, when solar irradiance alone was considered, the relation between the irradiance and relay is depicted in Figure 39b. Correlation between the SOC and duty ratio has been given in Figure 39c. The individual relation between input variables ‘Battery current’, ‘Input Current ‘and ‘Input Voltage’ with respect to output variable ‘Duty ratio’ are depicted in Figure 40a–c, respectively.
Figure 39.
Correlation between the variables (a) Relay and Fuel Content, (b) Relay and Irradiance, and (c) duty ratio and SOC.
Figure 40.
Correlation between the variables (a) duty ratio and battery current, (b) duty ratio and input current, and (c) duty ratio and input voltage.
3.2. Simulation Figure
Figure 41 represents the simulation diagram of the proposed system. This is the overall simulation diagram for the block diagram represented in Figure 1. MIMO_ANFIS helps in regulating the switching of source according to the availability of solar irradiance and fuel content along with maintaining the battery current and voltage (CC-CV). The two different case studies that were projected over the proposed system is to validate whether the controller is able to maintain constancy in battery voltage and current while charging at line and load regulation.
Figure 41.
Overall simulation figure.
- Case-1: Line regulation
Case 1 is the study and effect of line regulation to the system. It is to be observed the output battery parameters when the source switches between fuel cell and solar.
Initially, fuel-content availability was high while solar irradiance was low. A regulation was performed at t = 0.25 s, i.e., fuel content was low and solar irradiance was increased. Figure 42 and Figure 43 shows the input voltage and input current variations during this case. It can be seen that 180 V and 185 V was kept constant before and after transition. An average current of 172 A was maintained by the input sources. The Figure 44 shows the variations of battery terminal voltage. It can be seen that a constant 320 V has been maintained throughout the case. An initial SOC of 80% has been increased to 80.015% respectively in 0.5 s duration and this is depicted in Figure 45. The battery current variations for line regulation case are shown in Figure 46. It can be seen that a constant −92 A was maintained during the charging process.
Figure 42.
Input voltage in volts during the line regulation.
Figure 43.
Input current in amperes during the line regulation.
Figure 44.
Battery terminal voltage in volts.
Figure 45.
State of charge in %.
Figure 46.
Battery current in Amperes during the line regulation.
- Case 2: Load regulation
This respective subsection deals with the results related to the load regulation. In this case, it can be studied how the battery current, and voltage would be maintained during the change in load. Initially the battery SOC is maintained at 30% which can be seen as low output resistance for the converter and then a regulation was performed at t = 0.1 s, i.e., the SOC of the battery was increased to 80% (high resistance at the converter output terminal).
The converter was sourced using a fuel cell. Figure 47 and Figure 48 show the input voltage and input current variations during the load regulation where a constant 180 V was seen before and after transition in Figure 47. An average current of 188 A has been consumed by the converter from the fuel cell. The Figure 49 shows the variations in battery terminal voltage. A constant 320 V was maintained throughout the case. Figure 50 depicts the change in SOC. Figure 51 describes the battery current variations. A constant −98 A was maintained before the transition and −92 A after transition.
Figure 47.
Input voltage from supply in (Volts) during load regulation.
Figure 48.
Input current in Amperes during load regulation.
Figure 49.
Battery terminal voltage in volts.
Figure 50.
State of charge in %.
Figure 51.
Battery current in Amperes during the load regulation.
4. Conclusions
Using MATLAB/Simulink software, Tata Nexon’s EV battery of 30.2 kWh was charged in CC-CV mode through an MIMO-based ANFIS-controlled SCZEBC from greener sources such as fuel cells and PV arrays according their availability. The P-V and V-I characteristics of solar cells operating at 25 °C were analyzed for various irradiances. The module has an open circuit voltage of 204 V and short circuit current of 300 A. Similarly, the P-V and V-I characteristics of fuel cell stack were analyzed. The fuel cell utilized 100% and 60% of hydrogen and oxygen in the fuel. A 30.2 kW SCZEBC has been designed and mathematically model using small-signal perturbation to the state-space model. The open-loop system (converter) has settling time of 13.4 ms with peak overshoot of 31%. This respective system has all poles in the left-hand side of S-plane and its respective root locus has been depicted. The gain margin and phase margin for the converter has been observed as 1.1873 and 1.92360 from the bode plot. Mathematically analysis of ANFIS layers has been discussed and a comparative study between GP and SC was carried out. It is concluded that SC algorithm is size and cost effective whereas GP proves best for smaller input space applications as it has lower RMSE and a high algorithm efficiency of 99.8% (for the application mentioned above). For the two different control objectives, the ANFIS has been performed and achieved MIMO based ANFIS by amalgamation technique. The different surfaces and correlations between the input and output variables of the MIMO controller were explained. During line regulation, the source was changed to solar cell form fuel cell at t = 0.25 s. Similarly, during load regulation, the battery SOC was changed to depict a change in output resistance at the converter terminals.
Author Contributions
Conceptualization, U.S., K.S.R., D.K. and V.S.; data curation, P.B.; formal analysis, V.S.; funding acquisition, U.S.; investigation, U.S. and D.K.; methodology, K.S.R., D.K., S.L. and V.S.; project administration, D.K.; resources, K.S.R.; software, K.S.R.; supervision, D.K. and V.S.; validation, U.S., D.K., V.S. and S.L.; visualization, S.L.; writing—original draft, D.K. and K.S.R.; writing—review and editing, U.S., D.K. and P.B. All authors have read and agreed to the published version of the manuscript.
Funding
This work was supported by the research grants [SEED-2022-CE-95]; Prince Sultan University; Saudi Arabia.
Institutional Review Board Statement
Not applicable.
Informed Consent Statement
Not applicable.
Data Availability Statement
Not applicable.
Acknowledgments
The authors would like to acknowledge Amrita School of Engineering, Bengaluru; Amrita Vishwa Vidyapeetham, India; Prince Sultan University, for supporting this collaborative research. Further, the authors would like to acknowledge the support of Prince Sultan University for paying the Article Processing Charges (APC) of this publication.
Conflicts of Interest
The authors declare no conflict of interest.
Nomenclature
| Variables | Definition | Units |
| Vc1, Vc2, Vc3, Vc4 | Voltage across the capacitors | Volts (V) |
| IL1, IL2 | Current across the inductors | Amperes (A) |
| L1, L2 | Inductors | Henry (H) |
| C1, C2, C3, C4 | Capacitors | Faraday (F) |
| A1, A2, A3, A5, A61, A7, A13, A14, A20, A21, A22, | Constants of each index of the 6 × 6 matrix | Ohms (Ω) |
| A4, A6, A8, A9, A10, A11, A12, A15, A16, A17, A18, A19, A23, A24, A25 | Constants of each index of the 6 × 6 matrix | NA |
| B1, B2, B3, B5, B16 | Constants of each index of the 6 × 6 matrix | Ohms (Ω) |
| B7, B8, B9, B11, B12, B13, B14 | Constants of each index of the 6 × 6 matrix | Mho |
| B4, B6, B10, B15, B17, B18, B19 | Constants of each index of the 6 × 6 matrix | NA |
References
- Sudarsana Reddy, K.; Mahalakshmi, R.; Deepa, K. 2020 Bio-Diesel Fed Solar Excited Synchronous Generator. J. Green Eng. 2020, 10, 1–27. [Google Scholar]
- Dhanamjayulu, C.; Padmanaban, S.; Ramachandaramurthy, V.K.; Holm-Nielsen, J.B.; Blaabjerg, F. Design and Implementation of Multilevel Inverters for Electric Vehicles. IEEE Access 2021, 9, 317–338. [Google Scholar]
- Renewable Capacity Statistics 2021; International Renewable Energy Agency: Abu Dhabi, United Arab Emirates, 2021; pp. 1–64.
- Manivannan, S.; Kaleeswaran, E. Solar powered electric vehicle. In Proceedings of the 2016 First International Conference on Sustainable Green Buildings and Communities (SGBC), Chennai, India, 18–20 December 2016; pp. 1–4. [Google Scholar]
- Dan, A.; Palani, B.; Luisa, C.; Kenneth, H.; Arnulf, J.-W.; Michio, K.; Charles, K.; Valentin, M.; Wesley, S.; Yutaka, T.; et al. Direct Solar Energy. In Renewable Energy Sources and Climate Change Mitigation; Cambridge University Press: Cambridge, UK, 2012. [Google Scholar]
- Mitra, M. A Study on Advances in Hydrogen Fuel Cells. Electr. Eng. Open Access Open 2019, I, e1–e4. [Google Scholar]
- Reddy, B.S.T.; Reddy, K.S.; Deepa, K.; Sireesha, K. FLC based Automated CC-CV Charging through SEPIC for EV using Fuel Cell. In Proceedings of the 2020 International Conference on Recent Trends on Electronics Information Communication & Technology (RTEICT), Bangalore, India, 12–13 November 2020; pp. 177–183. [Google Scholar]
- Choe, G.-Y.; Kim, J.-S.; Kang, H.-S.; Lee, B.-K.; Lee, W.-Y. Proton exchange membrane fuel cell (PEMFC) modeling for high efficiency fuel cell balance of plant (BOP). In Proceedings of the 2007 International Conference on Electrical Machines and Systems (ICEMS), Seoul, Republic of Korea, 8–10 October 2007; pp. 271–276. [Google Scholar]
- Zhang, Y.; Liu, Q.; Gao, Y.; Li, J.; Sumner, M. Hybrid Switched-Capacitor/Switched-Quasi-Z-Source Bidirectional DC–DC Converter With a Wide Voltage Gain Range for Hybrid Energy Sources EVs. IEEE Trans. Ind. Electron. 2019, 66, 2680–2690. [Google Scholar]
- Sudarsana Reddy, K.; Sai Teja Reddy, B.; Deepa, K.; Sireesha, K. An Optimized Controller for Zeta Converter-Based Solar Hydraulic Pump. In Applications of Artificial Intelligence and Machine Learning; Choudhary, A., Agrawal, A.P., Logeswaran, R., Unhelkar, B., Eds.; Lecture Notes in Electrical Engineering; Springer: Singapore, 2021; Volume 778. [Google Scholar]
- Takiguchi, T.; Koizumi, H. Quasi-Z-source dc-dc converter with voltage-lift technique. In Proceedings of the IECON 2013—39th Annual Conference of the IEEE Industrial Electronics Society, Vienna, Austria, 10–13 November 2013; pp. 1191–1196. [Google Scholar]
- Veerachary, M.; Kumar, P. Analysis and Design of Quasi-Z-Source Equivalent DC–DC Boost Converters. IEEE Trans. Ind. Appl. 2020, 56, 6642–6656. [Google Scholar]
- Baier, T.; Piepenbreier, B. Comparison of Bidirectional T-Source Inverter and Quasi-Z Source Inverter for Extra Low Voltage Application. In Proceedings of the PCIM Europe 2016; International Exhibition and Conference for Power Electronics, Intelligent Motion, Renew-able Energy and Energy Management, Nuremberg, Germany, 10–12 May 2016; pp. 1–8. [Google Scholar]
- Vu, V.; Tran, D.; Choi, W. Implementation of the Constant Current and Constant Voltage Charge of Inductive Power Transfer Systems with the Double-Sided LCC Compensation Topology for Electric Vehicle Battery Charge Applications. IEEE Trans. Power Electron. 2018, 33, 7398–7410. [Google Scholar]
- Zhou, H.; Chen, H.; Ren, B.; Zhao, H. Yaw stability control for in-wheel-motored electric vehicle with a fuzzy PID method. In Proceedings of the 27th Chinese Control and Decision Conference (2015 CCDC), Qingdao, China, 23–25 May 2015; pp. 1876–1881. [Google Scholar]
- Sreelakshmi, S.; Mohan Krishna, S.; Deepa, K. Bidirectional Converter Using Fuzzy for Battery Charging of Electric Vehicle. In Proceedings of the IEEE Transportation Electrification Conference (ITEC-India), Bengaluru, India, 17–19 December 2019; pp. 1–6. [Google Scholar]
- Dang, Q.; Wu, D.; Boulet, B. EV Charging Management with ANN-Based Electricity Price Forecasting. In Proceedings of the 2020 IEEE Transportation Electrification Conference & Expo (ITEC), Chicago, IL, USA, 23–26 June 2020; pp. 626–630. [Google Scholar]
- Yeom, C.-U.; Kwak, K.-C. Performance Comparison of ANFIS Models by Input Space Partitioning Methods. Symmetry 2018, 10, 700. [Google Scholar]
- Noman, A.M.; Addoweesh, K.E.; Alolah, A.I. Simulation and Practical Implementation of ANFIS-Based MPPT Method for PV Applications Using Isolated Ćuk Converter. Int. J. Photoenergy 2017, 2017, 3106734. [Google Scholar]
- Available online: https://in.mathworks.com/help/fuzzy/neuro-adaptive-learning-and-anfis.html (accessed on 1 March 2020).
- Shaikh, A.; Shaikh, P.H.; Kumar, L.; Mirjat, N.H.; Memon, Z.A.; Assad, M.E.H.; Alayi, R. Design and Modeling of A Grid-Connected PV–WT Hybrid Microgrid System Using Net Metering Facility. Iran J. Sci. Technol. Trans Electr. Eng. 2022, 46, 1189–1205. [Google Scholar] [CrossRef]
- Lin, M.; Lin, J.; El Haj Assad, M.; Alayi, R.; Seyednouri, S. Optimal location and sizing of wind turbines and photovoltaic cells in the grid for load supply using improved genetic algorithm. J. Renew. Energy Environ. 2023, 10, 1–10. [Google Scholar] [CrossRef]
Disclaimer/Publisher’s Note: The statements, opinions and data contained in all publications are solely those of the individual author(s) and contributor(s) and not of MDPI and/or the editor(s). MDPI and/or the editor(s) disclaim responsibility for any injury to people or property resulting from any ideas, methods, instructions or products referred to in the content. |
© 2023 by the authors. Licensee MDPI, Basel, Switzerland. This article is an open access article distributed under the terms and conditions of the Creative Commons Attribution (CC BY) license (https://creativecommons.org/licenses/by/4.0/).



















































