1. Introduction
The development of societies worldwide is directly linked to their energy consumption, which is why growing societies represent an increasing demand for energy [
1]. The current environmental concerns and the non-sustainability in the use of non-renewable resources make energy generation through the consumption of fossil fuels less and less feasible, and this is how the eradication of dangerous methods for energy generation is becoming a contemporary requirement around the world [
2].
The renewable energy sources available in nature, such as solar, hydroelectric, wind, etc. that are not polluting are considered alternatives to fossil fuels. Thus, they have become the most emerging method of power generation worldwide to meet the current power demand [
3]. However, despite the countless advantages that their use represents, there are certain factors to consider, for example that these sources are not continuously available, and they are unstable and discontinuous due to weather conditions; for this reason, in order to counteract these drawbacks and make better use of them, hybrid systems are a suitable option, for which the use of power electronics interfaces has become essential, thus developing numerous converter topologies together with control techniques to make them more robust and efficient [
4,
5].
Hybrid renewable energy systems are generally implemented by integrating multiple sources of renewable energy generation to build a high-quality energy generation system that is independent, efficient, and robust [
6]. These systems are composed of various input power sources, integrated through multi-input power electronics converters that could accommodate a variety of input sources and combine their advantages to offer controlled output for diversified applications (multiple input, single output (MISO) DC-DC converters) [
7]. Converters are the most significant part of any hybrid renewable energy system due to their ability to stabilize the voltage output during intermittent conditions [
8].
Multiple input, single output (MISO) DC-DC converters are classified into two categories (a) isolated and (b) non-isolated converters. Isolated converters [
9] isolate the low-voltage DC side from the high-voltage side to avoid the risk of electric shock, achieve high-voltage conversion, equalize the voltage, and bypass large current/voltage rating semiconductor devices, using, for this purpose, high-frequency transformers. However, the downside to this system is that it needs to accommodate a transformer core, which makes it bulky and, in terms, adds to the cost. On the other hand, non-isolated converters are simple in structure and are used where galvanic isolation between load and source is not required. Non-isolated converters can match the input impedance of the source and the output impedance of the load, but these converters cannot achieve a high-voltage conversion ratio [
10]. In renewable energy systems, the power quality depends to a large extent on the stable operation of the power converter [
11]; however, most conventional converters and control techniques, as mentioned, have several drawbacks that overshadow their effectiveness. Thus, the design of improved multiple input, single output (MISO) DC-DC converters and more effective control techniques is a pressing need in renewable energy generation.
According to the literature, there are various designs for this type of power converter, and their relevant characteristics are analyzed below. The basic designs of the DC-DC step-up converters are conventional boost converters, for which the design includes one inductor, one power switch, and one power diode; since the structure of this converter is simple, and the interleaved structures have not been considered for these topologies, they are mainly used for low-power applications [
12]. Fly-back converter’s efficiency is not considerable compared with the new high-gain and high-efficiency designs due to the use of the transformer in their design that leads to the heavy and large structures. Other designs of converters in the same way that Fly-back uses the transformer, the input DC voltage normally by a resonant circuit or an inverter is converted to the AC voltage. An AC voltage with a higher magnitude is obtained for the next step at the secondary side of the transformer. Then, this voltage is converted to the DC voltage with the desired amplitude by a rectifier block. Therefore, these types of converters’ efficiency is impressed by the high number of the middle blocks and components in the converter [
13]. Push–pull converts are selected when galvanic isolation is required or when the ratio between input and output voltage is high enough to bring in some safety concerns. Isolated converters such as Fly-back and Push–Pull are based on the existing transformer in their structure; the ground of the sections before and after the transformer is different and separate. Therefore, it needs more components and approaches for load connections. The principal problem of these converters lies in leakage inductor, and according to solve it, an active-clamp and snubber topologies should be added to the converter, which increases the number of components and cost of the circuit and decreases the efficiency of these topologies [
14]. A Buck–Boost single inductor converter provides an output voltage that can be either higher or lower than the input voltage; in addition, a negative-polarity output is obtained concerning the common terminal of the input current. The main advantage of Buck–Boost single inductor converter is the low number of devices used to achieve the conversion [
15].
The use of multiple input, single output (MISO) DC-DC converters has been analyzed in multiple works [
16], which propose a switched capacitor (SC)-based quadratic boost converter (QBC) structure that provides high-voltage gain at low duty cycles equipped with the fuzzy logic control (FLC) technique. In [
17], an analysis and controller design of a double-input DC-DC converter (DIDDC) is introduced. Ref. [
18] shows a new topology of multiple-input single-output PV system for DC load applications. A review of multiple input DC-DC converter topologies linked with hybrid electric vehicles and renewable energy systems is developed in [
19]. The study of a highly efficient DC-DC boost converter implemented with an improved MPPT algorithm for utility level photovoltaic applications is proposed in [
20], and a step-up multiple-input multi-stage DC-DC converter with a soft-switching for Photovoltaic (PV) applications is presented in [
21]. The contemporary development, recent advances, and characteristics of multiple input DC-DC converters are identified, examined, and analyzed in [
22]. On the one hand, MISO solutions focus on connecting multiple inputs through a high-frequency transformer, which represents an intermediate DC-DC conversion, as reported in [
21,
22]. The main advantage of such a topology converter is related to electrical isolation and magnetic coupling between all converter ports. However, it requires a specific design and a high-frequency multi-winding transformer. On the other hand, the integration of different DC voltage sources on a common bus through single input, single output (SISO) DC-DC converters is also an option to implement MISO converters, as reported in [
23,
24]. However, the former result in complex systems with multiple components and a complex control structure. Another approach for multiple input DC-DC converter solutions is to couple multiple pulsed source cells as reported. The sources can be current or pulsed voltage cells, designed after primary DC-DC converters. This alternative reduces the number of components, presents compact structures, and allows simultaneous or independent operation of the power supplies [
7].
This document presents an analysis and comparative evaluation of multiple input, single output (MISO) DC-DC converters based on pulsed voltage source cells (PVSC) for the integration of different low-power sources of renewable energy. To this end, the case studies are proposed grouping them according to the type of connection between sources and loads, which can be electrical or magnetic, isolated (Flyback), and non-isolated (Buck) converters. It begins by presenting the synthesis of multiport DC-DC converters through the integration of PVSC, emphasizing the modeling and dimensioning of each case study based on the ideal and non-ideal analysis of current and voltage inductor and capacitor of filtering output circuits, and the output voltage of converters as well. Simulation tools such as Matlab/Simulink and PSIM are used. In addition, to validate the operation of both converters, a scenario with two inputs is considered (low-power hydroelectric and photovoltaic voltage sources), and the incidence of non-ideal elements in said converters is analyzed, focusing the comparison on sizing parameters, characteristics output, and efficiency of the converters. Finally, the efficiency results of multiport DC-DC converters designed for a case study are presented, evaluating the performance response of the MISO converters under load and sources changes.
2. Methodology
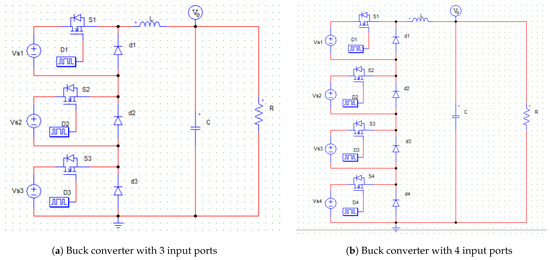
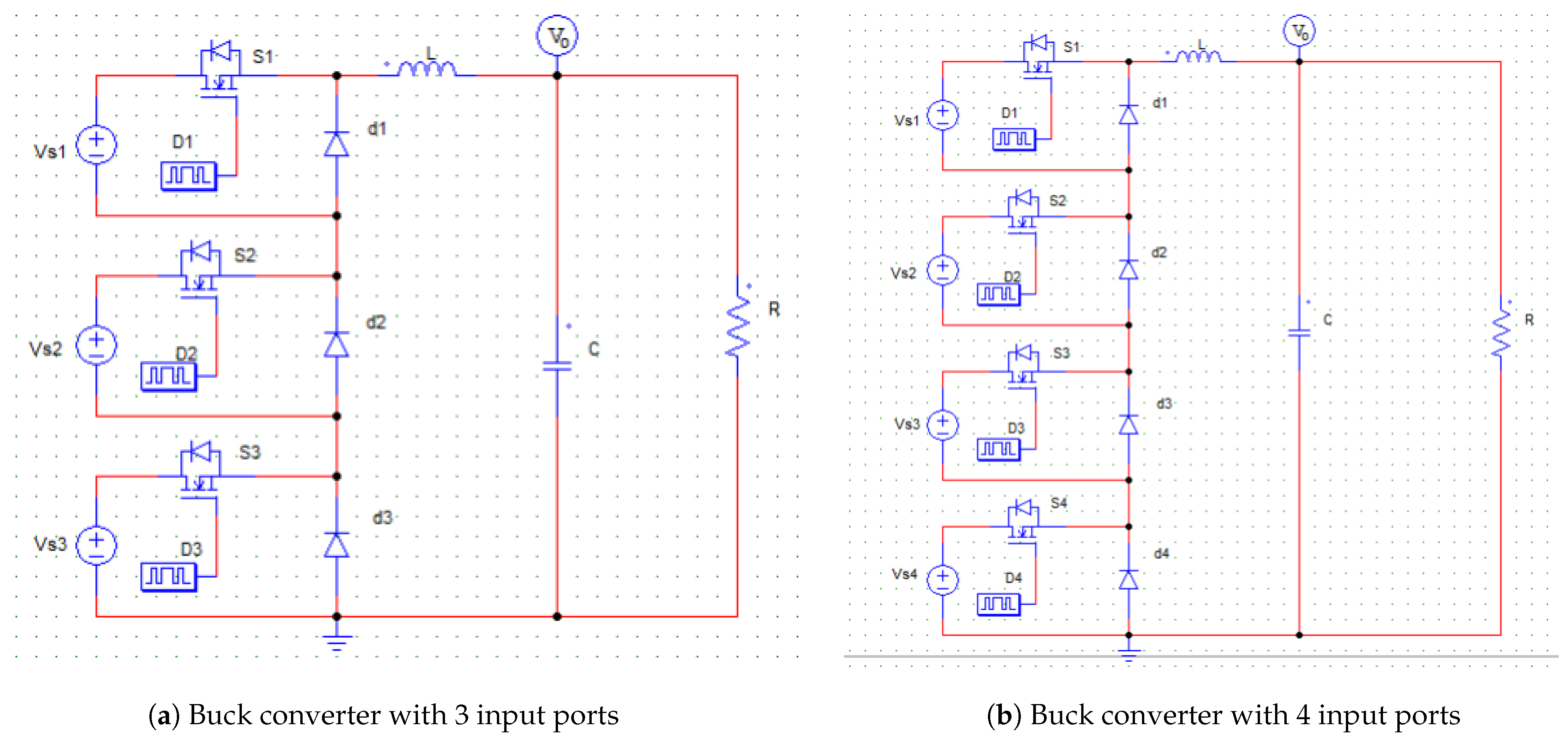
Taking into account the information presented so far as state of the art, this paper aims to analyze the design and operation of four different MISO converters based on design strategy by pulsating voltage source cells (PVSC). On the one hand, the topology of a Buck-type DC-DC MISO converter is presented in
Figure 1a [
25]. On the other hand, the topology of a MISO Flyback DC-DC converter is shown in
Figure 1b [
26]. The main difference between these two MISO converters is the presence of a high-frequency transformer, which offers electric isolation for input voltage sources and load.
The next subsections deal with the particular study of each of the aforementioned converters, prioritizing the analysis for establishing the sizing and efficiency parameters of each DC-DC MISO converter. Finally, design and analysis of a case study for integration of low-power renewable sources evaluation, through such MISO converters, is described.
2.1. Modelling of MISO DC-DC Converters
As a first part, models of MISO DC-DC converters are defined through equations that characterize their electric behavior. The analysis criteria of ideal conditions has been considered for the continues current mode (CCM). Therefore, the following conditions have been considered: (1) The current in the inductor is permanent and greater than zero. (2) The average voltage in the inductor is null in each period. (3) The average current in the output capacitor is zero. (4) The power delivered by the source is equal to that supplied to the load. (5) The topology of the case study operates in steady state and at full load. (6) The value of the capacitor is very large capable of keeping the output voltage constant.
Furthermore, it is worth mentioning that, to facilitate the analysis, duty cycle for switch S2 () is higher than for switch S1 (); therefore, voltage source 1 () delivers power to the load during more time than voltage source 2 ().
2.1.1. MISO Buck Converter
Definition of the switching strategy, for the converter presented in
Figure 1a, is proposed in
Figure 2a. The switching period starts with switches
S1 and
S2 turned-on until
, which represents
state, while diodes
D1 and
D2 are blocking current (see
Figure 2b). Then, switch
S2 is turned-off, while diode
D2 is conducting current, until
time representing
state (see
Figure 2c). For the remaining period time, switch
S1 is also turned-off, while diode
D1 conducts a current, which is represented by the
state (see
Figure 2d). Relation between the switching modes, schematic circuits, and inductor voltage and current variation equations are summarized in
Table 1.
According to the switching modes for MISO buck converter, the inductor current (
) curve is shown in
Figure 3a, according to the condition
, while for the condition
, then the inductor current curve is shown in
Figure 3b. In both cases,
increases rapidly from minimum value during
state, while the current decreases again to a minimum during
state. However, during
state,
can keep increasing until it reaches the maximum or starts decreasing from maximum, depending on the output voltage value.
Considering the data shown in
Table 1 and
Figure 3, with
, the output voltage is defined by (
1), while the mean inductor current is the same as for load resistance current (
), which is calculated using (
2).
Finally, designing equations for filtering inductor and output capacitor values are defined by (
3) and (
4), respectively. Such equations depend on the desired inductor current ripple (
) and output voltage ripple (
), where
is the switching frequency of the control signal:
2.1.2. MISO Flyback Converter
The schematic of this converter was presented in
Figure 1b; however, analysis is carried out on the equivalent circuit of the MISO Flyback converter shown in
Figure 4a. The switching strategy for MISO Flyback DC-DC converter is illustrated in
Figure 4b.
During
state,
S1,
S2 and
S3 switches are turned-on with diodes
D1 and
D2 disconnected during
T, as presented in
Figure 5a. Then, in
state, only
S2 is turned-off while diode
D2 is conducting current until
, as shown in
Figure 5b. The last of the period is denoted as
state, and all the switches are turned-off allowing for current induction flowing to the output circuit as shown in
Figure 5c.
Different from the last two analyzed converters, the magnetizing inductor current has only one waveform type, independent of output voltage level, which is described in
Figure 5d.
In
Table 2, a summary of switches states, magnetizing voltage and current changes equations for each switching state is presented.
Using the same criteria of inductor change current equilibrium (
) and information from
Figure 5 and
Table 2, the output voltage
for MISO Flyback DC-DC converter is defined by (
5), while the mean magnetizing inductor current
is calculated through (
6), where
a is the transformer turns ratio (
), and
R is the load resistance:
Finally, designing equations for magnetizing inductor and output capacitor values are defined by (
7) and (
8), respectively, depending on the desired inductor current ripple (
) and desired output voltage ripple (
), where,
is the switching frequency of the control signal
2.2. Non-Idealities on MISO DC-DC Converters
The devices that are part of the topology of any type of power electronics system usually present a behavior that is far from the ideal operation. These non-ideal behaviors of electronic devices lead to power losses which significantly affect the power transfer, as well as differences on the output voltage. To estimate the effect of losses on MISO Buck and Flyback DC-DC converters, the study use a modelling approach focused on the equivalent circuit converters presented in
Figure 6, which incorporate all possible undesired parasitic resistances.
2.2.1. Nonlinear Output Voltage
Within this study, the voltage drops associated with the resistivity of the main electronic components are considered. However, there are other factors that can generate voltage drops due to the operating environment. These types of losses are not usually considered due to the difficulty of quantifying their value within a given operating regime and/or because they are of insignificant magnitude.
Figure 6 shows a non-ideal equivalent circuit of the analyzed MISO converters, where
,
,
,
and
are the resistances of the switches, diodes and inductor, respectively. These resistive elements represent the conduction losses of the system. Through similar analysis performed in
Section 2.1.1 and
Section 2.1.2, Equations (
9) and (
10) are obtained, which approximate the real behavior of the MISO Buck and Flyback DC-DC converters, respectively:
2.2.2. Dynamical Modelling of MISO DC-DC Buck Converters
In order to obtain the set of equations to describe the dynamic behaviour of the MISO Buck and Flyback DC-DC converters, an analysis using the superposition principle is performed considering the different switching states of the converters (see
Figure 2 and
Figure 4). In every switching state, the analysis is oriented to find two dynamic equations: current on inductor and voltage on output capacitor.
On the one hand, the inductor current and output voltage for MISO DC-DC Buck converter represented in
Figure 6a, for
,
and
states, are presented in Equations (
11)–(
13), respectively. Then, such equations are combined through the addition and proportionality properties of the system to simplify the equations system to more simple expressions as shown in Equation (
14):
It is worth noting that Equation (
14) represents a system of two dependent variables and two inputs (
and
). However, the expression for output voltage on the capacitor is the same for all switching states, and it does not depend on input signal controls. Furthermore, the expression for inductor current is a nonlinear equation because its present state depends on the future state; therefore, a linearization procedure is necessary. A recursive and effective technique is linearizing the system in an interval where the nonlinear system reacts like a linear system. Such interval has an equilibrium point where the
is null. Therefore, the expression for output voltage can be linearized as:
Using the equilibrium point Equation (
15), the states space of MISO Buck DC-DC converter expressed by (
14) is redefined as:
Finally, using the superposition principle and Laplace transform on the states space of Equation (
16), the transfer function for output voltage of MISO Buck DC-DC converter can be found as:
where
.
On the other hand, for the MISO Flyback DC-DC converter represented in
Figure 6b, the states space is defined in Equation (
18) using the similar approach.
Then, the dynamic model of the MISO Flyback DC-DC converter expressed in (
18) can be redefined in a more simplified equation as:
where
and
.
Through the same linearization technique, the new equilibrium point for MISO Flyback DC-DC converter is obtained as:
Therefore, using the equilibrium point of (
20), the final equations for the states space this converter is expressed as:
Similarly, using superposition and addition principle and Laplace transform on the states space represented in Equation (
21), the transfer function for the output voltage of MISO Flyback DC-DC converter can be found as:
2.3. Modelling of the Integration of Two Low-Power Renewable Energy Sources
In this section, the modeling, control and operation of two renewable energy sources (low-power photovoltaic and hydroelectric systems), and their integration as inputs to the MISO converters, are analyzed.
2.3.1. Modeling of the Photovoltaic Generation System
The photovoltaic generation system proposed as one of the power sources to evaluate the performance of the MISO DC-DC converter has the architecture shown in
Figure 7. The system consists of a solar panel controlled by an incremental conductance MPPT (Maximum Point of Power Tracking) regulator. The consideration of this regulator allows the solar system to have the ability to track and obtain the maximum power for the temperature and irradiance values of the geographic location.
The starting point for the implementation of the MPPT regulator is to know the characteristic curves of the photovoltaic cell under STC conditions (standard or ideal conditions), which can be seen in
Figure 8.
According to
Figure 8, the maximum power point is defined to be between the limits of the constant current and constant voltage regions. One way to reach this point is the variation of the power injected into the load, which implies a modification of voltage and current parameters through a DC-DC converter. The maximum power point, as shown in
Figure 8, can be defined by (
23). Therefore, when the slope in the power curve is zero, the MPP is defined by (
24):
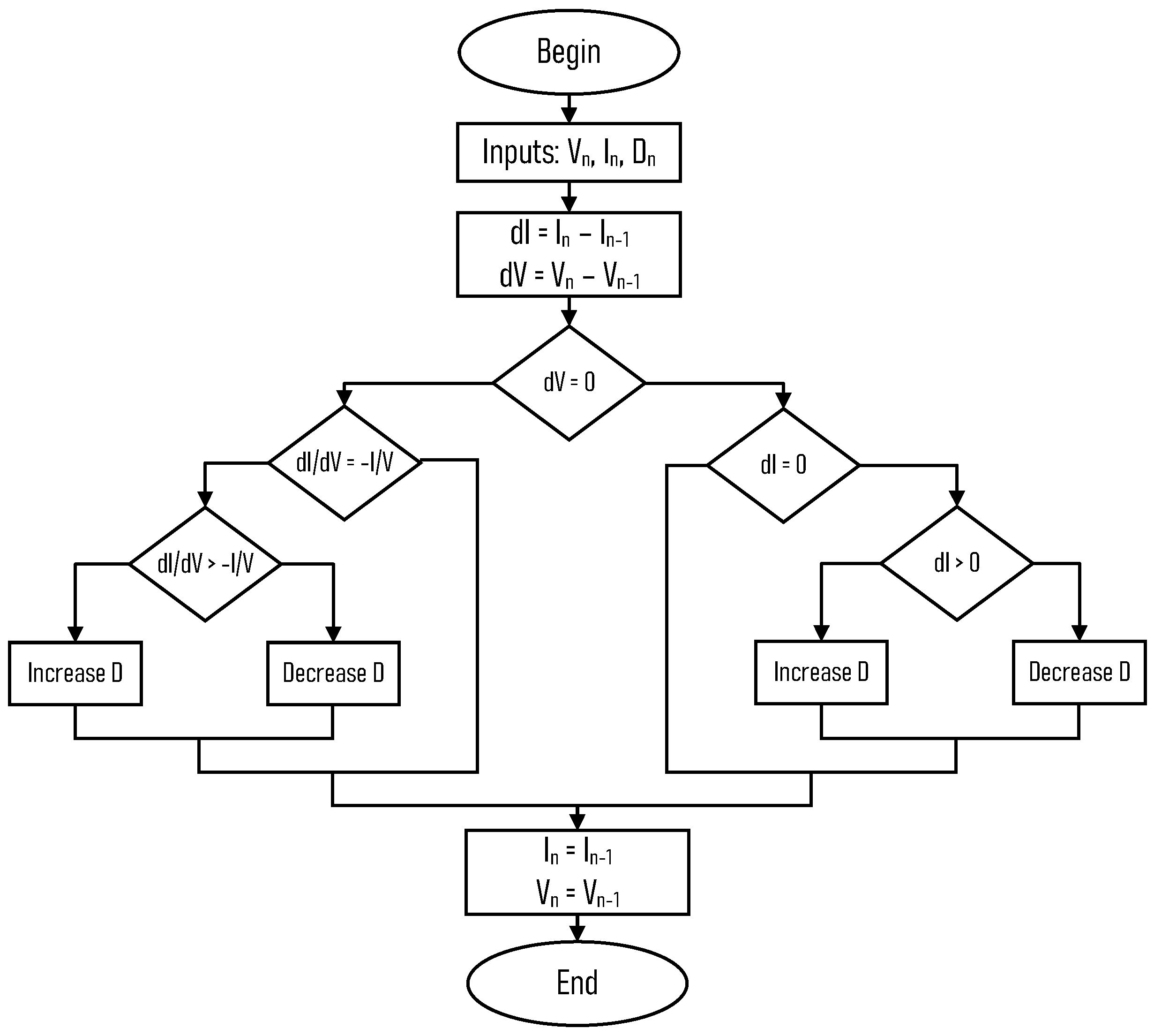
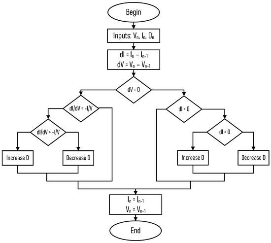
During the operation of the photovoltaic system, the variation of irradiance, temperature, and other factors modify the voltage, current and power curves; therefore, a continuous calculation (tracking) of the MPP (becoming MPPT) is necessary. For the case study proposed in this paper, an MPPT algorithm based on incremental conductance is proposed for decision-making regarding the increase or decrease (or steady state when reaching the MPP) of the duty cycle of the DC-DC converter attached to the photovoltaic generator. The operating principle of the incremental conductance algorithm proposed for this case is presented in
Figure 9.
The algorithm shown in
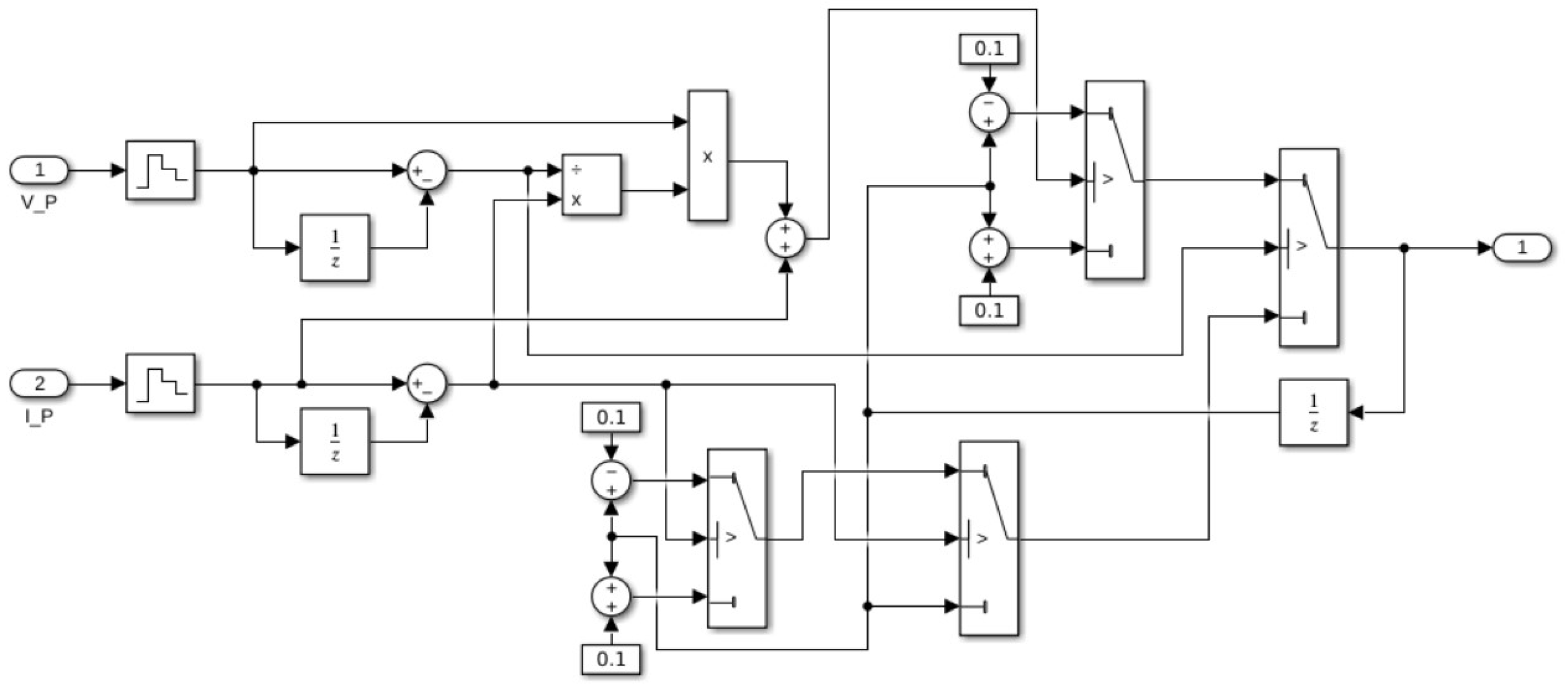
Figure 9 has been implemented in Simulink as shown in
Figure 10. This representation presents a maximum power tracking algorithm with a duty cycle variation of 0.1% for each execution cycle.
2.3.2. Modelling of the Hydroelectric Generation System
Considering the operating principles of the hydroelectric generation system, this paper presents a modeling proposal for this type of system to feed one of the input ports of the DC-DC MISO converter. The architecture of the proposed model is depicted in
Figure 11.
The architecture proposed in
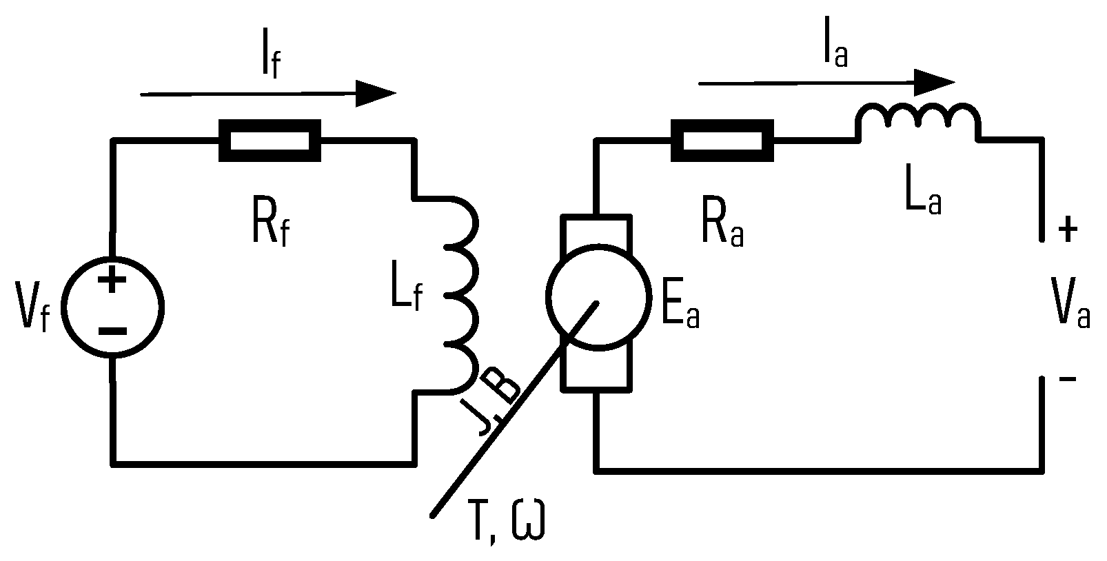
Figure 11 presents a closed-loop hydroelectric generation system based on classical controllers. This generation system operates under a flow profile, which feeds the turbine transferring its mechanical power. The turbine is mechanically coupled through its rotor to a DC generator; as a result, the DC machine is excited generating an electrical voltage at its output terminals. This system is controlled by a PID control which regulates the mechanical power delivered to the DC generator with respect to the opening of the flow inlet gate, guaranteeing a constant voltage at the output of the system. The modeling of the DC generator applied in this scenario has an equivalent circuit of the DC machine as shown in
Figure 12.
Based on this equivalent circuit model, the armature voltage
is defined as:
where
represents the armature potential,
is the armature resistance,
is the armature current, and
is the armature inductance.
On the one hand, applying Newton’s second law, the mechanical torque
T is defined by (
26), with
as the angular speed of the rotor,
J is the inertial factor of the machine, and
B is friction coefficient. In addition, armature potential
is calculated by (
27). On the other hand, the mechanical torque
T is also defined using (
28). In this model,
and
represent the DC machine constants:
Substituting (
27) in (
25), the resulting expression is:
and replacing (
28) in (
26), the obtained expression is:
The expressions (
30) and (
29) represent the dynamic model of the DC generator. By applying the Laplace transform, two algebraic equations are obtained and their resolution by substitution allows for finding the transfer function of the system, which is described by (
31).
To transfer mechanical power to the DC generator, it is necessary to control the flow rate hitting the turbine. Such regulation is achieved by controlling the gate opening which limits the liquid flows to the turbine. Based on this consideration, a simplified linear model of the hydraulic turbine is established as an ideal lossless turbine-penstock in which the power of the fluid flow is related to the opening of the penstock by:
where
and
represent the normalized values for the turbine mechanical power and gate opening, respectively. Those parameters are based on steady-state operating point values. Moreover,
is the water starting time at rated load, which is a fixed value calculated by:
where
l is the length of the water column,
g is the real gate opening,
is the real water velocity, and
is the real hydraulic head at gate. More details about hydraulic turbines can be found in [
27].
Therefore, the mathematical model of the hydroelectric generation system can be defined as:
Equation (
34) relates the output voltage of the DC generator with respect to the opening of the gate or valve through which the fluid provides mechanical power to the electric generator. The proposed architecture corresponds to a closed-loop system as presented in
Figure 11. To achieve this objective, unitary feedback is added and the PID controller is tuned, whose purpose is to pursue a reference value. For this case, the tuning was carried out using the Ziegler–Nichols method because there is a non-minimum phase system within the model as such. The proposed mathematical model has been implemented in Simulink.
2.3.3. Architecture of the Hybrid Generation System
The proposed architecture for the hybrid generation system (HGS) is presented in
Figure 13. This proposal includes a closed-loop control system based on classical controllers. The purpose of the control is to set a required nominal voltage and to guarantee that such value remains constant during variations in the load profiles. For the proper operation of the process described above, the hybrid system has a security system in charge of sending control signals to the sources and the HGS isolation system, in order to safeguard the integrity of both the energy sources and the MISO DC-DC converter itself. The safety control signals of this system are processed from the duty cycles of the converter, and in case of saturation, it must shut down the system and isolate the load.
2.4. Sizing of the Components of the Hybrid Generation System
2.4.1. Sizing of MISO DC-DC Converters
On the one hand, the Buck-type DC-DC converter is considered as a representative of the family of non-isolated MISO DC-DC converters. The sizing includes losses in the components and the specifications for the converter’s elements are detailed in
Table 3. On the other hand, for the study of isolated MISO converters, the Flyback converter was considered, and its design specifications are also detailed in
Table 3.
2.4.2. Sizing of Photovoltaic Voltage Source
As a source of the photovoltaic generation system, a commercial solar panel module SOLARIA 225 was used, which is included in the Simscape library of Simulink. The characteristics are detailed in
Table 4. The sizing of the Boost SISO converter connected to the solar panel is detailed in
Table 5.
2.4.3. Sizing of Hydroelectric Voltage Source
For the sizing of the hydroelectric generation system, a DC generator module is used, which is included in the Simulink library. The specifications of this module are detailed in
Table 6. The values of the PID constants for the generator controller are detailed in
Table 7.
2.4.4. Sizing of Closed-Loop Control for the Non-Isolated HGS
To obtain a closed-loop controlled HGS, the control of the MISO Buck DC-DC converter is tuned to later introduce the two generation systems into the controlled system. Under this consideration, it is analyzed through a PI controller whose tuning parameters are detailed in
Table 8.
2.4.5. Sizing of Closed-Loop Control for the Isolated HGS
The closed-loop for the isolated HGS starts from the closed-loop control of the Flyback converter to later introduce the two generation systems. For the closed-loop control of the Flyback converter, the methodology proposes evaluating the system responses, resulting in a PI regulator whose parameters are detailed in
Table 9.
4. Conclusions
In this paper, the efficiency of both isolated and non-isolated DC-DC MISO converters was analyzed. The proposed analysis methodology is based on the design strategy of multiport type converters by combining a pulsing voltage source cell (PVSC) which can be integrated into a basic topology converter. Different topologies of converters were analyzed: Buck and Flyback, which represent non-isolated and isolated topologies.
The consideration of the analyzed design strategy is based on the development of DC-DC MISO converters with: a reduced number of components, simple topologies, high-frequency transformers with a single primary winding (isolated architecture), a single coil, the ability to control the flow of energy from the source individually or simultaneously (several inputs) and flexibility in sizing the capacity of the source.
In this way, in the present work, multiple input DC-DC converters have been proposed with a simple and compact structure and with fault tolerance capacity that improves the efficiency and reliability of the converter. In addition, the information provided in this study allows the design of converters that better manage energy and operation when multi-input topologies are considered for low-power sources integration.
The efficiency study of the conversion systems considered factors such as: the number of converter inputs, duty cycle associated with the primary sources, transformation ratio (isolated architecture) and mode of operation (Flyback and Buck). The results obtained show that the non-isolated architecture is more efficient than the isolated architecture but with a lower degree of protection in the power flows from the sources to the load.