Harmonic Distortion Reduction of Transformer-Less Grid-Connected Converters by Ellipsoidal-Based Robust Control
Abstract
:1. Introduction
1.1. Motivation
1.2. Related Research
1.3. Contributions
- A linearized mathematical model is developed for a study system. The study system is a PV source and inverter + filter supplying a large grid and a nonlinear load.
- The harmonics injected into the grid current by the nonlinear load are modeled as an external disturbance to be rejected by the proposed control.
- The designed control is based on the attracting ellipsoid method (AEM), extended to the tracking problem, and LMI optimization. The controller is also robust against changes in the grid topology.
- The proposed ellipsoidal design is recently developed in robust control theory. It is utilized here for the first time to reduce the harmonics produced by the converters.
- The proposed controller in this study is proved, through simulation and experimental tests, to lower the total harmonic distortion (THD). The comparison to existing control methods shows superior performance.
- Many simulations and experimental tests are conducted to test the proposed controller: before/after adding APF, load changes, with unbalanced linear load, uncertainty grid parameters, and the distorted grid voltage.
- Unlike the other approaches, the proposed design is state feedback (proportional) control time-invariant, easy to implement, and robust against parameter uncertainties.
1.4. Paper Organization
Notations
2. Problem Statement
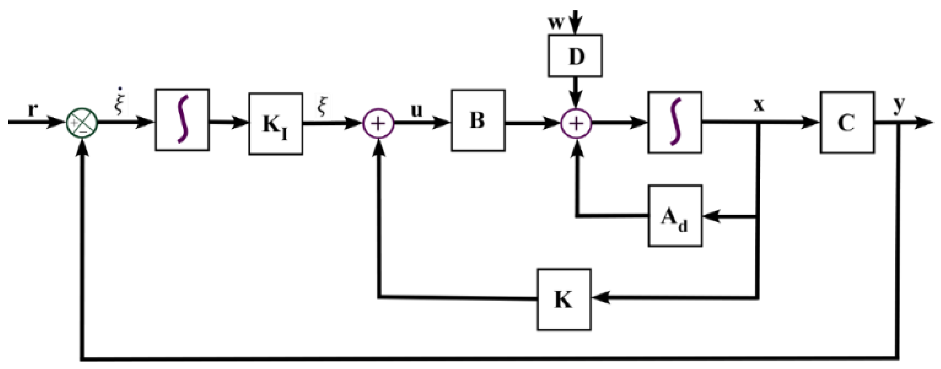
2.1. Study System Model
2.2. Problem Formulation
3. Problem Solution
3.1. Augmented System
3.2. The Invariant (or Attracting) Ellipsoid Set
3.3. The Proposed Controller
4. Simulation and Experimental Validation
4.1. Simulation Validation
4.2. Experimental Validation
4.2.1. Experimental Setup
4.2.2. Experimental Results
5. Conclusions
Author Contributions
Funding
Institutional Review Board Statement
Informed Consent Statement
Data Availability Statement
Conflicts of Interest
References
- Beltran-Carbajal, F.; Tapia-Olvera, R.; Valderrabano-Gonzalez, A.; Yanez-Badillo, H. An Asymptotic and Algebraic Estimation Method of Harmonics. Electr. Power Syst. Res. 2022, 206, 107771. [Google Scholar] [CrossRef]
- IEEE:1547.6; Standard for Interconnecting Distributed Resources with Electric Power Systems. IEEE: Piscataway, NJ, USA, 2011.
- Akagi, H. Active Harmonic Filters. Proc. IEEE 2005, 93, 2128–2141. [Google Scholar] [CrossRef]
- Toufik, T.; Ahmed, A.; Abdelmalek, M.; Othmane, A.; Abdallah, B.; Mouloud, D. Robust control of series active power filters for power quality enhancement in distribution grids: Simulation and experimental validation. ISA Trans. 2022, 107, 350–359. [Google Scholar]
- Peña-Alzola, R.; Liserre, M.; Blaabjerg, F.; Sebastián, R.; Dannehl, J.; Fuchs, F.W. Analysis of the Passive Damping Losses in LCL-Filter-Based Grid Converters. IEEE Trans. Power Electron. 2013, 28, 2642–2646. [Google Scholar] [CrossRef][Green Version]
- Beres, R.N.; Wang, X.; Blaabjerg, F.; Liserre, M.; Bak, C.L. Optimal Design of High-Order Passive-Damped Filters for Grid-Connected Applications. IEEE Trans. Power Electron. 2016, 31, 2083–2098. [Google Scholar] [CrossRef][Green Version]
- Wang, X.; Blaabjerg, F.; Loh, P.C. Grid-Current-Feedback Active Damping for LCL Resonance in Grid-Connected Voltage-Source Converters. IEEE Trans. Power Electron. 2016, 31, 213–223. [Google Scholar] [CrossRef][Green Version]
- Bayoumi, E.H.E. Design of Three-Phase LCL-Filter for Grid-Connected PWM Voltage Source Inverter Using Bacteria Foraging Optimization. In Electricity Distribution: Intelligent Solutions for Electricity Transmission and Distribution Networks; Springer: Berlin/Heidelberg, Germany, 2016; pp. 199–219. [Google Scholar]
- Pan, D.; Ruan, X.; Bao, C.; Li, W.; Wang, X. Optimized Controller Design for LCL-Type Grid-Connected Inverter to Achieve High Robustness Against Grid-Impedance Variation. IEEE Trans. Ind. Electron. 2015, 62, 1537–1547. [Google Scholar] [CrossRef]
- Hanif, M.; Khadkikar, V.; Xiao, W.; Kirtley, J.L. Two Degrees of Freedom Active Damping Technique for LCL Filter-Based Grid Connected PV Systems. IEEE Trans. Ind. Electron. 2014, 61, 2795–2803. [Google Scholar] [CrossRef]
- Xu, J.; Xie, S.; Tang, T. Active Damping-Based Control for Grid-Connected LCL-Filtered Inverter With Injected Grid Current Feedback Only. IEEE Trans. Ind. Electron. 2013, 61, 4746–4758. [Google Scholar] [CrossRef]
- Boyd, S.; El Ghaoui, L.; Feron, E.; Balakrishnan, V. Linear Matrix Inequalities in System and Control Theory; SIAM Studies in Applied Mathematics: Philadelphia, PA, USA, 1994. [Google Scholar]
- De Oliveira, M.C.; Geromel, J.C.; Bernussou, J. Extended H 2 and H norm characterizations and controller parametrizations for discrete-time systems. Int. J. Control. 2002, 75, 666–679. [Google Scholar] [CrossRef]
- Maccari, L.A.; Massing, J.R.; Schuch, L.; Rech, C.; Pinheiro, H.; Oliveira, R.C.L.F.; Montagner, V.F. LMI-Based Control for Grid-Connected Converters With LCL Filters Under Uncertain Parameters. IEEE Trans. Power Electron. 2013, 29, 3776–3785. [Google Scholar] [CrossRef]
- Maccari, L.A., Jr.; Santini, A.C.L.; Pinheiro, H.; de Oliveira, R.C.L.F.; Montagner, V.F. Robust optimal current control for grid-connected three-phase pulse-width modulated converters. IET Power Electron. 2015, 8, 1490–1499. [Google Scholar] [CrossRef]
- Zhou, K.; Doyle, J.C.; Glover, K. Robust and Optimal Control; Prentice Hall: Upper Saddle River, NJ, USA, 1996. [Google Scholar]
- Willmann, G.; Coutinho, D.F.; Pereira, L.F.A.; Libano, F.B. Multiple-loop H1 control design for uninterruptible power supplies. IEEE Trans. Ind. Electron. 2007, 54, 1591–1602. [Google Scholar] [CrossRef]
- Osório, C.R.D.; Koch, G.G.; de Oliveira, R.C.L.F.; Montagner, V.F. A practical design procedure for robust H2 controllers applied to grid-connected inverters. Control Eng. Pract. 2019, 92, 104157. [Google Scholar] [CrossRef]
- Koch, G.G.; Maccari, L.A.; de Oliveira, R.C.L.F.; Montagner, V.F. Robust H∞ State Feedback Controllers based on LMIs applied to Grid-Connected Converters. IEEE Trans. Ind. Electron. 2019, 66, 6021–6031. [Google Scholar] [CrossRef]
- Sun, X.; Cao, J.; Lei, G.; Guo, Y.; Zhu, J. A Robust Deadbeat Predictive Controller with Delay Compensation Based on Composite Sliding Mode Observer for PMSMs. IEEE Trans. Power Electron. 2021, 36, 10742–10752. [Google Scholar] [CrossRef]
- Poznyak, A.; Polyakov, A.; Azhmyakov, V. Attractive Ellipsoids in Robust Control; Systems & Control: Foundations & Applications Book Series; Springer International Publishing: Cham, Switzerland, 2014; ISBN 978-3-319-09209-6. [Google Scholar]
- Soliman, H.M.; Al-Hinai, A. Robust automatic generation control with saturated input using the ellipsoid method. Int. Trans. Electr. Energy Syst. 2018, 28, e2483. [Google Scholar] [CrossRef]
- Soliman, H.; Saleem, A. Ellipsoidal design of robust tracking controller for large-stroke piezoelectric actuators. Smart Mater. Struct. 2020, 29, 075031. [Google Scholar] [CrossRef]
- Soliman, H.M.; El-Metwally, K.; Soliman, M. Invariant Sets in Saturated and Robust Vehicle Suspension Control. Arab. J. Sci. Eng. 2020, 45, 7055–7064. [Google Scholar] [CrossRef]
- Bayoumi, E.; Soliman, M.; Soliman, H.M. Disturbance-rejection voltage control of an isolated microgrid by invariant sets. IET Renew. Power Gener. 2020, 14, 2331–2339. [Google Scholar] [CrossRef]
- Soliman, H.M.; Bayoumi, E.; Al-Hinai, A.; Soliman, M. Robust Decentralized Tracking Voltage Control for Islanded Microgrids by Invariant Ellipsoids. Energies 2020, 13, 5756. [Google Scholar] [CrossRef]
- Awad, H.; Bayoumi, E.; Soliman, H.; De Santis, M. Robust Tracker of Hybrid Microgrids by the Invariant-Ellipsoid Set. Electronics 2021, 10, 1794. [Google Scholar] [CrossRef]
- Nazin, S.A.; Polyak, B.T.; Topunov, M.V. Rejection of bounded exogenous disturbances by the method of invariant ellipsoids. Autom. Remote Control 2007, 68, 467–486. [Google Scholar] [CrossRef]
- Osorio, C.R.D.; Koch, G.G.; Pinheiro, H.; Oliveira, R.C.L.F.; Montagner, V.F. Robust Current Control of Grid-Tied Inverters Affected by LCL Filter Soft-Saturation. IEEE Trans. Ind. Electron. 2019, 67, 6550–6561. [Google Scholar] [CrossRef]
- Basso, T. IEEE 1547 and 2030 Standards for Distributed Energy Resources Interconnection and Interoperability with the Electricity Grid. National Renewable Energy Laboratory: Golden, CO, USA, 2014. [Google Scholar]
- Hornik, T.; Zhong, Q.-C. A Current-Control Strategy for Voltage-Source Inverters in Microgrids Based on H∞ and Repetitive Control. IEEE Trans. Power Electron. 2011, 26, 943–952. [Google Scholar] [CrossRef]
- Teodorescu, R.; Liserre, M.; Rodrıguez, P. Grid Converters for Photovoltaic and Wind Power Systems; Wiley: Hoboken, NJ, USA, 2011. [Google Scholar]
- Kolesnikov, A.A. Introduction of synergetic control. In Proceedings of the 2014 American Control Conference, Portland, OR, USA, 4–6 June 2014. [Google Scholar] [CrossRef]
- Laughton, M.A. Artificial intelligence techniques in power systems. In Proceedings of the IEE Colloquium on Artificial Intelligence Techniques in Power Systems, London, UK, 3 November 1997. [Google Scholar] [CrossRef]
- Sumathi, S.; Ashok Kumar, L.; Surekha, P. Computational Intelligence Paradigms for Optimization Problems Using MATLAB/SIMULINK; CRC Press: Boca Raton, FL, USA, 2016. [Google Scholar]















| Parameter | Value |
|---|---|
| Converter Inductance Lc | 1 mH |
| Filter Capacitor Cf | 62 μF |
| Max. grid inductance Lgmax | 1.5 mH |
| Min. grid inductance Lgmin | 0.5 mH |
| Load inductance Lc | 10 mH |
| Load capacitor Cc | 0.1 mF |
| Load resistor Rc | 50 Ω |
| Harmonic Component | Percentage |
|---|---|
| Fundamental | 100% |
| h = 3 | 9.47% |
| h = 5 | 0.06% |
| h = 7 | 1.77% |
| h = 9 | 8.58% |
| h = 11 | 0.87% |
| h = 13 | 0.3% |
| h = 15 | 0.07% |
| h = 17 | 0.03% |
| h = 19 | 0.04% |
| Harmonic Component | Percentage |
|---|---|
| Fundamental | 100% |
| h = 3 | 0.97% |
| h = 5 | 0.24% |
| h = 7 | 0.24% |
| h = 9 | 0.04% |
| h = 11 | 0.02% |
| h = 13 | 0.01% |
| h = 15 | 0.01% |
| h = 17 | 0.01% |
| h = 19 | 0.00% |
| Nonlinear Load | Without Controlled APF | With the Proposed APF Control | ||
|---|---|---|---|---|
| Load 25% | THD 7.65% | Agree with IEEE 1574? No | THD 0.47% | Agree with IEEE 1574? Yes |
| 50% | 9.39% | No | 0.97% | Yes |
| 100% | 15.57% | No | 1.58% | Yes |
| 150% | 25.95% | No | 2.78% | Yes |
| Invariant Sets Controller | H∞ Controller [29] | |||
|---|---|---|---|---|
| Lgmin | Lgmax | Lgmin | Lgmax 2.87% | |
| THD | 0.87% | 2.37% | 1.13% | |
| Invariant Set Controller | H∞ Controller [29] | |||
|---|---|---|---|---|
| Distorted voltage grid + Lgmin | Distorted voltage grid + Lgmax | Distorted voltage grid + Lgmin | Distorted voltage grid + Lgmax 3.29% | |
| THD | 2.04% | 3.27% | 2.22% | |
Disclaimer/Publisher’s Note: The statements, opinions and data contained in all publications are solely those of the individual author(s) and contributor(s) and not of MDPI and/or the editor(s). MDPI and/or the editor(s) disclaim responsibility for any injury to people or property resulting from any ideas, methods, instructions or products referred to in the content. |
© 2023 by the authors. Licensee MDPI, Basel, Switzerland. This article is an open access article distributed under the terms and conditions of the Creative Commons Attribution (CC BY) license (https://creativecommons.org/licenses/by/4.0/).
Share and Cite
Soliman, H.M.; Saleem, A.; Bayoumi, E.H.E.; De Santis, M. Harmonic Distortion Reduction of Transformer-Less Grid-Connected Converters by Ellipsoidal-Based Robust Control. Energies 2023, 16, 1362. https://doi.org/10.3390/en16031362
Soliman HM, Saleem A, Bayoumi EHE, De Santis M. Harmonic Distortion Reduction of Transformer-Less Grid-Connected Converters by Ellipsoidal-Based Robust Control. Energies. 2023; 16(3):1362. https://doi.org/10.3390/en16031362
Chicago/Turabian StyleSoliman, Hisham M., Ashraf Saleem, Ehab H. E. Bayoumi, and Michele De Santis. 2023. "Harmonic Distortion Reduction of Transformer-Less Grid-Connected Converters by Ellipsoidal-Based Robust Control" Energies 16, no. 3: 1362. https://doi.org/10.3390/en16031362

