Review of Artificial Intelligent Algorithms for Engine Performance, Control, and Diagnosis
Abstract
1. Introduction
1.1. Scope of the Paper
1.2. Why the Choice of Artificial Intelligent Algorithms in Engines?
2. Body
2.1. Artificial Intelligence (AI) Algorithms in Engine Performance
2.1.1. AI algorithms in Emission Control
Genetic Algorithms in Emission Control
Neural Networks (NN and ANN) Algorithms in Emission Control
2.1.2. AI Algorithms in Fuel Consumption
Neural Networks (NN) Algorithms in Fuel Consumption
Support Vector Machine (SVM) Algorithm in Fuel Prediction
2.2. Artificial Intelligence (AI) Algorithms in Engine Control
2.2.1. AI Algorithms in HEV Control
Neural Network Algorithm in Speed Control of HEV
Genetic Algorithm in Speed Control of HEVs
Fuzzy Logic Control Strategy in HEVs for Reducing Fuel Consumption
Deterministic Rule-Based Control Strategy in HEVs for Fuel Consumption
Reinforcement Learning in HEVs Energy Management
2.2.2. AI Algorithms in Transient Control
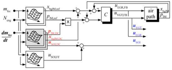
Dynamic Feedforward Algorithm in Transient Control
Reinforcement Learning Algorithm in Transient Operations
2.3. Artificial Intelligence (AI) Algorithms in Engine Diagnosis
2.3.1. AI Algorithms in Misfire Detection
Artificial Neural Networks (NN/ANN) Algorithms in Misfire Detection
2.3.2. AI Algorithms in Knock Detection
Convolutional Neural Network (CNN) Algorithms in Knock Detection
Reinforcement Learning Algorithm in Knock Detection
2.3.3. AI Algorithms in Intake System Leakage Detection
Neural Network Algorithms in Intake System Leakage Detection
3. Conclusions
4. Summary and Outlook
Author Contributions
Funding
Data Availability Statement
Conflicts of Interest
References
- Fontaras, G.; Samaras, Z. On the Way to 130gCO2/Km—Estimating the Future Characteristics of the Average European Passenger Car. Energy Policy 2010, 38, 1826–1833. [Google Scholar] [CrossRef]
- Witten, I.H.; Frank, E.; Hall, M.A. Data Mining: Practical Machine Learning Tools and Techniques, 3rd ed.; Morgan Kaufmann Series in Data Management Systems; Morgan Kaufmann: Burlington, MA, USA, 2011. [Google Scholar]
- Cabitza, F.; Rasoini, R.; Gensini, G.F. Unintended Consequences of Machine Learning in Medicine. JAMA 2017, 318, 517. [Google Scholar] [CrossRef]
- Mahdavinejad, M.S.; Rezvan, M.; Barekatain, M.; Adibi, P.; Barnaghi, P.; Sheth, A.P. Machine Learning for Internet of Things Data Analysis: A Survey. Digit. Commun. Netw. 2018, 4, 161–175. [Google Scholar] [CrossRef]
- Jongbloed, B. The Funding of Higher Education: International Perspectives. In International Encyclopedia of Education, 4th ed.; Elsevier: Amsterdam, The Netherlands, 2023; pp. 183–190. [Google Scholar] [CrossRef]
- Heaton, J.B.; Polson, N.G.; Witte, J.H. Deep Learning for Finance: Deep Portfolios. Appl. Stoch. Models Bus. Ind. 2017, 33, 3–12. [Google Scholar] [CrossRef]
- Chen, F.L.; Ou, T.Y. Sales Forecasting System Based on Gray Extreme Learning Machine with Taguchi Method in Retail Industry. Expert Syst. Appl. 2011, 38, 1336–1345. [Google Scholar] [CrossRef]
- Rafiei, M.H.; Adeli, H. A Novel Machine Learning Model for Estimation of Sale Prices of Real Estate Units. J. Constr. Eng. Manag. 2016, 142, 04015066. [Google Scholar] [CrossRef]
- Thangaraja, J.; Kannan, C. Effect of Exhaust Gas Recirculation on Advanced Diesel Combustion and Alternate Fuels—A Review. Appl. Energy 2016, 180, 169–184. [Google Scholar] [CrossRef]
- Yusri, I.M.; Abdul Majeed, A.P.P.; Mamat, R.; Ghazali, M.F.; Awad, O.I.; Azmi, W.H. A Review on the Application of Response Surface Method and Artificial Neural Network in Engine Performance and Exhaust Emissions Characteristics in Alternative Fuel. Renew. Sustain. Energy Rev. 2018, 90, 665–686. [Google Scholar] [CrossRef]
- Silitonga, A.S.; Masjuki, H.H.; Ong, H.C.; Sebayang, A.H.; Dharma, S.; Kusumo, F.; Siswantoro, J.; Milano, J.; Daud, K.; Mahlia, T.M.I.; et al. Evaluation of the Engine Performance and Exhaust Emissions of Biodiesel-Bioethanol-Diesel Blends Using Kernel-Based Extreme Learning Machine. Energy 2018, 159, 1075–1087. [Google Scholar] [CrossRef]
- Wong, P.K.; Gao, X.H.; Wong, K.I.; Vong, C.M. Online Extreme Learning Machine Based Modeling and Optimization for Point-by-Point Engine Calibration. Neurocomputing 2018, 277, 187–197. [Google Scholar] [CrossRef]
- Wong, P.K.; Wong, K.I.; Vong, C.M.; Cheung, C.S. Modeling and Optimization of Biodiesel Engine Performance Using Kernel-Based Extreme Learning Machine and Cuckoo Search. Renew. Energy 2015, 74, 640–647. [Google Scholar] [CrossRef]
- Makridakis, S. The Forthcoming Artificial Intelligence (AI) Revolution: Its Impact on Society and Firms. Futures 2017, 90, 46–60. [Google Scholar] [CrossRef]
- Afonso, J.A.; Sousa, R.A.; Ferreira, J.C.; Monteiro, V.; Pedrosa, D.; Afonso, J.L. IoT System for Anytime/Anywhere Monitoring and Control of Vehicles’ Parameters. In Proceedings of the 2017 IEEE International Conference on Service Operations and Logistics, and Informatics (SOLI), Bari, Italy, 18–20 September 2017; IEEE: New York, NY, USA, 2017; pp. 193–198. [Google Scholar] [CrossRef]
- Ghobadian, B.; Rahimi, H.; Nikbakht, A.M.; Najafi, G.; Yusaf, T.F. Diesel Engine Performance and Exhaust Emission Analysis Using Waste Cooking Biodiesel Fuel with an Artificial Neural Network. Renew. Energy 2009, 34, 976–982. [Google Scholar] [CrossRef]
- Dharma, S.; Hassan, M.H.; Ong, H.C.; Sebayang, A.H.; Silitonga, A.S.; Kusumo, F.; Milano, J. Experimental Study and Prediction of the Performance and Exhaust Emissions of Mixed Jatropha Curcas-Ceiba Pentandra Biodiesel Blends in Diesel Engine Using Artificial Neural Networks. J. Clean. Prod. 2017, 164, 618–633. [Google Scholar] [CrossRef]
- Ehsani, M.; Ahmadi, A.; Fadai, D. Modeling of Vehicle Fuel Consumption and Carbon Dioxide Emission in Road Transport. Renew. Sustain. Energy Rev. 2016, 53, 1638–1648. [Google Scholar] [CrossRef]
- Soofastaei, A.; Aminossadati, S.M.; Arefi, M.M.; Kizil, M.S. Development of a Multi-Layer Perceptron Artificial Neural Network Model to Determine Haul Trucks Energy Consumption. Int. J. Min. Sci. Technol. 2016, 26, 285–293. [Google Scholar] [CrossRef]
- Ben-Chaim, M.; Shmerling, E.; Kuperman, A. Analytic Modeling of Vehicle Fuel Consumption. Energies 2013, 6, 117–127. [Google Scholar] [CrossRef]
- Bifulco, G.; Galante, F.; Pariota, L.; Spena, M. A Linear Model for the Estimation of Fuel Consumption and the Impact Evaluation of Advanced Driving Assistance Systems. Sustainability 2015, 7, 14326–14343. [Google Scholar] [CrossRef]
- Yao, Y.; Zhao, X.; Zhang, Y.; Chen, C.; Rong, J. Modeling of Individual Vehicle Safety and Fuel Consumption under Comprehensive External Conditions. Transp. Res. Part Transp. Environ. 2020, 79, 102224. [Google Scholar] [CrossRef]
- Ma, H.; Xie, H.; Huang, D.; Xiong, S. Effects of Driving Style on the Fuel Consumption of City Buses under Different Road Conditions and Vehicle Masses. Transp. Res. Part Transp. Environ. 2015, 41, 205–216. [Google Scholar] [CrossRef]
- Jeon, H. The Impact of Climate Change on Passenger Vehicle Fuel Consumption: Evidence from U.S. Panel Data. Energies 2019, 12, 4460. [Google Scholar] [CrossRef]
- Shang, R.; Zhang, Y.; Max Shen, Z.-J.; Zhang, Y. Analyzing the Effects of Road Type and Rainy Weather on Fuel Consumption and Emissions: A Mesoscopic Model Based on Big Traffic Data. IEEE Access 2021, 9, 62298–62315. [Google Scholar] [CrossRef]
- Ziółkowski, J.; Oszczypała, M.; Małachowski, J.; Szkutnik-Rogoż, J. Use of Artificial Neural Networks to Predict Fuel Consumption on the Basis of Technical Parameters of Vehicles. Energies 2021, 14, 2639. [Google Scholar] [CrossRef]
- Perrotta, F.; Parry, T.; Neves, L.C. Application of Machine Learning for Fuel Consumption Modelling of Trucks. In Proceedings of the 2017 IEEE International Conference on Big Data (Big Data), Boston, MA, USA, 11–14 December 2017; IEEE: New York, NY, USA, 2017; pp. 3810–3815. [Google Scholar] [CrossRef]
- Kim, Y.-R.; Jung, M.; Park, J.-B. Development of a Fuel Consumption Prediction Model Based on Machine Learning Using Ship In-Service Data. J. Mar. Sci. Eng. 2021, 9, 137. [Google Scholar] [CrossRef]
- Baumann, S.; Neidhardt, T.; Klingauf, U. Evaluation of the Aircraft Fuel Economy Using Advanced Statistics and Machine Learning. CEAS Aeronaut. J. 2021, 12, 669–681. [Google Scholar] [CrossRef]
- Wang, Q.; Zhang, R.; Wang, Y.; Lv, S. Machine Learning-Based Driving Style Identification of Truck Drivers in Open-Pit Mines. Electronics 2019, 9, 19. [Google Scholar] [CrossRef]
- Wickramanayake, S.; Dilum Bandara, H.M.N. Fuel Consumption Prediction of Fleet Vehicles Using Machine Learning: A Comparative Study. In Proceedings of the 2016 Moratuwa Engineering Research Conference (MERCon), Moratuwa, Sri Lanka, 5–6 April 2016; IEEE: New York, NY, USA, 2016; pp. 90–95. [Google Scholar] [CrossRef]
- Topić, J.; Škugor, B.; Deur, J. Neural Network-Based Prediction of Vehicle Fuel Consumption Based on Driving Cycle Data. Sustainability 2022, 14, 744. [Google Scholar] [CrossRef]
- Abukhalil, T.; AlMahafzah, H.; Alksasbeh, M.; Alqaralleh, B.A.Y. Fuel Consumption Using OBD-II and Support Vector Machine Model. J. Robot. 2020, 2020, 9450178. [Google Scholar] [CrossRef]
- Hamed, M.A.; Khafagy, M.H.; Badry, R.M. Fuel Consumption Prediction Model Using Machine Learning. Int. J. Adv. Comput. Sci. Appl. 2021, 12, 406–414. [Google Scholar] [CrossRef]
- Kaur, J.; Gaur, P.; Saxena, P.; Kumar, V. Speed Control of Hybrid Electric Vehicle Using Artificial Intelligence Techniques. Int. J. Comput. Netw. Technol. 2014, 2, 33–39. [Google Scholar] [CrossRef]
- Yang, C.; Zha, M.; Wang, W.; Liu, K.; Xiang, C. Efficient Energy Management Strategy for Hybrid Electric Vehicles/Plug-in Hybrid Electric Vehicles: Review and Recent Advances under Intelligent Transportation System. IET Intell. Transp. Syst. 2020, 14, 702–711. [Google Scholar] [CrossRef]
- Sun, Y.; Wang, X.; Li, L.; Shi, J.; An, Q. Modelling and Control for Economy-oriented Car-following Problem of Hybrid Electric Vehicle. IET Intell. Transp. Syst. 2019, 13, 825–833. [Google Scholar] [CrossRef]
- Dextreit, C.; Kolmanovsky, I.V. Game Theory Controller for Hybrid Electric Vehicles. IEEE Trans. Control Syst. Technol. 2014, 22, 652–663. [Google Scholar] [CrossRef]
- Liessner, R.; Schroer, C.; Dietermann, A.; Bäker, B. Deep Reinforcement Learning for Advanced Energy Management of Hybrid Electric Vehicles. In Proceedings of the 10th International Conference on Agents and Artificial Intelligence, Funchal, Madeira, Portugal, 16–18 January 2018; SCITEPRESS—Science and Technology Publications: Funchal, Madeira, Portugal, 2018; pp. 61–72. [Google Scholar] [CrossRef]
- Xu, J.; Li, Z.; Gao, L.; Ma, J.; Liu, Q.; Zhao, Y. A Comparative Study of Deep Reinforcement Learning-Based Transferable Energy Management Strategies for Hybrid Electric Vehicles. In Proceedings of the 2022 IEEE Intelligent Vehicles Symposium (IV), Aachen, Germany, 4–9 June 2022; IEEE: New York, NY, USA, 2022; pp. 470–477. [Google Scholar] [CrossRef]
- Du, G.; Zou, Y.; Zhang, X.; Guo, L.; Guo, N. Energy Management for a Hybrid Electric Vehicle Based on Prioritized Deep Reinforcement Learning Framework. Energy 2022, 241, 122523. [Google Scholar] [CrossRef]
- Wang, Y.; Tan, H.; Wu, Y.; Peng, J. Hybrid Electric Vehicle Energy Management With Computer Vision and Deep Reinforcement Learning. IEEE Trans. Ind. Inform. 2021, 17, 3857–3868. [Google Scholar] [CrossRef]
- Mancini, G.; Asprion, J.; Cavina, N.; Onder, C.; Guzzella, L. Dynamic Feedforward Control of a Diesel Engine Based on Optimal Transient Compensation Maps. Energies 2014, 7, 5400–5424. [Google Scholar] [CrossRef]
- Hu, B.; Li, J. Shifting Deep Reinforcement Learning Algorithm Toward Training Directly in Transient Real-World Environment: A Case Study in Powertrain Control. IEEE Trans. Ind. Inform. 2021, 17, 8198–8206. [Google Scholar] [CrossRef]
- Kumagai, T.; Fujii, K.; Shimojo, S.; Tani, M. Reinforcement Learning Applied for Gasoline Engine Transient Control. Proc. Mech. Eng. Congr. Jpn. 2021, 2021, S071-08. [Google Scholar] [CrossRef]
- Sharma, A.; Sugumaran, V.; Babu Devasenapati, S. Misfire Detection in an IC Engine Using Vibration Signal and Decision Tree Algorithms. Measurement 2014, 50, 370–380. [Google Scholar] [CrossRef]
- Wu, Z.J.; Naik, S.M. DSP Applications in Engine Control and Onboard Diagnostics: Enabling Greener Automobiles. IEEE Signal Process. Mag. 2017, 34, 70–81. [Google Scholar] [CrossRef]
- Wang, X.; Zhang, P.; Gao, W.; Li, Y.; Wang, Y.; Pang, H. Misfire Detection Using Crank Speed and Long Short-Term Memory Recurrent Neural Network. Energies 2022, 15, 300. [Google Scholar] [CrossRef]
- Gao, Z.; Li, B.; Li, C.; Liu, B.; Liu, S.; Wu, X.; Huang, Z. Investigation on Characteristics of Ion Current in a Methanol Direct-Injection Spark-Ignition Engine. Fuel 2015, 141, 185–191. [Google Scholar] [CrossRef]
- Chiatti, G.; Chiavola, O.; Palmieri, F.; Piolo, A. Diagnostic Methodology for Internal Combustion Diesel Engines via Noise Radiation. Energy Convers. Manag. 2015, 89, 34–42. [Google Scholar] [CrossRef]
- Dragomiretskiy, K.; Zosso, D. Variational Mode Decomposition. IEEE Trans. Signal Process. 2014, 62, 531–544. [Google Scholar] [CrossRef]
- Qin, C.; Jin, Y.; Tao, J.; Xiao, D.; Yu, H.; Liu, C.; Shi, G.; Lei, J.; Liu, C. DTCNNMI: A Deep Twin Convolutional Neural Networks with Multi-Domain Inputs for Strongly Noisy Diesel Engine Misfire Detection. Measurement 2021, 180, 109548. [Google Scholar] [CrossRef]
- Jafari, M.; Borghesani, P.; Verma, P.; Eslaminejad, A.; Ristovski, Z.; Brown, R. Detection of Misfire in a Six-Cylinder Diesel Engine Using Acoustic Emission Signals. In Volume 11: Acoustics, Vibration, and Phononics; American Society of Mechanical Engineers: Pittsburgh, PA, USA, 2018; p. V011T01A016. [Google Scholar] [CrossRef]
- Zheng, T.; Zhang, Y.; Li, Y.; Shi, L. Real-Time Combustion Torque Estimation and Dynamic Misfire Fault Diagnosis in Gasoline Engine. Mech. Syst. Signal Process. 2019, 126, 521–535. [Google Scholar] [CrossRef]
- Lei, Y.; Yang, B.; Jiang, X.; Jia, F.; Li, N.; Nandi, A.K. Applications of Machine Learning to Machine Fault Diagnosis: A Review and Roadmap. Mech. Syst. Signal Process. 2020, 138, 106587. [Google Scholar] [CrossRef]
- Liu, B.; Zhao, C.; Zhang, F.; Cui, T.; Su, J. Misfire Detection of a Turbocharged Diesel Engine by Using Artificial Neural Networks. Appl. Therm. Eng. 2013, 55, 26–32. [Google Scholar] [CrossRef]
- Maurya, R.K. Knocking and Combustion Noise Analysis. In Reciprocating Engine Combustion Diagnostics; Mechanical Engineering Series; Springer International Publishing: Cham, Switzerland, 2019; pp. 461–542. [Google Scholar] [CrossRef]
- Bozza, F.; De Bellis, V.; Teodosio, L. Potentials of Cooled EGR and Water Injection for Knock Resistance and Fuel Consumption Improvements of Gasoline Engines. Appl. Energy 2016, 169, 112–125. [Google Scholar] [CrossRef]
- Valero-Marco, J.; Lehrheuer, B.; López, J.J.; Pischinger, S. Potential of Water Direct Injection in a CAI/HCCI Gasoline Engine to Extend the Operating Range towards Higher Loads. Fuel 2018, 231, 317–327. [Google Scholar] [CrossRef]
- Li, A.; Zheng, Z.; Peng, T. Effect of Water Injection on the Knock, Combustion, and Emissions of a Direct Injection Gasoline Engine. Fuel 2020, 268, 117376. [Google Scholar] [CrossRef]
- Ofner, A.B.; Kefalas, A.; Posch, S.; Geiger, B.C. Knock Detection in Combustion Engine Time Series Using a Theory-Guided 1-D Convolutional Neural Network Approach. IEEEASME Trans. Mechatron. 2022, 27, 4101–4111. [Google Scholar] [CrossRef]
- Netzer, C.; Seidel, L.; Pasternak, M.; Klauer, C.; Perlman, C.; Ravet, F.; Mauss, F. Engine Knock Prediction and Evaluation Based on Detonation Theory Using a Quasi-Dimensional Stochastic Reactor Model; SAE International: Warrendale, PA, USA, 2017; p. 2017-01-0538. [Google Scholar] [CrossRef]
- Vaughan, A.; Bohac, S.V. Real-Time, Adaptive Machine Learning for Non-Stationary, near Chaotic Gasoline Engine Combustion Time Series. Neural Netw. 2015, 70, 18–26. [Google Scholar] [CrossRef]
- Bares, P.; Selmanaj, D.; Guardiola, C.; Onder, C. A New Knock Event Definition for Knock Detection and Control Optimization. Appl. Therm. Eng. 2018, 131, 80–88. [Google Scholar] [CrossRef]
- Yang, Z.-X.; Rong, H.-J.; Wong, P.K.; Angelov, P.; Vong, C.M.; Chiu, C.W.; Yang, Z.-X. A Novel Multiple Feature-Based Engine Knock Detection System Using Sparse Bayesian Extreme Learning Machine. Cogn. Comput. 2022, 14, 828–851. [Google Scholar] [CrossRef]
- Hoblos, G.; Benkaci, M. A Model-Free Diagnosis Approach for Intake Leakage Detection and Characterization in Diesel Engines. Machines 2015, 3, 157–172. [Google Scholar] [CrossRef]























Disclaimer/Publisher’s Note: The statements, opinions and data contained in all publications are solely those of the individual author(s) and contributor(s) and not of MDPI and/or the editor(s). MDPI and/or the editor(s) disclaim responsibility for any injury to people or property resulting from any ideas, methods, instructions or products referred to in the content. |
© 2023 by the authors. Licensee MDPI, Basel, Switzerland. This article is an open access article distributed under the terms and conditions of the Creative Commons Attribution (CC BY) license (https://creativecommons.org/licenses/by/4.0/).
Share and Cite
Ineza Havugimana, L.F.; Liu, B.; Liu, F.; Zhang, J.; Li, B.; Wan, P. Review of Artificial Intelligent Algorithms for Engine Performance, Control, and Diagnosis. Energies 2023, 16, 1206. https://doi.org/10.3390/en16031206
Ineza Havugimana LF, Liu B, Liu F, Zhang J, Li B, Wan P. Review of Artificial Intelligent Algorithms for Engine Performance, Control, and Diagnosis. Energies. 2023; 16(3):1206. https://doi.org/10.3390/en16031206
Chicago/Turabian StyleIneza Havugimana, Landry Frank, Bolan Liu, Fanshuo Liu, Junwei Zhang, Ben Li, and Peng Wan. 2023. "Review of Artificial Intelligent Algorithms for Engine Performance, Control, and Diagnosis" Energies 16, no. 3: 1206. https://doi.org/10.3390/en16031206
APA StyleIneza Havugimana, L. F., Liu, B., Liu, F., Zhang, J., Li, B., & Wan, P. (2023). Review of Artificial Intelligent Algorithms for Engine Performance, Control, and Diagnosis. Energies, 16(3), 1206. https://doi.org/10.3390/en16031206
