A Compact Five-Level Single-Stage Boost Inverter
Abstract
1. Introduction
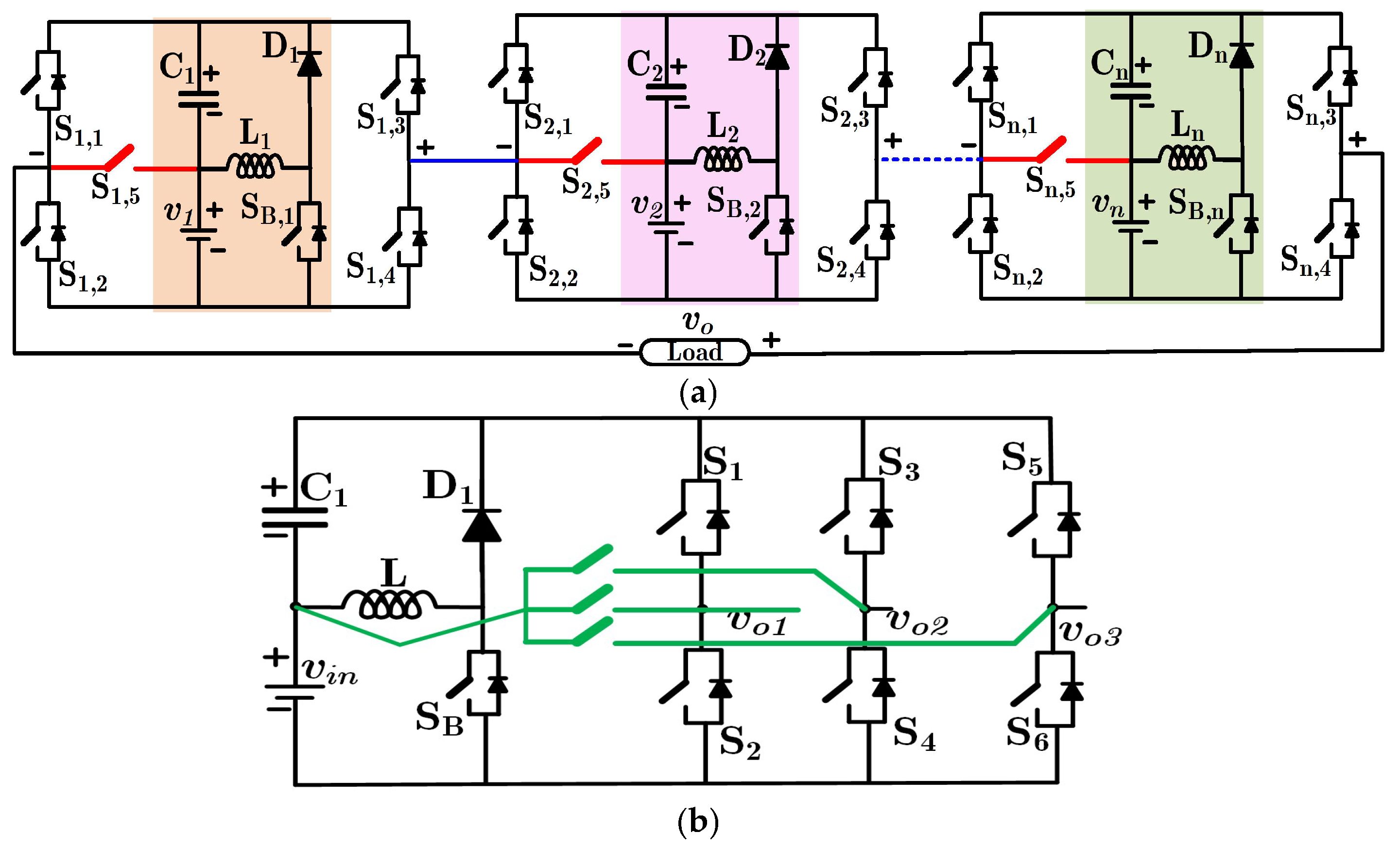
2. Proposed 5L-Single Stage-Boost Inverter (SBI) Topology
2.1. Description of Proposed Topology
2.2. Steady-State Operation
2.3. Analysis and Design of Passive Components
2.4. Cascaded Extension
2.5. 3ϕ(Three Phase)-Extension
3. Results and Discussions
4. Conclusions
Author Contributions
Funding
Institutional Review Board Statement
Informed Consent Statement
Data Availability Statement
Acknowledgments
Conflicts of Interest
References
- Daher, S.; Schmid, J.; Antunes, F.L.M. Multilevel Inverter Topologies for Stand-Alone PV Systems. IEEE Trans. Ind. Electron. 2008, 55, 2703–2712. [Google Scholar] [CrossRef]
- Sathik, M.J.; Vijayakumar, K. An assessment of recent multilevel inverter topologies with reduced power electronics components for renewable applications. Renew. Sustain. Energy Rev. 2018, 82, 3379–3399. [Google Scholar]
- Ali, J.S.; Sandeep, N.; Almakhles, D.; Yaragatti, U.R. A Five-Level Boosting Inverter for PV Application. IEEE J. Emerg. Sel. Top. Power Electron. 2020, 9, 5016–5025. [Google Scholar] [CrossRef]
- Saeedian, M.; Hosseini, S.M.; Adabi, J. A Five-Level Step-Up Module for Multilevel Inverters: Topology, Modulation Strategy, and Implementation. IEEE J. Emerg. Sel. Top. Power Electron. 2018, 6, 2215–2226. [Google Scholar] [CrossRef]
- Wang, H.; Kou, L.; Liu, Y.-F.; Sen, P. A seven-switch five-level active neutral-point-clamped converter and its optimal modulation strategy. IEEE Trans. Power Electron. 2017, 32, 5146–5161. [Google Scholar] [CrossRef]
- Sathik, M.J.; Almakhles, D.J.; Sandeep, N.; Siddique, M.D. Experimental validation of new self-voltage balanced 9L-ANPC inverter for photovoltaic applications. Sci Rep. 2021, 11, 5067–5080. [Google Scholar] [CrossRef] [PubMed]
- Wu, F.; Li, X.; Feng, F.; Gooi, H.B. Multi-topology-Mode Grid-Connected Inverter to Improve Comprehensive Performance of Renewable Energy Source Generation System. IEEE Trans. Power Electron. 2017, 32, 3623–3633. [Google Scholar] [CrossRef]
- Ho, A.; Chun, T. Single-Phase Modified Quasi-Z-Source Cascaded Hybrid Five-Level Inverter. IEEE Trans. Ind. Electron. 2018, 65, 5125–5134. [Google Scholar] [CrossRef]
- Nguyen, M.; Tran, T. Quasi Cascaded H-Bridge Five-Level Boost Inverter. IEEE Trans. Ind. Electron. 2017, 64, 8525–8533. [Google Scholar] [CrossRef]
- Abdullah, R.; Rahim, N.A.; Raihan, S.R.S.; Ahmad, A.Z. Five-Level Diode-Clamped Inverter with Three-Level Boost Converter. IEEE Trans. Ind. Electron. 2014, 61, 5155–5163. [Google Scholar] [CrossRef]
- Anurag, A.; Deshmukh, N.; Maguluri, A.; Anand, S. Integrated DC-DC Converter Based Grid-Connected Transformerless Photovoltaic Inverter with Extended Input Voltage Range. IEEE Trans. Power Electron. 2018, 33, 8322–8330. [Google Scholar] [CrossRef]
- Jahan, H.K.; Abapour, M.; Zare, K. Switched-Capacitor-Based Single-Source Cascaded H-Bridge Multilevel Inverter Featuring Boosting Ability. IEEE Trans. Power Electron. 2019, 34, 1113–1124. [Google Scholar] [CrossRef]
- Dhara, S.; Sekhar, V.T.S. A Nine-Level Transformerless Boost Inverter with Leakage Current Reduction and Fractional Direct Power Transfer Capability for PV Applications. IEEE J. Emerg. Sel. Top. Power Electron. 2021, 10, 7938–7949. [Google Scholar] [CrossRef]
- Lee, S.S.; Lim, C.S.; Siwakoti, Y.P.; Lee, K. Dual-T-Type Five-Level Cascaded Multilevel Inverter with Double Voltage Boosting Gain. IEEE Trans. Power Electron. 2020, 35, 9522–9529. [Google Scholar] [CrossRef]
- Rech, C.; Castiblanco, W.A.P. Five-Level Switched-Capacitor ANPC Inverter with Output Voltage Boosting Capability. IEEE Trans. Ind. Electron. 2023, 70, 29–38. [Google Scholar] [CrossRef]
- Sarebanzadeh, M.; Hosseinzadeh, M.A.; Garcia, C.; Babaei, E.; Jolfaei, A.; Rodriguez, J.; Kennel, R. A New Five-Level Grid-Connected PV Inverter Topology Controlled by Model Predictive. In Proceedings of the IECON 2022—48th Annual Conference of the IEEE Industrial Electronics Society, Brussels, Belgium, 17–20 October 2022; pp. 1–6. [Google Scholar] [CrossRef]










| Description | For 1ϕ Inverter | For 3ϕ Inverter | |||
|---|---|---|---|---|---|
| [14] | Pro. Symmetric | Pro. Asymmetric | [14] | Proposed | |
| NLevel | 4n + 1 | 4n + 1 | 5n | 5 | |
| NIGBT | 10n/9n | 7n | 7n | 24 | 18 |
| NDriver | 8n/7n | 6n | 6n | 18 | 15 |
| NDiode | n | n | n | 1 | 1 |
| NInd | n | n | n | 1 | 1 |
| NDC | n | n | n | 1 | 1 |
| Gain | 2nvin | 2nvin | 2vin | ||
| MVS | 2vin | 2vin | 2 × 5n − 1vin | ||
| TVS | 14nvin | 12nvin | 24vin | 18vin | |
| Top. | NSwitch | NDriver | NDiode | NCap | NDCS | NInd | TC | Charging |
|---|---|---|---|---|---|---|---|---|
| [3] | 7 | 7 | 2 | 2 | 1 | - | 19 | Hard |
| [4] | 7 | 7 | 4 | 2 | 1 | - | 21 | Hard |
| [5] | 7 | 7 | 2 | 1 | 1 | - | 18 | Hard |
| [6] | 9 | 9 | 8 | 2 | 1 | - | 23 | Hard |
| [7] | 10 | 10 | 2 | 2 | 2 | 2 | 28 | Soft |
| [8] | 8 | 8 | 3 | 4 | 1 | 2 | 26 | Soft |
| [9] | 8 | 8 | 4 | 3 | 2 | 2 | 27 | Soft |
| [10] | 12 | 12 | 4 | 4 | 1 | 3 | 36 | Soft |
| [11] | 9 | 9 | 1 | 2 | 1 | 1 | 23 | Soft |
| [12] | 9 | 9 | 3 | 2 | 1 | 1 | 25 | Hard |
| [13] | 12 | 11 | 2 | 4 | 1 | 2 | 32 | Soft |
| [14] | 9 | 7 | 1 | 1 | 1 | 1 | 20 | Soft |
| Pro. | 7 | 6 | 1 | 1 | 1 | 1 | 17 | Soft |
Disclaimer/Publisher’s Note: The statements, opinions and data contained in all publications are solely those of the individual author(s) and contributor(s) and not of MDPI and/or the editor(s). MDPI and/or the editor(s) disclaim responsibility for any injury to people or property resulting from any ideas, methods, instructions or products referred to in the content. |
© 2023 by the authors. Licensee MDPI, Basel, Switzerland. This article is an open access article distributed under the terms and conditions of the Creative Commons Attribution (CC BY) license (https://creativecommons.org/licenses/by/4.0/).
Share and Cite
Mohamed Ali, J.S.; Almakhles, D. A Compact Five-Level Single-Stage Boost Inverter. Energies 2023, 16, 1181. https://doi.org/10.3390/en16031181
Mohamed Ali JS, Almakhles D. A Compact Five-Level Single-Stage Boost Inverter. Energies. 2023; 16(3):1181. https://doi.org/10.3390/en16031181
Chicago/Turabian StyleMohamed Ali, Jagabar Sathik, and Dhafer Almakhles. 2023. "A Compact Five-Level Single-Stage Boost Inverter" Energies 16, no. 3: 1181. https://doi.org/10.3390/en16031181
APA StyleMohamed Ali, J. S., & Almakhles, D. (2023). A Compact Five-Level Single-Stage Boost Inverter. Energies, 16(3), 1181. https://doi.org/10.3390/en16031181
