Optimization Approach for Planning Soft Open Points in a MV-Distribution System to Maximize the Hosting Capacity
Abstract
1. Introduction
- A novel multi-objective algorithm to simultaneously solve SOP optimization and network reconfiguration in a single step, which tends to provide a better Pareto set of concurrent solutions, as shown in the introduced case studies;
- A novel multi-objective algorithm named MOAIS that combines the capability of the method from [19] to solve the NR problem with the potential of the Pareto method to obtain concurrent nondominated solutions;
- In the literature, only the work of [18] proposed a multi-objective tool that had HC maximization and SOP cost minimization as goals. However, optimization was achieved in a step-by-step method, as previously described. However, the present paper intends to contribute to the literature regarding SOP planning under the HC and inherent cost standpoints.
2. Background
2.1. SOP Operation Model
| , | SOP active powers at terminals I and J, in p.u., respectively. | ||
| , | SOP reactive powers at terminals I and J, in p.u., respectively. |
| , | rated power of VSCs connected to terminals I and J, in p.u., respectively. |
2.2. Single-Objective AIS Algorithm
2.3. Pareto Method
3. Proposed Approach
3.1. HC Maximization Model
| ndg | Set of DG units; |
| nlp | Set of load busses; |
| Active power injected by the uth DG unit, in p.u.; | |
| Set of busses directly connected to bus k; | |
| CHkm | Value associated with maneuverable switch k-m; |
| Pgk, Qgk | Active and reactive injections at bus k, respectively, in p.u.; |
| Plk, Qlk | Active and reactive power load at bus k, in p.u., respectively; |
| Pkm, Qkm | Active and reactive power flow through branch k-m, in p.u., respectively; |
| DG active power injected at bus k, in p.u.; | |
| , | SOP active and reactive powers at bus k, in p.u., respectively; |
| Vector containing the other OPF variables that have lower and upper limits, in p.u.; and | |
| Vectors containing the lower and upper limits, in p.u., respectively, of the variables . |
3.2. Total Power Losses
| nbus | Total number of busses; |
| gkm | Conductance of branch k-m, in p.u.; |
| Vk | Voltage magnitude at bus k, in p.u.; and |
| θkm | Phase angle between busses k and m, in radians. |
3.3. Total Annual Cost Formulation
| λ | Discount rate; |
| q | SOP lifetime, in years; |
| cSOP | SOP capital cost per unit capacity, in $/kVA; |
| Sb | Base power of the system, in MVA; |
| α | Coefficient of the annual operational costs. |
3.4. Proposed MOAIS Algorithm
| Normalized fitness function of solution ‘i’; | |
| Mean value of the CDs of the solutions in PsND; and | |
| Standard deviation of the CDs of the solutions in PsND. |
| Nci | Number of clones of solution ‘i’; |
| round(.) | Round operator to the nearest integer value; and |
| Control parameter for the cloning process. |
| pi | Mutation probability of solution ‘i’; and |
| ρ | Control parameter for the hypermutation process. |
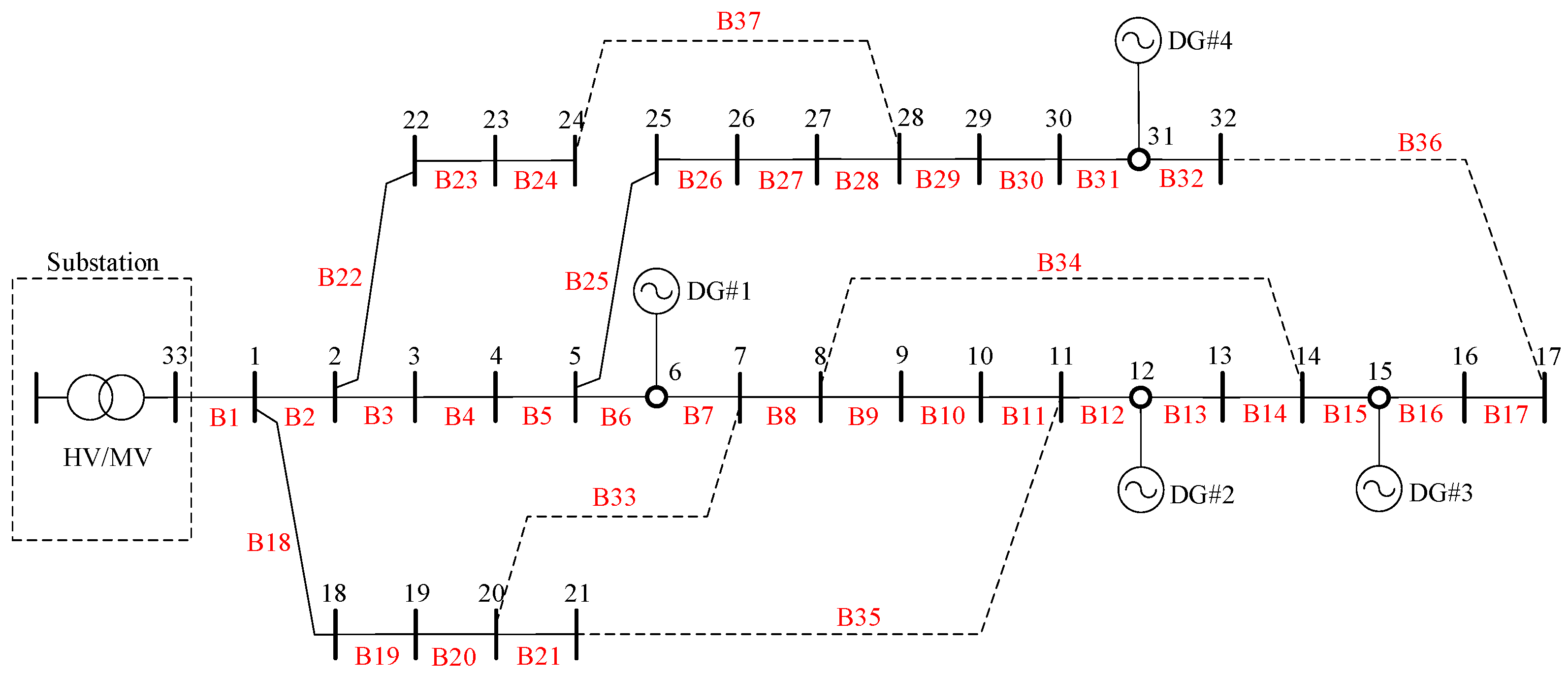
4. Case Studies
4.1. General Description
4.2. Case 1
4.3. Case 2
4.4. Case 3
4.5. Case 4
4.6. Case 5
- (a)
- Reference [12]:
- (b)
- Reference [14]:
5. Conclusions
Author Contributions
Funding
Data Availability Statement
Acknowledgments
Conflicts of Interest
References
- REN21—Renewable Energy Policy Network for the 21st Century (2022) Renewables 2022 Global Status Report, Paris. Available online: https://www.ren21.net/wp-content/uploads/2019/05/GSR2022_Full_Report.pdf (accessed on 16 September 2022).
- IEA (International Energy Agency). Snapshot of Global PV Markets—2022. IEA Photovoltaic Power Systems Programme. Report IEA-PVPS T1-42:2022, 2022. Available online: https://iea-pvps.org/snapshot-reports/snapshot-2022/ (accessed on 16 September 2022).
- Abideen, M.Z.U.; Ellabban, O.; Al-Fagih, L. A Review of the tools and methods for distribution networks’ hosting capacity calculation. Energies 2020, 13, 2758. [Google Scholar] [CrossRef]
- Ismael, S.M.; Abdel Aleem, S.H.E.; Abdelaziz, A.Y.; Zobaa, A.F. State-of-the-art of hosting capacity in modern power systems with distributed generation. Renew. Energy 2019, 130, 1002–1020. [Google Scholar] [CrossRef]
- Cao, W.; Wu, J.; Jenkins, N.; Wang, C.; Green, T. Benefits analysis of soft open points for electrical distribution network operation. Appl. Energy 2016, 165, 36–47. [Google Scholar] [CrossRef]
- Wang, C.; Song, G.; Li, P.; Ji, H.; Zhao, J.; Wu, J. Optimal siting and sizing of soft open points in active electrical distribution networks. Appl. Energy 2017, 189, 301–309. [Google Scholar] [CrossRef]
- Qi, Q.; Wu, J.; Long, C. Multi-objective operation optimization of an electrical distribution network with soft open point. Appl. Energy 2017, 208, 734–744. [Google Scholar] [CrossRef]
- Jiang, X.; Zhou, Y.; Ming, W.; Yang, P.; Wu, J. An overview of soft open points in electricity distribution network. IEEE Trans. Smart Grid 2022, 13, 1899–1910. [Google Scholar] [CrossRef]
- Thomas, L.J.; Burchill, A.; Rogers, D.J.; Guest, M.; Jenkins, N. Assessing distribution network hosting capacity with the addition of soft open points. In Proceedings of the 5th IET International Conference on Renewable Power Generation (RPG), London, UK, 21–23 September 2016. [Google Scholar] [CrossRef]
- Ji, H.; Li, P.; Wang, C.; Song, G.; Zhao, J.; Su, H.; Wu, J. A strengthened SOCP-based approach for evaluating the distributed generation hosting capacity with soft open points. Energy Procedia 2017, 142, 1947–1952. [Google Scholar] [CrossRef]
- Liang, H.; Zhang, K.; Li, S.; Ge, L.; Wang, Q.; Han, T. Allowable DG penetration Capacity Calculation of SNOP-based flexible distribution network. In Proceedings of the China International Conference on Electricity Distribution, Tianjin, China, 17–19 September 2018. [Google Scholar] [CrossRef]
- Qi, Q.; Wu, J. Increasing distributed generation penetration using network reconfiguration and soft open points. Energy Procedia 2017, 105, 2169–2174. [Google Scholar] [CrossRef]
- Ji, H.; Wang, C.; Li, P.; Zhao, J.; Song, G.; Wu, J. Quantified flexibility evaluation of soft open points to improve distributed generator penetration in active distribution networks based on difference-of-convex programming. Appl. Energy 2018, 218, 338–348. [Google Scholar] [CrossRef]
- Abbas, A.S.; Abou El-Ela, A.A.; El-Sehiemy, R.A. Maximization approach of hosting capacity based on uncertain renewable energy resources using network reconfiguration and soft open points. Int. Trans. Electr. Energy Syst. 2022, 2022, 14. [Google Scholar] [CrossRef]
- Diaaeldin, I.M.; Abdel Aleem, S.H.E.; El-Rafei, A.; Abdelaziz, A.Y.; Calasan, M. Optimal soft open points operation and distributed generations penetration in a reconfigured Egyptian distribution network. In Proceedings of the 25th International Conference on Information Technology (IT), Zabljak, Montenegro, 16–20 February 2021. [Google Scholar] [CrossRef]
- Qi, Q.; Wu, J.; Zhang, L.; Cheng, M. Multi-objective optimization of electrical distribution network operation considering reconfiguration and soft open points. Energy Procedia 2016, 103, 141–146. [Google Scholar] [CrossRef]
- Ali, Z.M.; Diaaeldin, I.M.; El-Rafei, A.; Hasanien, H.M.; Abdel Aleem, S.H.E.; Abdelaziz, A.Y. A novel distributed generation planning algorithm via graphically-based network reconfiguration and soft open points placement using Archimedes optimization algorithm. Ain Shams Eng. J. 2021, 12, 1923–1941. [Google Scholar] [CrossRef]
- Diaaeldin, I.M.; Abdel Aleem, S.H.E.; El-Rafei, A.; Abdelaziz, A.Y.; Zobaa, A.F. Enhancement of hosting capacity with soft open points and distribution system reconfiguration: Multi-objective bilevel stochastic optimization. Energies 2020, 13, 5446. [Google Scholar] [CrossRef]
- Oliveira, L.W.; Oliveira, E.J.; Gomes, F.V.; Silva Junior, I.C.; Marcato, A.L.M.; Resende, P.V.C. Artificial Immune Systems applied to the reconfiguration of electrical power distribution networks for energy loss minimization. Int. J. Electr. Power Energy Syst. 2014, 56, 64–74. [Google Scholar] [CrossRef]
- Oliveira, L.W.; Seta, F.S.; Oliveira, E.J. Optimal reconfiguration of distribution systems with representation of uncertainties through interval analysis. Int. J. Electr. Power Energy Syst. 2016, 83, 382–391. [Google Scholar] [CrossRef]
- Da Silva Seta, F.; Oliveira, L.W.; Oliveira, E.J. Comprehensive approach for distribution system planning with uncertainties. IET Gener. Transm. Distrib. 2019, 13, 5467–5477. [Google Scholar] [CrossRef]
- Seta, F.S.; De Oliveira, L.W.; De Oliveira, E.J. Distribution system planning with representation of uncertainties based on interval analysis. J. Control. Autom. Electr. Syst. 2020, 31, 494–510. [Google Scholar] [CrossRef]
- Michalewicz, Z.; Fogel, D.B. How to Solve it: Modern Heuristics; Springer Science & Business Media: Berlin/Heidelberg, Germany, 2013. [Google Scholar] [CrossRef]
- Castro, L.N.; Von Zuben, F.J. Learning and optimization using the clonal selection principle. IEEE Trans. Evol Comput. 2002, 6, 239–251. [Google Scholar] [CrossRef]
- Civanlar, S.; Grainger, J.J.; Yin, H.; Lee, S.S.H. Distribution feeder reconfiguration for loss reduction. IEEE Trans Power Deliv. 1988, 3, 1217–1223. [Google Scholar] [CrossRef]
- Baran, M.E.; Wu, F.F. Network reconfiguration in distribution systems for loss reduction and load balancing. IEEE Trans Power Deliv. 1989, 4, 1401–1407. [Google Scholar] [CrossRef]
- Shin, J.R.; Kim, B.S.; Park, J.B.; Lee, K.Y. A new optimal routing algorithm for loss minimization and voltage stability improvement in radial power system. IEEE Trans. Power Syst. 2007, 22, 648–657. [Google Scholar] [CrossRef]
- Gong, M.; Jiao, L.; Du, H.; Bo, L. Multiobjective Immune Algorithm with Nondominated Neighbor-based Selection. Evol. Comput. 2008, 16, 225–255. [Google Scholar] [CrossRef]
- Deb, K.; Pratap, A.; Agarwal, S.; Meyarivan, T. A fast and elitist multiobjective genetic algorithm: NSGA-II. IEEE Trans. Evol. Comput. 2002, 6, 182–197. [Google Scholar] [CrossRef]
















| Ref. | Single- Objective | Multi-Objective | SOP Allocation | NR and SOP Allocation | ||||
|---|---|---|---|---|---|---|---|---|
| Max HC | Max HC | Min PLoss | Min SOP costs | Other Metrics | Site | Size | ||
| [7] | ✕ | ✕ | ✕ | ✕ | ✓ | Limited | Predefined | Two-step |
| [10] | ✓ | ✕ | ✕ | ✕ | ✕ | Limited | Predefined | Only SOP allocation |
| [11] | ✓ | ✕ | ✕ | ✕ | ✕ | Limited | Predefined | Only SOP allocation |
| [12] | ✓ | ✕ | ✕ | ✕ | ✕ | ✓ | Predefined | Iterative |
| [13] | ✓ | ✕ | ✕ | ✕ | ✕ | Limited | Predefined | Only SOP allocation |
| [14] | ✓ | ✕ | ✕ | ✕ | ✕ | ✓ | ✓ | Two-step |
| [15] | ✕ | ✕ | ✕ | ✕ | ✓ | ✓ | ✓ | Two-step |
| [16] | ✕ | ✓ | ✓ | ✕ | ✓ | ✓ | Predefined | Two-step |
| [17] | ✕ | ✓ | ✓ | ✕ | ✓ | ✓ | ✓ | Iterative |
| [18] | ✕ | ✓ | ✓ | ✓ | ✕ | ✓ | ✓ | Iterative |
| Proposed approach | ✕ | ✓ | ✓ | ✓ | ✕ | ✓ | ✓ | Simultaneous |
| Parameter | Value |
|---|---|
| Population size (NAb) | 2 × nvar |
| gmax | 100 |
| β | 20 |
| ρ | ρ1 = 1.0; ρ2 = 0.2 |
| gest | (20/100) × gmax |
| n | (10/100) × NAb |
| d | (5/100) × NAb |
| Parameter | Value | Parameter | Value |
|---|---|---|---|
| (p.u.) | 0.95 | λ | 0.08 |
| (p.u.) | 1.08 | q (years) | 20 |
| (A) | 300 [16] | α | 0.01 [6] |
| cSOP ($/kVA) | 308.8 [6] |
| Power Loss (kW) | Open Switches | SOP Site | SOP Outputpowers (MW, MVAr, MVAr) | ||
|---|---|---|---|---|---|
| 496.92 | B9-B14-B28-B32 | B7 | −0.476 | −0.709 | −1.720 |
| 444.90 | B7-B14-B28-B32 | B9 | −0.048 | −1.113 | −0.636 |
| 465.48 | B7-B9-B28-B32 | B14 | 0.382 | −1.023 | −0.683 |
| 268.98 | B7-B9-B14-B32 | B28 | −0.077 | 0.220 | 1.252 |
| 247.80 | B7-B9-B14-B28 | B32 | 0.514 | 1.015 | 0.327 |
| Power Loss (kW) | HC (%) | OP # | Open Switches | SOP Site | SOP Output Powers (MW, MVAr, MVAr) | ||
|---|---|---|---|---|---|---|---|
| 234.81 | 114.38 | 1 | B8-B12-B16-B20-B28 | -- | -- | -- | -- |
| 235.77 | 126.92 | 2 | B8-B14-B16-B20-B28 | -- | -- | -- | -- |
| 236.33 | 135.98 | 3 | B7-B16-B21-B26-B34 | -- | -- | -- | -- |
| 236.90 | 200 | 4 | B7-B10-B13-B27 | B30 | 1.895 | 0.385 | 0.446 |
| Power Loss (kW) | HC (%) | OP # | Open Switches | SOP Site | SOP Outputpowers (MW, MVAr, MVAr) | ||
|---|---|---|---|---|---|---|---|
| 250.38 | 144.83 | 1 | B7-B25-B34-B35-B36 | -- | -- | -- | -- |
| 261.48 | 155.85 | 2 | B8-B11-B16-B28-B33 | -- | -- | -- | -- |
| 296.33 | 173.83 | 3 | B8-B10-B27-B32-B33 | -- | -- | -- | -- |
| 402.79 | 184.14 | 4 | B7-B14-B24-B34-B35 | -- | -- | -- | -- |
| 424.92 | 211.03 | 5 | B7-B9-B14-B28-B34 | -- | -- | -- | -- |
| 509.62 | 216.12 | 6 | B13-B19-B25-B34-B35 | -- | -- | -- | -- |
| 1265.41 | 297.30 | 7 | B10-B14-B24-B33 | B25 | −0.003 | 2.000 | −1.107 |
| 1345.47 | 302.65 | 8 | B10-B14-B25-B33 | B22 | −0.538 | 1.925 | −0.672 |
| 1570.33 | 306.70 | 9 | B7-B9-B14-B23 | B25 | −0.723 | 1.864 | −0.521 |
| 1596.45 | 307.90 | 10 | B14-B22-B25-B33 | B7 | 0.155 | 1.991 | −0.563 |
| 2153.38 | 313.04 | 11 | B7-B11-B21-B22 | B25 | −0.193 | 1.989 | −0.836 |
| 2168.48 | 313.14 | 12 | B7-B10-B21-B22 | B25 | −0.244 | 1.984 | −0.838 |
| 2536.25 | 317.45 | 13 | B7-B12-B25-B33 | B22 | −0.107 | 1.995 | −0.868 |
| 2558.45 | 317.73 | 14 | B7-B12-B22-B33 | B25 | −0.101 | 1.997 | −0.873 |
| 2595.51 | 318.78 | 15 | B7-B21-B22-B34 | B25 | −0.083 | 1.996 | −1.038 |
| CSOP ($ × 1000) | HC (%) | OP # | Open Switches | SOP Site | SOP Size (MVA) |
|---|---|---|---|---|---|
| 0.00 | 199.93 | 1 | B3-B8-B10-B15-B22 | -- | -- |
| 49.30 | 232.41 | 2 | B4-B10-B12-B32 | B2 | 1.43 |
| 51.99 | 243.90 | 3 | B2-B4-B9-B15 | B21 | 1.51 |
| 68.19 | 269.35 | 4 | B2-B6-B11-B35 | B26 | 1.97 |
| 71.44 | 286.42 | 5 | B3-B11-B14-B28 | B17 | 2.07 |
| 118.72 | 312.71 | 6 | B5-B15-B21-B34 | B23 | 3.44 |
| 169.83 | 314.09 | 7 | B10-B19-B23-B36 | B34 | 4.92 |
| 245.43 | 349.43 | 8 | B4-B8-B10-B33 | B24 | 7.11 |
| 339.19 | 358.85 | 9 | B6-B27-B33 | B13-B21 | 5.01/4.81 |
| 440.62 | 376.60 | 10 | B8-B27-B34 | B3-B16 | 8.28/4.48 |
| 441.52 | 391.43 | 11 | B6-B22-B33 | B9-B18 | 5.77/7.01 |
| 559.05 | 400.82 | 12 | B7 | B14-B17-B24-B33 | 2.82/6.55/6.33/0.48 |
| 736.18 | 411.85 | 13 | -- | B7-B8-B14-B24-B32 | 4.19/1.87/2.55/6.15/6.55 |
| 778.96 | 415.32 | 14 | -- | B7-B8-B14-B32-B37 | 2.61/1.31/5.40/5.75/7.48 |
| 877.29 | 416.69 | 15 | -- | B7-B8-B14-B20-B37 | 3.55/3.57/3.72/7.78/6.79 |
| 952.34 | 421.57 | 16 | -- | B3-B10-B14-B28-B31 | 6.67/0.65/3.68/7.04/9.53 |
| CSOP ($ × 1000) | PLoss (kW) | HC (%) | OT # | Open Switches | SOP Site | SOP Size (MVA) |
|---|---|---|---|---|---|---|
| 0.00 | 558.37 | 216.26 | 1 | B3-B14-B15-B21-B26 | -- | -- |
| 129.62 | 1902.13 | 317.43 | 2 | B7-B9-B14-B24 | B30 | 3.75 |
| 366.12 | 2812.50 | 351.64 | 3 | B7-B11-B13 | B8-B27 | 3.49/7.11 |
| 424.63 | 3205.14 | 363.29 | 4 | B4-B10-B35 | B16-B23 | 5.36/6.93 |
| 461.91 | 3401.81 | 368.34 | 5 | B9-B26 | B13-B20-B34 | 4.15/5.92/3.31 |
| 875.46 | 4353.75 | 394.21 | 6 | B4 | B10-B13-B24-B30 | 6.32/4.98/7.09/6.95 |
| 557.95 | 2866.27 | 352.75 | 7 | -- | B6-B10-B13-B24-B29 | 5.92/1.27/0.84/5.79/2.32 |
| Power Loss (kW) | HC (%) | OP # | Open Switches | SOP Site |
|---|---|---|---|---|
| 99.12 | 78.91 | 1 | B33-B34-B35-B36-B37 | -- |
| 214.41 | 146.03 | 2 | B8-B10-B17-B27-B33 | -- |
| 8670.90 | 399.86 | 3 | B2-B28-B34-B35 | B07 |
| Parameter | Value | Parameter | Value |
|---|---|---|---|
| (p.u.) | 0.95 | Loading level (%) | 90 |
| (p.u.) | 1.05 | (A) | 300 |
| Power Loss (kW) | HC (%) | OP # | Open Switches | SOP Site | SOP Size (MVA) |
|---|---|---|---|---|---|
| 23.31 | 90.60 | 1 | B7-B14-B33-B37 | B34 | 0.10 |
| 65.29 | 92.02 | 2 | B10-B20-B32-B34 | B3 | 0.25 |
| 120.71 | 93.52 | 3 | B2-B8-B10-B27 | B21 | 0.25 |
| 188.21 | 95.33 | 4 | B2-B11-B24-B35 | B29 | 0.25 |
| Case Study | Average Time (s) |
|---|---|
| 1 | 650.8 |
| 2 | 1133.8 |
| 3 | 2572.7 |
| 4 | 2721.7 |
| 5a | 1031.1 |
| 5b | 1402.8 |
Disclaimer/Publisher’s Note: The statements, opinions and data contained in all publications are solely those of the individual author(s) and contributor(s) and not of MDPI and/or the editor(s). MDPI and/or the editor(s) disclaim responsibility for any injury to people or property resulting from any ideas, methods, instructions or products referred to in the content. |
© 2023 by the authors. Licensee MDPI, Basel, Switzerland. This article is an open access article distributed under the terms and conditions of the Creative Commons Attribution (CC BY) license (https://creativecommons.org/licenses/by/4.0/).
Share and Cite
de Oliveira, R.; de Oliveira, L.W.; de Oliveira, E.J. Optimization Approach for Planning Soft Open Points in a MV-Distribution System to Maximize the Hosting Capacity. Energies 2023, 16, 1035. https://doi.org/10.3390/en16031035
de Oliveira R, de Oliveira LW, de Oliveira EJ. Optimization Approach for Planning Soft Open Points in a MV-Distribution System to Maximize the Hosting Capacity. Energies. 2023; 16(3):1035. https://doi.org/10.3390/en16031035
Chicago/Turabian Stylede Oliveira, Ricardo, Leonardo Willer de Oliveira, and Edimar José de Oliveira. 2023. "Optimization Approach for Planning Soft Open Points in a MV-Distribution System to Maximize the Hosting Capacity" Energies 16, no. 3: 1035. https://doi.org/10.3390/en16031035
APA Stylede Oliveira, R., de Oliveira, L. W., & de Oliveira, E. J. (2023). Optimization Approach for Planning Soft Open Points in a MV-Distribution System to Maximize the Hosting Capacity. Energies, 16(3), 1035. https://doi.org/10.3390/en16031035

