Suitable Analysis of Micro-Increased Capacity Model on Cold-End System of Nuclear Power Plant
Abstract
:1. Introduction
2. Nuclear Thermal System Description
3. Calculation Model for Nuclear Power Two and Three Circuits
3.1. Calculation Model for Major Equipment
3.1.1. Calculation Model for a Two-Loop System
- (a)
- Overheating section
- (b)
- Coagulation section
- (c)
- Hydrophobic section
3.1.2. Three-Loop System Calculation Model
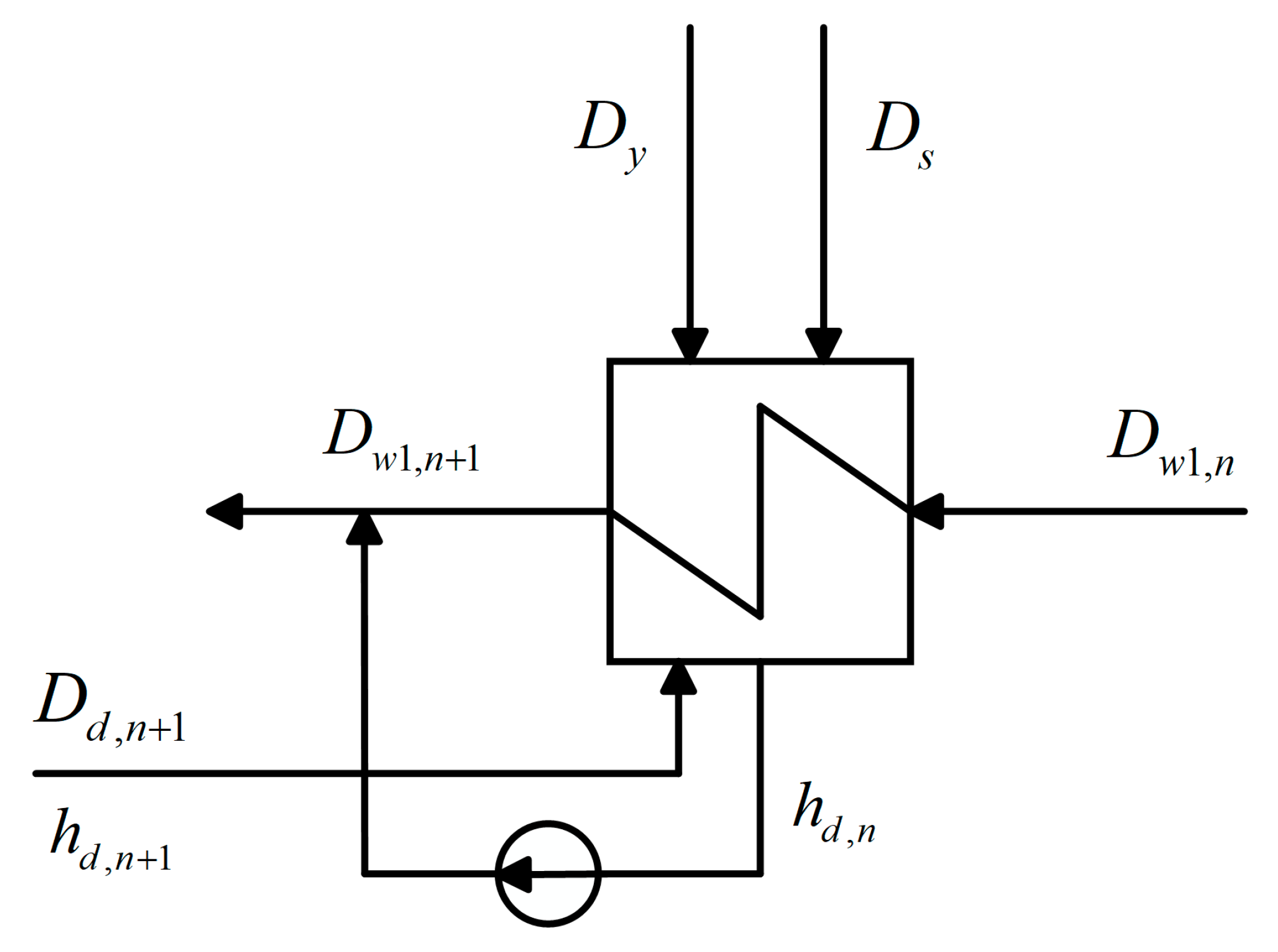
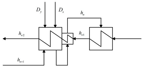
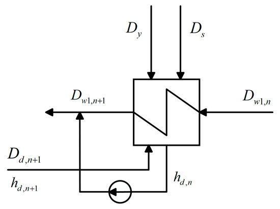
3.2. Model Calculation Logic
3.2.1. Calculation Logic for Two-Loop Models
3.2.2. Three-Loop Model Calculation Logic
4. Computational Model Validation
4.1. Verification of Two-Loop Modeling Design Conditions
4.2. Verification of Two-Loop Model with Variable Operating Conditions
4.3. Three-Loop Model Design Parameters
5. Cold-End System Micropower Modeling Analysis
5.1. Exhaust Vapor Flow Analysis of Two Models
5.2. Unit Back Pressure Analysis for Two Models
5.3. Unit Power Analysis for Both Models
6. Conclusions
- (1)
- For the two-loop thermal system given in this paper, the turbine exhaust flow rate of the coupled model of the two-loop and cold-end system increases gradually with the increase in the circulating water temperature and the decrease in the flow rate.
- (2)
- The error between the back pressure calculated by the separate condenser model and the coupled model gradually increases with the decrease in the circulating water temperature. Especially when the circulating water flow rate and temperature are small, the error is more obvious.
- (3)
- Because the condenser model uses the exhaust steam flow rate and the exhaust steam dryness as fixed values in the calculation, but these two parameters change when the circulating water parameters change, there is an error in the cold-end system micropower model composed of a separate condenser calculation model. The coupled model provided in this paper can solve the errors generated by the condenser model and more accurately reflect the relationship between the cold-end and the system micropower. The range of applicability of the condenser model is analyzed based on the error between the coupled model and the condenser model at a unit micropower increase error of 1%.
- (4)
- According to the analysis of the results, it is found that when the error of incremental power of the two models tends to flatten out with the change in the circulating water flow rate, the size of the error increases with the increase in the circulating water temperature, but the error suddenly decreases when the circulating water temperature is 20 °C, and then it gradually increases with the increase in the circulating water temperature again. This shows that the accuracy of the condenser model is the highest when the circulating water temperature is 20 °C, which is close to the designed circulating water flow rate.
Author Contributions
Funding
Data Availability Statement
Acknowledgments
Conflicts of Interest
Nomenclature
| a | steam heat transfer fraction coefficient (kW/(m2·°C)) |
| A | area (m3) |
| B | coefficients related to the average temperature of the condensate film |
| cp | specific heat (kJ/(kg·°C)) |
| d | diameter (m) |
| D | flow rate (kg/s) |
| FM | correction factor for the material of condenser |
| FC | comprehensive cleaning factor |
| FW | inlet temperature correction factor for circulating water |
| h | enthalpy (kJ/kg) |
| k | tube heat transfer coefficient (kW/(m2·°C)) |
| K | heat transfer coefficient (kW/(m2·°C)) |
| K0 | uncorrected heat transfer coefficient (kW/(m2·°C)) |
| m | cooling magnification |
| N | number of tubes per stroke |
| Pr | Prantl number |
| Q | heat load (kW) |
| r | latent heat of vaporization (kJ/kg) |
| Re | Reynolds number |
| t | temperature (°C) |
| v | specific volume (m3/kg) |
| w | velocity magnitude (m/s) |
| W | unit power (kW) |
| x | vapor dryness |
| Greek symbols | |
| η | efficiency |
| λ | heat conductivity (W/(m2·°C)) |
| υ | kinematic viscosity (m2/s) |
| Δ | difference |
References
- Wang, C.; Liu, M.; Zhao, Y.; Qiao, Y.; Chong, D.; Yan, J. Dynamic modeling and operation optimization for the cold end system of thermal power plants during transient processes. Energy 2018, 145, 734–746. [Google Scholar] [CrossRef]
- Chen, J.; Xu, D.M. Characteristics and selection of nuclear power steam turbine. J. Eng. Therm. Energy Power 2010, 25, 459–462+472. (In Chinese) [Google Scholar]
- Xu, D.M.; Ke, Y.; Wang, S.Y. General calculation method and application of turbine power back pressure characteristics. J. Eng. Therm. Energy Power 2010, 25, 605–608+684. (In Chinese) [Google Scholar]
- Colonna, P.; Van Putten, H. Dynamic modeling of steam power cycles. Appl. Therm. Eng. 2007, 27, 467–480. [Google Scholar] [CrossRef]
- Van Putten, H.; Colonna, P. Dynamic modeling of steam power cycles: Part II—Simulation of a small simple Rankine cycle system. Appl. Therm. Eng. 2007, 27, 2566–2582. [Google Scholar] [CrossRef]
- Zhang, J.; Yin, S.S.; Chen, L.; Ma, Y.C.; Wang, M.J.; Fu, H.; Wu, Y.; Tian, W.; Qiu, S.; Su, G. A study on the dynamic characteristics of the secondary loop in nuclear power plant. Nucl. Eng. Technol. 2021, 53, 1436–1445. [Google Scholar] [CrossRef]
- Teyssedou, A.; Dipama, J.; Hounkonnou, W.; Aubé, F. Modeling and optimization of a nuclear power plant secondary loop. Nucl. Eng. Des. 2010, 240, 1403–1416. [Google Scholar] [CrossRef]
- Yu, J.; Petersen, N.; Liu, P.; Li, Z.; Wirsum, M. Hybrid modelling and simulation of thermal systems of in-service power plants for digital twin development. Energy 2022, 260, 125088. [Google Scholar] [CrossRef]
- Sun, X.; Song, F.; Yuan, J. Online estimation approach of the steam specific enthalpy for wet steam turbines in nuclear power plants. Appl. Therm. Eng. 2023, 229, 120531. [Google Scholar] [CrossRef]
- Vajpayee, V.; Becerra, V.; Bausch, N.; Deng, J.; Shimjith, S.R.; Arul, A.J. Dynamic modelling, simulation, and control design of a pressurized water-type nuclear power plant. Nucl. Eng. Des. 2020, 370, 110901. [Google Scholar] [CrossRef]
- Chaibakhsh, A.; Ghaffari, A. Steam turbine model. Simul. Model. Pract. Theory 2008, 16, 1145–1162. [Google Scholar] [CrossRef]
- Li, C.; Zhai, R.; Yang, Y.; Patchigolla, K.; Oakey, J.E. Thermal performance of different integration schemes for a solar tower aided coal-fired power system. Energy Convers. Manag. 2018, 171, 1237–1245. [Google Scholar] [CrossRef]
- Laskowski, R. Relations for steam power plant condenser performance in off-design conditions in the function of inlet parameters and those relevant in reference conditions. Appl. Therm. Eng. 2016, 103, 528–536. [Google Scholar] [CrossRef]
- Attia, S.I. The influence of condenser cooling water temperature on the thermal efficiency of a nuclear power plant. Ann. Nucl. Energy 2015, 80, 371–378. [Google Scholar] [CrossRef]
- Anozie, A.N.; Odejobi, O.J. The search for optimum condenser cooling water flow rate in a thermal power plant. Appl. Therm. Eng. 2011, 31, 4083–4090. [Google Scholar] [CrossRef]
- Harish, R.; Subhramanyan, E.E.; Madhavan, R.; Vidyanand, S. Theoretical model for evaluation of variable frequency drive for cooling water pumps in sea water based once through condenser cooling water systems. Appl. Therm. Eng. 2010, 30, 2051–2057. [Google Scholar] [CrossRef]
- Rubio, D.; Casanueva, J.F.; Nebot, E. Assessment of the antifouling effect of five different treatment strategies on a seawater cooling system. Appl. Therm. Eng. 2015, 85, 124–134. [Google Scholar] [CrossRef]
- Medica-Viola, V.; Pavković, B.; Mrzljak, V. Numerical model for on-condition monitoring of condenser in coal-fired power plants. Int. J. Heat Mass Transf. 2018, 117, 912–923. [Google Scholar] [CrossRef]
- Zhang, C.; Sousa, A.C.M.; Venart, J.E.S. The Numerical and Experimental Study of a Power Plant Condenser. J. Heat Transf. 1993, 115, 435–445. [Google Scholar] [CrossRef]
- Zeng, H.; Meng, J.; Li, Z. Numerical study of a power plant condenser tube arrangement. Appl. Therm. Eng. 2012, 40, 294–303. [Google Scholar] [CrossRef]
- Zhang, C. Numerical Modeling Using a Quasi-Three-Dimensional Procedure for Large Power Plant Condensers. J. Heat Transf. 1994, 116, 180–188. [Google Scholar] [CrossRef]
- Saari, J.; Kaikko, J.; Vakkilainen, E.; Savolainen, S. Comparison of power plant steam condenser heat transfer models for on-line condition monitoring. Appl. Therm. Eng. 2014, 62, 37–47. [Google Scholar] [CrossRef]
- Roy, R.P.; Ratisher, M.; Gokhale, V.K. A computational model of a power plant steam condenser. J. Energy Resour. Technol. Trans. ASME 2001, 123, 81–91. [Google Scholar] [CrossRef]
- Wang, X.; Zhou, Z.; Song, Z.; Lu, Q.; Li, J. Numerical analysis of transient pressure variation in the condenser of a nuclear power station. J. Mech. Sci. Technol. 2016, 30, 953–962. [Google Scholar] [CrossRef]
- Chuang, C.-C.; Sue, D.-C. Performance effects of combined cycle power plant with variable condenser pressure and loading. Energy 2005, 30, 1793–1801. [Google Scholar] [CrossRef]
















| Parameter | Result (kg/s) | Design (kg/s) | Errors |
|---|---|---|---|
| H1 | 52.18 | 52.19 | −0.02% |
| H2 | 114.84 | 114.91 | −0.06% |
| H3 | 115.44 | 116.55 | −0.96% |
| H4 | 65.30 | 64.70 | 0.92% |
| H5 | 58.24 | 58.21 | 0.05% |
| H6 | 65.59 | 65.62 | −0.05% |
| H7 | 41.95 | 42.56 | −1.42% |
| RH1 | 74.43 | 74.44 | −0.02% |
| RH2 | 90.76 | 90.69 | 0.08% |
| Back Pressure (kPa) | Result (kW) | Design (kW) | Errors |
|---|---|---|---|
| 2.3 | 1,283,587.41 | 1,283,009.38 | 0.05% |
| 2.5 | 1,281,934.38 | 1,281,743.94 | 0.01% |
| 2.8 | 1,278,526.95 | 1,278,706.95 | 0.01% |
| 3.1 | 1,274,322.94 | 1,274,657.61 | 0.03% |
| 3.5 | 1,267,923.22 | 1,268,457.35 | 0.04% |
| 3.7 | 1,265,420 | 1,265,420 | 0.00% |
| 4 | 1,259,638.83 | 1,260,611.42 | 0.08% |
| 4.5 | 1,250,777.35 | 1,250,361.53 | 0.03% |
| 5.1 | 1,240,276.57 | 1,238,972.74 | 0.11% |
| Parameters | Value | Parameters | Value |
|---|---|---|---|
| Condenser area | 95,240 m2 | Tube number | 45,400 |
| Material | TP316L | Tube length | 13.36 m |
| Tube size | Φ 25 × 0.50 mm | Circulating water design temperature | 14.95 °C |
| Tube flow rate | 2.39 m/s | Circulating water design flow | 49.20 m3/s |
| Condenser design crosstalk | 3.20 °C | Heat transfer coefficient | 2.95 KW/m2·°C |
| Cleaning factor | 0.85 | TMCR Operating Temperature Rise | 9.43 °C |
Disclaimer/Publisher’s Note: The statements, opinions and data contained in all publications are solely those of the individual author(s) and contributor(s) and not of MDPI and/or the editor(s). MDPI and/or the editor(s) disclaim responsibility for any injury to people or property resulting from any ideas, methods, instructions or products referred to in the content. |
© 2023 by the authors. Licensee MDPI, Basel, Switzerland. This article is an open access article distributed under the terms and conditions of the Creative Commons Attribution (CC BY) license (https://creativecommons.org/licenses/by/4.0/).
Share and Cite
Xi, X.; An, S.; Xu, L.; Du, X.; Wei, H.; Sun, H. Suitable Analysis of Micro-Increased Capacity Model on Cold-End System of Nuclear Power Plant. Energies 2023, 16, 7188. https://doi.org/10.3390/en16207188
Xi X, An S, Xu L, Du X, Wei H, Sun H. Suitable Analysis of Micro-Increased Capacity Model on Cold-End System of Nuclear Power Plant. Energies. 2023; 16(20):7188. https://doi.org/10.3390/en16207188
Chicago/Turabian StyleXi, Xinming, Shixiong An, Lei Xu, Xiaoze Du, Huimin Wei, and Hongchen Sun. 2023. "Suitable Analysis of Micro-Increased Capacity Model on Cold-End System of Nuclear Power Plant" Energies 16, no. 20: 7188. https://doi.org/10.3390/en16207188
APA StyleXi, X., An, S., Xu, L., Du, X., Wei, H., & Sun, H. (2023). Suitable Analysis of Micro-Increased Capacity Model on Cold-End System of Nuclear Power Plant. Energies, 16(20), 7188. https://doi.org/10.3390/en16207188

