Nowcasting Hourly-Averaged Tilt Angles of Acceptance for Solar Collector Applications Using Machine Learning Models
Abstract
1. Introduction
1.1. Background
1.2. Related Work and Review
1.3. Conclusion from the Related Work
2. Data and Models
2.1. Data
2.2. Data Preparation
2.3. Models
2.4. Random Forest
- Start with a given set of training data with responses ,
- A set of random sample containing n training examples is selected N times with the replacement, where .
- For each random sample , a regression tree is fitted and trained.
- The final prediction of regression for unseen samples is then made by averaging the predictions of all the individual regression trees on using Equation (2).
2.5. K-Nearest Neighbours
- Select k and the weighting method,
- Train the model, where the model saves the training data for making predictions,
- Calculate the distance from a query example to the labelled examples using a distance formula such as Minkowski, Hamming, and Euclidean distance,
- Sort the calculated distances in ascending increasing order,
- Find heuristically the optimal number k of the nearest neighbours by making use of the root mean square error,
- Finally, vote for the most frequent label in the case of a classification problem and take the average of the labels for a regression problem.
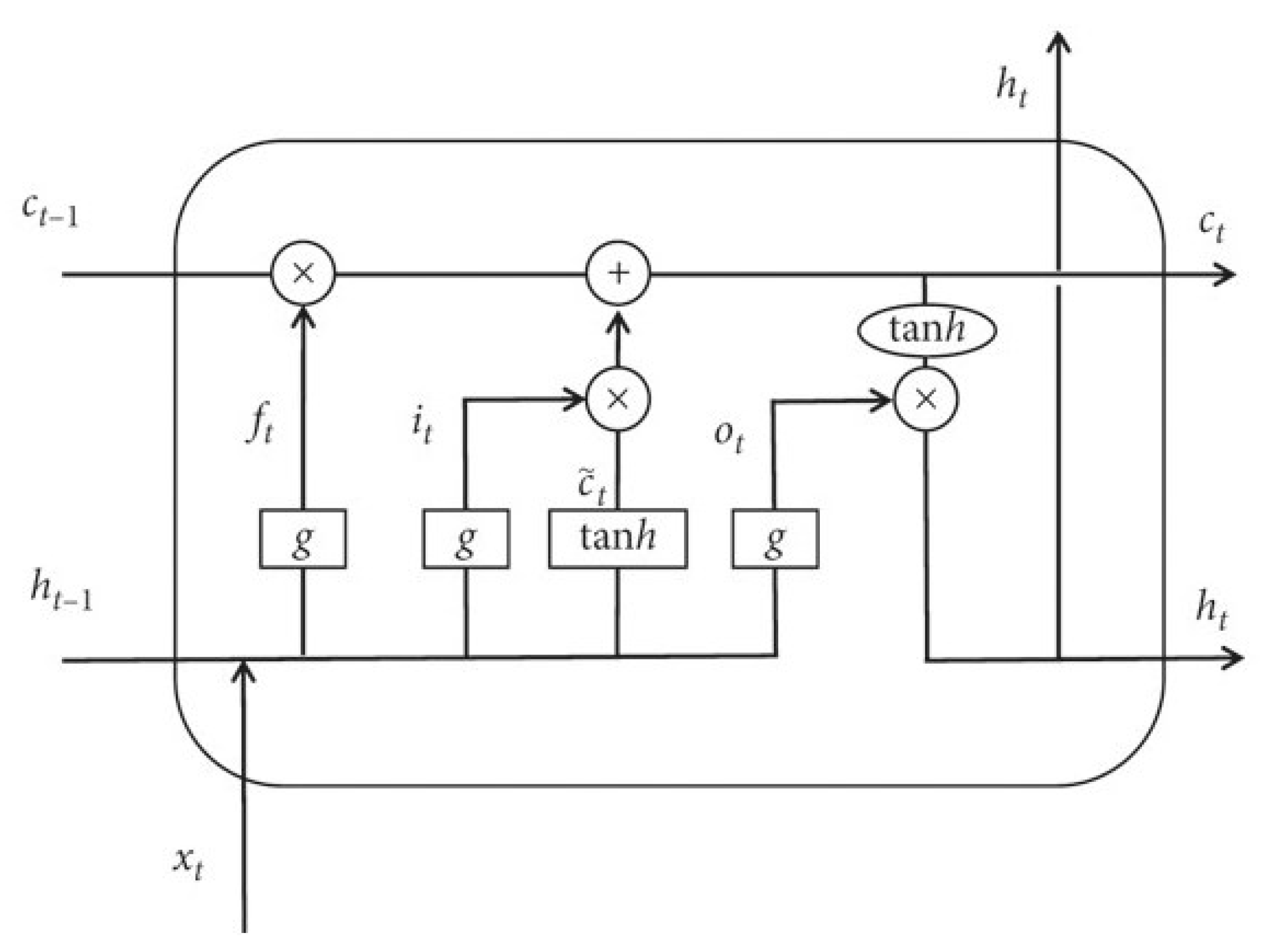
2.6. Long Short-Term Memory
- Forget gate: The model decides what information should be thrown away or kept for training, Equation (3) represents the forget gate with and not dependent on time.
- Input gate: The input gate in Equation (4) decides what information is relevant to add from the current step using the sigmoid activation function and produces the output as a hidden state represented in Equation (5), while the input gate represented in Equation (4) and the weight and bias are not time-dependent.
- Update gate (Cell state): Takes the output from the input gate and completes a point-wise addition (with the hyperbolic tangent as an activation function, as shown in Equation (6), which updates the cell state to new values that the neural network finds relevant.
- Prepare data and divide them into training and testing.
- Specify the time-step and reshape the dataset.
- Define the network, where the input and hidden layers are specified together with the activation functions and dropout rate.
- Compile the network by specifying the optimiser, loss function, and metrics.
- Fit the network, where a backpropagation algorithm is used to train the network based on the compilation by specifying the number of epochs and batch size.
- Evaluate the network, where the network’s performance is being evaluated on the fitted dataset.
- Make predictions; following training and evaluation, predictions are made using the new dataset.
2.7. Gradient Boosting (GB)
- Given prepared data X and y, a base model 1 () is employed to predict y.
- Find the pseudo residuals from the observed and model 1 predicted values .
- Employ a new model 2 () using pseudo residuals as the target variable and the same input variables.
- Predict and add the predicted pseudo residuals to the previous predictions, .
- Calculate the pseudo residuals again using the observed data y and the R values and repeat the steps until the residual sum becomes constant or over-fitting starts.
2.8. Performance Measures
2.9. Modelling Flowchart
3. Results
3.1. Feature Selections
3.2. Exploratory Data Analysis
3.3. Modelling and Results
4. Discussion
5. Conclusions
Author Contributions
Funding
Institutional Review Board Statement
Informed Consent Statement
Data Availability Statement
Acknowledgments
Conflicts of Interest
Abbreviations
| PV | PhotoVoltaic |
| CNN | Convolutional Neural Network |
| LSTM | Long Short-Term Memory |
| RMSE | Root Mean Square Error |
| MLP | MultiLayer Perceptron |
| SVM | Support Vector Machines |
| MSE | Mean Square Error |
| GHI | Global Horizontal Irradiance |
| MAE | Mean Absolute Error |
| SAURAN | Southern African Universities Radiometric Network |
| RNN | RecurrentNeural Network |
| ANN | Artificial Neural Network |
| KNN | K-Nearest Neighbours |
| RF | Random Forest |
| GB | Gradient Boosting |
| LASSO | Least Absolute Shrinkage and Selection Operator |
| NWP | Numerical Weather Prediction |
| NWS | National Weather Service |
| LR | Linear Regression |
| GB | Gradient Boosting |
References
- Politicsweb. Available online: https://www.politicsweb.co.za/iservice/eskom-the-real-cause-of-the-crisis (accessed on 12 August 2021).
- Wang, Z.; Li, Y.; Ke Wang, K.; Huang, Z. Environment-adjusted operational performance evaluation of solar photovoltaic power plants: A three stage efficiency analysis. Renew. Sustain. Energy Rev. 2017, 76, 1153–1162. [Google Scholar] [CrossRef]
- Wang, F.; Mi, Z.; Su, S.; Zhao, H. Short-term solar irradiance forecasting model based on artificial neural network using statistical feature parameters. Energies 2012, 5, 1355–1370. [Google Scholar] [CrossRef]
- Huuhtanen, T.; Jung, A. Predictive maintenance of photovoltaic panels via deep learning. In Proceedings of the 2018 IEEE Data Science Workshop (DSW), Lausanne, Switzerland, 4–6 June 2018; pp. 66–70. [Google Scholar] [CrossRef]
- Kim, G.Y.; Han, D.S.; Lee, Z. Solar panel tilt angle optimisation using machine learning model: A case study of Daegu City, South Korea. Energies 2020, 13, 529. [Google Scholar] [CrossRef]
- Renewables 2007-Global Status Report. Available online: https://www.ren21.net/reports/global-status-report/ (accessed on 12 August 2021).
- Voyant, C.; Notton, G.; Kalogirou, S.; Nivet, M.L.; Paoli, C.; Motte, F.; Fouilloy, A. Machine learning methods for solar radiation forecasting: A review. Renew. Energy 2017, 105, 569–582. [Google Scholar] [CrossRef]
- Lu, H.J.; Chang, G.W. A hybrid approach for day-ahead forecast of PV power generation. IFAC-PapersOnLine 2018, 51, 634–638. [Google Scholar] [CrossRef]
- Mutavhatsindi, T.; Sigauke, C.; Mbuvha, R. Forecasting hourly global horizontal solar irradiance in South Africa using machine learning models. IEEE Access 2020, 8, 198872–198885. [Google Scholar] [CrossRef]
- Ratshilengo, M.; Sigauke, C.; Bere, A. Short-Term Solar Power Forecasting Using Genetic Algorithms: An Application Using South African Data. Appl. Sci. 2021, 11, 4214. [Google Scholar] [CrossRef]
- Pedro, H.T.; Coimbra, C.F. Assessment of forecasting techniques for solar power production with no exogenous inputs. Sol. Energy 2012, 86, 2017–2028. [Google Scholar] [CrossRef]
- Alzahrani, A.; Shamsi, P.; Dagli, C.; Ferdowsi, M. Solar irradiance forecasting using deep neural networks. Procedia Comput. Sci. 2017, 114, 304–313. [Google Scholar] [CrossRef]
- Panjwani, M.K. Solar Concentrator’s Effect on Solar Panel Efficiency. Sukkur IBA J. Emerg. Technol. 2018, 1, 15–27. [Google Scholar] [CrossRef]
- Jamil, B.; Siddiqui, A.T.; Akhtar, N. Estimation of solar radiation and optimum tilt angles for south-facing surfaces in Humid Subtropical Climatic Region of India. Eng. Sci. Technol. Int. J. 2016, 19, 1826–1835. [Google Scholar] [CrossRef]
- Swarnavo, D.; Bhattacharya, S.; Roy, P. Artificial Intelligence based Solar Panel Tilt Angle Optimization and its Hardware Implementation for Efficiency Enhancement. Int. J. Adv. Res. Electr. Electron. Instrum. Eng. 2016, 5, 7830–7842. [Google Scholar] [CrossRef]
- Ramaneti, K.; Kakani, P.; Prakash, S. Improving Solar Panel Efficiency by Solar Tracking and Tilt Angle Optimization with Deep Learning. In Proceedings of the 2021 5th International Conference on Smart Grid and Smart Cities (ICSGSC), Tokyo, Japan, 18–20 June 2021; pp. 102–106. [Google Scholar] [CrossRef]
- Wei, C.-C. Predictions of surface solar radiation on tilted solar panels using machine learning models: A case study of Tainan city, Taiwan. Energies 2017, 10, 1660. [Google Scholar] [CrossRef]
- Khan, P.W.; Byun, Y.C.; Lee, S.J. Optimal Photovoltaic Panel Direction and Tilt Angle Prediction Using Stacking Ensemble Learning. Front. Energy Res. 2022, 10, 86541. [Google Scholar] [CrossRef]
- Şahin, M. Determining optimum tilt angles of photovoltaic panels by using artificial neural networks in turkey. Tehnički Vjesnik 2019, 26, 596–602. [Google Scholar] [CrossRef]
- Hailu, G.; Fung, A.S. Optimum tilt angle and orientation of photovoltaic thermal system for application in greater Toronto area, Canada. Sustainability 2019, 11, 6443. [Google Scholar] [CrossRef]
- Ramli, M.A.; Twaha, S.; Al-Turki, Y.A. Investigating the performance of support vector machine and artificial neural networks in predicting solar radiation on a tilted surface: Saudi Arabia case study. Energy Convers. Manag. 2015, 105, 442–452. [Google Scholar] [CrossRef]
- Verma, P.; Patil, S. A machine learning approach and methodology for solar radiation assessment using multispectral satellite images. Ann. Data Sci. 2021, 1–26. [Google Scholar] [CrossRef]
- Benghanem, M. Optimisation of tilt angle for solar panel: Case study for Madinah, Saudi Arabia. Appl. Energy 2011, 88, 1427–1433. [Google Scholar] [CrossRef]
- Sharma, N.; Sharma, P.; Irwin, D.; Shenoy, P. Predicting solar generation from weather forecasts using machine learning. In Proceedings of the 2011 IEEE International Conference on Smart Grid Communications (SmartGridComm), Brussels, Belgium, 17–20 October 2011; pp. 528–533. [Google Scholar] [CrossRef]
- Jawaid, F.; NazirJunejo, K. Predicting daily mean solar power using machine learning regression techniques. In Proceedings of the 2016 Sixth International Conference on Innovative Computing Technology (INTECH), Dublin, Ireland, 24–26 August 2016; pp. 355–360. [Google Scholar] [CrossRef]
- Božiková, M.; Bilčík, M.; Madola, V.; Szabóová, T.; Kubík, Ľ.; Lendelová, J.; Cviklovič, V. The effect of azimuth and tilt angle changes on the energy balance of photovoltaic system installed in the Southern Slovakia region. Appl. Sci. 2021, 11, 8998. [Google Scholar] [CrossRef]
- Kim, Y.; Byun, Y. Predicting Solar Power Generation from Direction and Tilt Using Machine Learning XGBoost Regression. J. Phys. Conf. Ser. 2022, 2261, 012003. [Google Scholar] [CrossRef]
- Ho, T.K. Random decision forests. In Proceedings of the 3rd International Conference on Document Analysis and Recognition Montreal, QC, Canada, 14–16 August 1995; Volume 1, pp. 278–282. [Google Scholar] [CrossRef]
- Graves, A. Long short-term memory. In Supervised Sequence Labelling with Recurrent Neural Networks; Springer: Berlin/Heidelberg, Germany, 2012; pp. 37–45. [Google Scholar] [CrossRef]
















| Location | Climate | Models | Results | Performance Metrics | Pros and Cons |
|---|---|---|---|---|---|
| Aligarh city [14] | Dataset observed at Heat Transfer, and Solar Energy Laboratory, Department of Mechanical Engineering, Aligarh Muslim University, Aligarh | Liu and Jordan model | The results show both Aligarh and New Delhi to have gained solar radiation on the inclined surface more than on the horizontal surface | Pros: The results found can be easily used to improve the performance of solar radiation. Cons: The study focuses on long-term instead of short-term changes; due to erratic weather, optimum solar irradiance cannot be obtained. | |
| Daegu city, South Korea [5] | Solar power generation dataset, from 22 PV modules. Sun Position Data, calculated using a theoretical equation. Meteorological data of Daegu Metropolitan City | Linear regression (LR), random forest (RF), SVM, gradient boosting (GB), and least absolute shrinkage and selection operator (LASSO) | Results show the GB being the best-performing model followed by SVM, RF, LR, and LASSO | RMSE | Pros: The study compares several models. Cons: Few performance measures were utilised |
| Techno India, Kolkata, India [15] | NASA website | Soft-Computing (genetic algorithms) and Solar Tracking method | It has been found that optimising the tilt angle can lead to a 10.94% power gain on soft computing, and during the application of this tracker, it was observed that an overall power gain of about 19.51% when compared to the panel kept at no tilt with respect to the ground | Pros: The study shows two different procedures that can be used to find the optimum tilt angle for solar panels. Cons: The study focuses on finding optimum tilt angles for long-term range | |
| Tainan City, Taiwan [17] | Ground weather data from Yungkang Weather Station, and satellite remote-sensing data from the Moderate Resolution Imaging Spectroradiometer website. | Multilayer perceptron (MLP), random forests (RF), k-nearest neighbours (kNN), and linear regression (LR) | MLP was found to be the best-performing model, followed by the KNN and RF, while the LR is the worst-performing model | MAE, RMSE, r | Pros: The study estimates the amount of solar irradiance on the horizontal surface and tilted surface for the short-term time range |
| Jeju island, South Korea [18] | Total of 16 different tilt and direction combinations were used to generate simulation data | Ensemble learning of Xgboost, catboost, and random forest. | The regression score was 0.86, and the mean absolute percentage error (MAPE) was 2.54%. | Mean absolute percentage error, and regression score | Pros: Not many studies focused on the ensemble of machine learning models. Cons: The time measurements of the dataset are not clearly stated |
| Turkey [19] | Dataset was calculated from seven different cities in Turkey | Multilayer feedback ANN model | Increase of 34% in energy from fixed solar panel systems was achieved by mounting according to the angle predicted by an artificial neural network | Pros: The study focuses on bringing solutions to Turkey as a whole, rather than just certain parts. Cons: The study focuses on the long-term change of tilt angle | |
| Greater Toronto Area, Canada [20] | Computed for different tilt angles, which varied from 0o to 90o, Meteonorm global meteorological database | Isotropic and anisotropic diffuse sky radiation models | Seasonal adjustment of PVs was found to improve performance. Optimal tilt angles for four anisotropic models ranged from 46–47 degrees, while for four isotropic models, from 37-44 degrees | Pros: Various time intervals were used for the long-term estimations. Cons: A study focused on long-term rather than short-term estimation, which can produce optimal results | |
| Jeddah and Qassim in Saudi Arabia [21] | National Renewable Energy Laboratory (NREL) website | SVM, and ANN | SVM was found to be more accurate and stable than ANN | Root mean square error (RMSE), coefficient of correlation (CC), and magnitude of relative error (MRE) | Pros: The study focuses on the short term dataset. Cons: Not enough data were utilised |
| Los Angeles, California Zip 722950 [25] | National Solar Radiation Database (NSRD) and National Climate Data Center (NCDC) | K-nearest neighbour (K-NN), linear regression (LR), support vector machines (SVM), and artificial neural network (ANN) | The ANN outperformed all other models, followed by the LR, K-NN, and SVM | RMS | Pros: The study compares multiple ML models. Cons: Not enough performance measures were utilised |
| Central Europe, Southern Slovakia [26] | Data were collected from PV modules | polynomial function, and analytical model | mathematical model gives about 4% more accurate results than models used so far for the locality of southern Slovakia | Pros: The study focuses on both tilt angle and azimuth angle. Cons: The obtained model is more likely to be unstable because not enough features were used for modelling |
| Variables | Coefficient Value |
|---|---|
| Logger Temperature | −3.568353 |
| Wind Direction StdDev | −2.142921 |
| Wind Speed Max | −1.379393 |
| Barometric Pressure | −0.429961 |
| Relative Humidity | −0.338361 |
| Week | −0.095190 |
| Wind Direction | −0.025026 |
| Rain Tot | −0.000000 |
| Wind Speed | −0.000000 |
| Wind Vector Magnitude | −0.000000 |
| Year | 0.000000 |
| Month | −0.000000 |
| Day | 0.015677 |
| Hour | 0.998229 |
| Temperature | 2.233922 |
| No. Data Points | Mean | Std Deviation | Min | Q1 | Median | Q3 | Max |
|---|---|---|---|---|---|---|---|
| 13,437 | 53.7 | 22.6 | 5.1 | 37.3 | 53.3 | 72.9 | 92.0 |
| Training | ||||
|---|---|---|---|---|
| LSTM | KNN | RF | GB | |
| MAE | 0.221 | 0.977 | 0.443 | 0.449 |
| MSE | 0.111 | 3.854 | 0.443 | 0.518 |
| RMSE | 0.333 | 1.963 | 0.665 | 0.720 |
| 0.997 | 0.991 | 0.991 | 0.990 | |
| Testing | ||||
|---|---|---|---|---|
| LSTM | KNN | RF | GB | |
| MAE | 0.294 | 1.461 | 0.547 | 0.554 |
| MSE | 0.242 | 4.275 | 0.531 | 0.530 |
| RMSE | 0.492 | 2.068 | 0.728 | 0.728 |
| 0.993 | 0.893 | 0.987 | 0987 | |
Disclaimer/Publisher’s Note: The statements, opinions and data contained in all publications are solely those of the individual author(s) and contributor(s) and not of MDPI and/or the editor(s). MDPI and/or the editor(s) disclaim responsibility for any injury to people or property resulting from any ideas, methods, instructions or products referred to in the content. |
© 2023 by the authors. Licensee MDPI, Basel, Switzerland. This article is an open access article distributed under the terms and conditions of the Creative Commons Attribution (CC BY) license (https://creativecommons.org/licenses/by/4.0/).
Share and Cite
Nemalili, R.C.; Jhamba, L.; Kiprono Kirui, J.; Sigauke, C. Nowcasting Hourly-Averaged Tilt Angles of Acceptance for Solar Collector Applications Using Machine Learning Models. Energies 2023, 16, 927. https://doi.org/10.3390/en16020927
Nemalili RC, Jhamba L, Kiprono Kirui J, Sigauke C. Nowcasting Hourly-Averaged Tilt Angles of Acceptance for Solar Collector Applications Using Machine Learning Models. Energies. 2023; 16(2):927. https://doi.org/10.3390/en16020927
Chicago/Turabian StyleNemalili, Ronewa Collen, Lordwell Jhamba, Joseph Kiprono Kirui, and Caston Sigauke. 2023. "Nowcasting Hourly-Averaged Tilt Angles of Acceptance for Solar Collector Applications Using Machine Learning Models" Energies 16, no. 2: 927. https://doi.org/10.3390/en16020927
APA StyleNemalili, R. C., Jhamba, L., Kiprono Kirui, J., & Sigauke, C. (2023). Nowcasting Hourly-Averaged Tilt Angles of Acceptance for Solar Collector Applications Using Machine Learning Models. Energies, 16(2), 927. https://doi.org/10.3390/en16020927

