Optimizing the Transient Performance of Thermoelectric Generator with PCM by Taguchi Method
Abstract
1. Introduction
2. Thermoelectric Theory and Model
2.1. Thermoelectric Theory
2.2. Heat Recovery System
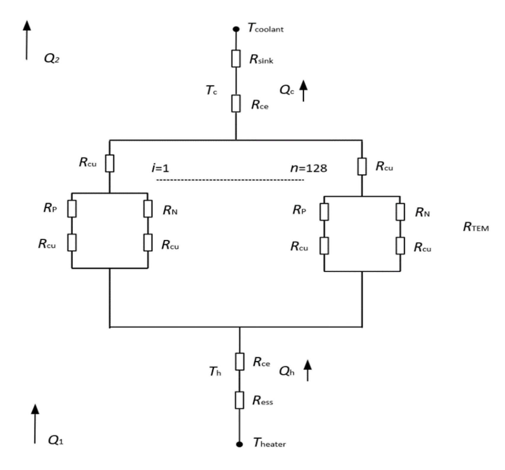
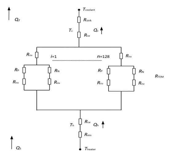
2.2.1. Physical Model
2.2.2. Governing Equations
2.2.3. Boundary Conditions
2.2.4. Taguchi Method
3. Results and Discussion
3.1. Performance of TEG System without PCM
3.1.1. Thermoelectric Performance Curves
3.1.2. Physical Field Distribution
3.2. Operating Conditions and Simulations by Integrating PCM
3.3. Factor Analysis
3.4. Analysis of Optimum Parameters
3.4.1. Temperature Performance
3.4.2. Phase Distribution of the PCM
3.4.3. Electrical Performance
4. Conclusions
- (1)
- The thermoelectric conversion performance of the TEG system without PCM is analyzed changing the load resistance under steady-state in this paper, and the optimal load resistance = 4 Ω is selected to study the transient performance of the system with PCM.
- (2)
- Analyzing the influence of PCM on thermoelectric performance by . In the 16 runs, the maximum conversion efficiency of 1.47% is exhibited at Run 12, whereas the minimum conversion efficiency of 0.49% occurs at Run 4. Greater heat source thermal power does not necessarily mean better performance under certain conditions. There is an optimal value to improve efficiency of the system and ensure that TEM will not overheat.
- (3)
- According to the results, the influence of the four factors on the efficiency are ranked as: heat source thermal power > height of the PCM box > filling ratio of the PCM > PCM type. Under the optimal run, the overall conversion efficiency of the TEG system is 1.472% during the heating and cooling process, which is higher than the efficiency of the16 runs in this study.
Author Contributions
Funding
Conflicts of Interest
References
- Kazemian, A.; Salari, A.; Ma, T. A year-round study of a photovoltaic thermal system integrated with phase change material in Shanghai using transient model. Energy Convers. Manag. 2020, 210, 112657. [Google Scholar] [CrossRef]
- Pourkiaei, S.M.; Ahmadi, M.H.; Sadeghzadeh, M.; Moosavi, S.; Pourfayaz, F.; Chen, L.; Yazdi, M.A.P.; Kumar, R. Thermoelectric cooler and thermoelectric generator devices: A review of present and potential ap-plications, modeling and materials. Energy 2019, 186, 115849. [Google Scholar] [CrossRef]
- Luo, D.; Yan, Y.; Wang, R.; Zhou, W. Numerical investigation on the dynamic response characteristics of a thermoelectric generator module under transient temperature excitations. Renew. Energy 2021, 170, 811–823. [Google Scholar] [CrossRef]
- Chen, Y.; Hou, X.; Ma, C.; Dou, Y.; Wu, W. Review of Development Status of Bi2Te3-Based Semiconductor Thermoelectric Power Generation. Adv. Mater. Sci. Eng. 2018, 2018, 1210562. [Google Scholar] [CrossRef]
- Wu, F.; Wang, W.; Hu, X.; Tang, M. Thermoelectric properties of I-doped n-type Bi2Te3-based material prepared by hydrothermal and subsequent hot pressing. Prog. Nat. Sci. 2017, 27, 203–207. [Google Scholar] [CrossRef]
- Tan, G.; Shi, F.; Hao, S.; Zhao, L.D.; Chi, H.; Zhang, X.; Uher, C.; Wolverton, C.; Dravid, V.P.; Kanatzidis, M.G. Non-equilibrium processing leads to record high thermoelectric figure of merit in PbTe–SrTe. Nat. Commun. 2016, 7, 12167. [Google Scholar] [CrossRef]
- Nozariasbmarz, A.; Agarwal, A.; Coutant, Z.A.; Hall, M.J.; Liu, J.; Liu, R.; Malhotra, A.; Norouzzadeh, P.; Oeztuerk, M.C.; Ramesh, V.P.; et al. Thermoelectric silicides: A review. Jpn. J. Appl. Phys. 2017, 56, 05DA04. [Google Scholar] [CrossRef]
- Sun, Y.; Di, C.; Xu, W.; Zhu, D. Advances in n-Type Organic Thermoelectric Materials and Devices. Adv. Electron. Mater. 2019, 5, 1800825. [Google Scholar] [CrossRef]
- Zhang, F.; Di, C.-A. Exploring Thermoelectric Materials from High Mobility Organic Semiconductors. Chem. Mater. 2020, 32, 2688–2702. [Google Scholar] [CrossRef]
- Finn, P.A.; Asker, C.; Wan, K.; Bilotti, E.; Fenwick, O.; Nielsen, C.B. Thermoelectric Materials: Current Status and Future Challenges. Front. Electron. Mater. 2021, 1, 677845. [Google Scholar] [CrossRef]
- Lee, E.; Ko, J.; Kim, J.Y.; Seo, W.S.; Choi, S.M.; Lee, K.H.; Shim, W.; Lee, W. Enhanced thermoelectric properties of Au nanodot-included Bi2Te3 nanotube composites. J. Mater. Chem. C 2016, 4, 1313–1319. [Google Scholar] [CrossRef]
- Mozharivskyj, Y.; Pecharsky, A.O.; Bud’ko, S.; Miller, G.J. A Promising Thermoelectric Material: Zn4Sb3 or Zn6-δSb5. Its Composition, Structure, Stability, and Polymorphs. Structure and Stability of Zn1-δSb. Chem. Mater. 2004, 16, 1580–1589. [Google Scholar] [CrossRef]
- Luo, D.; Wang, R.; Yu, W. Comparison and parametric study of two theoretical modeling approaches based on an air-to-water thermoelectric generator system. J. Power Sources 2019, 439, 227069. [Google Scholar] [CrossRef]
- Fabián-Mijangos, A.; Min, G.; Alvarez-Quintana, J. Enhanced performance thermoelectric module having asymmetrical legs. Energy Convers. Manag. 2017, 148, 1372–1381. [Google Scholar] [CrossRef]
- Huang, K.; Li, B.; Yan, Y.; Li, Y.; Twaha, S.; Zhu, J. A comprehensive study on a novel concentric cylindrical thermoelectric power generation system. Appl. Therm. Eng. 2017, 117, 501–510. [Google Scholar] [CrossRef]
- Dongxu, J.; Zhongbao, W.; Pou, J.; Mazzoni, S.; Rajoo, S.; Romagnoli, A. Geometry optimization of thermoelectric modules: Simulation and experimental study. Energy Convers. Manag. 2019, 195, 236–243. [Google Scholar] [CrossRef]
- Luo, D.; Wang, R.; Yu, W.; Zhou, W. A novel optimization method for thermoelectric module used in waste heat recovery. Energy Convers. Manag. 2020, 209, 112645. [Google Scholar] [CrossRef]
- Luo, D.; Wang, R.; Yu, W.; Zhou, W. Parametric study of a thermoelectric module used for both power generation and cooling. Renew. Energy 2020, 154, 542–552. [Google Scholar] [CrossRef]
- Wang, Y.; Dai, C.; Wang, S. Theoretical analysis of a thermoelectric generator using exhaust gas of vehicles as heat source. Appl. Energy 2013, 112, 1171–1180. [Google Scholar] [CrossRef]
- Liu, Y.; Shi, Z.; Wang, G.; Yan, Y.; Zhang, Y. Experimental Investigation for a Novel Prototype of a Thermoelectric Power Generator with Heat Pipes. Front. Energy Res. 2021, 9, 744366. [Google Scholar] [CrossRef]
- Asaadi, S.; Khalilarya, S.; Jafarmadar, S. A thermodynamic and exergoeconomic numerical study of two-stage annular thermoelectric generator. Appl. Therm. Eng. 2019, 156, 371–381. [Google Scholar] [CrossRef]
- Atouei, S.A.; Ranjbar, A.A.; Rezania, A. Experimental investigation of two-stage thermoelectric generator system integrated with phase change materials. Appl. Energy 2017, 208, 332–343. [Google Scholar] [CrossRef]
- Wang, Y.; Wu, C.; Tang, Z.; Yang, X.; Deng, Y.; Su, C. Optimization of Fin Distribution to Improve the Temperature Uniformity of a Heat Exchanger in a Ther-moelectric Generator. J. Electron. Mater. 2015, 44, 1724–1732. [Google Scholar] [CrossRef]
- Ma, T.; Lu, X.; Pandit, J.; Ekkad, S.V.; Huxtable, S.T.; Deshpande, S.; Wang, Q.-W. Numerical study on thermoelectric–hydraulic performance of a thermoelectric power generator with a plate-fin heat exchanger with longitudinal vortex generators. Appl. Energy 2017, 185, 1343–1354. [Google Scholar] [CrossRef]
- Orr, B.; Akbarzadeh, A.; Mochizuki, M.; Singh, R. A review of car waste heat recovery systems utilising thermoelectric generators and heat pipes. Appl. Therm. Eng. 2016, 101, 490–495. [Google Scholar] [CrossRef]
- Shittu, S.; Li, G.; Zhao, X.; Zhou, J.; Ma, X.; Akhlaghi, Y.G. Experimental study and exergy analysis of photovoltaic-thermoelectric with flat plate micro-channel heat pipe. Energy Convers. Manag. 2020, 207, 112515. [Google Scholar] [CrossRef]
- Gholaminia, V.; Rahimi, M.; Ghaebi, H. Heat storage process analysis in a heat exchanger containing phase change materials. J. Energy Storage 2020, 32, 101875. [Google Scholar] [CrossRef]
- Yu, C.; Yang, S.H.; Pak, S.Y.; Youn, J.R.; Song, Y.S. Graphene embedded form stable phase change materials for drawing the thermo-electric energy harvesting. Energy Convers. Manag. 2018, 169, 88–96. [Google Scholar] [CrossRef]
- Yu, J.; Kong, L.; Wang, H.; Zhu, H.; Zhu, Q.; Su, J. A Novel Structure for Heat Transfer Enhancement in Phase Change Composite: Rolled Graphene Film Embedded in Graphene Foam. ACS Appl. Energy Mater. 2019, 2, 1192–1198. [Google Scholar] [CrossRef]
- Li, B.; Huang, K.; Yan, Y.; Li, Y.; Twaha, S.; Zhu, J. Heat transfer enhancement of a modularised thermoelectric power generator for passenger vehicles. Appl. Energy 2017, 205, 868–879. [Google Scholar] [CrossRef]
- Rezania, A.; Yazawa, K.; Rosendahl, L.; Shakouri, A. Co-optimized design of microchannel heat exchangers and thermoelectric generators. Int. J. Therm. Sci. 2013, 72, 73–81. [Google Scholar] [CrossRef]
- Luo, D.; Wang, R.; Yu, W.; Zhou, W. A numerical study on the performance of a converging thermoelectric generator system used for waste heat recovery. Appl. Energy 2020, 270, 115181. [Google Scholar] [CrossRef]
- Huang, K.; Yan, Y.; Wang, G.; Li, B. Improving transient performance of thermoelectric generator by integrating phase change material. Energy 2020, 219, 119648. [Google Scholar] [CrossRef]
- Arena, S.; Casti, E.; Gasia, J.; Cabeza, L.F.; Cau, G. Numerical simulation of a finned-tube LHTES system: Influence of the mushy zone constant on the phase change behaviour. Energy Procedia 2017, 126, 517–524. [Google Scholar] [CrossRef]
- Atouei, S.A.; Rezania, A.; Ranjbar, A.; Rosendahl, L. Protection and thermal management of thermoelectric generator system using phase change materials: An experimental investigation. Energy 2018, 156, 311–318. [Google Scholar] [CrossRef]
- Jaworski, M.; Bednarczyk, M.; Czachor, M. Experimental investigation of thermoelectric generator (TEG) with PCM module. Appl. Therm. Eng. 2016, 96, 527–533. [Google Scholar] [CrossRef]
- Tu, Y.; Zhu, W.; Lu, T.; Deng, Y. A novel thermoelectric harvester based on high-performance phase change material for space application. Appl. Energy 2017, 206, 1194–1202. [Google Scholar] [CrossRef]
- Debich, B.; El Hami, A.; Yaich, A.; Gafsi, W.; Walha, L.; Haddar, M. Design optimization of PCM-based finned heat sinks for mechatronic components: A numerical investigation and parametric study. J. Energy Storage 2020, 32, 101960. [Google Scholar] [CrossRef]
- Mat, S.; Al-Abidi, A.A.; Sopian, K.; Sulaiman, M.Y.; Mohammad, A.T. Enhance heat transfer for PCM melting in triplex tube with internal–external fins. Energy Convers. Manag. 2013, 74, 223–236. [Google Scholar] [CrossRef]
- Nakhchi, M.; Esfahani, J. Improving the melting performance of PCM thermal energy storage with novel stepped fins. J. Energy Storage 2020, 30, 101424. [Google Scholar] [CrossRef]
- Rezania, A.; Atouei, S.A.; Rosendahl, L. Critical parameters in integration of thermoelectric generators and phase change materials by numerical and Taguchi methods. Mater. Today Energy 2020, 16, 100376. [Google Scholar] [CrossRef]
- Chen, W.-H.; Huang, S.-R.; Lin, Y.-L. Performance analysis and optimum operation of a thermoelectric generator by Taguchi method. Appl. Energy 2015, 158, 44–54. [Google Scholar] [CrossRef]
- Pandey, N.; Murugesan, K.; Thomas, H. Optimization of ground heat exchangers for space heating and cooling applications using Taguchi method and utility concept. Appl. Energy 2017, 190, 421–438. [Google Scholar] [CrossRef]











| Factor | A | B | C | D |
|---|---|---|---|---|
| Control Parameter | Heat Source Thermal Power (W) | PCM Type | Filling Ratio of the PCM (%) | Height of the PCM Box (mm) |
| Level 1 | 50 | PCM65 | 50% | 10 |
| Level 2 | 100 | PCM164 | 65% | 20 |
| Level 3 | 150 | PCM185 | 80% | 30 |
| Level 4 | 200 | PCM220 | 100% | 40 |
| PCM Name | Density (kg·m−3) | Latent Heat Capacity (kJ·kg−1) | Specific Heat Capacity (J·kg−1·K) | Thermal Conductivity (W·m−1·K−1) | |
|---|---|---|---|---|---|
| 1 | PCM65 | 861(s)–778(l) | 213 | 1850(s)–2384(l) | 0.4(s)–0.15(l) |
| 2 | PCM164 | 1490 | 340 | 1320 | 0.19 |
| 3 | PCM185 | 1396 | 244.5 | 1350 | 0.35 |
| 4 | PCM220 | 2000 | 100 | 1515 | 0.515 |
| Number | Factor (A) | Factor (B) | Factor (C) | Factor (D) |
|---|---|---|---|---|
| 1 | 1 | 1 | 1 | 1 |
| 2 | 1 | 2 | 2 | 2 |
| 3 | 1 | 3 | 3 | 3 |
| 4 | 1 | 4 | 4 | 4 |
| 5 | 2 | 1 | 2 | 3 |
| 6 | 2 | 2 | 1 | 4 |
| 7 | 2 | 3 | 4 | 1 |
| 8 | 2 | 4 | 3 | 2 |
| 9 | 3 | 1 | 3 | 4 |
| 10 | 3 | 2 | 4 | 3 |
| 11 | 3 | 3 | 1 | 2 |
| 12 | 3 | 4 | 2 | 1 |
| 13 | 4 | 1 | 4 | 2 |
| 14 | 4 | 2 | 3 | 1 |
| 15 | 4 | 3 | 2 | 4 |
| 16 | 4 | 4 | 1 | 3 |
| Run | Factor | Results | ||||||
|---|---|---|---|---|---|---|---|---|
| A | B | C | D | ETEGs (J) | Einput (J) | S/N Ratio | ||
| 1 | 50 | PCM65 | 50% | 10 | 517.75 | 75,000 | 0.69 | −3.2189 |
| 2 | 50 | PCM164 | 65% | 20 | 493.96 | 75,000 | 0.66 | −3.6273 |
| 3 | 50 | PCM185 | 80% | 30 | 468.76 | 75,000 | 0.63 | −4.0822 |
| 4 | 50 | PCM220 | 100% | 40 | 365.72 | 75,000 | 0.49 | −6.2383 |
| 5 | 100 | PCM65 | 65% | 30 | 1597.20 | 150,000 | 1.06 | 0.5454 |
| 6 | 100 | PCM164 | 50% | 40 | 1542.65 | 150,000 | 1.03 | 0.2435 |
| 7 | 100 | PCM185 | 100% | 10 | 1760.98 | 150,000 | 1.17 | 1.3933 |
| 8 | 100 | PCM220 | 80% | 20 | 1663.15 | 150,000 | 1.11 | 0.8968 |
| 9 | 150 | PCM65 | 80% | 40 | 2943.18 | 225,000 | 1.31 | 2.3327 |
| 10 | 150 | PCM164 | 100% | 30 | 2746.54 | 225,000 | 1.22 | 1.7321 |
| 11 | 150 | PCM185 | 50% | 20 | 3193.86 | 225,000 | 1.42 | 3.0427 |
| 12 | 150 | PCM220 | 65% | 10 | 3303.56 | 225,000 | 1.47 | 3.336 |
| 13 | 200 | PCM65 | 100% | 20 | 448.06 | 53,600 | 0.84 | −1.5565 |
| 14 | 200 | PCM164 | 80% | 10 | 307.57 | 39,000 | 0.79 | −2.0625 |
| 15 | 200 | PCM185 | 65% | 40 | 859.23 | 115,400 | 0.75 | −2.5619 |
| 16 | 200 | PCM220 | 50% | 30 | 702.38 | 88,600 | 0.79 | −2.0173 |
| Factor | A | B | C | D |
|---|---|---|---|---|
| Level | ||||
| 1 | −4.2917 | −0.4743 | −0.4875 | −0.1380 |
| 2 | 0.7697 | −0.9286 | −0.5770 | −0.3111 |
| 3 | 2.6109 | −0.5521 | −0.7288 | −0.9555 |
| 4 | −2.0495 | −1.0057 | −1.1674 | −1.5560 |
| Delta (effect) | 6.9026 | 0.5313 | 0.6799 | 1.4180 |
| Rank | 1 | 4 | 3 | 2 |
Disclaimer/Publisher’s Note: The statements, opinions and data contained in all publications are solely those of the individual author(s) and contributor(s) and not of MDPI and/or the editor(s). MDPI and/or the editor(s) disclaim responsibility for any injury to people or property resulting from any ideas, methods, instructions or products referred to in the content. |
© 2023 by the authors. Licensee MDPI, Basel, Switzerland. This article is an open access article distributed under the terms and conditions of the Creative Commons Attribution (CC BY) license (https://creativecommons.org/licenses/by/4.0/).
Share and Cite
Shi, Z.; Wang, G.; Liu, C.; Lv, Q.; Gong, B.; Zhang, Y.; Yan, Y. Optimizing the Transient Performance of Thermoelectric Generator with PCM by Taguchi Method. Energies 2023, 16, 805. https://doi.org/10.3390/en16020805
Shi Z, Wang G, Liu C, Lv Q, Gong B, Zhang Y, Yan Y. Optimizing the Transient Performance of Thermoelectric Generator with PCM by Taguchi Method. Energies. 2023; 16(2):805. https://doi.org/10.3390/en16020805
Chicago/Turabian StyleShi, Zhaochun, Guohua Wang, Chunli Liu, Qiang Lv, Baoli Gong, Yingchao Zhang, and Yuying Yan. 2023. "Optimizing the Transient Performance of Thermoelectric Generator with PCM by Taguchi Method" Energies 16, no. 2: 805. https://doi.org/10.3390/en16020805
APA StyleShi, Z., Wang, G., Liu, C., Lv, Q., Gong, B., Zhang, Y., & Yan, Y. (2023). Optimizing the Transient Performance of Thermoelectric Generator with PCM by Taguchi Method. Energies, 16(2), 805. https://doi.org/10.3390/en16020805

