A Power External Transmission Strategy for Regional Power Grids Considering Internal Flexibility Supply and Demand Balance
Abstract
:1. Introduction
2. Concept of Flexibility
2.1. Definition of Flexibility
2.2. Metric of Flexibility
2.2.1. Fluctuation Amplitude of Net Load (FANL)
2.2.2. Ramping Capability (RC)
2.2.3. Ramping Factor (RF)
3. Power Transmission Strategy for Regional Power Grids
3.1. Objective Function
3.2. Constraint Conditions
- Line flow constraints. According to the principle of power system secure dispatching, after flexible ramping at each node, the power flow of each line (namely the power flowing through the line, in order to distinguish it from the node power P; this paper uses F to represent the power flow) should be kept in the limited range. The mathematical expression for this constraint iswhere Fj is the power flowing through line j, which can be calculated from power flow calculations, and Fj,max is the rated transmission capacity of line j. Because this paper focuses on the transmission of active power, Fj can also be calculated from the DC power flow model. We let matrix T be the power transmission distribution factor (PTDF) in the DC power flow model, and its calculation method is shown in Appendix A. Then,where Tji is the element in the jth row and the ith column of matrix T, namely node i’s distribution factor on line j; Pi is the injection power at node i before the flexible ramping, ΔPi is the additional power generated at node i during the flexible ramping.
- Power balance constraints. The total demand for flexibility should be equal to the total supply of it, i.e., the flexible power supplied by the local grid ΔP is equal to the sum of the increased injection power at each node, i.e.,
- Flexibility constraints. The increased injection power at each node should not exceed the range allowed by ramping capacity, i.e.,
- Other constraints. The nodes involved in flexible ramping should be elements of the set D, i.e.,
3.3. Mathematical Model
4. Case Analysis of Flexible Operation
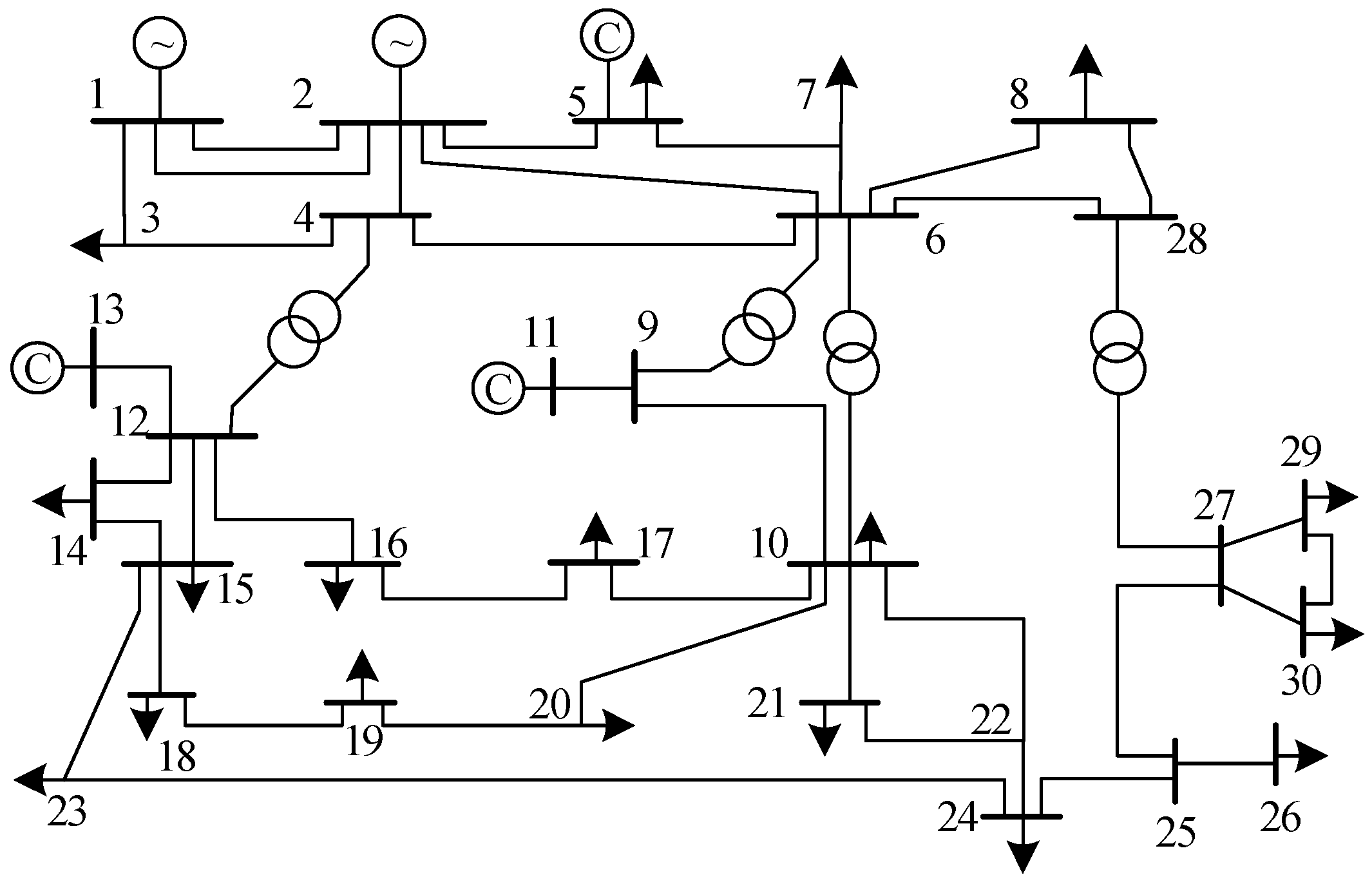
4.1. Improved IEEE 30-Bus System
- In the classic system, there are three connecting lines between the 33 kV part and the 132 kV part; and in the improved system, these three lines are regarded as equipotential points, and the transformer parameters are all converted to the high-voltage side. Therefore, the impedances of the blue line in Figure 3a are all zero.
- In the improved system, we treat Node 8 as a connection node. From Table A1, we know that the power on the bus of Node 8 reaches the maximum output during normal operation, so the difference between the output and load at Node 8 (5 MW) can be equated to the fixed power delivered from the local grid to the superior grid.
- In the improved system, both the power and the load show a certain degree of fluctuation and possess a certain degree of ramping capability. The RF and FANL of each node in the local grid are shown in Table 1. According to the characteristics of various flexible resources, the power sources can up-ramp as well as down-ramp the flexible power, while the load can only down-ramp. Therefore, the up-RFs of the nodes with loads but no power sources are zero, and both the up-RFs and down-RFs of the nodes without power sources or loads are zero.
4.2. Flexible Power Distribution of the Local Power Grid
4.3. Comparation with Traditional Method
5. Conclusions
- Regional power grid flexibility means the ability of the entire regional power grid to meet the real-time balance of its own power supply and demand, as well as the ability to transmit flexible power externally, where the flexible power means the change in flexible resource output power during the flexible ramping process. The ramping factor can evaluate both the flexibility of each node and that of the entire regional power grid.
- The proposed power external transmission strategy can coordinate the flexible resource output at various internal nodes and the flexible power transmission at various internal lines when the local grid exchanges flexibility externally. When transmitting flexible power externally, nodes with a large ramping factor are given priority to participate in flexible ramping, ensuring sufficient residual ramping capability of the regional power grid. In the improved IEEE 30-Bus case study, as the power shortage in the regional power grid gradually increases from 10 MW to 30 MW, Nodes 9, 8, and 7 with larger ramping factors participate in flexible ramping sequentially.
- The traditional mathematical models only focus on economic benefits, which may lead to a lack of ramping capability in the solution results. Compared with the traditional model, the proposed mathematical model can save as much flexible power as possible for the local grid in order to cope with the next flexible ramping. In the improved IEEE 30-Bus case study, when the power shortage reaches 30 MW, the traditional model fails to find a feasible flexible power transmission scheme. However, the computational results of the proposed model can satisfy the requirement of having the remaining ramping capability greater than zero under any operating condition.
Author Contributions
Funding
Data Availability Statement
Conflicts of Interest
Appendix A
Appendix B
| Voltage Level | Bus No. | Generator Active Power | Active Load | ||
|---|---|---|---|---|---|
| Minimum | Maximum | Normal Operation | |||
| 33 kV | 9 | ||||
| 10 | 0.058 | ||||
| 11 | 0.10 | 0.30 | 0.1793 | ||
| 12 | 0.112 | ||||
| 13 | 0.12 | 0.40 | 0.1691 | ||
| 14 | 0.062 | ||||
| 15 | 0.082 | ||||
| 16 | 0.035 | ||||
| 17 | 0.09 | ||||
| 18 | 0.032 | ||||
| 19 | 0.095 | ||||
| 20 | 0.022 | ||||
| 21 | 0.175 | ||||
| 22 | |||||
| 23 | 0.032 | ||||
| 24 | 0.087 | ||||
| 25 | |||||
| 26 | 0.035 | ||||
| 27 | |||||
| 29 | 0.024 | ||||
| 30 | 0.106 | ||||
| 132 | 0.22 | 0.70 | 0.3484 | 1.047 | |
| 1 | 0.50 | 2.00 | 1.3853 | ||
| 2 | 0.20 | 0.80 | 0.5756 | 0.217 | |
| 3 | 0.024 | ||||
| 4 | 0.076 | ||||
| 5 | 0.15 | 0.50 | 0.2456 | 0.942 | |
| 6 | |||||
| 7 | 0.228 | ||||
| 8 | 0.10 | 0.35 | 0.35 | 0.30 | |
| 28 | |||||
| Whole grid | |||||
| Bus No. | Branch Resistance | Branch Reactance | Half Susceptance of Charging Capacitor | Rated Power |
|---|---|---|---|---|
| 1-2 | 0.0192 | 0.0575 | 0.0264 | 1.3 |
| 1-3 | 0.0452 | 0.1852 | 0.0204 | 1.3 |
| 2-4 | 0.0570 | 0.1737 | 0.0184 | 0.65 |
| 3-4 | 0.0132 | 0.0379 | 0.0042 | 1.3 |
| 2-5 | 0.0472 | 0.1983 | 0.0209 | 1.3 |
| 2-6 | 0.0581 | 0.1763 | 0.0187 | 0.65 |
| 4-6 | 0.0119 | 0.0414 | 0.0045 | 0.9 |
| 5-7 | 0.0460 | 0.1160 | 0.0102 | 0.7 |
| 6-7 | 0.0267 | 0.0820 | 0.0085 | 1.3 |
| 6-8 | 0.0120 | 0.0420 | 0.0045 | 0.32 |
| 9-11 | 0 | 0.2080 | 0 | 0.65 |
| 9-10 | 0 | 0.1100 | 0 | 0.65 |
| 12-13 | 0 | 0.1400 | 0 | 0.65 |
| 12-14 | 0.1231 | 0.2559 | 0 | 0.32 |
| 12-15 | 0.0662 | 0.1304 | 0 | 0.32 |
| 14-15 | 0.2210 | 0.1997 | 0 | 0.16 |
| 16-17 | 0.0824 | 0.1932 | 0 | 0.16 |
| 15-18 | 0.1070 | 0.2185 | 0 | 0.16 |
| 18-19 | 0.0639 | 0.1292 | 0 | 0.16 |
| 19-20 | 0.0340 | 0.0680 | 0 | 0.32 |
| 10-20 | 0.0936 | 0.2090 | 0 | 0.32 |
| 10-17 | 0.0324 | 0.0845 | 0 | 0.32 |
| 10-21 | 0.0348 | 0.0749 | 0 | 0.32 |
| 10-22 | 0.0727 | 0.1499 | 0 | 0.32 |
| 21-22 | 0.0116 | 0.0236 | 0 | 0.32 |
| 15-23 | 0.1000 | 0.2020 | 0 | 0.16 |
| 22-24 | 0.1150 | 0.1790 | 0 | 0.16 |
| 23-24 | 0.1320 | 0.2700 | 0 | 0.16 |
| 24-25 | 0.1885 | 0.3292 | 0 | 0.16 |
| 25-26 | 0.2544 | 0.3800 | 0 | 0.16 |
| 25-27 | 0.1093 | 0.2087 | 0 | 0.16 |
| 27-29 | 0.2198 | 0.4153 | 0 | 0.16 |
| 27-30 | 0.3202 | 0.6027 | 0 | 0.16 |
| 29-30 | 0.2399 | 0.4533 | 0 | 0.16 |
| 8-28 | 0.0636 | 0.2000 | 0.0214 | 0.32 |
| 6-28 | 0.0169 | 0.0599 | 0.0065 | 0.32 |
| -4 | 0 | 0.2560 | 0 | 0.65 |
| -6 | 0 | 0.1514 | 0 | 0.65 |
| -28 | 0 | 0.3960 | 0 | 0.65 |
| -12 | 0 | 0 | 0 | 0.65 |
| -9 | 0 | 0 | 0 | 0.65 |
| -10 | 0 | 0 | 0 | 0.65 |
| -27 | 0 | 0 | 0 | 0.65 |
References
- Zhao, Y.; Jiang, X.; Sun, F.; Ge, L.; Sun, M.; Yu, M. Simultaneous detection method for photovoltaic islanding and low-voltage-ride-through based on harmonic characteristics. Power Syst. Prot. Control 2022, 50, 41–50. [Google Scholar]
- Mehta, A.; Doctor, G.; Kane, A.; Sawant, D. Study for achieving carbon-neutral campus in India. In Proceedings of the IEEE International Smart Cities Conference (ISC2), Pafos, Cyprus, 26–29 September 2022. [Google Scholar]
- International Energy Agency. Harnessing Variable Renewables; International Energy Agency: Paris, France, 2011. [Google Scholar]
- Zhao, J.; Zheng, T.; Litvinov, E. A Unified Framework for Defining and Measuring Flexibility in Power System. IEEE Trans. Power Syst. 2016, 31, 339–347. [Google Scholar] [CrossRef]
- International Energy Agency. Empowering Variable Renewables-Options for Flexible Electricity Systems; International Energy Agency: Paris, France, 2008. [Google Scholar]
- Xing, T.; Caijuan, Q.; Liang, Z.; Ge, P.; Gong, J.; Jin, P. A comprehensive flexibility optimization strategy on power system with high-percentage renewable energy. In Proceedings of the 2nd International Conference on Power and Renewable Energy (ICPRE), Chengdu, China, 20–23 September 2017. [Google Scholar]
- Ma, Y.; Liu, C.; Xie, K.; Hu, B.; Yang, H. Review on Network Transmission Flexibility of Power System and Its Evaluation. Proceedings of the CSEE 2023, 43, 5429–5441. [Google Scholar]
- Wang, C.; Li, P.; Yu, H. Development and Characteristic Analysis of Flexibility in Smart Distribution Network. Autom. Electr. Power Syst. 2018, 42, 13–21. [Google Scholar]
- North American Electricity Reliability Council. Transmission Transfer Capability Reference Document for Calculating and Reporting the Electric Power Transfer Capability of Interconnected Electric Systems; North American Electricity Reliability Council: Atlanta, GA, USA, 1995. [Google Scholar]
- Pandey, S.N.; Pandey, N.K.; Tapaswi, S.; Srivastava, L. Neural Network-Based Approach for ATC Estimation Using Distributed Computing. IEEE Trans. Power Syst. 2010, 25, 1291–1300. [Google Scholar] [CrossRef]
- Li, W.; Vaahedi, E.; Lin, Z. BC Hydro’s Transmission Reliability Margin Assessment in Total Transfer Capability Calculations. IEEE Trans. Power Syst. 2013, 28, 4796–4802. [Google Scholar] [CrossRef]
- Wang, X.; Wang, X.; Sheng, H.; Lin, X. A Data-Driven Sparse Polynomial Chaos Expansion Method to Assess Probabilistic Total Transfer Capability for Power Systems with Renewables. IEEE Trans. Power Syst. 2020, 36, 2573–2583. [Google Scholar] [CrossRef]
- Falaghi, H.; Ramezani, M.; Singh, C.; Haghifam, M.R. Probabilistic Assessment of TTC in Power Systems Including Wind Power Generation. IEEE Syst. J. 2012, 6, 181–190. [Google Scholar] [CrossRef]
- Yu, J.; Liu, J.; Li, W.; Xu, R.; Yan, W.; Zhao, X. Limit preserving equivalent method of interconnected power systems based on transmission capability consistency. IET Gener. Transm. Distrib. 2016, 10, 3547–3554. [Google Scholar] [CrossRef]
- Tan, Z.; Zhong, H.; Wang, J.; Xia, Q.; Kang, C. Enforcing intraregional constraints in tie-line scheduling: A projection based framework. IEEE Trans. Power Syst. 2019, 34, 4751–4761. [Google Scholar] [CrossRef]
- Lin, W. Characterization and Fast Calculation of Steady-State Feasible Region of Tie-Line Transmission. Ph.D. Thesis, Chongqing University, Chongqing, China, 2021. [Google Scholar]
- Midcentral Independent System Operator. Ramp Capability Product Design for MISO Markets; Midcentral Independent System Operator: Carmel, IN, USA, 2013. [Google Scholar]
- North American Electric Reliability Corporation. Special Report: Flexibility Requirements and Potential Metrics for Variable Generation: Implications for System Planning Studies; North American Electric Reliability Corporation: Atlanta, GA, USA, 2010. [Google Scholar]
- Holttinen, H.; Tuohy, A.; Milligan, M.; Lannoye, E.; Silva, V.; Müller, S.; Sö, L. The flexibility workout: Managing variable resources and assessing the need for power system modification. IEEE Power Energy Mag. 2013, 11, 53–62. [Google Scholar] [CrossRef]
- Xiao, D.; Wang, C.; Zeng, P.; Sun, W.; Duan, J. A Survey on Power System Flexibility and Its Evaluations. Power Syst. Technol. 2014, 38, 1569–1576. [Google Scholar]
- Lu, Z.; Li, H.; Qiao, Y. Flexibility Evaluation and Supply/Demand Balance Principle of Power System with High-penetration Renewable Electricity. Proc. CSEE 2017, 37, 9–20. [Google Scholar]
- Ulbig, A.; Andersson, G. Analyzing operational flexibility of electric power systems. Int. J. Electr. Power Energy Syst. 2015, 72, 155–164. [Google Scholar] [CrossRef]
- Bus Power Flow Test Case. Available online: https://labs.ece.uw.edu/pstca/pf30/pg_tca30bus.htm (accessed on 20 March 2023).







| Node Number | Up-RF | Down-RF | Up-FANL/MW | Down-FANL/MW |
|---|---|---|---|---|
| 1 | 1.13 | 1.32 | 13.31 | 11.29 |
| 2 | 1.22 | 1.05 | 8.25 | 9.48 |
| 3 | 0 | 0.45 | 1.14 | 1.09 |
| 4 | 0 | 0 | 3.60 | 3.85 |
| 5 | 0 | 1.19 | 11.46 | 8.45 |
| 6 | 0 | 0 | 0 | 0 |
| 7 | 0 | 0.63 | 8.05 | 7.99 |
| 8 | / | / | / | / |
| 28 | 0 | 0 | 0 | 0 |
| 0.91 | 1.57 | 52.85 | 39.21 |
| New serial number i | 1 | 2 | 3 | 4 | 5 | 6 | 7 | 8 | 9 | 10 |
| Old serial number | 3 | 4 | 6 | 7 | 28 | 5 | 1 | 2 | 8 |
Disclaimer/Publisher’s Note: The statements, opinions and data contained in all publications are solely those of the individual author(s) and contributor(s) and not of MDPI and/or the editor(s). MDPI and/or the editor(s) disclaim responsibility for any injury to people or property resulting from any ideas, methods, instructions or products referred to in the content. |
© 2023 by the authors. Licensee MDPI, Basel, Switzerland. This article is an open access article distributed under the terms and conditions of the Creative Commons Attribution (CC BY) license (https://creativecommons.org/licenses/by/4.0/).
Share and Cite
Hu, S.; Zhao, Y.; Guo, X.; Zhang, Z.; Cai, W.; Cao, L.; Yang, J. A Power External Transmission Strategy for Regional Power Grids Considering Internal Flexibility Supply and Demand Balance. Energies 2023, 16, 6323. https://doi.org/10.3390/en16176323
Hu S, Zhao Y, Guo X, Zhang Z, Cai W, Cao L, Yang J. A Power External Transmission Strategy for Regional Power Grids Considering Internal Flexibility Supply and Demand Balance. Energies. 2023; 16(17):6323. https://doi.org/10.3390/en16176323
Chicago/Turabian StyleHu, Sile, Yucan Zhao, Xiangwei Guo, Zhenmin Zhang, Wenbin Cai, Linfeng Cao, and Jiaqiang Yang. 2023. "A Power External Transmission Strategy for Regional Power Grids Considering Internal Flexibility Supply and Demand Balance" Energies 16, no. 17: 6323. https://doi.org/10.3390/en16176323
APA StyleHu, S., Zhao, Y., Guo, X., Zhang, Z., Cai, W., Cao, L., & Yang, J. (2023). A Power External Transmission Strategy for Regional Power Grids Considering Internal Flexibility Supply and Demand Balance. Energies, 16(17), 6323. https://doi.org/10.3390/en16176323

