Advances in the Co-Simulation of Detailed Electrical and Whole-Building Energy Performance
Abstract
:1. Introduction
2. Methods
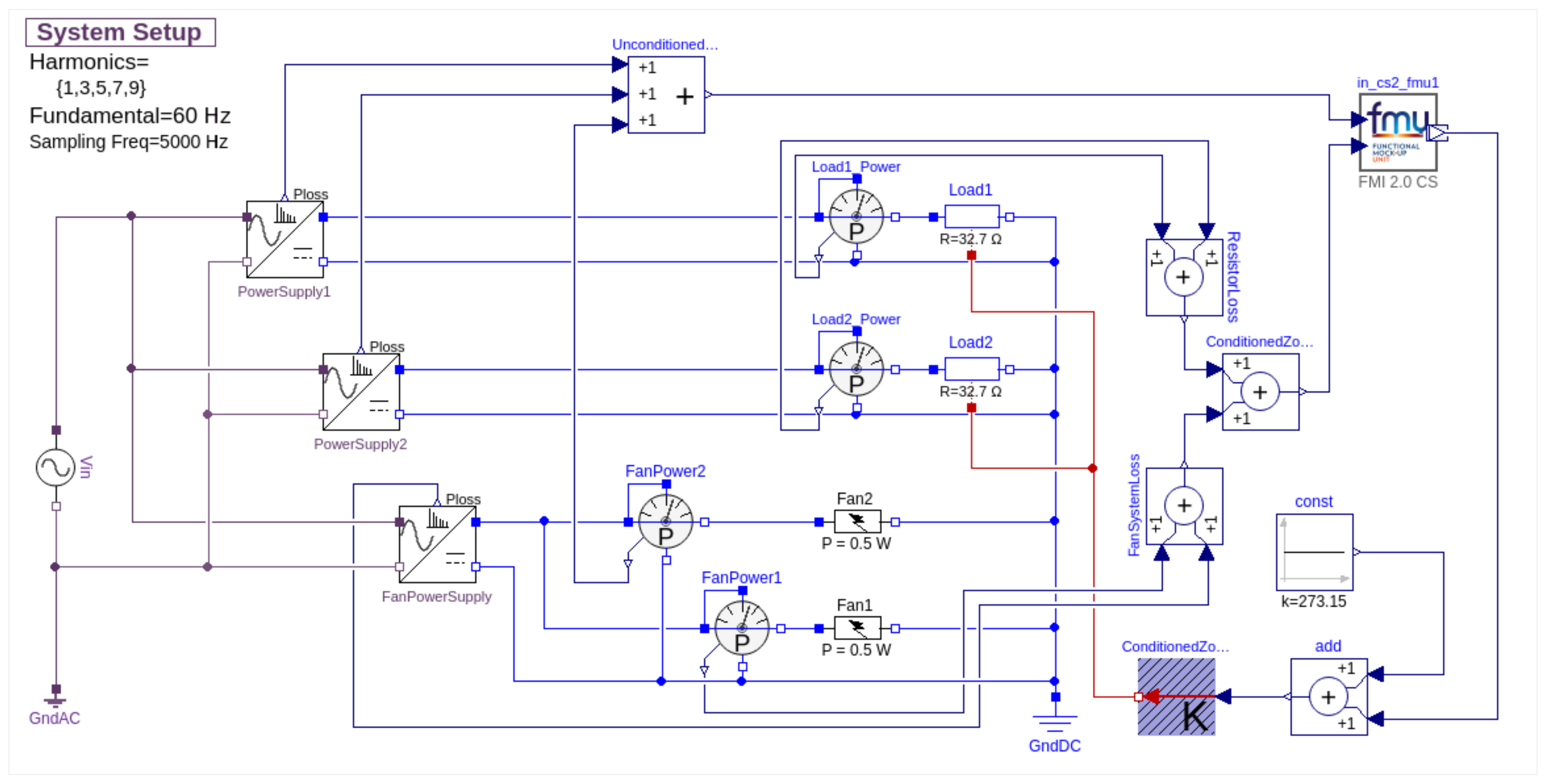
2.1. Model Architecture
- How does the coincidence of on-site PV generation and building load influence the efficiency of energy delivery?
- What is the impact of Power-over-Ethernet switch and cabling losses on zone cooling demand?
- What is the overall energy efficiency of AC versus DC distribution for data centers?
2.1.1. Electrical Simulation
- Ability to flexibly model arbitrary electrical distribution topologies (AC or DC, or single-phase or multi-phase) alone or in combination;
- Ability to flexibly model arbitrary power flows between the electric grid, loads, on-site PV generation, and on-site storage;
- Robust and accurate modeling of harmonic voltage and currents;
- Accurate representation of the highly nonlinear behavior of power electronics converters;
- Ability to compute component-level losses throughout the building electrical distribution system.
2.1.2. Building Energy Simulation
2.1.3. Co-Simulation Implementation and Data Exchange
2.2. Validation Experiment
2.2.1. Electrical Model
2.2.2. Thermal Model
- We removed the chamber partition and cooling system, then introduced a known, fixed internal heat source to produce a response in the chamber internal temperature. We used the steady-state temperature to calibrate the insulation properties, and the transient response was used to calibrate the chamber’s overall thermal mass.
- We introduced the cooling water loop to the chamber (still with the partition removed), heated the chamber, and allowed the cooling loop to cool the chamber to a steady-state temperature. We used this experiment to calibrate the properties of the cooling model.
- We introduced the partition between the thermal zones, then performed a heating/cooling cycle with a fixed internal heat source in one zone only. We enabled the cooling loop only after the chamber had heated to a steady-state temperature. With this experiment, we calibrated the insulation properties of the inner partition, the thermal mass of each zone, and the air mixing between the zones.
2.2.3. Model Summary
3. Results
4. Discussion
4.1. Limitations
- As previously mentioned, the AC/DC power supply serving the circulation fans was not characterized. Therefore, its efficiency curve remains unknown. This was a potential source of error in the prediction of electrical input power.
- The high circulation rate of the cooling water relative to the load and the coil characteristics resulted in nearly identical coil entering and leaving water temperatures. Because the temperature difference was very small, random errors and/or biases in the measured water temperatures frequently resulted in a calculated cooling energy that was physically impossible (such as negative cooling or steady-state cooling that significantly exceeded the thermal chamber’s internal heat gains). As a result, the experimental cooling energy data were unusable, and we did not attempt to compare them to the modeled cooling energy.
- Because accuracy specifications were not available for all the of the instrumentation used in the experiment, we did not perform an uncertainty analysis. It is therefore unknown whether the model outputs match the measured data within the experimental uncertainty. Nevertheless, the calculated error metrics were low.
4.2. Future Work
5. Conclusions
Author Contributions
Funding
Data Availability Statement
Acknowledgments
Conflicts of Interest
Appendix A. Co-Simulation Technical Implementation
Appendix A.1. EnergyPlus External Interface
Appendix A.2. Functional Mockup Interface
- All required model files;
- An extensible markup language (XML) description file that lists the input and output variables;
- A platform-specific executable (DLL or EXE) file for simulation.
- Because EnergyPlus’ minimum simulation time step is 60 s, the model cannot run faster than or communicate with a time step smaller than 60 s.
- EnergyPlus simulates full days only; therefore, the total model simulation time must be a multiple of 86,400 s (1 day). With a 60 s time step, this implies 1440 total steps for each full day of simulation.
- The StopTime property of the FMU must be defined; it cannot be left blank as is typically performed for ad-hoc simulations.
- Communication with the EnergyPlus FMU can only occur at the time step of the EnergyPlus model. Therefore, the total number of time steps for the overall simulation must be specified such that the FMI communication step size matches the native EnergyPlus model time step.
References
- Roth, A.; Reyna, J. Grid-Interactive Efficient Buildings Technical Report Series: Whole-Building Controls, Sensors, Modeling, and Analytics; Technical Report NREL/TP-5500-75478; Building Technologies Office: Washington, DC, USA, 2019. [Google Scholar] [CrossRef]
- Mims Frick, N.; Wilson, E.J.; Reyna, J.; Parker, A.S.; Present, E.K.; Kim, J.; Hong, T.; Li, H.; Eckman, T. End-Use Load Profiles for the U.S. Building Stock: Market Needs, Use Cases, and Data Gaps; Technical Report NREL/TP-5500-75215; National Renewable Energy Lab. (NREL): Golden, CO, USA, 2019. [Google Scholar] [CrossRef]
- Ye, Y.; Faulkner, C.A.; Xu, R.; Huang, S.; Liu, Y.; Vrabie, D.L.; Zhang, J.; Zuo, W. System modeling for grid-interactive efficient building applications. J. Build. Eng. 2023, 69, 106148. [Google Scholar] [CrossRef]
- Gerber, D.L.; Vossos, V.; Feng, W.; Marnay, C.; Nordman, B.; Brown, R. A Simulation-Based Efficiency Comparison of AC and DC Power Distribution Networks in Commercial Buildings. Appl. Energy 2018, 210, 1167–1187. [Google Scholar] [CrossRef]
- Marchionini, B.; Zheng, S. Direct Current in Buildings: A Look at Current and Future Trends; Technical Report NEMA DCP 1-2018; National Electrical Manufacturers Association: Arlington, VA, USA, 2018. [Google Scholar]
- Gal, I.; Lipson, B.; Larsen, T.; Tsisserev, A.; Mereuta, J. DC Microgrids in Buildings; Technical Report, CSA Group: Toronto, ON, USA, 2019. [Google Scholar]
- Vossos, V.; Gaillet-Tournier, M.; Gerber, D.; Nordman, B.; Brown, R.; Bernal, W.; Ghatpande, O.; Saha, A.; Michael, D.; Stephen, F. Direct-DC Power in Buildings: Identifying the Best Applications Today for Tomorrow’s Building Sector. In Proceedings of the ACEEE Summer Study on Energy Efficiency in Buildings, Virtual, 17–21 August 2020; p. 15. [Google Scholar]
- Sunderman, W.G. Conservation Voltage Reduction System Modeling, Measurement, and Verification. In Proceedings of the PES Transmission and Distribution Conference and Exposition (T&D 2012), Orlando, FL, USA, 7–10 May 2012; pp. 1–4. [Google Scholar] [CrossRef]
- Sen, P.K.; Lee, K.H. Conservation Voltage Reduction Technique: An Application Guideline for Smarter Grid. IEEE Trans. Ind. Appl. 2016, 52, 2122–2128. [Google Scholar] [CrossRef]
- Johansson, D.; Bagge, H. Simulating Space Heating Demand with Respect to Non-Constant Heat Gains from Household Electricity. J. Build. Perform. Simul. 2011, 4, 227–238. [Google Scholar] [CrossRef]
- Pratt, A.; Kumar, P.; Aldridge, T.V. Evaluation of 400 V DC Distribution in Telco and Data Centers to Improve Energy Efficiency. In Proceedings of the INTELEC 07—29th International Telecommunications Energy Conference, Rome, Italy, 30 September–4 October 2007; pp. 32–39. [Google Scholar] [CrossRef]
- AlLee, G.; Tschudi, W. Edison Redux: 380 Vdc Brings Reliability and Efficiency to Sustainable Data Centers. IEEE Power Energy Mag. 2012, 10, 50–59. [Google Scholar] [CrossRef]
- Fregosi, D.; Ravula, S.; Brhlik, D.; Saussele, J.; Frank, S.; Bonnema, E.; Scheib, J.; Wilson, E. A Comparative Study of DC and AC Microgrids in Commercial Buildings across Different Climates and Operating Profiles. In Proceedings of the 2015 IEEE First International Conference on DC Microgrids (ICDCM), Atlanta, GA, USA, 7–10 June 2015; pp. 159–164. [Google Scholar] [CrossRef]
- Mattsson, S.E.; Elmqvist, H. Modelica—An International Effort to Design the Next Generation Modeling Language. IFAC Proc. Vol. 1997, 30, 151–155. [Google Scholar] [CrossRef]
- Modelica Association. Modelica—A Unified Object-Oriented Language for Systems Modeling: Language Specification, Version 3.5; Modelica Association: Vienna, Austria, 2021. [Google Scholar]
- Trčka, M.; Hensen, J.L.M.; Wetter, M. Co-Simulation of Innovative Integrated HVAC Systems in Buildings. J. Build. Perform. Simul. 2009, 2, 209–230. [Google Scholar] [CrossRef]
- Wetter, M. Co-Simulation of Building Energy and Control Systems with the Building Controls Virtual Test Bed. J. Build. Perform. Simul. 2010, 4, 185–203. [Google Scholar] [CrossRef]
- Nouidui, T.; Wetter, M.; Zuo, W. Functional Mock-up Unit for Co-Simulation Import in EnergyPlus. J. Build. Perform. Simul. 2013, 7, 192–202. [Google Scholar] [CrossRef]
- Modelica Association. Functional Mock-Up Interface for Model Exchange and Co-Simulation, Version 2.0.1; Modelica Association: Vienna, Austria, 2019. [Google Scholar]
- Wetter, M.; Zuo, W.; Nouidui, T.S.; Pang, X. Modelica Buildings Library. J. Build. Perform. Simul. 2013, 7, 253–270. [Google Scholar] [CrossRef]
- Wetter, M.; Nouidui, T.; Lorenzetti, D.; Lee, E.A.; Roth, A. Prototyping the Next Generation EnergyPlus Simulation Engine. In Proceedings of the 14th International Conference of the International Building Performance Simulation Association (BS2015), Hyderabad, India, 7–9 December 2015; pp. 403–410. [Google Scholar]
- Wetter, M.; Bonvini, M.; Nouidui, T.S. Equation-Based Languages—A New Paradigm for Building Energy Modeling, Simulation and Optimization. Energy Build. 2015, 117, 290–300. [Google Scholar] [CrossRef]
- Bonvini, M.; Wetter, M.; Nouidui, T.S. A Modelica Package for Building-to-Electrical Grid Integration. In Proceedings of the 5th BauSim Conference, Aachen, Germany, 22–24 September 2014; pp. 6–13. [Google Scholar]
- Crawley, D.B.; Lawrie, L.K.; Winkelmann, F.C.; Buhl, W.F.; Huang, Y.J.; Pedersen, C.O.; Strand, R.K.; Liesen, R.J.; Fisher, D.E.; Witte, M.J.; et al. EnergyPlus: Creating a New-Generation Building Energy Simulation Program. Energy Build. 2001, 33, 319–331. [Google Scholar] [CrossRef]
- Othee, A.; Cale, J.; Santos, A.; Frank, S.; Zimmerle, D.; Ghatpande, O.; Duggan, G.; Gerber, D. A Modeling Toolkit for Comparing AC and DC Electrical Distribution Efficiency in Buildings. Energies 2023, 16, 3001. [Google Scholar] [CrossRef]
- Othee, A.; Ball, B.; Frank, S. Building Electrical Efficiency Analysis Model (BEEAM). 2022. Available online: https://github.com/NREL/BEEAM/releases/tag/v0.2.0-beta (accessed on 1 June 2023).
- EnergyPlus Development Team. EnergyPlus 9.4.0. Available online: https://github.com/NREL/EnergyPlus/releases/tag/v9.4.0 (accessed on 23 March 2021).
- Clarke, J.A.; Kelly, N.J. Integrating Power Flow Modelling with Building Simulation. Energy Build. 2001, 33, 333–340. [Google Scholar] [CrossRef]
- Santos, A.; Cale, J.; Othee, A.; Gerber, D.; Frank, S.; Duggan, G.; Zimmerle, D.; Brown, R. Comparison of Load Models for Estimating Electrical Efficiency in DC Microgrids. In Proceedings of the 3rd IEEE International Conference on DC Microgrids, Matsue, Japan, 20–23 May 2019. [Google Scholar]
- Fritzson, P.; Pop, A.; Abdelhak, K.; Ashgar, A.; Bachmann, B.; Braun, W.; Bouskela, D.; Braun, R.; Buffoni, L.; Casella, F.; et al. The OpenModelica Integrated Environment for Modeling, Simulation, and Model-Based Development. Model. Identif. Control. Nor. Res. Bull. 2020, 41, 241–295. [Google Scholar] [CrossRef]
- Dymola. 2020. Available online: https://www.3ds.com/products-services/catia/products/dymola/ (accessed on 1 June 2023).
- Judkoff, R.; Neymark, J. Model Validation and Testing: The Methodological Foundation of ASHRAE Standard 140. In Proceedings of the ASHRAE 2006 Annual Meeting, Quebec, QC, USA, 25 June 2006. [Google Scholar]
- U.S. Department of Energy. EnergyPlus Documentation: Engineering Reference, Version 9.4.0; U.S. Department of Energy: Washington, DC, USA, 2020. [Google Scholar]
- Blochwitz, T.; Otter, M.; Arnold, M.; Bausch, C.; Clauß, C.; Elmqvist, H.; Junghanns, A.; Mauss, J.; Monteiro, M.; Neidhold, T.; et al. The Functional Mockup Interface for Tool Independent Exchange of Simulation Models. In Proceedings of the 8th International Modelica Conference, Dresden, Germany, 20–22 March 2011. [Google Scholar]
- ASHRAE. Measurement of Energy, Demand, and Water Savings; Standard Guideline 14-2014; ASHRAE: Atlanta, GA, USA, 2014. [Google Scholar]
- Ball, B.L.; Long, N.; Fleming, K.; Balbach, C.; Lopez, P. An Open Source Analysis Framework for Large-Scale Building Energy Modeling. J. Build. Perform. Simul. 2020, 13, 487–500. [Google Scholar] [CrossRef]
- U.S. Department of Energy. EnergyPlus Documentation: Input Output Reference, Version 9.4.0; U.S. Department of Energy: Washington, DC, USA, 2020. [Google Scholar]
- Modelica Association. System Structure and Parameterization, Version 1.0; Modelica Association: Vienna, Austria, 2019. [Google Scholar]
- Nouidui, T.; Wetter, M.; Dostal, J.; Hu, J. EnergyPlusToFMU. Available online: https://github.com/lbl-srg/EnergyPlusToFMU (accessed on 22 March 2021).
- Blockwitz, T.; Otter, M.; Akesson, J.; Arnold, M.; Clauss, C.; Elmqvist, H.; Friedrich, M.; Junghanns, A.; Mauss, J.; Neumerkel, D.; et al. Functional Mockup Interface 2.0: The Standard for Tool Independent Exchange of Simulation Models. In Proceedings of the 9th International MODELICA Conference, Munich, Germany, 3–5 September 2012; pp. 173–184. [Google Scholar] [CrossRef]
- Nakhimovski, I.; Fredriksson, E. FMI Compliance Checker. Available online: https://github.com/modelica-tools/FMUComplianceChecker (accessed on 22 March 2021).








| Description | Value | Unit |
|---|---|---|
| Thermal transmittance of the chamber envelope | 0.38 | W/(m2K) |
| Thermal transmittance of the interior partition | 2.316 | W/(m2K) |
| Effective surface area of the thermal mass in the conditioned zone | 0.02 | m2 |
| Effective thickness of the thermal mass in the conditioned zone | 0.04 | m |
| Effective surface area of the thermal mass in the unconditioned zone | 0.03 | m2 |
| Effective thickness of the thermal mass in the unconditioned zone | 0.11 | m |
| Airflow mixing rate between zones | 0.003 | m3/s |
| Zone thermal capacitance multiplier | 21 | |
| Air-to-water thermal resistance of the cooling coil | 0.75 | W/K |
| Model | Inputs | Calibrated Parameters | Outputs |
|---|---|---|---|
| Electrical |
|
|
|
| Thermal |
|
|
|
| Modeled Quantity | NMBE a | CV(RMSE) b |
|---|---|---|
| Conditioned zone temperature | 1.4% | 2.0% |
| Unconditioned zone temperature | −1.1% | 2.8% |
| Electrical input power | 3.4% | 3.4% |
Disclaimer/Publisher’s Note: The statements, opinions and data contained in all publications are solely those of the individual author(s) and contributor(s) and not of MDPI and/or the editor(s). MDPI and/or the editor(s) disclaim responsibility for any injury to people or property resulting from any ideas, methods, instructions or products referred to in the content. |
© 2023 by the authors. Licensee MDPI, Basel, Switzerland. This article is an open access article distributed under the terms and conditions of the Creative Commons Attribution (CC BY) license (https://creativecommons.org/licenses/by/4.0/).
Share and Cite
Frank, S.; Ball, B.; Gerber, D.L.; Cu, K.; Othee, A.; Shackelford, J.; Ghatpande, O.; Brown, R.; Cale, J. Advances in the Co-Simulation of Detailed Electrical and Whole-Building Energy Performance. Energies 2023, 16, 6284. https://doi.org/10.3390/en16176284
Frank S, Ball B, Gerber DL, Cu K, Othee A, Shackelford J, Ghatpande O, Brown R, Cale J. Advances in the Co-Simulation of Detailed Electrical and Whole-Building Energy Performance. Energies. 2023; 16(17):6284. https://doi.org/10.3390/en16176284
Chicago/Turabian StyleFrank, Stephen, Brian Ball, Daniel L. Gerber, Khanh Cu, Avpreet Othee, Jordan Shackelford, Omkar Ghatpande, Richard Brown, and James Cale. 2023. "Advances in the Co-Simulation of Detailed Electrical and Whole-Building Energy Performance" Energies 16, no. 17: 6284. https://doi.org/10.3390/en16176284
APA StyleFrank, S., Ball, B., Gerber, D. L., Cu, K., Othee, A., Shackelford, J., Ghatpande, O., Brown, R., & Cale, J. (2023). Advances in the Co-Simulation of Detailed Electrical and Whole-Building Energy Performance. Energies, 16(17), 6284. https://doi.org/10.3390/en16176284

