A Comparative Analysis of Measured and Simulated Data of PV Rooftop Installations Located in Poland
Abstract
1. Introduction
2. Materials and Methods
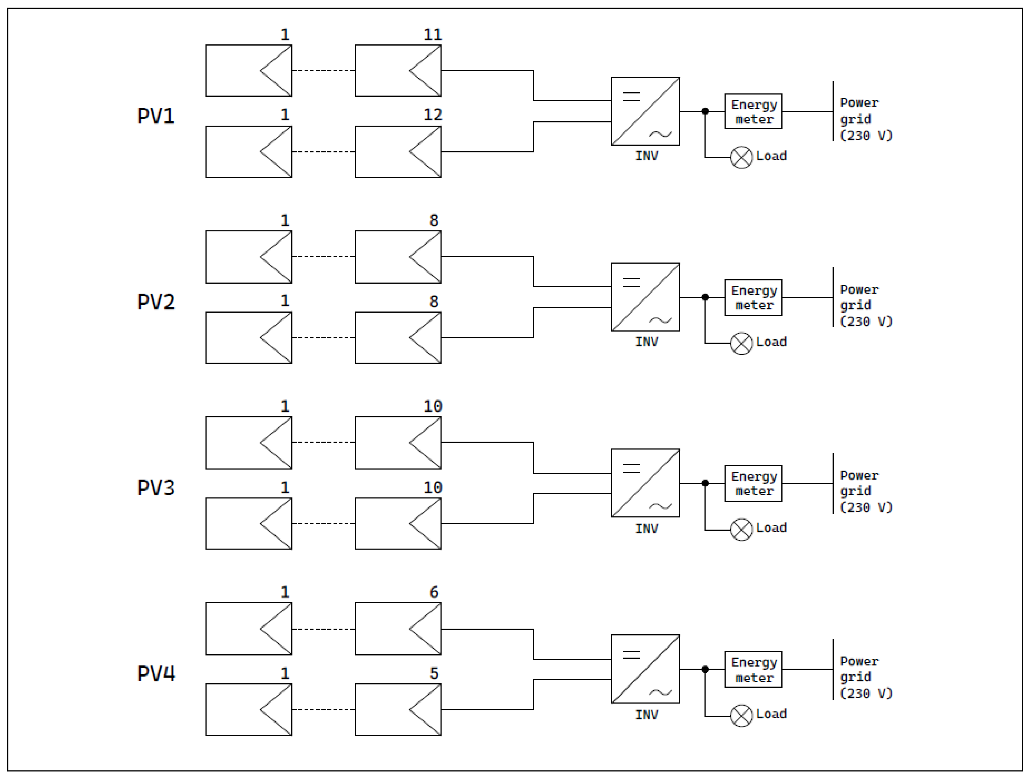
2.1. Study Size Characteristics
2.2. Calculation of Final Yield
2.3. Performance Analysis Using Selected Photovoltaic Software
2.3.1. DDS-Cad
2.3.2. PVSOL
2.3.3. PVGIS
2.3.4. PVWatts Calculator
3. Results and Discussion
3.1. Weather Data Analysis
3.2. Analysis of Energy Output
4. Conclusions
Funding
Data Availability Statement
Acknowledgments
Conflicts of Interest
Appendix A

References
- DNV. Energy Transition Outlook 2022. In A Global and Regional Forecast to 2050; DNV: Oslo, Norway, 2023. [Google Scholar]
- BP. Bp Statistical Review of World Energy 2022; BP: London, UK, 2022. [Google Scholar]
- EMBER. European Electricity Review 2022; EMBER: London, UK, 2022. [Google Scholar]
- United Nations Framework Convention on Climate Change. Paris Agreement. 2015. Available online: https://unfccc.int/sites/default/files/english_paris_agreement.pdf (accessed on 14 June 2023).
- Ministry of Climate and Environment. Poland’s National Energy and Climate Plan for the Years 2021–2030 (NECP PL); Ministry of Climate and Environment: Warsaw, Poland, 2021.
- Regulation (EU) 2018/1999 of European Parliament and of the Council of 11 December 2018 on the Governance of the Energy Union and Climate Action, Amending Regulations (EC) No 663/2009 and (EC) No 715/2009 of the European Parliament and of the Council, Directives 94/22/EC, 98/70/EC, 2009/31/EC, 2009/73/EC, 2010/31/EU, 2012/27/EU and 2013/30/EU of the European Parliament and of the Council, Council Directives 2009/119/EC and (EU) 2015/652 and Repealing Regulation (EU) No 525/2013 of the European Parliament and of the Council 2018. Available online: https://eur-lex.europa.eu/legal-content/EN/TXT/?uri=uriserv%3AOJ.L_.2018.328.01.0001.01.ENG (accessed on 14 June 2023).
- Proposal for a Regulation of the European Parliament and of the Council Amending Regulation (EU) 2018/842 on Binding Annual Greenhouse Gas Emission Reductions by Member States from 2021 to 2030 Contributing to Climate Action to Meet Commitments under the Paris Agreement 2021. Available online: https://eur-lex.europa.eu/legal-content/en/ALL/?uri=CELEX%3A52021PC0555 (accessed on 14 June 2023).
- European Parliament. Revision of the Renewable Energy Directive: Fit for 55 Package. In EU Legislation in Progress’ Briefings, 3rd ed.; European Parliament: Strasbourg, France, 2021. [Google Scholar]
- IEO. Photovoltaic Market in Poland 2022; IEO: Warsaw, Poland, 2023. [Google Scholar]
- Olczak, P.; Matuszewska, D.; Kryzia, D. ”Mój Prąd” as an Example of the Photovoltaic One off Grant Program in Poland. Polityka Energ. Energy Policy J. 2020, 23, 123–138. [Google Scholar] [CrossRef]
- Iskandarova, M.; Dembek, A.; Fraaije, M.; Matthews, W.; Stasik, A.; Wittmayer, J.M.; Sovacool, B.K. Who Finances Renewable Energy in Europe? Examining Temporality, Authority and Contestation in Solar and Wind Subsidies in Poland, the Netherlands and the United Kingdom. Energy Strategy Rev. 2021, 38, 100730. [Google Scholar] [CrossRef]
- Ministerstwo Klimatu i Srodowiska. Polityka Energetyczna Polski 2040, Zalacznik do Uchwaly nr 22/2021 Rady Ministrow z Dnia 2 Lutego 2021 r; Ministerstwo Klimatu i Srodowiska: Warsaw, Poland, 2021. (In Polish)
- Gaglia, A.G.; Lykoudis, S.; Argiriou, A.A.; Balaras, C.A.; Dialynas, E. Energy Efficiency of PV Panels under Real Outdoor Conditions–An Experimental Assessment in Athens, Greece. Renew. Energy 2017, 101, 236–243. [Google Scholar] [CrossRef]
- Micheli, D.; Alessandrini, S.; Radu, R.; Casula, I. Analysis of the Outdoor Performance and Efficiency of Two Grid Connected Photovoltaic Systems in Northern Italy. Energy Convers. Manag. 2014, 80, 436–445. [Google Scholar] [CrossRef]
- Congedo, P.M.; Malvoni, M.; Mele, M.; De Giorgi, M.G. Performance Measurements of Monocrystalline Silicon PV Modules in South-Eastern Italy. Energy Convers. Manag. 2013, 68, 1–10. [Google Scholar] [CrossRef]
- Sarniak, M.T. Researches of the Impact of the Nominal Power Ratio and Environmental Conditions on the Efficiency of the Photovoltaic System: A Case Study for Poland in Central Europe. Sustainability 2020, 12, 6162. [Google Scholar] [CrossRef]
- Gulkowski, S. Specific Yield Analysis of the Rooftop PV Systems Located in South-Eastern Poland. Energies 2022, 15, 3666. [Google Scholar] [CrossRef]
- Zdyb, A.; Szałas, G. Rooftop Low Angle Tilted Photovoltaic Installation under Polish Climatic Conditions. J. Ecol. Eng. 2021, 22, 223–233. [Google Scholar] [CrossRef] [PubMed]
- Zdyb, A.; Gulkowski, S. Performance Assessment of Four Different Photovoltaic Technologies in Poland. Energies 2020, 13, 196. [Google Scholar] [CrossRef]
- Haffaf, A.; Lakdja, F.; Ould Abdeslam, D.; Meziane, R. Monitoring, Measured and Simulated Performance Analysis of a 2.4 KWp Grid-Connected PV System Installed on the Mulhouse Campus, France. Energy Sustain. Dev. 2021, 62, 44–55. [Google Scholar] [CrossRef]
- Dondariya, C.; Porwal, D.; Awasthi, A.; Shukla, A.K.; Sudhakar, K.; Murali Manohar, S.R.; Bhimte, A. Performance Simulation of Grid-Connected Rooftop Solar PV System for Small Households: A Case Study of Ujjain, India. Energy Rep. 2018, 4, 546–553. [Google Scholar] [CrossRef]
- Akpolat, A.N.; Dursun, E.; Kuzucuoğlu, A.E.; Yang, Y.; Blaabjerg, F.; Baba, A.F. Performance Analysis of a Grid-Connected Rooftop Solar Photovoltaic System. Electronics 2019, 8, 905. [Google Scholar] [CrossRef]
- Kassem, Y.; Al Zoubi, R.; Gökçekuş, H. The Possibility of Generating Electricity Using Small-Scale Wind Turbines and Solar Photovoltaic Systems for Households in Northern Cyprus: A Comparative Study. Environments 2019, 6, 47. [Google Scholar] [CrossRef]
- Mubarak, R.; Weide Luiz, E.; Seckmeyer, G. Why PV Modules Should Preferably No Longer Be Oriented to the South in the Near Future. Energies 2019, 12, 4528. [Google Scholar] [CrossRef]
- Kurz, D.; Nowak, A. Analysis of the Impact of the Level of Self-Consumption of Electricity from a Prosumer Photovoltaic Installation on Its Profitability under Different Energy Billing Scenarios in Poland. Energies 2023, 16, 946. [Google Scholar] [CrossRef]
- Kottek, M.; Grieser, J.; Beck, C.; Rudolf, B.; Rubel, F. World Map of the Köppen-Geiger Climate Classification Updated. Meteorol. Z. 2006, 15, 259–263. [Google Scholar] [CrossRef] [PubMed]
- PN–EN 12831:2006; Instalacje Ogrzewcze w Budynkach. Metoda Obliczania Projektowego Obciążenia Cieplnego: Warsaw, Poland, 2006. (In Polish)
- Kymakis, E.; Kalykakis, S.; Papazoglou, T.M. Performance Analysis of a Grid Connected Photovoltaic Park on the Island of Crete. Energy Convers. Manag. 2009, 50, 433–438. [Google Scholar] [CrossRef]
- Ayompe, L.M.; Duffy, A.; McCormack, S.J.; Conlon, M. Measured Performance of a 1.72kW Rooftop Grid Connected Photovoltaic System in Ireland. Energy Convers. Manag. 2011, 52, 816–825. [Google Scholar] [CrossRef]
- DDScad, Graphisoft. Available online: https://graphisoft.com/solutions/ddscad (accessed on 14 June 2023).
- Design and Simulation Software for Renewable Energy|Valentin Software. Available online: https://valentin-software.com/en/ (accessed on 14 June 2023).
- JRC Photovoltaic Geographical Information System (PVGIS)-European Commission. Available online: https://re.jrc.ec.europa.eu/pvg_tools/en/ (accessed on 14 June 2023).
- PVWatts Calculator. Available online: https://pvwatts.nrel.gov/ (accessed on 14 June 2023).
- Instytut Meteorologii i Gospodarki Wodnej-Państwowy Instytut Badawczy. Available online: https://www.imgw.pl/ (accessed on 14 June 2023).
- Olczak, P. Energy Productivity of Microinverter Photovoltaic Microinstallation: Comparison of Simulation and Measured Results—Poland Case Study. Energies 2022, 15, 7582. [Google Scholar] [CrossRef]







| PV System | Azimuth [°] | Tilt Angle [°] | PV Module | Nominal Power of System [kW] | ||
|---|---|---|---|---|---|---|
| Manufacturer | Type | Power [Wp] | ||||
| PV1 | 145 | 19 | Risen Energy (Ningbo, China) | RSM-60-6-310M | 310 | 7.13 |
| PV2 | 102 | 35 | Risen Energy | RSM-120-6-330M | 330 | 5.28 |
| PV3 | 175 | 40 | Sharp (Sakai City, Japan) | NU-AC310 | 310 | 6.20 |
| PV4 | 78/258 | 32 | Q-Cells SE (Seoul, South Korea) | Q.PEAK DUO-G5 325 | 325 | 3.58 |
| PV System | Inverter’s Manufacturer | Inverter Model | Number of Modules [pcs.] | Configuration | |
|---|---|---|---|---|---|
| PV1 | Shenzhen SOFARSOLAR Co. (Shenzhen, China) | 8.8KTL-X | 23 | 1 string/1st tracker | 11 pcs. |
| 1 string/2nd tracker | 12 pcs. | ||||
| PV2 | Shenzhen SOFARSOLAR Co. | 4.4KTL-X | 16 | 1 string/1st tracker | 8 pcs. |
| 1 string/2nd tracker | 8 pcs. | ||||
| PV3 | Shenzhen SOFARSOLAR Co. | 5.5KTL-X | 20 | 1 string/1st tracker | 10 pcs. |
| 1 string/2nd tracker | 10 pcs. | ||||
| PV4 | Shenzhen SOFARSOLAR Co. | SOFAR 3KTLM-G2 | 11 | 1 string/1st tracker | 6 pcs. |
| 1 string/2nd tracker | 5 pcs. | ||||
| PV System | Module Parameters | Inverter Parameters | |||||||||
|---|---|---|---|---|---|---|---|---|---|---|---|
| PMAX [Wp] | VOC [V] | VMPP [V] | ISC [A] | IMPP [A] | η [%] | β [%/°C] | AC Power [kW] | Max DC Voltage [V] | MPP Voltage Range [V] | η [%] | |
| PV1 | 310 | 40.60 | 33.40 | 9.86 | 9.28 | 18.90 | −0.29 | 8.80 | 1000 | 300–840 | 98.3 |
| PV2 | 330 | 40.30 | 34.05 | 10.30 | 9.70 | 19.60 | −0.29 | 4.40 | 1000 | 190–840 | 98.0 |
| PV3 | 310 | 40.82 | 33.18 | 9.89 | 9.35 | 18.90 | −0.273 | 5.50 | 1000 | 240–840 | 98.0 |
| PV4 | 325 | 40.40 | 33.65 | 10.14 | 9.66 | 19.30 | −0.28 | 3.00 | 600 | 230–520 | 98.0 |
| Feature | DDS-Cad | PVSOL | PVGIS | PVWatts Calculator |
|---|---|---|---|---|
| Solar radiation database | Meteonorm | Meteonorm | PVGIS-SARAH/PVGIS-SARAH2/PVGIS-ERA5 | NSRDB/SWERA/IWEC |
| PV product database | Very complex with the possibility to expand | Very complex with the possibility to expand | No | No |
| PV module input data | Very detailed | Very detailed | Basic | Basic |
| Inverter input data | Very detailed | Very detailed | No | Basic |
| Design of PV system | Yes | Yes | No | No |
| 3D visualization | Advanced | Basic | No | No |
| Energy output simulations | Yes | Yes | Yes | Yes |
| Shadows simulations | Yes | Yes | No | No |
| Output data report | Very detailed | Very detailed | Basic | Basic |
| Availability | Licensed | 30-days free version/licensed | Online tool | Online tool |
| Fee | Not free of charge | Free/Not free of charge | Free of charge | Free of charge |
| Month | Tmin [°C] | Tmax [°C] | Vmin [m/s] | Vmax [m/s] | HUmin [%] | HUmax [%] |
|---|---|---|---|---|---|---|
| January | −11.9 | 9.00 | 0.3 | 14.0 | 51 | 100 |
| February | −6.3 | 9.50 | 0.3 | 12.0 | 42 | 100 |
| March | −11.0 | 18.00 | 0.1 | 9.8 | 21 | 100 |
| April | −3.9 | 18.00 | 0.1 | 9.6 | 28 | 100 |
| May | 0.5 | 26.30 | 0.1 | 11.8 | 24 | 100 |
| June | 6.0 | 34.00 | 0.1 | 9.0 | 4 | 100 |
| July | 8.5 | 33.30 | 0.1 | 21.3 | 4 | 98 |
| August | 9.8 | 31.20 | 0 | 9.9 | 25 | 98 |
| September | 3.7 | 22.30 | 0 | 8.2 | 28 | 98 |
| October | −0.5 | 21.50 | 0 | 10.2 | 45 | 99 |
| November | −7.6 | 14.40 | 0.2 | 5.0 | 57 | 99 |
| December | −16.0 | 7.10 | 0 | 9.7 | 64 | 99 |
| PV System | |||||
|---|---|---|---|---|---|
| [kWh·kW−1] | |||||
| PV1 | 1043.16 | 976.06 | 961.23 | 817.88 | 954.01 |
| PV2 | 983.36 | 879.85 | 891.66 | 772.58 | 853.03 |
| PV3 | 1079.45 | 1055.60 | 1068.37 | 826.14 | 1035.41 |
| PV4 | 982.30 | 829.45 | 853.82 | 728.74 | 817.32 |
Disclaimer/Publisher’s Note: The statements, opinions and data contained in all publications are solely those of the individual author(s) and contributor(s) and not of MDPI and/or the editor(s). MDPI and/or the editor(s) disclaim responsibility for any injury to people or property resulting from any ideas, methods, instructions or products referred to in the content. |
© 2023 by the author. Licensee MDPI, Basel, Switzerland. This article is an open access article distributed under the terms and conditions of the Creative Commons Attribution (CC BY) license (https://creativecommons.org/licenses/by/4.0/).
Share and Cite
Krawczak, E. A Comparative Analysis of Measured and Simulated Data of PV Rooftop Installations Located in Poland. Energies 2023, 16, 5975. https://doi.org/10.3390/en16165975
Krawczak E. A Comparative Analysis of Measured and Simulated Data of PV Rooftop Installations Located in Poland. Energies. 2023; 16(16):5975. https://doi.org/10.3390/en16165975
Chicago/Turabian StyleKrawczak, Ewelina. 2023. "A Comparative Analysis of Measured and Simulated Data of PV Rooftop Installations Located in Poland" Energies 16, no. 16: 5975. https://doi.org/10.3390/en16165975
APA StyleKrawczak, E. (2023). A Comparative Analysis of Measured and Simulated Data of PV Rooftop Installations Located in Poland. Energies, 16(16), 5975. https://doi.org/10.3390/en16165975

