Adaptive Machine-Learning-Based Transmission Line Fault Detection and Classification Connected to Inverter-Based Generators
Abstract
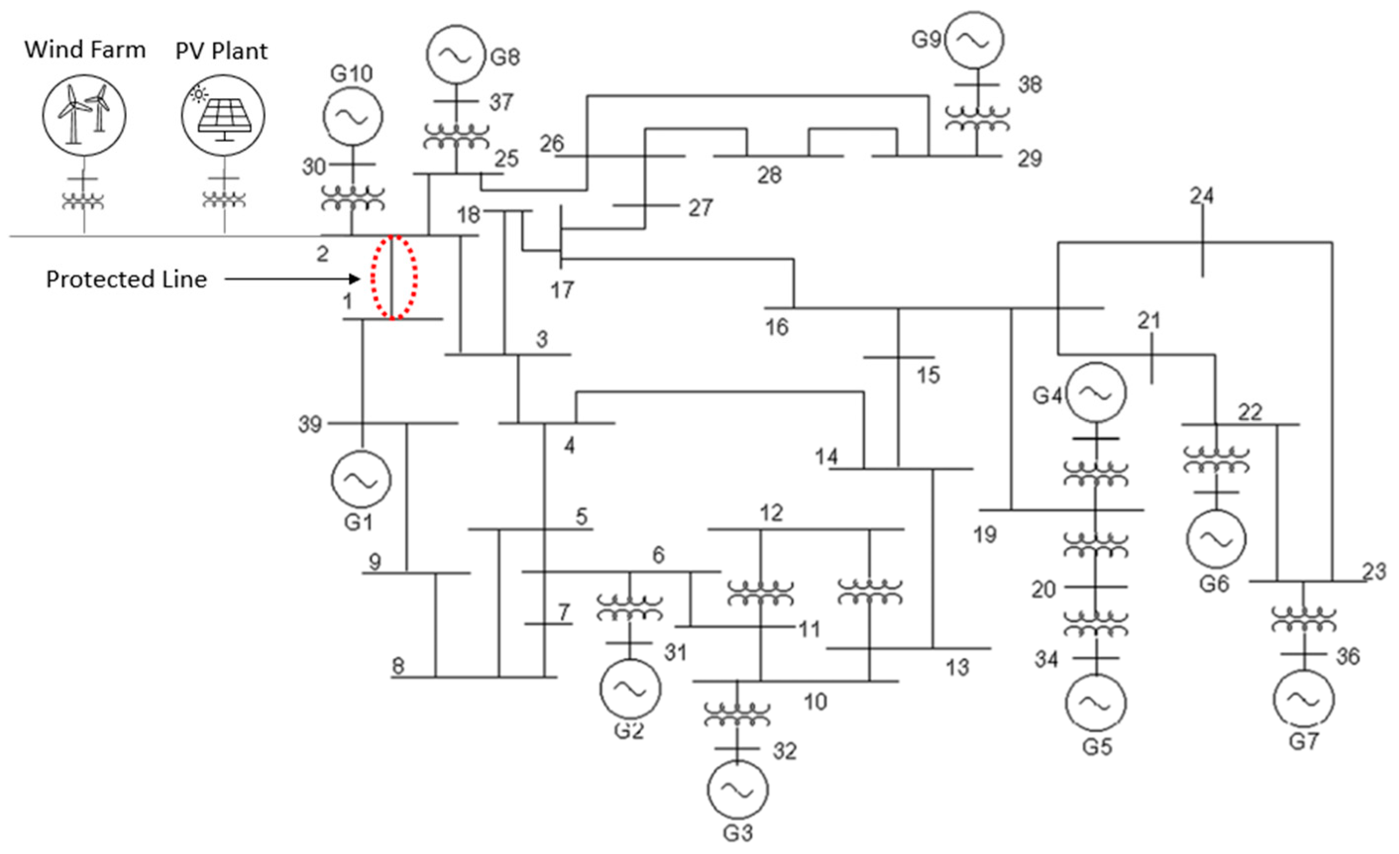
1. Introduction
- defines the system topology as the generation mixture available at the busbar behind the protected line;
- considers two types of IBGs, namely large-scale PV and DFIG wind farms (WF);
- combines ML-based classifiers with setting group selection based on circuit breaker statuses and real-time active power measurements;
- tunes the hyperparameters of the classifier associated with each system topology using the Bayesian optimization algorithm to achieve the best classification performance;
- uses the ensemble feature method, an embedded-type feature selection method, to select the optimal feature subset associated with each system topology;
- selects the appropriate setting group online according to the system topology obtained from the lookup table.
2. System Topology Identification Methods
3. Methodology
3.1. Topology Identification Procedure
3.2. Machine Learning Design Requirement
3.2.1. Data Collection and Preparation
3.2.2. Feature Extraction and Selection
- Compute the impurity decrease (Gini or entropy)
- Weight by the number of examples at that node
- Average overall trees (i.e., average impurity decrease)
- Normalize importance values so that the sum of feature importance values equals one
3.2.3. Classification Model
3.2.4. Classification Performance Metrics
3.2.5. Machine Learning Protection Setting Method
4. Results and Discussion of Results
4.1. Offline Settings
4.2. Performance Evaluation with New Fault Events
4.3. Performance Evaluation with Different IBG Penetration Levels
4.4. Performance Evaluation with New Transmission System Configurations
4.5. Performance Evaluation for Incorrect Topology Identification
4.6. Comparative Analysis of Different Methods in the Literature
5. Conclusions
Author Contributions
Funding
Acknowledgments
Conflicts of Interest
References
- Mukherjee, S.; Marshall, M.; Smith, T.; Piesciorvosky, E.; Snyder, I.; Sticht, C. Adaptive Protective Relay Settings—A Vision to the Future. In Proceedings of the 2022 IEEE Rural Electric Power Conference (REPC), Tulsa, OK, USA, 23–25 April 2022; pp. 25–30. [Google Scholar] [CrossRef]
- Liu, S.; Bi, T.; Liu, Y. Theoretical analysis on the short-circuit current of inverter-interfaced renewable energy generators with fault-ride-through capability. Sustainability 2017, 10, 15. [Google Scholar] [CrossRef]
- Voima, S.; Kauhaniemi, K. Adaptivity of Protection in Smart Grids. In Proceedings of the PAC World Conference, Budapest, Hungary, 25–28 June 2012; Available online: http://sgemfinalreport.fi/files/P024.pdf (accessed on 9 August 2022).
- Ray, P.; Mishra, D.P. Support vector machine based fault classification and location of a long transmission line. Eng. Sci. Technol. Int. J. 2016, 19, 1368–1380. [Google Scholar] [CrossRef]
- Ali, S.F.A.A.M.; Kumar, M.; Muthukaruppan, V. Utility Perspective Towards Machine Learning Techniques in Power System Protection. IRJET 2021, 8, 4140–4146. [Google Scholar]
- Lawal, I.A.; Abdulkarim, S.A. Adaptive SVM for data stream classification. S. Afr. Comput. J. 2017, 29, 27–42. [Google Scholar] [CrossRef][Green Version]
- Lin, H.; Sun, K.; Tan, Z.H.; Liu, C.; Guerrero, J.M.; Vasquez, J.C. Adaptive protection combined with machine learning for microgrids. IET Gener. Transm. Distrib. 2019, 13, 770–779. [Google Scholar] [CrossRef]
- Poudel, B.; Garcia, D.R.; Bidram, A.; Reno, M.J.; Summers, A. Circuit Topology Estimation in an Adaptive Protection System. In Proceedings of the 2020 52nd North American Power Symposium, NAPS 2020, IEEE, Tempe, AZ, USA, 11–13 April 2021; pp. 1–6. [Google Scholar] [CrossRef]
- Marín-Quintero, J.; Orozco-Henao, C.; Percybrooks, W.S.; Vélez, J.C.; Montoya, O.D.; Gil-González, W. Toward an adaptive protection scheme in active distribution networks: Intelligent approach fault detector. Appl. Soft Comput. 2021, 98, 106839. [Google Scholar] [CrossRef]
- Yavuz, L.; Soran, A.; Önen, A.; Muyeen, S.M. An adaptive fault detection scheme using optimized self-healing ensemble machine learning algorithm. CSEE J. Power Energy Syst. 2021, 8, 1145–1156. [Google Scholar] [CrossRef]
- Tang, W.J.; Yang, H.T. Data Mining and Neural Networks Based Self-Adaptive Protection Strategies for Distribution Systems with DGs and FCLs. Energies 2018, 11, 426. [Google Scholar] [CrossRef]
- Memon, A.A.; Kauhaniemi, K. An adaptive protection for radial AC microgrid using IEC 61850 communication standard: Algorithm proposal using offline simulations. Energies 2020, 13, 5316. [Google Scholar] [CrossRef]
- Lin, H.; Guerrero, J.M.; Vasquez, J.C.; Liu, C. Adaptive distance protection for microgrids. In Proceedings of the IECON 2015—41st Annual Conference of the IEEE Industrial Electronics Society, Yokohama, Japan, 9–12 November 2015; pp. 725–730. [Google Scholar] [CrossRef]
- Zhao, J.; Netto, M.; Huang, Z.; Yu, S.S.; Gómez-Expósito, A.; Wang, S.; Kamwa, I.; Akhlaghi, S.; Mili, L.; Terzija, V.; et al. Roles of dynamic state estimation in power system modeling, monitoring and operation. IEEE Trans. Power Syst. 2021, 36, 2462–2472. [Google Scholar] [CrossRef]
- Eisa, S.A.; Stone, W.; Wedeward, K. Mathematical analysis of wind turbines dynamics under control limits: Boundedness, existence, uniqueness, and multi time scale simulations. Int. J. Dyn. Control 2018, 6, 929–949. [Google Scholar] [CrossRef]
- Korres, G.N.; Katsikas, P.J.; Chatzarakis, G.E. Substation topology identification in generalized state estimation. Int. J. Electr. Power Energy Syst. 2006, 28, 195–206. [Google Scholar] [CrossRef]
- Dehghanpour, K.; Wang, Z.; Wang, J.; Yuan, Y.; Bu, F. A survey on state estimation techniques and challenges in smart distribution systems. IEEE Trans. Smart Grid 2019, 10, 2312–2322. [Google Scholar] [CrossRef]
- Poudel, B.P.; Bidram, A.; Reno, M.J.; Summers, A. Zonal Machine Learning-based Protection for Distribution Systems. IEEE Access 2022, 10, 1–12. [Google Scholar] [CrossRef]
- Razmi, P.; Asl, M.G.; Canarella, G.; Emami, A.S. Topology identification in distribution system via machine learning algorithms. PLoS ONE 2021, 16, e0252436. [Google Scholar] [CrossRef] [PubMed]
- Kurup, A.R.; Martinez-Ramon, M.; Summers, A.; Bidram, A.; Reno, M.J. Deep learning based circuit topology estimation and fault classification in distribution systems. In Proceedings of the 2021 IEEE PES Innovative Smart Grid Technologies Europe: Smart Grids: Toward a Carbon-Free Future, ISGT Europe, Espoo, Finland, 18–21 October 2021. [Google Scholar] [CrossRef]
- Amoateng, D.O.; Yan, R.; Mosadeghy, M.; Saha, T.K. Topology Detection in Power Distribution Networks: A PMU Based Deep Learning Approach. IEEE Trans. Power Syst. 2022, 37, 2771–2782. [Google Scholar] [CrossRef]
- He, J.; Cheng, M.X. Machine learning methods for power line outage identification. Electr. J. 2021, 34, 106885. [Google Scholar] [CrossRef]
- DIgSILENT. GmbH 39 Bus New England System; DIgSILENT: Gomaringen, Germany, 2015; pp. 1–16. [Google Scholar]
- DIgSILENT GmbH. PowerFactory 2019, Manual, User; DIgSILENT: Gomaringen, Germany, 2019. [Google Scholar]
- González-Longatt, F.M. The P.M. Anderson Test System. Available online: https://www.fglongatt.org/Test_Systems/PM_Anderson_PF.html (accessed on 5 February 2019).
- ENTSO-E. System Protection Behavior and Settings during System Disturbances; ENTSO-E: Brussels, Belgium, 2018. [Google Scholar]
- Al Kharusi, K.; El Haffar, A.; Mesbah, M. Fault Detection and Classification in Transmission Lines Connected to Inverter—Based Generators Using Machine Learning. Energies 2022, 15, 5475. [Google Scholar] [CrossRef]
- Aliyu, I.; Lim, C.G. Selection of optimal wavelet features for epileptic EEG signal classification with LSTM. Neural Comput. Appl. 2021, 35, 1077–1097. [Google Scholar] [CrossRef]
- Taheri, B.; Salehimehr, S.; Razavi, F.; Parpaei, M. Detection of power swing and fault occurring simultaneously with power swing using instantaneous frequency. Energy Syst. 2020, 11, 491–514. [Google Scholar] [CrossRef]
- Kłosowski, G.; Rymarczyk, T.; Wójcik, D.; Skowron, S.; Cieplak, T.; Adamkiewicz, P. The use of time-frequency moments as inputs of lstm network for ecg signal classification. Electronics 2020, 9, 1452. [Google Scholar] [CrossRef]
- Phinyomark, A.; Thongpanja, S.; Hu, H.; Phukpattaranont, P.; Limsakul, C. The Usefulness of Mean and Median Frequencies in Electromyography Analysis. In Computational Intelligence in Electromyography Analysis—A Perspective on Current Applications and Future Challenges; IntechOpen: London, UK, 2012; pp. 195–220. [Google Scholar] [CrossRef]
- Liu, H.M.H. Computational Methods of Feature Selection; Taylor & Francis: Abingdon, UK, 2007. [Google Scholar]
- Kazemitabar, S.J.; Amini, A.A.; Bloniarz, A.; Talwalkar, A. Variable importance using decision trees. In Proceedings of the 31st Conference on Neural Information Processing Systems (NIPS 2017), Long Beach, CA, USA, 4–9 December 2017; pp. 426–435. [Google Scholar]
- Nembrini, S.; König, I.R.; Wright, M.N. The revival of the Gini importance? Bioinformatics 2018, 34, 3711–3718. [Google Scholar] [CrossRef] [PubMed]
- Wu, Y.; Liu, X.; Zhou, Y. Deep PCA-Based Incipient Fault Diagnosis and Diagnosability Analysis of High-Speed Railway Traction System via FNR Enhancement. Machines 2023, 11, 475. [Google Scholar] [CrossRef]
- Han, J.; Miao, S.; Li, Y.; Yang, W.; Yin, H. Fault Diagnosis of Power Systems Using Visualized Similarity Images and Improved Convolution Neural Networks. IEEE Syst. J. 2022, 16, 185–196. [Google Scholar] [CrossRef]
















| IBG | Characteristics | Dynamic Model Type |
|---|---|---|
| PV Plant | 10 kVA per inverter, local controller: constant Q, Short circuit model: Dynamic voltage support, Sub-transient short circuit: 1.21 kVA, R to X” ratio: 0.1, K Factor: 2, Max. current: 1.1 pu, Td’’= 0.03 s, Td’ = 1.2 s | WECC Large-scale Photovoltaic Plant model |
| Wind Farm (Type 3: Doubly fed induction generator) | 2MVA, 1.0 power factor, local controller: constant Q, Short circuit model: Dynamic voltage support, Sub-transient short circuit: 2.39 MVA, R to X” ratio: 0.1, K Factor: 2, Max. current: 1.1 pu, Td’’= 0.03 s, Td’ = 1.2 s | WECC Wind Turbine Model Type 3 |
| Domain | Features | Number of Features for Each Signal |
|---|---|---|
| Time | Statistical features of the squared signals | 9 |
| Statistical features of first-order difference of the squared signals | 9 | |
| Time–frequency | Statistical features of spectrogram | 9 |
| Statistical features of wavelet decomposition of first and second detail coefficients [28] | 18 | |
| Estimated instantaneous frequency [29] | 1 | |
| Frequency | Spectral entropy [30] | 1 |
| Mean and median frequency [31] | 2 |
| Topology (T) | Classification Model Hyperparameters | Number of Selected Features | Performance Using Training Data (%) | Performance Using Testing Data (%) |
|---|---|---|---|---|
| T1 SG only | Ensemble method: Adaboost Maximum number of splits: 5 Number of learners: 13 Learner rate: 10 | 39 | Precision: 98.93 Recall: 98.84 Accuracy: 98.62 Specificity: 99.79 | Precision: 97.56 Recall: 97.76 Accuracy: 96.77 Specificity: 99.51 |
| T2 PV only | Ensemble method: Bag Maximum number of splits: 128 Number of learners: 131 Number of predictors to sample: 79 | 190 | Precision: 99.17 Recall: 98.88 Accuracy: 98.8 Specificity: 99.82 | Precision: 99.66 Recall: 99.46 Accuracy: 99.60 Specificity: 99.94 |
| T3 WF only | Ensemble method: Bag Maximum number of splits: 13 Number of learners: 18 Number of predictors to sample: 82 | 155 | Precision: 99.31 Recall: 98.80 Accuracy: 99.14 Specificity: 99.87 | Precision: 99.34 Recall: 99.46 Accuracy: 99.60 Specificity: 99.95 |
| T4 SG + PV | Ensemble method: RUSboost Maximum number of splits: 159 Number of learners: 25 Learner rate: 0.873 | 20 | Precision: 98.35 Recall: 98.23 Accuracy: 97.58 Specificity: 99.63 | Precision: 97.28 Recall: 97.12 Accuracy: 96.47 Specificity: 99.48 |
| T5 SG + WF | Ensemble method: Bag Maximum number of splits: 168 Number of learners: 45 Number of predictors to sample: 18 | 157 | Precision: 99.77 Recall: 99.57 Accuracy: 99.66 Specificity: 99.95 | Precision: 99.31 Recall: 98.81 Accuracy: 99.20 Specificity: 99.88 |
| T6 PV + WF | Ensemble method: Bag Maximum number of splits: 46 Number of learners: 10 Number of predictors to sample: 10 | 204 | Precision: 99.52 Recall: 99.53 Accuracy: 99.65 Specificity: 99.95 | Precision: 98.98 Recall: 99.17 Accuracy: 99.19 Specificity: 99.89 |
| T7 SG + PV + WF | Ensemble method: Bag Maximum number of splits: 28 Number of learners: 16 Number of predictors to sample: 10 | 163 | Precision: 99.89 Recall: 99.76 Accuracy: 99.90 Specificity: 99.99 | Precision: 99.21 Recall: 99.02 Accuracy: 99.52 Specificity: 99.93 |
| T8 No generation | Ensemble method: Bag Maximum number of splits: 40 Number of learners: 10 Number of predictors to sample: 3 | 168 | Precision: 99.45 Recall: 98.74 Accuracy: 99.12 Specificity: 99.86 | Precision: 100 Recall: 100 Accuracy: 100 Specificity: 100 |
| Reference | Power System Network | Topology Definition | Topology Change Identification Method | Number of Topologies | ML Method | Performance | ||
|---|---|---|---|---|---|---|---|---|
| Feature Extraction Method | Feature Selection | Classifier | ||||||
| [11] | Distribution network: modified IEEE 30-bus system | DG availability, FCL, and load varying | ANN | Two | CWT | Nil | DT | Failure rate = 0% |
| [7] | Medium-voltage network: Aalborg microgrid and transmission network: IEEE 9-bus model | Meshed or radial network configuration, grid-connected or islanded modes, and load variations. | ANN-SVM algorithm | Not defined | Real-time measurements (no feature extraction) | Nil | SVM for fault location | The error of ANN = 0%, Average error of SVM = 0.215% |
| [10] | Transmission networks: Standard IEEE 14-bus and standard IEEE 39-bus | Add/drop new bus or transmission lines | PSO detects structural changes | Unlimited | Measurements of frequency and phase values of all buses in the time domain (no feature extraction) | Nil | PSO-based weighted ensemble method of k-NN, LDA, LR, NB, DT, boosting algorithm | Accuracy = 97.93% for the IEEE classical model. Accuracy = 96.68% for the modified system (PV added) Accuracy = 96.61% for the IEEE-39 bus model. |
| Proposed | Transmission (39-Bus New England System) | Type of generators connected behind the relay point (synchronous machine, PV plant, and DFIG wind farm) | Circuit breaker statuses and the active power of these generating plants | Eight | Table 2 | Ensemble trees (embedded-type) | Optimized ensemble trees using Bayesian optimization | Average accuracy = 98.79% Average precision = 98.92% Average specificity = 98.76% Average sensitivity = 99.82% |
Disclaimer/Publisher’s Note: The statements, opinions and data contained in all publications are solely those of the individual author(s) and contributor(s) and not of MDPI and/or the editor(s). MDPI and/or the editor(s) disclaim responsibility for any injury to people or property resulting from any ideas, methods, instructions or products referred to in the content. |
© 2023 by the authors. Licensee MDPI, Basel, Switzerland. This article is an open access article distributed under the terms and conditions of the Creative Commons Attribution (CC BY) license (https://creativecommons.org/licenses/by/4.0/).
Share and Cite
Kharusi, K.A.; Haffar, A.E.; Mesbah, M. Adaptive Machine-Learning-Based Transmission Line Fault Detection and Classification Connected to Inverter-Based Generators. Energies 2023, 16, 5775. https://doi.org/10.3390/en16155775
Kharusi KA, Haffar AE, Mesbah M. Adaptive Machine-Learning-Based Transmission Line Fault Detection and Classification Connected to Inverter-Based Generators. Energies. 2023; 16(15):5775. https://doi.org/10.3390/en16155775
Chicago/Turabian StyleKharusi, Khalfan Al, Abdelsalam El Haffar, and Mostefa Mesbah. 2023. "Adaptive Machine-Learning-Based Transmission Line Fault Detection and Classification Connected to Inverter-Based Generators" Energies 16, no. 15: 5775. https://doi.org/10.3390/en16155775
APA StyleKharusi, K. A., Haffar, A. E., & Mesbah, M. (2023). Adaptive Machine-Learning-Based Transmission Line Fault Detection and Classification Connected to Inverter-Based Generators. Energies, 16(15), 5775. https://doi.org/10.3390/en16155775

