Research on the Energy Management Strategy of a Hybrid Energy Storage Type Railway Power Conditioner System
Abstract
1. Introduction
2. Hybrid Energy Storage Type RPC System
2.1. System Structure
2.2. System Operating Principle
3. Hybrid Energy Storage Type RPC System Control Strategy
3.1. Energy Management Strategy for Hybrid Energy Storage RPC System
3.1.1. The Charging and Discharging Strategy of the Hybrid Energy Storage System
- Valley-filling mode
- 2.
- Standby mode
- 3.
- Peak-shaving mode
3.1.2. The VMD Power Allocation Strategy
- Variational modal decomposition
- 2.
- Energy storage medium target power determination
3.2. RPC Control Strategy
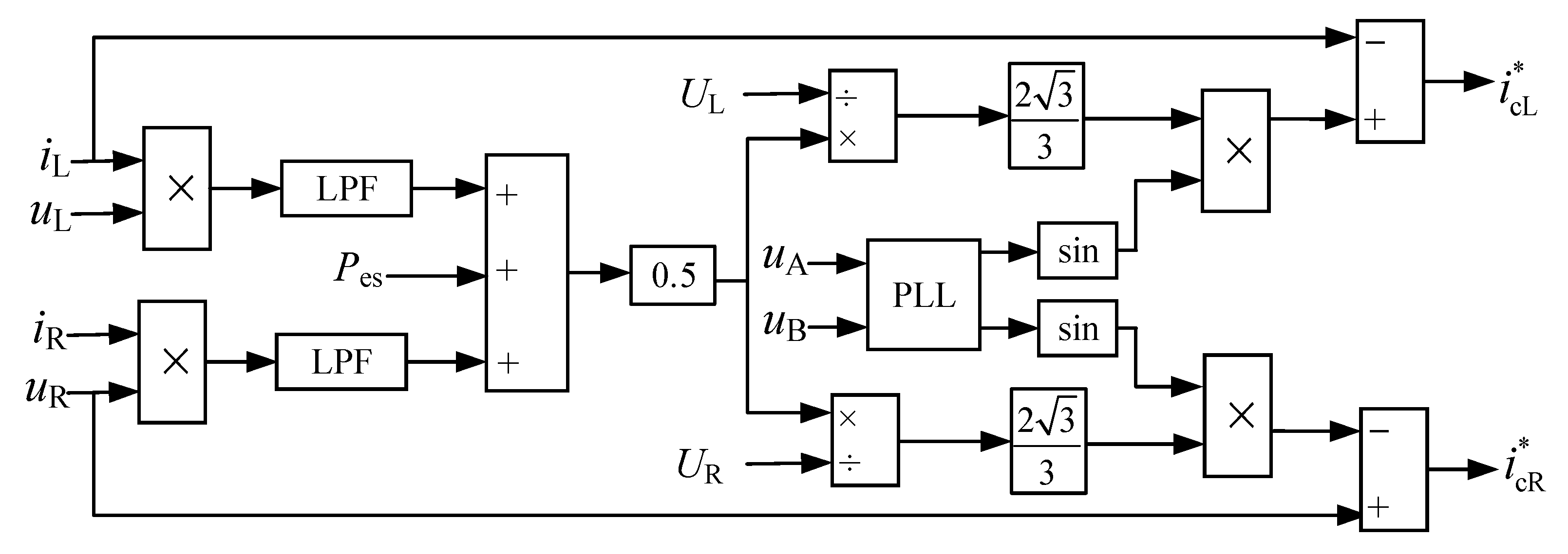
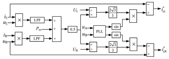
- RPC compensation current calculation
- 2.
- Converter control
3.3. DC/DC Converter Control Strategy
4. Test Verification and Analysis
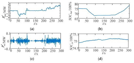
4.1. StarSim Real-Time Verification
4.2. MATLAB Simulation Verification
5. Conclusions
Author Contributions
Funding
Data Availability Statement
Conflicts of Interest
References
- Cutrignelli, F.; Saponaro, G.; Stefanizzi, M.; Torresi, M.; Camporeale, S.M. Study of the effects of regenerative braking system on a hybrid diagnostic train. Energies 2023, 16, 874. [Google Scholar] [CrossRef]
- Chen, Q.J.; Wang, Q.W.; Zhou, D.Q.; Wang, H.G. Drivers and evolution of low-carbon development in China’s transportation industry: An integrated analytical approach. Energy 2023, 262, 125614. [Google Scholar] [CrossRef]
- Barros, L.A.M.; Martins, A.P.; Pinto, J.G. Balancing the active power of a railway traction power substation with an sp-RPC. Energies 2023, 16, 3074. [Google Scholar] [CrossRef]
- Teng, J.; Li, L.K.; Jiang, Y.J.; Shi, R.F. A review of clean energy exploitation for railway transportation systems and its enlightenment to China. Sustainability 2022, 17, 10740. [Google Scholar] [CrossRef]
- Hu, H.T.; Chen, J.Y.; Ge, Y.B.; Huang, W.L.; Liu, L.Z.; He, Z.Y. Research on regenerative braking energy storage and utilization technology for high-speed railways. Proc. CSEE 2020, 40, 246–256+391. [Google Scholar] [CrossRef]
- Lu, Q.W.; He, B.B.; Wu, M.Z.; Zhang, Z.C.; Luo, J.T.; Zhang, Y.K.; He, R.K.; Wang, K.Y. Establishment and analysis of energy consumption model of heavy-haul train on large long slope. Energies 2018, 11, 965. [Google Scholar] [CrossRef]
- Guo, Y.; Chen, X.Q.; Wang, Y.; He, Y.Q.; Yang, H.; Chang, Z.N. Negative sequence optimization compensation strategy for energy storage type railway power conditioner considering grid voltage imbalance. High Volt. Eng. 2023, 49, 772–780. [Google Scholar] [CrossRef]
- Chen, J.Y.; Hu, H.T.; Ge, Y.B.; Huang, W.L.; He, Z.Y. An energy storage system for recycling regenerative braking energy in high-speed railway. IEEE Trans. Power Deliv. 2020, 36, 320–330. [Google Scholar] [CrossRef]
- Frilli, A.; Meli, E.; Nocciolini, D.; Pugi, L.; Rindi, A. Energetic optimization of regenerative braking for high speed railway systems. Energy Convers. Manag. 2016, 129, 200–215. [Google Scholar] [CrossRef]
- Ceraolo, M.; Lutzemberger, G.; Meli, E.; Pugi, L.; Rindi, A.; Pancari, G. Energy storage systems to exploit regenerative braking in DC railway systems: Different approaches to improve efficiency of modern high-speed trains. J. Energy Storage 2018, 16, 269–279. [Google Scholar] [CrossRef]
- Li, T.; Shi, Y.B. Application of MMC-RPC in high-speed railway traction power supply system based on energy storage. Appl. Sci. 2022, 12, 10009. [Google Scholar] [CrossRef]
- Şengör, İ.; Kılıçkıran, H.C.; Akdemir, H.; Kekezoǧlu, B.; Erdinç, O.; Catalão, J.P.S. Energy management of a smart railway station considering regenerative braking and stochastic behaviour of ESS and PV generation. IEEE Trans. Sustain. Energy 2018, 9, 1041–1050. [Google Scholar] [CrossRef]
- Li, Q.Z.; Wang, X.J.; Huang, X.H.; Zhao, Y.; Liu, Y.W.; Zhao, S.F. Research on flywheel energy storage technology for electrified railway. Proc. CSEE 2019, 39, 2025–2033. [Google Scholar] [CrossRef]
- Li, T.; Zhou, Y.J.; Wu, M.L.; He, T.T. A new low-frequency oscillation suppression method based on EMU on-board energy storage device. IEEE Access 2021, 9, 22304–22316. [Google Scholar] [CrossRef]
- Alfieri, L.; Battistelli, L.; Pagano, M. Impact on railway infrastructure of wayside energy storage systems for regenerative braking management: A case study on a real Italian railway infrastructure. IET Electr. Syst. Transp. 2019, 9, 140–149. [Google Scholar] [CrossRef]
- Hayashiya, H.; Yokokawa, S.; Iino, Y.; Kikuchi, S.; Suzuki, T.; Uematsu, S.; Sato, N.; Usui, T. Regenerative energy utilization in ac traction power supply system. In Proceedings of the 2016 IEEE International Power Electronics and Motion Control Conference (PEMC), Varna, Bulgaria, 25–28 September 2016; IEEE: Piscataway, NJ, USA, 2016. [Google Scholar] [CrossRef]
- Zhou, F.Y.; Tang, Z.H.; Tian, Z. Research on comprehensive utilization technology of regenerative braking energy for heavy haul railway. In Proceedings of the 2023 5th Asia Energy and Electrical Engineering Symposium (AEEES), Chengdu, China, 23–26 March 2023; IEEE: Piscataway, NJ, USA, 2023; pp. 1574–1581. [Google Scholar] [CrossRef]
- Yuan, M.; Tian, L.J.; Jiang, T.; Hu, R.B.; Cui, X.J. Research on the capacity configuration of the “flywheel+ lithium battery” hybrid energy storage system that assists the wind farm to perform a frequency modulation. J. Phys. Conf. Series. IOP Publ. 2022, 2260, 012026. [Google Scholar] [CrossRef]
- Ma, Q.; Lei, Z.Y.; Guo, Q.; Yang, Z.J.; Luo, R.J.; Yao, Y.Y. Optimal scheduling of energy storage system for electrified railroad under carbon trading mechanism. In Proceedings of the 2022 25th International Conference on Electrical Machines and Systems (ICEMS), Chiang Mai, Thailand, 29 November–2 December 2022; pp. 1–6. [Google Scholar] [CrossRef]
- Meng, F.Q.; Ye, J.J.; Zhao, J.P. A new power supply mode applicable to Sichuan-Tibet railway. In Proceedings of the 2022 4th International Conference on Power and Energy Technology (ICPET), Beijing, China, 28–31 July 2022; pp. 1046–1051. [Google Scholar] [CrossRef]
- Xu, C.P.; Han, Y.; Li, Q.; Chen, W.R.; Fu, W.X. Research on coordinated control method of PV and battery access traction power supply system based on RPC. In Proceedings of the 2020 IEEE Sustainable Power and Energy Conference (iSPEC), Chengdu, China, 23–25 November 2020; pp. 173–179. [Google Scholar] [CrossRef]
- Deng, W.L.; Dai, C.H.; Han, C.B.X.; Chen, W.R. Research progress of railway power conditioner. Proc. CSEE 2020, 40, 4640–4655. [Google Scholar]
- Che, C.; Wang, Y.W.; Lu, Q.W.; Peng, J.J.; Liu, X.H.; Chen, Y. An effective utilization scheme for regenerative braking energy based on power regulation with a genetic algorithm. IET Power Electron. 2022, 15, 1392–1408. [Google Scholar] [CrossRef]
- Luo, P.; Li, Q.R.; Zhou, Y.; Ma, Q.; Zhang, Y.; Peng, Y.S.L.; Sun, J.H. Multi-application strategy based on railway static power conditioner with energy storage system. IEEE Trans. Intell. Transp. Syst. 2021, 22, 2140–2152. [Google Scholar] [CrossRef]
- Chen, M.W.; Cheng, Y.L.; Cheng, Z.; Zhang, D.Y.; Lv, Y.B.; Liu, R.F. Energy storage traction power supply system and control strategy for an electrified railway. IET Gener. Transm. Distrib. 2020, 14, 2304–2314. [Google Scholar] [CrossRef]
- Cui, G.P.; Luo, L.F.; Liang, C.G.; Hu, S.J.; Li, Y.; Cao, Y.J.; Xie, B.; Xu, J.Z.; Zhang, Z.W.; Liu, Y.X.; et al. Supercapacitor integrated railway static power conditioner for regenerative braking energy recycling and power quality improvement of high-speed railway system. IEEE Trans. Transp. Electrif. 2019, 5, 702–714. [Google Scholar] [CrossRef]
- Ma, Q.; Guo, X.; Luo, P.; Zhang, Z.W. Coordinated control strategy design of new type railway power regulator based on super capacitor energy storage. Trans. China Electrotech. Soc. 2019, 34, 765–776. [Google Scholar] [CrossRef]
- Xiao, Z.; Sun, P.F.; Wang, Q.Y.; Zhu, Y.Q.; Feng, X.Y. Integrated optimization of speed profiles and power split for a tram with hybrid energy storage systems on a signalized route. Energies 2018, 11, 478. [Google Scholar] [CrossRef]
- Qu, K.; Yuan, J.X. Optimization research on hybrid energy storage system of high-speed railway. IET Gener. Transm. Distrib. 2021, 15, 2835–2846. [Google Scholar] [CrossRef]
- Wang, X.; Luo, Y.B.; Qin, B.; Guo, L.Z. Power dynamic allocation strategy for urban rail hybrid energy storage system based on iterative learning control. Energy 2022, 245, 123263. [Google Scholar] [CrossRef]
- Luo, J.M.; Wei, X.G.; Gao, S.B.; Huang, T.; Li, D. Summary and outlook of capacity configuration and energy management technology of high-speed railway energy storage system. Proc. CSEE 2022, 42, 7028–7051. [Google Scholar] [CrossRef]
- Liu, Y.L.; Chen, M.W.; Lu, S.F.; Chen, Y.Y.; Li, Q.Z. Optimized sizing and scheduling of hybrid energy storage systems for high-speed railway traction substations. Energies 2018, 11, 2199. [Google Scholar] [CrossRef]
- Aguado, J.A.; Antonio, J.S.R.; Sebastián, D.L.T. Optimal operation of electric railways with renewable energy and electric storage systems. IEEE Trans. Smart Grid 2016, 9, 993–1001. [Google Scholar] [CrossRef]
- Deng, W.L.; Dai, C.H.; Han, C.B.X.; Chen, W.R. Back-to-back hybrid energy storage system of electric railway and its control method considering regenerative braking energy recovery and power quality improvement. Proc. CSEE 2019, 39, 2914–2924. [Google Scholar]
- Tang, S.D.; Huang, X.H.; Li, Q.Z.; Yang, N.Q.; Liao, Q.Y.; Sun, K. Optimal sizing and energy management of hybrid energy storage system for high-speed railway traction substation. J. Electr. Eng. Technol. 2021, 16, 1743–1754. [Google Scholar] [CrossRef]
- Dragomiretskiy, K.; Zosso, D. Variational mode decomposition. IEEE Trans. Signal Process. 2014, 62, 531–544. [Google Scholar] [CrossRef]
- Wang, Y.; He, Y.Q.; Chen, X.Q.; Zhao, M.M.; Xie, J. A layered compensation optimization strategy of energy storage type railway power conditioner. Arch. Electr. Eng. 2022, 71, 5–20. [Google Scholar] [CrossRef]















| Operating Modes | Judgment Conditions | Target Power |
|---|---|---|
| valley-filling | ||
| standby | ||
| peak-shaving |
| Systems | Parameters | Values | |
|---|---|---|---|
| Power system | Voltage | 330 kV | |
| Traction substation | v/v transformer ratio | 330 kV/27.5 kV | |
| RPC | Step-down transformer ratio | 27.5 kV/1.5 kV | |
| Filter inductor/H | 1.1 × 10−3 | ||
| Capacitor/F | 10 × 10−3 | ||
| Intermediate DC side voltage Udc/V | 3200 | ||
| Hybrid energy storage system | Lithium battery | Supercapacitor | |
| Rated capacity/MWh | 0.25 | 0.09 | |
| Capacitor/F | -- | 210 | |
| Rated power/MW | 3 | 1 | |
| SOC interval/% | 20–80 | 10–90 | |
| Modal determination threshold | Peak-shaving mode/MW | 5 | |
| Valley-filling mode/MW | 0 | ||
| Cross-Correlation Coefficient | Values |
|---|---|
| R(IMF2, IMF3) | 0.137 |
| R(IMF3, IMF4) | 0.077 |
| R(IMF4, IMF5) | 0.109 |
| R(IMF5, IMF6) | 0.065 |
| R(IMF6, IMF7) | 0.010 |
| R(IMF7, IMF8) | 0.044 |
Disclaimer/Publisher’s Note: The statements, opinions and data contained in all publications are solely those of the individual author(s) and contributor(s) and not of MDPI and/or the editor(s). MDPI and/or the editor(s) disclaim responsibility for any injury to people or property resulting from any ideas, methods, instructions or products referred to in the content. |
© 2023 by the authors. Licensee MDPI, Basel, Switzerland. This article is an open access article distributed under the terms and conditions of the Creative Commons Attribution (CC BY) license (https://creativecommons.org/licenses/by/4.0/).
Share and Cite
Wang, Y.; Guo, Y.; Chen, X.; Zhang, Y.; Jin, D.; Xie, J. Research on the Energy Management Strategy of a Hybrid Energy Storage Type Railway Power Conditioner System. Energies 2023, 16, 5759. https://doi.org/10.3390/en16155759
Wang Y, Guo Y, Chen X, Zhang Y, Jin D, Xie J. Research on the Energy Management Strategy of a Hybrid Energy Storage Type Railway Power Conditioner System. Energies. 2023; 16(15):5759. https://doi.org/10.3390/en16155759
Chicago/Turabian StyleWang, Ying, Ya Guo, Xiaoqiang Chen, Yunpeng Zhang, Dong Jin, and Jing Xie. 2023. "Research on the Energy Management Strategy of a Hybrid Energy Storage Type Railway Power Conditioner System" Energies 16, no. 15: 5759. https://doi.org/10.3390/en16155759
APA StyleWang, Y., Guo, Y., Chen, X., Zhang, Y., Jin, D., & Xie, J. (2023). Research on the Energy Management Strategy of a Hybrid Energy Storage Type Railway Power Conditioner System. Energies, 16(15), 5759. https://doi.org/10.3390/en16155759
