Experimental Comparison of Hydrogen Refueling with Directly Pressurized vs. Cascade Method
Abstract
1. Introduction
2. Materials and Methods
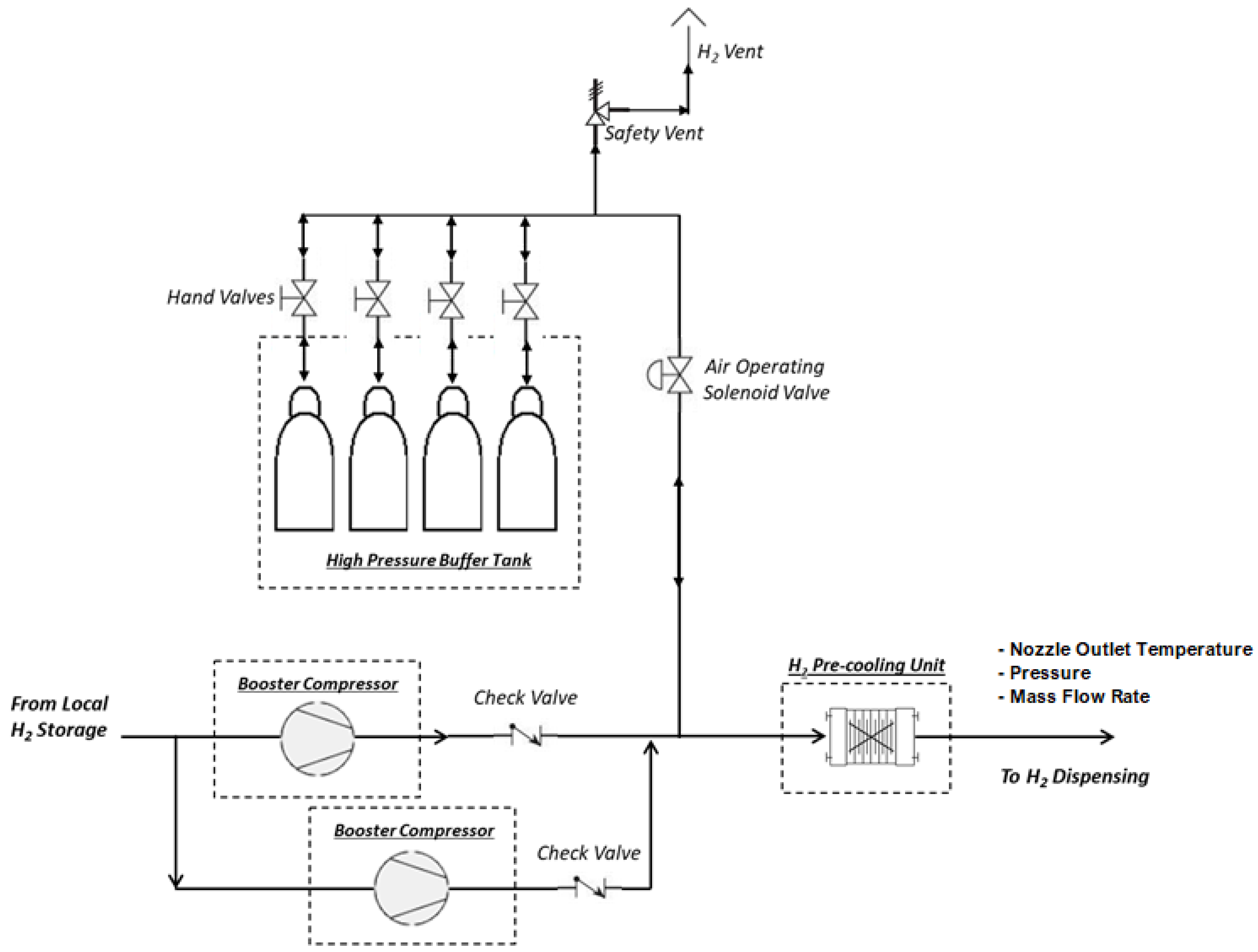
- The first experiment, identified as “BT Cascade” in Table 1, was characterized by a cascade refueling process. The booster compressors were disabled, and the hydrogen was directly cascaded from the high-pressure buffer tanks. All four high-pressure buffer tanks were indeed used simultaneously. During the experiment, an equal level of pressure in each tank was maintained throughout the process, meaning they were all opened at the same time. There was no sequential change in connection according to the APRR.
- The second experiment, identified as “BC and BT First Scenario” in Table 1, was characterized by a directly pressurized refueling process. The booster compressors were operated to directly fill vehicles, and the high-pressure buffer tanks had the sole role to prevent pressure pulsations.
- The third experiment was essentially run with almost identical conditions to the second one, in order to have redundancy of data to be compared with.
3. Results
4. Conclusions
Author Contributions
Funding
Institutional Review Board Statement
Informed Consent Statement
Data Availability Statement
Conflicts of Interest
References
- Navas-Anguita, Z.; García-Gusano, D.; Iribarren, D. Long-Term Production Technology Mix of Alternative Fuels for Road Transport: A Focus on Spain. Energy Convers. Manag. 2020, 226, 113498. [Google Scholar] [CrossRef] [PubMed]
- Clean Hydrogen Joint Undertaking. The Road to Net Zero: Study on the Strategic Deployment of Battery-Electric Vehicles and Fuel Cell-Electric Vehicles Infrastructure; Publications Office of the European Union: Luxembourg, 2022; ISBN 9789292463960.
- Fuel Cells and Hydrogen Joint Undertaking; Roland Berger. Study on Fuel Cells Hydrogen Trucks; Fuel Cell and Hydrogen Joint Undertanking: Brussels, Belgium, 2020. [Google Scholar]
- Kendall, K. Green Hydrogen in the UK: Progress and Prospects. Clean Technol. 2022, 4, 345–355. [Google Scholar] [CrossRef]
- Burchart-Korol, D.; Gazda-Grzywacz, M.; Zarębska, K. Research and Prospects for the Development of Alternative Fuels in the Transport Sector in Poland: A Review. Energies 2020, 13, 2988. [Google Scholar] [CrossRef]
- Yusaf, T.; Laimon, M.; Alrefae, W.; Kadirgama, K.; Dhahad, H.A.; Ramasamy, D.; Kamarulzaman, M.K.; Yousif, B. Hydrogen Energy Demand Growth Prediction and Assessment (2021–2050) Using a System Thinking and System Dynamics Approach. Appl. Sci. 2022, 12, 781. [Google Scholar] [CrossRef]
- Bethoux, O. Hydrogen Fuel Cell Road Vehicles and Their Infrastructure: An Option towards an Environmentally Friendly Energy Transition. Energies 2020, 13, 6132. [Google Scholar] [CrossRef]
- Reuß, M.; Dimos, P.; Léon, A.; Grube, T.; Robinius, M.; Stolten, D. Hydrogen Road Transport Analysis in the Energy System: A Case Study for Germany through 2050. Energies 2021, 14, 3166. [Google Scholar] [CrossRef]
- Genovese, M.; Fragiacomo, P. Hydrogen Refueling Station: Overview of the Technological Status and Research Enhancement. J. Energy Storage 2023, 61, 106758. [Google Scholar] [CrossRef]
- Hienuki, S.; Hirayama, Y.; Shibutani, T.; Sakamoto, J.; Nakayama, J.; Miyake, A. How Knowledge about or Experience with Hydrogen Fueling Stations Improves Their Public Acceptance. Sustainability 2019, 11, 6339. [Google Scholar] [CrossRef]
- Trencher, G.; Edianto, A. Drivers and Barriers to the Adoption of Fuel Cell Passenger Vehicles and Buses in Germany. Energies 2021, 14, 833. [Google Scholar] [CrossRef]
- Samsun, R.C.; Rex, M.; Antoni, L.; Stolten, D. Deployment of Fuel Cell Vehicles and Hydrogen Refueling Station Infrastructure: A Global Overview and Perspectives. Energies 2022, 15, 4975. [Google Scholar] [CrossRef]
- Speers, P. Hydrogen Mobility Europe (H2ME): Vehicle and Hydrogen Refuelling Station Deployment Results. World Electr. Veh. J. 2018, 9, 2. [Google Scholar] [CrossRef]
- Liu, C.; Lin, Z. Early Hydrogen Station Economics Analysis. World Electr. Veh. J. 2015, 7, 511–517. [Google Scholar] [CrossRef]
- Viktorsson, L.; Heinonen, J.T.; Skulason, J.B.; Unnthorsson, R. A Step towards the Hydrogen Economy—A Life Cycle Cost Analysis of A Hydrogen Refueling Station. Energies 2017, 10, 763. [Google Scholar] [CrossRef]
- Kim, Y.M.; Shin, D.G.; Kim, C.G. On-Board Cold Thermal Energy Storage System for Hydrogen Fueling Process. Energies 2019, 12, 561. [Google Scholar] [CrossRef]
- Li, S.; Guo, J.; Lv, X.; Deng, T.; Cao, B.; Wang, J. Research on High-Pressure Hydrogen Pre-Cooling Based on CFD Technology in Fast Filling Process. Processes 2021, 9, 2208. [Google Scholar] [CrossRef]
- Xiao, J.; Ma, S.; Wang, X.; Deng, S.; Yang, T.; Bénard, P. Effect of Hydrogen Refueling Parameters on Final State of Charge. Energies 2019, 12, 645. [Google Scholar] [CrossRef]
- Li, J.-Q.; Myoung, N.-S.; Kwon, J.-T.; Jang, S.-J.; Lee, T. A Study on the Prediction of the Temperature and Mass of Hydrogen Gas inside a Tank during Fast Filling Process. Energies 2020, 13, 6428. [Google Scholar] [CrossRef]
- Kavadias, K.A.; Kosmas, V.; Tzelepis, S. Sizing, Optimization, and Financial Analysis of a Green Hydrogen Refueling Station in Remote Regions. Energies 2022, 15, 547. [Google Scholar] [CrossRef]
- Park, S.; Nam, S.; Oh, M.; Choi, I.; Shin, J. Preference Structure on the Design of Hydrogen Refueling Stations to Activate Energy Transition. Energies 2020, 13, 3959. [Google Scholar] [CrossRef]
- NREL. Next Generation Hydrogen Station Composite Data Products: Retail Stations. Available online: https://www.nrel.gov/hydrogen/infrastructure-cdps-retail.html (accessed on 3 February 2020).
- Hydrogen Europe. Hydrogen Europe-Strategic Research & Innovation Agenda; Hydrogen Europe: Bruxelles, Belgium, 2019. [Google Scholar]
- Tian, Z.; Lv, H.; Zhou, W.; Zhang, C.; He, P. Review on Equipment Configuration and Operation Process Optimization of Hydrogen Refueling Station. Int. J. Hydrogen Energy 2022, 47, 3033–3053. [Google Scholar] [CrossRef]
- Li, J.-Q.; Song, B.-H.; Kwon, J.-T. A Cycle Analysis of Flow and Thermal Parameters in the Hydrogen Charging System at the Pressure of 50 MPa. Machines 2022, 10, 461. [Google Scholar] [CrossRef]
- Elgowainy, A.; Reddi, K.; Sutherland, E.; Joseck, F. Tube-Trailer Consolidation Strategy for Reducing Hydrogen Refueling Station Costs. Int. J. Hydrogen Energy 2014, 39, 20197–20206. [Google Scholar] [CrossRef]
- Reddi, K.; Elgowainy, A.; Rustagi, N.; Gupta, E. Two-Tier Pressure Consolidation Operation Method for Hydrogen Refueling Station Cost Reduction. Int. J. Hydrogen Energy 2018, 43, 2919–2929. [Google Scholar] [CrossRef]
- Kuroki, T.; Sakoda, N.; Shinzato, K.; Monde, M.; Takata, Y. Dynamic Simulation for Optimal Hydrogen Refueling Method to Fuel Cell Vehicle Tanks. Int. J. Hydrogen Energy 2018, 43, 5714–5721. [Google Scholar] [CrossRef]
- Handa, K.; Oshima, S.; Rembutsu, T. Precooling Temperature Relaxation Technology in Hydrogen Refueling for Fuel-Cell Vehicles. Int. J. Hydrogen Energy 2021, 46, 33511–33522. [Google Scholar] [CrossRef]
- Reddi, K.; Elgowainy, A.; Rustagi, N.; Gupta, E. Impact of Hydrogen SAE J2601 Fueling Methods on Fueling Time of Light-Duty Fuel Cell Electric Vehicles. Int. J. Hydrogen Energy 2017, 42, 16675–16685. [Google Scholar] [CrossRef]
- Mathison, S.; Handa, K.; McGuire, T.; Brown, T.; Goldstein, T.; Johnston, M. Field Validation of the MC Default Fill Hydrogen Fueling Protocol. SAE Int. J. Altern. Powertrains 2015, 4, 130–144. [Google Scholar] [CrossRef]
- Chen, J.; Xiao, L.; Wu, Y.; Gao, X.; Chen, H.; Xie, J.; Shao, S. Dynamic Simulation of the Potential of Integrating a Turbo-Expander in a Hydrogen Refueling Station. Appl. Therm. Eng. 2022, 202, 117889. [Google Scholar] [CrossRef]
- J2601_202005; SAE J2601(2020): Fueling Protocols for Light Duty Gaseous Hydrogen Surface Vehicles. Society of Automotive Engineers (SAE): Warrendale, PA, USA, 2020.
- Schneider, J.; Meadows, G.; Mathison, S.R.; Veenstra, M.J.; Shim, J.; Immel, R.; Wistoft-Ibsen, M.; Quong, S.; Greisel, M.; McGuire, T.; et al. Validation and Sensitivity Studies for SAE J2601, the Light Duty Vehicle Hydrogen Fueling Standard. SAE Int. J. Altern. Powertrains 2014, 3, 257–309. [Google Scholar] [CrossRef]
- Xu, Z.; Dong, W.; Yang, K.; Zhao, Y.; He, G. Development of Efficient Hydrogen Refueling Station by Process Optimization and Control. Int. J. Hydrogen Energy 2022, 47, 23721–23730. [Google Scholar] [CrossRef]
- Genovese, M.; Blekhman, D.; Dray, M.; Fragiacomo, P. Improving Chiller Performance and Energy Efficiency in Hydrogen Station Operation by Tuning the Auxiliary Cooling. Int. J. Hydrogen Energy 2021, 47, 2532–2546. [Google Scholar] [CrossRef]
- Yu, Y.; Lu, C.; Ye, S.; Hua, Z.; Gu, C. Optimization on Volume Ratio of Three-Stage Cascade Storage System in Hydrogen Refueling Stations. Int. J. Hydrogen Energy 2022, 47, 13430–13441. [Google Scholar] [CrossRef]
- Sadi, M.; Deymi-Dashtebayaz, M. Hydrogen Refueling Process from the Buffer and the Cascade Storage Banks to HV Cylinder. Int. J. Hydrogen Energy 2019, 44, 18496–18504. [Google Scholar] [CrossRef]
- Luo, H.; Xiao, J.; Bénard, P.; Chahine, R.; Yang, T. Multi-Objective Optimization of Cascade Storage System in Hydrogen Refuelling Station for Minimum Cooling Energy and Maximum State of Charge. Int. J Hydrogen Energy 2022, 47, 10963–10975. [Google Scholar] [CrossRef]
- Xiao, L.; Chen, J.; Wu, Y.; Zhang, W.; Ye, J.; Shao, S.; Xie, J. Effects of Pressure Levels in Three-Cascade Storage System on the Overall Energy Consumption in the Hydrogen Refueling Station. Int. J. Hydrogen Energy 2021, 46, 31334–31345. [Google Scholar] [CrossRef]
- Caponi, R.; Ferrario, A.M.; Bocci, E.; Bødker, S.; del Zotto, L. Single-Tank Storage versus Multi-Tank Cascade System in Hydrogen Refueling Stations for Fuel Cell Buses. Int. J. Hydrogen Energy 2022, 47, 27633–27645. [Google Scholar] [CrossRef]
- Mesa, C.; Forest, L.; Niguel, L.; Motor, T.; Corporation, C.; Ramon, S.; Office, R.; Joaquin, S.; Energy, M.; Coast, W.; et al. Cal State LA Opens Largest US University Hydrogen Station. Fuel Cells Bull. 2014, 2014, 7–8. [Google Scholar] [CrossRef]
- Anonymous. Cal State LA Station First in State Certified to Sell Hydrogen to Public. Fuel Cells Bull. 2015, 2015, 8. [Google Scholar] [CrossRef]
- Cal State LA Cal State LA Hydrogen Research and Fueling Facility (H2 Station)-Equipment. Available online: https://www.calstatela.edu/ecst/h2station/equipment (accessed on 1 September 2021).
- Genovese, M.; Blekhman, D.; Dray, M.; Fragiacomo, P. Hydrogen Losses in Fueling Station Operation. J. Clean. Prod. 2020, 248, 119266. [Google Scholar] [CrossRef]
- Genovese, M.; Cigolotti, V.; Jannelli, E.; Fragiacomo, P. Hydrogen Refueling Process: Theory, Modeling, and In-Force Applications. Energies 2023, 16, 2890. [Google Scholar] [CrossRef]
- Genovese, M.; Blekhman, D.; Dray, M.; Fragiacomo, P. Hydrogen Station in Situ Back-to-Back Fueling Data for Design and Modeling. J. Clean. Prod. 2021, 329, 129737. [Google Scholar] [CrossRef]
- Genovese, M.; Blekhman, D.; Dray, M.; Fragiacomo, P. Multi-Year Energy Performance Data for an Electrolysis-Based Hydrogen Refueling Station. Int. J. Hydrogen Energy 2023, in press. [Google Scholar] [CrossRef]
- Genovese, M.; Blekhman, D.; Xie, C.; Dray, M.; Fragiacomo, P. Assuring Pulsation-Free Flow in a Directly Pressurized Fuel Delivery at a Retail Hydrogen Station. Int. J. Hydrogen Energy 2018, 43, 16623–16637. [Google Scholar] [CrossRef]
- Piraino, F.; Blekhman, D.; Dray, M.; Fragiacomo, P. Empirically Verified Analysis of Dual Pre-Cooling System for Hydrogen Refuelling Station. Renew Energy 2021, 163, 1612–1625. [Google Scholar] [CrossRef]







| Feature | Description |
|---|---|
| Working Pressure | 85 MPa |
| Test Pressure | 127.5 MPa |
| Material | Chromium–molybdenum steel, hoop-wrapped using carbon fiber |
| Water Capacity (nominal, L) | 50 |
| External Diameter (D) (nominal, mm) | 256 |
| Length (L) (nominal, mm) | 1800 |
| Weight (nominal, kg) | 221 |
| Specifications | Minimum/maximum allowable temperature: −40 °C–+65 °C |
| Standards | Cylinders for compressed hydrogen (according to ISO 11114-1) |
| Parameter | BT Cascade | BC and BT First Scenario | BC and BT Second Scenario |
|---|---|---|---|
| Ambient Temperature [°C] | 23.5 | 22.2 | 23.0 |
| CoP [-] | 1.05 | 1.07 | 1.06 |
| Average Pressure Ramp rate [MPa/min] | 7.03 | 7.3 | 7.2 |
| Vehicle Initial Pressure [MPa] | 13.6 | 9.6 | 5.5 |
| Vehicle Initial Temperature [°C] | 8.3 | 4.1 | 6.3 |
| Initial Chiller Coil Temperature [°C] | −34 | −34.6 | −35.5 |
Disclaimer/Publisher’s Note: The statements, opinions and data contained in all publications are solely those of the individual author(s) and contributor(s) and not of MDPI and/or the editor(s). MDPI and/or the editor(s) disclaim responsibility for any injury to people or property resulting from any ideas, methods, instructions or products referred to in the content. |
© 2023 by the authors. Licensee MDPI, Basel, Switzerland. This article is an open access article distributed under the terms and conditions of the Creative Commons Attribution (CC BY) license (https://creativecommons.org/licenses/by/4.0/).
Share and Cite
Genovese, M.; Blekhman, D.; Dray, M.; Piraino, F.; Fragiacomo, P. Experimental Comparison of Hydrogen Refueling with Directly Pressurized vs. Cascade Method. Energies 2023, 16, 5749. https://doi.org/10.3390/en16155749
Genovese M, Blekhman D, Dray M, Piraino F, Fragiacomo P. Experimental Comparison of Hydrogen Refueling with Directly Pressurized vs. Cascade Method. Energies. 2023; 16(15):5749. https://doi.org/10.3390/en16155749
Chicago/Turabian StyleGenovese, Matteo, David Blekhman, Michael Dray, Francesco Piraino, and Petronilla Fragiacomo. 2023. "Experimental Comparison of Hydrogen Refueling with Directly Pressurized vs. Cascade Method" Energies 16, no. 15: 5749. https://doi.org/10.3390/en16155749
APA StyleGenovese, M., Blekhman, D., Dray, M., Piraino, F., & Fragiacomo, P. (2023). Experimental Comparison of Hydrogen Refueling with Directly Pressurized vs. Cascade Method. Energies, 16(15), 5749. https://doi.org/10.3390/en16155749

