Abstract
Due to their efficiency and control capabilities, induction motors fed with inverters have become prevalent in various industrial applications. However, ensuring the reliable operation of the motor and diagnosing faults on time are crucial for preventing unexpected failures and minimizing downtime. This paper systematically analyzes condition monitoring and practical diagnostic techniques for inverter-fed motor drive systems. This study encompasses a thorough evaluation of different methods used for condition monitoring and diagnostics of induction motors, with the most crucial faults in their stator, rotor, bearings, eccentricity, shaft currents, and partial discharges. It also includes an assessment of their applicability. The presented analysis includes a focus on the challenges associated with inverter-fed systems, such as high-frequency harmonics, common-mode voltages causing the bearing currents, and high voltage gradients (dv/dt) due to fast switching frequency, which can impact the motor operation, as well as its faults analysis. Furthermore, this research explores the usefulness and efficiency of various available diagnostic methods, such as motor current signature analysis and other useful analyses using advanced signal processing techniques. This study aims to present findings that provide valuable insights for developing comprehensive condition monitoring strategies, and practical diagnostic techniques that enable proactive maintenance, enhanced system performance, and improved operational reliability of inverter-fed motor drive systems.
1. Introduction
Today, industries utilize many electrical machines, particularly induction motors (IM), with wattages ranging from several watts to megawatts to convert electrical power to the required mechanical power. IM has a lower power-by-weight (W/kg) ratio than a synchronous machine of the same rating, has lower costs, is more durable, and requires less maintenance. Hence, they are known as the workhorse of the industry. They are more useful in about 80% of the industry’s operations, such as the petrochemical industry, vehicular technology, mining process, propulsion systems, aerospace, nuclear-reactor plants etc. Their healthy and continued operation is required, because motor failure can shut down the whole plant process. This situation will generate significant financial loss and should be avoided to the maximum extent. Hence, early detection of faults with appropriate condition monitoring and diagnostic techniques within the motor is always required in terms of all means of time and money [1,2,3].
Many publications [4,5,6,7] investigated the condition monitoring (CM) and fault diagnostics (FD) of IM faults related to electrical, mechanical, and environmental scenarios when operated with the grid supply. However, inverter-fed machines also undergo faults due to the impacts of the Pulse Width Modulation (PWM) technique, which has a high-frequency transition, and high steepness in the waveform or high voltage gradient (dv/dt) due to switching frequency (fsw) of power electronic wide band-gap drives (WBG). These WBG devices have demonstrated superior material properties that are accepted worldwide, allowing their high-switching and high-voltage operation, as well as capabilities to operate at high-temperature profiles [8,9,10,11].
1.1. PWM Inverter-Fed Motor Drive System
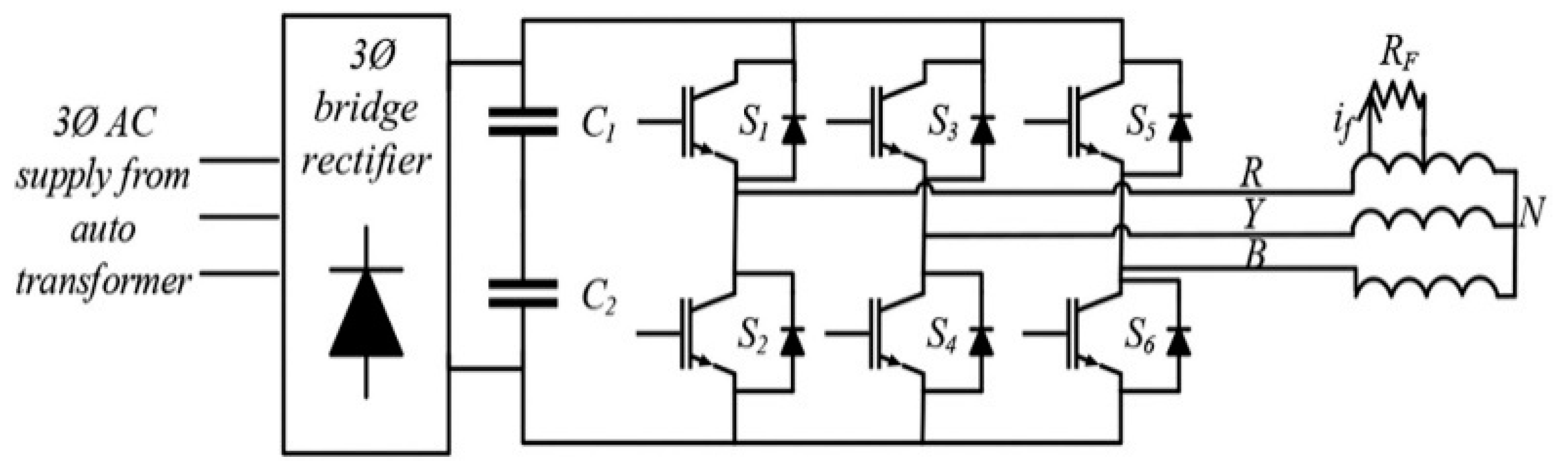
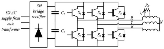
These inverters drive the IM while improving the operation’s safety and reliability, but increasing harmonic-frequency traces. The PWM modulation technique and switching frequency determine these harmonic amplitudes and wide-band frequencies. PWM-controlled inverters employed with WBG devices such as SiC (Silicon Carbide), GaN (Gallium Nitride), GaAs (Gallium Arsenide), AlN (Aluminum Nitride), etc. have critical switchinits g frequencies ranging from a few kHz to tens of kHz. Other than generating the increased harmonic contents at the output terminal of the inverter, they also generate a high-frequency common-mode voltage (CMV), a major problem in switching power converter fed IM. This happens with the shaft voltage and generates the bearing current through the AC machine’s stray capacitive and inductive coupled paths [12]. High modulation frequency attenuates low-order harmonics and increases the inverter’s loss. These low-order harmonics are quite unhealthy for motors, because they cause torsional oscillations, pulsating torques in the shaft, and rotor bar-broken damage. Researchers are trying to reduce switching losses and increase the power converter efficiency with different inverter control strategies, and some novel designs such as [13,14,15,16] used discontinuous PWM (DPWM), sine triangle PWM-based DPWM, and space vector-based synchronized DRWM types of design techniques. A typical one-line diagram of an alternating current (AC) source with a voltage-source inverter (VSI), a rectifier system, filters with smoothing capacitors, and an IM operated with inverters is shown in Figure 1. It is worth mentioning that the failure rate of inverter-fed IM drives is 12 times faster than line or grid-fed drives, and this is demonstrated in the literature by a questionnaire survey of 3934 grid-fed drives and 286 variable-speed inverter drives [17].
Figure 1.
The schematics of a conventional inverter-fed electric motor drive system [17].
Inverter-based supply harmonics have a wide frequency spectrum compared to grid-fed variants, with a simple odd multiple of fundamental components. Since modern inverter-driven motors have high controllability, precision, dependability, and efficiency, they have become an integral component of modern drive systems. With the features described here, the common utilization issues of inverters are increased costs, increased switching losses, iron losses, high torque pulsations, electromagnetic compatibility issues, and acoustics noise. Due to switching frequency and high dv/dt, these high-frequency components are not designed with consideration of the motor’s effective response and operation, leading to a high potential research gap in the motor field [7,18]. These random harmonic distributions in the current create an additional frequency spectrum in the wide band. Hence, these drawbacks encourage potential research to develop solutions [19,20,21].
1.2. Potential Challenges with Inverter-Fed Supply
Since PWM-based inverter-fed induction motors have certain advantages over grid-fed power supply, such as variable speed control, energy efficiency, and flexibility, they also face challenges with regard to condition monitoring and fault diagnostics. Table 1 presents a comparison, based on the available literature, between Pulse Width Modulation (PWM)-based inverter-fed induction motors and those with grid-fed supplies, with regard to the challenges, complexity, and problems they face in their condition monitoring and fault diagnostics.
Table 1.
Comparison of challenges posed by supplies to motor drive system.
This review article briefly analyzes induction motor faults, condition monitoring, and practical diagnosis and highlights the scientific results of different approaches and their applicability in this field of diagnostics, specifically with motor drive systems. The authors present a thorough detail of induction motor fault classification in Section 2. Then authors include various condition monitoring schemes and diagnostics with various applicability details in Section 3.
A comprehensive analysis of potential induction motor faults, including monitoring and mitigation methods, is covered in Section 4. The authors add the details of most occurring faults like stator, inter-turn short circuits, broken rotor faults known as BRB, mechanical bearing damage, air-gap eccentricity, common-mode voltage development faults, and bearing currents leading towards partial discharges in the induction motor. Additionally, the authors outline the most advanced machine learning and artificial intelligence-based CM and DF techniques of recent times in Section 5. Section 6 of this paper addresses the potential research gaps as a future direction for the research, based on an extensive literature analysis by the authors.
2. Classification of Various Faults in Induction Motor
Based on the available literature, Figure 2 shows various IM fault types, which effectively influence the continuous and reliable operation when operated by an inverter-based power supply [27]. The IM faults are classified into three main categories: mechanical, electrical, or environmental. Electrical faults in particular are initiated at the stator side of IM. Mechanical faults have the most impact on the remaining useful life of the motor, as they are degenerative and tend to increase these faults over time.
Figure 2.
Induction motor various faults classifications [27].
2.1. Fault Type Classification
These faults are likely to be avoided in advance with early detection, and good condition monitoring schemes are required for the motor, before going into catastrophic failure. These faults are more critical and difficult to detect earlier but are equally important to trace. This article highlights the electric motor fault, the diagnosis technique mainly associated with using a power electronic converter [31,32].
Three institutions, named the Institution of Electrical and Electronics Engineers (IEEE), Electric Power Research Institute (EPRI), and Asea Brown Boveri (ABB), have evaluated the IM fault types and their performances. Their surveys, which are depicted in Figure 3, reflect the importance of condition monitoring and diagnostics in different parts of motors, and show the percentage contribution of the faults related to motor’s stator, rotor, bearing, and other related considerations [33,34].
Figure 3.
IM percentage fault contribution by the institutions: IEEE study results, EPRI study results and ABB [35].
2.2. Typical Faults with Inverter-Fed Induction Motor
Table 2 illustrates the various faults in an induction motor when supplied with a Pulse Width Modulation (PWM) inverter. It presents a comparative analysis table encompassing various faults and corresponding diagnostic techniques. These CM and FD methods are crucial in facilitating the precise interpretation of fault signatures, offering valuable insights into motor faults’ underlying causes and severity. The researchers consistently aimed to improve the dependability and efficiency of inverter-fed induction motors by implementing effective strategies for detecting and diagnosing faults.
Table 2.
Fault and companion diagnostics in an inverter-fed induction motor.
3. Condition Monitoring and Diagnostic Techniques
This paper reviews the research on condition monitoring and fault diagnosis and draws attention to the methods proven to be the most reliable and helpful. Fault diagnosis techniques can be categorized based on whether they require invasive or non-invasive methods to assess the condition of the motor drive system. Non-invasive fault diagnosis techniques do not require physical intervention or direct contact with the motor drive system being monitored. These methods rely on external measurements or signals to analyze the system’s behavior and detect potential faults. Invasive fault diagnosis techniques involve physical intervention or direct contact with the system to diagnose faults. These methods typically require accessing the internal components or subsystems of the machine [57].
3.1. Common Condition Monitoring Techniques
There are common condition monitoring (CM) techniques based on electrical signature analysis (ESA) through sensor data, which are useful not only for the condition monitoring of induction motors, but also for electrical generators, transformers, and other equipment. The most common type of signature analysis is motor current signature analysis (MCSA), in which the current signal signature is analyzed to trace the faults within the induction motor [38,58]. ESA also includes the motor circuit analysis involving parameters like resistance, phase angle, current response, frequency response, equivalent impedance, inductance, and ground faults. Some of the common condition monitoring techniques used in identifying IM faults are listed below [41,50,59,60,61,62,63,64,65]:
- Motor current signature analysis (MCSA) [66];
- Voltage signature analysis (VSA) [67];
- Extended Park vector approach (EPVA) [68];
- Instantaneous power signature analysis (IPSA) [69];
- State monitoring analysis like temperature, noise, speed fluctuation, magnetic flux;
- Condition Monitoring Sensors:
- Vibration sensors: accelerometers, proximity probes;
- Temperature sensors: thermocouples, resistance temperature detectors;
- Current sensors: Hall effect sensors, current transformers;
- Acoustic sensors: microphones, ultrasonic sensors;
- Emissions-based monitoring;
- Partial discharge and surge testing;
- Motor circuit analysis.
Fault diagnosis methods are mainly divided into categories, i.e., signal processing and model-based techniques. Signal-based techniques for condition monitoring and fault diagnosis of electrical machines involve analyzing various signals acquired from the machines to detect abnormalities, deviations, or fault signatures [31,70,71]. These techniques focus on extracting relevant information from the signals to assess the machine’s condition. Some common signal-based techniques are shown in Figure 4.
Figure 4.
Types of signal-based techniques [71,72].
Model-based techniques for CM and FD of electrical machines are based on mathematical modeling to evaluate the behavior of the motor and detect the relevant faults or deviance from the common operating requirements [73,74]. The most common model-based techniques in FD are analytical models, finite element analysis (FEA), signal processing techniques, Kalman filtering (KF) and state estimation, artificial intelligence (AI), stochastic resonance, and machine learning (ML), as shown in Figure 5. These model-based techniques provide valuable tools for the CM and FD of electrical machines, allowing pre-condition of faults, predictive maintenance, legible reliability, and high performance. The divisions above can also be used in artificial intelligence (AI) based techniques for diagnostics. An artificial intelligence approach to predictive maintenance necessitates both human intelligence and machine learning or training of algorithms for machine fault diagnostics [75,76,77,78,79].
Figure 5.
Types of model-based techniques [80].
IM-related faults caused by high-frequency inverter transients and behavior that generate the faults. Academia, and industry are investing heavily in their research and development (R&D) related to condition monitoring and diagnostics [81,82]. Figure 6 shows a tie of an electric machine with an intelligent diagnostics system, which integrates the motor’s real-time parameters, for example, electrical, mechanical, flux, optical, acoustic, chemical, partial discharges, and others, to form a diagnostic [83,84,85].
Figure 6.
Recent developments in intelligent diagnostics [83,84,85].
3.2. Latest Trends in Condition Monitoring for IM Faults
Advanced condition monitoring and fault diagnostic methods for induction motor faults have emerged due to advancements in technology and research. The authors present a list of the latest more advanced condition monitoring methods for induction motor (IM) faults, along with their types and further subtypes in Table 3.
Table 3.
Condition monitoring and diagnostics with latest trends.
Recent trends include time–frequency analysis (tf) methods, such as Short-Time Fourier Transform (STFT), wavelet transform, and Wigner–Ville transform, which provide valuable insights into motor signal transient and frequency-varying components. Applying these techniques makes it possible to detect and diagnose faults that may manifest as changes in frequency content or time-varying patterns. Different methods can identify certain faults in machines, such as the power spectrum graph, phase spectrum graph, cepstrum-graph, autoregressive (AR) spectrum-graph, spectrogram, wavelet scalogram, wavelet phase graph, etc. However, these methods often present several problems in terms of complexity and cost. The conventional signal-based methods are not always reliable, as they depend on the operating conditions of motors [121].
To improve the detection of incipient fault issues, the field of fault feature extraction has also taken advantage of stochastic resonance. Using straightforward techniques, researchers and diagnostic designers can better understand the motor drive system faults. In this approach, the system is represented by a network of interconnected neurons, where each neuron stands for a particular quality or feature of the signals the machinery generates [131]. The optimal signal-to-noise ratio and the misclassification rate are two examples of multi-objective optimization techniques used to determine the ideal coupling strengths between the neurons.
3.3. CM Implementation Strategy
A well-designed implementation strategic plan is important, because it ensures a systematic and organized approach to condition monitoring. It improves the monitoring process’s efficacy and efficiency, enables proactive maintenance, reduces downtime, and optimizes resource utilization. Furthermore, a well-defined strategic plan encourages uniformity, standardization, and scalability, allowing organizations to reap the benefits of condition monitoring across various assets and facilities. Figure 7 shows the implementation of a strategic layout of condition monitoring, which refers to the systematic approach and framework for implementing condition monitoring techniques.
Figure 7.
CM implementation strategic layout [75].
Potential future research is always required to precisely analyze the electrical machine’s service life expectancy deterioration with improved CM, FD, and prediction methodologies. This predictive maintenance would reduce the cost of the process in its downtime and prevent unexpected motor failures.
4. Fault Monitoring and Diagnosis of Induction Motor
Monitoring and diagnosing fault conditions is crucial to maintaining induction motors’ dependable and efficient performance. Utilizing modern sensors and data acquisition systems permits the early identification of fault conditions, such as bearing wear, rotor faults, stator winding faults, and imbalance. Simultaneously, fault diagnostics analyzes the collected data to determine the defect’s specific type and severity. Various techniques, such as signal processing, pattern recognition, and machine learning algorithms, identify fault varieties. These techniques extract relevant characteristics from the collected data and classify the fault type [98,132]. The information obtained through fault diagnostics enables maintenance personnel to promptly implement corrective measures, reduce inactivity periods, and prevent further damage to the induction motor. The subsequent subchapters will comprehensively analyze each fault [71,97,133,134,135], and present condition monitoring and fault diagnosis according to the fault.
4.1. IM Stator’s Faults
Stator faults in the induction motor account for approximately 16–37% of the total occurred faults [35]. Induction motor stator faults include winding faults and external drive faults. The stator winding fault (SWF) can be caused by turn-to-turn, coil-to-coil, phase-to-phase, or phase-to-ground faults, as shown in Figure 8. Most stator faults involve broken winding insulation. MCSA can detect broken thread insulation, which can cause phase insulation to break and kill the motor. Insulation is most affected by thermal stress [136]. The combination of different electric stresses generated through the transient voltages is particularly undesirable [137].
Figure 8.
IM stator faults. (a) Stator winding multiple fault provision, (b) stator winding damage due to coil-coil fault within it [138].
The stator is stressed by thermal, electrical, mechanical, and environmental factors, causing faults [139,140,141]. Table 4 presents the types of fault diagnostics techniques for induction motor (IM) stator faults.
Table 4.
Types of fault diagnostics techniques for induction motor (IM) stator faults.
4.1.1. Classification of the Stator Fault
Incipient stator faults fall into the following broad categories.
- Laminations that create a hotspot in the core and cause slackening in the core.
- Faults in the frame due to unbalanced vibration, circulating current within it due to shaft voltages, coolant loss, or a potential earth fault.
- Faults in the end portion, insulation fretting, insulation contamination by moisture, oil, or dirt, damage to connectors, cracking of insulation, discharge erosion of insulation, and the displacement of conductors.
- Faults in portions from the slot due to the misplacement of conductors.
4.1.2. Inter-Turn Short-Circuit Faults
Industrial drives have a 16–28% stator inter-turn short circuit (ITSC) fault [136]. Inverter-fed induction machines have more harmonics than line-connected motors. The harmonic current heats the stator winding, deteriorating the insulation quickly [37,146]. If undetected, a three-phase IM stator winding short circuit starts with an inter-turn fault and progresses to a phase-phase or phase-ground fault. MCSA detects inter-turn faults in inverter-fed IM. If a PWM inverter feeds the machine, MCSA fails due to high-frequency inverter switching, and the current spectrum is noisy, making fault detection difficult. If undetected, a three-phase IM stator winding short circuit starts with an inter-turn fault, and progresses to a phase–phase or phase–ground fault. MCSA detects inter-turn faults in inverter-fed IM. If a PWM inverter feeds, the machine MCSA fails due to high-frequency inverter switching, and the current spectrum is noisy, making fault detection difficult [147,148]. The details of the current harmonics that the stator intern short circuit has caused and the two-level inverter’s currents harmonic are explained below.
4.1.3. Current Harmonics Due to Stator ITSC Fault
In the case of stator inter-turn short circuits (ITSCs), the number of coil turns is reduced, and the remaining coils are used to carry fault current. A short circuit current reduces the faulty phase’s MMF, and the air gap’s spatial flux distributions are disturbed [149]. The motor’s current components at some frequencies are limited to shorted turns. This is described by Equation (1) [150].
where is the component related to shorted turn, fg is the fundamental electrical frequency, is , is pole pairs (number), is slip (per unit), = 1, 2, 3.
4.1.4. II-Level Inverter’s Current Harmonics
The II-level triangular carrier PWM inverter-fed IM has the per phase voltage in Equation (2) [25].
where , , ωf is the fundamental frequency, ωc is the carrier frequency, m is the integer, J0, & Jn are the Bessel functions, and V(t) = fundamental voltage.
Equation (2) shows the modulation index’s analytical function (which is defined as M), while the second and third term reflect the carrier frequency band harmonics. By varying the coefficients ωf, ωc stated in Equation (2), the output of the inverter is varied, and the required voltage for the fed induction is achieved. Since the voltages are non-sinusoidal, they are being fed to the motor; they cause the harmonics in the phase current, and most reflecting harmonics are along the side of switching frequency (ωc ± 3ωf, 2ωc) [151]. ITSC fault generates the current , and the fault resistance is reflected as shorted turns in the phase winding undergone to the fault, as shown in Figure 9.
Figure 9.
Induction motor ITSC fault [36].
Researchers recently proposed the most efficient and applicable fault diagnostic techniques using the observer coil based FFT analysis and measuring the internal flux methodology [152]. Furthermore, coil based FFT analysis and sensors based on the Hall effect are separately installed inside the motor’s geometry, which requires extra labor [63].
Also, it is not influential for implementation because of being sensitivity-dependent due to load variation, current harmonics, and an unbalanced supply voltage.
Table 5 summarizes different motor ratings, implemented schemes, and different parameters in the event of inter-turn short faults.
Table 5.
Summary of inter-turn short circuit faults in different motors.
4.2. Rotor Faults
The induction motor rotor can undergo the following faults, which are stated below as:
- Broken rotor bars (BRB);
- Rotor bar displacement;
- Rotor bar eccentricity;
- Rotor end ring damage;
- Rotor core faults and overheating;
- Rotor skewing issues;
- Rotor short circuits.
Rotors can be divided into wound types and squirrel cage types. In the case of the squirrel cage rotor, the windings are a cage of conducting bars that meet at the end ring [153]. The wound rotor consists of the winding made on the rotor with different winding topologies. The main faults occur with the motor due to irregular fluctuations and high pulses. Figure 10 shows the rotor bar broken faults within it.
Figure 10.
IM rotor images showing broken rotor bars (BRB): (a) healthy-rotor, (b) three-bars broken [9].
Most MCSA-based methods take advantage of electrical machine faults leaving fault-frequency components in the current spectrum. Poor materials, overloading, or heavy starts can cause these faults. BRB faults can increase resistance or break the electrical circuit. Rotor bar failures mostly affect motor starting and parasitic moments. The missing bar (due to an open circuit within it) current path increases the current in other bars, causing more faults (where one bar is broken). The current components in the stator windings can be identified at the frequencies mentioned in Equation (3), in case of a BRB [154,155].
where is a broken rotor bar (BRB) frequency, is the electrical input inverter primary frequency, is 1, 2, 3, …, is the number of pole pairs, is slip (per unit).
The typical problem with commercial induction motors is BRB faults. The authors of [156] presented the diagnostic techniques based on the existence of the motor current signature analysis. In [157], a low-complexity fault detection algorithm was implemented based on the analytic current signal’s sub-Nyquist sampling. The algorithm was tested for BRB-related faults. The proposed techniques in [94] are based on advanced signal processing tools, such as spectrogram, scalogram, and Hilbert–Huang transform. Results demonstrated the effectiveness of these approaches in simulation and experimental validation. The author of [158] adopted SOGI-ANF, a new time domain signal processing algorithm for stator current envelope extraction in induction motors, suitable for embedded devices, and its adaptive nature allows accurate tracking of envelope variations. Based on the literature, Table 6 compares different diagnostic methods.
Table 6.
Induction motor BRB fault diagnosis methods in the MCSA group.
4.3. Bearing Faults
Bearing mechanical faults contribute to an impact of 40–50% of overall rotating electric machine failures [35]. IMs use ball or roller bearings with the rolling element, outer race, inner race, and train (or cage) defects, as shown in Figure 11, due to mechanical stress and bearing currents, poor installation, assembling, temperature rise, and maintenance cause most bearing failures. Pollution or contamination added from outdoors also cause bearing failures due to adverse impact on the bearing lubricant. Dust and liquid contamination entering the seal cause bearing failures [175]. Most diagnostic methods for machine electrical and mechanical failures use MCSA [43,176,177].
Figure 11.
Depict of bearing structural faults: (a) ball bearing, (b) outer raceway fault, (c) inner raceway [178].
Bearing faults can have the following causes:
- The rotor vibrates heavily and increases the fatigue stress due to high output load torque;
- Loss of lubrication brought on by a shaft voltage;
- A high bearing current result in the heat that the shaft can conduct.
Different sensor data, such as vibration measurements, motor current, input voltage, stray flux, and temperatures at different motor locations, are used in conventional bearing condition monitoring and diagnostics.
Motor vibration analysis gives the frequencies produced by the failures can be expressed in Equations (4)–(7):
where fcage is the cage failure frequency, fouter is the outer race frequency, finner is the inner race fr quency, fball is the ball defect frequency, d is the ball diameter, D is the pitch diameter, and fr is the frequency of the rotor (mechanical).
where fcur-harmonics is the harmonic current frequency, fi is the fundamental inverter frequency, fc is the characteristic vibration frequency, and n is an integer. Figure 12 summarizes different approaches from the spectrum waveform and signals, illustrating faulty or abnormal attributes [42,178,179].
Figure 12.
Bearing fault diagnostic approach [178].
The inaccurate and air-gap irregularity in stator–rotor structure and bearing stiffness can cause excessive motor vibration by affecting shaft dynamics. IM break or destroy early due to rotor bar failures caused by bearing failures. Using the homogeneity algorithm (HA), the authors of [180] presented the fault traces in outer race-bearing in IM that use the vibration signals to estimate the change on the normal structural line and initiate the fault detection.
The author of [181] proposed the mechanical fault of bearing using the motor current signature analysis based on the normalized triple co-variance in the IM. The author of [182] proposes a prospective Envelope Harmonic Spectrum (EHS) and adaptive second order cyclo-stationarity blind deconvolution algorithm. This research implementation can estimate the IM bearings. Based on the literature, Table 7 compares different traditional diagnostic methods.
Table 7.
Induction motor bearing fault diagnosis methods.
4.4. Air-Gap Eccentricity Faults
Non-uniformity in the airgap in the motor’s rotor-stator physical structure creates these eccentricity faults. Three types of these faults as stated below [189,190].
- Static eccentricity (SE);
- Dynamic eccentricity (DE);
- Mixed eccentricity (ME).
SE has a fixed minimal radial air gap, and the rotor center of the axis remains fixed regardless of the center stator diameter. In contrast, in DE, the center of the rotor moves with the stator, while ME includes both SE and DE. The rotor in ME rotates around the third fixed center of rotation other than the center of the stator or the rotor [191]. Figure 13 shows the state of change of the center of rotation in operation and Table 8 shows the induction motor diagnosis methods related to eccentricity fault.
Figure 13.
Eccentricity faults: (a) static eccentricity, (b) dynamic eccentricity, (c) mixed eccentricity [192,193].
Table 8.
Induction motor eccentricity fault diagnosis methods.
Equations (9)–(11) below show the eccentricity fault frequency, and fc shows the central frequency.
where, fec is the eccentricity frequency (also called the irregularity frequency), fg is the fundamental frequency, is the number of rotor bars, nws is 1, 3, 5, 7, …, is rotor slip, Nr is synchronous speed, is slip (per unit), and slip is calculated from the equation, nd is +1 or −1. Central frequency fc on the air gap-static eccentricity spectrum is determined by Equation (11).
4.5. Common-Mode Voltage (CMV) and Bearing Current Faults
Each pulse’s voltage waveform at the inverter terminals has steep lines at the start and end. Recent studies have shown that PWM inverter’s common-mode voltage (CMV) is the primary reason for this, which creates the bearing current (BC) as a serious side effect [48]; the most effective reasons for this are as follows.
- The voltage at the equipment terminals is doubled because of reflections, putting extra strain on the windings’ insulation.
- In windings, capacitive currents and non-uniform voltage distribution can cause electrical machines to experience a circulating current nominated as a bearing current.
- Charges stored in the ground capacitors.
The common-mode voltage and bearing current faults are discussed below.
4.5.1. Common-Mode Voltage (CMV)
PWM inverters usually cause motor bearing failures. Bearing currents, also known as shaft voltages, flow from the shaft through the bearings and must be monitored and diagnosed when PWM inverter sources feed an electric machine. This issue is usually caused by bearing material erosion and mechanical failures like rotor eccentricity, homopolar flux effects, and electrostatic discharge in electric devices [48]. Since the phase output voltages alternate between +Vdc and −Vdc. The neutral-to-ground voltage in a star-connected machine is the zero-sequence voltage, expressed in Equation (12). Figure 14 shows that the voltage change rate and CMV frequency is three times more than the switching frequency. The overall CMV activity is done by the parasitic capacitance, starting from the stator winding point to the rotor [24,27].
Figure 14.
Impact of PWM inverter with CMV [12].
Since each pulse’s voltage waveform at the inverter terminals has very steep lines at the start and end, this is the root cause of the negative effects on the motors’ service lives and the overall system’s vulnerability. Recent studies have shown that PWM inverters’ CMV is the primary reason for these side effects [81]:
- The voltage at the equipment terminals is doubled because of reflections, putting extra strain on the windings’ insulation.
- In windings, capacitive currents and non-uniform voltage distribution can cause electrical machines to experience a circulating current nominated as a bearing current.
- Charges are stored in the ground capacitors.
Charging current is generated due to the developed common mode capacitive coupling. It flows from the rotor to the end bearing due to the highest switching application of PWM drives for the induction motor with the high dv/dt. Bearing currents are classified by their courses inside the machine and origin:
- Capacitive BC,
- Non-circulating BC,
- Circulating BC (electric discharge machining),
- Current in rotor-ground.
As depicted in Figure 15, the bearing current Ibrg comes from a simple inverter with one phase (phase a) and an impedance Zinv between the DC-link and the ground. Stator winding and the rotor create capacitance Cwr, which starts charging the rotor shaft current when the inverter current flows into the motor’s main windings.
Figure 15.
Bearing currents with the ground return [26].
Cg is the capacitance across the bearing Cws and Cwr are parasitic capacitance in motor, respectively. Zinv is the inverter-ground capacitive coupling. This is non-circulating because the bearing current returns to the inverter instead of the machine. Stray capacitances in the stator winding cause bearing leakage currents generated by the parasitic capacitive coupling between the rotor and stator alone. the second circulating current arises due to the electromagnetic induction caused by the stray magnetic flux path field within the winding coils, due to uneven current distributions.
High dv/dt generates capacitive currents to the stator iron, causing this uneven current distribution. Terminal-end currents are higher than far-end currents, creating a current unbalance on each coil side, as shown in Figure 16.
Figure 16.
Stray capacitances between winding and stator iron [202].
A fast and accurate method of fault diagnosis using a common-mode voltage and an open switch has been proposed and implemented. An active common-mode voltage injection (ACMVI) is used to improve the algorithm’s robustness applicability, reduce the false frequency alarms, and enhance fault diagnosis accuracy [203]. For the modeling of current faults and circuit parameters, it is required to have an in-depth analysis of the reflection of typical electrical machines’ complex geometry and their material composition. Different Analytical (DA), Finite Element Analysis (FEA) two-dimensional (2D), and FEA three-dimensional (3D) modeling techniques evaluate the bearing or shaft currents process [12]. A comparative summary of the different parameter identification for the parasitic capacitance for the bearing current estimation and further analysis for the condition monitoring and diagnostics is presented in Table 9.
Table 9.
Machine parasitic capacitance calculation methods in fault mitigation.
4.5.2. Diagnostic of Bearing Currents Faults
Inverter-fed IM drives have more potential impact on generating more shaft voltages and subsequently cause bearing current, so their diagnostic is a pre-condition for a prognostic of the overall power system [211]. For an effective motor fault diagnostic, authors suggested several mitigation methods based on the motor’s physical, analytical modeling, which considers the overall surrounding of the motor containing the whole bearing current path installation [212].
The primary methods for reducing bearing current are depicted in Figure 17 based on the inverter, motor, and connection side. New inverter topologies and modulation strategies have been devised to reduce the CMV amplitude and voltage and impact of high dv/dt, which also feature the bearing-current diagnostic approaches from the input source side [213,214,215].
Figure 17.
Main bearing current mitigation strategies [12].
Table 10 summarizes the mitigation method’s pros and cons. It shows that not all mitigation methods reduce all bearing current types. Understanding the bearing current mechanism is necessary before choosing mitigation methods. Most mitigation methods are costly and require high accuracy bearing current modeling to determine their necessity.
Table 10.
Methods of bearing current fault mitigation.
4.6. Partial Discharge (PD)
The dielectric of the electric motor insulation system deteriorates with high terminal voltage stresses, transient voltages, and an elevated exchange rate of voltage fed at the output terminal of inverter utilization with the PWM faster wide-bandgap devices (WBG) [228]. There is acceleration aging by stimulating partial discharges. Motor terminal surges most often cause drive failure. To avoid motor partial discharge faults, multiple HF motor models have been developed, analyzed, and presented [26,229,230].
The output terminal of the inverter has high voltage gradient attributes (high dv/dt), and high transient frequency generates the partial discharge (PD). Therefore, its output terminal voltage stresses the IM stator winding, and electrical stress at the insulation with a high impact compared with grid-fed machines leads to a permanent insulation failure [231,232,233]. Therefore, high-frequency modeling and lumped parameters estimation has been implemented for the condition monitoring and fault diagnostic in IM. This shows the research and development work that has been carried out in critical parameters and overvoltage mitigation to avoid partial discharges. As a result, the PD impacts and accelerated gaining parameters are necessary for effective predictive maintenance through numerical modeling.
Partial discharges lead to the ongoing degradation of the protective enamel, resulting in delamination, erosion, and breakage. These factors caused the conducting surface area in the whole component to register short circuits and signaling through the current relay with autonomous detection, as explained by the authors in [234,235]. There are four types of PDs, as depicted in Figure 18.
Figure 18.
Partial discharge types [236].
A summary of insulation aging analyses according to the available literature is depicted in Figure 19.
Figure 19.
Review of aging insulation [234].
The impedance analysis of the motor is used for a response measurement with a wide frequency range, starting from low frequency to several megahertz frequency levels. For this purpose, parameterized motor models are estimated within a motor, connection cables, and inverter, along with the corresponding series and branch impedance and an effective lumped parameter value. The LTspic software tool was used to estimate the building of numerous models, with a motor, cable, and inverter setup, as well as one-phase estimation and in-depth analysis.
5. Intelligent Diagnostic Techniques
Intelligent diagnostic techniques for induction motor condition monitoring and diagnostics include fuzzy logic (FL), as well as model-free optimization methods like genetic algorithms, a hidden Markov model, a Bayesian classifier, a support vector machine (SVM), deep learning, and artificial neural networks (ANN) [98,237,238]. Figure 20 shows multiple diagnosis types based on artificial intelligence algorithms used in modern computations.
Figure 20.
Artificial intelligence-based fault diagnosis of IMs.
Thus, the system should monitor algorithms with input–output mapping, dynamics, and control expressions. An artificial neural network (ANN) is used in a system for prospective detection of bearing faults in IM using MCSA [94]. ANN uses Levenberg–Marquardt-trained three-layered backpropagation.
There is another type of neural network called a Trained Neural Network (T-ANN), which is now confirmed for implementation and validity with the use of the trained data. Residuals are obtained from the output of the ANN. The resultant output data can be monitored for the delivered accuracy and validity in which the residues threshold illustrates the potential fault estimation.
Author study [99] used machine learning and k-means clusters as assessment criteria for condition monitoring and fault diagnostics, among other behaviors. The author of [239] proposed a neural network structure for detecting the induction motor bearing fault. Real-time torque and voltage unbalance monitoring was used to examine faults further. In [102], the author demonstrated the hybrid feature reduction process using the motor vibration signature analysis in a novel way. The following features listed below can help to recognize and show the fault or failure in IM:
- Decomposition methods of the signal,
- Statistical time-based feature prediction,
- Genetic algorithm (GA) optimization based on the feature,
- Component analysis based on integrating principal,
- Selection procedure based on the feature,
- Selection based on the Fisher score,
- Extraction of the feature.
Additionally, fuzzy logic (FL) can be used for the condition monitoring of the IM. The following algorithms concerning the real-time implementation of the artificial intelligence (AI) field for condition monitoring and fault diagnostics are listed below:
- Adaptive neuro-fuzzy inference systems (ANFIS),
- Fuzzy wavelet logic,
- Wavelet packet transform (WPT),
- Support vector machine (SVM).
K-function, also known as Kernel function, and wavelet transform were added to SVM techniques for fault diagnostics goals. Wavelet fusion features and decision analysis can also detect IM faults [240,241].
6. Summary and Future Directions
Modern drives operated by WBG-based power electronic converters are more effective when used in electric traction or propulsion systems because they work better, are more portable, and have fewer moving parts than traditional Si-based drives. The main challenges affecting the reliable operation of electric motors are the sharp pulse steps with large over-voltage transients and high-switching frequency in the operation of inverters observed at motor input terminals. The impact of the inverter on the electric machines must be considered according to the faults, and, hence, its CM and FD increase their service life. In the case of inverter-operated machines, the complexity level of segregating the fault frequency trances and investigation becomes higher.
Limitations such as discontinuities in available data, a lower sampling rate of the sensor signals, and fractional signal data at the start and end lead to enduring spectral leakage when applying some FFT algorithms. Spectrum resolution also has limitations for some of its complexity in the available fault condition monitoring and diagnostics. The application of advanced signal processing techniques makes the process more extensively complex, and places a high computational burden on addressing the abovementioned issues. Therefore, there is good research potential in simple algorithm development to improve the spectrum resolution without the complexity of advanced signal processing techniques. Furthermore, based on the research gap, some recent directions and research ideas for future studies in CM and FD for IM operated by PWM high-frequency inverters are stated below and explained in detail.
- FD in IM fed with high-frequency PWM inverter:Research into the impact of high-frequency PWM switching on the motor insulation, partial discharge impacts, bearing mechanical faults, common-mode voltage adverse effects, and other components, and to foster techniques to detect and diagnose faults specifically related to the PWM operation.
- Sensor-less fault detection techniques:Analyze some of the advanced sensorless FD techniques that can be used to supervise the condition and identify the faults in IM, without relying on additional usages of the sensor’s entity, without much complexity, and overall cost of FD strategic implementation,
- FD with machine learning (ML):This area highlights the investigation related to applying machine learning algorithms, such as deep learning or reinforcement learning, with improved models of high accuracy in IM operated by high PWM inverters.
- FD in multi-level inverters:This is also a potential research area to study the impact of multi-level PWM inverters on motor operation, output performance, transient response caused to load changes, operation in high-speed environments, and flux weaken range, while operating in wide-beyond speed, tailored to the characteristics of multi-level modulation techniques.
- Condition monitoring in harsh environments:Development of robust fault diagnostic technique suitable for IM operated in harsh environments, such as in the zone of extremely high temperature, high humidity, contaminated environments, and the high duty cycle of operation, which create indigenous faults within IM. The robustness defines the compactness of the algorithm or FD techniques, which shows insensitivity in its output, with some changes in input-sensitive parameters. The probability of robustness can be analyzed through different statical analyses and analytical techniques, especially in the time domain signal analysis that include RMS value, standard deviation, skewness, kurtosis, high statical moments. It can be enhanced with optimization algorithms, such as particle swarm optimization, genetic algorithms, and other naturally inspired algorithms.
- IoT for remote access:The most feasible and influential process can be implemented by exploring the IoT integration techniques with FD. Real-time remote monitoring of IM operated by a high transient inverter allows continuous time monitoring and early detection from anywhere.
- Model-based predictive maintenance:For this type of FD, state-of-the-art, physics-based IM models; real-time sensor instrumentation; and measurement capability can be utilized to establish a FD scheme for predictive maintenance strategy. For the high-performance output of FD technique, the maintenance schedule can be optimized to minimize the IM motor’s downtime.
- FD in mechanical faults:Examine methods for fault identification and diagnosis in bearing, e.g., outer, inner race, and roller fault. Examples of rotor faults include broken rotor (BRB) faults and eccentricity. It is necessary to consider the one-of-a-kind difficulties and negative impact that high-PWM inverters present.
- Online-parameter estimation:Developing the online-parameter estimation methods to accurately access the motor parameters, which can detect the fault and generate a potentially viable solution for FD. These parameters are resistance, inductances, load torque, and speed response, which vary with IM operation and employ monitoring criteria and algorithms for the FD.
- Hybrid FD techniques:A good combination of numerous techniques, such as advanced signal processing techniques, artificial intelligence, machine learning, and model-based techniques, can be used to create a hybrid FD approach that can improve overall performance and reliability by taking advantage of the strengths inherent in each diagnostic procedure.
The above-described directions can provide an area for new research in the field of CM and FD.
7. Conclusions
In conclusion, this research paper comprehensively analyzes condition monitoring and practical diagnostic techniques for induction motors fed by inverters. With a systematic approach, this paper reviewed the impact and challenges associated with an inverter-fed system on the induction motor, different fault scenarios, and concern approach of condition monitoring and diagnostics. This study emphasized the practicality and applicability of diagnostics schemes with its pros and cons, starting from conventional methods such as MCSA, monitoring analysis, and acoustics emission. The authors also highlighted the most advanced techniques, such as data-driven prognostics, artificial intelligence (AI) and machine learning (ML), model-based fault detection and diagnosis, fault signature analysis using advanced signal processing techniques, and condition-based maintenance optimization. The fault condition monitoring and diagnostics schemes discussed in this study utilize state-of-the-art technologies to enhance the precision, productivity, and efficacy of fault detection and diagnosis across diverse systems and industries.
The presented case studies of the literature demonstrate the effectiveness of these techniques in detecting and diagnosing different induction motor faults in its stator, rotor, bearing, shaft voltages development, and partial discharge. The insights gained from this research contribute to advancing condition monitoring strategies and practical diagnostic techniques, thereby benefiting industries that rely on inverter-fed motor drive systems and researchers in the field of diagnostics.
Author Contributions
Conceptualization, T.V. and B.A.; methodology, L.K., B.A. and M.U.S.; formal analysis, L.K. and A.K.; investigation, B.A.; resources, S.A. and K.K.; data curation, B.A.; writing—original draft preparation, M.U.S.; writing—review and editing, M.U.S., T.V. and K.K.; visualization, S.A.; supervision, T.V.; project administration, L.K. and A.K.; funding acquisition, T.V. All authors have read and agreed to the published version of the manuscript.
Funding
This work was supported by Estonian research council.
Data Availability Statement
Not applicable.
Acknowledgments
Research is supported by the joint Baltic-Nordic Energy Research programme project “Guidelines for Next Generation Buildings as Future Scalable Virtual Management of MicroGrids [Next-uGrid]”, No. 117766.
Conflicts of Interest
The authors declare no conflict of interest.
References
- Venkatar Ramana, D.; Baskar, S. Fault Analysis of Voltage Source Inverter Fed Induction Motor Drive. In Proceedings of the 2016 IEEE International Conference on Computational Intelligence and Computing Research, ICCIC 2016, Chennai, India, 15–17 December 2016. [Google Scholar]
- Soufi, Y.; Bahi, T.; Harkat, M.F.; Rouaibia, R. Diagnosis and Fault Detection in Induction Motor Drive Fed by PWM Voltage Source Inverter. J. Electr. Syst. 2010, 6, 2. [Google Scholar]
- Vaimann, T.; Belahcen, A.; Martinez, J.; Kilk, A. Detection of Broken Bars in Frequency Converter Fed Induction Motor Using Park’s Vector Approach. In Proceedings of the PQ 2012: 8th International Conference—2012 Electric Power Quality and Supply Reliability, Tartu, Estonia, 11–13 July 2012. [Google Scholar]
- Asad, B.; Vaimann, T.; Kallaste, A.; Rassolkin, A.; Belahcen, A. Winding Function Based Analytical Model of Squirrel Cage Induction Motor for Fault Diagnostics. In Proceedings of the 2019 26th International Workshop on Electric Drives: Improvement in Efficiency of Electric Drives, IWED 2019, Moscow, Russia, 30 January–February 2019. [Google Scholar]
- Vaimann, T.; Kallaste, A.; Kilk, A. Sensorless Detection of Induction Motor Rotor Faults Using the Clarke Vector Approach. Sci. J. Riga Tech. Univ. Power Electr. Eng. 2011, 28, 2011. [Google Scholar] [CrossRef]
- Asad, B.; Vaimann, T.; Belahcen, A.; Kallaste, A.; Rassõlkin, A.; Iqbal, M.N. Modified Winding Function-Based Model of Squirrel Cage Induction Motor for Fault Diagnostics. IET Electr. Power Appl. 2020, 14, 1722–1734. [Google Scholar] [CrossRef]
- Vaimann, T.; Sobra, J.; Belahcen, A.; Rassõlkin, A.; Rolak, M.; Kallaste, A. Induction Machine Fault Detection Using Smartphone Recorded Audible Noise. IET Sci. Meas. Technol. 2018, 12, 554–560. [Google Scholar] [CrossRef]
- Rassõlkin, A.; Vaimann, T.; Belahcen, A.; Kallaste, A.; Petrov, A.; Plokhov, I.; Kotelnikov, A. Adjusted Electrical Equivalent Circuit Model of Induction Motor with Broken Rotor Bars. In Proceedings of the 10th International Conference—2016 Electric Power Quality and Supply Reliability, PQ 2016, Tallinn, Estonia, 29–31 August 2016. [Google Scholar]
- Asad, B.; Vaimann, T.; Belahcen, A.; Kallaste, A.; Rassõlkin, A.; Ghafarokhi, P.S.; Kudelina, K. Transient Modeling and Recovery of Non-Stationary Fault Signature for Condition Monitoring of Induction Motors. Appl. Sci. 2021, 11, 2806. [Google Scholar] [CrossRef]
- Asad, B.; Vaimann, T.; Belahcen, A.; Kallaste, A.; Rassolkin, A.; Van Khang, H.; Ghahfarokhi, P.S.; Naseer, M.U.; Iqbal, M.N. The Modeling and Investigation of Slot Skews and Supply Imbalance on the Development of Principal Slotting Harmonics in Squirrel Cage Induction Machines. IEEE Access 2021, 9, 165932–165946. [Google Scholar] [CrossRef]
- Asad, B.; Vaimann, T.; Belahcen, A.; Kallaste, A.; Rassolkin, A. Rotor Fault Diagnostic of Inverter Fed Induction Motor Using Frequency Analysis. In Proceedings of the 2019 IEEE 12th International Symposium on Diagnostics for Electrical Machines, Power Electronics and Drives, SDEMPED 2019, Toulouse, France, 27–30 August 2019. [Google Scholar]
- Zhu, W.; De Gaetano, D.; Chen, X.; Jewell, G.W.; Hu, Y. A Review of Modeling and Mitigation Techniques for Bearing Currents in Electrical Machines with Variable-Frequency Drives. IEEE Access 2022, 10, 125279–125297. [Google Scholar] [CrossRef]
- Oikonomou, N.; Holtz, J. Closed-Loop Control of Medium-Voltage Drives Operated with Synchronous Optimal Pulsewidth Modulation. IEEE Trans. Ind. Appl. 2008, 44, 115–123. [Google Scholar] [CrossRef]
- Napoles, J.; Leon, J.I.; Portillo, R.; Franquelo, L.G.; Aguirre, M.A. Selective Harmonic Mitigation Technique for High-Power Converters. IEEE Trans. Ind. Electron. 2010, 57, 2315–2323. [Google Scholar] [CrossRef]
- Zhang, Y.; Zhao, Z.; Zhu, J. A Hybrid PWM Applied to High-Power Three-Level Inverter-Fed Induction-Motor Drives. IEEE Trans. Ind. Electron. 2011, 58, 3409–3420. [Google Scholar] [CrossRef]
- Vargas, R.; Ammann, U.; Rodríguez, J.; Pontt, J. Reduction of Switching Losses and Increase in Efficiency of Power Converters Using Predictive Control. In Proceedings of the PESC Record—IEEE Annual Power Electronics Specialists Conference, Rhodes, Greece, 15–19 June 2008. [Google Scholar]
- Kerszenbaum, I. Shaft Currents in Electric Machines Fed by Solid-State Drives. In Proceedings of the IEEE Conference Record of Industrial and Commercial Power Systems Technical Conference, Pittsburgh, PA, USA, 4–7 May 1992. [Google Scholar]
- Rosales, A.; Sarikhani, A.; Mohammed, O.A. Evaluation of Radiated Electromagnetic Field Interference Due to Frequency Swithcing in PWM Motor Drives by 3D Finite Elements. IEEE Trans. Magn. 2011, 47, 1474–1477. [Google Scholar] [CrossRef]
- Lee, K.; Shen, G.; Yao, W.; Lu, Z. Performance Characterization of Random Pulse Width Modulation Algorithms in Industrial and Commercial Adjustable-Speed Drives. IEEE Trans. Ind. Appl. 2017, 53, 1078–1087. [Google Scholar] [CrossRef]
- Kim, T.H.; Lee, J. Comparison of the Iron Loss of a Flux-Reversal Machine under Four Different PWM Modes. IEEE Trans. Magn. 2007, 43, 1725–1728. [Google Scholar] [CrossRef]
- Jung, H.S.; Hwang, C.E.; Kim, H.S.; Sul, S.K.; Hee-Won, A.; Yoo, H. Minimum Torque Ripple Pulse Width Modulation with Reduced Switching Frequency for Medium-Voltage Motor Drive. IEEE Trans. Ind. Appl. 2018, 54, 3315–3325. [Google Scholar] [CrossRef]
- Rajkamal, R.; Karthi, A. Analysis of PWM Techniques for Inverters Driving AC Motors. Pertanika J. Sci. Technol. 2017, 25, 1211–1222. [Google Scholar]
- Lavanya, S.N.; Reddy, T.B.; Kumar, M.V. Performance of Random PWM Techniques for Induction Motor Drive. Int. J. Eng. Adv. Technol. 2019, 8, 133–139. [Google Scholar]
- Chen, S.; Lipo, T.A.; Fitzgerald, D. Modeling of Motor Bearing Currents in PWM Inverter Drives. IEEE Trans. Ind. Appl. 1996, 32, 1365–1370. [Google Scholar] [CrossRef]
- Hamman, J.; Van Der Merwe, F.S. Voltage Harmonics Generated by Voltage-Fed Inverters Using PWM Natural Sampling. IEEE Trans. Power Electron. 1988, 3, 297–302. [Google Scholar] [CrossRef]
- Persson, E. Transient Effects in Application of PWM Inverters to Induction Motors. IEEE Trans. Ind. Appl. 1992, 28, 1095–1101. [Google Scholar] [CrossRef]
- Chen, S.; Lipo, T.A.; Fitzgerald, D. Source of Induction Motor Bearing Currents Caused by PWM Inverters. IEEE Trans. Energy Convers. 1996, 11, 25–32. [Google Scholar] [CrossRef]
- Soufi, Y.; Bahi, T.; Harkat, M.F.; Mohammedi, M. Fault Diagnosis Methods for Three Phase PWM Inverter Fed Induction Motor. Int. J. Eng. Appl. 2018, 6, 122. [Google Scholar] [CrossRef]
- Sundeep, S.; Wang, J.; Griffo, A.; Alvarez-Gonzalez, F. Peak Voltage Stress on Stator Winding in PWM Inverter Fed Drives. In Proceedings of the 2020 International Conference on Electrical Machines, ICEM 2020, Gothenburg, Sweden, 23–26 August 2020. [Google Scholar]
- Esmaeli, A.; Tavassoli, F. A Novel Passive Filter to Reduce PWM Inverters Adverse Effects in Electrical Machine System. World Appl. Sci. J. 2011, 13, 2536–2544. [Google Scholar]
- Benbouzid, M.E.H.; Vieira, M.; Theys, C. Induction Motors’ Faults Detection and Localization Using Stator Current Advanced Signal Processing Techniques. IEEE Trans. Power Electron. 1999, 14, 14–22. [Google Scholar] [CrossRef]
- Benbouzid, M.E.H. A Review of Induction Motors Signature Analysis as a Medium for Faults Detection. IEEE Trans. Ind. Electron. 2000, 47, 984–993. [Google Scholar] [CrossRef]
- Albrecht, P.F.; Appiarius, J.C.; McCoy, R.M.; Owen, E.L.; Sharma, D.K. Assessment of the Reliability of Motors in Utility Applications—Updated. IEEE Trans. Energy Convers. 1986, EC-1, 39–46. [Google Scholar] [CrossRef]
- Choudhary, A.; Goyal, D.; Shimi, S.L.; Akula, A. Condition Monitoring and Fault Diagnosis of Induction Motors: A Review. Arch. Comput. Methods Eng. 2019, 26, 1221–1238. [Google Scholar] [CrossRef]
- Vaimann, T.; Belahcen, A.; Kallaste, A. Necessity for Implementation of Inverse Problem Theory in Electric Machine Fault Diagnosis. In Proceedings of the SDEMPED 2015: IEEE 10th International Symposium on Diagnostics for Electrical Machines, Power Electronics and Drives, Guarda, Portugal, 1–4 September 2015. [Google Scholar]
- Akhil Vinayak, B.; Anjali Anand, K.; Jagadanand, G. Wavelet-Based Real-Time Stator Fault Detection of Inverter-Fed Induction Motor. IET Electr. Power Appl. 2020, 14, 82–90. [Google Scholar] [CrossRef]
- Skowron, M.; Orlowska-Kowalska, T.; Wolkiewicz, M.; Kowalski, C.T. Convolutional Neural Network-Based Stator Current Data-Driven Incipient Stator Fault Diagnosis of Inverter-Fed Induction Motor. Energies 2020, 13, 1475. [Google Scholar] [CrossRef]
- Asad, B.; Vaimann, T.; Kallaste, A.; Belahcen, A. Harmonic Spectrum Analysis of Induction Motor with Broken Rotor Bar Fault. In Proceedings of the 2018 IEEE 59th Annual International Scientific Conference on Power and Electrical Engineering of Riga Technical University, RTUCON 2018, Riga, Latvia, 12–13 November 2018. [Google Scholar]
- Martin-Diaz, I.; Morinigo-Sotelo, D.; Duque-Perez, O.; Arredondo-Delgado, P.A.; Camarena-Martinez, D.; Romero-Troncoso, R.J. Analysis of Various Inverters Feeding Induction Motors with Incipient Rotor Fault Using High-Resolution Spectral Analysis. Electr. Power Syst. Res. 2017, 152, 18–26. [Google Scholar] [CrossRef]
- Kudelina, K.; Vaimann, T.; Rassõlkin, A.; Kallaste, A.; Demidova, G.; Karpovich, D. Diagnostic Possibilities of Induction Motor Bearing Currents. In Proceedings of the 2021 18th International Scientific Technical Conference Alternating Current Electric Drives, ACED 2021, Ekaterinburg, Russia, 24–27 May 2021. [Google Scholar]
- Kudelina, K.; Vaimann, T.; Rassolkin, A.; Kallaste, A.; Asad, B.; Demidova, G. Induction Motor Bearing Currents-Causes and Damages. In Proceedings of the 2021 28th International Workshop on Electric Drives: Improving Reliability of Electric Drives, IWED 2021, Moscow, Russia, 27–29 January 2021. [Google Scholar]
- Kudelina, K.; Asad, B.; Vaimann, T.; Rassolkin, A.; Kallaste, A. Effect of Bearing Faults on Vibration Spectrum of BLDC Motor. In Proceedings of the 2020 IEEE Open Conference of Electrical, Electronic and Information Sciences, eStream 2020, Vilnius, Lithuania, 30 April 2020. [Google Scholar]
- Kudelina, K.; Autsou, S.; Asad, B.; Vaimann, T.; Rassolkin, A.; Kallaste, A. Implementation and Analysis of Rolling Bearing Faults Caused by Shaft Currents. In Proceedings of the International Workshop on Electric Drives, IWED, Moscow, Russia, 26–29 January 2022; Volume 2022. [Google Scholar]
- De Paula, H.; de Andrade, D.A.; Chaves, M.L.R.; Domingos, J.L.; de Freitas, M.A.A. Methodology for Cable Modeling and Simulation for High-Frequency Phenomena Studies in PWM Motor Drives. IEEE Trans. Power Electron. 2008, 23, 744–752. [Google Scholar] [CrossRef]
- Garcia-Perez, A.; Romero-Troncoso, R.J.; Cabal-Yepez, E.; Osornio-Rios, R.A.; Lucio-Martinez, J.A. Application of High-Resolution Spectral Analysis for Identifying Faults in Induction Motors by Means of Sound. JVC/J. Vib. Control 2012, 18, 1585–1594. [Google Scholar] [CrossRef]
- Xu, Y.; Liang, Y.; Yuan, X.; Wu, X.; Li, Y. Experimental Assessment of High Frequency Bearing Currents in an Induction Motor Driven by a SiC Inverter. IEEE Access 2021, 9, 40540–40549. [Google Scholar] [CrossRef]
- Chen, H.; Zhao, H. Review on Pulse-Width Modulation Strategies for Common-Mode Voltage Reduction in Three-Phase Voltage-Source Inverters. IET Power Electron. 2016, 9, 2611–2620. [Google Scholar] [CrossRef]
- Erdman, J.M.; Kerkman, R.J.; Schlegel, D.W.; Skibinski, G.L. Effect of PWM Inverters on Ac Motor Bearing Currents and Shaft Voltages. IEEE Trans. Ind. Appl. 1996, 32, 250–259. [Google Scholar] [CrossRef]
- Huang, Y.; Xu, Y.; Zhang, W.; Zou, J. Modified Single-Edge SVPWM Technique to Reduce the Switching Losses and Increase PWM Harmonics Frequency for Three-Phase VSIs. IEEE Trans Power Electron 2020, 35, 10643–10653. [Google Scholar] [CrossRef]
- Kumar, S.; Mukherjee, D.; Guchhait, P.K.; Banerjee, R.; Srivastava, A.K.; Vishwakarma, D.N.; Saket, R.K. A Comprehensive Review of Condition Based Prognostic Maintenance (CBPM) for Induction Motor. IEEE Access 2019, 7, 90690–90704. [Google Scholar] [CrossRef]
- Cabanas, M.F.; Norniella, J.G.; Melero, M.G.; Rojas, C.H.; Cano, J.M.; Pedrayes, F.; Orcajo, G.A. Detection of Stator Winding Insulation Failures: On-Line and off-Line Tests. In Proceedings of the 2013 IEEE Workshop on Electrical Machines Design, Control and Diagnosis, WEMDCD 2013, Paris, France, 11–12 March 2013. [Google Scholar]
- Unsal, A.; Kara, O. Modeling of Broken Rotor Bars in a Squirrel-Cage Induction Motor. In Proceedings of the International Conference on Power Engineering, Energy and Electrical Drives, Istanbul, Turkey, 13–17 May 2013. [Google Scholar]
- Han, P.; Zhang, Y.; Kesgin, M.G.; Heins, G.; Patterson, D.; Thiele, M.; Ionel, D.M. On the Modeling of Bearing Voltage and Current in PWM Converter-Fed Electric Machines Using Electromagnetic Finite Element Analysis. In Proceedings of the 2021 IEEE Energy Conversion Congress and Exposition, ECCE 2021, Virtual, 10–14 October 2021. [Google Scholar]
- Yamazaki, K.; Iida, K.; Terai, Y. Fast Estimation of Harmonic Losses Caused by Inverter Carrier in Interior Permanent-Magnet Synchronous Motors by Using Combination of Time- And Frequency-Domain Finite-Element Analyses. IEEE Trans. Magn. 2020, 56, 1–4. [Google Scholar] [CrossRef]
- Prieto, J.; Jones, M.; Barrero, F.; Levi, E.; Toral, S. Comparative Analysis of Discontinuous and Continuous PWM Techniques in VSI-Fed Five-Phase Induction Motor. IEEE Trans. Ind. Electron. 2011, 58, 5324–5335. [Google Scholar] [CrossRef]
- Holmes, D.G.; Lipo, T.A. Pulse Width Modulation for Power Converters; John Wiley & Sons: Hoboken, NJ, USA, 2010. [Google Scholar]
- Nandi, S.; Toliyat, H.A.; Li, X. Condition Monitoring and Fault Diagnosis of Electrical Motors—A Review. IEEE Trans. Energy Convers. 2005, 20, 719–729. [Google Scholar] [CrossRef]
- Asad, B.; Vaimann, T.; Belahcen, A.; Kallaste, A. Broken Rotor Bar Fault Diagnostic of Inverter Fed Induction Motor Using FFT, Hilbert and Park’s Vector Approach. In Proceedings of the 2018 23rd International Conference on Electrical Machines, ICEM 2018, Alexandroupoli, Greece, 3–6 September 2018. [Google Scholar]
- Dorrell, D.G.; Makhoba, K. Detection of Inter-Turn Stator Faults in Induction Motors Using Short-Term Averaging of Forward and Backward Rotating Stator Current Phasors for Fast Prognostics. IEEE Trans. Magn. 2017, 53, 1–7. [Google Scholar] [CrossRef]
- Devi, N.R.; Siva Sarma, D.V.S.S.; Ramana Rao, P.V. Detection of Stator Incipient Faults and Identification of Faulty Phase in Three-Phase Induction Motor—Simulation and Experimental Verification. IET Electr. Power Appl. 2015, 9, 540–548. [Google Scholar] [CrossRef]
- Tallam, R.M.; Lee, S.B.; Stone, G.C.; Kliman, G.B.; Yoo, J.; Habetler, T.G.; Harley, R.G. A Survey of Methods for Detection of Stator-Related Faults in Induction Machines. IEEE Trans. Ind. Appl. 2007, 43, 920–933. [Google Scholar] [CrossRef]
- Jung, J.; Park, Y.; Lee, S.B.; Cho, C.; Kim, K.; Wiedenbrug, E.; Teska, M. Monitoring of Journal Bearing Faults Based on Motor Current Signature Analysis for Induction Motors. In Proceedings of the 2015 IEEE Energy Conversion Congress and Exposition, ECCE 2015, Montreal, QC, Canada, 20–24 September 2015. [Google Scholar]
- Mirzaeva, G.; Saad, K.I. Advanced Diagnosis of Stator Turn-to-Turn Faults and Static Eccentricity in Induction Motors Based on Internal Flux Measurement. IEEE Trans. Ind. Appl. 2018, 54, 3961–3970. [Google Scholar] [CrossRef]
- Asad, B.; Eensalu, L.; Vaimann, T.; Kallaste, A.; Rassolkin, A.; Belahcen, A. The FEM Based Modeling and Corresponding Test Rig Preparation for Broken Rotor Bars Analysis. In Proceedings of the 2019 IEEE 60th Annual International Scientific Conference on Power and Electrical Engineering of Riga Technical University, RTUCON 2019, Riga, Latvia, 7–9 October 2019. [Google Scholar]
- Shirazian, S.; Alibabaei, M. Using Neural Networks Coupled with Particle Swarm Optimization Technique for Mathematical Modeling of Air Gap Membrane Distillation (AGMD) Systems for Desalination Process. Neural Comput. Appl. 2017, 28, 2099–2104. [Google Scholar] [CrossRef]
- Halder, S.; Bhat, S.; Zychma, D.; Sowa, P. Broken Rotor Bar Fault Diagnosis Techniques Based on Motor Current Signature Analysis for Induction Motor—A Review. Energies 2022, 15, 8569. [Google Scholar] [CrossRef]
- Duque-Perez, O.; Garcia-Escudero, L.A.; Morinigo-Sotelo, D.; Gardel, P.E.; Perez-Alonso, M. Analysis of Fault Signatures for the Diagnosis of Induction Motors Fed by Voltage Source Inverters Using ANOVA and Additive Models. Electr. Power Syst. Res. 2015, 121, 1–13. [Google Scholar] [CrossRef]
- Vilhekar, T.G.; Ballal, M.S.; Suryawanshi, H.M. Application of Multiple Parks Vector Approach for Detection of Multiple Faults in Induction Motors. J. Power Electron. 2017, 17, 972–982. [Google Scholar] [CrossRef]
- Maouche, Y.; Oumaamar, M.E.K.; Boucherma, M.; Khezzar, A. Instantaneous Power Spectrum Analysis for Broken Bar Fault Detection in Inverter-Fed Six-Phase Squirrel Cage Induction Motor. Int. J. Electr. Power Energy Syst. 2014, 62, 110–117. [Google Scholar] [CrossRef]
- Braham, A.; Lachiri, Z. Diagnosis of Broken Bar Fault in Induction Machines Using Advanced Digital Signal Processing. Int. Rev. Electr. Eng. 2010, 5. [Google Scholar] [CrossRef]
- Gangsar, P.; Tiwari, R. Signal Based Condition Monitoring Techniques for Fault Detection and Diagnosis of Induction Motors: A State-of-the-Art Review. Mech. Syst. Signal Process. 2020, 144, 106908. [Google Scholar] [CrossRef]
- Yakhni, M.F.; Cauet, S.; Sakout, A.; Assoum, H.; Etien, E.; Rambault, L.; El-Gohary, M. Variable Speed Induction Motors’ Fault Detection Based on Transient Motor Current Signatures Analysis: A Review. Mech. Syst. Signal Process. 2023, 184. [Google Scholar] [CrossRef]
- Lin, C.K.; Liu, T.H.; Yu, J.T.; Fu, L.C.; Hsiao, C.F. Model-Free Predictive Current Control for Interior Permanent-Magnet Synchronous Motor Drives Based on Current Difference Detection Technique. IEEE Trans. Ind. Electron. 2014, 61, 667–681. [Google Scholar] [CrossRef]
- Nguyen, V.; Seshadrinath, J.; Wang, D.; Nadarajan, S.; Vaiyapuri, V. Model-Based Diagnosis and RUL Estimation of Induction Machines under Interturn Fault. IEEE Trans. Ind. Appl. 2017, 53, 2690–2701. [Google Scholar] [CrossRef]
- Toliyat, H.A.; Nandi, S.; Choi, S.; Meshgin-kelk, H. Electric Machines: Modeling, Condition Monitoring, and Fault Diagnosis; CRC Press: Boca Raton, FL, USA, 2017. [Google Scholar]
- Benbouzid, M.E.H.; Kliman, G.B. What Stator Current Processing-Based Technique to Use for Induction Motor Rotor Faults Diagnosis? IEEE Trans. Energy Convers. 2003, 18, 238–244. [Google Scholar] [CrossRef]
- Yaghobi, H.; Arkan, M.; Perović, D.K.; Unsworth, P.; Citation, O.; Chattopadhyay, S.; Mitra, M.; Sengupta, S.; Bengal, W.; Roshanfekr, R.; et al. Interpretation, and Industrial Case Histories. IEEE Trans. Ind. Electron. 2017, 13, 145–156. [Google Scholar]
- Kowalski, C.T.; Wierzbicki, R.; Wolkiewicz, M. Stator and Rotor Faults Monitoring of the Inverter-Fed Induction Motor Drive Using State Estimators. Autom. J. Control Meas. Electron. Comput. Commun. 2013, 54, 348–355. [Google Scholar] [CrossRef]
- Kudelina, K.; Asad, B.; Vaimann, T.; Rassolkin, A.; Kallaste, A. Production Quality Related Propagating Faults of Induction Machines. In Proceedings of the 2020 11th International Conference on Electrical Power Drive Systems, ICEPDS 2020, Saint Petersburg, Russia, 4–7 October 2020. [Google Scholar]
- Isermann, R. Model-Based Fault Detection and Diagnosis—Status and Applications. IFAC Proc. Vol. 2004, 37, 49–60. [Google Scholar] [CrossRef]
- Willwerth, A.; Roman, M. Electrical Bearing Damage—A Lurking Problem in Inverter-Driven Traction Motors. In Proceedings of the 2013 IEEE Transportation Electrification Conference and Expo: Components, Systems, and Power Electronics—From Technology to Business and Public Policy, ITEC 2013, Metro Detroit, MI, USA, 16–19 June 2013. [Google Scholar]
- Vaimann, T. Advances in Machine Fault Diagnosis. Appl. Sci. 2021, 11, 7348. [Google Scholar] [CrossRef]
- Chen, X.; Wang, S.; Qiao, B.; Chen, Q. Basic Research on Machinery Fault Diagnostics: Past, Present, and Future Trends. Front. Mech. Eng. 2018, 13, 264–291. [Google Scholar] [CrossRef]
- Karlis, A. (Ed.) Advances in the Field of Electrical Machines and Drives; MDPI: Basel, Switzerland, 2022. [Google Scholar]
- Jiao, J.; Zhao, M.; Lin, J.; Liang, K. A Comprehensive Review on Convolutional Neural Network in Machine Fault Diagnosis. Neurocomputing 2020, 417, 36–63. [Google Scholar] [CrossRef]
- Zhen, D. A Study of Non-stationary Signal Processing for Machinery Condition Monitoring. Ph.D. Thesis, University of Huddersfield, Huddersfield, UK, 2012. [Google Scholar]
- Leite, V.C.M.N.; Borges Da Silva, J.G.; Veloso, G.F.C.; Borges Da Silva, L.E.; Lambert-Torres, G.; Bonaldi, E.L.; De Lacerda De Oliveira, L.E. Detection of Localized Bearing Faults in Induction Machines by Spectral Kurtosis and Envelope Analysis of Stator Current. IEEE Trans. Ind. Electron. 2015, 62, 1855–1865. [Google Scholar] [CrossRef]
- Othman, M.S.; Nuawi, M.Z.; Mohamed, R. Vibration and Acoustic Emission Signal Monitoring for Detection of Induction Motor Bearing Fault. Int. J. Eng. Res. Technol. 2015, 4, 924–929. [Google Scholar]
- Sapena-Bano, A.; Burriel-Valencia, J.; Pineda-Sanchez, M.; Puche-Panadero, R.; Riera-Guasp, M. The Harmonic Order Tracking Analysis Method for the Fault Diagnosis in Induction Motors under Time-Varying Conditions. IEEE Trans. Energy Convers. 2017, 32, 244–256. [Google Scholar] [CrossRef]
- Sabir, H.; Ouassaid, M.; Ngote, N.; Benbouzid, M. A Novel Experimental Method to Detect Early Rotor Faults in Induction Machines. Int. J. Energy Convers. 2021, 9, 191. [Google Scholar] [CrossRef]
- Ngote, N.; Guedira, S.; Ouassaid, M.; Cherkaoui, M.; Maaroufi, M. On the Monitoring of Rotor Fault in Induction Machine by the Use of the TSA Method Applied to Stator Current. Int. Rev. Electr. Eng. 2012, 7, 4822–4828. [Google Scholar]
- Ngote, N.; Ouassaid, M.; Guedira, S.; Cherkaoui, M. On the Detection of Induction-Motor Rotor Fault by the Combined “Time Synchronous Averaging-Discrete Wavelet Transform” Approach. J. Electr. Eng. Technol. 2015, 10, 2315–2325. [Google Scholar] [CrossRef]
- Dey, S.; Roy, S.S.; Samanta, K.; Modak, S.; Chatterjee, S. Autocorrelation Based Feature Extraction for Bearing Fault Detection in Induction Motors. In Proceedings of the 2019 International Conference on Electrical, Electronics and Computer Engineering, UPCON 2019, Aligarh, India, 8–10 November 2019. [Google Scholar]
- Dehina, W.; Boumehraz, M.; Kratz, F. Detectability of Rotor Failure for Induction Motors through Stator Current Based on Advanced Signal Processing Approaches. Int. J. Dyn. Control 2021, 9, 1381–1395. [Google Scholar] [CrossRef]
- Granda, D.; Aguilar, W.G.; Arcos-Aviles, D.; Sotomayor, D. Broken Bar Diagnosis for Squirrel Cage Induction Motors Using Frequency Analysis Based on MCSA and Continuous Wavelet Transform. Math. Comput. Appl. 2017, 22, 30. [Google Scholar] [CrossRef]
- Lu, J.; Wang, P.; Duan, S.; Shi, L.; Han, L. Detection of Broken Rotor Bars Fault in Induction Motors by Using an Improved MUSIC and Least-Squares Amplitude Estimation. Math. Probl. Eng. 2018, 2018, 1–12. [Google Scholar] [CrossRef]
- Alshorman, O.; Irfan, M.; Saad, N.; Zhen, D.; Haider, N.; Glowacz, A.; Alshorman, A. A Review of Artificial Intelligence Methods for Condition Monitoring and Fault Diagnosis of Rolling Element Bearings for Induction Motor. Shock. Vib. 2020, 2020, 1–20. [Google Scholar] [CrossRef]
- Kudelina, K.; Vaimann, T.; Asad, B.; Rassõlkin, A.; Kallaste, A.; Demidova, G. Trends and Challenges in Intelligent Condition Monitoring of Electrical Machines Using Machine Learning. Appl. Sci. 2021, 11, 2761. [Google Scholar] [CrossRef]
- Soualhi, A.; Clerc, G.; Razik, H. Detection and Diagnosis of Faults in Induction Motor Using an Improved Artificial Ant Clustering Technique. IEEE Trans. Ind. Electron. 2013, 60, 4053–4062. [Google Scholar] [CrossRef]
- Nandi, S.; Ilamparithi, T.; Lee, S.B.; Hyun, D. Pole Pair and Rotor Slot Number Independent Frequency Domain Based Detection of Eccentricity Faults in Induction Machines Using a Semi On-Line Technique. In Proceedings of the 2009 IEEE International Symposium on Diagnostics for Electric Machines, Power Electronics and Drives, SDEMPED 2009, Cargese, France, 31 August–3 September 2009. [Google Scholar]
- Di, C.; Bao, X.; Wang, H.; Lv, Q.; He, Y. Modeling and Analysis of Unbalanced Magnetic Pull in Cage Induction Motors with Curved Dynamic Eccentricity. IEEE Trans. Magn. 2015, 51, 1–7. [Google Scholar] [CrossRef]
- Saucedo-Dorantes, J.J.; Delgado-Prieto, M.; Osornio-Rios, R.A.; De Jesus Romero-Troncoso, R. Multifault Diagnosis Method Applied to an Electric Machine Based on High-Dimensional Feature Reduction. IEEE Trans. Ind. Appl. 2017, 53, 3086–3097. [Google Scholar] [CrossRef]
- Toma, R.N.; Prosvirin, A.E.; Kim, J.M. Bearing Fault Diagnosis of Induction Motors Using a Genetic Algorithm and Machine Learning Classifiers. Sensors 2020, 20, 1884. [Google Scholar] [CrossRef]
- Toma, R.N.; Piltan, F.; Kim, J.M. A Deep Autoencoder-Based Convolution Neural Network Framework for Bearing Fault Classification in Induction Motors. Sensors 2021, 21, 8453. [Google Scholar] [CrossRef]
- Yeh, C.C.; Povinelli, R.J.; Mirafzal, B.; Demerdash, N.A.O. Diagnosis of Stator Winding Inter-Turn Shorts in Induction Motors Fed by PWM-Inverter Drive Systems Using a Time-Series Data Mining Technique. In Proceedings of the 2004 International Conference on Power System Technology, POWERCON 2004, Singapore, 21–24 November 2004; Volume 1. [Google Scholar]
- Ye, Z.; Sadeghian, A.; Wu, B. Mechanical Fault Diagnostics for Induction Motor with Variable Speed Drives Using Adaptive Neuro-Fuzzy Inference System. Electr. Power Syst. Res. 2006, 76, 742–752. [Google Scholar] [CrossRef]
- Romero-Troncoso, R.J.; Saucedo-Gallaga, R.; Cabal-Yepez, E.; Garcia-Perez, A.; Osornio-Rios, R.A.; Alvarez-Salas, R.; Miranda-Vidales, H.; Huber, N. FPGA-Based Online Detection of Multiple Combined Faults in Induction Motors through Information Entropy and Fuzzy Inference. IEEE Trans. Ind. Electron. 2011, 58, 5263–5270. [Google Scholar] [CrossRef]
- Akar, M.; Cankaya, I. Broken Rotor Bar Fault Detection in Inverter-Fed Squirrel Cage Induction Motors Using Stator Current Analysis and Fuzzy Logic. Turk. J. Electr. Eng. Comput. Sci. 2012, 20, 1077–1089. [Google Scholar] [CrossRef]
- Bozorgi, A.M.; Farasat, M.; Jafarishiadeh, S. Improved Model Predictive Current Control of Permanent Magnet Synchronous Machines with Fuzzy Based Duty Cycle Control. In Proceedings of the ECCE 2016—IEEE Energy Conversion Congress and Exposition, Milwaukee, WI, USA, 18–22 September 2016. [Google Scholar] [CrossRef]
- Zaripova, A.D.; Zaripov, D.K.; Usachev, A.E. Visualization of High-Voltage Insulators Defects on Infrared Images Using Computer Vision Methods. Sci. Vis. 2019, 11, 88–98. [Google Scholar] [CrossRef]
- Tao, H.; Peng, T.; Yang, C.; Gao, J.; Yang, C.; Gui, W. Voltage and Current Sensor Fault Diagnosis Method for Traction Converter with Two Stator Current Sensors. Sensors 2022, 22, 2355. [Google Scholar] [CrossRef]
- Kraleti, R.S.; Zawodniok, M.; Jagannathan, S. Model Based Diagnostics and Prognostics of Three-Phase Induction Motor for Vapor Compressor Applications. In Proceedings of the PHM 2012—2012 IEEE Int. Conf. on Prognostics and Health Management: Enhancing Safety, Efficiency, Availability, and Effectiveness of Systems through PHM Technology and Application, Conference Program, Denver, CO, USA, 18–21 June 2012. [Google Scholar]
- Hu, W.; Wang, T.; Chu, F. A Novel Ramanujan Digital Twin for Motor Periodic Fault Monitoring and Detection. IEEE Trans. Ind. Inform. 2023. [Google Scholar] [CrossRef]
- Silva, L.C.; Dias, C.G.; Alves, W.A.L. A Histogram of Oriented Gradients for Broken Bars Diagnosis in Squirrel Cage Induction Motors. In Proceedings of the Lecture Notes in Computer Science (Including Subseries Lecture Notes in Artificial Intelligence and Lecture Notes in Bioinformatics), Rhodes, Greece, 4–7 October 2018; Volume 11139. LNCS. [Google Scholar]
- Dias, C.G.; Da Silva, L.C.; Luz Alves, W.A. A Histogram of Oriented Gradients Approach for Detecting Broken Bars in Squirrel-Cage Induction Motors. IEEE Trans. Instrum. Meas. 2020, 69, 6968–6981. [Google Scholar] [CrossRef]
- Redon, P.; Picazo-Rodenas, M.J.; Antonino-Daviu, J. Processing Tool for Failure Diagnosis Based on Isothermal Representation for Infrared-Based Fault Detection in Induction Motors under Transient State. In Proceedings of the IECON 2017—43rd Annual Conference of the IEEE Industrial Electronics Society, Beijing, China, 29 October–1 November 2017; Volume 2017-January. [Google Scholar]
- Freire, N.M.A.; Estima, J.O.; Cardoso, A.J.M. A Voltage-Based Approach without Extra Hardware for Open-Circuit Fault Diagnosis in Closed-Loop PWM AC Regenerative Drives. IEEE Trans. Ind. Electron. 2014, 61, 4960–4970. [Google Scholar] [CrossRef]
- Zhang, X.; Han, K.; Cao, H.; Wang, Z.; Huo, K. Fault Injection Model of Induction Motor for Stator Interturn Fault Diagnosis Research Based on Hils. World Electr. Veh. J. 2021, 12, 170. [Google Scholar] [CrossRef]
- Sapena-Bano, A.; Riera-Guasp, M.; Martinez-Roman, J.; Pineda-Sanchez, M.; Puche-Panadero, R.; Perez-Cruz, J. FEM-Analytical Hybrid Model for Real Time Simulation of IMs under Static Eccentricity Fault. In Proceedings of the 2019 IEEE 12th International Symposium on Diagnostics for Electrical Machines, Power Electronics and Drives, SDEMPED 2019, Toulouse, France, 27–30 August 2019. [Google Scholar]
- Prochazka, F.; Krüger, S.; Stomberg, G.; Bauer, M. Development of a Hardware-in-the-Loop Demonstrator for the Validation of Fault-Tolerant Control Methods for a Hybrid UAV. CEAS Aeronaut. J. 2021, 12, 549–558. [Google Scholar] [CrossRef]
- Cevallos, H.; Intriago, G.; Plaza, D. Ensemble Kalman Filter and Particle Filter-Based State Estimation on Electrical Power Systems. J. Phys. Conf. Ser. 2021, 2090. [Google Scholar] [CrossRef]
- Kumar, D.; Jana, D.; Gupta, S.; Yadav, P.K. Bayesian Network Approach for Dragline Reliability Analysis: A Case Study. Min. Metall. Explor. 2023, 40, 347–365. [Google Scholar] [CrossRef]
- Qiao, Z.; Shu, X. Coupled Neurons with Multi-Objective Optimization Benefit Incipient Fault Identification of Machinery. Chaos Solitons Fractals 2021, 145, 110813. [Google Scholar] [CrossRef]
- Kostov, I.; Spasov, V.; Rangelova, V. Application of Genetic Algorithms for Determining the Parameters of Induction Motors. Teh. Vjesn. 2009, 16, 49–53. [Google Scholar]
- Pillay, P.; Nolan, R.; Haque, T. Application of Genetic Algorithms to Motor Parameter Determination for Transient Torque Calculations. IEEE Trans. Ind. Appl. 1997, 33, 1273–1282. [Google Scholar] [CrossRef]
- Allah Bukhsh, Z.; Stipanovic, I.; Doree, A.G. Multi-Year Maintenance Planning Framework Using Multi-Attribute Utility Theory and Genetic Algorithms. Eur. Transp. Res. Rev. 2020, 12, 1–13. [Google Scholar] [CrossRef]
- Ondel, O.; Boutleux, E.; Clerc, G.; Blanco, E. FDI Based on Pattern Recognition Using Kalman Prediction: Application to an Induction Machine. Eng. Appl. Artif. Intell. 2008, 21, 961–973. [Google Scholar] [CrossRef]
- Nair, D.G.; Rasilo, P.; Arkkio, A. Sensitivity Analysis of Inverse Thermal Modeling to Determine Power Losses in Electrical Machines. IEEE Trans. Magn. 2018, 54, 1–5. [Google Scholar] [CrossRef]
- Duan, F.; Živanović, R. Induction Motor Stator Fault Detection by a Condition Monitoring Scheme Based on Parameter Estimation Algorithms. Electr. Power Compon. Syst. 2016, 44, 1–11. [Google Scholar] [CrossRef][Green Version]
- Martinez-Roman, J.; Puche-Panadero, R.; Sapena-Bano, A.; Terron-Santiago, C.; Burriel-Valencia, J.; Pineda-Sanchez, M. Analytical Model of Induction Machines with Multiple Cage Faults Using the Winding Tensor Approach. Sensors 2021, 21, 5076. [Google Scholar] [CrossRef] [PubMed]
- Lu, S.; He, Q.; Yuan, T.; Kong, F. Online Fault Diagnosis of Motor Bearing via Stochastic-Resonance-Based Adaptive Filter in an Embedded System. IEEE Trans. Syst. Man Cybern. Syst. 2017, 47, 1111–1122. [Google Scholar] [CrossRef]
- Akhil Vinayak, B.; Varma, S.; Jagadanand, G. Precise Wavelet Selection for Condition Monitoring of Inverter-Fed Induction Machine. In Proceedings of the 2017 IEEE International Conference on Signal Processing, Informatics, Communication and Energy Systems, SPICES 2017, Kollam, India, 8–10 August 2017. [Google Scholar]
- Zhang, P.; Du, Y.; Habetler, T.G.; Lu, B. A Survey of Condition Monitoring and Protection Methods for Medium-Voltage Induction Motors. IEEE Trans. Ind. Appl. 2011, 47, 34–46. [Google Scholar] [CrossRef]
- Lu, S.; Chai, H.; Sahoo, A.; Phung, B.T. Condition Monitoring Based on Partial Discharge Diagnostics Using Machine Learning Methods: A Comprehensive State-of-the-Art Review. IEEE Trans. Dielectr. Electr. Insul. 2020, 27, 1861–1888. [Google Scholar] [CrossRef]
- Kumar, R.R.; Andriollo, M.; Cirrincione, G.; Cirrincione, M.; Tortella, A. A Comprehensive Review of Conventional and Intelligence-Based Approaches for the Fault Diagnosis and Condition Monitoring of Induction Motors. Energies 2022, 15, 8938. [Google Scholar] [CrossRef]
- Sarma, N.; Mohammed, A.; Melecio, J.I.; Tshiloz, K.; Djurovioć, S. An Experimental Study of Winding Fault Induced Slot Harmonic Effects in the Cage Rotor Induction Machine Stator Current. In Proceedings of the IET Conference Publications, Glasgow, UK, 19–21 April 2016; Volume 2016. [Google Scholar]
- Siddique, A.; Yadava, G.S.; Singh, B. A Review of Stator Fault Monitoring Techniques of Induction Motors. IEEE Trans. Energy Convers. 2005, 20, 106–114. [Google Scholar] [CrossRef]
- Bonnett, A.H. Analysis of Winding Failures in Three-Phase Squirrel Cage Induction Motors. IEEE Trans. Ind. Appl. 1978, IA-14, 223–226. [Google Scholar] [CrossRef]
- Bonnett, A.H.; Soukup, G.C. Cause and Analysis of Stator and Rotor Failures in Three-Phase Squirrel-Cage Induction Motors. IEEE Trans. Ind. Appl. 1992, 28, 921–937. [Google Scholar] [CrossRef]
- Sarma, N.; Tuohy, P.; Djurović, S. Condition Monitoring of Rotating Electrical Machines. In Encyclopedia of Electrical and Electronic Power Engineering; IET: Hongkong, China, 2023. [Google Scholar]
- Shukla, A.; Shukla, S.P.; Chacko, S.T.; Mohiddin, M.K.; Fante, K.A. Monitoring of Single-Phase Induction Motor through IoT Using ESP32 Module. J. Sens. 2022, 2022, 8933442. [Google Scholar] [CrossRef]
- Aydin, I.; Karaköse, M.; Akin, E. Artificial Immune Based Support Vector Machine Algorithm for Fault Diagnosis of Induction Motors. In Proceedings of the International Aegean Conference on Electrical Machines and Power Electronics and Electromotion ACEMP’07 and Electromotion’07 Joint Conference, Bodrum, Turkey, 10–12 September 2007. [Google Scholar]
- Senthil Kumar, R.; Gerald Christopher Raj, I.; Suresh, K.P.; Leninpugalhanthi, P.; Suresh, M.; Panchal, H.; Meenakumari, R.; Sadasivuni, K.K. A Method for Broken Bar Fault Diagnosis in Three Phase Induction Motor Drive System Using Artificial Neural Networks. Int. J. Ambient. Energy 2022, 43, 5138–5144. [Google Scholar] [CrossRef]
- Jigyasu, R.; Mathew, L.; Sharma, A. Multiple Faults Diagnosis of Induction Motor Using Artificial Neural Network. In Proceedings of the Communications in Computer and Information Science, Lima, Peru, 16–18 November 2019; Volume 955. [Google Scholar]
- Gupta, K.; Kaur, A. A Review on Fault Diagnosis of Induction Motor Using Artificial Neural Networks. Int. J. Sci. Res. 2012, 3, 680–684. [Google Scholar]
- Tang, J.; Chen, J.; Dong, K.; Yang, Y.; Lv, H.; Liu, Z. Modeling and Evaluation of Stator and Rotor Faults for Induction Motors. Energies 2019, 13, 133. [Google Scholar] [CrossRef]
- Loiselle, R.; Xu, Z.; Voloh, I. Essential Motor Health Monitoring: Making Informed Decisions about Motor Maintenance before a Failure Occurs. IEEE Ind. Appl. Mag. 2018, 24, 8–13. [Google Scholar] [CrossRef]
- Liang, H.; Chen, Y.; Liang, S.; Wang, C. Fault Detection of Stator Inter-Turn Short-Circuit in Pmsm on Stator Current and Vibration Signal. Appl. Sci. 2018, 8, 1677. [Google Scholar] [CrossRef]
- Jung, J.H.; Lee, J.J.; Kwon, B.H. Online Diagnosis of Induction Motors Using MCSA. IEEE Trans. Ind. Electron. 2006, 53, 1842–1852. [Google Scholar] [CrossRef]
- Prasob, K.; Kumar, N.P.; Isha, T.B. Inter-Turn Short Circuit Fault Analysis of PWM Inverter Fed Three-Phase Induction Motor Using Finite Element Method. In Proceedings of the IEEE International Conference on Circuit, Power and Computing Technologies, ICCPCT 2017, Kollam, India, 20–21 April 2017. [Google Scholar]
- Liang, W.; Fei, W.; Luk, P.C.K. Analytical Investigation of Sideband Torque Ripple in Induction Machine Drive with SPWM and SVPWM Techniques. In Proceedings of the 2014 17th International Conference on Electrical Machines and Systems, ICEMS 2014, Hangzhou, China, 22–25 October 2014. [Google Scholar]
- Surya, G.N.; Khan, Z.J.; Ballal, M.S.; Suryawanshi, H.M. A Simplified Frequency-Domain Detection of Stator Turn Fault in Squirrel-Cage Induction Motors Using an Observer Coil Technique. IEEE Trans. Ind. Electron. 2017, 64, 1495–1506. [Google Scholar] [CrossRef]
- Kudelina, K.; Raja, H.A.; Autsou, S.; Asad, B.; Vaimann, T.; Rassolkin, A.; Kallaste, A.; Shabbir, N. The Impact of Load on Global Parameters of Electrical Machines in Case of Healthy and Broken Rotor Bars. In Proceedings of the Biennial Baltic Electronics Conference, BEC, Tallinn, Estonia, 4–6 October 2022; Volume 2022. [Google Scholar]
- Asad, B.; Vaimann, T.; Belahcen, A.; Kallaste, A.; Rassõlkin, A.; Iqbal, M.N. Broken Rotor Bar Fault Detection of the Grid and Inverter-Fed Induction Motor by Effective Attenuation of the Fundamental Component. IET Electr. Power Appl. 2019, 13, 2005–2014. [Google Scholar] [CrossRef]
- Asad, B.; Vaimann, T.; Belahcen, A.; Kallaste, A.; Rassõlkin, A.; Naveed Iqbal, M. The Cluster Computation-Based Hybrid Fem– Analytical Model of Induction Motor for Fault Diagnostics. Appl. Sci. 2020, 10, 7572. [Google Scholar] [CrossRef]
- Asad, B.; Vaimann, T.; Rassõlkin, A.; Kallaste, A.; Belahcen, A. A Survey of Broken Rotor Bar Fault Diagnostic Methods of Induction Motor. Electr. Control Commun. Eng. 2018, 14, 117–124. [Google Scholar] [CrossRef]
- Naha, A.; Samanta, A.K.; Routray, A.; Deb, A.K. Low Complexity Motor Current Signature Analysis Using Sub-Nyquist Strategy with Reduced Data Length. IEEE Trans. Instrum. Meas. 2017, 66, 3249–3259. [Google Scholar] [CrossRef]
- Malekpour, M.; Phung, B.T.; Ambikairajah, E. Stator Current Envelope Extraction for Analysis of Broken Rotor Bar in Induction Motors. In Proceedings of the 2017 IEEE 11th International Symposium on Diagnostics for Electrical Machines, Power Electronics and Drives, SDEMPED 2017, Tinos, Greece, 29 August–1 September 2017; Volume 2017. [Google Scholar]
- Bossio, G.R.; De Angelo, C.H.; Bossio, J.M.; Pezzani, C.M.; García, G.O. Separating Broken Rotor Bars and Load Oscillations on IM Fault Diagnosis through the Instantaneous Active and Reactive Currents. IEEE Trans. Ind. Electron. 2009, 56, 4571–4580. [Google Scholar] [CrossRef]
- Ayhan, B.; Trussell, H.J.; Chow, M.Y.; Song, M.H. On the Use of a Lower Sampling Rate for Broken Rotor Bar Detection with DTFT and AR-Based Spectrum Methods. IEEE Trans. Ind. Electron. 2008, 55, 1421–1434. [Google Scholar] [CrossRef]
- Lizarraga-Morales, R.A.; Rodriguez-Donate, C.; Cabal-Yepez, E.; Lopez-Ramirez, M.; Ledesma-Carrillo, L.M.; Ferrucho-Alvarez, E.R. Novel FPGA-Based Methodology for Early Broken Rotor Bar Detection and Classification through Homogeneity Estimation. IEEE Trans. Instrum. Meas. 2017, 66, 1760–1769. [Google Scholar] [CrossRef]
- Khezzar, A.; Kaikaa, M.Y.; Oumaamar, M.E.K.; Boucherma, M.; Razik, H. On the Use of Slot Harmonics as a Potential Indicator of Rotor Bar Breakage in the Induction Machine. IEEE Trans. Ind. Electron. 2009, 56, 4592–4605. [Google Scholar] [CrossRef]
- Puche-Panadero, R.; Pineda-Sanchez, M.; Riera-Guasp, M.; Roger-Folch, J.; Hurtado-Perez, E.; Perez-Cruz, J. Improved Resolution of the MCSA Method via Hilbert Transform, Enabling the Diagnosis of Rotor Asymmetries at Very Low Slip. IEEE Trans. Energy Convers. 2009, 24, 52–59. [Google Scholar] [CrossRef]
- Sapena-Baño, A.; Pineda-Sanchez, M.; Puche-Panadero, R.; Martinez-Roman, J.; Kanović, Ž. Low-Cost Diagnosis of Rotor Asymmetries in Induction Machines Working at a Very Low Slip Using the Reduced Envelope of the Stator Current. IEEE Trans. Energy Convers. 2015, 30, 1409–1419. [Google Scholar] [CrossRef]
- Supangat, R.; Ertugrul, N.; Soong, W.L.; Gray, D.A.; Hansen, C.; Grieger, J. Detection of Broken Rotor Bars in Induction Motor Using Starting-Current Analysis and Effects of Loading. IEE Proc. Electr. Power Appl. 2006, 153, 848–855. [Google Scholar] [CrossRef]
- Braham, A.; Keskes, H.; Lachiri, Z. Multiclass Support Vector Machines for Diagnosis of Broken Rotor Bar Faults Using Advanced Spectral Descriptors. Int. Rev. Electr. Eng. 2010, 5, 2095–2105. [Google Scholar]
- Bachir, S.; Tnani, S.; Trigeassou, J.C.; Champenois, G. Diagnosis by Parameter Estimation of Stator and Rotor Faults Occurring in Induction Machines. IEEE Trans. Ind. Electron. 2006, 53, 963–973. [Google Scholar] [CrossRef]
- Mirafzal, B.; Demerdash, N.A.O. Effects of Load Magnitude on Diagnosing Broken Bar Faults in Induction Motors Using the Pendulous Oscillation of the Rotor Magnetic Field Orientation. IEEE Trans. Ind. Appl. 2005, 41, 771–783. [Google Scholar] [CrossRef]
- Mirafzal, B.; Demerdash, N.A.O. Induction Machine Broken-Bar Fault Diagnosis Using the Rotor Magnetic Field Space-Vector Orientation. IEEE Trans. Ind. Appl. 2004, 40, 534–542. [Google Scholar] [CrossRef]
- Cusidó, J.; Romeral, L.; Ortega, J.A.; Rosero, J.A.; Espinosa, A.G. Fault Detection in Induction Machines Using Power Spectral Density in Wavelet Decomposition. IEEE Trans. Ind. Electron. 2008, 55, 633–643. [Google Scholar] [CrossRef]
- Hou, Z.; Huang, J.; Liu, H.; Ye, M.; Liu, Z.; Yang, J. Diagnosis of Broken Rotor Bar Fault in Open- and Closed-Loop Controlled Wye-Connected Induction Motors Using Zero-Sequence Voltage. IET Electr. Power Appl. 2017, 11, 1214–1223. [Google Scholar] [CrossRef]
- Sapena-Bañó, A.; Pineda-Sanchez, M.; Puche-Panadero, R.; Martinez-Roman, J.; Matić, D. Fault Diagnosis of Rotating Electrical Machines in Transient Regime Using a Single Stator Current’s FFT. IEEE Trans. Instrum. Meas. 2015, 64, 3137–3146. [Google Scholar] [CrossRef]
- Nguyen, N.T.; Lee, H.H. An Application of Support Vector Machines for Induction Motor Fault Diagnosis with Using Genetic Algorithm. In Proceedings of the Lecture Notes in Computer Science (Including Subseries Lecture Notes in Artificial Intelligence and Lecture Notes in Bioinformatics), Rhodes, Greece, 4–7 October 2018; Volume 5227. LNAI. [Google Scholar]
- Ghate, V.N.; Dudul, S.V. Cascade Neural-Network-Based Fault Classifier for Three-Phase Induction Motor. IEEE Trans. Ind. Electron. 2011, 58, 1555–1563. [Google Scholar] [CrossRef]
- Gundewar, S.K.; Kane, P.V. Condition Monitoring and Fault Diagnosis of Induction Motor. J. Vib. Eng. Technol. 2021, 9, 643–674. [Google Scholar] [CrossRef]
- Gritli, Y.; Bellini, A.; Rossi, C.; Casadei, D.; Filippetti, F.; Capolino, G.A. Condition Monitoring of Mechanical Faults in Induction Machines from Electrical Signatures: Review of Different Techniques. In Proceedings of the 2017 IEEE 11th International Symposium on Diagnostics for Electrical Machines, Power Electronics and Drives, SDEMPED 2017, Tinos, Greece, 29 August–1 September 2017; Volume 2017. [Google Scholar]
- Tiboni, M.; Remino, C.; Bussola, R.; Amici, C. A Review on Vibration-Based Condition Monitoring of Rotating Machinery. Appl. Sci. 2022, 12, 972. [Google Scholar] [CrossRef]
- Khan, M.A.; Asad, B.; Kudelina, K.; Vaimann, T.; Kallaste, A. The Bearing Faults Detection Methods for Electrical Machines—The State of the Art. Energies 2023, 16, 296. [Google Scholar] [CrossRef]
- Kudelina, K.; Asad, B.; Vaimann, T.; Rassõlkin, A.; Kallaste, A.; Van Khang, H. Methods of Condition Monitoring and Fault Detection for Electrical Machines. Energies 2021, 14, 7459. [Google Scholar] [CrossRef]
- Perez-Ramirez, C.A.; Rodriguez, M.V.; Dominguez-Gonzalez, A.; Amezquita-Sanchez, J.P.; Camarena-Martinez, D.; Troncoso, R.J.R. Homogeneity-Based Approach for Bearing Fault Detection in Induction Motors by Means of Vibrations. In Proceedings of the 2017 IEEE International Autumn Meeting on Power, Electronics and Computing, ROPEC 2017, Ixtapa, Mexico, 8–10 November 2017; Volume 2018. [Google Scholar]
- Ciszewski, T. Induction Motor Bearings Diagnostic Indicators Based on MCSA and Normalized Triple Covariance. In Proceedings of the 2017 IEEE 11th International Symposium on Diagnostics for Electrical Machines, Power Electronics and Drives, SDEMPED 2017, Tinos, Greece, 29 August–1 September 2017; Volume 2017. [Google Scholar]
- Zhang, B.; Miao, Y.; Lin, J.; Yi, Y. Adaptive Maximum Second-Order Cyclostationarity Blind Deconvolution and Its Application for Locomotive Bearing Fault Diagnosis. Mech. Syst. Signal Process. 2021, 158, 107736. [Google Scholar] [CrossRef]
- Gong, X.; Qiao, W. Current-Based Online Bearing Fault Diagnosis for Direct-Drive Wind Turbines via Spectrum Analysis and Impulse Detection. In Proceedings of the PEMWA 2012—2012 IEEE Power Electronics and Machines in Wind Applications, Denver, CO, USA, 16–18 July 2012. [Google Scholar]
- Zanini, R.A.A.; Freitas, T.; Silva, L.N.; Gutierres, A.; Santos, G. Evaluation of the Method of Failure Analysis in Angular Contact Bearings through the Envelope Technique; SAE Technical Papers; SAE: London, UK, 2012. [Google Scholar]
- Dalvand, F.; Kalantar, A.; Safizadeh, M.S. A Novel Bearing Condition Monitoring Method in Induction Motors Based on Instantaneous Frequency of Motor Voltage. IEEE Trans. Ind. Electron. 2016, 63, 364–376. [Google Scholar] [CrossRef]
- Kudelina, K.; Baraškova, T.; Shirokova, V.; Vaimann, T.; Rassõlkin, A. Fault Detecting Accuracy of Mechanical Damages in Rolling Bearings. Machines 2022, 10, 86. [Google Scholar] [CrossRef]
- Tischmacher, H. Bearing Wear Condition Identification on Converter-Fed Motors. In Proceedings of the SPEEDAM 2018—Proceedings: International Symposium on Power Electronics, Electrical Drives, Automation and Motion, Amalfi, Italy, 20–22 June 2018. [Google Scholar]
- Xie, S.; Wang, X.; Qu, C.; Wang, X.; Guo, J. Impacts of Different Wind Speed Simulation Methods on Conditional Reliability Indices. Int. Trans. Electr. Energy Syst. 2013, 20, 1–6. [Google Scholar] [CrossRef]
- Polat, A.; Ertuğrul, Y.D.; Ergene, L.T. Static, Dynamic and Mixed Eccentricity of Induction Motor. In Proceedings of the SDEMPED 2015: IEEE 10th International Symposium on Diagnostics for Electrical Machines, Power Electronics and Drives, Guarda, Portugal, 1–4 September 2015. [Google Scholar]
- Sheikh, M.A.; Bakhsh, S.T.; Irfan, M.; Nor, N.B.M.; Nowakowski, G. A Review to Diagnose Faults Related to Three-Phase Industrial Induction Motors. J. Fail. Anal. Prev. 2022, 22, 1546–1557. [Google Scholar] [CrossRef]
- Milkovic, D. Brief Review of Motor Current Signature Analysis. HDKBR INFO Mag. 2015, 5, 14–26. [Google Scholar]
- Liu, Z.; Zhang, P.; He, S.; Huang, J. A Review of Modeling and Diagnostic Techniques for Eccentricity Fault in Electric Machines. Energies 2021, 14, 4296. [Google Scholar] [CrossRef]
- Li, H.; Zou, Z.; Sun, X.; Gu, F.; Ball, A.D. A Numerical Study of Rotor Eccentricity and Dynamic Load in Induction Machines for Motor Current Analysis Based Diagnostics. Maint. Reliab. Cond. Monit. 2021, 1, 71–86. [Google Scholar] [CrossRef]
- Dorrell, D.G.; Thomson, W.T.; Roach, S. Analysis of Airgap Flux, Current and Vibration Signals as a Function of the Combination of Static and Dynamic Airgap Eccentricity in 3-Phase Induction Motors. IEEE Trans. Ind. Appl. 1995, 33, 24–34. [Google Scholar] [CrossRef]
- Jover Rodríguez, P.V.; Belahcen, A.; Arkkio, A.; Laiho, A.; Antonino-Daviu, J.A. Air-Gap Force Distribution and Vibration Pattern of Induction Motors under Dynamic Eccentricity. Electr. Eng. 2008, 90, 209–218. [Google Scholar] [CrossRef]
- Metatla, A.; Benzahioul, S.; Bahi, T.; Lefebvre, D. Eccentricity Fault Monitoring by Analysis Stator Phase Currents. Int. Rev. Model. Simul. 2010, 3, 533–537. [Google Scholar]
- Zhou, Y.; Bao, X.; Di, C.; Wang, L. Analysis of Dynamic Unbalanced Magnetic Pull in Induction Motor with Dynamic Eccentricity during Starting Period. IEEE Trans. Magn. 2016, 52, 1–4. [Google Scholar] [CrossRef]
- Toliyat, H.A.; Levi, E.; Raina, M. A Review of RFO Induction Motor Parameter Estimation Techniques. IEEE Power Eng. Rev. 2002, 22, 52. [Google Scholar] [CrossRef]
- Georgoulas, G.; Climente-Alarcon, V.; Antonino-Daviu, J.A.; Stylios, C.D.; Arkkio, A.; Nikolakopoulos, G. A Multi-Label Classification Approach for the Detection of Broken Bars and Mixed Eccentricity Faults Using the Start-up Transient. In Proceedings of the IEEE International Conference on Industrial Informatics (INDIN), Poitiers, France, 19–21 July 2016. [Google Scholar]
- Lv, Q.; Bao, X.; He, Y.; Fang, Y.; Cheng, X. Inductances Evaluation of a Squirrel-Cage Induction Motor with Curved Dynamic Eccentricity. J. Electr. Eng. Technol. 2014, 9, 1623–1631. [Google Scholar] [CrossRef]
- Yang, Z.; Sun, C.; Sun, X.; Sun, Y. An Improved Dynamic Model for Bearingless Induction Motor Considering Rotor Eccentricity and Load Change. IEEE Trans. Ind. Electron. 2022, 69, 3439–3448. [Google Scholar] [CrossRef]
- Chen, S.; Lipo, T.A. Circulating Type Motor Bearing Current in Inverter Drives. IEEE Ind. Appl. Mag. 1998, 4, 32–38. [Google Scholar] [CrossRef]
- Cheng, Y.; Sun, Y.; Li, X.; Dan, H.; Lin, J.; Su, M. Active Common-Mode Voltage-Based Open-Switch Fault Diagnosis of Inverters in IM-Drive Systems. IEEE Trans. Ind. Electron. 2021, 68, 103–115. [Google Scholar] [CrossRef]
- Naik, R.; Nondahl, T.A.; Melfi, M.J.; Schiferl, R.; Wang, J.S. Distributed Parameter Circuit Model for Shaft Voltage Prediction in Induction Motors Fed by PWM Based Ac Drives. IEEE Ind. Appl. Soc. 2001, 2, 1118–1122. [Google Scholar] [CrossRef]
- Muetze, A.; Binder, A. Calculation of Circulating Bearing Currents in Machines of Inverter-Based Drive Systems. IEEE Trans. Ind. Electron. 2007, 54, 932–938. [Google Scholar] [CrossRef]
- Kindl, V.; Skala, B.; Pechanek, R.; Byrtus, M.; Hruska, K. Calculation of Induction Machine Parasitic Capacitances Using Finite Element Method. In Proceedings of the ELEKTRO 2016—11th International Conference, Kuala Lumpur, Malaysia, 2–3 June 2016. [Google Scholar]
- Liu, Y.; Cao, J.; Song, Y.; Xu, G.; Li, L. Research on Bearing Current Detection Method of High-Speed Motor Driven by PWM Inverter. In Proceedings of the 2019 22nd International Conference on Electrical Machines and Systems, ICEMS 2019, Harbin, China, 11–14 August 2019. [Google Scholar]
- Bubert, A.; Zhang, J.; De Doncker, R.W. Modeling and Measurement of Capacitive and Inductive Bearing Current in Electrical Machines. In Proceedings of the 14th Brazilian Power Electronics Conference, COBEP 2017, Juiz de Fora, Brazil, 19–22 November 2017; Volume 2018. [Google Scholar]
- Jaeger, C.; Grinbaum, I.; Smajic, J. Numerical Simulation and Measurement of Common-Mode and Circulating Bearing Currents. In Proceedings of the 2016 22nd International Conference on Electrical Machines, ICEM 2016, Lausanne, Switzerland, 4–7 September 2016. [Google Scholar]
- Êvo, M.T.A.; De Paula, H. Electrostatic Shielding for Bearings Discharge Currents Attenuation: Analysis of Its Effectiveness, Losses and Impact on the Motor Performance—A Study for Design Guidelines. IET Electr. Power Appl. 2020, 14, 1050–1059. [Google Scholar] [CrossRef]
- Arora, T.G.; Renge, M.M.; Aware, M.V. Effects of Switching Frequency and Motor Speed on Common Mode Voltage, Common Mode Current and Shaft Voltage in PWM Inverter-Fed Induction Motors. In Proceedings of the 2017 12th IEEE Conference on Industrial Electronics and Applications, ICIEA 2017, Siem Reap, Cambodia, 18–20 June 2017; Volume 2018. [Google Scholar]
- Schiferl, R.F.; Melfi, M.J. Bearing Current Remediation Options: Sources, Investigative Measurements, and Installation Modifications to Reduce Damage as a Result of Bearing Currents. IEEE Ind. Appl. Mag. 2004, 10, 40–50. [Google Scholar] [CrossRef]
- Elsayed, N.B.; Ibrahim, M.E.; Izzularab, M.A. Mitigation of Overvoltages at Induction Motor Terminals Fed from an Inverter through Long Cable. In Proceedings of the 2018 20th International Middle East Power Systems Conference, MEPCON 2018, Cairo, Egypt, 18–20 December 2018. [Google Scholar]
- Plazenet, T.; Boileau, T.; Caironi, C.; Nahid-Mobarakeh, B. An Overview of Shaft Voltages and Bearing Currents in Rotating Machines. In Proceedings of the IEEE Industry Application Society, 52nd Annual Meeting: IAS 2016, Portland, OR, USA, 2–6 October 2016. [Google Scholar]
- Ferreira, F.J.T.E.; Cistelecan, M.V.; De Almeida, A.T. Evaluation of Slot-Embedded Partial Electrostatic Shield for High-Frequency Bearing Current Mitigation in Inverter-Fed Induction Motors. IEEE Trans. Energy Convers. 2012, 27, 382–390. [Google Scholar] [CrossRef]
- Zhao, Z.; Zhong, Y.; Gao, H.; Yuan, L.; Lu, T. Hybrid Selective Harmonic Elimination PWM for Common-Mode Voltage Reduction in Three-Level Neutral-Point-Clamped Inverters for Variable Speed Induction Drives. IEEE Trans. Power Electron. 2011, 27, 1152–1158. [Google Scholar] [CrossRef]
- De Broe, A.M.; Julian, A.L.; Lipo, T.A. Neutral-to-Ground Voltage Minimization in a Pwm-Rectifier/Inverter Configuration. Electr. Mach. Power Syst. 1998, 26, 741–748. [Google Scholar] [CrossRef]
- Xiang, Y.Q. Novel Active Common-Mode-Voltage Compensator (ACCom) for Bearing Current Reduction of PWM VSI-Fed Induction Motors. In Proceedings of the IEEE Applied Power Electronics Conference and Exposition—APEC, Anaheim, CA, USA, 15–19 February 1998; Volume 2. [Google Scholar]
- Robles, E.; Fernandez, M.; Andreu, J.; Ibarra, E.; Zaragoza, J.; Ugalde, U. Common-Mode Voltage Mitigation in Multiphase Electric Motor Drive Systems. Renew. Sustain. Energy Rev. 2022, 157, 111971. [Google Scholar] [CrossRef]
- Von Jouanne, A.; Zhang, H. A Dual-Bridge Inverter Approach to Eliminating Common-Mode Voltages and Bearing and Leakage Currents. IEEE Trans. Power Electron. 1999, 14, 43–48. [Google Scholar] [CrossRef]
- Rajeevan, P.P.; Gopakumar, K. A Hybrid Five-Level Inverter with Common-Mode Voltage Elimination Having Single Voltage Source for Im Drive Applications. IEEE Trans. Ind. Appl. 2012, 48, 2037–2047. [Google Scholar] [CrossRef]
- Ogasawara, S.; Zhang, S.; Akagi, H. Configurations and Characteristics of Active Canceling and Compensating Circuits for Reducing Common-Mode Voltage Generated by Voltage-Source Pwm Inverters. Electr. Eng. Jpn. 2001, 137, 57–65. [Google Scholar] [CrossRef]
- Ogasawara, S.; Ayano, H.; Akagi, H. An Active Circuit for Cancellation of Common-Mode Voltage Generated by a PWM Inverter. IEEE Trans. Power Electron. 1998, 13, 835–841. [Google Scholar] [CrossRef]
- Bartolucci, E.J.; Finke, B.H. Cable Design for PWM Variable-Speed AC Drives. IEEE Trans. Ind. Appl. 2001, 37, 415–422. [Google Scholar] [CrossRef]
- Muetze, A.; Binder, A. Experimental Evaluation of Mitigation Techniques for Bearing Currents in Inverter-Supplied Drive-Systems—Investigations on Induction Motors up to 500 KW. In Proceedings of the IEMDC 2003—IEEE International Electric Machines and Drives Conference, Madison, WI, USA, 1–4 June 2003; Volume 3. [Google Scholar]
- Muetze, A.; Oh, H.W. Current-Carrying Characteristics of Conductive Microfiber Electrical Contact for High Frequencies and Current Amplitudes: Theory and Applications. IEEE Trans. Power Electron. 2010, 25, 2082–2092. [Google Scholar] [CrossRef]
- Yea, M.; Han, K.J. Modified Slot Opening for Reducing Shaft-to-Frame Voltage of AC Motors. Energies 2020, 13, 760. [Google Scholar] [CrossRef]
- Gerada, D.; Mebarki, A.; Brown, N.L.; Gerada, C.; Cavagnino, A.; Boglietti, A. High-Speed Electrical Machines: Technologies, Trends, and Developments. IEEE Trans. Ind. Electron. 2013, 61, 2946–2959. [Google Scholar] [CrossRef]
- Liu, X.; Wu, G.; Tong, L.; Lin, T.; Zhang, G. Influence of Impulse Frequency on Partial Discharge under PWM. In Proceedings of the IEEE International Symposium on Electrical Insulation, Toronto, ON, Canada, 11–14 June 2007; Volume 2007. [Google Scholar]
- Cui, Q.; Weng, Y. Mining Partially Labeled Data from Edge Devices to Detect and Locate High Impedance Faults. In Proceedings of the iSPEC 2019—2019 IEEE Sustainable Power and Energy Conference: Grid Modernization for Energy Revolution, Beijing, China, 21–23 November 2019. [Google Scholar]
- Cavallini, A.; Montanari, G.C.; Fabiani, D.; Tozzi, M. The Influence of PWM Voltage Waveforms on Induction Motor Insulation Systems: Perspectives for the End User. In Proceedings of the SDEMPED 2011—8th IEEE Symposium on Diagnostics for Electrical Machines, Power Electronics and Drives, Bologna, Italy, 5–8 September 2011. [Google Scholar]
- Haq, S.U.; Jayaram, S.H.; Cherney, E.A. Insulation Problems in Medium-Voltage Stator Coils under Fast Repetitive Voltage Pulses. IEEE Trans. Ind. Appl. 2008, 44, 1004–1012. [Google Scholar] [CrossRef]
- Kang, T.J.; Hong, J.; Lee, S.B.; Yoon, Y.W.; Hwang, D.H.; Kang, D. The Influence of the Rotor on Surge Pd Testing of Low Voltage AC Motor Stator Windings. IEEE Trans. Dielectr. Electr. Insul. 2013, 20, 762–769. [Google Scholar] [CrossRef]
- Tanaka, T. Internal Partial Discharge and Material Degradation. IEEE Trans. Electr. Insul. 1986, EI-21, 899–905. [Google Scholar] [CrossRef]
- Montanari, G.C. Bringing an Insulation to Failure: The Role of Space Charge. IEEE Trans. Dielectr. Electr. Insul. 2011, 18, 339–364. [Google Scholar] [CrossRef]
- D’Amato, D.; Loncarski, J.; Monopoli, V.G.; Cupertino, F.; Di Noia, L.P.; Del Pizzo, A. Impact of PWM Voltage Waveforms in High-Speed Drives: A Survey on High-Frequency Motor Models and Partial Discharge Phenomenon. Energies 2022, 15, 1406. [Google Scholar] [CrossRef]
- Wang, W. An Intelligent System for Machinery Condition Monitoring. IEEE Trans. Fuzzy Syst. 2008, 16, 110–122. [Google Scholar] [CrossRef]
- Russell, B.D.; Benner, C.L. Intelligent Systems for Improved Reliability and Failure Diagnosis in Distribution Systems. IEEE Trans. Smart Grid 2010, 1, 48–56. [Google Scholar] [CrossRef]
- Garcia-Bracamonte, J.E.; Ramirez-Cortes, J.M.; De Jesus Rangel-Magdaleno, J.; Gomez-Gil, P.; Peregrina-Barreto, H.; Alarcon-Aquino, V. An Approach on MCSA-Based Fault Detection Using Independent Component Analysis and Neural Networks. IEEE Trans. Instrum. Meas. 2019, 68, 1353–1361. [Google Scholar] [CrossRef]
- Widodo, A.; Yang, B.S. Wavelet Support Vector Machine for Induction Machine Fault Diagnosis Based on Transient Current Signal. Expert Syst. Appl. 2008, 35, 307–316. [Google Scholar] [CrossRef]
- Niu, G.; Widodo, A.; Son, J.D.; Yang, B.S.; Hwang, D.H.; Kang, D.S. Decision-Level Fusion Based on Wavelet Decomposition for Induction Motor Fault Diagnosis Using Transient Current Signal. Expert Syst. Appl. 2008, 35, 918–928. [Google Scholar] [CrossRef]
Disclaimer/Publisher’s Note: The statements, opinions and data contained in all publications are solely those of the individual author(s) and contributor(s) and not of MDPI and/or the editor(s). MDPI and/or the editor(s) disclaim responsibility for any injury to people or property resulting from any ideas, methods, instructions or products referred to in the content. |
© 2023 by the authors. Licensee MDPI, Basel, Switzerland. This article is an open access article distributed under the terms and conditions of the Creative Commons Attribution (CC BY) license (https://creativecommons.org/licenses/by/4.0/).



















