Electromobility with Photovoltaic Generation in an Andean City
Abstract
1. Introduction
2. Materials and Methods
2.1. Operating Principle
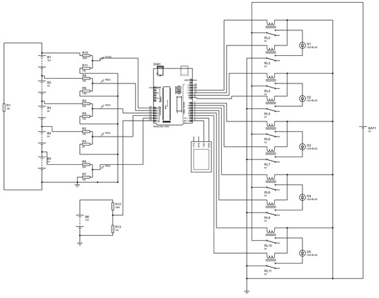
2.2. System Composition
2.2.1. Load Optimizing Module
2.2.2. Measurement and Control Center
2.3. Electrical Measurement Unit
2.4. Data Collection
3. Results
3.1. Favorable Day
- The general average irradiation presented is 353.73 with a current of 3.78 A.
- The peak irradiance is 1088.68 taken at 11:34:01 to 11:34:04, while the peak current is 12.66 A given at 11:33:59 to 11:34:01.
3.2. Standard Conditions
- The general average irradiation presented is 348.73 with a current of 3.49 A.
- The peak irradiance is 1261 taken at 11:23:14 to 11:23:16, while the peak current is 9.07 A given at 14:58:37 to 14:58:44.
3.3. Adverse Conditions
- The general average irradiation presented is 166.21 with a current of 0.69 A.
- The peak irradiance is 897.7 taken at 14:41:04 to 14:41:06, while the peak current is 5.69 A given at 14:55:31 to 14:55:32.
4. Discussion
5. Conclusions
Author Contributions
Funding
Acknowledgments
Conflicts of Interest
References
- Beggs, S.; Cardell, S.; Hausman, J. Assessing the potential demand for electric cars. J. Econom. 1981, 17, 1–19. [Google Scholar] [CrossRef]
- Becker, L.J.; Seligman, C. Welcome to the energy crisis. J. Soc. Issues 1981, 37, 1–7. [Google Scholar] [CrossRef]
- Icaza, D.; Borge-Diez, D.; Galindo, S.P. Analysis and proposal of energy planning and renewable energy plans in South America: Case study of Ecuador. Renew. Energy 2022, 182, 314–342. [Google Scholar] [CrossRef]
- Icaza, D.; Pulla Galindo, S.; Flores-Vázquez, C.; Sangurima Paute, F. Artistic Creations Supplied by Renewable Energy Located in the Most Attractive Mountains of Azuay. Case Study: Cultural Heritage of Quingeo. In Recent Advances in Electrical Engineering, Electronics and Energy: Proceedings of the CIT 2020 Volume 2; Springer: Berlin/Heidelberg, Germany, 2021; pp. 273–287. [Google Scholar]
- Kannan, N.; Vakeesan, D. Solar energy for future world:-A review. Renew. Sustain. Energy Rev. 2016, 62, 1092–1105. [Google Scholar] [CrossRef]
- Alberola, J.; Pelegrí, J.; Lajara, R.; Perez, J.J. Solar inexhaustible power source for wireless sensor node. In Proceedings of the 2008 IEEE Instrumentation and Measurement Technology Conference, Victoria, BC, Canada, 12–15 May 2008; pp. 657–662. [Google Scholar]
- Kabir, E.; Kumar, P.; Kumar, S.; Adelodun, A.A.; Kim, K.H. Solar energy: Potential and future prospects. Renew. Sustain. Energy Rev. 2018, 82, 894–900. [Google Scholar] [CrossRef]
- Blaschke, T.; Biberacher, M.; Gadocha, S.; Schardinger, I. ‘Energy landscapes’: Meeting energy demands and human aspirations. Biomass Bioenergy 2013, 55, 3–16. [Google Scholar] [CrossRef]
- International Energy Agency. World Energy Outlook. 2012. Available online: http://www.worldenergyoutlook.org/weo2012/ (accessed on 17 March 2016).
- International Energy Agency. 2DS-hiRen Scenario, Energy Technology Perspective. International Energy Agency. 2012. Available online: http://https://www.iea.org/reports/energy-technology-perspectives-2012 (accessed on 20 November 2022).
- Shahsavari, A.; Akbari, M. Potential of solar energy in developing countries for reducing energy-related emissions. Renew. Sustain. Energy Rev. 2018, 90, 275–291. [Google Scholar] [CrossRef]
- Chiou, F. Solar energy for electric vehicles. In Proceedings of the 2015 IEEE Conference on Technologies for Sustainability (SusTech), Ogden, UT, USA, 30 July–1 August 2015; pp. 234–238. [Google Scholar]
- Helmers, E.; Marx, P. Electric cars: Technical characteristics and environmental impacts. Environ. Sci. Eur. 2012, 24, 1–15. [Google Scholar] [CrossRef]
- Helmers, E. Bewertung der Umwelteffizienz moderner Autoantriebe–auf dem Weg vom Diesel-Pkw-Boom zu Elektroautos. Umweltwissenschaften Schadst.-Forsch. 2010, 22, 564–578. [Google Scholar] [CrossRef]
- Huang, X.; Zhao, J.; Zhou, X.; Han, Y.; Zhang, J.; Cai, Z. How green alternatives to chemical pesticides are environmentally friendly and more efficient. Eur. J. Soil Sci. 2019, 70, 518–529. [Google Scholar] [CrossRef]
- Dong, X.; Wang, B.; Yip, H.L.; Chan, Q.N. CO2 emission of electric and gasoline vehicles under various road conditions for China, Japan, Europe and world average—Prediction through year 2040. Appl. Sci. 2019, 9, 2295. [Google Scholar] [CrossRef]
- WBGU. World in Transition: A Social Contract for Sustainability; Flagship Report; WBGU: Berlin, Germany, 2011; Available online: https://www.wbgu.de/fileadmin/user_upload/wbgu/publikationen/hauptgutachten/hg2011/pdf/wbgu_jg2011_kurz_en.pdf (accessed on 10 January 2023).
- Verheijen, E.; Jabben, J. Effect of Electric Cars on Traffic Noise and Safety. Available online: https://www.semanticscholar.org/paper/Effect-of-electric-cars-on-traffic-noise-and-safety-Verheijen-Jabben/1b852b3696a06f84e93312c79fc6f1b4804a6e1b (accessed on 20 November 2022).
- Icaza, D.; Borge-Diez, D.; Galindo, S.P. Proposal of 100% renewable energy production for the City of Cuenca-Ecuador by 2050. Renew. Energy 2021, 170, 1324–1341. [Google Scholar] [CrossRef]
- Reddy, N.N.; Sarma, D.P. Solar powered vehicle. Int. J. Adv. Res. Comput. Sci. Electron. Eng. (IJARCSEE) 2012, 1, 36–39. [Google Scholar]
- ur Rehman, N.; Hijazi, M.; Uzair, M. Solar potential assessment of public bus routes for solar buses. Renew. Energy 2020, 156, 193–200. [Google Scholar] [CrossRef]
- Hofierka, J.; Kaňuk, J. Assessment of photovoltaic potential in urban areas using open-source solar radiation tools. Renew. Energy 2009, 34, 2206–2214. [Google Scholar] [CrossRef]
- Singh, A.; Shaha, S.S.; G, N.P.; Sekhar, Y.R.; Saboor, S.; Ghosh, A. Design and Analysis of a Solar-Powered Electric Vehicle Charging Station for Indian Cities. World Electr. Veh. J. 2021, 12, 132. [Google Scholar] [CrossRef]
- Taghizad-Tavana, K.; Alizadeh, A.; Ghanbari-Ghalehjoughi, M.; Nojavan, S. A Comprehensive Review of Electric Vehicles in Energy Systems: Integration with Renewable Energy Sources, Charging Levels, Different Types, and Standards. Energies 2023, 16, 630. [Google Scholar] [CrossRef]
- Kene, R.O.; Olwal, T.O. Energy Management and Optimization of Large-Scale Electric Vehicle Charging on the Grid. World Electr. Veh. J. 2023, 14, 95. [Google Scholar] [CrossRef]
- Cieslik, W.; Szwajca, F.; Golimowski, W.; Berger, A. Experimental analysis of residential photovoltaic (PV) and electric vehicle (EV) systems in terms of annual energy utilization. Energies 2021, 14, 1085. [Google Scholar] [CrossRef]
- Serrano-Guerrero, X.; Alvarez-Lozano, D.; Romero, S.F.L. Influence of local climate on the tilt and orientation angles in fixed flat surfaces to maximize the capture of solar irradiation: A case study in Cuenca-Ecuador. In Proceedings of the 2019 IEEE International Autumn Meeting on Power, Electronics and Computing (ROPEC), Ixtapa, Mexico, 13–15 November 2019; pp. 1–6. [Google Scholar]
- Machuca-Ordoñez, R.J.; Flores-Vázquez, C.; Cobos-Torres, J.C.; Icaza Álvarez, D. Photovoltaic Generation Potential for Vehicles with Solar Panels. In I+ D for Smart Cities and Industry: Proceedings of RITAM 2021; Springer: Berlin/Heidelberg, Germany, 2022; pp. 180–194. [Google Scholar]
- Jathar, L.D.; Ganesan, S.; Awasarmol, U.; Nikam, K.; Shahapurkar, K.; Soudagar, M.E.M.; Fayaz, H.; El-Shafay, A.; Kalam, M.; Bouadila, S.; et al. Comprehensive review of environmental factors influencing the performance of photovoltaic panels: Concern over emissions at various phases throughout the lifecycle. Environ. Pollut. 2023, 326, 121474. [Google Scholar] [CrossRef] [PubMed]
- Li, X.; Song, W.; Wang, Q.; Li, H.; Ding, X.; Liu, S. Optimizing cooling electronic chips at high altitude with consideration of solar radiation. Int. J. Therm. Sci. 2023, 183, 107879. [Google Scholar] [CrossRef]
- Icaza, D.; Borge-Diez, D.; Pulla Galindo, S.; Flores-Vázquez, C. Modeling and simulation of a hybrid system of solar panels and wind turbines for the supply of autonomous electrical energy to organic architectures. Energies 2020, 13, 4649. [Google Scholar] [CrossRef]
- Silva, J.E.d.; Santos, F.R.; Kaltmaier, G.; Urbanetz, J. Implementation of a photovoltaic panel to supply electric cars energy demands. Braz. Arch. Biol. Technol. 2018, 61, e18000530. [Google Scholar] [CrossRef]
- Khalaf, Y.; Ibraheem, O.; Adil, M.; Salih, M.; Qasim, M.; Waleed, K. Maximum power point evaluation of photovoltaic modules under shading effect. Eur. Sci. J. 2014, 10. Available online: https://www.researchgate.net/profile/Salih-Salih-4/publication/260532408_Maximum_Power_Point_Evaluation_Of_Photovoltaic_Modules_Under_Shading_Effect/links/543e62490cf2e76f02226fbf/Maximum-Power-Point-Evaluation-Of-Photovoltaic-Modules-Under-Shading-Effect.pdf (accessed on 20 November 2022).
- Lolli, S. Is the Air Too Polluted for Outdoor Activities? Check by Using Your Photovoltaic System as an Air-Quality Monitoring Device. Sensors 2021, 21, 6342. [Google Scholar] [CrossRef]
- Broadfoot, A.L. The solar spectrum 2100–3200 Å. Astrophys. J. 1972, 173, 681. [Google Scholar] [CrossRef]
- Patel, M.R.; Beik, O. Wind and Solar Power Systems: Design, Analysis, and Operation; CRC Press: Boca Raton, FL, USA, 2021. [Google Scholar]
- Tostado-Véliz, M.; Icaza-Alvarez, D.; Jurado, F. A novel methodology for optimal sizing photovoltaic-battery systems in smart homes considering grid outages and demand response. Renew. Energy 2021, 170, 884–896. [Google Scholar] [CrossRef]
- Araki, K.; Ota, Y.; Yamaguchi, M. Measurement and modeling of 3D solar irradiance for vehicle-integrated photovoltaic. Appl. Sci. 2020, 10, 872. [Google Scholar] [CrossRef]
- Allahabadi, S.; Iman-Eini, H.; Farhangi, S. Neural network based maximum power point tracking technique for PV arrays in mobile applications. In Proceedings of the 2019 10th International Power Electronics, Drive Systems and Technologies Conference (PEDSTC), Shiraz, Iran, 12–14 February 2019; pp. 701–706. [Google Scholar]
- Heinrich, M.; Kutter, C.; Basler, F.; Mittag, M.; Alanis, L.E.; Eberlein, D.; Schmid, A.; Reise, C.; Kroyer, T.; Neuhaus, D.H.; et al. Potential and challenges of vehicle integrated photovoltaics for passenger cars. In Proceedings of the 37th European PV Solar Energy Conference and Exhibition, Online, 7–11 September 2020; Volume 7, p. 4229. [Google Scholar]
- Cortés, B.; Tapia, R.; Flores, J.J. System-Independent Irradiance Sensorless ANN-Based MPPT for Photovoltaic Systems in Electric Vehicles. Energies 2021, 14, 4820. [Google Scholar] [CrossRef]
- Reinoso, L.; Ortega, J. Incremento de la autonomía de un vehículo eléctrico Dayang CHOK-S mediante paneles solares. Rev. Digit. Novasinergia 2020, 3, 40–46. [Google Scholar]
- Parapi Plaza, J.F.; Pesantez Oleas, G.I. Implementación de un Sistema Generador de Carga Eléctrica, Utilizando Paneles Solares, Para el Incremento de la Autonomía de Un vehículo Eléctrico Kia Soul. Bachelor’s Thesis, Universidad Politécnica Salesiana, Quito, Ecuador, 2020. [Google Scholar]
- De Pinto, S.; Lu, Q.; Camocardi, P.; Chatzikomis, C.; Sorniotti, A.; Ragonese, D.; Iuzzolino, G.; Perlo, P.; Lekakou, C. Electric Vehicle Driving Range Extension Using Photovoltaic Panels. In Proceedings of the 2016 IEEE Vehicle Power and Propulsion Conference (VPPC), Hangzhou, China, 17–20 October 2016; pp. 1–6. [Google Scholar] [CrossRef]
- Starke, A.R.; Lemos, L.F.; Boland, J.; Cardemil, J.M.; Colle, S. Resolution of the cloud enhancement problem for one-minute diffuse radiation prediction. Renew. Energy 2018, 125, 472–484. [Google Scholar] [CrossRef]
- Khare, V.; Bunglowala, A. Design and assessment of solar-powered electric vehicle by different techniques. Int. Trans. Electr. Energy Syst. 2020, 30, e12271. [Google Scholar] [CrossRef]
- Giannouli, M.; Yianoulis, P. Study on the incorporation of photovoltaic systems as an auxiliary power source for hybrid and electric vehicles. Sol. Energy 2012, 86, 441–451. [Google Scholar] [CrossRef]
- Grosso, M.; Lena, D.; Bocca, A.; Macii, A.; Rinaudo, S. Energy-efficient battery charging in electric vehicles with solar panels. In Proceedings of the 2016 IEEE 2nd International Forum on Research and Technologies for Society and Industry Leveraging a Better Tomorrow (RTSI), Bologna, Italy, 7–9 September 2016; pp. 1–5. [Google Scholar]
- Dhanamjayulu, C.; Padmanaban, S.; Ramachandaramurthy, V.K.; Holm-Nielsen, J.B.; Blaabjerg, F. Design and Implementation of Multilevel Inverters for Electric Vehicles. IEEE Access 2020, 9, 317–338. [Google Scholar] [CrossRef]
- Micari, S.; Polimeni, A.; Napoli, G.; Andaloro, L.; Antonucci, V. Electric vehicle charging infrastructure planning in a road network. Renew. Sustain. Energy Rev. 2017, 80, 98–108. [Google Scholar] [CrossRef]
- Van Mierlo, J.; Maggetto, G. Fuel cell or battery: Electric cars are the future. Fuel Cells 2007, 7, 165–173. [Google Scholar] [CrossRef]
- Afful-Dadzie, A. Global 100% energy transition by 2050: A fiction in developing economies? Joule 2021, 5, 1641–1643. [Google Scholar] [CrossRef]
- International Energy Agency. World Energy Outlook 2017; International Energy Agency: Paris, France, 2017.
- Cazzola, P.; Gorner, M.; Munuera, L.; Schuitmaker, R.; Maroney, E. Global EV Outlook 2017: Two Million and Counting; International Energy Agency: Paris, France, 2017.
- Martinez, D.; Poveda, J.; Montenegro, D. Li-ion battery management system based in fuzzy logic for improving electric vehicle autonomy. In Proceedings of the 2017 IEEE Workshop on Power Electronics and Power Quality Applications (PEPQA), Bogota, Colombia, 31 May–2 June 2017; pp. 1–6. [Google Scholar]
- Awasthi, A.; Venkitusamy, K.; Padmanaban, S.; Selvamuthukumaran, R.; Blaabjerg, F.; Singh, A.K. Optimal planning of electric vehicle charging station at the distribution system using hybrid optimization algorithm. Energy 2017, 133, 70–78. [Google Scholar] [CrossRef]
- Bulanyi, P.; Zhang, R. Shading analysis & improvement for distributed residential grid-connected photovoltaics systems. In Proceedings of the 52nd Annual Conference of the Australian Solar Council, Melbourne, Australia, 8–9 May 2014. [Google Scholar]
- Abusleme, A.; Dixon, J.; Soto, D. Improved performance of a battery powered electric car, using photovoltaic cells. In Proceedings of the 2003 IEEE Bologna Power Tech Conference Proceedings, Bologna, Italy, 23–26 June 2003; Volume 3, p. 6. [Google Scholar]
- Kosmanos, D.; Maglaras, L.A.; Mavrovouniotis, M.; Moschoyiannis, S.; Argyriou, A.; Maglaras, A.; Janicke, H. Route optimization of electric vehicles based on dynamic wireless charging. IEEE Access 2018, 6, 42551–42565. [Google Scholar] [CrossRef]
- Hoke, A.; Brissette, A.; Smith, K.; Pratt, A.; Maksimovic, D. Accounting for lithium-ion battery degradation in electric vehicle charging optimization. IEEE J. Emerg. Sel. Top. Power Electron. 2014, 2, 691–700. [Google Scholar] [CrossRef]
- Worley, O.; Klabjan, D. Optimization of battery charging and purchasing at electric vehicle battery swap stations. In Proceedings of the 2011 IEEE Vehicle Power and Propulsion Conference, Chicago, IL, USA, 6–9 September 2011; pp. 1–4. [Google Scholar]
- Jin, C.; Tang, J.; Ghosh, P. Optimizing electric vehicle charging: A customer’s perspective. IEEE Trans. Veh. Technol. 2013, 62, 2919–2927. [Google Scholar] [CrossRef]
- Badamasi, Y.A. The working principle of an Arduino. In Proceedings of the 2014 11th International Conference on Electronics, Computer and Computation (ICECCO), Abuja, Nigeria, 29 September–1 October 2014; pp. 1–4. [Google Scholar]
- Sun, X.; Wang, W.; Su, S.; Jiang, J.; Xu, L.; He, X. Coordinated charging strategy for electric vehicles based on time-of-use price. Dianli Xitong Zidonghua (Autom. Electr. Power Syst.) 2013, 37, 191–195. [Google Scholar]
- Xu, Z.; Hu, Z.; Song, Y.; Luo, Z.; Zhan, K.; SHI, H. Coordinated charging of plug-in electric vehicles in charging stations. Autom. Electr. Power Syst. 2012, 36, 38–43. [Google Scholar]
- Maghami, M.R.; Hizam, H.; Gomes, C.; Radzi, M.A.; Rezadad, M.I.; Hajighorbani, S. Power loss due to soiling on solar panel: A review. Renew. Sustain. Energy Rev. 2016, 59, 1307–1316. [Google Scholar] [CrossRef]
- Dai, Y. Impact of Shading Area on PV System. IOP Conf. Ser. Earth Environ. Sci. 2020, 440, 032073. [Google Scholar] [CrossRef]












| Data Sheet | |
|---|---|
| Power output (Pmax) | 350 W |
| Power tolerance | 0 + 5% |
| Panel efficiency | 18.04% |
| Maximum power voltage (Vmp) | 39.19 V |
| Maximum power current (Imp) | 9.25 A |
| Open circuit voltage (Voc) | 46.88 V |
| Short circuit current (Isc) | 9.38 A |
| NOCT | 45 °C ± 2 °C |
| Cell type | Monocrystalline (156 × 156 mm) |
| Number of cells | 72 |
| Dimensions | 1956 × 992 × 40 mm |
| Weight | 22.8 kg |
Disclaimer/Publisher’s Note: The statements, opinions and data contained in all publications are solely those of the individual author(s) and contributor(s) and not of MDPI and/or the editor(s). MDPI and/or the editor(s) disclaim responsibility for any injury to people or property resulting from any ideas, methods, instructions or products referred to in the content. |
© 2023 by the authors. Licensee MDPI, Basel, Switzerland. This article is an open access article distributed under the terms and conditions of the Creative Commons Attribution (CC BY) license (https://creativecommons.org/licenses/by/4.0/).
Share and Cite
Lojano-Riera, B.P.; Flores-Vázquez, C.; Cobos-Torres, J.-C.; Vallejo-Ramírez, D.; Icaza, D. Electromobility with Photovoltaic Generation in an Andean City. Energies 2023, 16, 5625. https://doi.org/10.3390/en16155625
Lojano-Riera BP, Flores-Vázquez C, Cobos-Torres J-C, Vallejo-Ramírez D, Icaza D. Electromobility with Photovoltaic Generation in an Andean City. Energies. 2023; 16(15):5625. https://doi.org/10.3390/en16155625
Chicago/Turabian StyleLojano-Riera, Bryam Paúl, Carlos Flores-Vázquez, Juan-Carlos Cobos-Torres, David Vallejo-Ramírez, and Daniel Icaza. 2023. "Electromobility with Photovoltaic Generation in an Andean City" Energies 16, no. 15: 5625. https://doi.org/10.3390/en16155625
APA StyleLojano-Riera, B. P., Flores-Vázquez, C., Cobos-Torres, J.-C., Vallejo-Ramírez, D., & Icaza, D. (2023). Electromobility with Photovoltaic Generation in an Andean City. Energies, 16(15), 5625. https://doi.org/10.3390/en16155625

