A Hybrid Switched-Inductor/Switched-Capacitor DC-DC Converter with High Voltage Gain Using a Single Switch for Photovoltaic Application
Abstract
1. Introduction
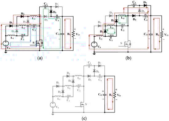
- Only one switch is used in the proposed topology. Therefore, this converter has much less complexity compared to similar structures.
- This converter has only two operation modes. This operation is based on a conventional boost converter. The proposed converter has a linear operation.
- The control of this converter is PWM. Due to the single-switch structure, the design of the feedback circuit and gate driver is much simpler compared to similar structures.
- This converter has a very high reliability factor for use in various applications due to its simple structure and linear operation.
- This converter has a very high voltage gain (G = 23), which is suitable for many industrial applications. This high gain is due to the use of stacked cells of switched inductors in the input section, and switched capacitors in the output section.
- In the input section, the converter consists of two integrated cells of switched inductors, which have the following advantages:
- ❖
- The properties of the basic boost converter are preserved in the operation of the proposed topology.
- ❖
- When the switch is turned on, the energy is stored in the switched inductors. Besides, this energy is transferred to the output when the switch is turned off.
- ❖
- These two cells are merged, and the number of energy storage elements is reduced. This reduces the order of the proposed circuit and improves the stability of the converter.
- ❖
- These cells of the integrated switched inductors have the role of the input filter inductor in the conventional boost converter, which causes the input current to be non-pulsating. As a result, the current stress of the elements is improved.
- ❖
- By dividing the input current in the input inductors (similar to the interleaved structures), the current stress of diodes and the Ohmic losses in the paths are reduced. Therefore, less heat is produced in the converter, and there is no need to use a heat sink for switches and diodes at high powers.
- This converter uses a cell of switched capacitors in the output part of the converter. This cell has the following advantages:
- ❖
- This cell has a capacitive characteristic and creates an inherent voltage isolation between the input and the output. Hence, the converter does not need an isolating transformer.
- ❖
- This cell also has the role of increasing the voltage. It stores energy when the switch is turned on. Then, it transfers the energy to the output when the switch is turned off.
- ❖
- This cell creates two parallel paths for transferring power from input to output, which makes the converter very suitable for high-power applications.
- ❖
- Due to being in series with the output part of the converter, this cell of the switched capacitor reduces the output voltage ripple. However, the output filter of the converter is a first-order filter.
2. Circuit Configuration of the Proposed Converter
3. Analysis of Operation Modes
- The output capacitor is large enough that the voltage across it can be considered a constant voltage.
- All circuit elements are considered ideal.
- The converter operation is analyzed in a steady-state condition.
3.1. CCM Operation
3.1.1. Ideal Voltage Gain
3.1.2. Non-Ideal Voltage Gain
3.2. DCM Operation
4. Design Considerations and Components’ Selection
4.1. The Design of Inductors L1, L2 and L3
4.2. The Design of Capacitors C1, C2, C3, C4 and the Output Capacitor CO
4.3. The Current and Voltage Stresses of Switch S
4.4. The Current and Voltage Stresses of Diodes D1, D2, D3, D4, D5, D6, and D7
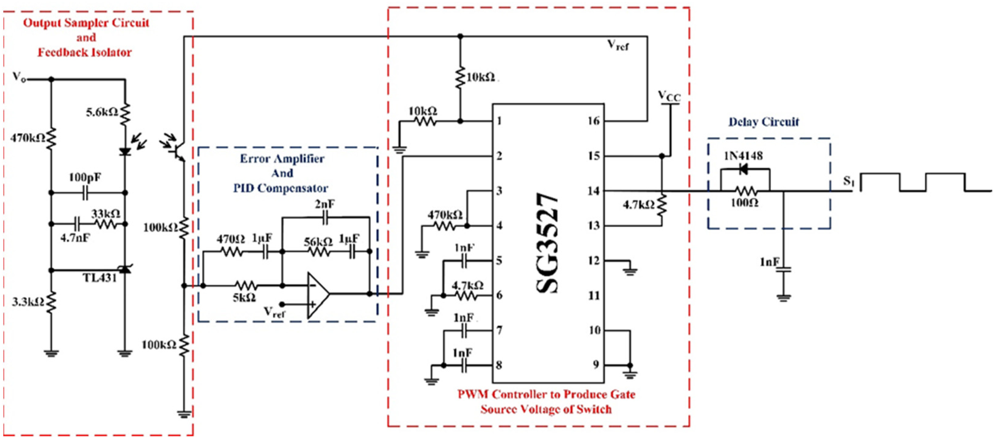
5. Control of the Converter
6. Experimental Results
7. Performance Comparison
8. Conclusions
Author Contributions
Funding
Conflicts of Interest
References
- Revanyvardom, M.; Mirzaei, A. High gain configuration of modified ZVT SEPIC-Boost DC-DC converter with coupled inductors for photovoltaic applications. Sol. Energy 2020, 208, 357–367. [Google Scholar] [CrossRef]
- Taghavi, S.-S.; Rezvanyvardom, M.; Mirzaei, A.; Gorji, S.A. High Step-Up Three-Level Soft Switching DC-DC Converter for Photovoltaic Generation Systems. Energies 2023, 16, 41. [Google Scholar] [CrossRef]
- Salvador, M.A.; Lazzarin, T.B.; Coelho, R.F. High step-up DC–DC converter with active switched-inductor and passive switched-capacitor networks. IEEE Trans. Ind. Electron. 2017, 65, 5644–5654. [Google Scholar] [CrossRef]
- Ramanathan, G.G.; Urasaki, N. Non-Isolated Interleaved Hybrid Boost Converter for Renewable Energy Applications. Energies 2022, 15, 610. [Google Scholar] [CrossRef]
- Liu, H.-C.; Li, F. Novel high step-up DC–DC converter with an active coupled-inductor network for a sustainable energy system. IEEE Trans. Power Electron. 2015, 30, 6476–6482. [Google Scholar] [CrossRef]
- Gorji, S.A. Reconfigurable Quadratic Converters for Electrolyzers Utilized in DC Microgrids. IEEE Access 2022, 10, 109677–109687. [Google Scholar] [CrossRef]
- Gholizadeh, H.; Sharifi Shahrivar, R.; Hashemi, M.R.; Afjei, E.; Gorji, S.A. Design and Implementation a Single-Switch Step-Up DC-DC Converter Based on Cascaded Boost and Luo Converters. Energies 2021, 14, 3584. [Google Scholar] [CrossRef]
- Gautam, V.; Sensarma, P. Design of Ćuk-Derived Transformer-less Common-Grounded PV Micro inverter in CCM. IEEE Trans. Ind. Electron. 2017, 64, 6245–6254. [Google Scholar] [CrossRef]
- Rezvanyvardom, M.; Mirzaei, A.; Heydari, S. Fully Soft-Switching Non-isolated Quasi-Z-Source DC–DC Converter with High-Voltage Gain. IEEE J. Emerg. Sel. Top. Power Electron. 2021, 9, 1854–1862. [Google Scholar] [CrossRef]
- Afzal, R.; Tang, Y.; Tong, H.; Guo, Y. A High Step-up Integrated Coupled Inductor-Capacitor DC-DC Converter. IEEE Access 2021, 9, 11080–11090. [Google Scholar] [CrossRef]
- Akhlaghi, B.; Farzanehfard, H. Soft Switching Interleaved High Step-Up Converter with Multifunction Coupled Inductors. IEEE J. Emerg. Select. Top. Ind. Electr. 2021, 2, 13–20. [Google Scholar] [CrossRef]
- Kothapalli, K.R.; Ramteke, M.R.; Suryawanshi, H.M.; Reddi, N.K.; Kalahasthi, R.B. A Coupled Inductor Based High Step-Up Converter for DC Microgrid Applications. IEEE Trans. Ind. Electron. 2021, 68, 4927–4940. [Google Scholar] [CrossRef]
- Zhu, X.; Zhang, B.; Li, Z.; Li, H.; Ran, L. Extended switched-boost DC-DC converters adopting switched-capacitor/switched-inductor cells for high step-up conversion. IEEE J. Emerg. Sel. Top. Power Electron. 2016, 5, 1020–1030. [Google Scholar] [CrossRef]
- Tang, Y.; Wang, T.; Fu, D. Multi cell switched-inductor/switched capacitor combined active-network converters. IEEE Trans. Power Electron. 2014, 30, 2063–2072. [Google Scholar] [CrossRef]
- Chen, M.; Li, K.; Hu, J.; Ioinovici, A. Generation of a Family of Very High DC Gain Power Electronics Circuits Based on Switched-Capacitor-Inductor Cells Starting from a Simple Graph. IEEE Trans. Circuits Syst. I Regul. Pap. 2016, 63, 2381–2392. [Google Scholar] [CrossRef]
- Axelrod, B.; Berkovich, Y.; Ioinovici, A. Switched-Capacitor/Switched-Inductor Structures for Getting Transformerless Hybrid DC–DC PWM Converters. IEEE Trans. Circuits Syst. I Regul. Pap. 2008, 55, 687–696. [Google Scholar] [CrossRef]
- Tang, Y.; Fu, D.; Wang, T.; Xu, Z. Hybrid Switched-Inductor Converters for High Step-Up Conversion. IEEE Trans. Ind. Electron. 2015, 62, 1480–1490. [Google Scholar] [CrossRef]
- Kumar, G.G.; Sundaramoorthy, K.; Karthikeyan, V.; Babaei, E. Switched Capacitor–Inductor Network Based Ultra-Gain DC–DC Converter Using Single Switch. IEEE Trans. Ind. Electron. 2020, 67, 10274–10283. [Google Scholar] [CrossRef]
- Salvador, M.A.; de Andrade, J.M.; Lazzarin, T.B.; Coelho, R.F. Non-isolated High-Step-Up DC–DC Converter Derived from Switched-Inductors and Switched-Capacitors. IEEE Trans. Ind. Electron. 2020, 67, 8506–8516. [Google Scholar] [CrossRef]
- Sudhakar, R.S.; Gajjala, S.; Praveen, M.S.; Kumar, I.K. High Efficiency DC-DC Boost Converter with Stacked Capacitors for Renewable Energy Applications. In Proceedings of the 2020 4th International Conference on Electronics, Communication and Aerospace Technology (ICECA), Coimbatore, India, 5–7 November 2020; pp. 378–384. [Google Scholar]
- Alharbi, B.M.; Alhomim, M.A.; McCann, R.A. A High Voltage Ratio Three-stage Cascaded Interleaved Boost Converters for PV Application. In Proceedings of the 2020 IEEE Power and Energy Conference at Illinois (PECI), Champaign, IL, USA, 27–28 February 2020; pp. 1–5. [Google Scholar]
- Zhao, Q.; Lee, F.C. High-efficiency, high step-up DC-DC converters. IEEE Trans. Power Electron. 2003, 18, 65–73. [Google Scholar] [CrossRef]
- Schmitz, L.; Martins, D.C.; Coelho, R.F. Generalized High Step-Up DC-DC Boost-Based Converter with Gain Cell. IEEE Trans. Circuits Syst. I Regul. Pap. 2017, 64, 480–493. [Google Scholar] [CrossRef]
- Abutbul, O.; Gherlitz, A.; Berkovich, Y.; Ioinovici, A. Step-up switching-mode converter with high voltage gain using a switchedcapacitor circuit. IEEE Trans. Circuits Syst. I Fundam. Theory Appl. 2003, 50, 1098–1102. [Google Scholar] [CrossRef]
- Chen, J.; Ding, K.; Zhong, Y.; Deng, F.; Abulanwar, S. A double input-parallel-output-series hybrid switched-capacitor boost converter. Chin. J. Electr. Eng. 2020, 6, 15–27. [Google Scholar] [CrossRef]
- Sadaf, S.; Bhaskar, M.S.; Meraj, M.; Iqbal, A.; Al-Emadi, N. A Novel Modified Switched Inductor Boost Converter with Reduced Switch Voltage Stress. IEEE Trans. Ind. Electron. 2021, 68, 1275–1289. [Google Scholar] [CrossRef]
- Wu, G.; Ruan, X.; Ye, Z. Non-isolated High Step-Up DC–DC Converters Adopting Switched-Capacitor Cell. IEEE Trans. Ind. Electron. 2015, 62, 383–393. [Google Scholar] [CrossRef]
- Wang, P.; Zhou, L.; Zhang, Y.; Li, J.; Sumner, M. Input-Parallel Output-Series DC-DC Boost Converter with a Wide Input Voltage Range, For Fuel Cell Vehicles. IEEE Trans. Veh. Technol. 2017, 66, 7771–7781. [Google Scholar] [CrossRef]
- Zhang, Y.; Zhou, L.; Sumner, M.; Wang, P. Single-Switch, Wide Voltage-Gain Range, Boost DC–DC Converter for Fuel Cell Vehicles. IEEE Trans. Veh. Technol. 2018, 67, 134–145. [Google Scholar] [CrossRef]
- Lakshmi, M.; Hemamalini, S. Nonisolated High Gain DC–DC Converter for DC Microgrids. IEEE Trans. Ind. Electron. 2018, 65, 1205–1212. [Google Scholar] [CrossRef]
- Wu, B.; Li, S.; Liu, Y.; Smedley, K.M. A New Hybrid Boosting Converter for Renewable Energy Applications. IEEE Trans. Power Electron. 2016, 31, 1203–1215. [Google Scholar] [CrossRef]
- Luo, F.L.; Ye, H. Positive output cascade boost converters. IEE Proc. Electr. Power Appl. 2004, 151, 590–606. [Google Scholar] [CrossRef]
- Nouri, T.; Hosseini, S.H.; Babaei, E.; Ebrahimi, J. Generalised transformerless ultra step-up DC–DC converter with reduced voltage stress on semiconductors. IET Power Electron. 2014, 7, 2791–2805. [Google Scholar] [CrossRef]
- Gu, Y.; Chen, Y.; Zhang, B.; Qiu, D.; Xie, F. High Step-Up DC–DC Converter with Active Switched LC-Network for Photovoltaic Systems. IEEE Trans. Energy Convers. 2019, 34, 321–329. [Google Scholar]
- Li, K.; Hu, Y.; Ioinovici, A. Generation of the Large DC Gain Step-Up Non-isolated Converters in Conjunction with Renewable Energy Sources Starting from a Proposed Geometric Structure. IEEE Trans. Power Electron. 2017, 32, 5323–5340. [Google Scholar] [CrossRef]























| Parameter | Value |
|---|---|
| Input voltage | 12 V |
| Output voltage | 260 V |
| Switching frequency | 100 kHz |
| Output power | 110 W |
| Capacitors C1, C2, C3, C4 | 10 µF |
| Output capacitor CO | 20 µF |
| Inductor L1 | 650 µH |
| Inductor L2 | 350 µH |
| Inductor L3 | 150 µH |
| Ref. | Voltage Gain | Normalized Voltage Stress | Efficiency | Rated Power | Switching Frequency | No. of Components | ||||
|---|---|---|---|---|---|---|---|---|---|---|
| Switch | Diode | S | D | L | C | |||||
| [3] | (3D + 1)/(1 − D) | 1/(1 − D) | 2/(1 − D) | 94.45% | 200 W | 50 kHz | 2 | 2 | 3 | 3 |
| [13] | 2(1 − D)/(1 − 3D) | 2D/(1 − 3D) | 2D/(1 − 3D) | 91% | 90 W | 30 kHz | 2 | 7 | 2 | 3 |
| [14] | (5D + 1)/(1 − D) | (G + 1)/4 | (G − 1)/8 | 91.5% | 200 W | 100 kHz | 2 | 9 | 4 | 3 |
| [15] | 4/(1 − D) | G/2 | G/2 | 90.73% | 100 W | 200 kHz | 2 | 6 | 1 | 5 |
| [16] | (1 + D)/(1 − D) | G | G | - | 50 W | 40 kHz | 1 | 4 | 2 | 1 |
| [17] | (3D + 1)/(1 − D) | (G + 1)/2 | G + 1 | 94.5% | 200 W | 50 kHz | 2 | 7 | 4 | 1 |
| [18] | (2 − D)/(1 − D)2 | 1/(1 − D)2 | D/(1 − D)2 | 88% | 500 W | 50 kHz | 1 | 4 | 2 | 3 |
| [19] | (3D + 1)/(1 − D) | G/(3 + D) | 2G/(3 + D) | 94.3% | 200 W | 50 kHz | 2 | 3 | 2 | 3 |
| Proposed | 4/(1 − D)2 | G/2 | (G/2) + 2 | 95.4% | 110 W | 100 kHz | 1 | 7 | 3 | 5 |
| Type of Loss | Formula | Proposed Converter (W) |
|---|---|---|
| Switching loss in the main switch (S) | 0.37 | |
| Parasitic capacitance loss in the main switch (S) | 0.047 | |
| Conduction loss in the main switch (S) | 0.63 | |
| Conduction loss in the input cells diodes (D1, D2, D3, and D4) | 0.68 | |
| Conduction loss in the output cell diodes (D5, D6, and D7) | 0.64 | |
| Loss of inductors | 2.55 | |
| Loss of capacitors | 0.58 | |
| Total losses | - | 5.5 W |
Disclaimer/Publisher’s Note: The statements, opinions and data contained in all publications are solely those of the individual author(s) and contributor(s) and not of MDPI and/or the editor(s). MDPI and/or the editor(s) disclaim responsibility for any injury to people or property resulting from any ideas, methods, instructions or products referred to in the content. |
© 2023 by the authors. Licensee MDPI, Basel, Switzerland. This article is an open access article distributed under the terms and conditions of the Creative Commons Attribution (CC BY) license (https://creativecommons.org/licenses/by/4.0/).
Share and Cite
Shaabani, M.; Mirzaei, A.; Rezvanyvardom, M.; Khosravi, F.; Gorji, S.A. A Hybrid Switched-Inductor/Switched-Capacitor DC-DC Converter with High Voltage Gain Using a Single Switch for Photovoltaic Application. Energies 2023, 16, 5524. https://doi.org/10.3390/en16145524
Shaabani M, Mirzaei A, Rezvanyvardom M, Khosravi F, Gorji SA. A Hybrid Switched-Inductor/Switched-Capacitor DC-DC Converter with High Voltage Gain Using a Single Switch for Photovoltaic Application. Energies. 2023; 16(14):5524. https://doi.org/10.3390/en16145524
Chicago/Turabian StyleShaabani, Maryam, Amin Mirzaei, Mahdi Rezvanyvardom, Farshad Khosravi, and Saman A. Gorji. 2023. "A Hybrid Switched-Inductor/Switched-Capacitor DC-DC Converter with High Voltage Gain Using a Single Switch for Photovoltaic Application" Energies 16, no. 14: 5524. https://doi.org/10.3390/en16145524
APA StyleShaabani, M., Mirzaei, A., Rezvanyvardom, M., Khosravi, F., & Gorji, S. A. (2023). A Hybrid Switched-Inductor/Switched-Capacitor DC-DC Converter with High Voltage Gain Using a Single Switch for Photovoltaic Application. Energies, 16(14), 5524. https://doi.org/10.3390/en16145524

