Next Article in Journal
Energy Management of Hybrid DC Microgrid with Different Levels of DC Bus Voltage for Various Load Types
Previous Article in Journal
A Review of State-of-the-Art and Short-Term Forecasting Models for Solar PV Power Generation
Previous Article in Special Issue
H-Shaped Slot Antenna with Harmonic Tuning Function and Integrated Power Amplifier
 
 
Font Type:
Arial Georgia Verdana
Font Size:
Aa Aa Aa
Line Spacing:
Column Width:
Background:
Article

Research on Metal Foreign Object Detection Method in Wireless Charging System of Electric Vehicle Based on Array Detection Coil

1
School of Electrical Engineering, Shandong University, Jinan 250061, China
2
Shandong Provincial Key Laboratory of Biomass Gasification Technology, Energy Institute, Qilu University of Technology (Shandong Academy of Sciences), Jinan 250353, China
3
State Grid Shandong Electric Power Company Heze Power Supply Company, Heze 274000, China
4
Electric Power Research Institute of State Grid Henan Electric Power Company, Zhengzhou 450000, China
*
Author to whom correspondence should be addressed.
These authors contributed equally to this work.
Energies 2023, 16(14), 5437; https://doi.org/10.3390/en16145437
Submission received: 31 May 2023 / Revised: 14 June 2023 / Accepted: 4 July 2023 / Published: 17 July 2023

Abstract

:
In order to eliminate the potential safety hazard that arises when metal foreign objects intervene in the wireless charging area of electric vehicles, this paper proposes that a metal foreign object detection method be applied to the wireless charging system of electric vehicles based on the optimal design of the array detection coil. Firstly, the equivalent circuit model of the metal foreign object detection system is established, then the principle of the foreign object detection system is analyzed, and the scale factor β is introduced as the optimization index of the detection coil. Secondly, the change of the scale factor β with the circuit parameters is analyzed and the appropriate circuit parameters are compared and selected. Thirdly, on the basis of the planar square spiral coil, Ansys Maxwell finite element simulation software is used to optimize its structural parameters, combination mode, and resonant circuit, as well as design the anti-series and anti-parallel enhanced detection coil sets with the decoupling and elimination of detection blind spots. Finally, the feasibility of the proposed detection method of metal foreign objects is verified by experiments. The results show that the two array detection coil sets can detect small-sized common metal foreign objects such as paper clips and the proposed double-layer reinforced structure can significantly improve the detection sensitivity of the system.

1. Introduction

Compared with the traditional wired charging method, wireless charging is more aesthetically pleasing and flexible, overcoming the problems of the easy wear of the connector and inconvenient charging in the traditional charging mode. In the aspect of energy transmission, using an array to transmit energy to freely moving objects, through the design and optimization of the transmitter array, the transmission efficiency of the wireless charging system is improved [1,2] and wireless energy transmission technology has a broader research prospect. Wireless power transfer technology has received extensive attention from domestic and foreign research units and has made certain progress in the fields of biomedicine, electric vehicles, and intelligent warehousing [3,4,5,6,7]. However, during wireless charging, metal foreign objects invading the charging area can affect the electrical parameters of the system, resulting in the system not working properly [8]. At the same time, various electromagnetic effects dominated by eddy current effects will cause losses in the system and a waste of energy. More seriously, the rise in surface temperature of metal foreign objects caused by eddy current effects in high-frequency magnetic fields may cause fires and reduce the safety of the system [9,10]. Therefore, foreign object detection is one of the essential and important functions of wireless charging systems.
Based on whether auxiliary coils are applied, the current foreign object detection technology can be roughly divided into two categories. The foreign object detection technology without an auxiliary coil is mainly based on the sensor [11,12] or circuit system parameter change [13,14], although the former has high detection sensitivity, a high cost, is damaged easily, and high environmental requirements that restrict its wide range of applications. The latter implementation method is simple and does not require the installation of additional detection devices but its detection accuracy is low and its reliability is poor, which cannot be used in high-power wireless charging occasions.
Foreign object detection technology based on an external auxiliary coil has a low application cost and high reliability and is the main way to detect foreign objects in related fields of wireless charging systems. The foreign object detection technology of the external auxiliary coil can be subdivided into two categories: active [15,16,17] and passive [18,19,20,21], and its judgment is based on whether the detection coil needs to apply a high-frequency excitation signal. The intrusion of metal foreign objects will cause the magnetic field in the charging area to change, thereby changing the equivalent impedance, voltage, and other parameters of the detection coil, and realizing the detection of metal foreign objects through the changing electrical parameters. The literature [19] proposes an improved differential passive foreign object detection technology for the balance coil on the basis of the traditional balance coil, which has high detection accuracy and strong anti-interference, which effectively improves the disadvantages of traditional balance coil occupying a large space but the existence of detection blind zone restricts its further application and development. The literature [20] proposes a passive foreign object detection technology based on a non-overlapping coil structure, which detects foreign objects through the voltage difference of the DQ coil and uses a double-layer coil set to eliminate the detection blind zone. Passive foreign object detection technology relies too heavily on the energy transfer system to detect foreign objects before the system is operating. The literature [16] proposes an active foreign object detection technology to judge the size of foreign objects and identify foreign species by detecting the impedance change characteristics of coils but its detection accuracy needs to be further improved. The literature [17] proposes a metal foreign object detection method based on an array differential coil, which preliminarily identifies the material of the metal foreign object according to the influence of the foreign object on the output voltage of the detection coil, however, the output voltage of some coils does not change significantly under a low power state and there is a risk of a false alarm.
To solve this problem, this paper proposes an active metal foreign object detection method applied to an electric vehicle wireless charging system based on two array detection coil sets. This paper first analyzes the basic working principle of the metal foreign object detection system. Secondly, there was a reasonable selection of system circuit parameters to improve system detection sensitivity. Thirdly, the detection coil was optimized in terms of structural parameters, combination mode, and a resonant circuit, and two array-type enhanced detection coil sets were designed. Finally, a foreign object detection experimental platform was built to verify the feasibility of the proposed foreign object detection method.

2. Equivalent Circuit Model of a Foreign Object Detection System

According to Faraday’s law of electromagnetic induction, considering the influence of the eddy–current effect and magnetic effect, metal foreign objects can be equivalent to resistive inductive series models. When there are no foreign objects in the detection area, the equivalent circuit of the foreign object detection system is shown in Figure 1. The relationship between the voltage and current can be obtained from KVL, as shown in Equation (1). Figure 2a is the equivalent circuit diagram of the detection system when a foreign object invades the detection area, and the effect of the foreign object on the impedance parameters of the detection coil is equivalent to the detection coil. Furthermore, the equivalent circuit obtained after simplification is shown in Figure 2b, and the corresponding voltage expression is shown in Equation (2).
The input voltage Uin is set equal in the presence of the foreign object, the phase angle is 0, and r is the internal resistance of the power supply. RD is the sampling resistor; RL is the equivalent resistance of the detection coil; LD is the equivalent inductance of the detection coil; CD is the series resonant capacitor; RX is the equivalent resistance of the foreign object; LX is the equivalent inductance of the foreign object; MDX is the mutual inductance between LD and LX; ID, ID is the system detection current when there is no foreign object; IX is the equivalent current of the foreign object; ΔRL is the change of the equivalent resistance of the detection coil after the intervention of the foreign object; ΔLD is the change of the equivalent inductance of the detection coil after the intervention of the foreign object; the resonance angle frequency is ω; and ω2LDCD = 1.
U in = I D [ 1 j ω C D + j ω L D + R D + R L + r ] = I D ( R D + R L + r )
U in = I D ( j ω Δ L D + R D + R L + Δ R L + r )
From Equations (1) and (2), the expression of the current with or without a foreign object can be obtained, as shown in Equations (3) and (4), where k is constant. The scale factor β in Equation (5) is the voltage ratio across the sampling resistor with or without foreign objects, which is used to characterize the detection effect of the system. The smaller the β, the greater the voltage change, and the more significant the system detection effect.
I D = U in j ω Δ L D + R D + R L + Δ R L + r = k ( R D + R L + Δ R L + r + j ω Δ L D )  
I D = U in R D + R L + r = k ( R D + R L + Δ R L + r ) 2 + ( ω Δ L D ) 2 R D + R L + r
β = U D U D = I D R D I D R D = I D I D = R D + R L + r ( R D + R L + Δ R L + r ) 2 + ( ω Δ L D ) 2
In Equation (5), the scaling factor β is related to the internal resistance r of the power supply, the equivalent resistance of the sensing coil RL, the equivalent inductance of the sensing coil LD, the resonant angle frequency ω, the equivalent resistance changes of the sensing coil ΔRL, and the equivalent inductance change of the sensing coil ΔLD. Among them, the internal resistance of the power supply r is basically unchanged and can be regarded as a constant. RL and LD are related to the design of the detection coil, and ΔRL and ΔLD are related to the material, volume, and relative position of the foreign object. When the structure of the detection coil is determined, the sensitivity of the detection system can be changed by reasonably selecting the values of ω and RD. Therefore, selecting appropriate circuit parameters and reasonably designing the detection coil is beneficial to improving the accuracy and reliability of the system detection.

3. Resonant Circuit Parameter Optimization

In order to improve the sensitivity and accuracy of the detection system, if RL, LD, ΔRL, and ΔLD are certain, the circuit resonance frequency can be adjusted by changing the resonant capacitor CD.
As can be seen from Equation (5), the scale factor β gradually decreases as the resonance frequency gradually increases. The higher the frequency of the excitation source of the sensing system, the greater the change in the equivalent impedance of the coil when a foreign object is involved, the smaller the detection current, and the smaller the voltage across the sampling resistor. Therefore, a high-frequency excitation signal with a resonant frequency of 3MHz is used in this paper.
The scale factor β is plotted according to the system circuit parameters shown in Table 1, as shown in Figure 3.
It can be seen from Figure 3a that the scale factor β increases linearly with the increase of the sampling resistor RD because the voltage change across the sampling resistor decreases with the increase of RD after the intervention of a foreign object. Therefore, the smaller the sample resistor RD, the better. However, in the actual design, the sensing coil is generally designed first, and then the sampling resistor is selected according to the current carrying capacity of the coil. As can be seen from Figure 3b, the scale factor β increases linearly with the increase of the equivalent resistance of the sense coil RL, so the equivalent resistance of the coil should be minimized when designing the sense coil. Figure 3c shows that the scale factor β decreases rapidly as the equivalent inductance of the sensing coil changes ΔLD. For the same foreign object, the equivalent inductance change of the coil can be increased by optimizing the coil structure and reducing the distance between the foreign object and the detection coil, thereby improving the detection sensitivity of the system. Figure 3d shows the scale factor β change with the equivalent resistance of the sensing coil ΔRL. Although the overall curve shows a downward trend, the scale factor β does not change much, and it can be concluded that the equivalent resistance change of the sensing coil has little effect on the system detection effect.

4. Detection Coil Optimization Design and Simulation Analysis

From the above analysis, it can be seen that the optimal design of the detection coil is the key to foreign object detection technology. Based on the planar square helical coil, Ansys Maxwell finite element simulation software is used to optimize the design of its structural parameters, combination method, and resonant circuit. Since the scale factor β can judge the quality of the inspection effect, the scale factor β is used as the optimization index of the detection coil below, and Table 2 is the system circuit parameters required for simulation.

4.1. Detection Coil Structure Parameter Design

Figure 4 shows the square coil structure diagram, and its relevant parameters are defined as inner diameter D, line spacing S, and side length A. In addition to these parameters, the wire width, wire thickness, and coil turns N need to be considered, and the side length A is related to each parameter and is determined by them. The wire linewidth is generally selected as a fixed value based on full consideration of the ampacity, and 1 mm is selected as the coil linewidth here. This article uses the form of a PCB coil, the wire thickness is 35 μm, and the material is copper. In the following, the detection coil will be optimized from three aspects: the inner diameter D, number of turns N, and line spacing S.

4.1.1. Optimized Design of Detection Coil Inner Diameter D

In the optimized design of coil inner diameter, the line spacing S = 1 mm, and the number of turns N are set to 10, and the influence of different coil inner diameter D on the detection effect is studied. When the inner diameter of the coil is taken 10 mm with or without a foreign object, the coil model is shown in Figure 5, and Figure 6 shows the scale factor β changes with the inner diameter D of the coil. As can be seen from Figure 6, as the inner diameter D of the coil increases, the scale factor β first increases, then decreases, and then increases. When the inner diameter of coil D is equal to 10 mm, the scale factor β the smallest, and the system detection effect is the best. It should be noted that the line spacing and the number of turns here are not optimized values, and the optimization of the coil inner diameter D should be based on actual design needs.

4.1.2. Optimized Design for Detecting Coil Turns N

In the optimization design of coil turns, the line spacing is set to S = 1 mm, the inner diameter of the coil D = 10 mm, and the number of coil turns N is taken as 5, 8, 10, 12, 15, 20, and the influence of different coil turns N on the detection effect is studied. Figure 7 shows the scale factor β change with the number of turns N of the coil. As can be seen from Figure 7, the scale factor β decreases first and then increases with the increase of the number of turns N. When the number of coil turns N is 10, the scale factor β is minimal.

4.1.3. Optimized Design of Detection Coil Line Spacing S

In the optimization design of the detection coil line spacing S, the inner diameter of the coil is set to D = 10 mm, the number of turns N is 10, and the line spacing S is 0.6 mm, 0.8 mm, 1 mm, 1.2 mm, 1.4 mm, and the influence of different line spacing S on the detection effect is studied. Figure 8 shows the scale factor β change with the number of turns N of the coil. As can be seen from Figure 8, the scale factor β decreases first and then increases as the line spacing S increases. When the line spacing S is 1 mm, the scale factor β is the smallest, and the foreign object detection effect is the best.
In summary, the selected coil structure parameters in this paper are coil inner diameter D = 10 mm, number of turns N = 10, and wire spacing S = 1 mm. However, in practical applications, the design needs of each structural parameter should be comprehensively considered to determine the optimal value.

4.2. Detection Coil Combination Design

Based on the parameters of the coil structure optimization in the previous section, this section uses Ansys Maxwell finite element simulation software to explore magnetic field changes in different combinations. According to the literature [22], foreign objects are not easily detected in locations with low magnetic induction intensity and are easily detected in locations with high magnetic induction. Therefore, the magnetic induction intensity of the 3 mm plane above the detection coil is selected as a reference index for the detection effect.

4.2.1. Anti-Series Detection Coil Unit

The existing metal foreign object detection technology is mainly active foreign object detection based on adjacent unit anti-series detection coils (two coils are wound in opposite directions and connected in series). The detection coil unit of this connection method has the following advantages: (1) the small-size detection coil has a strong perception ability for small foreign objects; (2) when the detection coil unit is located in a uniform magnetic field, the coupling between it and the energy transfer coil is small, thereby reducing the influence of other parts of the system on the foreign object detection sensing device.
When the position of the anti-series detection coil unit is symmetrical with respect to the symmetry axis of the energy transmission coil, the net magnetic flux through the detection coil unit is zero, that is, the energy transfer coil is decoupled from the detection coil unit. When the detection coil unit is placed in other positions, the magnetic field passing through the coil is uneven, and the energy transmission coil and the detection coil unit cannot be decoupled, which affects the accuracy and reliability of the foreign object detection system.

4.2.2. Series Coil Set

On the basis of the anti-series detection coil unit, multiple transverse or longitudinal series coil sets are constructed, and this paper uses the transverse series coil set as an example, as shown in Figure 9. Multiple sets of detection coil units are connected in a series to form a coil set, and the placement position of the series coil set is symmetrical with respect to the energy transmission coil.
When energized, the high-frequency magnetic field generated by the sensing coil wound clockwise and counterclockwise is perpendicular to the plane where the coil set is located and always in the opposite direction. Since the external magnetic field, that is, the magnetic field generated by the energy transmission transmitting coil passes through the magnetic field lines that are clockwise and counterclockwise around the sensing coil, it can be regarded as a relatively uniform magnetic field. Therefore, the net magnetic flux through all the sensing coils is zero, that is, the single row of sensing coils is decoupled from the energy transmission and emission coils.
The energy transfer coil and the series coil set shown in Figure 9 are modeled in the simulation software. When the symmetrical center P of the series detection coil set moves from (0,0) to (50,50), the coupling coefficient changes with the position of the series coil set as shown in Figure 10. As can be seen from Figure 10, when dx = 0, that is, the symmetry center of the coil set is on the y-axis, and the coupling coefficient increases with the offset y-axis distance of the symmetry center. When dy = 0, that is, the symmetrical center of the coil set is on the x-axis, and the coupling coefficient of the energy transmitting coil and the series detection coil set is close to zero. Therefore, the center of symmetry of the transverse series coil set described above should be placed on the x-axis.

4.2.3. Double-Layer Reinforced Detection Coil Set

In order to improve the ability of the sensing coil to detect metal foreign objects, this paper adopts the mode of simultaneous detection of multiple coils under the same excitation conditions. This section will examine the influence of different connection methods of multilayer detection coils on the detection effect.
Figure 11 shows a 3 mm planar magnetic field cloud above the single-layer anti-series, double-layer co-winding, and double-layer reverse-winding coil unit, and the excitation current is set to 10A. As can be seen from Figure 11a, the 3 mm plane magnetic field above the geometric center of the sub-coil of the single-layer anti-series detection coil unit is strong, and the surrounding magnetic field is weak. It can be seen from Figure 11b that the 3 mm plane magnetic field above the double-layer co-winding detection coil unit is significantly higher than that of the single-layer anti-series unit, which can play a role in strengthening the magnetic field of the detection coil. As can be seen from Figure 11c, the 3 mm plane magnetic field above the double-layer reverse winding detection coil unit is very low, which is not conducive to improving the sensitivity of the system detection. Therefore, in order to improve the detection coil’s ability to perceive small metal foreign objects, this paper comprehensively applies the double-layer co-winding mode to the design of array detection coils.

4.2.4. Anti-Parallel Detection Coil Unit

For the detection coil unit with opposite winds, the existing foreign object detection technology basically adopts the connection method of connecting the two in a series, and there is rarely a parallel connection scheme. As shown in Figure 12, the same number is connected in parallel to the opposite sub-coil to form an anti-parallel sensing coil unit to explore whether it can be decoupled from the energy transmission transmitting coil.
In the simulation software, the model of the energy transmitting coil and the anti-parallel coil unit is established, and the anti-parallel detection coil unit is placed 10 mm above the geometric center of the energy transmission coil, and the energy transmission coil is symmetrically symmetrical. The simulation results show that the coupling coefficient between the energy transmission coil and the anti-parallel detection coil unit is 1.25 × 10−5, which is 0.0005 times that of the coupling coefficient with the single detection coil. From this, it can be concluded that the anti-parallel sensing coil unit is decoupled from the energy transmission transmitting coil at a field-symmetric position.
The anti-parallel detection coil unit model is proposed to open up the choice of connection mode for decoupling the coil unit and enhancing the flexibility of the system circuit. Compared with the anti-series detection coil unit, the anti-parallel detection coil unit has two branches on the basis of decoupling from the energy transmitting coil, which alleviates the problem of small detection signal change caused by too many branch coil units.
Each branch coil is matched with a resonant capacitor, which together constitutes a decoupling unit as a whole in the space and it detects each test area separately in function. When a metal foreign object falls between two sub-coils of the anti-series detection coil unit and the coverage area is the same, the detection system cannot detect the foreign object, and there is a detection blind zone. However, the anti-parallel detection coil unit does not have a detection blind zone. As long as the metal foreign object is in the detection area and the sub-coil impedance changes, the detection system can successfully identify it.

4.3. Detection Coil Resonant Circuit Design

4.3.1. Series Resonant Circuit Design

Based on the change of the impedance of the detection coil itself, the reliability and sensitivity of determining whether there are metal foreign objects in the detection area are poor, and the reason is that some tiny metal foreign objects have limited degrees of resistance change for the detection coil, and the detection is difficult, and there is a risk of missing detection and not being detected. Building a coil resonant topology can reflect the impedance change of the sensing coil to the entire resonant topology element, thereby amplifying the detection parameters. Series resonance and parallel resonance are the most basic resonant topologies, from which various high-order composite resonant topologies can be derived. Taking series resonance and parallel resonance as examples, the designed resonant circuit can be generalized to various high-order composite resonant topologies.
As shown in Figure 13, the multi-coil series coil set can be decoupled from the energy transmission transmitting coil, which is conducive to reducing the mutual interference between the two coils and ensuring the normal operation of the foreign object detection system. However, the metal foreign object can only change the impedance parameters of the local detection coil, and the change in the impedance parameters of the series coil set is relatively small, resulting in no obvious change in the detection signal. Therefore, this connection mode is difficult to detect small metal foreign objects and has limitations in detection sensitivity.
In view of the shortcomings of the above circuit connection mode, this paper proposes a new capacitor-inductor connection mode shown in Figure 14. The basic idea is to first match each detection coil with a resonant full compensation capacitor to form a series resonant unit, and then connect each series resonant unit in turn. It can be seen that when a sensing unit is invaded by a metal foreign object, the unit detects that the impedance value of the coil changes, and the resonant state is destroyed. The impedance value of the detection coil of the other units does not change and is still in the series resonant state. In this way, the area where the metal foreign object is located can be quickly located by connecting the voltage across the series resonant unit or the sampling resistor. At the same time, since this mode uses a single coil as the signal processing unit, that is, the detection system can realize the detection function through the change of the impedance parameter of a single coil, so there is no detection blind zone.

4.3.2. Parallel Resonant Circuit Design

The sensing circuit based on the parallel resonant topology is shown in Figure 15, and the sensing coil matches the resonant fully compensated capacitor connected in parallel to form a parallel resonant unit. Its detection principle is that when there is no foreign object in the detection area, the parallel resonant unit is in a parallel resonant state under the excitation of the power supply, which is equivalent to an open circuit in the detection circuit, and the voltage across the sampling resistor is almost zero. When a metal foreign object falls into the detection area, the parallel resonant state is broken, and the sense current flows through the sampling resistor so that the voltage across it is not zero. Therefore, real-time monitoring of metal foreign objects is realized by sampling the change of voltage across the resistor.
Based on the parameters shown in Table 3, the sampling voltage UD expression can be obtained from Figure 15, as shown in Equations (6) and (7). Set the sampling resistance value range to 0~1 kΩ and explore the influence of sampling resistance on the sampling voltage, and the plot is shown in Figure 16. As can be seen from Figure 16, the sampling voltage increases with the increase of the sampling resistance, and when the sampling resistance is greater than 500 Ω, the sampling voltage is basically unchanged. Therefore, when the sensing circuit adopts a parallel resonant topology, a sampling resistor with a resistance value of 500 Ω is selected.
Z D = j ω ( L D Δ L D ) 1 + ω 2 c Δ L D
U D = R D U in R D + R L + Z D
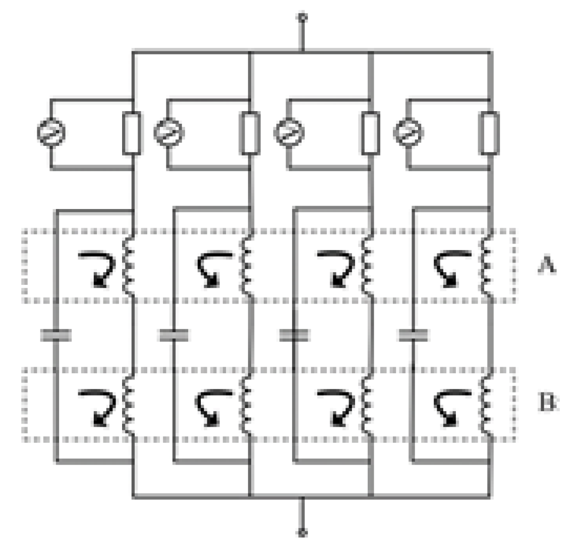
As shown in Figure 17, the double-layer co-winding reinforcement detection, anti-parallel connection method, and parallel resonant topology are combined to form an anti-parallel reinforced detection coil group. Group A coils are the detection coils of the first layer of the same row or row, and the coils of Group B are the detection coils of the second layer below Group A. The upper and lower coils of the same unit are connected in series and matched with parallel resonant capacitors, and the voltage change across the sampling resistor can detect whether metal foreign objects invade.

5. Experimental Verification of Foreign Object Detection System

In order to verify the feasibility of the above metal foreign object detection method, this paper builds a wireless charging system foreign object detection experimental platform according to the electric vehicle wireless charging standard SAE J2954 [23]. The establishment of the wireless charging system foreign object detection experimental platform aims to improve the detection ability of common metal foreign objects in relevant standards and hopes to aid in the practical application of foreign object detection technology in wireless charging systems.
The detection system consists of an array detection coil, an FY6900 signal generator, a signal acquisition module, and a capacitive resistance array module. Among them, the array detection coil is made of PCB, the anti-series enhanced detection coil set structure is based on Figure 9 and Figure 14, the anti-parallel enhanced detection coil set structure based on Figure 12 and Figure 17 are adopted, and the experimental platform is shown in Figure 18. The FY6900 signal generator serves as the excitation source of the entire foreign object detection system and provides high-frequency AC power. The signal acquisition module is used to collect the output voltage of the detection coil and reflect the detection effect of the system. In this paper, some common metal foreign objects in “Wireless Charging System for Electric Vehicles Part 3” [24] are selected as detection objects to test the performance of the detection circuit, as shown in Table 4.

5.1. Anti-Series Enhanced Detection Coil Set Sensitivity Test

In order to explore the detection sensitivity of the metal foreign object detection system to the metal foreign objects listed in Table 4, each metal foreign object is placed above the center position of the sub-coil of the anti-series detection coil group (groups 12 × 5), and Figure 19 shows the output voltage waveform of the foreign object detection system.
As seen in Figure 19, the output voltage of the detection system is 4.67 V when there is no foreign object, and the output voltage of the detection system is 4.36 V, 4.08 V, and 3.06 V when paper clip, M5 screw, and the fifty-cent piece are inserted, respectively. For metal foreign objects of different materials and sizes, the output voltage of the detection system is different, and the metal foreign object material can be roughly judged. In order to explore the effect of metal foreign objects on the output voltage of each sub-coil in the detection coil group, the metal foreign object is placed above the central position of sub-coil 1 shown in Figure 18, and the change in output voltage of each sub-coil in the anti-series detection coil group is recorded, as shown in Figure 20.
Due to the manufacturing process and wiring of the coil will affect the coil parameters in practical applications, in addition, the experimental device itself will be biased, the measurement accuracy of the measuring instrument is not high, and it is easy to be affected by the surrounding environment, so the output voltage of other sub-coils will inevitably fluctuate, resulting in a certain error in the measurement parameters. As can be seen from Figure 20, when a metal foreign object is present above the central position of sub-coil 1, the output voltage of sub-coil 1 changes significantly more than other sub-coils of the coil set, and the position of the metal foreign object can be judged.
As shown in Figure 21, the surface of the sub-coil is divided into nine regions, and the change in the output voltage of the sub-coil when metal foreign objects invade each area is recorded, as shown in Figure 22. As can be seen from Figure 22, the output voltage changes the most when the metal foreign object is in the center of the sub-coil, and the output voltage change is small when the metal foreign object is in the non-central area of the sub-coil. When a paper clip falls into a non-central area of the sub-coil, the sensitivity of the foreign object detection system may be affected due to small changes in the detection signal. Therefore, the feasibility of the anti-series reinforced detection coil set (double layer) will be verified below, and Figure 23 shows the change in output voltage in each area of the sub-coil falling into the single- and double-layer detection coil stack.
As can be seen from Figure 23, when a double-layer detection coil set is used, the sub-coil has a significantly enhanced ability to detect paper clips in all regions, thereby verifying the feasibility of the inverse series reinforcement detection coil set. In view of the problem of the detection blind zone in the anti-series detection coil, the metal foreign object shown in Table 4 was placed in the middle of the adjacent two sub-coils, and the output voltage changes of paper clips, M5 screws, and fifty-cent pieces corresponding to the sub-coils were 0.12 V, 0.22 V, and 0.27 V, respectively. Therefore, the threshold voltage of the foreign object detection system is set to 0.1 V to eliminate the detection blind zone.

5.2. Anti-Parallel Enhanced Detection Coil Set Sensitivity Test

To verify the performance of the foreign object detection system based on the anti-parallel detection coil set, the metal foreign object shown in Table 4 is placed above the sub-coil, and Figure 24 shows the sampling voltage of the foreign object detection system under different conditions.
Figure 24 shows that the system sampling voltage is 436 mV when there is no foreign object, and the sampling voltage is 763 mV, 1.13 V, and 1.87 V when the paper clip, M5 screw, and fifty-cent piece are invaded, respectively, which verifies the feasibility of the anti-parallel detection coil set.
In order to detect the anti-parallel detection coil set and enhance the sensitivity of the detection coil set, a double-layer anti-parallel detection coil set is built based on Figure 17, and Figure 25 shows the sampling voltage change of the sub-coil in the single-layer and double-layer anti-parallel detection coil groups. It can be seen from Figure 25 that when the double-layer anti-parallel detection coil set is used, the sampling voltage change of the system increases significantly, which significantly enhances the sensitivity of the detection system.

6. Conclusions

In this paper, a metal foreign object detection method based on two array-type enhanced detection coil set structures is proposed, and the resonant circuit parameters and detection coil structure parameters are optimized according to the scale factor β. The finite element simulation model is established to analyze different combinations of detection coils, and the detection coil resonance topology is designed to amplify the detection signal. A wireless charging foreign object detection system based on the detection structure of an anti-series enhanced detection coil set and an anti-parallel enhanced detection coil set was built to test the sensitivity of common metal foreign objects.
The results show that compared with the traditional single-layer array detection coil, the sensitivity of the proposed Double-layer reinforced structure is nearly doubled, which significantly enhances the detection ability of the system for small metallic foreign objects. The foreign object detection method proposed in this paper realizes the detection function of common metal foreign objects can eliminate the detection blind area and identify the location of metal foreign objects and verify the correctness and feasibility of the theory in this paper.

Author Contributions

Conceptualization, X.L., S.C. and Z.L.; methodology, X.L., S.C. and Y.H.; funding acquisition, Z.L.; software, X.L., S.C. and Y.X.; validation, S.C., X.L. and S.S.; formal analysis, X.L., S.C. and G.F.; investigation, Z.L., X.L. and S.C.; resources, Z.L. and Y.H.; data curation, X.L., S.C. and X.W.; writing—original draft preparation, X.L. and S.C.; writing—review and editing, X.L. and S.C.; supervision, Z.L. and R.D.; All authors have read and agreed to the published version of the manuscript.

Funding

This research was funded by Natural Science Foundation of Shandong Province under Grant No. ZR2021ME009.

Data Availability Statement

Due to the privacy of the data, the data is not shared here.

Conflicts of Interest

The authors declare no conflict of interest.

References

  1. Saeideh, P.; Mostafa, S.; Shahin, J.A. Star-Shaped Coils in the Transmitter Array for Receiver Rotation Tolerance in Free-Moving Wireless Power Transfer Applications. Energies 2022, 15, 8643. [Google Scholar]
  2. Abdollah, M.S.; Esmaeel, M.; Hadi, B.; Mohamad, S.; Benoit, G. Multi-resonator arrays for smart wireless power distribution: Comparison with experimental assessment. IET Power Electron. 2020, 13, 4183–4193. [Google Scholar]
  3. Zhao, Z.; Zhang, Y.; Chen, K. New Progress of Magnetically Coupled Resonant Wireless Power Transmission Technology. Chin. J. Electr. Eng. 2013, 33, 1–13. (In Chinese) [Google Scholar]
  4. Zhu, C.; Jiang, J.; Song, K.; Zhang, Q. Research progress on key technologies of dynamic wireless charging for electric vehicles. Autom. Electr. Power Syst. 2017, 41, 60–65. (In Chinese) [Google Scholar]
  5. Guo, H.; Zhang, X.; Yang, Q.; Sha, L.; Wang, X.; Zhu, Z. Review of Research and Application of Space Omnidirectional Wireless Power Transmission Technology. Chin. J. Electr. Eng. 2022, 42, 1–18. (In Chinese) [Google Scholar]
  6. Xue, M.; Yang, Q.; Zhang, P.; Guo, J.; Li, Y.; Zhang, X. Research Status and Key Issues of Application of Wireless Power Transmission Technology. J. Electrotech. Technol. 2021, 36, 1547–1568. (In Chinese) [Google Scholar]
  7. Zhang, Y.; Wang, H.; Shen, Z.; Wu, Y.; Pan, W.; Mao, X. Compact wireless charging system for electric vehicles with strong anti-offset performance using hybrid topology. Chin. J. Electr. Eng. 2022, 42, 2979–2987. (In Chinese) [Google Scholar]
  8. Ma, Z.; Liao, C.; Wang, L. Analysis of the influence of metal foreign objects on the wireless charging system of electric vehicles. New Technol. Electr. Eng. 2017, 36, 14–20. (In Chinese) [Google Scholar]
  9. Tan, L.; Guo, J.; Huang, X.; Liu, H.; Wang, W.; Yan, C.; Zhang, M. Coordinated Source Control for Output Power Stabilization and Efficiency Optimization in WPT Systems. IEEE Trans. Power Electron. 2018, 33, 3613–3621. [Google Scholar] [CrossRef]
  10. Su, Y.; Liu, J.; Wang, Z.; Dai, X.; Yang, J. Influence of magnetic coupling mechanism picking up coil plane metal and its suppression method. J. Electrotech. Technol. 2022, 37, 578–588. (In Chinese) [Google Scholar]
  11. Jin, D. Development of Foreign Object Detection Device for Wireless Charging of Automobiles. Master’s Thesis, Harbin Institute of Technology, Harbin, China, 2018. (In Chinese). [Google Scholar]
  12. Liu, X.; Liu, C.; Han, W.; Pong, P.W.T. Design and Implementation of a Multi-Purpose TMR Sensor Matrix for Wireless Electric Vehicle Charging. IEEE Sens. J. 2019, 19, 1683–1692. [Google Scholar] [CrossRef]
  13. Liu, Z.; Zhou, B.; Zeng, H.; Hei, T.; Liang, L. Electric Vehicle Wireless Charging System and Method Using Phase-Locked Loop for Foreign Object Detection. CN107248788A, 13 October 2017. (In Chinese). [Google Scholar]
  14. Kallal, E.K.; White, M., II; Tseng, R. Systems, Apparatus, and Methods for Quantifying Power Losses Due to Induction Heating in Wireless Power Receivers. US09614376, 4 April 2017. [Google Scholar]
  15. Jeong Seog, Y.; Thai Van, X.; Park Jun, H.; Rim Chun, T. Self-Inductance-Based Metal Object Detection with Mistuned Resonant Circuits and Nullifying Induced Voltage for Wireless EV Chargers. IEEE Trans. Power Electron. 2019, 34, 748–758. [Google Scholar] [CrossRef]
  16. Tang, C.; Zhong, L.; Wu, X.; Su, B.; Zhong, M. Detection method of foreign objects in electric vehicle wireless charging system based on impedance characteristics. Electr. Technol. 2018, 19, 7–13. (In Chinese) [Google Scholar]
  17. Zhang, X.; Fu, Z.; Xue, M.; Ren, N.; Wang, X. Detection method of metal foreign objects in wireless power transmission array differential coil. New Technol. Electr. Eng. 2020, 39, 9–17. (In Chinese) [Google Scholar]
  18. Fan, J.; Liu, J. A method and Device for Detecting the Primary Edge and Foreign Objects Installed on the Ground. CN105990913A, 5 October 2016. (In Chinese). [Google Scholar]
  19. Qu, X.; Yang, Y.; Liu, Z.; Hou, Y. Application of Balanced Coil Metal Detection Technology in Wireless Power Transmission. Power Electron. Technol. 2014, 48, 61–63. (In Chinese) [Google Scholar]
  20. Jeong Seog, Y.; Kwak Hyung, G.; Jang Gi, C.; Choi Su, Y.; Rim Chun, T. Dual-Purpose Nonoverlapping Coil Sets as Metal Object and Vehicle Position Detections for Wireless Stationary EV Chargers. IEEE Trans. Power Electron. 2018, 33, 7387–7397. [Google Scholar] [CrossRef]
  21. Yang, Z.; Xia, C.; Zhao, S.; Li, H.; Peng, Y.; Xiang, L.; Li, W. Detection technology of metal foreign object in wireless charging system of electric vehicle with incomplete compensation of detection coil. Chin. J. Electr. Eng. 2022, 42, 7357–7363. (In Chinese) [Google Scholar]
  22. Tang, X. Research on Metal Foreign Object Detection Technology in Wireless Charging Device. Master’s Thesis, Harbin Institute of Technology, Harbin, China, 2020. (In Chinese). [Google Scholar]
  23. Schneider, J.; Kamichi, K.; Mikat, D.; Sutton, R.; Abdul-Hak, M.; Minagawa, Y.; Abeta, H.; Taha, E.; Boyer, R.; Sirota, J.; et al. Bench Testing Validation of Wireless Power Transfer up to 7.7 kW Based on SAE J2954. SAE Int. J. Passeng. Cars—Electron. Electr. Syst. 2018, 11, 89–108. [Google Scholar] [CrossRef]
  24. GB/T 38775.3-2020; Electric Vehicle Wireless Charging System Part 3: Special Requirements. (In Chinese). Available online: https://kns.cnki.net/kcms2/article/abstract?v=QhvK1uXUvSPcT6U9M8Cax-WPkqEuf52oMloxtjtMOQbLmPujxabpWjVkwqem9aBOsHUq5BXXIi6uBF9qcN8chmGrpgrJ3yo32yScUjxM_Hn8DN-0iTJaTAyFiFtmnb8F&uniplatform=NZKPT&language=CHS (accessed on 13 June 2023).
Figure 1. Equivalent circuit diagram of foreign object detection system when there is no foreign object.
Figure 1. Equivalent circuit diagram of foreign object detection system when there is no foreign object.
Energies 16 05437 g001
Figure 2. Equivalent circuit diagram of foreign object detection system when foreign object invades.
Figure 2. Equivalent circuit diagram of foreign object detection system when foreign object invades.
Energies 16 05437 g002
Figure 3. Variation of scale factor β with each parameter.
Figure 3. Variation of scale factor β with each parameter.
Energies 16 05437 g003
Figure 4. Square detection coil structure diagram.
Figure 4. Square detection coil structure diagram.
Energies 16 05437 g004
Figure 5. Coil simulation model with a coil inner diameter of 10 mm with or without foreign objects.
Figure 5. Coil simulation model with a coil inner diameter of 10 mm with or without foreign objects.
Energies 16 05437 g005
Figure 6. Variation of scale factor β with coil inner diameter D.
Figure 6. Variation of scale factor β with coil inner diameter D.
Energies 16 05437 g006
Figure 7. Variation of scale factor β with the number of turns N.
Figure 7. Variation of scale factor β with the number of turns N.
Energies 16 05437 g007
Figure 8. Variation of scale factor β with line spacing S.
Figure 8. Variation of scale factor β with line spacing S.
Energies 16 05437 g008
Figure 9. Transverse series coil set.
Figure 9. Transverse series coil set.
Energies 16 05437 g009
Figure 10. The variation of coupling coefficient with the position of series coil set.
Figure 10. The variation of coupling coefficient with the position of series coil set.
Energies 16 05437 g010
Figure 11. Magnetic field cloud map of 3 mm plane above the detection coil unit with different connection methods of multiple layers.
Figure 11. Magnetic field cloud map of 3 mm plane above the detection coil unit with different connection methods of multiple layers.
Energies 16 05437 g011
Figure 12. Anti-parallel detection coil unit.
Figure 12. Anti-parallel detection coil unit.
Energies 16 05437 g012
Figure 13. Traditional capacitor-inductor connection mode.
Figure 13. Traditional capacitor-inductor connection mode.
Energies 16 05437 g013
Figure 14. New capacitor-inductor connection mode.
Figure 14. New capacitor-inductor connection mode.
Energies 16 05437 g014
Figure 15. Detection circuit based on parallel resonance.
Figure 15. Detection circuit based on parallel resonance.
Energies 16 05437 g015
Figure 16. Variation of sampling voltage with sampling resistance.
Figure 16. Variation of sampling voltage with sampling resistance.
Energies 16 05437 g016
Figure 17. Anti-parallel reinforced detection coil set.
Figure 17. Anti-parallel reinforced detection coil set.
Energies 16 05437 g017
Figure 18. Experiment platform.
Figure 18. Experiment platform.
Energies 16 05437 g018
Figure 19. Foreign object detection system output voltage when foreign objects invade.
Figure 19. Foreign object detection system output voltage when foreign objects invade.
Energies 16 05437 g019
Figure 20. The output voltage variation of each sub-coil in the anti-series detection coil set.
Figure 20. The output voltage variation of each sub-coil in the anti-series detection coil set.
Energies 16 05437 g020
Figure 21. Each area of the sub-coil.
Figure 21. Each area of the sub-coil.
Energies 16 05437 g021
Figure 22. Variation of output voltage of sub-coils when metal foreign objects invade each area.
Figure 22. Variation of output voltage of sub-coils when metal foreign objects invade each area.
Energies 16 05437 g022
Figure 23. The output voltage variation of each area of the sub-coil in the single- and double-layer detection coil set when the paper clip falls.
Figure 23. The output voltage variation of each area of the sub-coil in the single- and double-layer detection coil set when the paper clip falls.
Energies 16 05437 g023
Figure 24. Sampling voltage of foreign object detection system when foreign objects invade.
Figure 24. Sampling voltage of foreign object detection system when foreign objects invade.
Energies 16 05437 g024
Figure 25. Variation of sampling voltage of sub-coils in single- and double-layer anti-parallel detection coil sets when different foreign objects invade.
Figure 25. Variation of sampling voltage of sub-coils in single- and double-layer anti-parallel detection coil sets when different foreign objects invade.
Energies 16 05437 g025
Table 1. System circuit parameters.
Table 1. System circuit parameters.
ParametersValue
Group1234
RL [Ω]4.650~104.654.65
ΔRL [Ω]0.720.720.720~1
ΔLD [μH]3.043.040~43.04
RD [Ω]0~20111
f [MHz]3333
Table 2. System circuit parameters.
Table 2. System circuit parameters.
ParameterValue
Outer diameter of the transmitting coil [mm2]650 × 500
Inner diameter of the transmitting coil [mm2]140 × 290
Coil thickness [mm]5
Number of turns of the transmitting coil × wire diameter [mm]8 × 5
The distance between the transmitting coil and the detection coil [mm]10
Foreign object specifications [mm3]20 × 20 × 2 Copper foil
The distance between the foreign object and the detection coil [mm]1
Table 3. System circuit parameters.
Table 3. System circuit parameters.
ParameterValue
LD [μH]5
LD [μH]1
RL [Ω]0.5
f [MHz]3
Uin [V]10
Table 4. Common metal foreign objects.
Table 4. Common metal foreign objects.
Foreign Object TypeRemark
paper clip [mm]length 29
coinsfifty-cent piece
screwreference size: M5
Disclaimer/Publisher’s Note: The statements, opinions and data contained in all publications are solely those of the individual author(s) and contributor(s) and not of MDPI and/or the editor(s). MDPI and/or the editor(s) disclaim responsibility for any injury to people or property resulting from any ideas, methods, instructions or products referred to in the content.

Share and Cite

MDPI and ACS Style

Luo, X.; Cai, S.; Liu, Z.; Hou, Y.; Xie, Y.; Sun, S.; Ding, R.; Feng, G.; Wei, X. Research on Metal Foreign Object Detection Method in Wireless Charging System of Electric Vehicle Based on Array Detection Coil. Energies 2023, 16, 5437. https://doi.org/10.3390/en16145437

AMA Style

Luo X, Cai S, Liu Z, Hou Y, Xie Y, Sun S, Ding R, Feng G, Wei X. Research on Metal Foreign Object Detection Method in Wireless Charging System of Electric Vehicle Based on Array Detection Coil. Energies. 2023; 16(14):5437. https://doi.org/10.3390/en16145437

Chicago/Turabian Style

Luo, Xueqing, Shengkun Cai, Zhizhen Liu, Yanjin Hou, Yuxin Xie, Shuyao Sun, Ran Ding, Guowen Feng, and Xiaozhao Wei. 2023. "Research on Metal Foreign Object Detection Method in Wireless Charging System of Electric Vehicle Based on Array Detection Coil" Energies 16, no. 14: 5437. https://doi.org/10.3390/en16145437

APA Style

Luo, X., Cai, S., Liu, Z., Hou, Y., Xie, Y., Sun, S., Ding, R., Feng, G., & Wei, X. (2023). Research on Metal Foreign Object Detection Method in Wireless Charging System of Electric Vehicle Based on Array Detection Coil. Energies, 16(14), 5437. https://doi.org/10.3390/en16145437

Note that from the first issue of 2016, this journal uses article numbers instead of page numbers. See further details here.

Article Metrics

Back to TopTop