Technical Review and Survey of Future Trends of Power Converters for Fast-Charging Stations of Electric Vehicles
Abstract
1. Introduction
2. Review of EV Charging Infrastructure
2.1. EV Charging Methods
Conductive Charging Method
2.2. AC-DC Charging Levels and Standards
3. DC Fast Charging
3.1. Power Levels and Coupler Types of DC Fast-Charging
3.2. Status of the DC Fast-Charging Station
3.3. DC Fast-Charging Station Architectures
4. Classification of DC Fast-Charger Conversion Stages with Converters
4.1. AC/DC Rectifier Stage
4.1.1. Unidirectional AC/DC Rectifiers
4.1.2. Bidirectional AC/DC Rectifiers
4.1.3. Summary
4.2. DC/DC Converter Stage
4.2.1. Isolated and Non-Isolated DC/DC Converters
4.2.2. Summary
5. Future Research Trends
6. Conclusions
Author Contributions
Funding
Data Availability Statement
Conflicts of Interest
References
- Situ, L. Electric vehicle development: The past, present & future. In Proceedings of the 2009 3rd International Conference on Power Electronics Systems and Applications (PESA), Hong Kong, China, 20–22 May 2009; pp. 1–3. [Google Scholar]
- Morimoto, M. Which is the first electric vehicle? Electr. Eng. Jpn. 2015, 192, 31–38. [Google Scholar] [CrossRef]
- Harikrishnan, R.; Sivagami, P.; Pushpavalli, M.; Rajesh, G.; Abirami, P.; Ram, M. Evolution of Electric Vehicle-A Review. In Proceedings of the 2023 5th International Conference on Smart Systems and Inventive Technology (ICSSIT), Tirunelveli, India, 23–25 January 2023; pp. 322–330. [Google Scholar]
- Ahmadi, M.; Mithulananthan, N.; Sharma, R. A review on topologies for fast charging stations for electric vehicles. In Proceedings of the 2016 IEEE International Conference on Power System Technology (POWERCON), Wollongong, NSW, Australia, 28 September–1 October 2016; pp. 1–6. [Google Scholar]
- Falvo, M.C.; Sbordone, D.; Bayram, I.S.; Devetsikiotis, M. EV charging stations and modes: International standards. In Proceedings of the 2014 International Symposium on Power Electronics, Electrical Drives, Automation and Motion, Ischia, Italy, 18–20 June 2014; pp. 1134–1139. [Google Scholar]
- Sanguesa, J.A.; Torres-Sanz, V.; Garrido, P.; Martinez, F.J.; Marquez-Barja, J.M. A review on electric vehicles: Technologies and challenges. Smart Cities 2021, 4, 372–404. [Google Scholar] [CrossRef]
- Sun, X.; Li, Z.; Wang, X.; Li, C. Technology development of electric vehicles: A review. Energies 2019, 13, 90. [Google Scholar] [CrossRef]
- Li, Z.; Khajepour, A.; Song, J. A comprehensive review of the key technologies for pure electric vehicles. Energy 2019, 182, 824–839. [Google Scholar] [CrossRef]
- Un-Noor, F.; Padmanaban, S.; Mihet-Popa, L.; Mollah, M.N.; Hossain, E. A comprehensive study of key electric vehicle (EV) components, technologies, challenges, impacts, and future direction of development. Energies 2017, 10, 1217. [Google Scholar] [CrossRef]
- Sadeghian, O.; Oshnoei, A.; Mohammadi-Ivatloo, B.; Vahidinasab, V.; Anvari-Moghaddam, A. A comprehensive review on electric vehicles smart charging: Solutions, strategies, technologies, and challenges. J. Energy Storage 2022, 54, 105241. [Google Scholar] [CrossRef]
- Mastoi, M.S.; Zhuang, S.; Munir, H.M.; Haris, M.; Hassan, M.; Usman, M.; Bukhari, S.S.H.; Ro, J.-S. An in-depth analysis of electric vehicle charging station infrastructure, policy implications, and future trends. Energy Rep. 2022, 8, 11504–11529. [Google Scholar] [CrossRef]
- Khalid, M.R.; Khan, I.A.; Hameed, S.; Asghar, M.S.J.; Ro, J.-S. A comprehensive review on structural topologies, power levels, energy storage systems, and standards for electric vehicle charging stations and their impacts on grid. IEEE Access 2021, 9, 128069–128094. [Google Scholar] [CrossRef]
- Habib, S.; Khan, M.M.; Abbas, F.; Sang, L.; Shahid, M.U.; Tang, H. A comprehensive study of implemented international standards, technical challenges, impacts and prospects for electric vehicles. IEEE Access 2018, 6, 13866–13890. [Google Scholar] [CrossRef]
- Suarez, C.; Martinez, W. Fast and ultra-fast charging for battery electric vehicles–a review. In Proceedings of the 2019 IEEE Energy Conversion Congress and Exposition (ECCE), Baltimore, MD, USA, 29 September–3 October 2019; pp. 569–575. [Google Scholar]
- Tu, H.; Feng, H.; Srdic, S.; Lukic, S. Extreme fast charging of electric vehicles: A technology overview. IEEE Trans. Transp. Electrif. 2019, 5, 861–878. [Google Scholar] [CrossRef]
- Kisacikoglu, M.C.; Bedir, A.; Ozpineci, B.; Tolbert, L.M. PHEV-EV Charger Technology Assessment with an Emphasis on V2G Operation; Oak Ridge National Lab (ORNL): Oak Ridge, TN, USA, 2012. [Google Scholar]
- Kumar, S.; Usman, A. A review of converter topologies for battery charging applications in plug-in hybrid electric vehicles. In Proceedings of the 2018 IEEE Industry Applications Society Annual Meeting (IAS), Portland, OR, USA, 23–27 September 2018; pp. 1–9. [Google Scholar]
- Shareef, H.; Islam, M.M.; Mohamed, A. A review of the stage-of-the-art charging technologies, placement methodologies, and impacts of electric vehicles. Renew. Sustain. Energy Rev. 2016, 64, 403–420. [Google Scholar] [CrossRef]
- Nour, M.; Chaves-Ávila, J.P.; Magdy, G.; Sánchez-Miralles, Á. Review of positive and negative impacts of electric vehicles charging on electric power systems. Energies 2020, 13, 4675. [Google Scholar] [CrossRef]
- Habib, S.; Khan, M.M.; Abbas, F.; Tang, H. Assessment of electric vehicles concerning impacts, charging infrastructure with unidirectional and bidirectional chargers, and power flow comparisons. Int. J. Energy Res. 2018, 42, 3416–3441. [Google Scholar] [CrossRef]
- Pradhan, R.; Keshmiri, N.; Emadi, A. On-Board Chargers for High-Voltage Electric Vehicle Powertrains: Future Trends and Challenges. IEEE Open J. Power Electron. 2023, 4, 189–207. [Google Scholar] [CrossRef]
- Ronanki, D.; Kelkar, A.; Williamson, S.S. Extreme fast charging technology—Prospects to enhance sustainable electric transportation. Energies 2019, 12, 3721. [Google Scholar] [CrossRef]
- Shaukat, N.; Khan, B.; Ali, S.; Mehmood, C.; Khan, J.; Farid, U.; Majid, M.; Anwar, S.; Jawad, M.; Ullah, Z. A survey on electric vehicle transportation within smart grid system. Renew. Sustain. Energy Rev. 2018, 81, 1329–1349. [Google Scholar] [CrossRef]
- SAE J1772; SAE Electric Vehicle and Plug in Hybrid Electric Vehicle Conductive Charge Coupler. 13 October 2017. Available online: https://www.sae.org/standards/content/j1772_201710/ (accessed on 22 May 2023).
- Bai, S.; Lukic, S.M. Unified active filter and energy storage system for an MW electric vehicle charging station. IEEE Trans. Power Electron. 2013, 28, 5793–5803. [Google Scholar] [CrossRef]
- Yilmaz, M.; Krein, P.T. Review of battery charger topologies, charging power levels, and infrastructure for plug-in electric and hybrid vehicles. IEEE Trans. Power Electron. 2012, 28, 2151–2169. [Google Scholar] [CrossRef]
- Rajagopalan, S.; Maitra, A.; Halliwell, J.; Davis, M.; Duvall, M. Fast charging: An in-depth look at market penetration, charging characteristics, and advanced technologies. In Proceedings of the 2013 World Electric Vehicle Symposium and Exhibition (EVS27), Barcelona, Spain, 17–20 November 2013; pp. 1–11. [Google Scholar]
- Saadaoui, A.; Ouassaid, M.; Maaroufi, M. Overview of Integration of Power Electronic Topologies and Advanced Control Techniques of Ultra-Fast EV Charging Stations in Standalone Microgrids. Energies 2023, 16, 1031. [Google Scholar] [CrossRef]
- Wang, L.; Qin, Z.; Slangen, T.; Bauer, P.; Van Wijk, T. Grid impact of electric vehicle fast charging stations: Trends, standards, issues and mitigation measures-an overview. IEEE Open J. Power Electron. 2021, 2, 56–74. [Google Scholar] [CrossRef]
- 2030.1.1-2021 IEEE Standard for Technical Specifications of a DC Quick and Bidirectional Charger for Use with Electric Vehicles. 18 February 2022. Available online: https://ieeexplore.ieee.org/document/9760299 (accessed on 22 May 2023).
- IEC 62196-3:2022 Plugs, Socket-Outlets, Vehicle Connectors and Vehicle Inlets—Conductive Charging of Electric Vehicles—Part 3: Dimensional Compatibility Requirements for DC and AC/DC Pin and Contact-Tube Vehicle Couplers. 19 October 2022. Available online: https://webstore.iec.ch/publication/59923 (accessed on 22 May 2023).
- CHAdeMO Protocol Development. Available online: https://www.chademo.com/technology/protocol-development (accessed on 22 May 2023).
- Available online: https://globalautoregs.com/participants/312-sgcc (accessed on 22 May 2023).
- Available online: https://www.chinesestandard.net/PDF.aspx/GBT20234.1-2011 (accessed on 22 May 2023).
- Available online: https://www.chinesestandard.net/PDF.aspx/GBT20234.3-2011 (accessed on 22 May 2023).
- Available online: https://main.spc.net.cn/ (accessed on 22 May 2023).
- Sharma, G.; Sood, V.K.; Alam, M.S.; Shariff, S.M. Comparison of common DC and AC bus architectures for EV fast charging stations and impact on power quality. ETransportation 2020, 5, 100066. [Google Scholar] [CrossRef]
- She, X.; Huang, A.Q.; Burgos, R. Review of solid-state transformer technologies and their application in power distribution systems. IEEE J. Emerg. Sel. Top. Power Electron. 2013, 1, 186–198. [Google Scholar] [CrossRef]
- Abu-Siada, A.; Budiri, J.; Abdou, A.F. Solid state transformers topologies, controllers, and applications: State-of-the-art literature review. Electronics 2018, 7, 298. [Google Scholar] [CrossRef]
- Dursun, M.; Döşoğlu, M.K. LCL filter design for grid connected three-phase inverter. In Proceedings of the 2018 2nd International Symposium on Multidisciplinary Studies and Innovative Technologies (ISMSIT), Ankara, Turkey, 19–21 October 2018; pp. 1–4. [Google Scholar]
- Dusmez, S.; Cook, A.; Khaligh, A. Comprehensive analysis of high quality power converters for level 3 off-board chargers. In Proceedings of the 2011 IEEE Vehicle Power and Propulsion Conference, Chicago, IL, USA, 6–9 September 2011; pp. 1–10. [Google Scholar]
- Channegowda, J.; Pathipati, V.K.; Williamson, S.S. Comprehensive review and comparison of DC fast charging converter topologies: Improving electric vehicle plug-to-wheels efficiency. In Proceedings of the 2015 IEEE 24th International Symposium on Industrial Electronics (ISIE), Buzios, Brazil, 3–5 June 2015; pp. 263–268. [Google Scholar]
- Acharige, S.S.; Haque, M.E.; Arif, M.T.; Hosseinzadeh, N.; Hasan, K.N.; Oo, A.M.T. Review of Electric Vehicle Charging Technologies, Standards, Architectures, and Converter Configurations. IEEE Access 2023, 11, 41218–41255. [Google Scholar] [CrossRef]
- Bai, S.; Yu, D.; Lukic, S. Optimum design of an EV/PHEV charging station with DC bus and storage system. In Proceedings of the 2010 IEEE Energy Conversion Congress and Exposition, Atlanta, GA, USA, 12–16 September 2010; pp. 1178–1184. [Google Scholar]
- Tan, L.; Wu, B.; Yaramasu, V.; Rivera, S.; Guo, X. Effective voltage balance control for bipolar-DC-bus-fed EV charging station with three-level DC–DC fast charger. IEEE Trans. Ind. Electron. 2016, 63, 4031–4041. [Google Scholar] [CrossRef]
- Alharbi, M.; Dahidah, M.; Pickert, V.; Yu, J. Comparison of SiC-based DC-DC modular converters for EV fast DC chargers. In Proceedings of the 2019 IEEE International Conference on Industrial Technology (ICIT), Melbourne, VIC, Australia, 13–15 February 2019; pp. 1681–1688. [Google Scholar]
- Franzese, P.; Patel, D.D.; Mohamed, A.A.; Iannuzzi, D.; Fahimi, B.; Risso, M.; Miller, J.M. Fast DC Charging Infrastructures for Electric Vehicles: Overview of Technologies, Standards, and Challenges. IEEE Trans. Transp. Electrif. 2023. [Google Scholar] [CrossRef]
- Sutar, A.; Patil, M. On the Advancements in DC Fast Charging Power Converters Technologies for Electric Vehicle. J. Act. Passiv. Electron. Devices 2021, 16, 93–108. [Google Scholar]
- Aretxabaleta, I.; De Alegria, I.M.; Andreu, J.; Kortabarria, I.; Robles, E. High-voltage stations for electric vehicle fast-charging: Trends, standards, charging modes and comparison of unity power-factor rectifiers. IEEE Access 2021, 9, 102177–102194. [Google Scholar] [CrossRef]
- Rajendran, G.; Vaithilingam, C.A.; Naidu, K.; Oruganti, K.S.P. Energy-efficient converters for electric vehicle charging stations. SN Appl. Sci. 2020, 2, 583. [Google Scholar] [CrossRef]
- Shuguang, L.; Jiang, J.; Cheng, G. Research on vector control strategy of three phase VIENNA rectifier employed in EV charger. In Proceedings of the 2019 Chinese Control and Decision Conference (CCDC), Nanchang, China, 3–5 June 2019; pp. 4914–4917. [Google Scholar]
- Ali, A.; Chuanwen, J.; Yan, Z.; Habib, S.; Khan, M.M. An efficient soft-switched vienna rectifier topology for EV battery chargers. Energy Rep. 2021, 7, 5059–5073. [Google Scholar] [CrossRef]
- Dalessandro, L.; Round, S.D.; Drofenik, U.; Kolar, J.W. Discontinuous space-vector modulation for three-level PWM rectifiers. IEEE Trans. Power Electron. 2008, 23, 530–542. [Google Scholar] [CrossRef]
- Leibl, M.; Kolar, J.W.; Deuringer, J. New current control scheme for the vienna rectifier in discontinuous conduction mode. In Proceedings of the 2014 IEEE Energy Conversion Congress and Exposition (ECCE), Pittsburgh, PA, USA, 14–18 September 2014; pp. 1240–1247. [Google Scholar]
- Bindra, A.; Keim, T. Exciting Advances in Power Electronics: APEC 2018 Divulges Latest Advances in Magnetics, Wide-Bandgap Devices, Vehicle Batteries, 3-D Packaging, and More. IEEE Power Electron. Mag. 2018, 5, 49–55. [Google Scholar] [CrossRef]
- Ramasamy, S.; Reddy, D.; Saravanan, S. Comparative Analysis of RBFN and Fuzzy-SVPWM Controller Based Boost Type Vienna Rectifier for 1kW Wind Energy Conversion System. J. Green Eng. 2018, 8, 177–200. [Google Scholar] [CrossRef]
- White, R.V. Packaging and Integration and the Future of Power Electronics [White Hot]. IEEE Power Electron. Mag. 2020, 7, 87–92. [Google Scholar] [CrossRef]
- Kolar, J.W.; Zach, F.C. A novel three-phase utility interface minimizing line current harmonics of high-power telecommunications rectifier modules. IEEE Trans. Ind. Electron. 1997, 44, 456–467. [Google Scholar] [CrossRef]
- Verma, A.; Singh, B. Three phase off-board bi-directional charger for EV with V2G functionality. In Proceedings of the 2017 7th International Conference on Power Systems (ICPS), Shivajinagar, India, 21–23 December 2017; pp. 145–150. [Google Scholar]
- Rivera, S.; Wu, B.; Kouro, S.; Yaramasu, V.; Wang, J. Electric vehicle charging station using a neutral point clamped converter with bipolar DC bus. IEEE Trans. Ind. Electron. 2014, 62, 1999–2009. [Google Scholar] [CrossRef]
- Cuma, M.U.; Savrun, M.M. Performance Benchmarking of Active-Front-End Rectifier Topologies Used in High-Power, High-Voltage Onboard EV Chargers. Çukurova Üni. Müh. Fak. Derg. 2021, 36, 1041–1050. [Google Scholar] [CrossRef]
- Yang, B.; Lee, F.C.; Zhang, A.J.; Huang, G. LLC resonant converter for front end DC/DC conversion. In Proceedings of the APEC. Seventeenth Annual IEEE Applied Power Electronics Conference and Exposition (Cat. No. 02CH37335), Dallas, TX, USA, 10–14 March 2002; pp. 1108–1112. [Google Scholar]
- Wang, H.; Dusmez, S.; Khaligh, A. Maximum efficiency point tracking technique for $ LLC $-based PEV chargers through variable DC link control. IEEE Trans. Ind. Electron. 2014, 61, 6041–6049. [Google Scholar] [CrossRef]
- Deng, J.; Li, S.; Hu, S.; Mi, C.C.; Ma, R. Design methodology of LLC resonant converters for electric vehicle battery chargers. IEEE Trans. Veh. Technol. 2013, 63, 1581–1592. [Google Scholar] [CrossRef]
- Zhao, B.; Song, Q.; Liu, W.; Sun, Y. Overview of dual-active-bridge isolated bidirectional DC–DC converter for high-frequency-link power-conversion system. IEEE Trans. Power Electron. 2013, 29, 4091–4106. [Google Scholar] [CrossRef]
- Kheraluwala, M.; Gascoigne, R.W.; Divan, D.M.; Baumann, E.D. Performance characterization of a high-power dual active bridge DC-to-DC converter. IEEE Trans. Ind. Appl. 1992, 28, 1294–1301. [Google Scholar] [CrossRef]
- Harada, K.; Ninomiya, T.; Kakihara, H. Effects of stray capacitances between transformer windings on the noise characteristics in switching power converters. In Proceedings of the 1981 IEEE Power Electronics Specialists Conference, Boulder, CO, USA, 29 June–3 July 1981; pp. 112–123. [Google Scholar]
- Khalid, U.; Khan, M.M.; Xiang, Z.; Jianyang, Y. Bidirectional modular Dual Active Bridge (DAB) converter using multi-limb-core transformer with symmetrical LC series resonant tank based on cascaded converters in solid state transformer (SST). In Proceedings of the 2017 China International Electrical and Energy Conference (CIEEC), Beijing, China, 25–27 October 2017; pp. 627–632. [Google Scholar]
- Safayatullah, M.; Elrais, M.T.; Ghosh, S.; Rezaii, R.; Batarseh, I. A comprehensive review of power converter topologies and control methods for electric vehicle fast charging applications. IEEE Access 2022, 10, 40753–40793. [Google Scholar] [CrossRef]
- Zhou, K.; Wu, Y.; Wu, X.; Sun, Y.; Teng, D.; Liu, Y. Research and Development Review of Power Converter Topologies and Control Technology for Electric Vehicle Fast-Charging Systems. Electronics 2023, 12, 1581. [Google Scholar] [CrossRef]
- Chakraborty, S.; Vu, H.-N.; Hasan, M.M.; Tran, D.-D.; Baghdadi, M.E.; Hegazy, O. DC-DC converter topologies for electric vehicles, plug-in hybrid electric vehicles and fast charging stations: State of the art and future trends. Energies 2019, 12, 1569. [Google Scholar] [CrossRef]
- Hassanzadeh, N.; Yazdani, F.; Haghbin, S.; Thiringer, T. Design of a 50 kw phase-shifted full-bridge converter used for fast charging applications. In Proceedings of the 2017 IEEE Vehicle Power and Propulsion Conference (VPPC), Belfort, France, 11–14 December 2017; pp. 1–5. [Google Scholar]
- Vishnuram, P.; Bajaj, M.; Khurshaid, T.; Nauman, A.; Kamel, S. A comprehensive review on EV power converter topologies charger types infrastructure and communication techniques. Front. Energy Res. 2023, 11, 1103093. [Google Scholar] [CrossRef]
- Venugopal, R.; Balaji, C.; Savio, A.D.; Narayanamoorthi, R.; AboRas, K.M.; Kotb, H.; Ghadi, Y.Y.; Shouran, M.; Elgamli, E. Review on unidirectional non-isolated high gain DC-DC converters for EV sustainable DC fast charging applications. IEEE Access 2023. [Google Scholar] [CrossRef]
- Du, Y.; Zhou, X.; Bai, S.; Lukic, S.; Huang, A. Review of non-isolated bi-directional DC-DC converters for plug-in hybrid electric vehicle charge station application at municipal parking decks. In Proceedings of the 2010 Twenty-Fifth Annual IEEE Applied Power Electronics Conference and Exposition (APEC), Palm Springs, CA, USA, 21–25 February 2010; pp. 1145–1151. [Google Scholar]
- Tank, S.B.; Manavar, K.; Adroja, N. Non-isolated bi-directional DC-DC converters for plug-in hybrid electric vehicle charge station application. In Proceedings of the Emerging Trends in Computer & Electrical Engineering (ETCEE 2015), Rajkot, India, 13–14 March 2015. [Google Scholar]
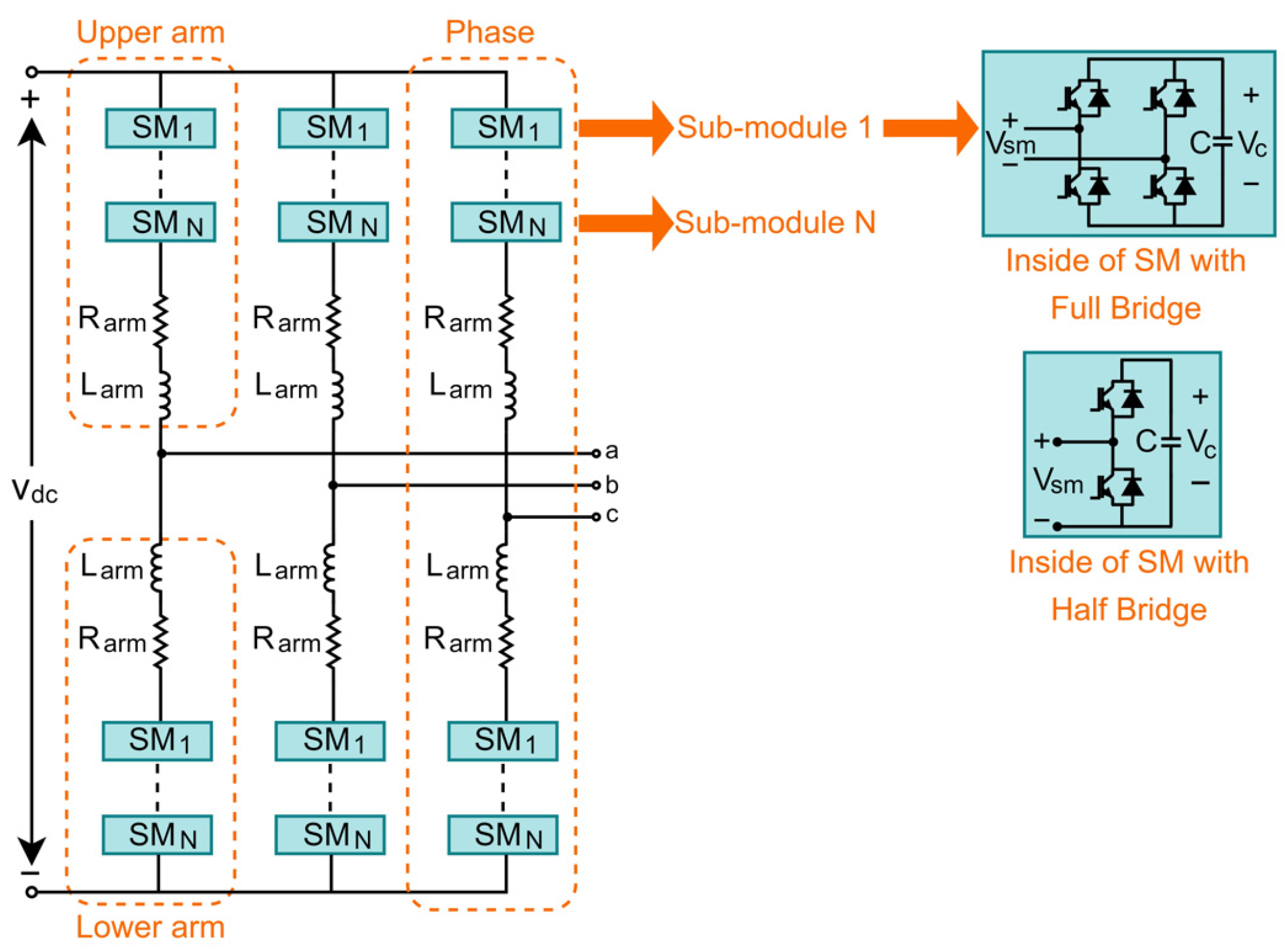
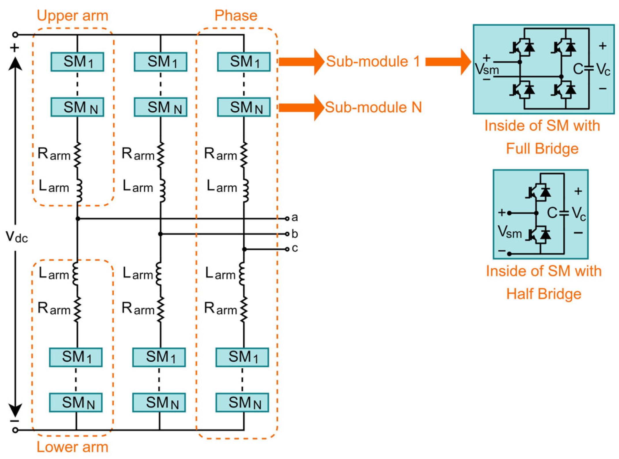
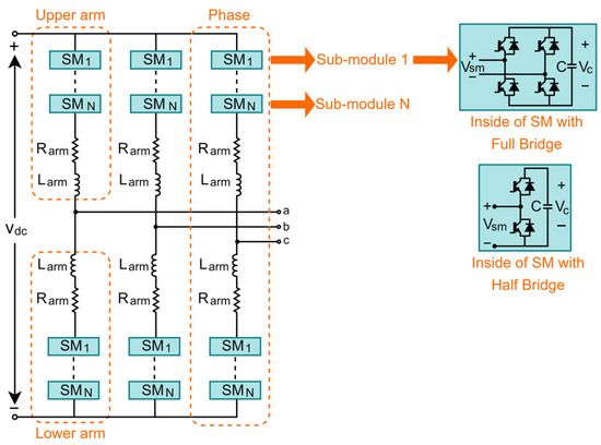
- Camurca, L.; Pereira, T.; Hoffmann, F.; Liserre, M. Analysis, Limitations, and Opportunities of Modular Multilevel Converter-Based Architectures in Fast Charging Stations Infrastructures. IEEE Trans. Power Electron. 2022, 37, 10747–10760. [Google Scholar] [CrossRef]
- Hariri, R.; Sebaaly, F.; Kanaan, H.Y. A review on modular multilevel converters in electric vehicles. In Proceedings of the IECON 2020 The 46th Annual Conference of the IEEE Industrial Electronics Society, Singapore, 18–21 October 2020; pp. 4987–4993. [Google Scholar]
- Camurca, L.; Langwasser, M.; Zhu, R.; Liserre, M. Future MVDC applications using modular multilevel converter. In Proceedings of the 2020 6th IEEE International Energy Conference (ENERGYCon), Gammarth, Tunisia, 28 September–1 October 2020; pp. 1024–1029. [Google Scholar]
- Rodríguez, C.; Vidal, C.; Barros, R.; Díaz, M.; Rajendran, S. Control of an Ultrafast Electric Vehicle Charger based on a Series-Parallel Modular Multilevel Converter. In Proceedings of the 2022 Second International Conference on Sustainable Mobility Applications, Renewables and Technology (SMART), Lazio, Italy, 23–25 November 2022; pp. 1–6. [Google Scholar]
- Balachandran, A. Battery Integrated Modular Multilevel Converter Topologies for Automotive Applications; Linköping University Electronic Press: Linköping, Sweden, 2023. [Google Scholar]
- Rubio, F.; Pereda, J.; Rojas, F.; Poblete, P. Hybrid Sorting Strategy for Modular Multilevel Converters with Partially Integrated 2nd Life Battery Energy Storage Systems for fast EV charging. In Proceedings of the 2022 IEEE 7th Southern Power Electronics Conference (SPEC), Nadi, Fiji, 5–8 December 2022; pp. 1–7. [Google Scholar]
- Quraan, M.; Abu-Khaizaran, M.; Sa’ed, J.; Hashlamoun, W.; Tricoli, P. Design and control of battery charger for electric vehicles using modular multilevel converters. IET Power Electron. 2021, 14, 140–157. [Google Scholar] [CrossRef]
- Atanalian, S.; Al-Haddad, K.; Zgheib, R.; Kanaan, H.Y. A review on electric vehicles battery chargers and ac/dc converters for fast charging stations. In Proceedings of the 2021 IEEE 3rd International Multidisciplinary Conference on Engineering Technology (IMCET), Beirut, Lebanon, 8–10 December 2021; pp. 43–48. [Google Scholar]
- Kilicoglu, H.; Arya, H.; Das, M.; Tricoli, P. A New High-power Charging Points for Battery Electric Vehicles with Modular Push-pull Converters. In Proceedings of the 2022 International Symposium on Power Electronics, Electrical Drives, Automation and Motion (SPEEDAM), Sorrento, Italy, 22–24 June 2022; pp. 581–586. [Google Scholar]
- Hagiwara, M.; Akagi, H. Control and experiment of a modular push-pull PWM converter for a battery energy storage system. In Proceedings of the 2014 International Power Electronics Conference (IPEC-Hiroshima 2014-ECCE ASIA), Hiroshima, Japan, 18–21 May 2014; pp. 2323–2329. [Google Scholar]
- Kurtoğlu, M.; Eroğlu, F.; Arslan, A.O.; Vural, A.M. Modular multilevel converters: A study on topology, control and applications. In Proceedings of the 2018 5th International Conference on Electrical and Electronic Engineering (ICEEE), Istanbul, Turkey, 3–5 May 2018; pp. 79–84. [Google Scholar]
- Hagiwara, M.; Akagi, H. A battery energy storage system with a modular push-pull PWM converter. In Proceedings of the 2012 IEEE Energy Conversion Congress and Exposition (ECCE), Raleigh, NC, USA, 15–20 September 2012; pp. 747–754. [Google Scholar]
- Mishra, P.; Bhesaniya, M.M. Comparison of total harmonic distortion of modular multilevel converter and parallel hybrid modular multilevel converter. In Proceedings of the 2018 2nd International Conference on Trends in Electronics and Informatics (ICOEI), Tirunelveli, India, 11–12 May 2018; pp. 890–894. [Google Scholar]
- Akbar, S.M.; Hasan, A. Review of high voltage DC/DC modular multilevel converters. In Proceedings of the 2018 15th International Conference on Smart Cities: Improving Quality of Life Using ICT & IoT (HONET-ICT), Islamabad, Pakistan, 8–10 October 2018; pp. 46–50. [Google Scholar]
- Deng, F.; Liu, D.; Wang, Y.; Wang, Q.; Chen, Z. Modular multilevel converters based variable speed wind turbines for grid faults. In Proceedings of the IECON 2016-42nd Annual Conference of the IEEE Industrial Electronics Society, Florence, Italy, 23–26 October 2016; pp. 2420–2425. [Google Scholar]
- Hagiwara, M.; Akagi, H. Experiment and simulation of a modular push–pull PWM converter for a battery energy storage system. IEEE Trans. Ind. Appl. 2013, 50, 1131–1140. [Google Scholar] [CrossRef]











| Types of Power Levels | Location for Charger | Typical Use | Level of Power (P: kW) | EV Type, Time of Charging (hours) |
|---|---|---|---|---|
| Level 1 (AC): Convenient Vac: 230 (EU) Vac: 120 (US) | Single phase On-board | Residential | P: 1.4 (12 A) P: 1.9 (20 A) | PHEVs (5–15 kWh) 4 to 11 EVs (16–50 kWh) 11 to 36 |
| Level 2 (AC): Main Vac: 400 (EU) Vac: 240 (US) | Single or three-phase On-board | Residential and workplace (Privately and publicly charging) | P: 4 (17 A) P: 8 (32 A) P: 19.2 (80 A) | PHEVs (5–15 kWh) 1 to 4 EVs (16–30 kWh) 2 to 6 EVs (3 to 50 kWh) 2 to 3 |
| Level 3 (DC): Fast (208–600 Vac or Vdc) | Three-phase Off-board | Station (Publicly and commercially charging) | P: 50 P: 100 | EVs (20–50 kWh) 0.4 to 1 0.2 to 0.5 |
| Standard | CHAdeMO | GB/T | CCS Type 1 | CCS Type 2 | Tesla | ChaoJi |
|---|---|---|---|---|---|---|
| Compliant Standards | IEEE 2030.1.1 [30] IEC 62196-3 [31] (Configuration AA) | IEC 62196-3 [31] (Configuration BB) | SAE J1772 [24] IEC 62196-3 [31] (Configuration EE) | IEC 62196-3 [31] (Configuration FF) | No related items | CHAdeMO [32] and GB/T [33,34,35,36] (IEC and CCS is ongoing) |
| Maximum Voltage (V) | 1000 | 750 | 600 | 900 | 500 | 1500 |
| Maximum Current (A) | 400 | 250 | 400 | 400 | 631 | 600 |
| Maximum Power (kW) | 400 | 185 | 200 | 350 | 250 | 900 |
| V2X Function | Yes | No | No | No | Unknown | Yes |
| Features | 12-Pulse Diode Bridge | Vienna | PWM | NPC |
|---|---|---|---|---|
| Number of diodes | 12 | 6 | 0 | 6 |
| Number of switches | 0 | 6 | 6 | 12 |
| Bidirectional power flow | No | No | Yes | Yes |
| Harmonic content | Low | Very low | Low | Very low |
| Control complexity | Low | Moderate | Low | High |
| Cost and size | Moderate | Moderate | Low | High |
| Efficiency | Low | High | Moderate | High |
| PF Range | Low | Limited | High | High |
| Converters | Isolated | Diodes/Switches | Advantages/Disadvantages |
|---|---|---|---|
| LLC resonant | Yes | 4/4 | Reduced losses thanks to soft switching capability. Complex control. Hard to maintain ZVS in case of light load condition. |
| DAB | Yes | 0/8 | Good performance at a widely achievable output voltage range. Requires an appropriate control scheme to increase efficiency by creating a balance between reactive power and ZVS. |
| PSFB | Yes | 4/4 | Simple phase-shift PWM control, low EMI, decreased current stress on devices. Hard-switching on the secondary side. High losses, low efficiency. |
| Boost | No | 0/2 | Low control complexity. Current and voltage capabilities are limited. |
| Buck-boost | No | 0/2 | Operation in both buck and boost modes. High output current ripple, increased size of the filter capacitor while operating discontinuously in the boost mode. |
| Interleaved boost | No | 0/6 | Low current ripple with increased current capability, simple control, modularity. Limited voltage capability. |
| Bidirectional three-level boost | No | 0/4 | Improved voltage capability, low charging current ripples. Large circulating currents, non-modularity. |
| Flying capacitor | No | 0/4 | Improved voltage capability, modularity. Limited short circuit protection. |
| H-bridge | No | 0/4 | Reduced voltage stress across the switches. Maintaining the SOC as the desired value. Increase in the RMS and average currents of inductor and switches. |
Disclaimer/Publisher’s Note: The statements, opinions and data contained in all publications are solely those of the individual author(s) and contributor(s) and not of MDPI and/or the editor(s). MDPI and/or the editor(s) disclaim responsibility for any injury to people or property resulting from any ideas, methods, instructions or products referred to in the content. |
© 2023 by the authors. Licensee MDPI, Basel, Switzerland. This article is an open access article distributed under the terms and conditions of the Creative Commons Attribution (CC BY) license (https://creativecommons.org/licenses/by/4.0/).
Share and Cite
Kilicoglu, H.; Tricoli, P. Technical Review and Survey of Future Trends of Power Converters for Fast-Charging Stations of Electric Vehicles. Energies 2023, 16, 5204. https://doi.org/10.3390/en16135204
Kilicoglu H, Tricoli P. Technical Review and Survey of Future Trends of Power Converters for Fast-Charging Stations of Electric Vehicles. Energies. 2023; 16(13):5204. https://doi.org/10.3390/en16135204
Chicago/Turabian StyleKilicoglu, Halise, and Pietro Tricoli. 2023. "Technical Review and Survey of Future Trends of Power Converters for Fast-Charging Stations of Electric Vehicles" Energies 16, no. 13: 5204. https://doi.org/10.3390/en16135204
APA StyleKilicoglu, H., & Tricoli, P. (2023). Technical Review and Survey of Future Trends of Power Converters for Fast-Charging Stations of Electric Vehicles. Energies, 16(13), 5204. https://doi.org/10.3390/en16135204

