Optimized Circulating Current Control and Enhanced AC Fault Ride-through Capability Using Model Predictive Control for MMC-HVDC Applications
Abstract
1. Introduction
2. Comparison with Previous Research
- The proposed MPC has no need for PI-regulators and pulse width modulators, thereby significantly enhancing dynamic response and controllability.
 - The proposed MPC shows remarkable effectiveness not only in regulating circulating currents but also in controlling output current and addressing the voltage ripple issues linked to SM capacitors.
 - Proposal of a novel communication-free, improved FRT method, eliminating the need for a DC chopper.
 - The advanced FRT method guarantees quick recovery post-fault occurrence while effectively keeping DC link and capacitor voltages within safe boundaries.
 
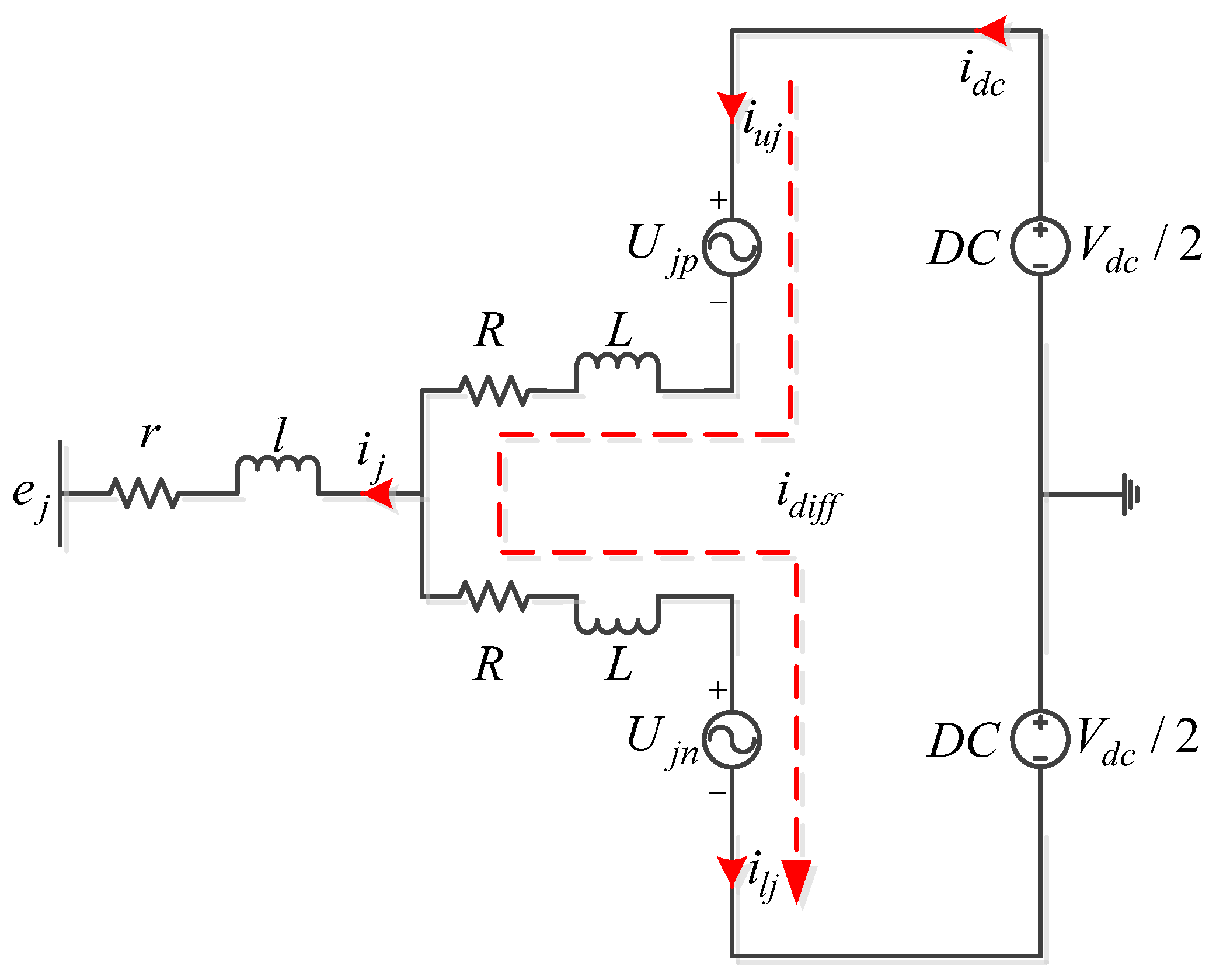
3. Proposed MPC for MMC-HVDC System
- Anticipating the performance of controlled variables across all potential switching states;
 - Assessing the cost function corresponding to each prediction;
 - Choosing the switching state that results in a minimized cost function.
 
3.1. AC Current Tracking
3.2. Restricting Circulating Current
3.3. Cost Function
4. Proposed System Description
5. Result Discussions
5.1. Simulation Results for Proposed MPC-Based MMC-HVDC under Steady-State Operation
5.2. Simulation Results for Proposed MPC-Based MMC-HVDC under AC Fault (Voltage Dip)
6. Conclusions
Author Contributions
Funding
Data Availability Statement
Acknowledgments
Conflicts of Interest
References
- Soomro, J.B.; Akhtar, F.; Hussain, R.; Ansari, J.A.; Munir, H.M. A Detailed Review of MMC Circuit Topologies and Modelling Issues. Int. Trans. Electr. Energy Syst. 2022, 2022, 8734010. [Google Scholar] [CrossRef]
 - Gomis-Bellmunt, O.; Bassols, J.S.; Prieto-Araujo, E.; Cheah-Mane, M. Flexible converters for meshed HVDC grids: From Flexible AC transmission systems (FACTS) to Flexible DC grids. IEEE Trans. Power Deliv. 2019, 35, 2–15. [Google Scholar] [CrossRef]
 - Soomro, J.B.; Akhter, F.; Ali, S.; Bukhari, S.S.H.; Sami, I.; Ro, J.-S. Modified Nearest Level Modulation for Full-Bridge Based HVDC MMC in Real-Time Hardware-in-Loop Setup. IEEE Access 2021, 9, 114998–115005. [Google Scholar] [CrossRef]
 - Ali, S.; Soomro, J.B.; Mughal, M.; Chachar, F.A.; Bukhari, S.S.H.; Ro, J.-S. Power quality improvement in HVDC MMC with modified nearest level control in real-time HIL based setup. IEEE Access 2020, 8, 221712–221719. [Google Scholar] [CrossRef]
 - Chandio, H.R.; Chachar, F.A.; Soomro, J.B.; Ansari, J.A.; Munir, H.M.; Zawbaa, H.M.; Kamel, S. Control and protection of MMC-based HVDC systems: A review. Energy Rep. 2023, 9, 1571–1588. [Google Scholar] [CrossRef]
 - Cui, S.; Lee, H.-J.; Jung, J.-J.; Lee, Y.; Sul, S.-K. A comprehensive AC-side single-line-to-ground fault ride through strategy of an MMC-based HVDC system. IEEE J. Emerg. Sel. Top. Power Electron. 2018, 6, 1021–1031. [Google Scholar] [CrossRef]
 - Cui, S.; Lee, H.-J.; Jung, J.-J.; Lee, Y.; Sul, S.-K. A comprehensive AC side single line to ground fault ride through strategy of a modular multilevel converter for HVDC system. In Proceedings of the 2015 IEEE Energy Conversion Congress and Exposition (ECCE), Montreal, QC, Canada, 20–24 September 2015; pp. 5378–5385. [Google Scholar]
 - Luo, Y.; Yi, P.; Xiaofu, X.; Jiang, W.; Yonghui, S. DC fault ride-through method for full-bridge MMC-based MTDC systems. J. Eng. 2019, 2019, 3175–3179. [Google Scholar] [CrossRef]
 - Xin, Y.; Lou, W.; Li, G.; Jiang, S.; Wang, T.; Yang, Y. AC fault ride-through coordinated control strategy of LCC-MMC hybrid DC transmission system connected to passive networks. Int. J. Electr. Power Energy Syst. 2021, 131, 107076. [Google Scholar] [CrossRef]
 - Zhou, Z.; Chen, Z.; Wang, X.; Du, D.; Yang, G.; Wang, Y.; Hao, L. AC fault ride through control strategy on inverter side of hybrid HVDC transmission systems. J. Mod. Power Syst. Clean Energy 2019, 7, 1129–1141. [Google Scholar] [CrossRef]
 - Qingrui, T.; Xu, Z.; Xu, L. Reduced switching-frequency modulation and circulating current suppression for modular multilevel converters. IEEE Trans. Power Deliv. 2011, 26, 2009–2017. [Google Scholar] [CrossRef]
 - Qingquan, L.; Li, B.; He, J.; Prieto-Araujo, E.; Spier, D.W.; Lyu, H.; Gomis-Bellmunt, O. A novel design of circulating current control target to minimize SM capacitance in MMC. Int. J. Electr. Power Energy Syst. 2022, 143, 108432. [Google Scholar]
 - Miguel, M.; Bueno, E.; Sanz, I.; Rodríguez, F.J. New approaches to circulating current controllers for modular multilevel converters. Energies 2017, 10, 86. [Google Scholar]
 - Behrooz, B.; Debnath, S.; Saeedifard, M. Circulating current suppression of the modular multilevel converter in a double-frequency rotating reference frame. IEEE Trans. Power Electron. 2015, 31, 783–792. [Google Scholar]
 - Nasiru, B.K.; Dahidah, M.; Ethni, S.; Muhammad, M. Lifetime and reliability im-provements in modular multilevel converters using controlled circulating current. J. Power Electron. 2021, 21, 1611–1620. [Google Scholar]
 - Waqar, U.; Busarello, T.D.; Zeb, K.; Khan, M.A.; Yedluri, A.K.; Kim, H.-J. Control Strategy Based on Arm-Level Control for Output and Circulating Current of MMC in Stationary Reference Frame. Energies 2021, 14, 4160. [Google Scholar]
 - Muhammad, I.; Uddin, W.; Zeb, K.; Khan, I.; Islam, S.U.; Khan, M.A.; Kim, H.J. Output Current Control of Modular MultiLevel Converter Using BackStepping Controller. In Proceedings of the 2019 15th International Conference on Emerging Technologies (ICET), Peshawar, Pakistan, 2–3 December 2019; pp. 1–5. [Google Scholar]
 - Ishfaq, M.; Uddin, W.; Zeb, K.; Khan, I.; Islam, S.U.; Khan, M.A.; Kim, H.J. A new adaptive approach to control circulating and output current of modular multilevel converter. Energies 2019, 12, 1118. [Google Scholar] [CrossRef]
 - Waqar, U.; Zeb, K.; Khan, M.A.; Ishfaq, M.; Khan, I.; Islam, S.; Kim, H.-J.; Park, G.S.; Lee, C. Control of output and circulating current of modular multilevel converter using a sliding mode approach. Energies 2019, 12, 4084. [Google Scholar]
 - Songda, W.; Teodorescu, R.; Chaudhary, S.K. Capacitor voltage ripple reduction methods of modular multilevel converter under unbalanced fault conditions: A comparison. In Proceedings of the 2018 IEEE International Power Electronics and Application Conference and Exposition (PEAC), Shenzhen, China, 4–7 November 2018; pp. 1–6. [Google Scholar]
 - Songda, W.; Bao, D.; Gontijo, G.; Chaudhary, S.; Teodorescu, R. Modeling and Mitigation Control of the Submodule-Capacitor Voltage Ripple of a Modular Multilevel Converter under Unbalanced Grid Conditions. Energies 2021, 14, 651. [Google Scholar]
 - Nazmus, S.M.; Azad, S.P.; Kazerani, M. A critical review of modular multilevel converter con-figurations and submodule topologies from DC fault blocking and ride-through capabilities viewpoints for HVDC applica-tions. Energies 2022, 15, 4176. [Google Scholar]
 - Xinyu, L.; Xu, Z.; Wang, G.; Li, X. Accurate estimation on AC short-circuit current for grid-connected MMC-HVDC system considering FRT and various control modes. Int. J. Electr. Power Energy Syst. 2022, 136, 107683. [Google Scholar]
 - Ashrafi, N.S.H.; Liu, Z.; Chen, Z.; Bak-Jensen, B.; Hu, S. Protection system of multi-terminal MMC-based HVDC grids: A survey. In Proceedings of the 2022 International Conference on Power Energy Systems and Applications (ICoPESA), Singapore, 25–27 February 2022; pp. 167–177. [Google Scholar]
 - Mahmoud, M.E.; Izzularab, M.A.; Zhang, X.-P. Technical treating and riding-through symmetrical grid faults for MMC-HVDC connected offshore wind farms. In Proceedings of the 2022 23rd International Middle East Power Systems Conference (MEPCON), Cairo, Egypt, 13–15 December 2022; pp. 1–6. [Google Scholar]
 - Wenqiang, W.; Jia, K.; Hou, L.; Sun, J.; Liu, B. Coordinated control strategy to enhance FRT capacity for offshore wind farms connected MMC-HVDC. In Conference Proceedings of 2021 International Joint Conference on Energy, Electrical and Power Engineering: Power Electronics, Energy Storage and System Control in Energy and Electrical Power Systems; Springer Nature: Singapore, 2022; pp. 255–261. [Google Scholar]
 - Carolin, H.; Goertz, M.; Wenig, S.; Bisseling, A.; Suriyah, M.; Leibfried, T. On Fault-Ride-Through Performance in MMC-HVDC Applications Controlled as a Virtual Synchronous Machine. IEEE Trans. Energy Convers. 2022, 37, 2803–2812. [Google Scholar]
 - Haihan, Y.; Chen, W.; Wu, H.; Cao, W.; He, G.; Li, G. Enhanced AC Fault Ride-Through Control for MMC-Integrated System Based on Active PCC Voltage Drop. J. Mod. Power Syst. Clean Energy 2022, 1–15. [Google Scholar]
 - Kordkheili, H.; Farhan, S.; Hamzeh, M. AC Fault ride-through strategy for MMC-based HVDC systems with short lines. In Proceedings of the 2023 14th Power Electronics, Drive Systems, and Technologies Conference (PEDSTC), Babol, Iran, 31 January–2 February 2023; pp. 1–6. [Google Scholar]
 - Adam, G.P.; Ahmed, K.H.; Finney, S.J.; Williams, B.W. AC fault ride-through capability of a VSC-HVDC transmission systems. In Proceedings of the 2010 IEEE Energy Conversion Congress and Exposition, Atlanta, GA, USA, 12–16 September 2010; pp. 3739–3745. [Google Scholar] [CrossRef]
 - Endre, S.T. Development of a Power Quality Conditioning System for Particle Accelerators. Ph.D. Thesis, Norwegian University of Science and Technology, Trondheim, Norway, 2018. [Google Scholar]
 - Cortes, P.; Kouro, S.; La Rocca, B.; Vargas, R.; Rodriguez, J.; Leon, J.I.; Vazquez, S.; Franquelo, L.G. Guidelines for weighting factors design in model predictive control of power converters and drives. In Proceedings of the 2009 IEEE International Conference on Industrial Technology, Churchill, VIC, Australia, 10–13 February 2009; pp. 1–7. [Google Scholar]
 - Perez, M.A.; Fuentes, E.; Rodriguez, J. Predictive current control of ac-ac modular multilevel converters. In Proceedings of the 2010 IEEE International Conference on Industrial Technology, Via del Mar, Chile, 14–17 March 2010; pp. 1289–1294. [Google Scholar]
 - Riar, B.S.; Geyer, T.; Madawala, U.K. Model Predictive Direct Current Control of Modular Multilevel Converters: Modeling, Analysis, and Experimental Evaluation. IEEE Trans. Power Electron. 2015, 30, 431–439. [Google Scholar] [CrossRef]
 - Liu, P.; Wang, Y.; Cong, W.; Lei, W. Grouping-Sorting-Optimized Model Predictive Control for Modular Multilevel Converter with Reduced Computational Load. IEEE Trans. Power Electron. 2015, 31, 1896–1907. [Google Scholar] [CrossRef]
 - Yuebin, Z.; Daozhuo, J.; Jie, G.; Pengfei, H.; Zhiyong, L. Control of modular multilevel converter based on stationary frame under unbalanced AC system. In Proceedings of the 2012 Third International Conference on Digital Manufacturing & Automation, Guilin, China, 31 July–2 August 2012; pp. 293–296. [Google Scholar]
 






















| Study Ref. | Control Method | Major Findings and Limitations | 
|---|---|---|
| [16] | Vector current control with PR controller | Validated at arm level, performed better than leg-level control with PR controller. No HVDC integration or fault scenario resilience tested. | 
| [17] | Integral backstepping controller (IBS) | Suppressed circulating current and reduced CVR more effectively than PR controller. No HVDC integration or fault scenario resilience tested. | 
| [18] | Adaptive proportional integral (API) controller | More effective than PR controller in suppressing circulating current. No HVDC integration or fault scenario resilience tested. | 
| [19] | Sliding mode control (SMC) | Controlled output and circulating current effectively compared to PR controller. No HVDC integration or fault scenario resilience tested. | 
| [20,21] | Various MMC SM CVR and circulating current control under AC fault | Ensured safe operation limits during AC faults. No transient analysis under different AC and DC faults. | 
| [22,23,24,25,26,27] | Various control and protection approaches for HVDC | Enhanced AC FRT capabilities, yet risks were present during faults, causing power imbalances and increased DC bus voltage. | 
| [30] | FRT systems with communication link | Achieved improved DC voltage performance but at the cost of potential communication failure and additional costs. | 
| [31] | Control method aimed at diminishing voltage dips for HVDC | Used internal energy of MMC to provide consistent power during voltage dips. Did not focus on circulating current and CVR issues. | 
| This Study | Proposed model predictive control (MPC) | Effectively regulated circulating currents and controlled output current. Eliminated need for PI-regulators and pulse width modulators. Proposed a novel communication-free, improved FRT method. | 
| Parameters | Symbols | Value | Unit | 
| grid voltage (line–line) | 66,000 | V | |
| grid frequency | F | 50 | Hz | 
| dc-link voltage | Vdc | 135,000 | V | 
| arm resistance | rarm | 0.5 | Ω | 
| arm inductance | larm | 0.0207 | mH | 
| number of SMs | n | 50 | |
| SMs Capacitance | CSM | 15 | mF | 
| Parameters | Symbols | Value | Unit | 
| nominal power for converters | Pnom | 220 | MW | 
| nominal apparent power for converters | Snom | 220 | MVA | 
| nominal line current | Inom | 1.9 | kA | 
| startup resistance for inrush | rstartup | 17 | Ω | 
| load active power nominal | Pload | 110 | MW | 
| load reactive power nominal | Qload | 0 | VAR | 
| apparent load power | Sload | 110 | MVA | 
Disclaimer/Publisher’s Note: The statements, opinions and data contained in all publications are solely those of the individual author(s) and contributor(s) and not of MDPI and/or the editor(s). MDPI and/or the editor(s) disclaim responsibility for any injury to people or property resulting from any ideas, methods, instructions or products referred to in the content.  | 
© 2023 by the authors. Licensee MDPI, Basel, Switzerland. This article is an open access article distributed under the terms and conditions of the Creative Commons Attribution (CC BY) license (https://creativecommons.org/licenses/by/4.0/).
Share and Cite
Soomro, J.B.; Chachar, F.A.; Shah, M.A.; Memon, A.A.; Alsaif, F.; Alsulamy, S. Optimized Circulating Current Control and Enhanced AC Fault Ride-through Capability Using Model Predictive Control for MMC-HVDC Applications. Energies 2023, 16, 5159. https://doi.org/10.3390/en16135159
Soomro JB, Chachar FA, Shah MA, Memon AA, Alsaif F, Alsulamy S. Optimized Circulating Current Control and Enhanced AC Fault Ride-through Capability Using Model Predictive Control for MMC-HVDC Applications. Energies. 2023; 16(13):5159. https://doi.org/10.3390/en16135159
Chicago/Turabian StyleSoomro, Jahangeer Badar, Faheem Akhtar Chachar, Madad Ali Shah, Abdul Aziz Memon, Faisal Alsaif, and Sager Alsulamy. 2023. "Optimized Circulating Current Control and Enhanced AC Fault Ride-through Capability Using Model Predictive Control for MMC-HVDC Applications" Energies 16, no. 13: 5159. https://doi.org/10.3390/en16135159
APA StyleSoomro, J. B., Chachar, F. A., Shah, M. A., Memon, A. A., Alsaif, F., & Alsulamy, S. (2023). Optimized Circulating Current Control and Enhanced AC Fault Ride-through Capability Using Model Predictive Control for MMC-HVDC Applications. Energies, 16(13), 5159. https://doi.org/10.3390/en16135159
        
