PIDD2 Control of Large Wind Turbines’ Pitch Angle
Abstract
1. Introduction
- The development of a new pitch angle with the time delay control method (SS-PIDD2).
- The proposed controller parameters are obtained through the Maclaurin expansion of the IMC and extension of the applicability of the IMC method.
- The proposed controller parameters are determined taking into consideration robustness and noise factors.
- The proposed controller can provide a trade-off between robustness, time domain performance and measurement noise attenuation.
2. Large Wind Turbine System Model
3. PIDD2 Controller Design and Implementation
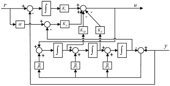
3.1. Description of the SS-PIDD2 Controller
3.2. Derivation of SS-PIDD2 Controller Parameters
3.2.1. Internal Model Control (IMC)
- (1)
- Factor the plant model into two parts:where is the portion of the minimum phase and is the portion of the model that is not inverted.
- (2)
- The setpoint-tracking controller is defined as follows:where denotes a low-pass filter:where represents the parameter of and represents the relative degree of .
- (3)
- The feedback controller is defined as follows:
3.2.2. The IMC Controller’s Design for the SOZPDT System
3.2.3. The Derivation of SS-PIDD2 Controller Parameters
4. System Simulation and Analysis
5. Conclusions
Author Contributions
Funding
Data Availability Statement
Conflicts of Interest
References
- Carvalho, D.; Rocha, A.; Gómez-Gesteira, M.; Silva Santos, C. Potential impacts of climate change on European wind energy resource under the CMIP5 future climate projections. Renew. Energy 2017, 101, 29–40. [Google Scholar] [CrossRef]
- Wang, H.; Li, G.; Wang, G.; Peng, J.; Jiang, H.; Liu, Y. Deep learning based ensemble approach for probabilistic wind power forecasting. Appl. Energy 2017, 188, 56–70. [Google Scholar] [CrossRef]
- Abdel-Rahim, O.; Funato, H. A novel model predictive control for high gain switched inductor power conditioning system for photovoltaic applications. In Proceedings of the 2014 IEEE Innovative Smart Grid Technologies-Asia (ISGT ASIA), Kuala Lumpur, Malaysia, 20–23 May 2014; IEEE: Kuala Lumpur, Malaysia, 2014; pp. 170–174. [Google Scholar]
- Ahmed, H.Y.; Abdel-Rahim, O.; Ali, Z.M. New High-Gain Transformerless DC/DC Boost Converter System. Electronics 2022, 11, 734. [Google Scholar] [CrossRef]
- Bianchi, F.D.; De Battista, H.; Mantz, R.J. Wind Turbine Control Systems: Principles, Modelling and Gain Scheduling Design; Springer: Berlin/Heidelberg, Germany, 2007; Volume 19. [Google Scholar]
- Yin, X.; Lin, Y.; Li, W.; Gu, Y. Integrated pitch control for wind turbine based on a novel pitch control system. J. Renew. Sustain. Energy 2014, 6, 043106. [Google Scholar] [CrossRef]
- Scherillo, F.; Izzo, L.; Coiro, D.P.; Lauria, D. Fuzzy logic control for a small pitch controlled wind turbine. In Proceedings of the International Symposium on Power Electronics Power Electronics, Electrical Drives, Automation and Motion, 20–22 June 2012; IEEE: Sorrento, Italy, 2012; pp. 588–593. [Google Scholar]
- Hassan, H.; ElShafei, A.; Farag, W.; Saad, M. A robust LMI-based pitch controller for large wind turbines. Renew. Energy 2012, 44, 63–71. [Google Scholar] [CrossRef]
- Park, S.; Nam, Y. Two LQRI based Blade Pitch Controls for Wind Turbines. Energies 2012, 5, 1998–2016. [Google Scholar] [CrossRef]
- Taher, S.A.; Farshadnia, M.; Mozdianfard, M.R. Optimal gain scheduling controller design of a pitch-controlled VS-WECS using DE optimization algorithm. Appl. Soft Comput. 2013, 13, 2215–2223. [Google Scholar] [CrossRef]
- Kim, Y.-S.; Chung, I.-Y.; Moon, S.-I. Tuning of the PI Controller Parameters of a PMSG Wind Turbine to Improve Control Performance under Various Wind Speeds. Energies 2015, 8, 1406–1425. [Google Scholar] [CrossRef]
- Makvana, V.T.; Ahir, R.K.; Patel, D.K.; Jadhav, J.A. Study of PID controller based pitch actuator system for variable speed HAWT using matlab. Int. J. Innov. Res. Sci. Eng. Technol. 2013, 2, 1496–1504. [Google Scholar]
- Cross, P.; Ma, X. Nonlinear system identification for model-based condition monitoring of wind turbines. Renew. Energy 2014, 71, 166–175. [Google Scholar] [CrossRef]
- Kim, M.; Lee, S.-U. PID with a Switching Action Controller for Nonlinear Systems of Second-order Controller Canonical Form. Int. J. Control Autom. Syst. 2021, 19, 2343–2356. [Google Scholar] [CrossRef]
- Wang, J.; Tse, N.; Gao, Z. Synthesis on PI-based pitch controller of large wind turbines generator. Energy Convers. Manag. 2011, 52, 1288–1294. [Google Scholar] [CrossRef]
- Turksoy, O.; Ayasun, S.; Hames, Y.; Sonmez, S. Computation of Robust PI-Based Pitch Controller Parameters for Large Wind Turbines. Can. J. Electr. Comput. Eng. 2020, 43, 57–63. [Google Scholar] [CrossRef]
- Perng, J.-W.; Chen, G.-Y.; Hsieh, S.-C. Optimal PID Controller Design Based on PSO-RBFNN for Wind Turbine Systems. Energies 2014, 7, 191–209. [Google Scholar] [CrossRef]
- Gao, R.; Gao, Z. Pitch control for wind turbine systems using optimization, estimation and compensation. Renew. Energy 2016, 91, 501–515. [Google Scholar] [CrossRef]
- Moradi, H.; Vossoughi, G. Robust control of the variable speed wind turbines in the presence of uncertainties: A comparison between H∞ and PID controllers. Energy 2015, 90, 1508–1521. [Google Scholar] [CrossRef]
- Micic, A.; Matausek, M. Series pid pitch controller of large wind turbines generator. Serbian J. Electr. Eng. 2015, 12, 183–196. [Google Scholar] [CrossRef]
- Saxena, S.; Hote, Y. Advances in internal model control technique: A review and future prospects. IETE Tech. Rev. 2012, 29, 461. [Google Scholar] [CrossRef]
- Saxena, S.; Hote, Y.V. Load Frequency Control in Power Systems via Internal Model Control Scheme and Model-Order Reduction. IEEE Trans. Power Syst. 2013, 28, 2749–2757. [Google Scholar] [CrossRef]
- Chien, I.-L. IMC-PID controller design-an extension. IFAC Proc. Vol. 1988, 21, 147–152. [Google Scholar] [CrossRef]
- Lee, Y.; Park, S.; Lee, M.; Brosilow, C. PID controller tuning for desired closed-loop responses for SI/SO systems. Aiche J. 1998, 44, 106–115. [Google Scholar] [CrossRef]
- Skogestad, S. Simple analytic rules for model reduction and PID controller tuning. J. Process Control 2003, 13, 291–309. [Google Scholar] [CrossRef]
- El-Khazali, R. Fractional-order PIλDμ controller design. Comput. Math. Appl. 2013, 66, 639–646. [Google Scholar] [CrossRef]
- Luo, Y.; Chen, Y.Q.; Wang, C.Y.; Pi, Y.G. Tuning fractional order proportional integral controllers for fractional order systems. J. Process Control 2010, 20, 823–831. [Google Scholar] [CrossRef]
- Jadhav, A.M.; Vadirajacharya, K. Performance Verification of PID Controller in an Interconnected Power System Using Particle Swarm Optimization. Energy Procedia 2012, 14, 2075–2080. [Google Scholar] [CrossRef]
- Simanenkov, A.L.; Rozhkov, S.A.; Borisova, V.A. An algorithm of optimal settings for PIDD 2 D 3 -controllers in ship power plant. In Proceedings of the 2017 IEEE 37th International Conference on Electronics and Nanotechnology (ELNANO), Kyiv, Ukraine, 18–20 April 2017; IEEE: Kyiv, Ukraine, 2017; pp. 152–155. [Google Scholar]
- Khakpour, S.; Mirabbasi, D. Performance evaluation of PIDD controller for automatic generation control in interconnected thermal system with reheat turbine in deregulated environment. In Proceedings of the 2015 2nd International Conference on Knowledge-Based Engineering and Innovation (KBEI), Tehran, Iran, 5–6 November 2015; IEEE: Tehran, Iran, 2015; pp. 1207–1212. [Google Scholar]
- Horn, I.G.; Arulandu, J.R.; Gombas, C.J.; VanAntwerp, J.G.; Braatz, R.D. Improved Filter Design in Internal Model Control. Ind. Eng. Chem. Res. 1996, 35, 3437–3441. [Google Scholar] [CrossRef]
- Suryanarayanan, S.; Dixit, A. On the dynamics of the pitch control loop in horizontal-axis large wind turbines. In Proceedings of the 2005, American Control Conference, 8–10 June 2005; IEEE: Portland, OR, USA, 2005; pp. 686–690. [Google Scholar]
- Tan, W.; Fu, C. Linear Active Disturbance Rejection Control: Analysis and Tuning via IMC. IEEE Trans. Ind. Electron. 2015, 63, 2350–2359. [Google Scholar] [CrossRef]
- Shamsuzzoha, M.; Lee, M. Analytical design of enhanced PID filter controller for integrating and first order unstable processes with time delay. Chem. Eng. Sci. 2008, 63, 2717–2731. [Google Scholar] [CrossRef]
- Chen, D.; Seborg, D.E. PI/PID Controller Design Based on Direct Synthesis and Disturbance Rejection. Ind. Eng. Chem. Res. 2002, 41, 4807–4822. [Google Scholar] [CrossRef]
- Shamsuzzoha, M.; Lee, M. IMC−PID Controller Design for Improved Disturbance Rejection of Time-Delayed Processes. Ind. Eng. Chem. Res. 2007, 46, 2077–2091. [Google Scholar] [CrossRef]
- Wang, Q.; Lu, C.; Pan, W. IMC PID controller tuning for stable and unstable processes with time delay. Chem. Eng. Res. Des. 2016, 105, 120–129. [Google Scholar] [CrossRef]
- Gao, Z. Scaling and bandwidth-parameterization based controller tuning. In Proceedings of the 2003 American Control Conference, Denver, CO, USA, 4–6 June 2003; IEEE: Denver, CO, USA, 2003; Volume 6, pp. 4989–4996. [Google Scholar]
- Zhang, B.; Tan, W.; Li, J. Tuning of linear active disturbance rejection controller with robustness specification. ISA Trans. 2019, 85, 237–246. [Google Scholar] [CrossRef]






















| Process/Parameters | ||||||||
|---|---|---|---|---|---|---|---|---|
| WTG1 | −0.6219 | −8.7165 | −2911 | 5.018 | 691.3 | 1949 | 1.15 × 105 | 0.25 |
| WTG2 | 2.426 | −4.6345 | −147.3 | 4.857 | 126.2 | 266.4 | 3.66 × 103 | 0.25 |
| WTG3 | −0.2545 | −0.0647 | 0.9384 | 2.28 | 878.5 | 437.7 | 7.7 × 104 | 0.25 |
| Process/Model | |||||
|---|---|---|---|---|---|
| WTG1 | −0.0253 | 0.05 | 0.10 | 0.018 | 0.42 |
| WTG2 | −0.0402 | 0.14 | 0.42 | 0.060 | 0.51 |
| WTG3 | 1.2374 × 10−5 | 0.1006 | −3.5159 | 0.0157 | 0.10 |
| System | Methods | Controller Parameters | Robustness Index | ITAE Index | Total Variation | ||||
|---|---|---|---|---|---|---|---|---|---|
| ITAE | TV | ||||||||
| WTG1 | PIDD2 ( = 0.1; = 0.03) | 3.0986 | −52.3634 | 1.3377 | −0.1854 | 3 | 2.9583 | 4.20 × 103 | 102.4039 |
| Series_PID | −28.46 | −39.5278 | −20.4912 | 4.4391 | 4.60 × 103 | 107.545 | |||
| PI1 | 1 | −9 | 2.827 | 2.10 × 104 | 91.5393 | ||||
| PI2 | 1.0242 | −20.5914 | 6.0392 | 8.00 × 103 | 91.868 | ||||
| System | Methods | Controller Parameters | Robustness Index | ITAE Index | Total Variation | ||||
|---|---|---|---|---|---|---|---|---|---|
| ITAE | TV | ||||||||
| WTG2 | PIDD2 ( = 0.1; = 0.15) | 10.9016 | −32.8347 | −4.2875 | 1.7644 | 1.8 | 2.0181 | 3.30 × 103 | 44.9046 |
| Series_PID | −20.73 | −20.73 | −20.73 | 3.2589 | 3.50 × 103 | 56.4178 | |||
| PI1 | 0.5 | −15 | 2.6708 | 4.00 × 103 | 45.9361 | ||||
| PI2 | 1 | −20 | 3.4635 | 3.00 × 103 | 47.4178 | ||||
| System | Methods | Controller Parameters | Robustness Index | ITAE Index | Total Variation | ||||
|---|---|---|---|---|---|---|---|---|---|
| ITAE | TV | ||||||||
| WTG3 | PIDD2 ( = 0.55; = 0.055) | −146.50 | 1.6787 × 104 | −6.7989 | 1.2153 | 8 | 4.1550 | 14.2170 | 89.7097 |
| PI2 | 250 | 10,000 | 5.1587 | 31.3843 | 89.8783 | ||||
Disclaimer/Publisher’s Note: The statements, opinions and data contained in all publications are solely those of the individual author(s) and contributor(s) and not of MDPI and/or the editor(s). MDPI and/or the editor(s) disclaim responsibility for any injury to people or property resulting from any ideas, methods, instructions or products referred to in the content. |
© 2023 by the authors. Licensee MDPI, Basel, Switzerland. This article is an open access article distributed under the terms and conditions of the Creative Commons Attribution (CC BY) license (https://creativecommons.org/licenses/by/4.0/).
Share and Cite
Hu, X.; Tan, W.; Hou, G. PIDD2 Control of Large Wind Turbines’ Pitch Angle. Energies 2023, 16, 5096. https://doi.org/10.3390/en16135096
Hu X, Tan W, Hou G. PIDD2 Control of Large Wind Turbines’ Pitch Angle. Energies. 2023; 16(13):5096. https://doi.org/10.3390/en16135096
Chicago/Turabian StyleHu, Xingqi, Wen Tan, and Guolian Hou. 2023. "PIDD2 Control of Large Wind Turbines’ Pitch Angle" Energies 16, no. 13: 5096. https://doi.org/10.3390/en16135096
APA StyleHu, X., Tan, W., & Hou, G. (2023). PIDD2 Control of Large Wind Turbines’ Pitch Angle. Energies, 16(13), 5096. https://doi.org/10.3390/en16135096
