Energy Savings for Various Residential Appliances and Distribution Networks in a Malaysian Scenario
Abstract
1. Introduction
2. Literature Review
- (a)
- constant resistance loads without a feedback loop, which is also known as constant resistance loads that reduce the energy consumption for both the loads and the lines;
- (b)
- constant resistance loads with a feedback loop, which is also known as constant energy loads with a constant energy consumption (for timescales that are longer than the duration of the feedback loop);
- (c)
- constant power loads that increase the energy consumption, because of increasing line losses due to an increase in current draw based on a reduction in voltage;
- (d)
- constant current loads that reduce the energy consumption for the loads.
3. Methodology
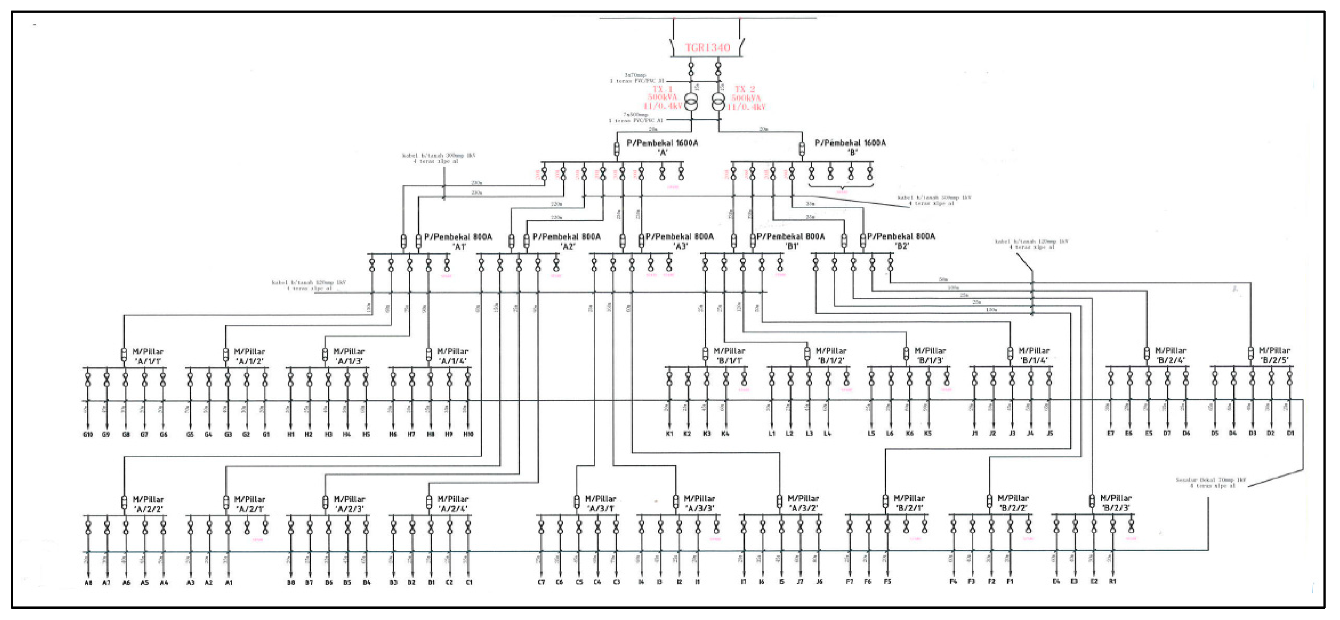
3.1. Data Collection and Experimental Scenario
3.2. ZIP Load Model Analysis
3.3. CVR Analysis
4. Results and Discussion
4.1. ZIP Load Model
4.2. CVR for Residential Appliances
4.3. CVR for a Residential Load Network
4.4. CVR for an EV Charging Station
4.5. Discussion of Results Obtained
5. Conclusions
Author Contributions
Funding
Data Availability Statement
Conflicts of Interest
References
- Jhansi, S. Effects of Distributed Generation on Electrical Power Network and Protection. J. Electr Electron. Syst. 2019, 8, 293. [Google Scholar]
- Kim, H.; Choi, H.; Kang, H.; An, J.; Yeom, S.; Hong, T. A systematic review of the smart energy conservation system: From smart homes to sustainable smart cities. Renew. Sustain. Energy Rev. 2021, 140, 110755. [Google Scholar] [CrossRef]
- Seva, M.; Abdullah, K.; Busrah, I.A.M.; Zin, N.D.R.M.; Balasubramaniam, I.Y.; Daud, M.H.M.; Pauzai, N.S.B. Analysis of Conservation Voltage Reduction (Cvr) Factor for Various Types of Loads. Int. J. Eng. Appl. Sci. Technol. 2020, 5, 66–72. [Google Scholar] [CrossRef]
- Thakur, A.S.; Saxena, D. Conservation Voltage Reduction in Distribution Network: Overview and its Challenges. In Proceedings of the 2022 1st International Conference on Sustainable Technology for Power and Energy Systems (STPES), Srinagar, India, 4–6 July 2022. [Google Scholar]
- Hansen, T.M.; Chong, E.K.P.; Suryanarayanan, S.; Maciejewski, A.A.; Siegel, H.J. A partially observable Markov decision process approach to Residential Home Energy Management. IEEE Trans. Smart Grid 2018, 9, 1271–1281. [Google Scholar] [CrossRef]
- Colson, M.; Nehrir, M.H. An alternative method to load modeling for obtaining end-use load profiles. In Proceedings of the 41st North American Power Symposium, Starkville, MS, USA, 4–6 October 2009. [Google Scholar]
- Pipattanasomporn, M.; Kuzlu, M.; Rahman, S.; Teklu, Y. Load profiles of selected major household appliances and their demand response opportunities. IEEE Trans. Smart Grid 2014, 5, 742–750. [Google Scholar] [CrossRef]
- Begovic, M.; Novosel, D.; Milosevic, B.; Kostic, M. Impact of distribution efficiency on generation and voltage stability. In Proceedings of the 33rd Annual Hawaii International Conference on System Sciences, Maui, HI, USA, 7 January 2000; p. 98. [Google Scholar]
- Wang, J.; Raza, A.; Hong, T.; Sullberg, A.C.; de Leon, F.; Huang, Q. Analysis of Energy Savings of CVR Including Refrigeration Loads in Distribution Systems. IEEE Trans. Power Deliv. 2018, 33, 158–168. [Google Scholar] [CrossRef]
- Pereira, G.M.D.S.; Tabata, A.N.; Siebert, L.C.; Durce, C.C.; Kowaltschuk, R. Analysis of undervoltage load shedding by conservation voltage reduction. In Proceedings of the 2018 Simposio Brasileiro de Sistemas Eletricos (SBSE), Niteroi, Brazil, 12–16 May 2018. [Google Scholar]
- Pacific Northwest National Laboratory and PNNL. Evaluation of CVR on a National Level; United States Department of Energy: Washington, DC, USA, 2010. [Google Scholar]
- Short, T.A.; Mee, R.W. Voltage reduction field trials on distributions circuits. In Proceedings of the PES T&D 2012, Orlando, FL, USA, 7–10 May 2012. [Google Scholar]
- Lefebvre, S.; Gaba, G.; Ba, A.-O.; Asber, D.; Ricard, A.; Perreault, C.; Chartrand, D. Measuring the efficiency of voltage reduction at Hydro-Québec distribution. In Proceedings of the 2008 IEEE Power and Energy Society General Meeting—Conversion and Delivery of Electrical Energy in the 21st Century, Pittsburgh, PA, USA, 20–24 July 2008; pp. 1–7. [Google Scholar]
- Shen, Y. Assessment Of Conservation Voltage Reduction On HV And LV Distribution Networks. Ph.D. Thesis, The University of Manchester, Manchester, UK, 2018. [Google Scholar]
- Shim, K.-S.; Go, S.-I.; Yun, S.-Y.; Choi, J.-H.; Nam-Koong, W.; Shin, C.-H.; Ahn, S.-J. Estimation of conservation voltage reduction factors using measurement data of KEPCO system. Energies 2017, 10, 2148. [Google Scholar] [CrossRef]
- EPRI. Analysis of Sacramento Municipal Utility District Conservation Voltage Reduction (CVR) Tests; EPRI: Washington, DC, USA, 2014. [Google Scholar]
- Liu, H.J.; Macwan, R.; Alexander, N.; Zhu, H. A methodology to analyze conservation voltage reduction performance using Field Test Data. In Proceedings of the 2014 IEEE International Conference on Smart Grid Communications (SmartGridComm), Venice, Italy, 3–6 November 2014. [Google Scholar]
- Tang, J.H.; Nasional, P.U.T.; Au, M.T.; Busrah, A.M.; Anthony, T.M. A statistical method to establish voltage dependency load parameters based on field measurements. Int. J. Electr. Electron. Eng. Telecommun. 2018, 7, 172–177. [Google Scholar] [CrossRef]
- Nourollahi, R.; Salyani, P.; Zare, K.; Mohammadi-Ivatloo, B.; Abdul-Malek, Z. Peak-Load Management of Distribution Network Using Conservation Voltage Reduction and Dynamic Thermal Rating. Sustainability 2022, 14, 11569. [Google Scholar] [CrossRef]
- Ellens, W.; Berry, A.; West, S. A Quantification of the Energy Savings by Conservation Voltage Reduction. In Proceedings of the 2012 IEEE International Conference on Power System Technology (POWERCON), Auckland, New Zealand, 30 October–2 November 2012; pp. 1–6. [Google Scholar]
- El-Shahat, A.; Haddad, R.J.; Alba-Flores, R.; Rios, F.; Helton, Z. Conservation Voltage Reduction Case Study. IEEE Access 2020, 8, 55383–55397. [Google Scholar] [CrossRef]
- Behzadirafi, S.; Malallah, Y.; Qaseer, L.; de Leon, F. Theoretical and Experimental Verification of CVR Energy Savings for Refrigeration Loads. IEEE Access 2023. [Google Scholar] [CrossRef]
- Azuatalam, D.T.; Unigwe, O.C.; Collin, A.J. Investigating the effects of conservation voltage reduction on UK-type residential networks. In Proceedings of the 2016 Australasian Universities Power Engineering Conference (AUPEC), Brisbane, QLD, Australia, 25–28 September 2016; pp. 1–6. [Google Scholar]
- Wen, T.W.; Palanichamy, C. Energy and environmental sustainability of Malaysian universities through energy conservation measures. Int. J. Energy Econ. Policy 2018, 8, 186–195. [Google Scholar]
- Ali, S.B.M.; Hasanuzzaman, M.; Rahim, N.; Mamun, M.; Obaidellah, U. Analysis of energy consumption and potential energy savings of an institutional building in Malaysia. Alex. Eng. J. 2021, 60, 805–820. [Google Scholar]
- Diaz-Aguilo, M.; Sandraz, J.; Macwan, R.; de Leon, F.; Czarkowski, D.; Comack, C.; Wang, D. Field-Validated Load Model for the Analysis of CVR in Distribution Secondary Networks: Energy Conservation. IEEE Trans. Power Deliv. 2013, 28, 2428–2436. [Google Scholar] [CrossRef]
- Hayes, B.; Tomsovicieee, K. Conservation Voltage Reduction in Secondary Distribution Networks with Distributed Generation and Electric Vehicle Charging Loads. In Proceedings of the 2018 5th International Conference on Electric Power and Energy Conversion Systems (EPECS), Kitakyushu, Japan, 23–25 April 2018. [Google Scholar]
- McKenna, K.; Keane, A. Open and Closed-Loop Residential Load Models for Assessment of Conservation Voltage Reduction. IEEE Trans. Power Syst. 2017, 32, 2995–3005. [Google Scholar] [CrossRef]
- Selamogullari, U.S.; Alsaad, A. Analysis of a Residential Distribution System with the Application of Conservation Voltage Reduction at House Level. In Proceedings of the 2019 1st Global Power, Energy and Communication Conference (GPECOM), Nevsehir, Turkey, 12–15 June 2019; pp. 430–434. [Google Scholar]
- Ahmed, M.S.; Mohamed, A.; Homod, R.Z.; Shareef, H.; Khalid, K. Awareness on Energy Management in Residential Buildings: A Case Study in Kajang and Putrajaya. J. Eng. Sci. Technol. 2017, 12, 1280–1294. [Google Scholar]
- Sena, B.; Zaki, S.A.; Rijal, H.B.; Ardila-Rey, J.A.; Yusoff, N.M.; Yakub, F.; Ridwan, M.K.; Muhammad-Sukki, F. Determinant factors of electricity consumption for a Malaysian household based on a field survey. Sustainability 2021, 13, 818. [Google Scholar] [CrossRef]
- Wang, Z.; Wang, J. Review on implementation and assessment of conservation voltage reduction. IEEE Trans. Power Syst. 2014, 29, 1306–1315. [Google Scholar] [CrossRef]
- Bircan, M.; Durusu, A.; Kekezoglu, B.; Elma, O.; Selamogullari, U.S. Experimental determination of ZIP coefficients for residential appliances and ZIP model based appliance identification: The case of YTU Smart Home. Electr. Power Syst. Res. 2020, 179, 106070. [Google Scholar] [CrossRef]
- Sen, P.K.; Lee, K.H. Conservation Voltage Reduction Technique: An Application Guideline for Smarter Grid. IEEE Trans. Ind. Appl. 2016, 52, 2122–2128. [Google Scholar] [CrossRef]
- Bokhari, A.; Alkan, A.; Dogan, R.; Diaz-Aguilo, M.; De Leon, F.; Czarkowski, D.; Zabar, Z.; Birenbaum, L.; Noel, A.; Uosef, R.E. Experimental determination of the ZIP coefficients for modern residential, commercial, and industrial loads. IEEE Trans. Power Deliv. 2014, 29, 1372–1381. [Google Scholar] [CrossRef]
- Chuan, L.; Ukil, A. Modeling and Validation of Electrical Load Profiling in Residential Buildings in Singapore. IEEE Trans. Power Syst. 2015, 30, 2800–2809. [Google Scholar] [CrossRef]
- Hossan, S.; Almirall, P.J.; Kothandaraman, S.R.; Paaso, E.A. System-wide Energy Savings Analysis Based on CVR Deployment in Sample Feeders. In Proceedings of the 2019 IEEE Industry Applications Society Annual Meeting, Baltimore, MD, USA, 29 September –3 October 2019; pp. 1–9. [Google Scholar]
- Williams, B. Distribution capacitor automation provides integrated control of customer voltage levels and distribution reactive power flow. In Proceedings of the Power Industry Computer Applications Conference, Salt Lake City, UT, USA, 7–12 May 1995; pp. 215–220. [Google Scholar]












| Element | Basic Equations and Relationships | P: Power (kW) Q: Reactive Power (kVAR) | Volatge Sensitivity | CVAR Factor (CVRf) | Comments | |
|---|---|---|---|---|---|---|
| Constant impedance | Lower voltage results proportionately lower current | Constant resistance “R” is a special application, when
| ||||
| Constant current | ||||||
| Constant power | Lower voltage increases current, product remains same | Constant resistance “P” is a special application, when | ||||
| Constant energy: “resistive” element (E) | One | |||||
| No | Appliance | CVR Factor (P)—Baseline | Measured Power (kW)—Baseline | New Power (kW)—% Voltage Drop | Operation Time—Weekday (Hour) | Operation Time—Weekend (Hour) | No of Appliances | Weekday kWh—Daily (kWh) | Weekend kWh—Daily (kWh) |
|---|---|---|---|---|---|---|---|---|---|
| 1 | Aircond (new) | 0.68 | 1.06 | 1.05 | 5.05 | 8.00 | 1 | 5.28 | 8.37 |
| 2 | Aircond (old) | 0.59 | 2.05 | 2.03 | 5.05 | 8.00 | 0 | 0.00 | 0.00 |
| 3 | CFL light | 1.16 | 0.01 | 0.01 | 10.00 | 13.00 | 5 | 0.54 | 0.70 |
| 4 | Fluorescent light | 1.92 | 0.03 | 0.03 | 10.00 | 13.00 | 5 | 1.35 | 1.75 |
| 5 | Incandescent light | 1.64 | 0.10 | 0.10 | 10.00 | 13.00 | 5 | 4.79 | 6.22 |
| 6 | LED light | 0.44 | 0.01 | 0.01 | 10.00 | 13.00 | 5 | 0.45 | 0.58 |
| 7 | Fan | 2.01 | 0.04 | 0.03 | 11.55 | 18.00 | 3 | 1.20 | 1.87 |
| 8 | Laptop (charging) | 0.70 | 0.04 | 0.04 | 2.87 | 3.82 | 1 | 0.11 | 0.15 |
| 9 | PC | 0.77 | 0.12 | 0.11 | 1.97 | 1.82 | 1 | 0.22 | 0.21 |
| 10 | Phone | 0.58 | 0.01 | 0.01 | 0.00 | 0.00 | 1 | 0.00 | 0.00 |
| 11 | Tablet | 0.19 | 0.01 | 0.01 | 0.00 | 0.00 | 1 | 0.00 | 0.00 |
| 12 | TV (new) | 0.53 | 0.08 | 0.07 | 5.70 | 8.15 | 1 | 0.42 | 0.60 |
| 13 | Microwave | 1.73 | 1.30 | 1.26 | 0.20 | 0.19 | 1 | 0.25 | 0.23 |
| 14 | Rice cooker | 2.29 | 0.60 | 0.57 | 0.82 | 0.83 | 1 | 0.47 | 0.48 |
| 15 | Shower heater | 2.42 | 2.54 | 2.41 | 0.16 | 1.50 | 2 | 0.77 | 7.24 |
| 16 | Refrigerator | 0.69 | 0.11 | 0.11 | 24.00 | 24.00 | 1 | 2.70 | 2.70 |
| Total kWh | 18.54 | 31.09 |
| Voltage | Monthly Energy Consumption (kWh) | Monthly Bill (RM) | Monthly Bill (Euro) | Savings from Base (235 V) in % |
|---|---|---|---|---|
| 250 | 697.114 | 273.94 | 56.18 | −14.01340159 |
| 245 | 678.03 | 263.3 | 54.00 | −9.585050152 |
| 240 | 659.79 | 253.14 | 51.92 | −5.356473967 |
| 235 | 636.704 | 240.27 | 49.28 | 0 |
| 230 | 619.84 | 230.86 | 47.35 | 3.916427353 |
| 225 | 609.608 | 225.16 | 46.18 | 6.28875848 |
| 220 | 588.156 | 213.93 | 43.88 | 10.962667 |
| 215 | 568.979 | 204.41 | 41.92 | 14.92487618 |
Disclaimer/Publisher’s Note: The statements, opinions and data contained in all publications are solely those of the individual author(s) and contributor(s) and not of MDPI and/or the editor(s). MDPI and/or the editor(s) disclaim responsibility for any injury to people or property resulting from any ideas, methods, instructions or products referred to in the content. |
© 2023 by the authors. Licensee MDPI, Basel, Switzerland. This article is an open access article distributed under the terms and conditions of the Creative Commons Attribution (CC BY) license (https://creativecommons.org/licenses/by/4.0/).
Share and Cite
Seva Bala Sundaram, M.; Tan, C.; Selvaraj, J.; Bakar, A.H.A. Energy Savings for Various Residential Appliances and Distribution Networks in a Malaysian Scenario. Energies 2023, 16, 4902. https://doi.org/10.3390/en16134902
Seva Bala Sundaram M, Tan C, Selvaraj J, Bakar AHA. Energy Savings for Various Residential Appliances and Distribution Networks in a Malaysian Scenario. Energies. 2023; 16(13):4902. https://doi.org/10.3390/en16134902
Chicago/Turabian StyleSeva Bala Sundaram, Mithila, ChiaKwang Tan, Jeyraj Selvaraj, and Ab. Halim Abu Bakar. 2023. "Energy Savings for Various Residential Appliances and Distribution Networks in a Malaysian Scenario" Energies 16, no. 13: 4902. https://doi.org/10.3390/en16134902
APA StyleSeva Bala Sundaram, M., Tan, C., Selvaraj, J., & Bakar, A. H. A. (2023). Energy Savings for Various Residential Appliances and Distribution Networks in a Malaysian Scenario. Energies, 16(13), 4902. https://doi.org/10.3390/en16134902
