Neural Network Predictive Control for Improved Reliability of Grid-Tied DFIG-Based Wind Energy System under the Three-Phase Fault Condition
Abstract
1. Introduction
2. Literature Review
3. Modelling and Controlling of DFIG
3.1. Power Control
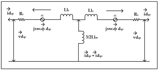
3.2. DFIG’s Rotor Side Control
3.3. DFIG’s Grid Side Control
3.4. PI Controllers Tuning Problem
3.5. Artificial Neural Network Modelling
4. Methodology
4.1. System Identification
4.2. Proposed NNPC-Based DPC Control Design
4.3. Datasets
Data Validation Assessment
5. Results
5.1. Wind Speed Variations
5.2. DFIG Active and Reactive Powers
5.2.1. DFIG Active Power





5.2.2. DFIG Reactive Power






5.3. DC Bus Voltage Control Waveform






5.4. Grid Side Current Waveforms








5.5. DFIG Mechanical Torque






5.6. DFIG Electrical Torque






6. Discussions
7. Conclusions
Author Contributions
Funding
Acknowledgments
Conflicts of Interest
References
- India Energy Outlook. India Energy Outlook 2021—Analysis—IEA; India Energy Outlook, 2021; Available online: https://www.iea.org/reports/india-energy-outlook-2021 (accessed on 19 June 2023).
- Farrar, N.O.; Ali, M.H.; Dasgupta, D. Artificial Intelligence and Machine Learning in Grid Connected Wind Turbine Control Systems: A Comprehensive Review. Energies 2023, 16, 1530. [Google Scholar] [CrossRef]
- Behara, R.K.; Saha, A.K. Artificial Intelligence Control System Applied in Smart Grid Integrated Doubly Fed Induction Generator-Based Wind Turbine: A Review. Energies 2022, 15, 6488. [Google Scholar] [CrossRef]
- Behara, R.K.; Saha, A.K. Artificial Intelligence Methodologies in Smart Grid-Integrated Doubly Fed Induction Generator Design Optimization and Reliability Assessment: A Review. Energies 2022, 15, 7164. [Google Scholar] [CrossRef]
- Okou, F.A.; Akhrif, O.; Tarbouchi, M. Design of a nonlinear robust adaptive controller for a Grid-connected Doubly-Fed Induction Generator Wind turbine. In Proceedings of the 18th Mediterranean Conference on Control and Automation, Marrakech, Morocco, 23–25 June 2010; pp. 1603–1608. [Google Scholar] [CrossRef]
- Kaneko, A.; Hara, N.; Konishi, K. Model predictive control of DFIG-based wind turbines. In Proceedings of the 2012 American Control Conference (ACC), Montreal, QC, Canada, 27–29 June 2012; pp. 2264–2269. [Google Scholar] [CrossRef]
- Shalini, T.A.; Revathi, B.S. Hybrid power generation forecasting using CNN based BILSTM method for renewable energy systems. Automatika 2022, 64, 127–144. [Google Scholar] [CrossRef]
- Sahri, Y.; Tamalouzt, S.; Belaid, S.L. Direct Torque Control of DFIG Driven by Wind Turbine System Connected to the Grid. In Proceedings of the 2018 International Conference on Wind Energy and Applications in Algeria (ICWEAA), Algiers, Algeria, 6–7 November 2019. [Google Scholar] [CrossRef]
- Tamalouzt, S.; Idjdarene, K.; Rekioua, T.; Abdessemed, R. Direct Torque Control of Wind Turbine Driven Double Fed Induction Generator. Rev. Roum. Sci. Technol. 2016, 61, 244–249. [Google Scholar]
- Abdelli, R.; Rekioua, D.; Rekioua, T.; Tounzi, A. Improved direct torque control of an induction generator used in a wind conversion system connected to the grid. ISA Trans. 2013, 52, 525–538. [Google Scholar] [CrossRef]
- Tamalouzt, S.; Rekioua, T.; Abdessemed, R. Direct torque and reactive power control of Grid Connected Doubly Fed Induction Generator for the wind energy conversion. In Proceedings of the 2014 International Conference on Electrical Sciences and Technologies in Maghreb (CISTEM), Tunis, Tunisia, 3–6 November 2014; pp. 1–7. [Google Scholar] [CrossRef]
- Hu, J.; Hu, B. Direct active and reactive power regulation of grid connected voltage source converters using sliding mode control approach. IEEE Int. Symp. Ind. Electron. 2010, 25, 3877–3882. [Google Scholar] [CrossRef]
- Rached, B.; Elharoussi, M.; Abdelmounim, E. Power Control of a Wind Energy Conversion System Based on a Doubly Fed Induction Generator; Research Gate, 2019; Volume 2022, Available online: https://www.researchgate.net/publication/333346852_Power_Control_of_a_Wind_Energy_Conversion_System_based_on_a_Doubly_Fed_Induction_Generator (accessed on 19 June 2023). [CrossRef]
- Radaideh, A.; Bodoor, M.; Al-Quraan, A. Active and Reactive Power Control for Wind Turbines Based DFIG Using LQR Controller with Optimal Gain-Scheduling. J. Electr. Comput. Eng. 2021, 2021, 1218236. [Google Scholar] [CrossRef]
- Zohra, A.F.; Khalil, B.I.; Slimane, L.; Youcef, S.; BenYounes, M. Artificial Intelligence Control Applied in Wind Energy Conversion System. Int. J. Power Electron. Drive Syst. (IJPEDS) 2018, 9, 571–578. [Google Scholar] [CrossRef]
- Aydin, E.; Polat, A.; Ergene, L.T. Vector control of DFIG in wind power applications. In Proceedings of the 2016 IEEE International Conference on Renewable Energy Research and Applications (ICRERA), Birmingham, UK, 20–23 November 2016; pp. 478–483. [Google Scholar] [CrossRef]
- Smieee, M.A.; Garmat, A.; Popescu, D.; Zidi, S.; Mazouz, L. Modeling and control of wind energy conversion system. In Proceedings of the 2016 5th International Conference on Systems and Control (ICSC), Marrakesh, Morocco, 25–27 May 2016; pp. 377–382. [Google Scholar] [CrossRef]
- Tapia, A.; Tapia, G.; Ostolaza, J.; Saenz, J. Modeling and control of a wind turbine driven doubly fed induction generator. IEEE Trans. Energy Convers. 2003, 18, 194–204. [Google Scholar] [CrossRef]
- Griche, A.I.; Gherbi, A.A. Field-Oriented Control of DFIG in Wind Turbine. In Proceedings of the Second International Conference on Electrical and Electronics Engineering, Clean Energy and Green Computing, Konya, Turkey, 26–28 May 2015; pp. 44–49. [Google Scholar]
- Ruiz-Cruz, R.; Sanchez, E.N.; Loukianov, A.G.; Ruz-Hernandez, J.A. Real-Time Neural Inverse Optimal Control for a Wind Generator. IEEE Trans. Sustain. Energy 2018, 10, 1172–1183. [Google Scholar] [CrossRef]
- Kashkooli, M.R.A.; Madani, S.M.; Lipo, T.A. Improved Direct Torque Control for a DFIG under Symmetrical Voltage Dip with Transient Flux Damping. IEEE Trans. Ind. Electron. 2019, 67, 28–37. [Google Scholar] [CrossRef]
- Zhang, Y.; Qu, C. Direct Power Control of a Pulse Width Modulation Rectifier Using Space Vector Modulation Under Unbalanced Grid Voltages. IEEE Trans. Power Electron. 2014, 30, 5892–5901. [Google Scholar] [CrossRef]
- Sun, D.; Wang, X.; Nian, H.; Zhu, Z.Q. A Sliding-Mode Direct Power Control Strategy for DFIG Under Both Balanced and Unbalanced Grid Conditions Using Extended Active Power. IEEE Trans. Power Electron. 2017, 33, 1313–1322. [Google Scholar] [CrossRef]
- Xu, L.; Yao, L.; Sasse, C. Grid Integration of Large DFIG-Based Wind Farms Using VSC Transmission. IEEE Trans. Power Syst. 2007, 22, 976–984. [Google Scholar] [CrossRef]
- Hughes, F.; Anaya-Lara, O.; Jenkins, N.; Strbac, G. Control of DFIG-Based Wind Generation for Power Network Support. IEEE Trans. Power Syst. 2005, 20, 1958–1966. [Google Scholar] [CrossRef]
- Zhou, Y.; Bauer, P.; Ferreira, J.A.; Pierik, J. Operation of Grid-Connected DFIG Under Unbalanced Grid Voltage Condition. IEEE Trans. Energy Convers. 2009, 24, 240–246. [Google Scholar] [CrossRef]
- Morren, J.; de Haan, S.W.H. Short-circuit current of wind turbines with doubly fed induction generator. IEEE Trans. Energy Convers. 2007, 22, 174–180. [Google Scholar] [CrossRef]
- Causebrook, A.; Atkinson, D.J.; Jack, A.G. Fault Ride-Through of Large Wind Farms Using Series Dynamic Braking Resistors (March 2007). IEEE Trans. Power Syst. 2007, 22, 966–975. [Google Scholar] [CrossRef]
- Ananth, D.; Kumar, G.N. Fault ride-through enhancement using an enhanced field oriented control technique for converters of grid connected DFIG and STATCOM for different types of faults. ISA Trans. 2016, 62, 2–18. [Google Scholar] [CrossRef]
- Zhang, D.; Xu, H.; Qiao, L.; Chen, L. LVRT capability enhancement of DFIG based wind turbine with coordination control of dynamic voltage restorer and inductive fault current limiter. PLoS ONE 2019, 14, e0221410. [Google Scholar] [CrossRef] [PubMed]
- Huang, Q.; Zou, X.; Zhu, D.; Kang, Y. Scaled Current Tracking Control for Doubly Fed Induction Generator to Ride-Through Serious Grid Faults. IEEE Trans. Power Electron. 2015, 31, 2150–2165. [Google Scholar] [CrossRef]
- Morren, J.; De Haan, S.W.H. Ridethrough of Wind Turbines with Doubly-Fed Induction Generator During a Voltage Dip. IEEE Trans. Energy Convers. 2005, 20, 435–441. [Google Scholar] [CrossRef]
- Yuan, Y.H.; Wu, F. Short-circuit current analysis for dfigwind farm considering the action of a crowbar. Energies 2018, 11, 425. [Google Scholar] [CrossRef]
- Yan, Y.; Wang, M.; Song, Z.F.; Xia, C.L. Proportional-resonant control of doubly-fed induction generator wind turbines for low-voltage ride-through enhancemen. Energies 2012, 5, 4758–4778. [Google Scholar] [CrossRef]
- Soomro, M.; Memon, Z.A.; Baloch, M.H.; Mirjat, N.H.; Kumar, L.; Tran, Q.T.; Zizzo, G. Performance Improvement of Grid-Integrated Doubly Fed Induction Generator under Asymmetrical and Symmetrical Faults. Energies 2023, 16, 3350. [Google Scholar] [CrossRef]
- Naderi, S.B.; Davari, P.; Zhou, D.; Negnevitsky, M.; Blaabjerg, F. A review on fault current limiting devices to enhance the fault ride-through capability of the doubly-fed induction generator basedwind turbine. Appl. Sci. 2018, 8, 2059. [Google Scholar] [CrossRef]
- Blaabjerg, F.; Chen, Z.; Kjaer, S.B. Power Electronics as Efficient Interface in Dispersed Power Generation Systems. IEEE Trans. Power Electron. 2004, 19, 1184–1194. [Google Scholar] [CrossRef]
- De Oliveira, I.R.; Tofoli, F.L.; Mendes, V.F. Thermal Analysis of Power Converters for DFIG-Based Wind Energy Conversion Systems during Voltage Sags. Energies 2022, 15, 3152. [Google Scholar] [CrossRef]
- Zhou, D.; Blaabjerg, F. Thermal analysis of two-level wind power converter under symmetrical grid fault. In Proceedings of the IECON 2013-39th Annual Conference of the IEEE Industrial Electronics Society, Vienna, Austria, 10–13 November 2013; pp. 1904–1909. [Google Scholar] [CrossRef]
- Zhou, D.; Blaabjerg, F.; Lau, M.; Tonnes, M. Thermal behavior of doubly-fed induction generator wind turbine system during balanced grid fault. In Proceedings of the 2014 IEEE Applied Power Electronics Conference and Exposition-APEC 2014, Fort Worth, TX, USA, 16–20 March 2014; pp. 3076–3083. [Google Scholar] [CrossRef]
- Behjati, H.; Davoudi, A. Reliability Analysis Framework for Structural Redundancy in Power Semiconductors. IEEE Trans. Ind. Electron. 2012, 60, 4376–4386. [Google Scholar] [CrossRef]
- Döşoğlu, M.K. Enhancement of LVRT Capability in DFIG-Based Wind Turbines with STATCOM and Supercapacitor. Sustainability 2023, 15, 2529. [Google Scholar] [CrossRef]
- Mosaad, M.I. Model reference adaptive control of STATCOM for grid integration of wind energy systems. IET Electr. Power Appl. 2018, 12, 605–613. [Google Scholar] [CrossRef]
- Alsmadi, Y.M.; Xu, L.; Blaabjerg, F.; Ortega, A.J.P.; Abdelaziz, A.Y.; Wang, A.; Albataineh, Z. Detailed Investigation and Performance Improvement of the Dynamic Behavior of Grid-Connected DFIG-Based Wind Turbines Under LVRT Conditions. IEEE Trans. Ind. Appl. 2018, 54, 4795–4812. [Google Scholar] [CrossRef]
- Shivam, K.; Tzou, J.-C.; Wu, S.-C. A multi-objective predictive energy management strategy for residential grid-connected PV-battery hybrid systems based on machine learning technique. Energy Convers. Manag. 2021, 237, 114103. [Google Scholar] [CrossRef]
- Worighi, I.; Maach, A.; Hafid, A.; Hegazy, O.; Van Mierlo, J.; Make, F. Manuscript-final-imane. Integrating Renewable Energy in Smart Grid System: Architecture, Virtualization and Analysis. Available online: http://www.iro.umontreal.ca/~ahafid/pubs/Manuscript-final-imane.pdf (accessed on 19 June 2023).
- Hassanein, W.S.; Ahmed, M.M.; El-Raouf, M.O.A.; Ashmawy, M.G.; Mosaad, M.I. Performance improvement of off-grid hybrid renewable energy system using dynamic voltage restorer. Alex. Eng. J. 2020, 59, 1567–1581. [Google Scholar] [CrossRef]
- Mukherjee, P.; Rao, V.V. Superconducting magnetic energy storage for stabilizing grid integrated with wind power generation systems. J. Mod. Power Syst. Clean Energy 2018, 7, 400–411. [Google Scholar] [CrossRef]
- Zhang, L.; Zheng, H.; Wan, T.; Shi, D.; Lyu, L.; Cai, G. An integrated control algorithm of power distribution for islanded microgrid based on improved virtual synchronous generator. IET Renew. Power Gener. 2021, 15, 2674–2685. [Google Scholar] [CrossRef]
- Basit, B.A.; Nguyen, A.T.; Ryu, S.W.; Park, H.; Jung, J.W. A state-of-the-art comprehensive review of modern control techniques for grid-connected wind turbines and photovoltaic arrays distributed generation systems. IET Renew. Power Gener. 2022, 16, 2191–2222. [Google Scholar] [CrossRef]
- Behara, R.K.; Ojo, E.E.; Akindeji, T.K. The Investigations of the Impacts of the Integration of Wind Energy into Distribution Network. In Proceedings of the 2021 Southern African Universities Power Engineering Conference/Robotics and Mechatronics/Pattern Recognition Association of South Africa (SAUPEC/RobMech/PRASA), Potchefstroom, South Africa, 27–29 January 2021; pp. 1–6. [Google Scholar] [CrossRef]
- Behara, R.K.; Ojo, E.E.; Akindeji, T.K. The Experimental Study on the Impacts of the Integration of DFIG Connected Wind Turbine into Distribution Grid. In Proceedings of the 2021 IEEE PES/IAS PowerAfrica, Nairobi, Kenya, 23–27 August 2021; pp. 1–5. [Google Scholar] [CrossRef]
- Jiang, L.L.; Maskell, D.L.; Patra, J.C. A novel ant colony optimization-based maximum power point tracking for photovoltaic systems under partially shaded conditions. Energy Build. 2013, 58, 227–236. [Google Scholar] [CrossRef]
- Hung, Y.-C.; Lin, F.-J.; Hwang, J.-C.; Chang, J.-K.; Ruan, K.-C. Wavelet Fuzzy Neural Network with Asymmetric Membership Function Controller for Electric Power Steering System via Improved Differential Evolution. IEEE Trans. Power Electron. 2014, 30, 2350–2362. [Google Scholar] [CrossRef]
- Soliman, H.; Davari, P.; Wang, H.; Blaabjerg, F. Capacitance estimation algorithm based on DC-link voltage harmonics using artificial neural network in three-phase motor drive systems. In Proceedings of the 2017 IEEE Energy Conversion Congress and Exposition (ECCE), Cincinnati, OH, USA, 1–5 October 2017; pp. 5795–5802. [Google Scholar] [CrossRef]
- Fournier, J. Modeling, Control and Experimental Validation of a DFIG-Based Wind Turbine Test Bench; Catalonia Institute for Energy Research (IREC): Barcelona, Spain, 2013; pp. 1–96. [Google Scholar]
- Hamon, C.; Elkington, K.; Ghandhari, M. Doubly-fed induction generator modeling and control in DigSilent PowerFactory. In Proceedings of the 2010 International Conference on Power System Technology, Hangzhou, China, 24–28 October 2010; pp. 1–7. [Google Scholar] [CrossRef]
- Badreldien, M.; Usama, R.; El-wakeel, A.; Abdelaziz, A.Y. Modeling, Analysis and Control of Doubly Fed Induction Generators for Wind Turbines. In Proceedings of the International Conference on Electrical Engineering, Denpasar, Indonesia, 24–25 November 2014; pp. 1–17. [Google Scholar]
- Mazari, S. Control Design and Analysis of Doubly-Fed Induction Generator in Wind Power Application; Institutional Repository; The university of Alabama, 2009; Available online: https://ir.ua.edu/handle/123456789/687 (accessed on 15 February 2023).
- Junyent-Ferré, A.; Gomis-Bellmunt, O.; Sumper, A.; Sala, M. Simulation Modelling Practice and Theory Modeling and Control of the Doubly Fed Induction Generator Wind Turbine; Elsevier: Amsterdam, The Netherlands, 2010; Volume 18, pp. 1365–1381. [Google Scholar]
- Arnaltes, S.; Rodriguez-Amenedo, J.L.; Montilla-Djesus, M.E. Control of Variable Speed Wind Turbines with Doubly Fed Asynchronous Generators for Stand-Alone Applications. Energies 2017, 11, 26. [Google Scholar] [CrossRef]
- Hamane, B.; Doumbia, M.L.; Bouhamida, A.M.; Benghanem, M. Direct active and reactive power control of DFIG based WECS using PI and sliding mode controllers. In Proceedings of the IECON 2014-40th Annual Conference of the IEEE Industrial Electronics Society, Dallas, TX, USA, 29 October–1 November 2014; pp. 2050–2055. [Google Scholar] [CrossRef]
- Kuda Reseach project proposal-.
- Alhato, M.M.; Bouallègue, S. Direct Power Control Optimization for Doubly Fed Induction Generator Based Wind Turbine Systems. Math. Comput. Appl. 2019, 24, 77. [Google Scholar] [CrossRef]
- Wang, B.; Liu, C.; Chen, S.; Dong, S.; Hu, J. Data-Driven Digital Direct Position Servo Control by Neural Network with Implicit Optimal Control Law Learned From Discrete Optimal Position Tracking Data. IEEE Access 2019, 7, 126962–126972. [Google Scholar] [CrossRef]
- Kumar, B.; Sandhu, K.S.; Sharma, R. ANN Control for Improved Performance of Wind Energy System Connected to Grid. Adv. Electr. Electron. Eng. 2023, 20, 380–389. [Google Scholar] [CrossRef]
- Bose, B.K.; Fellow, L. Neural Network Applications in Power Electronics and Motor Drives—An Introduction and Perspective. IEEE Trans. Ind. Electron. 2007, 54, 14–33. [Google Scholar] [CrossRef]











| Methods | Type | Conventional Algorithms | Applications | Advantages and Drawbacks | |||
|---|---|---|---|---|---|---|---|
| Control Systems | Parallel Ability | Global Union | Implementation Ease | Merge Speed | |||
| Metaheuristic | Population-based methods | Particle Swarm Optimisation (PSO) | Yes | BEST | GOOD | GOOD | |
| Crow Search Algorithm (CSA) | BETTER | BETTER | BETTER | ||||
| Ant Colony Optimisation (ACO) | BETTER | BETTER | BETTER | ||||
| Differential Evolutionary (DE) | BETTER | BETTER | BETTER | ||||
| Immune Algorithm (IA) | BETTER | BETTER | BETTER | ||||
| Genetic Algorithm (GA) | BEST | GOOD | GOOD | ||||
| Solutions with AI applications: 1. Accomplishes pre-training with an appealing smaller learning rate to accomplish faster merging. | |||||||
| Trajectory-based methods | Tabu Search Method (TSM) | Control System | No | GOOD | BEST | BEST | |
| Simulated Annealing Method (SAM) | BETTER | BEST | BEST | ||||
| Solutions with AI applications: 1. Works on undefined jump location. 2. Less inclined to impulsive merging. 3. Least possible to become caught in localised targets. | |||||||
| Dynamic Performance Measures | PI Control | Fuzzy Logic Control | Machine/Deep Learning | Reinforcement Learning | |||
|---|---|---|---|---|---|---|---|
| FFNN | NN/FNN | RNN | RFNN | ||||
| Dataset requirement | Not applicable | Superior | Finest | Superior | Good | Good | Not applicable |
| Approximation ability | Good | Good | Superior | Finest | Finest | Finest | Finest |
| Robust/Strength | Good | Better | Good | Superior | Superior | Finest | Finest |
| Calculation burden | Good | Finest | Finest | Superior | Good | Good | Not applicable |
| Expert knowledge rooted in the ability | Yes | Yes | No | Yes | No | Yes | No |
| Rise time | Less | More | Good | Superior | Superior | Finest | Finest |
| Transients | Present | Not present | Not present | Not present | Not present | Not present | Not present |
| Overshooting | More | Less | Very less | Smooth | Smooth | Smooth | Smooth |
| Simplicity | Moderate | Good | Superior | Finest | Finest | Finest | Finest |
| Variables | Numeric | Linguistic | Linguistic | Linguistic | Linguistic | Linguistic | Linguistic |
| Response time | Moderate | Good | Superior | Finest | Finest | Finest | Finest |
| System dynamics | Applicable | Not applicable | Not applicable | Not applicable | Applicable | Applicable | Applicable |
| DFIG’s power rating | 1.0 MW |
| System voltage | 400 V |
| System frequency | 50 Hz |
| Magnetic pole sets 2 | 3 |
| Stator side resistance, Rs | 7.06 × 10−3 |
| Stator side inductance, Ls | 0.171 mH |
| Rotor side resistance, Rr | 5.0 × 10−3 |
| Rotor side inductance, Lr | 0.156 mH |
| Mutual inductance, Lm | 2.9 mH |
| DC bus link voltage | 1000 V |
| DC bus link capacitance | 10 µF |
| Filter inductance, Lf | 300 mH |
| S.no | Grid Side Dataset | Rotor Side Dataset | ||
|---|---|---|---|---|
| Input1 (Error from the Reference and the Output of the System) | Controller Output1 | Input2 (Error from the Reference and the Output of the System) | Controller Output2 | |
| 1 | 0 | 4.81242 × 10−5 | 0 | −0.000157489 |
| 2 | −3.09322 × 10−31 | 4.81242 × 10−5 | 1.00109 × 10−30 | −0.000157489 |
| 3 | −0.000405531 | −0.000139566 | 6.31395 × 10−5 | −4.5304 × 10−5 |
| 4 | −0.002343437 | −0.001060369 | 3.12447 × 10−5 | 0.000188963 |
| 5 | −0.006585896 | −0.003418563 | −0.000163214 | 0.000509639 |
| 6 | −0.014727456 | −0.009603213 | −0.000576467 | 0.000708515 |
| 7 | −0.027209002 | −0.02348748 | −0.000977557 | 0.000373323 |
| 8 | −0.037539492 | −0.038113975 | −0.000928672 | 2.20362 × 10−5 |
| 9 | −0.045514179 | −0.05039214 | −0.000633667 | −9.50781 × 10−5 |
| 10 | −0.049421172 | −0.056452314 | −0.000450451 | −0.000137974 |
| 11 | −0.049421172 | −0.056452314 | −0.000450451 | −0.000137974 |
| 12 | −0.053237069 | −0.062278347 | −0.000297303 | −0.000233139 |
| 13 | −0.056504717 | −0.067138904 | −0.000390717 | −0.000615214 |
| 14 | −0.058490317 | −0.070037076 | −0.00074835 | −0.001241152 |
| 15 | −0.059075664 | −0.070909618 | −0.00138214 | −0.002107146 |
| 16 | −0.058362313 | −0.069912755 | −0.002266591 | −0.003189317 |
| 17 | −0.057446144 | −0.068582557 | −0.002866534 | −0.00389058 |
| 18 | −0.057446144 | −0.068582557 | −0.002866534 | −0.00389058 |
| 19 | −0.033039115 | −0.031203846 | −0.003752168 | −0.00309742 |
| 20 | −0.021422702 | −0.016277536 | −0.004685421 | −0.003671495 |
| 21 | −0.01499355 | −0.009832681 | −0.005402891 | −0.00441528 |
| 22 | −0.008969182 | −0.005118821 | −0.006173201 | −0.005399405 |
| 23 | −0.004556981 | −0.002412339 | −0.006724242 | −0.006220265 |
| 24 | −0.002430339 | −0.00127843 | −0.006868558 | −0.006517577 |
| 25 | −0.001331156 | −0.000703263 | −0.006711327 | −0.006436225 |
| 26 | −0.00076513 | −0.00037922 | −0.006269037 | −0.006025372 |
| 27 | −0.000494377 | −0.000186618 | −0.005563169 | −0.00533149 |
| 28 | −0.000387145 | −7.46769 × 10−5 | −0.00463325 | −0.004415341 |
| 29 | −0.000360145 | −2.0409 × 10−5 | −0.00353096 | −0.003346833 |
| 30 | −0.000355 | −1.1087 × 10−5 | −0.002312209 | −0.002196211 |
| 31 | −0.000329316 | −3.66353 × 10−5 | −0.001031187 | −0.001027062 |
| 32 | −0.000253815 | −8.69588 × 10−5 | 0.000263067 | 0.000107694 |
| 33 | −0.000111398 | −0.000151652 | 0.001527966 | 0.001167107 |
| 34 | 0.000103689 | −0.00022057 | 0.002727196 | 0.002121635 |
| 35 | 0.000387089 | −0.000284445 | 0.003829723 | 0.002951523 |
| 36 | 0.000725855 | −0.000335238 | 0.004808497 | 0.00364481 |
| … | ………… | ………. | ………………… | …………………. |
| … | ………… | ………. | ………………… | …………………. |
| 999 | −4.35895 × 10−5 | 1.53771 × 10−5 | 0.000167348 | −5.45681 × 10−6 |
| 1000 | 5.97742 × 10−5 | 5.92646 × 10−5 | 0.000194555 | 3.44725 × 10−6 |
| Parameter | Values |
|---|---|
| Cost horizon (N2) | 2 |
| Cost horizon (Nu) | 2 |
| Control weight factor | 0.1 |
| Search parameter | 0.1 |
| Iterations per sample | 5 |
| Hidden layer size | 5 |
| Sample interval | 1 |
| No. of delayed plant inputs | 1 |
| No. of delayed plant outputs | 1 |
| Maximum plant input | 1 |
| Minimum plant input | 0 |
| Training epochs | 5 |
| Unit | Initial Value | Stopped Value | Target Value |
|---|---|---|---|
| Epoch | 0 | 191 | 1000 |
| Elapsed time | - | 00:00:00 | - |
| Performance | 76 | 5.8 × 10−5 | 0 |
| Gradient | 161 | 1.43 × 10−5 | 1.0 × 10−7 |
| Mu | 0.001 | 1.0 × 10−7 | 1.0 × 1010 |
| Validation check | 0 | 6 | 6 |
| Unit | Initial Value | Stopped Value | Target Value |
|---|---|---|---|
| Training | 66 | 5.8030 × 10−5 | 1.0000 |
| Validation | 14 | 2.9528 × 10−5 | 1.0000 |
| Test | 14 | 4.9291 × 10−5 | 1.0000 |
| Wind Speed | Parameters | Conventional Control System PI | Proposed NNPC Control System | ||
|---|---|---|---|---|---|
| Measured parameter value at the time of the fault’s occurrence at 10 s | Measured parameter value at the time of the fault’s clearance at 11 s | Measured parameter value at the time of the fault’s occurrence at 10 s | Measured parameter value at the time of the fault’s clearance at 11 s | ||
| 4 m/s | Active power P (p.u.) | −0.337643 | 0.995336 | 0.587395 | −0.38125 |
| 6 m/s | Active power P (p.u.) | 0.687793 | 0.992803 | −0.183274 | 0.353574 |
| 8 m/s | Active power P (p.u.) | 0.583642 | 0.994375 | 0.583642 | −0.0402709 |
| 10 m/s | Active power P (p.u.) | 0.364014 | 0.926663 | 0.364014 | −0.188284 |
| 12 m/s | Active power P (p.u.) | 0.0958262 | 0.999815 | 0.48102 | 0.352744 |
| 4 m/s | Reactive power P (p.u.) | 0.50081 | 1.66219 | 0.50081 | −0.120725 |
| 6 m/s | Reactive power P (p.u.) | 0.5000003 | 1.65292 | 0.5000003 | −0.127539 |
| 8 m/s | Reactive power P (p.u.) | 0.500309 | 1.5926 | 0.500309 | −0.230327 |
| 10 m/s | Reactive power P (p.u.) | 0.498499 | 1.63642 | 0.498499 | −0.433483 |
| 12 m/s | Reactive power P (p.u.) | 0.497576 | 1.65575 | 0.497576 | −0.22814 |
| 20 m/s | Reactive power P (p.u.) | 0.499581 | 1.56047 | 0.499581 | −0.303208 |
| 4 m/s | DC bus voltage Vdc | 1000.64 | 9940.41 | 1000.64 | 2404.61 |
| 6 m/s | DC bus voltage Vdc | 1001.07 | 11084.8 | 1001.07 | 3010.06 |
| 8 m/s | DC bus voltage Vdc | 1006.08 | 10060.5 | 1006.08 | 1018.57 |
| 10 m/s | DC bus voltage Vdc | 1000.5 | 9178.28 | 1000.5 | 1998.56 |
| 12 m/s | DC bus voltage Vdc | 664.164 | 7972.24 | 1000.12 | 1680.33 |
| 20 m/s | DC bus voltage Vdc | 999.895 | 8995.19 | 999.885 | 1448.05 |
| 4 m/s | Grid side d-q axis d-current in amps | −0.0931398 | −0.133235 | −0.0931398 | −0.117086 |
| 6 m/s | Grid side d-q axis d-current in amps | −0.205465 | −0.147967 | −0.205465 | −0.283805 |
| 8 m/s | Grid side d-q axis d-current in amps | −0.1279 | −0.124894 | −0.1279 | −0.124872 |
| 10 m/s | Grid side d-q axis d-current in amps | −0.0370604 | −0.13295 | −0.0370604 | −0.119728 |
| 4 m/s | Grid side d-q axis q-current in amps | −0.00199687 | 0.474912 | −0.00199687 | 0.463976 |
| 6 m/s | Grid side d-q axis q-current in amps | 0.00445024 | 0.484423 | −0.00560673 | 0.459598 |
| 8 m/s | Grid side d-q axis q-current in amps | −0.00241283 | 0.483977 | −0.00241283 | 0.449759 |
| 10 m/s | Grid side d-q axis q-current in amps | −0.000171633 | 0.883977 | 0.00123818 | 0.460542 |
| 4 m/s | Mechanical torque in (p.u.) | −1.14833 | −1.30979 | −1.13665 | −1.22417 |
| 6 m/s | Mechanical torque in (p.u.) | −1.64427 | −2.02135 | −1.64231 | −1.9963 |
| 8 m/s | Mechanical torque in (p.u.) | −1.31998 | −1.23885 | −1.31998 | −1.20227 |
| 10 m/s | Mechanical torque in (p.u.) | −0.994307 | −1.17378 | −0.994307 | −1.13428 |
| 12 m/s | Mechanical torque in (p.u.) | −0.734289 | −0.850808 | −0.722156 | −0.811794 |
| 20 m/s | Mechanical torque in (p.u.) | −0.274929 | −0.323259 | −0.274929 | −0.325369 |
| 4 m/s | Electrical torque in (p.u.) | −2.25575 | −0.184678 | −2.42183 | −0.839686 |
| 6 m/s | Electrical torque in (p.u.) | −0.792711 | 0.418257 | −0.611036 | −0.937531 |
| 8 m/s | Electrical torque in (p.u.) | −0.542927 | 0.431368 | −0.594338 | 0.486752 |
| 10 m/s | Electrical torque in (p.u.) | −0.497591 | −0.411752 | −0.497591 | −0.840953 |
| 12 m/s | Electrical torque in (p.u.) | −1.70551 | −0.239733 | −1.94704 | 0.906327 |
| 20 m/s | Electrical torque in (p.u.) | −1.33088 | −0.497847 | −0.774813 | −1.80778 |
Disclaimer/Publisher’s Note: The statements, opinions and data contained in all publications are solely those of the individual author(s) and contributor(s) and not of MDPI and/or the editor(s). MDPI and/or the editor(s) disclaim responsibility for any injury to people or property resulting from any ideas, methods, instructions or products referred to in the content. |
© 2023 by the authors. Licensee MDPI, Basel, Switzerland. This article is an open access article distributed under the terms and conditions of the Creative Commons Attribution (CC BY) license (https://creativecommons.org/licenses/by/4.0/).
Share and Cite
Behara, R.K.; Saha, A.K. Neural Network Predictive Control for Improved Reliability of Grid-Tied DFIG-Based Wind Energy System under the Three-Phase Fault Condition. Energies 2023, 16, 4881. https://doi.org/10.3390/en16134881
Behara RK, Saha AK. Neural Network Predictive Control for Improved Reliability of Grid-Tied DFIG-Based Wind Energy System under the Three-Phase Fault Condition. Energies. 2023; 16(13):4881. https://doi.org/10.3390/en16134881
Chicago/Turabian StyleBehara, Ramesh Kumar, and Akshay Kumar Saha. 2023. "Neural Network Predictive Control for Improved Reliability of Grid-Tied DFIG-Based Wind Energy System under the Three-Phase Fault Condition" Energies 16, no. 13: 4881. https://doi.org/10.3390/en16134881
APA StyleBehara, R. K., & Saha, A. K. (2023). Neural Network Predictive Control for Improved Reliability of Grid-Tied DFIG-Based Wind Energy System under the Three-Phase Fault Condition. Energies, 16(13), 4881. https://doi.org/10.3390/en16134881

