Overview of Photovoltaic and Wind Electrical Power Hybrid Systems
Abstract
1. Introduction
- United States HRES projects: Wheatridge (300 MW of WT, 50 MW of PV and 30 MW of battery storage), NextEra (250 MW of WT, 250 MW of PV, and 200 MW of battery storage), and Enel (497 MW of WT and 450 MW of PV);
- Australia HRES project: Flinders Shire (43.2 MW of WT, 15 MW of PV, and 2 MW of battery storage);
- Denmark HRES project: Fjord (43.2 MW of WT, 15 MW of PV, and 2 MW of battery storage);
- Spain HRES project: Vestas (3.3 MW of WT and PV).
2. Review Protocol
- Articles must be published only in English, in journals of recognised reputations, or in specialised conferences on PV and wind hybrid systems;
- Redundant papers should be avoided, especially those by the same authors;
- Papers must address the issues hybridisation, energy management, or grid integration (smart grid).
- PV–wind hybrid system modelling;
- PV–wind hybrid system topologies;
- PV–wind hybrid systems control;
- PV–wind hybrid systems energy management.
3. Constitution, Characteristics, and Modelling of Wind and PV Systems
3.1. Photovoltaic System
- Mono-crystalline silicon [25] has an efficiency around 26% and requires low maintenance, but its cost of production is very high.
- Poly-crystalline silicon [26] has an efficiency around 22% but its cost of production is very high.
- Thin film [27] has an efficiency of 23% and a low cost of production. However, its drawback is its fragility.
- High concentrating PV (HCPV) [28] has an efficiency around 28% and a low cost of production but it requires a high level of maintenance.
3.2. Mathematical Model of a Solar Cell [24]
3.3. Mathematical Model of Wind Turbines
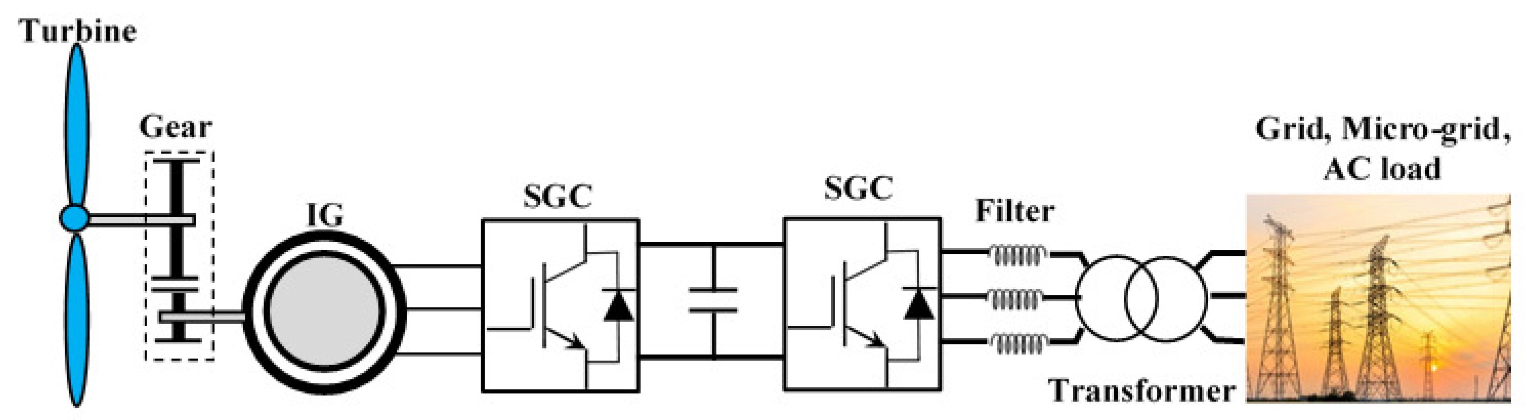
3.4. Wind Turbine Generator
- Synchronous generator: This generator has a low cost of construction, and a rugged and very simple design. However, the lack of excitation winding makes operations in the generator mode very difficult. It requires reactive power for its magnetisation. This power is taken from the electrical grid, which affects the power factor. Additionally, converter costs are high, since a converter must be rated at full system power.
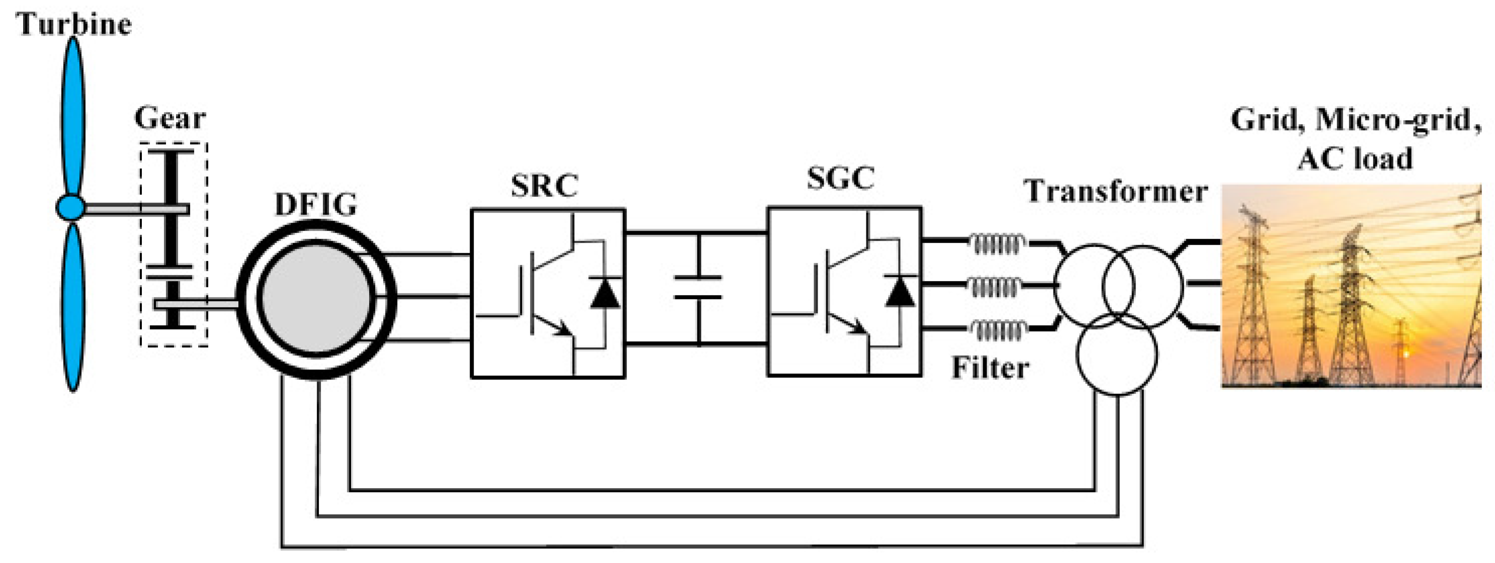
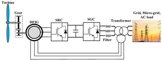
- Doubly fed induction generator (DFIG): The accessibility of the rotor allows this type of generator to control the stator power. The rotor power is about 25% of the total power of the DFIG. This advantage allows for the use of a low-power converter and, therefore, less losses. Additionally, it is easy to control the power factor. However, the problems lie in the brush–ring system, the control of the converters being a bit complex, the heavy weight, the expensive costs, and the requirement of a lot of maintenance.
- Wound field synchronous generator: This generator can be driven directly by the turbine, which considerably reduces the weight of the turbine. Furthermore, the reactive power can be controlled by the excitation. However, the grid connection requires synchronisation.
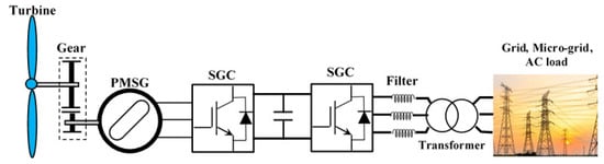
- Permanent magnet synchronous generator: For this generator, the gearbox can be eliminated, which reduces the turbine weight. Moreover, no rotor losses occur due to the absence of field windings. This generator also has a very high torque and a high power-to-mass ratio. On the other hand, its price is a bit high, and heating of the machine risks demagnetising the permanent magnets.
4. PV and Wind System Topologies
4.1. Power Converters Used in PV and Wind Systems
- AC–DC converters;
- DC–DC converters;
- DC–AC converters;
- AC–AC converters.
4.2. Topologies of PV Systems
4.3. Wind Turbine Energy Conversion Systems
5. PV and Wind Turbine Control Strategies
5.1. Photovoltaic System Control
5.2. Wind Turbine System Control
5.3. Grid-Side Control
6. Hybrid Renewable Energy Sources (HRES)
6.1. Hybrid System Configurations
- Common DC bus: Figure 36 presents a hybrid system with a DC bus. The output of the wind turbine generator is connected to the DC bus by means of an AC/DC converter, while the output of the photovoltaic generator is connected to the DC bus through a DC/DC converter. The energy storage system is connected to the DC bus by means of a bi-directional converter. This system can simultaneously supply AC loads, as well as DC loads. A DC/AC converter is necessary when AC loads have to be supplied. In this topology, one can incorporate other renewable resources using adequate power converters. This configuration gives rise to several operational advantages such as its simplicity, particularly as it removes the synchronisation problems. The main drawback of this solution is the energy losses in the different converters. Especially for the wind turbine line, this represents around 10% of the total energy of the wind turbine [16,17,18,19].
- A common AC bus: Figure 37 presents a hybrid system with a common AC bus, where the PV is coupled to the AC bus by means of a DC/AC converter and the wind turbine is coupled to the AC bus through an AC/AC converter. The storage system is connected to a bi-directional DC/AC converter. In this configuration, the AC/DC converter unavoidably supplies the DC loads, and other renewable resources can be connected. In this topology, all the sources are connected to the AC bus through their own converters, this is an advantage that allows the reliability of the system to be improved (even if one of the sources is disconnected). However, the need for synchronisation is the major drawback of this configuration [16,17,18,19].
- With two buses: Figure 38 presents a hybrid system with two buses, that is, an AC bus and a DC bus. In this case, a source with an alternative current is connected to an AC bus, while those with a DC current are connected to the DC bus. The main advantage of this configuration is the improved global efficiency of the system through a reduction in the number of converters. This configuration is very popular due to its flexibility in combining power resources and loads [16,17,18,19].
6.2. Storage Process
- Controlling the voltage and current peak values;
- Avoiding voltage fluctuations;
- Reducing harmonics;
- Stabilising the frequency;
- Shedding the load and stabilising the transient behaviour.
- The voltage and the current;
- The ratio and the duration of the charge and discharge;
- The operating temperature during the charging and discharging phases;
- The number of charging cycles;
- The cost, size, and weight.
6.3. Design and Optimisation of Hybrid PV–Wind Systems
7. Hybrid System Management
7.1. Energy Management Systems (EMSs)
- Mixed integer linear or nonlinear programming, dynamic programming (DP), and rule-based methods;
- Metaheuristics (GA, PSO, etc.);
- Artificial intelligence, fuzzy logic, neural networks, etc.;
- Model predictive control (MPC) methods.
7.1.1. Energy Management Based on Classical Methods
7.1.2. Energy Management Based on Artificial Intelligence Methods
7.2. Power Management Systems (PMSs)
8. PV–Wind Hybrid System Emulators
9. Discussion
- The first challenge of PV and wind systems will be the development of new materials to improve the efficiency of such systems. These technological advances will reduce HERS costs significantly. As a consequence, the HERS system will be more cost-effective in the future.
- The second challenge will be the implementation of new algorithms to forecast energy demand and power production to optimise HERS systems and to reduce total operating costs.
- The third challenge will be the cyber security of HERS facilities, as well as their databases, given that all the power plants are, nowadays, interconnected via the Internet.
10. Conclusions
Author Contributions
Funding
Data Availability Statement
Conflicts of Interest
Abbreviations
| AI | Artificial Intelligence |
| BES | Battery Storage System |
| BESS | Battery Energy Storage System |
| DDM | Double-Diode Model |
| DFIG | Doubly Fed Induction Generator |
| DMS | Distribution Management System |
| DP | Dynamic Programming |
| DSM | Demand-Side Management |
| ECC | Energy Control Centre |
| EMS | Energy Management System |
| ESS | Energy Storage System |
| FC | Fuel Cell |
| GA | Genetic Algorithm |
| GPV | Photovoltaic Generator |
| HCPV | High Concentrating PV |
| HPS | Hybrid Power Systems |
| HRES | Hybrid Renewable Energy System |
| HT | Hydrogen Tank |
| WT | Wind Turbine |
| HWT | Horizontal Wind Turbine |
| WWT | Vertical Wind Turbine |
| MAS | Multi-Agent Systems |
| MILP | Mixed-Integer Linear Programming |
| MPPT | Maximum Power Point Tracking |
| MPC | Model Predictive Control |
| HPS | Hybrid Power System |
| LC | Load Control |
| OB | Optimisation-Based |
| PLL | Phase-Locked Loop |
| PMS | Power Management Systems |
| PSO | Particle Swarm Optimisation |
| RES | Renewable Energy Sources |
| RB | Rule-Based |
| SDM | Single-Diode Model |
| SGC | Side Generator Converter |
| SPVS | Solar Photovoltaic System |
| SCADA | Supervisory Control And Data Acquisition |
| TDM | Triple-Diode Model |
| UC | Ultra-Capacitor |
| WECS | Wind Energy Conversion System |
References
- Pasqualetti, M.; Righter, R.; Gipe, P. History of Wind Energy. Encycl. Energy 2004, 6, 419–433. [Google Scholar]
- Szabó, L. The History of using solar energy. In Proceedings of the 7th International Conference on Modern Power Systems, Cluj-Napoca, Romania, 6–9 June 2017. [Google Scholar]
- Roberts, P. HSC Ancient History; Pascal Press: Glebe, UK, 2003. [Google Scholar]
- Bremmer, J.N.; Erskine, A. Gods of Ancient Greece: Identities and Transformations: Identities and Transformations; Edinburgh University Press: Edinburgh, UK, 2010. [Google Scholar]
- Smil, V. Energy in World History; Westview Press: Boulder, CO, USA, 1994. [Google Scholar]
- Perlin, J. Let It Shine: The 6000-Year Story of Solar Energy; New World Library: San Francisco, CA, USA, 2013. [Google Scholar]
- Plommer, H. Vitruvius and Later Roman Building Manuals; Cambridge University Press: London, UK, 1973. [Google Scholar]
- Ngô, C.; Natowitz, J. Our Energy Future: Resources, Alternatives and the Environment; John Wiley & Sons: Hoboken, NJ, USA, 2016. [Google Scholar]
- Available online: https://www.solarpaces.org/csp-technologies/csp-potential-solar-thermal-energy-by-member-nation/ (accessed on 16 May 2023).
- Lu, X.; McElroy, M.B.; Kiviluoma, J. Global potential for wind—Generated electricity. Proc. Natl. Acad. Sci. USA 2009, 106, 10933–10938. [Google Scholar] [CrossRef]
- Atawi, I.E.; Al-Shetwi, A.Q.; Magableh, A.M.; Albalawi, O.H. Recent advances in hybrid energy storage system integrated renewable power generation: Configuration, control, applications, and future directions. Batteries 2023, 9, 29. [Google Scholar] [CrossRef]
- IEA—International Energy Agency. Renewable Energy Market Update—May 2022. Available online: https://www.iea.org/reports/renewable-energy-market-update-may-2022 (accessed on 16 May 2023).
- Thomas, W. FY22 Budget Outlook: DOE Applied Energy RD&D. Am. Inst. Phys. Available online: https://www.aip.org/fyi/2023/fy22-budget-outlook-doe-applied-energy-rdd (accessed on 16 May 2023).
- Andreas, A.; Stoffel, T. NREL Solar Radiation Research Laboratory (SRRL): Baseline Measurement System (BMS); NREL Report No. Tech. Rep. DA-5500-56488; U.S. Department of Energy: Washington, DC, USA, 1981. [Google Scholar] [CrossRef]
- Badwawi, R.A.; Abusara, M.; Mallick, T. A review of hybrid solar pv and wind energy system. Smart Sci. 2015, 3, 127–138. [Google Scholar] [CrossRef]
- Roy, P.; He, J.; Zhao, T.; Singh, Y.V. Recent advances of wind-solar hybrid renewable energy systems for power generation: A review. IEEE Open J. Ind. Electron. Soc. 2022, 3, 81–104. [Google Scholar] [CrossRef]
- Alnejaili, T.; Chrifi-Alaoui, L.; Mehdi, D.; Alibi, A.; Drid, S. An advanced energy management system with an economical optimization for a multi-sources stand-alone Home. In Proceedings of the 7th International Conference on Systems and Control (ICSC), Valencia, Spain, 24–26 October 2018; pp. 154–159. [Google Scholar] [CrossRef]
- Rathod, A.A.; Subramanian, B. Scrutiny of hybrid renewable energy systems for control, power management, optimization and sizing: Challenges and future possibilities. Sustainability 2022, 14, 16814. [Google Scholar] [CrossRef]
- Chen, C.; Liu, H.; Xiao, Y.; Zhu, F.; Ding, L.; Yang, F. Power generation scheduling for a hydro-wind-solar hybrid system: A systematic survey and prospect. Energies 2022, 15, 8747. [Google Scholar] [CrossRef]
- Trabish, H.K. Solar Wind Storage Developers ‘Gearing Up’ as Hybrid Projects Edge to Market. Utility Dive, July 2019. Available online: https://www.utilitydive.com/news/solar-wind-storage-developers-gearing-up-as-hybrid-projects-edge-to-m/556480/ (accessed on 16 May 2023).
- Bellini, E. Danish Fjord to Host 400 MW of Solar. PV Mag. Int. March 2020. Available online: https://www.pv-magazine.com (accessed on 16 May 2023).
- Walton, R. NextEra Inks 700 MW Wind Solar Battery Project, Largest in the US. Utility Dive, July 2019. Available online: https://www.utilitydive.com/news/nextera-inks-700-mw-wind-solar-battery-project-largest-in-the-us/559693/ (accessed on 16 May 2023).
- Al-Chaaban, F.; Ghamrawi, A.; Haykal, C.; Moubayed, N. Comparative study on photovoltaic and thermal solar energy concentrators. In Proceedings of the International Conference on Electrical and Electronics Engineering, Clean Energy and Green Computing (EEECEGC2013), Dubai, United Arab Emirates, 11–13 December 2013; ISBN 978-0-9891305-3-0. [Google Scholar]
- Fahim, S.R.; Hasanien, H.M.; Turky, R.A.; Aleem, S.H.E.A.; Ćalasan, M.A. Comprehensive review of photovoltaic modules models and algorithms used in parameter extraction. Energies 2022, 15, 8941. [Google Scholar] [CrossRef]
- Masuko, K.; Shigematsu, M.; Hashiguchi, T.; Fujishima, D.; Kai, M.; Yoshimura, N.; Yamaguchi, T.; Ichihashi, Y.; Mishima, T.; Matsubara, N. Achievement of more than 25% conversion efficiency with crystalline silicon heterojunction solar cell. IEEE J. Photovolt. 2014, 4, 1433–1435. [Google Scholar] [CrossRef]
- Tihane, A.; Boulaid, M.; Elfanaoui, A.; Nya, M.; Ihlal, A. Performance analysis of mono and polycrystalline silicon photovoltaic modules under agadir climatic conditions in morocco. Mater. Today Proc. 2020, 24, 85–90. [Google Scholar] [CrossRef]
- Cao, Y.; Zhu, X.Y.; Chen, H.B.; Zhang, X.T.; Zhouc, J.; Hu, Z.; Pang, J. Towards high efficiency inverted sb2se3 thin film solar cells. Sol. Energy Mater. Sol. Cells 2019, 200, 109945. [Google Scholar] [CrossRef]
- Romero, J.M.; Almonacid, F.; Theristis, M.; Casa, J.; Georghiou, G.E.; Fernández, E.F. Comparative analysis of parameter extraction techniques for the electrical characterization of multi-junction CPV and m-si technologies. Sol. Energy 2018, 160, 275–288. [Google Scholar] [CrossRef]
- Ćalasan, M.; Al-Dhaifallah, M.; Ali, Z.M.; Aleem, S.H.E.A. Comparative analysis of different iterative methods for solving current–voltage characteristics of double and triple diode models of solar cells. Mathematics 2022, 10, 3082. [Google Scholar] [CrossRef]
- Katche, M.L.; Makokha, A.B.; Zachary, S.O.; Adaramola, M.S. A comprehensive review of maximum power point tracking (mppt) techniques used in solar pv systems. Energies 2023, 16, 2206. [Google Scholar] [CrossRef]
- Alrubaie, A.J.; Al-Khaykan, A.; Malik, R.Q.; Talib, S.H.; Mousa, M.I.; Kadhim, A.M. Review on MPPT techniques in solar system. In Proceedings of the 2022 8th International Engineering Conference on Sustainable Technology and Development (IEC), Erbil, Iraq, 23–24 February 2022; pp. 123–128. [Google Scholar] [CrossRef]
- Bollipo, R.B.; Mikkili, S.; Bonthagorla, P.K. Critical review on PV MPPT techniques: Classical, intelligent and optimisation. IET Renew. Power Gener. 2020, 14, 1433–1452. [Google Scholar] [CrossRef]
- Baba, A.O.; Liu, G.; Chen, X. Classification and evaluation review of maximum power point tracking methods. Sustain. Futures 2020, 2, 100020. [Google Scholar] [CrossRef]
- Alam, M.K.; Khan, F.; Johnson, J.; Flicker, J. A Comprehensive Review of Catastrophic Faults in PV Arrays: Types, Detection, and Mitigation Techniques. IEEE J. Photovoltaics 2015, 5, 982–997. [Google Scholar] [CrossRef]
- Xu, Q.; Li, X.; Feng, C.; Wang, R. Review on Fault Characterization and Diagnosis Technique in Photovoltaic Systems. In Proceedings of the IEEE Transportation Electrification Conference and Expo, Asia-Pacific (ITEC Asia-Pacific), Haining, China, 28–31 October 2022; pp. 1–6. [Google Scholar] [CrossRef]
- Kumaradurai, A.; Teekaraman, Y.; Coosemans, T.; Messagie, M. Fault Detection In Photovoltaic Systems Using Machine Learning Algorithms: A Review. In Proceedings of the 8th International Conference on Orange Technology (ICOT), Daegu, Republic of Korea, 18–21 December 2020; pp. 1–5. [Google Scholar] [CrossRef]
- Soriano, L.A.; Yu, W.; Rubio, J.D.J. Modeling and control of wind turbine. Math. Probl. Eng. 2013, 2013, 982597. [Google Scholar] [CrossRef]
- Bolik, S.M. Modelling and Analysis of Variable Speed Wind Turbines with Induction Generator during Grid Fault. Ph.D. Thesis, Alborg University, Aalborg, Denmark, 2004. [Google Scholar]
- Moriarty, P.J.; Butterfield, S.B. Wind turbine modelling overview for control engineers. In Proceedings of the American Control Conference, St. Louis, MO, USA, 10–12 June 2009; pp. 2090–2095. [Google Scholar]
- Anaya-Lara, O. Wind Energy Generation: Modelling and Control; John Wiley & Sons: New York, NY, USA, 2009. [Google Scholar]
- Wu, B.; Lang, Y.; Zargari, N.; Kouro, S. Wind Energy Conversion Systems; John Wiley & Sons: New York, NY, USA, 2011. [Google Scholar]
- Heier, S. Power Conversion and Control of Wind Energy Systems; John Wiley & Sons: New York, NY, USA, 1998. [Google Scholar] [CrossRef]
- Govinda, C.V.; Udhay, S.V.; Rani, C.; Wang, Y.; Busawon, K. A review on various mppt techniques for wind energy conversion system. In Proceedings of the International Conference on Computation of Power, Energy, Information and Communication (ICCPEIC), Chennai, India, 28–29 March 2018; pp. 310–326. [Google Scholar] [CrossRef]
- Dipesh, K.; Kalyan, C. A review of conventional and advanced MPPT algorithms for wind energy systems. Renew. Sustain. Energy Rev. 2016, 55, 957–970. [Google Scholar] [CrossRef]
- Pande, J.; Nasikkar, P.; Kotecha, K.; Varadarajan, V. A review of maximum power point tracking algorithms for wind energy conversion systems. J. Mar. Sci. Eng. 2021, 9, 1187. [Google Scholar] [CrossRef]
- Hannan, M.A.; Lipu, M.S.H.; Ker, P.J.; Begum, R.A.; Agelidis, V.G.; Blaabjerg, F. Power electronics contribution to renewable energy conversion addressing emission reduction: Applications, issues, and recommendations. Appl. Energy 2019, 251, 113404. [Google Scholar] [CrossRef]
- Tawfiq, K.B.; Mansour, A.S.; Ramadan, H.S.; Becherif, M.; El-kholy, E.E. Wind Energy Conversion System Topologies and Converters: Comparative Review. Energy Procedia 2019, 162, 38–47. [Google Scholar] [CrossRef]
- Kumar, K.H.; Rao, G.V.S.K. A Review of Various DC-DC Converter Topologies for Photovoltaic Applications. In Proceedings of the 6th International Conference on Communication and Electronics Systems (ICCES), Coimbatre, India, 8–10 July 2021; pp. 49–52. [Google Scholar] [CrossRef]
- Hemmati, T.; Marangalu, M.G.; Kurdkandi, N.V.; Khoshkbar-Sadigh, A.; Hosseini, S.H.; Jahan, H.K. Topology Review of Grid-Connected Multilevel Inverters Supplied by Photovoltaic Panels using Switched-Capacitor Based Circuits. In Proceedings of the 22nd IEEE International Conference on Industrial Technology (ICIT), Valencia, Spain, 10–12 March 2021; pp. 508–513. [Google Scholar] [CrossRef]
- Kolantla, D.; Mikkikili, S.; Pendem, S.R.; Desai, A.A. Critical review on various inverter topologies for PV system architectures. IET Renew. Power Gener. 2020, 14, 3418–3438. [Google Scholar] [CrossRef]
- Hassaine, L.; Lias, E.O.; Quintero, J.; Salas, V. Overview of power inverter topologies and control structures for grid connected photovoltaic systems. Renew. Sustain. Energy Rev. 2014, 30, 796–807. [Google Scholar] [CrossRef]
- Rodríguez-Benítez, O.M.; Aqui-Tapia, J.A.; Ortega-Velázquez, I.; Espinosa-Pérez, G. Current source topologies for photovoltaic applications: An overview. Electronics 2022, 11, 2953. [Google Scholar] [CrossRef]
- Gupta, N.; Kumar, S.; Saini, J.K. Review of inverter control algorithms in Grid-integrated Solar Photovoltaic system. In Proceedings of the Second International Sustainability and Resilience Conference: Technology and Innovation in Building Designs, Sakheer, Bahrain, 1–12 November 2020; pp. 1–6. [Google Scholar] [CrossRef]
- Sikorski, A.; Falkowski, P.; Korzeniewski, M. Comparison of Two Power Converter Topologies in Wind Turbine System. Energies 2021, 14, 6574. [Google Scholar] [CrossRef]
- Rajendran, S.; Diaz, M.; Cárdenas, R.; Espina, E.; Contreras, E.; Rodriguez, J. A review of generators and power converters for multi-mw wind energy conversion systems. Processes 2022, 10, 2302. [Google Scholar] [CrossRef]
- Slootweg, J.G.; Kling, W.L. Modelling wind turbines for power system dynamics simulations: An overview. Wind Eng. 2004, 28, 7–25. [Google Scholar] [CrossRef]
- Abdelateef-Mostafa, M.; El-Hay, E.A.; Lkholy, M.M.E. Recent trends in wind energy conversion system with grid integration based on soft computing methods: Comprehensive review comparisons and insights. Arch. Comput. Methods Eng. 2023, 30, 1439–1478. [Google Scholar] [CrossRef]
- Murillo-Yarce, D.; Alarcón-Alarcón, J.; Rivera, M.; Restrepo, C.; Muñoz, J.; Baier, C.; Wheeler, P. A review of control techniques in photovoltaic systems. Sustainability 2020, 12, 10598. [Google Scholar] [CrossRef]
- Zeb, K.; Uddin, W.; Khan, M.A.; Ali, Z.; Ali, M.U.; Christofides, N.; Kim, H.J. A comprehensive review on inverter topologies and control strategies for grid connected photovoltaic system. Renew. Sustain. Energy Rev. 2018, 94, 1120–1141. [Google Scholar] [CrossRef]
- Roy, S.; Sahu, P.K.; Jena, S. Analysis and control strategy of standalone PV system with various reference frames. Open Eng. 2022, 12, 616–626. [Google Scholar] [CrossRef]
- Andersson, L.E.; Anaya-Lara, O.; Tande, J.O.; Merz, K.O.; Imsland, L. Wind farm control—Part I: A review on control system concepts and structures. IET Renew. Power Gener. 2021, 15, 2085–2108. [Google Scholar] [CrossRef]
- López-Queija, J.; Robles, E.; Jugo, J.; Alonso-Quesada, S. Review of control technologies for floating offshore wind turbines. Renew. Sustain. Energy Rev. 2022, 167, 112787. [Google Scholar] [CrossRef]
- Menezes, E.J.; Araújo, A.M.; Da Silva, N.S. A review on wind turbine control and its associated methods. J. Clean. Prod. 2018, 174, 945–953. [Google Scholar] [CrossRef]
- Ghaffarzadeh, H.; Mehrizi-Sani, A. Review of control techniques for wind energy systems. Energies 2020, 13, 6666. [Google Scholar] [CrossRef]
- Krishna, K.S.; Kumar, K.S. A review on hybrid renewable energy systems. Renew. Sustain. Energy Rev. 2015, 52, 907–916. [Google Scholar] [CrossRef]
- Kavadias, K.A.; Triantafyllou, P. Hybrid renewable energy systems’ optimisation. a review and extended comparison of the most-used software tools. Energies 2021, 14, 8268. [Google Scholar] [CrossRef]
- Nehrir, M.H.; Wang, C.; Strunz, K.; Aki, H.; Ramakumar, R.; Bing, J.; Miao, Z.; Salameh, Z. A review of hybrid renewable/alternative energy systems for electric power generation: Configurations, control, and applications. IEEE Trans. Sustain. Energy 2011, 2, 392–403. [Google Scholar] [CrossRef]
- Agajie, T.F.; Ali, A.; Fopah-Lele, A.; Amoussou, I.; Khan, B.; Velasco, C.L.R.; Tanyi, E. A comprehensive review on techno-economic analysis and optimal sizing of hybrid renewable energy sources with energy storage systems. Energies 2023, 16, 642. [Google Scholar] [CrossRef]
- Bhandari, B.; Lee, K.T.; Lee, G.Y.; Cho, Y.M.; Ahn, S.H. Optimization of hybrid renewable energy power systems: A review. Int. J. Precis. Eng. Manuf.-Green Technol. 2015, 2, 99–112. [Google Scholar] [CrossRef]
- Awan, A.B.; Zubair, M.; Sidhu, G.A.S.; Bhatti, A.R.; Abo-Khalil, A.G. Performance analysis of various hybrid renewable energy systems using battery, hydrogen, and pumped hydro-based storage units. Int. J. Energy Res. 2019, 43, 6296–6321. [Google Scholar] [CrossRef]
- Liu, X.; Loh, P.C.; Wang, P.; Blaabjerg, F. A direct power conversion topology for grid integration of hybrid AC/DC energy resources. IEEE Trans. Ind. Electron. 2013, 60, 5696–5707. [Google Scholar] [CrossRef]
- Kabalci, E. Design and analysis of a hybrid renewable energy plant with solar and wind power. Energy Convers. Manag. 2013, 72, 51–59. [Google Scholar] [CrossRef]
- Hui, J.; Bakhshai, A.; Jain, P.K. A hybrid wind-solar energy system: A new rectifier stage topology. In Proceedings of the 2010 Twenty-Fifth Annual IEEE Applied Power Electronics Conference and Exposition (APEC), Palm Springs, CA, USA, 21–25 February 2010; pp. 155–161. [Google Scholar]
- Zeng, J.; Qiao, W.; Qu, L.; Jiao, Y. An isolated multiport DC-DC converter for simultaneous power management of multiple different renewable energy sources. IEEE Trans. Emerg. Sel. Top. Power Electron. 2014, 2, 70–78. [Google Scholar] [CrossRef]
- Chen, C.; Liao, C.; Chen, K.; Chen, Y. Modeling and controller design of a semiisolated multiinput converter for a hybrid PV/Wind power charger system. IEEE Trans. Power Electron. 2015, 30, 4843–4853. [Google Scholar] [CrossRef]
- Reddi, N.K.; Ramteke, M.R.; Suryawanshi, H.M.; Kothapalli, K.; Gawande, S.P. An isolated multi-input ZCS DC-DC front endconverter based multilevel inverter for the integration of renewable energy sources. IEEE Trans. Ind. Appl. 2018, 54, 494–504. [Google Scholar] [CrossRef]
- Li, X.; Hui, D.; Lai, X. Battery energy storage station (BESS) based smoothing control of photovoltaic (PV) and wind power generation fluctuations. IEEE Trans. Sustain. Energy 2013, 4, 464–473. [Google Scholar] [CrossRef]
- Kim, S.; Kang, B.; Bae, S.; Park, J. Application of SMES and grid code compliance to wind/photovoltaic generation system. IEEE Trans. Appl. Supercond. 2013, 23, 5000804. [Google Scholar]
- Kalantar, M.; Mousavi, S. Dynamic behaviour of a standalone hybrid power generation system of wind turbine, microturbine, solar array and battery storage. Appl. Energy 2010, 87, 3051–3064. [Google Scholar] [CrossRef]
- Wu, D.; Tang, F.; Dragicevic, T.; Vasquez, J.C.; Guerrero, J.M. A control architecture to coordinate renewable energy sources and energy storage systems in islanded microgrids. IEEE Trans. Smart Grid 2015, 6, 1156–1166. [Google Scholar] [CrossRef]
- Kim, S.; Jeon, J.; Cho, C.; Ahn, J.; Kwon, S. Dynamic modelling and control of a grid-connected hybrid generation system with versatile power transfer. IEEE Trans. Ind. Electron. 2008, 55, 1677–1688. [Google Scholar] [CrossRef]
- Xu, L.; Ruan, X.; Mao, C.; Zhang, B.; Luo, Y. An improved optimal sizing method for wind-solar-battery hybrid power system. IEEE Trans. Sustain. Energy 2013, 4, 774–785. [Google Scholar]
- Ghoddami, H.; Delghavi, M.B.; Yazdani, A. An integrated windphotovoltaic-battery system with reduced power-electronic interface and fast control for grid-tied and off-grid applications. Renew. Energy 2012, 45, 128–137. [Google Scholar] [CrossRef]
- Roy, P.; He, J. Grid-connected hybrid wind-solar farm hourly dispatching with battery and supercapacitor energy storage. In Proceedings of the IECON 2020 The 46th Annual Conference of the IEEE Industrial Electronics Society, Singapore, 18–21 October 2020; pp. 1831–1836. [Google Scholar]
- Jiang, W.; Fahimi, B. Multiport power electronic interfaceconcept, modelling, and design. IEEE Trans. Power Electron. 2011, 26, 1890–1900. [Google Scholar] [CrossRef]
- Jiang, W.; Fahimi, B. Multi-port power electric interface for renewable energy sources. In Proceedings of the 2009 Twenty-Fourth Annual IEEE Applied Power Electronics Conference and Exposition, Washington, DC, USA, 15–19 February 2009; pp. 347–352. [Google Scholar]
- Qian, Z.; Abdel-Rahman, O.; Batarseh, I. An integrated four-port DC/DC converter for renewable energy applications. IEEE Trans. Power Electron. 2010, 25, 1877–1887. [Google Scholar] [CrossRef]
- Qian, Z.; Abdel-Rahman, O.; Hu, H.; Batarseh, I. A zero-voltage switching four-port integrated DC/DC converter. In Proceedings of the Intelec 2010, Orlando, FL, USA, 6–10 June 2010; pp. 1–8. [Google Scholar]
- Hosseini, S.H.; Haghighian, S.K.; Danyali, S.; Aghazadeh, H. Multi-input DC boost converter supplied by a hybrid PV/Wind turbine power systems for street lighting application connected to the grid. In Proceedings of the 2012 47th International Universities Power Engineering Conference (UPEC), Uxbridge, UK, 4–7 September 2012; pp. 1–6. [Google Scholar]
- Mangu, B.; Akshatha, S.; Suryanarayana, D.; Fernandes, B.G. Grid-connected pv-wind-battery-based multi-input transformercoupled bidirectional dc-dc converter for household applications. IEEE Trans. Emerg. Sel. Top. Power Electron. 2016, 4, 1086–1095. [Google Scholar] [CrossRef]
- Arévalo, P.; Tostado-Véliz, M.; Jurado, F. A novel methodology for comprehensive planning of battery storage systems. J. Energy Storage 2021, 37, 102456. [Google Scholar] [CrossRef]
- Al-Shamma’a, A.A.; Addoweesh, K.E. Optimum sizing of hybrid PV/Wind/battery/diesel system considering wind turbine parameters using genetic algorithm. In Proceedings of the 2012 IEEE International Conference on Power and Energy (PECon), Kota Kinabalu, Malaysia, 2–5 December 2012; pp. 121–126. [Google Scholar]
- Sawle, Y.; Gupta, S.C.; Bohre, A.K. PV-wind hybrid system: A review with case study. Cogent Engineering 2016, 3, 1–31. [Google Scholar] [CrossRef]
- Yang, H.; Zhou, W.; Lu, L.; Fang, Z. Optimal sizing method for stand-alone hybrid solar-wind system with LPSP technology by using genetic algorithm. Sol. Energy 2008, 82, 354–367. [Google Scholar] [CrossRef]
- Bilal, B.O.; Sambou, V.; Ndiaye, P.; Kébé, C.; Ndongo, M. Optimal design of a hybrid solar-wind-battery system using the minimization of the annualized cost system and the minimization of the loss of power supply probability (LPSP). Renew. Energy 2010, 35, 2388–2390. [Google Scholar] [CrossRef]
- Yang, H.; Wei, Z.; Chengzhi, L. Optimal design and technoeconomic analysis of a hybrid solar-wind power generation system. Appl. Energy 2009, 86, 163–169. [Google Scholar] [CrossRef]
- Shadmand, M.B.; Balog, R.S. Multi-objective optimization and design of photovoltaic-wind hybrid system for community smart dc microgrid. IEEE Trans. Smart Grid 2014, 5, 2635–2643. [Google Scholar] [CrossRef]
- Zhao, B.; Zhang, X.; Li, P.; Wang, K.; Xue, M.; Wang, C. Optimal sizing, operating strategy and operational experience of a standalone microgrid on dongfushan island. Appl. Energy 2014, 113, 1656–1666. [Google Scholar] [CrossRef]
- Ogunjuyigbe, A.; Ayodele, T.; Akinola, O. Optimal allocation and sizing of PV/Wind/split-diesel/battery hybrid energy system for minimizing life cycle cost, carbon emission and dump energy of remote residential building. Appl. Energy 2016, 171, 153–171. [Google Scholar] [CrossRef]
- Zeng, J.; Li, M.; Liu, J.F.; Wu, J.; Ngan, H.W. Operational optimization of a stand-alone hybrid renewable energy generation system based on an improved genetic algorithm. In Proceedings of the IEEE PES General Meeting, Minneapolis, MN, USA, 25–29 July 2010; pp. 1–6. [Google Scholar]
- Tito, S.; Lie, T.; Anderson, T. Optimal sizing of a wind-photovoltaic-battery hybrid renewable energy system considering socio-demographic factors. Sol. Energy 2016, 136, 525–532. [Google Scholar] [CrossRef]
- Cheng, Y.; Chuang, M.; Liu, Y.; Wang, S.; Yang, Z. A particle swarm optimization based power dispatch algorithm with roulette wheel re-distribution mechanism for equality constraint. Renew. Energy 2016, 88, 58–72. [Google Scholar] [CrossRef]
- Paliwal, P.; Patidar, N.; Nema, R. Determination of reliability constrained optimal resource mix for an autonomous hybrid power system using particle swarm optimization. Renew. Energy 2014, 63, 194–204. [Google Scholar] [CrossRef]
- Borhanazad, H.; Mekhilef, S.; Ganapathy, V.G.; ModiriDelshad, M.; Mirtaheri, A. Optimization of micro-grid system using MOPSO. Renew. Energy 2014, 71, 295–306. [Google Scholar] [CrossRef]
- Boonbumroong, U.; Pratinthong, N.; Thepa, S.; Jivacate, C.; Pridasawas, W. Particle swarm optimization for ac-coupling stand alone hybrid power systems. Sol. Energy 2011, 85, 560–569. [Google Scholar] [CrossRef]
- Clarke, D.P.; Al-Abdeli, Y.M.; Kothapalli, G. Multi-objective optimisation of renewable hybrid energy systems with desalination. Energy 2015, 88, 457–468. [Google Scholar] [CrossRef]
- Hassan, A.; Kandil, M.; Saadawi, M.; Saeed, M. Modified particle swarm optimisation technique for optimal design of small renewable energy system supplying a specific load at mansoura university. IET Renew. Power Gener. 2015, 9, 474–483. [Google Scholar] [CrossRef]
- Maleki, A.; Ameri, M.; Keynia, F. Scrutiny of multifarious particle swarm optimization for finding the optimal size of a pv/wind/battery hybrid system. Renew. Energy 2015, 80, 552–563. [Google Scholar] [CrossRef]
- Baghaee, H.; Mirsalim, M.; Gharehpetian, G.; Talebi, H. Reliability/cost-based multi-objective pareto optimal design of standalone Wind/PV/FC generation microgrid system. Energy 2016, 115, 1022–1041. [Google Scholar] [CrossRef]
- Askarzadeh, A.; dos Santos Coelho, L. A novel framework for optimization of a grid independent hybrid renewable energy system: A case study of iran. Sol. Energy 2015, 112, 383–396. [Google Scholar] [CrossRef]
- Roy, P.; He, J.; Liao, Y. Cost minimization of batterysupercapacitor hybrid energy storage for hourly dispatching windsolar hybrid power system. IEEE Access 2020, 8, 210099–210115. [Google Scholar] [CrossRef]
- Jamal, S.; Tan, N.M.L.; Pasupuleti, J. A review of energy management and power management systems for microgrid and nanogrid applications. Sustainability 2021, 13, 10331. [Google Scholar] [CrossRef]
- Meliani, M.; Barkany, A.E.; Abbassi, I.E.; Darcherif, A.M.; Mahmoudi, M. Energy management in the smart grid: State-of-the-art and future trends. Int. J. Eng. Bus. Manag. 2021, 13, 1–26. [Google Scholar] [CrossRef]
- Hussain, A.; Bui, V.H.; Kim, H.M. A resilient and privacy-preserving energy management strategy for networked microgrids. IEEE Trans. Smart Grid 2018, 9, 2127–2139. [Google Scholar] [CrossRef]
- Ranaweera, C.L.I.U.; Midtgård, O.-M.; Norum, L. A real-time energy management system for smart grid integrated photovoltaic generation with battery storage. Renew. Energy 2019, 130, 774–785. [Google Scholar]
- Krishnamoorthy, R.; Priya, L.S.; Aswini, S.; Guna, C. Design and implementation of IoT based energy management system with data acquisition. In Proceedings of the the 2020 7th International Conference on Smart Structures and Systems (ICSSS), Chennai, India, 23–24 July 2020; pp. 5–9. [Google Scholar]
- Helal, S.A.; Hanna, M.; Najee, R.J.; Shaaban, M.; Osman, A.H.; Hassan, M.S. Energy management system for smart hybrid AC/DC microgrids in remote communities. Electr. Power Compon. Syst. 2019, 47, 1012–1024. [Google Scholar] [CrossRef]
- Alnejaili, T.; Drid, S.; Mehdi, D.; Chrifi-Alaoui, L. A Developed energy management strategy for a stand-alone hybrid power system for medium rural health building. Int. Trans. Electr. Energy Syst. 2016, 26, 713–729. [Google Scholar] [CrossRef]
- Alnejaili, T.; Drid, S.; Mehdi, D.; Chrifi-Alaoui, L.; Belarbi, R.; Hamdouni, A. Dynamic control and advanced load management of a stand-alone hybrid renewable power system for remote housing. Energy Convers. Manag. 2015, 105, 377–392. [Google Scholar] [CrossRef]
- Mosa, M.A.; Ali, A. Energy management system of low voltage dc microgrid using mixed-integer nonlinear programing and a global optimization technique. Electr. Power Syst. Res. 2021, 192, 106971. [Google Scholar] [CrossRef]
- Ban, M.; Shahidehpour, M.; Yu, J.; Li, Z. A cyber-physical energy management system for optimal sizing and operation of networked nanogrids with battery swapping stations. IEEE Trans. Sustain. Energy 2017, 10, 491–502. [Google Scholar] [CrossRef]
- Iris, Ç.; Lam, J.S.L. Optimal energy management and operations planning in seaports with smart grid while harnessing renewable energy under uncertainty. Omega 2021, 103, 102445. [Google Scholar] [CrossRef]
- Elbouchikhi, M.F.E.; Benbouzid, M. Optimal operational planning of scalable dc microgrid with demand response, islanding, and battery degradation cost considerations. Appl. Energy 2019, 237, 695–707. [Google Scholar]
- Capehart, B.L.; Turner, W.C.; Kennedy, W.J. Guide to Energy Management; The Fairmont Press, Inc.: Atlanta Georgia, USA, 2003. [Google Scholar]
- Deshmukh, S.C.; Patil, V.A. Energy conservation and audit. Int. J. Sci. Res. Publ. 2013, 3, 1–5. [Google Scholar]
- Bhuiyan, F.A.; Yazdani, A.; Primak, S.L. Optimal sizing approach for islanded microgrids. IET Renew. Power Gener. 2015, 9, 166–175. [Google Scholar] [CrossRef]
- Torreglosa, J.P.; García-Triviño, P.; Fernández-Ramirez, L.M.; Jurado, F. Control based on techno-economic optimization of renewable hybrid energy system for stand-alone applications. Expert Syst. Appl. 2016, 51, 59–75. [Google Scholar] [CrossRef]
- Dursun, E.; Kilic, O. Comparative evaluation of different power management strategies of a stand-alone pv/wind/pemfc hybrid power system. Int. J. Electr. Power Energy Syst. 2012, 34, 81–89. [Google Scholar] [CrossRef]
- Luna, A.C.; Diaz, N.L.; Graells, M.; Vasquez, J.C.; Guerrero, J.M. Mixed integer-linear-programming-based energy management system for hybrid pv-wind battery microgrids: Modeling, design, and experimental verification. IEEE Trans. Power Electron. 2016, 32, 2769–2783. [Google Scholar] [CrossRef]
- Hou, X.; Wang, J.; Huang, T.; Wang, T.; Wang, P. Smart home energy management optimization method considering energy storage and electric vehicle. IEEE Access 2019, 7, 144010–144020. [Google Scholar] [CrossRef]
- Bruni, G.; Cordiner, S.; Mulone, V.; Rocco, V.; Spagnolo, F. A study on the energy management in domestic micro-grids based on model predictive control strategies. Energy Convers. Manag. 2015, 102, 50–58. [Google Scholar] [CrossRef]
- Khan, M.R.B.; Pasupuleti, J.; Al-Fattah, J.; Tahmasebi, M. Energy management system for pv-battery microgrid based on model predictive control. Indones. J. Electr. Eng. Comput. Sci. 2019, 15, 20–25. [Google Scholar] [CrossRef]
- Arcos-Aviles, D.; Guinjoan, F.; Pascual, J.; Marroyo, L.; Sanchis, P.; Gordillo, R.; Ayala, P.; Marietta, M.P. A review of fuzzy-based residential grid-connected microgrid energy management strategies for grid power profile smoothing. In Energy Sustainability in Built and Urban Environments; Springer: Singapore, 2019; pp. 165–199. [Google Scholar] [CrossRef]
- Arcos-Aviles, D.; Pascual, J.; Marroyo, L.; Sanchis, P.; Guinjoan, F.; Marietta, M.P. Optimal fuzzy logic ems design for residential grid-connected microgrid with hybrid renewable generation and storage. In Proceedings of the IEEE 24th International Symposium on Industrial Electronics (ISIE), Buzios, Brazil, 3–5 June 2015; pp. 742–747. [Google Scholar]
- Arcos-Aviles, D.; Pascual, J.; Marroyo, L.; Sanchis, P.; Guinjoan, F. Fuzzy logic-based energy management system design for residential grid-connected microgrids. IEEE Trans. Smart Grid 2016, 9, 530–543. [Google Scholar] [CrossRef]
- Hosseinzadeh, M.; Salmasi, F.R. Power management of an isolated hybrid ac/dc micro-grid with fuzzy control of battery banks. IET Renew. Power Gener. 2015, 9, 484–493. [Google Scholar] [CrossRef]
- Chen, Y.-K.; Wu, Y.-C.; Song, C.-C.; Chen, Y.-S. Design and implementation of energy management system with fuzzy control for dc microgrid systems. IEEE Trans. Power Electron. 2012, 28, 1563–1570. [Google Scholar] [CrossRef]
- Brka, A.; Kothapalli, G.; Al-Abdeli, Y.M. Predictive power management strategies for stand-alone hydrogen systems: Lab-scale validation. Int. J. Hydrogen Energy 2015, 40, 9907–9916. [Google Scholar] [CrossRef]
- Mahjoub, S.; Labdai, S.; Chrifi-Alaoui, L.; Drid, S.; Derbel, N. Design and implementation of a Fuzzy logic supervisory based on SMC controller for a Dual Input-Single Output converter. Int. J. Electr. Power Energy Syst. 2023, 150, 109053. [Google Scholar] [CrossRef]
- Alnejaili, T.; Labdai, S.; Chrifi-Alaoui, L. Predictive Management Algorithm for Controlling PV-Battery Off-Grid Energy System. Sensors 2021, 21, 6427. [Google Scholar] [CrossRef] [PubMed]
- Megahed, T.F.; Abdelkader, S.M.; Zakaria, A. Energy management in zeroenergy building using neural network predictive control. IEEE Internet Things J. 2019, 6, 5336–5344. [Google Scholar] [CrossRef]
- Mahjoub, S.; Chrifi-Alaoui, L.; Marhic, B.; Delahoche, L. Predicting Energy Consumption Using LSTM, Multi-Layer GRU and Drop-GRU Neural Networks. Sensors 2022, 22, 4062. [Google Scholar] [CrossRef] [PubMed]
- Mechnane, F.; Drid, S.; Hadmer, B.; Nait-Said, N.; Chrifi-Alaoui, L.; Delahoche, L. Robust Control of a PV-Wind Hybrid System Using DISO DC/DC Converter. In Proceedings of the 19th International Multi-Conference on Systems, Signals & Devices (SSD), Sétif, Algeria, 6–10 May 2022; pp. 1788–1794. [Google Scholar] [CrossRef]
- Sellali, M.; Betka, A.; Djerdir, A.; Yang, Y.; Bahri, I.; Drid, S. A Novel Energy Management Strategy in Electric Vehicle Based on Hinf Self Gain Scheduled for Linear Parameter Varying Systems. IEEE Trans. Energy Convers. 2021, 36, 767–778. [Google Scholar] [CrossRef]
- Mohammed, O.H.; Amirat, Y.; Benbouzid, M. A home energy management incorporating energy storage systems with utility under demand response using PSO. Electronics 2018, 7, 233. [Google Scholar] [CrossRef]
- Sisodiya, S.; Kumbhar, G.; Alam, M. Economical evaluation and optimal energy management of a stand-alone hybrid energy system handling in genetic algorithm strategies. In Proceedings of the IEEMA Engineer Infinite Conference (eTechNxT), New Delhi, India, 13–14 March 2018; pp. 1–6. [Google Scholar]
- Belkacem, Y.; Drid, S.; Makouf, A.; Chrifi-Alaoui, L. Multi-agent energy management and fault tolerant control of the micro-grid powered with doubly fed induction generator wind farm. Int. J. Syst. Assur. Eng. Manag. 2022, 13, 267–277. [Google Scholar] [CrossRef]
- Boussaada, Z.; Curea, O.; Ruiz, H.C.; Mrabet, N.B. Energy management for embedded microgrid using multi agent system. In Proceedings of the 7th International Conference on Automation, Control Engineering & Computer Science (ACECS-2020), Sousse, Tunisia, 3–6 July 2020. [Google Scholar]
- Bogaraj, T.; Kanakaraj, J. Intelligent energy management control for independent microgrid. Sādhanā 2016, 41, 755–769. [Google Scholar] [CrossRef]
- Hosseinzadeh, M.; Salmasi, F.R. Robust optimal power management system for a hybrid ac/dc micro-grid. IEEE Trans. Sustain. Energy 2015, 6, 675–687. [Google Scholar] [CrossRef]
- Kumar, J.; Agarwal, A.; Agarwal, V. A review on overall control of DC microgrids. J. Energy Storage 2019, 21, 113–138. [Google Scholar] [CrossRef]
- Mahjoub, S.; Chrifi-Alaoui, L.; Drid, S.; Derbel, N. Control and Implementation of an Energy Management Strategy for a PV–Wind–Battery Microgrid Based on an Intelligent Prediction Algorithm of Energy Production. Energies 2023, 16, 1883. [Google Scholar] [CrossRef]
- Behzadi, M.S.; Niasati, M. Comparative performance analysis of a hybrid PV/FC/battery stand-alone system using different power management strategies and sizing approaches. Int. J. Hydrogen Energy 2015, 40, 538–548. [Google Scholar] [CrossRef]
- Mhusa, N.J.; Nyakoe, G.N.; Mgaya, E.V. Power management in photovoltaic-wind hybrid system based on Artificial intelligence. J. Multidiscip. Eng. Sci. Technol. (JMEST) 2015, 2, 140–148. [Google Scholar]
- Onur, O.M.; Ismail, H.A. A new energy management technique for PV/Wind/Grid renewable energy system. Int. J. Photoenergy 2015, 2015, 356930. [Google Scholar] [CrossRef]
- Ruban, A.A.; Rajasekaran, G.M.; Rajeswari, N. Implementation of energy management system to PV-wind hybrid power generation system for DC microgrid applications. Int. Res. J. Eng. Technol. (IRJET) 2015, 2, 204–210. [Google Scholar]
- Ranjit, S.S.S. A Design Scheme of Energy Management, Control, Optimisation System for Hybrid Solar-Wind and Battery Energy Storages System. Ph.D. Thesis, Department of Electronic & Computer Engineering, College of Engineering, Design and Physical Sciences Brunel University London, London, UK, 2016. [Google Scholar]
- Ceran, B.; Hassan, Q.; Jaszczur, M.; Srokal, K. An analysis of hybrid power generation systems for a residential load. Energy and Fuels. E3S Web Conf. 2016, 14, 0102. [Google Scholar] [CrossRef]
- Sassi, A.; Zaidi, N.; Nasri, O.; Slama, J.B.H. Energy management of PV/Wind/Battery hybrid energy system based on batteries utilization optimization. In Proceedings of the International Conference on Green Energy Conversion Systems (GECS), Hammamet, Tunisia, 23–25 March 2017. [Google Scholar]
- Moghaddam, S.; Bigdeli, M.; Moradlou, M.; Siano, P. Designing of stand-alone hybrid PV/wind/battery system using improved crow search algorithm considering reliability index. Int. J. Energ. Environ. Eng. 2019, 10, 429–449. [Google Scholar] [CrossRef]
- Abbes, D.; Martinez, A.; Champenois, G.; Robyns, B. Real time supervision for a hybrid renewable power system emulator. Simul. Model. Pract. Theory 2014, 42, 53–72. [Google Scholar] [CrossRef]
- Benlahbib, B.; Bouarroudj, N.; Mekhilef, S.; Abdeldjalil, D.; Abdelkrim, T.; Bouchafaa, F.; Lakhdari, A. Experimental investigation of power management and control of a PV/wind/fuel cell/battery hybrid energy system microgrid. Int. J. Hydrogen Energy 2020, 45, 29110–29122. [Google Scholar] [CrossRef]
- Ram, J.P.; Manghani, H.; Pillai, D.S.; Babu, T.S.; Miyatake, M.; Rajasekar, N. Analysis on solar PV emulators: A review. Renew. Sustain. Energy Rev. 2018, 81, 149–160. [Google Scholar] [CrossRef]
- Zia, M.F.; Nasir, M.; Elbouchikhi, E.; Benbouzid, M.; Vasquez, J.C.; Guerrero, J.M. Energy management system for a hybrid PV-Wind-Tidal-Battery-based islanded DC microgrid: Modeling and experimental validation. Renew. Sustain. Energy Rev. 2022, 159, 112093. [Google Scholar] [CrossRef]
- Maheshwari, Z.l.; Kengne, K.; Bhat, O. A comprehensive review on wind turbine emulators. Renew. Sustain. Energy Rev. 2023, 180, 113297. [Google Scholar] [CrossRef]
- Khan, K.; Rashid, S.; Mansoor, M.; Khan, A.; Raza, H.; Zafar, M.H.; Akhtar, N. Data-driven green energy extraction: Machine learning-based MPPT control with efficient fault detection method for the hybrid PV-TEG system. Energy Rep. 2023, 9, 3604–3623. [Google Scholar] [CrossRef]
- Mallal, Y.; El-Bahir, L.; Hassboun, T. High-Performance Emulator for Fixed Photovoltaic Panels. Int. J. Photoenergy 2019, 2019, 3951841. [Google Scholar] [CrossRef]
- Rajendran, S.; Diaz, M.; Devi, V.S.K.; Jena, D.; Travieso, J.C.; Rodriguez, J. Wind Turbine Emulators—A Review. Processes 2023, 11, 747. [Google Scholar] [CrossRef]
- Labdai, S.; Alibi, A.; Chrifi-Alaoui, L.; Drid, S.; Hemici, B.; Nezli, L. Indirect Fuzzy Adaptive Synchronization and Control of a Grid-Connected DFIG-Based WECS. In Proceedings of the International Conference on Control, Automation and Diagnosis (ICCAD), Paris, France, 7–9 October 2020; pp. 1–6. [Google Scholar] [CrossRef]
- Tiar, M.; Betka, A.; Drid, S.; Abdeddaim, S.; Sellali, M.; Medjmadj, S. Fault-tolerant control of a smart PV-grid hybrid system. IET Renew. Power Gener. 2019, 13, 2451–2461. [Google Scholar] [CrossRef]






































Disclaimer/Publisher’s Note: The statements, opinions and data contained in all publications are solely those of the individual author(s) and contributor(s) and not of MDPI and/or the editor(s). MDPI and/or the editor(s) disclaim responsibility for any injury to people or property resulting from any ideas, methods, instructions or products referred to in the content. |
© 2023 by the authors. Licensee MDPI, Basel, Switzerland. This article is an open access article distributed under the terms and conditions of the Creative Commons Attribution (CC BY) license (https://creativecommons.org/licenses/by/4.0/).
Share and Cite
Chrifi-Alaoui, L.; Drid, S.; Ouriagli, M.; Mehdi, D. Overview of Photovoltaic and Wind Electrical Power Hybrid Systems. Energies 2023, 16, 4778. https://doi.org/10.3390/en16124778
Chrifi-Alaoui L, Drid S, Ouriagli M, Mehdi D. Overview of Photovoltaic and Wind Electrical Power Hybrid Systems. Energies. 2023; 16(12):4778. https://doi.org/10.3390/en16124778
Chicago/Turabian StyleChrifi-Alaoui, Larbi, Saïd Drid, Mohammed Ouriagli, and Driss Mehdi. 2023. "Overview of Photovoltaic and Wind Electrical Power Hybrid Systems" Energies 16, no. 12: 4778. https://doi.org/10.3390/en16124778
APA StyleChrifi-Alaoui, L., Drid, S., Ouriagli, M., & Mehdi, D. (2023). Overview of Photovoltaic and Wind Electrical Power Hybrid Systems. Energies, 16(12), 4778. https://doi.org/10.3390/en16124778

