Photovoltaic Power Forecasting Using Multiscale-Model-Based Machine Learning Techniques
Abstract
1. Introduction
2. Energy Management
3. Methodology and Techniques
3.1. Artificial Neural Network
- is the activation function.
- N is the total number of input neurons.
- are the weights.
- are the inputs to the input neurons.
- are the threshold terms of the hidden neurons.

3.2. Gaussian Process Regression (GPR)
- signifies the GP posterior mean’s average value.
- displays the prediction’s covariance matrix.
- is the covariance matrix that associated the training and the test data.
- is the training data.
- J represents the matrix.
3.3. Least Absolute Shrinkage and Selection Operator (LASSO)
3.4. Boosting Trees
3.5. Performance Evaluation Metrics
- is the observation’s actual value.
- is predicted value of of the observation.
- is the average of the actual observation values.
- N is the number of samples utilized for the statistical evaluation criteria.
4. Simulation Results
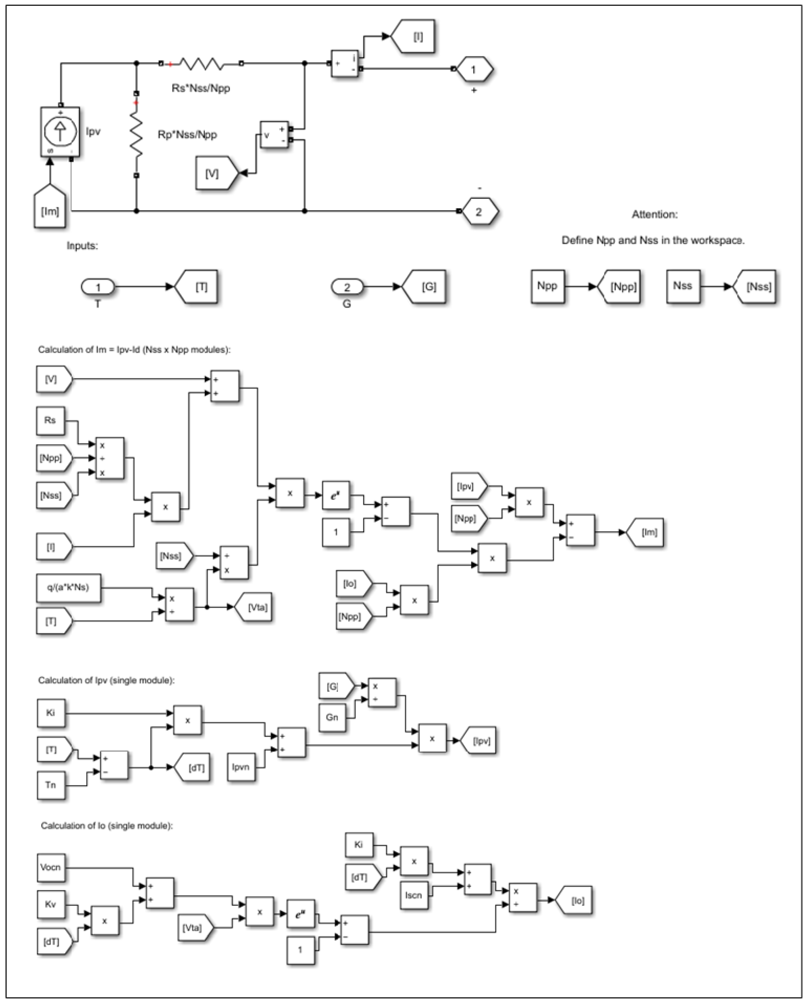
4.1. System Description
- : a current source which represents the irradiance received by the cell.
- A diode for modeling the PN junction of the cell.
- : the series resistance representing the resistivity of the material through which the cell is made. the cell is made.
- : the parallel resistance, which represents all the paths crossed by the leakage current, either in parallel with the leakage current, in parallel with the cell, or at the edge of the cell.
- is the photo current, which is proportional to the irradiance received by the cell.
- is the saturation current of the diode.
- a is the ideality factor of the diode at (1 to 2).
- = is the thermal voltage as a function of the number of cells in series in the PV module, the cell temperature, Boltzmann’s constant, and the charge of the electron.
- T = + 273.15
- is the photo current at the standard test condition, which corresponds to the short-circuit current of the PV module given by the manufacturer.
- is the temperature coefficient of the short circuit current.
- T is the temperature of the PV cell in kelvin.
- is the cell temperature at standard test condition [25 °C].
- G is the solar radiation received by the PV cell [W/m2].
- is the solar radiation at standard test conditions [1000 W/m2].
- is the ambient temperature in °C.
- is the temperature of the PV cell in °C.
4.2. Data Collection
- Case 1: During this case, one day was examined. A total of 8 hours (h) and 48 minutes (min) were used for training to predict 2 h and 12 min.
- Case 2: In this case, two days were considered (1320 observations) for the training phase to predict the next day.
- Case 3: Four days (2640 observations) were examined for training to predict the following two days.
- Case 4: We continued increasing the training samples to obtain larger prediction horizon lengths. In such a way, six days (3960 observations) were intended to perform the training phase to predict three successive days.
4.3. Discussion
5. Conclusions
Author Contributions
Funding
Data Availability Statement
Acknowledgments
Conflicts of Interest
References
- Kumari, P.; Toshniwal, D. Deep learning models for solar irradiance forecasting: A comprehensive review. J. Clean. Prod. 2021, 318, 128566. [Google Scholar] [CrossRef]
- Feng, J.; Xu, S.X. Integrated technical paradigm based novel approach towards photovoltaic power generation technology. Energy Strategy Rev. 2021, 34, 100613. [Google Scholar] [CrossRef]
- Cárdenas, J.J.; Romeral, L.; Garcia, A.; Andrade, F. Load forecasting framework of electricity consumptions for an Intelligent Energy Management System in the user-side. Expert Syst. Appl. 2012, 39, 5557–5565. [Google Scholar] [CrossRef]
- Svensson, M. Short-Term Wind Power Forecasting Using Artificial Neural Networks. Master’s Thesis, KTH–School of Computer Science and Communication Location, Kista, Sweden, 2015. [Google Scholar]
- Landberg, L. Short-term prediction of the power production from wind farms. J. Wind. Eng. Ind. Aerodyn. 1999, 80, 207–220. [Google Scholar] [CrossRef]
- Zelikman, E.; Zhou, S.; Irvin, J.; Raterink, C.; Sheng, H.; Avati, A.; Kelly, J.; Rajagopal, R.; Ng, A.Y.; Gagne, D. Short-term solar irradiance forecasting using calibrated probabilistic models. arXiv 2020, arXiv:2010.04715. [Google Scholar]
- Duan, T.; Anand, A.; Ding, D.Y.; Thai, K.K.; Basu, S.; Ng, A.; Schuler, A. Ngboost: Natural Gradient Boosting for Probabilistic Prediction. In Proceedings of the International Conference on Machine Learning ( PMLR), Online, 13–18 July 2020; pp. 2690–2700. [Google Scholar]
- Li, Z.; Ye, L.; Zhao, Y.; Song, X.; Teng, J.; Jin, J. Short-term wind power prediction based on extreme learning machine with error correction. Prot. Control. Mod. Power Syst. 2016, 1, 1. [Google Scholar] [CrossRef]
- Zazoum, B. Solar photovoltaic power prediction using different machine learning methods. Energy Rep. 2022, 8, 19–25. [Google Scholar] [CrossRef]
- Khandakar, A.; Chowdhury, M.E.H.; Khoda Kazi, M.; Benhmed, K.; Touati, F.; Al-Hitmi, M.; Gonzales, A.S.P., Jr. Machine learning based photovoltaics (PV) power prediction using different environmental parameters of Qatar. Energies 2019, 12, 2782. [Google Scholar] [CrossRef]
- Theocharides, S.; Makrides, G.; Georghiou, G.E.; Kyprianou, A. Machine Learning Algorithms for Photovoltaic System Power Output Prediction. In Proceedings of the 2018 IEEE International Energy Conference (ENERGYCON), Limassol, Cyprus, 3–7 June 2018; pp. 1–6. [Google Scholar]
- Ensafi, Y.; Amin, S.H.; Zhang, G.; Shah, B. Time-series forecasting of seasonal items sales using machine learning—A comparative analysis. Int. J. Inf. Manag. Data Insights 2022, 2, 100058. [Google Scholar] [CrossRef]
- Green, F. Machine-learning Sales Forecasting: A Review. Sage Sci. Rev. Appl. Mach. Learn. 2022, 5, 1–21. Available online: https://journals.sagescience.org/index.php/ssraml/article/view/3 (accessed on 19 April 2023).
- Chen, B.J.; Chang, M.W.; Lin, C.J. Load forecasting using support vector machines: A study on EUNITE competition 2001. IEEE Trans. Power Syst. 2004, 19, 1821–1830. [Google Scholar] [CrossRef]
- Kariniotakis, G.; Stavrakakis, G.; Nogaret, E. Wind power forecasting using advanced neural networks models. IEEE Trans. Energy Convers. 1996, 11, 762–767. [Google Scholar] [CrossRef]
- Shi, H.; Xu, M.; Li, R. Deep learning for household load forecasting—A novel pooling deep RNN. IEEE Trans. Smart Grid 2017, 9, 5271–5280. [Google Scholar] [CrossRef]
- Wang, L.; Zhang, Z.; Chen, J. Short-term electricity price forecasting with stacked denoising autoencoders. IEEE Trans. Power Syst. 2016, 32, 2673–2681. [Google Scholar] [CrossRef]
- Feng, C.; Sun, M.; Zhang, J. Reinforced deterministic and probabilistic load forecasting via Q-learning dynamic model selection. IEEE Trans. Smart Grid 2019, 11, 1377–1386. [Google Scholar] [CrossRef]
- Cai, L.; Gu, J.; Jin, Z. Two-layer transfer-learning-based architecture for short-term load forecasting. IEEE Trans. Ind. Inform. 2019, 16, 1722–1732. [Google Scholar] [CrossRef]
- Huang, C.J.; Kuo, P.H. A short-term wind speed forecasting model by using artificial neural networks with stochastic optimization for renewable energy systems. Energies 2018, 11, 2777. [Google Scholar] [CrossRef]
- Fathima, A.H.; Palanisamy, K. Energy storage systems for energy management of renewables in distributed generation systems. In Energy Management of Distributed Generation Systems; InTech: Rijeka, Croatia, 2016; pp. 157–181. [Google Scholar]
- Dhibi, K.; Mansouri, M.; Bouzrara, K.; Nounou, H.; Nounou, M. Reduced neural network based ensemble approach for fault detection and diagnosis of wind energy converter systems. Renew. Energy 2022, 194, 778–787. [Google Scholar] [CrossRef]
- Rojat, T.; Puget, R.; Filliat, D.; Del Ser, J.; Gelin, R.; Díaz-Rodríguez, N. Explainable artificial intelligence (xai) on timeseries data: A survey. arXiv 2021, arXiv:2104.00950. [Google Scholar]
- Hassoum, M. Fundamentals of Artificial Neural Networks; MIT Press: Cambridge, MA, USA, 1995. [Google Scholar]
- Hichri, A.; Hajji, M.; Mansouri, M.; Abodayeh, K.; Bouzrara, K.; Nounou, H.; Nounou, M. Genetic-Algorithm-Based Neural Network for Fault Detection and Diagnosis: Application to Grid-Connected Photovoltaic Systems. Sustainability 2022, 14, 10518. [Google Scholar] [CrossRef]
- Jamii, J.; Mansouri, M.; Trabelsi, M.; Fouazi Mimouni, M.; Shatanawi, W. Effective ANN based on Wind Power Generation and Load Demand Forecasting for Optimum Energy Management. Front. Energy Res. 2022, 10, 898413. [Google Scholar] [CrossRef]
- Bishop, C.M.; Nasrabadi, N.M. Pattern Recognition and Machine Learning; Springer: Berlin/Heidelberg, Germany, 2006; Volume 4. [Google Scholar]
- Nabney, I. NETLAB: Algorithms for Pattern Recognition; Springer Science & Business Media: Berlin, Germany, 2002. [Google Scholar]
- Raghavendra, N.S.; Deka, P.C. Multistep ahead Groundwater Level Time-Series Forecasting Using Gaussian Process Regression and ANFIS. In Advanced Computing and Systems for Security; Springer: Berlin/Heidelberg, Germany, 2016; pp. 289–302. [Google Scholar]
- Rasmussen, C. Gaussian Processes in Machine Learning. In Advanced Lectures on Machine Learning; Springer: Berlin/Heidelberg, Germany, 2014; Volume 3176, pp. 63–71. [Google Scholar]
- Heyns, T.; De Villiers, J.P.; Heyns, P.S. Consistent haul road condition monitoring by means of vehicle response normalisation with Gaussian processes. Eng. Appl. Artif. Intell. 2012, 25, 1752–1760. [Google Scholar] [CrossRef]
- Kukreja, S.L.; Löfberg, J.; Brenner, M.J. A least absolute shrinkage and selection operator (LASSO) for nonlinear system identification. IFAC Proc. Vol. 2006, 39, 814–819. [Google Scholar] [CrossRef]
- Tibshirani, R. Regression shrinkage and selection via the lasso. J. R. Stat. Soc. Ser. 1996, 58, 267–288. [Google Scholar] [CrossRef]
- Vasquez, M.M.; Hu, C.; Roe, D.J.; Chen, Z.; Halonen, M.; Guerra, S. Least absolute shrinkage and selection operator type methods for the identification of serum biomarkers of overweight and obesity: Simulation and application. BMC Med. Res. Methodol. 2016, 16, 154. [Google Scholar] [CrossRef]
- Friedman, J.; Hastie, T.; Tibshirani, R. Regularization paths for generalized linear models via coordinate descent. J. Stat. Softw. 2010, 33, 1. [Google Scholar] [CrossRef]
- Zou, H. The adaptive lasso and its oracle properties. J. Am. Stat. Assoc. 2006, 101, 1418–1429. [Google Scholar] [CrossRef]
- Efron, B.; Hastie, T.; Johnstone, I.; Tibshirani, R. Least angle regression. Ann. Statist. 2004, 32, 407–499. [Google Scholar] [CrossRef]
- De’Ath, G. Boosted trees for ecological modeling and prediction. Ecology 2007, 88, 243–251. [Google Scholar] [CrossRef]
- Mansouri, M.; Hajji, M.; Trabelsi, M.; Harkat, M.F.; Al-khazraji, A.; Livera, A.; Nounou, H.; Nounou, M. An effective statistical fault detection technique for grid connected photovoltaic systems based on an improved generalized likelihood ratio test. Energy 2018, 159, 842–856. [Google Scholar] [CrossRef]








| Cases | Methods | Global Performances | |||||||||
|---|---|---|---|---|---|---|---|---|---|---|---|
| Raw Data | Multiscale | ||||||||||
| ME | RMSE | nRMSE | MAE | ME | RMSE | nRMSE | MAE | ||||
| Case 1 | NN | 44.60 | 53.39 | 0.26 | 44.60 | 0.98 | 19.07 | 35.98 | 0.20 | 28.46 | 0.91 |
| GPR | 18.40 | 19.10 | 0.11 | 18.40 | 1.00 | 10.36 | 10.81 | 0.06 | 10.36 | 1.00 | |
| LASSO | 24.39 | 26.93 | 0.20 | 24.39 | 1.00 | 11.71 | 12.93 | 0.09 | 11.71 | 1.00 | |
| Boosting Trees | 63.82 | 80.19 | 0.36 | 65.07 | 0.86 | 63.30 | 81.65 | 0.37 | 65.68 | 0.84 | |
| Case 2 | NN | 7.32 | 14.50 | 0.06 | 11.25 | 1.00 | 3.87 | 27.20 | 0.12 | 4.39 | 0.99 |
| GPR | 7.85 | 13.30 | 0.06 | 10.53 | 1.00 | 0.97 | 2.15 | 0.01 | 1.48 | 1.00 | |
| LASSO | 33.69 | 42.23 | 0.22 | 33.69 | 1.00 | 19.87 | 24.90 | 0.12 | 19.87 | 1.00 | |
| Boosting trees | 9.29 | 21.14 | 0.09 | 15.15 | 0.99 | 1.43 | 12.83 | 0.06 | 9.24 | 1.00 | |
| Case 3 | NN | 1.88 | 23.40 | 0.05 | 19.23 | 1.00 | 0.07 | 10.53 | 0.02 | 5.23 | 1.00 |
| GPR | 1.75 | 22.87 | 0.05 | 18.98 | 1.00 | 0.76 | 4.12 | 0.01 | 3.20 | 1.00 | |
| LASSO | 77.28 | 85.96 | 0.24 | 77.28 | 1.00 | 34.66 | 38.56 | 0.01 | 34.66 | 1.00 | |
| Boosting trees | 0.56 | 33.97 | 0.08 | 22.16 | 0.99 | 0.98 | 15.82 | 0.04 | 11.99 | 1.00 | |
| Case 4 | NN | 0.39 | 21.64 | 0.06 | 17.43 | 1.00 | 0.49 | 4.58 | 0.01 | 2.87 | 1.00 |
| GPR | 0.55 | 21.87 | 0.06 | 17.87 | 1.00 | 0.13 | 3.71 | 0.01 | 2.92 | 1.00 | |
| LASSO | 64.37 | 74.96 | 0.24 | 64.37 | 1.00 | 35.61 | 41.47 | 0.12 | 35.61 | 1.00 | |
| Boosting trees | 0.02 | 30.60 | 0.08 | 21.42 | 0.99 | 1.79 | 12.56 | 0.03 | 8.71 | 1.00 | |
| Cases | Methods | Global Performances | |||||||||
|---|---|---|---|---|---|---|---|---|---|---|---|
| Raw Data | Multiscale | ||||||||||
| ME | RMSE | nRMSE | MAE | ME | RMSE | nRMSE | MAE | ||||
| Case 1 | NN | 41.75 | 48.01 | 0.57 | 41.75 | 0.95 | 39.04 | 58.44 | 0.71 | 39.04 | 0.32 |
| GPR | 11.92 | 11.92 | 0.22 | 11.92 | 1.00 | 6.82 | 6.86 | 0.14 | 6.82 | 1.00 | |
| LASSO | 7.31 | 9.75 | 0.27 | 7.31 | 1.00 | 4.16 | 5.54 | 0.14 | 4.16 | 1.00 | |
| Boosting trees | 30.40 | 35.69 | 0.48 | 30.77 | 0.92 | 25.90 | 33.30 | 0.48 | 27.92 | 0.90 | |
| Case 2 | NN | 10.74 | 26.49 | 0.22 | 15.04 | 0.99 | 2.04 | 4.52 | 0.04 | 2.87 | 1.00 |
| GPR | 10.29 | 21.01 | 0.18 | 14.40 | 0.99 | 1.44 | 3.79 | 0.03 | 2.30 | 1.00 | |
| LASSO | 23.36 | 42.55 | 0.50 | 23.36 | 1.00 | 12.13 | 22.10 | 0.23 | 12.13 | 1.00 | |
| Boosting trees | 11.66 | 28.62 | 0.24 | 18.03 | 0.99 | 1.14 | 14.52 | 0.13 | 8.92 | 1.00 | |
| Case 3 | NN | 0.18 | 39.17 | 0.12 | 29.30 | 0.99 | 0.17 | 6.90 | 0.02 | 4.16 | 1.00 |
| GPR | 0.27 | 36.90 | 0.11 | 29.22 | 1.00 | 0.71 | 6.22 | 0.02 | 4.02 | 1.00 | |
| LASSO | 76.52 | 97.80 | 0.39 | 76.52 | 1.00 | 25.83 | 33.02 | 0.11 | 25.83 | 1.00 | |
| Boosting trees | 1.54 | 45.14 | 0.14 | 31.99 | 0.99 | 1.14 | 23.96 | 0.07 | 15.53 | 1.00 | |
| Case 4 | NN | 0.41 | 37.48 | 0.13 | 26.10 | 1.00 | 0.58 | 6.99 | 0.02 | 4.35 | 1.00 |
| GPR | 0.93 | 39.97 | 0.14 | 27.35 | 1.00 | 0.67 | 7.00 | 0.02 | 4.12 | 1.00 | |
| LASSO | 61.35 | 87.55 | 0.40 | 61.35 | 1.00 | 28.75 | 41.02 | 0.16 | 28.75 | 1.00 | |
| Boosting trees | 1.26 | 49.13 | 0.18 | 28.41 | 0.99 | 0.12 | 17.24 | 0.06 | 10.88 | 1.00 | |
Disclaimer/Publisher’s Note: The statements, opinions and data contained in all publications are solely those of the individual author(s) and contributor(s) and not of MDPI and/or the editor(s). MDPI and/or the editor(s) disclaim responsibility for any injury to people or property resulting from any ideas, methods, instructions or products referred to in the content. |
© 2023 by the authors. Licensee MDPI, Basel, Switzerland. This article is an open access article distributed under the terms and conditions of the Creative Commons Attribution (CC BY) license (https://creativecommons.org/licenses/by/4.0/).
Share and Cite
Marweni, M.; Hajji, M.; Mansouri, M.; Mimouni, M.F. Photovoltaic Power Forecasting Using Multiscale-Model-Based Machine Learning Techniques. Energies 2023, 16, 4696. https://doi.org/10.3390/en16124696
Marweni M, Hajji M, Mansouri M, Mimouni MF. Photovoltaic Power Forecasting Using Multiscale-Model-Based Machine Learning Techniques. Energies. 2023; 16(12):4696. https://doi.org/10.3390/en16124696
Chicago/Turabian StyleMarweni, Manel, Mansour Hajji, Majdi Mansouri, and Mohamed Fouazi Mimouni. 2023. "Photovoltaic Power Forecasting Using Multiscale-Model-Based Machine Learning Techniques" Energies 16, no. 12: 4696. https://doi.org/10.3390/en16124696
APA StyleMarweni, M., Hajji, M., Mansouri, M., & Mimouni, M. F. (2023). Photovoltaic Power Forecasting Using Multiscale-Model-Based Machine Learning Techniques. Energies, 16(12), 4696. https://doi.org/10.3390/en16124696

