Magnetic Pole Equivalence and Performance Analyses of Multi-Layer Flux-Barrier Combined-Pole Permanent-Magnet Synchronous Machines Used for Electric Vehicles
Abstract
1. Introduction
2. Parallel Magnetic Pole Equivalence
2.1. Equivalent Principle Analysis
2.2. Equivalent Result Comparisons
3. Series Magnetic Pole Equivalence
3.1. Equivalent Principle Analysis
3.2. Equivalent Result Comparisons
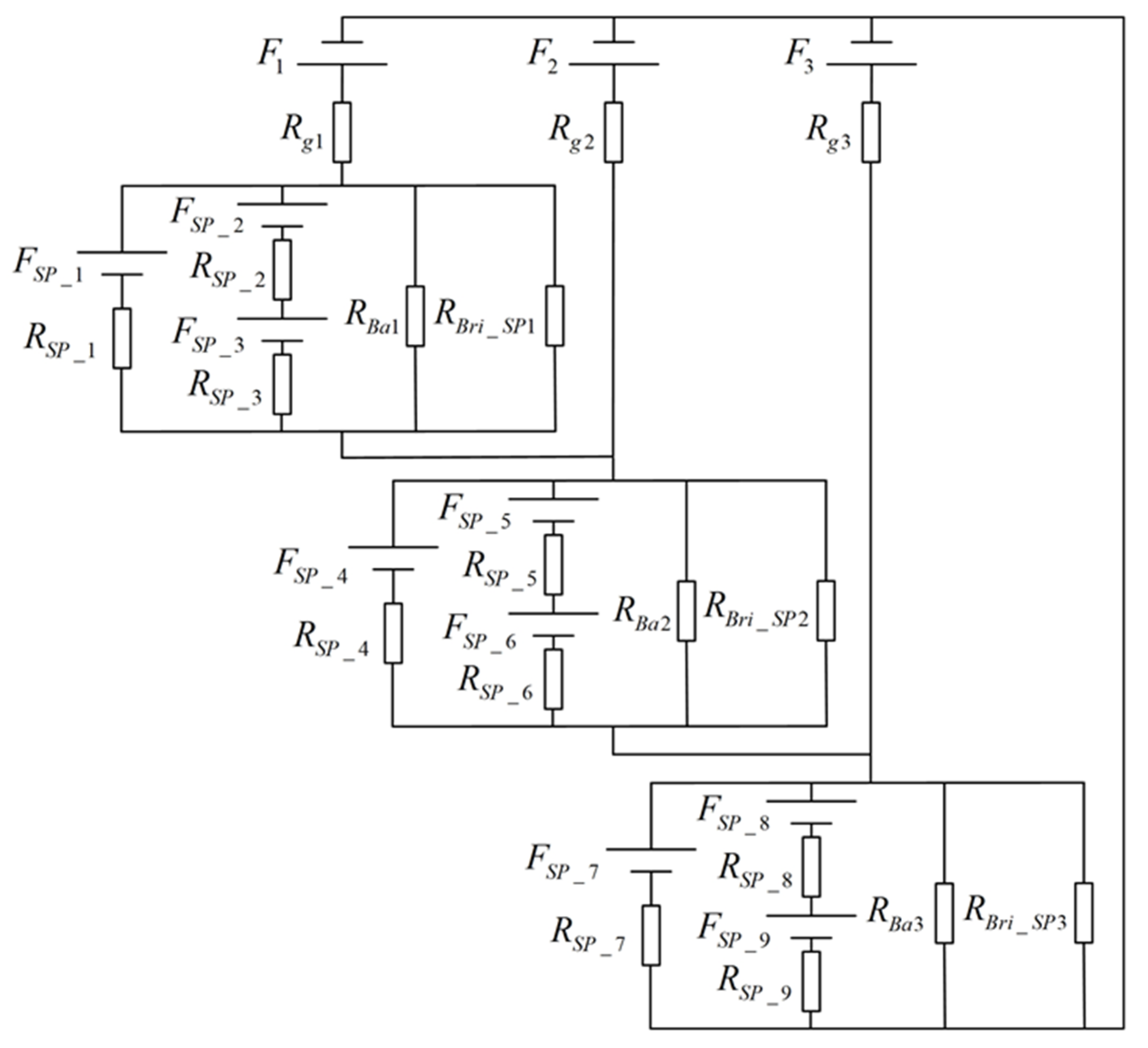
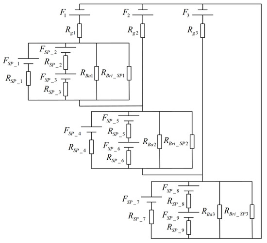
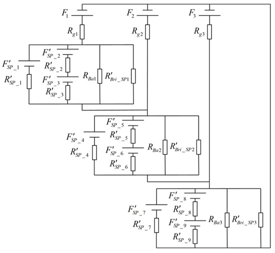
4. Series–Parallel Magnetic Pole Equivalence
4.1. Equivalent Principle Analysis
4.2. Equivalent Result Comparisons
5. Performance Analyses
5.1. Loss and Efficiency Analyses
5.2. Electromagnetic Torque Analysis
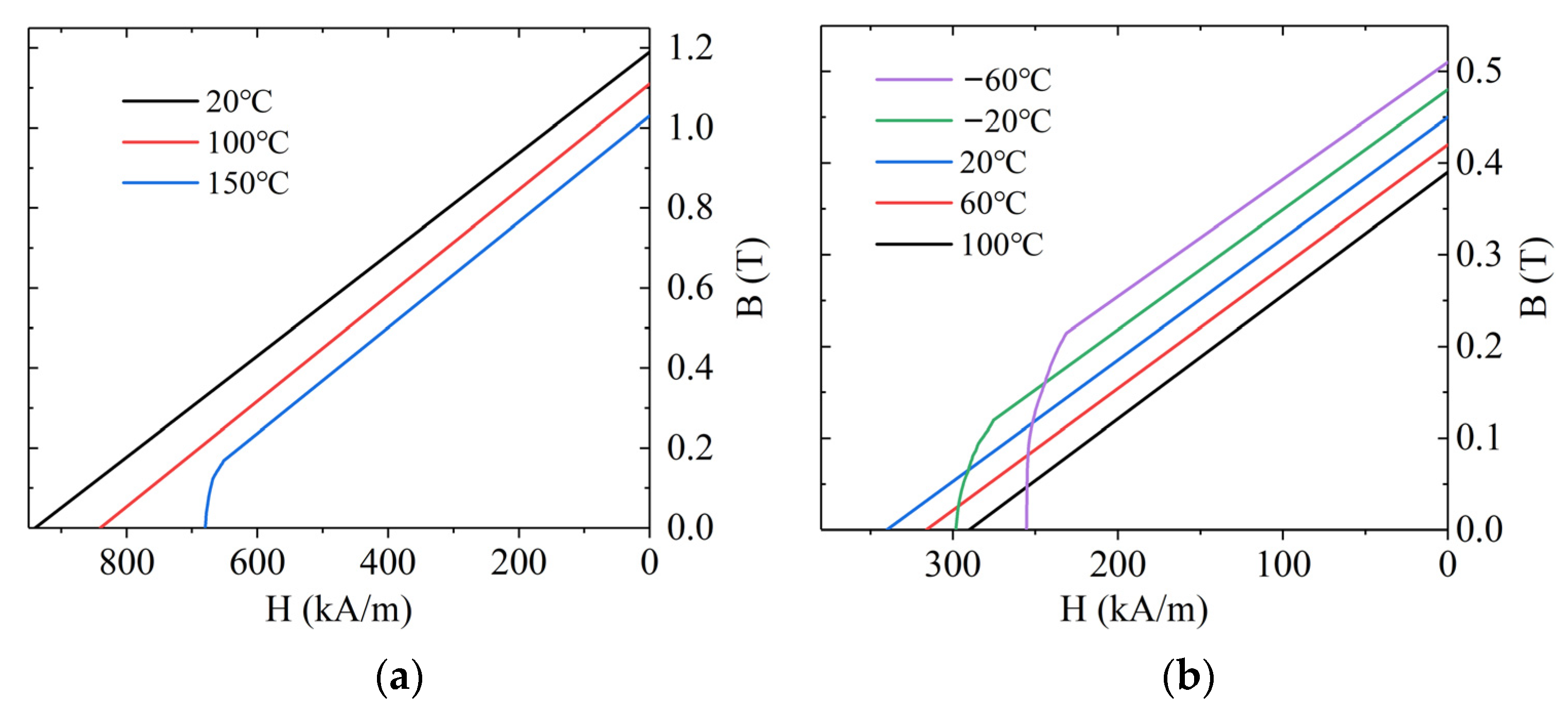
5.3. Demagnetization Analysis
5.4. Structural Analysis
6. Conclusions
Author Contributions
Funding
Data Availability Statement
Conflicts of Interest
References
- Gaurav, A.; Gaur, A. Modelling of Hybrid Electric Vehicle Charger and Study the Simulation Results. In Proceedings of the 2020 International Conference on Emerging Frontiers in Electrical and Electronic Technologies (ICEFEET), Patna, India, 10–11 July 2020; Institute of Electrical and Electronics Engineers (IEEE): New York, NY, USA, 2021; pp. 1–6. [Google Scholar]
- Ehsani, M.; Singh, K.-V.; Bansal, H.-O.; Mehrjardi, R.-T. State of the Art and Trends in Electric and Hybrid Electric Vehicles. Proc. IEEE 2021, 109, 967–984. [Google Scholar] [CrossRef]
- Breyer, C.; Khalili, S.; Bogdanov, D.; Ram, M.; Oyewo, A.S.; Aghahosseini, A.; Gulagi, A.; Solomon, A.A.; Keiner, D.; Lopez, G.; et al. On the History and Future of 100% Renewable Energy Systems Research. IEEE Access 2022, 10, 78176–78218. [Google Scholar] [CrossRef]
- Tirunagari, S.; Gu, M.; Meegahapola, L. Reaping the Benefits of Smart Electric Vehicle Charging and Vehicle-to-Grid Technologies: Regulatory, Policy and Technical Aspects. IEEE Access 2022, 10, 114657–114672. [Google Scholar] [CrossRef]
- Wang, B.; Dehghanian, P.; Wang, S.; Mitolo, M. Electrical Safety Considerations in Large-Scale Electric Vehicle Charging Stations. IEEE Trans. Ind. Appl. 2019, 55, 6603–6612. [Google Scholar] [CrossRef]
- Husain, I.; Ozpineci, B.; Islam, M.-S.; Gurpinar, E.; Su, G.-J.; Yu, W.; Chowdhury, S.; Xue, L.; Rahman, D.; Sahu, R.; et al. Electric Drive Technology Trends, Challenges, and Opportunities for Future Electric Vehicles. Proc. IEEE 2021, 109, 1039–1059. [Google Scholar] [CrossRef]
- Lee, C.-H.-T.; Hua, W.; Long, T.; Jiang, C.; Iyer, L.V. A Critical Review of Emerging Technologies for Electric and Hybrid Vehicles. IEEE Open J. Veh. Technol. 2021, 2, 471–485. [Google Scholar] [CrossRef]
- Boldea, I.; Tutelea, L.-N.; Parsa, L.; Dorrell, D. Automotive Electric Propulsion Systems with Reduced or No Permanent Magnets: An Overview. IEEE Trans. Ind. Electron. 2014, 61, 5696–5711. [Google Scholar] [CrossRef]
- Guglielmi, P.; Boazzo, B.; Armando, E.; Pellegrino, G.; Vagati, A. Permanent-Magnet Minimization in PM-Assisted Synchronous Reluctance Motors for Wide Speed Range. IEEE Trans. Ind. Appl. 2013, 49, 31–41. [Google Scholar] [CrossRef]
- Bianchi, N.; Bolognani, S.; Bon, D.; Dai Pre, M. Rotor Flux-Barrier Design for Torque Ripple Reduction in Synchronous Reluctance and PM-Assisted Synchronous Reluctance Motors. IEEE Trans. Ind. Appl. 2009, 45, 921–928. [Google Scholar] [CrossRef]
- Bianchi, N.; Fornasiero, E.; Ferrari, M.; Castiello, M. Experimental Comparison of PM-Assisted Synchronous Reluctance Motors. IEEE Trans. Ind. Appl. 2016, 52, 163–171. [Google Scholar] [CrossRef]
- Vagati, A.; Boazzo, B.; Guglielmi, P.; Pellegrino, G. Design of Ferrite-Assisted Synchronous Reluctance Machines Robust toward Demagnetization. IEEE Trans. Ind. Appl. 2014, 50, 1768–1779. [Google Scholar] [CrossRef]
- Bianchini, C.; Davoli, M.; Immovilli, F.; Lorenzani, E. Design Optimization for Torque Ripple Minimization and Poles Cost Reduction with Hybrid Permanent Magnets. In Proceedings of the IECON 40th Annual Conference of the IEEE Industrial Electronics Society, Dallas, USA, 29 October–1 November 2014; Institute of Electrical and Electronics Engineers (IEEE): New York, NY, USA, 2014; pp. 483–489. [Google Scholar]
- Jeong, C.-L.; Kim, Y.-K.; Hur, J. Optimized Design of PMSM with Hybrid-Type Permanent Magnet for Improving Performance and Reliability. IEEE Trans. Ind. Appl. 2019, 55, 4692–4701. [Google Scholar] [CrossRef]
- Wang, M.; Zhu, H.; Zhou, C.; Zheng, P.; Tong, C. Analysis and Optimization of a V-Shape Combined Pole Interior Permanent-Magnet Synchronous Machine with Temperature Rise and Demagnetization Considered. IEEE Access 2021, 9, 64761–64775. [Google Scholar] [CrossRef]
- Morimoto, S.; Sanada, M.; Takeda, Y. Performance of PM-Assisted Synchronous Reluctance Motor for High-Efficiency and Wide Constant-Power Operation. IEEE Trans. Ind. Appl. 2001, 37, 1234–1240. [Google Scholar] [CrossRef]
- Ooi, S.; Morimoto, S.; Sanada, M.; Inoue, Y. Performance Evaluation of a High-Power-Density PMASynRM with Ferrite Magnets. IEEE Trans. Ind. Appl. 2013, 49, 1308–1315. [Google Scholar] [CrossRef]
- Obata, M.; Morimoto, S.; Sanada, M.; Inoue, Y. Characteristic of PMASynRM with Ferrite Magnets for EV/HEV Applications. In Proceedings of the 15th International Conference on Electrical Machines and Systems, Sapporo, Japan, 21–24 October 2012; Institute of Electrical and Electronics Engineers (IEEE): New York, NY, USA, 2012; pp. 1–6. [Google Scholar]
- Sanada, M.; Morimoto, S.; Inoue, Y. Development of High-Power PMASynRM Using Ferrite Magnets for Reducing Rare-Earth Material Use. In Proceedings of the International Power Electronics Conference, Hiroshima, Japan, 18–21 May 2014; Institute of Electrical and Electronics Engineers (IEEE): New York, NY, USA, 2014; pp. 3519–3524. [Google Scholar]
- Chen, Y.; Cai, T.; Zhu, X.; Fan, D.; Wang, Q. Analysis and Design of a New Type of Less-Rare-Earth Hybrid-Magnet Motor with Different Rotor Topologies. IEEE Trans. Appl. Supercond. 2020, 30, 5200406. [Google Scholar] [CrossRef]
- Chen, Q.; Liu, G.; Zhao, W.; Shao, M.; Liu, Z. Design and Analysis of the New High-Reliability Motors with Hybrid Permanent Magnet Material. IEEE Trans. Magn. 2014, 50, 8207010. [Google Scholar] [CrossRef]
- Jeong, C.-L.; Hur, J. Design Technique for PMSM with Hybrid Type Permanent Magnet. In Proceedings of the IEEE International Electric Machines and Drives Conference, Miami, FL, USA, 21–24 May 2017; Institute of Electrical and Electronics Engineers (IEEE): New York, NY, USA, 2017; pp. 1–6. [Google Scholar]
- Jeong, C.-L.; Hur, J. Optimization Design of PMSM with Hybrid-Type Permanent Magnet Considering Irreversible Demagnetization. IEEE Trans. Magn. 2017, 53, 8110904. [Google Scholar] [CrossRef]
- Yu, M. Analysis of Hybrid Permanent Magnet Assisted Synchronous Reluctance Motor for Compressor. In Proceedings of the International Conference on Electrical Machines and Systems, Busan, Republic of Korea, 26–29 October 2013; Institute of Electrical and Electronics Engineers (IEEE): New York, NY, USA, 2013; pp. 1256–1259. [Google Scholar]
- Zhu, X.; Wang, X.; Zhang, C.; Wang, L.; Wu, W. Design and Analysis of a Spoke-Type Hybrid Permanent Magnet Motor for Electric Vehicles. IEEE Trans. Magn. 2017, 53, 8208604. [Google Scholar] [CrossRef]
- Won, H.; Hong, Y.K.; Choi, M.; Bryant, B.; Platt, J.; Choi, S. Cost-Effectiveness Hybrid Permanent Magnet Assisted Synchronous Reluctance Machine for Electric Vehicles. In Proceedings of the IEEE International Electric Machines and Drives Conference, Hartford, CT, USA, 17–20 May 2021; Institute of Electrical and Electronics Engineers (IEEE): New York, NY, USA, 2021; pp. 1–6. [Google Scholar]
- Gowtham, V.; Sashidhar, S. Comparison of Hybrid PM Assisted Synchronous Reluctance Motors. In Proceedings of the IEEE International Conference on Industrial Technology, Valencia, Spain, 10–12 March 2021; Institute of Electrical and Electronics Engineers (IEEE): New York, NY, USA, 2021; pp. 166–171. [Google Scholar]
































| Items | Unit | Value |
|---|---|---|
| Stator outer diameter | mm | 290 |
| Rotor outer diameter | mm | 172 |
| Air gap | mm | 0.8 |
| Stack length | mm | 75 |
| Rated current | A | 100 |
| Maximum speed | rpm | 7000 |
| Maximum efficiency | % | 94 |
| Items | Unit | Value |
|---|---|---|
| hP_1, hP_2 | mm | 4 |
| hP_3, hP_4 | mm | 4 |
| hP_5, hP_6 | mm | 4 |
| bP_1 | mm | 3 |
| bP_3 | mm | 8 |
| bP_5 | mm | 13 |
| bP_2, bP_4, bP_6 | mm | 2 |
| Items | Unit | Value |
|---|---|---|
| hS_1 | mm | 1.6 |
| hS_2 | mm | 2.4 |
| hS_3 | mm | 0.8 |
| hS_4 | mm | 3.2 |
| hS_5 | mm | 0.53 |
| hS_6 | mm | 3.47 |
| bS_1, bS_2 | mm | 5 |
| bS_3, bP_4 | mm | 10 |
| bS_5, bS_6 | mm | 15 |
| Items | Unit | Value |
|---|---|---|
| hSP_1, hSP_4, hSP_7 | mm | 4 |
| hSP_2, hSP_3 | mm | 2 |
| hSP_5, hSP_6 | mm | 2 |
| hSP_8, hSP_9 | mm | 2 |
| bSP_1 | mm | 1 |
| bSP_2, bSP_3 | mm | 4 |
| bSP_4 | mm | 6 |
| bSP_5, bSP_6 | mm | 4 |
| bSP_7 | mm | 11 |
| bSP_8, bSP_9 | mm | 4 |
| Items | Parallel PM | Series PM | Series–Parallel PM |
|---|---|---|---|
| PMs’ eddy current loss (W) | 2.3 | 4.1 | 1.6 |
| Copper loss (W) | 1061.7 | 1061.7 | 1061.7 |
| Rotor core loss (W) | 15.1 | 15.9 | 15.5 |
| Stator core loss (W) | 140.4 | 143.5 | 141.7 |
| Mechanical loss (W) | 11.6 | 11.6 | 11.6 |
| Efficiency (%) | 94.8 | 94.8 | 94.8 |
Disclaimer/Publisher’s Note: The statements, opinions and data contained in all publications are solely those of the individual author(s) and contributor(s) and not of MDPI and/or the editor(s). MDPI and/or the editor(s) disclaim responsibility for any injury to people or property resulting from any ideas, methods, instructions or products referred to in the content. |
© 2023 by the authors. Licensee MDPI, Basel, Switzerland. This article is an open access article distributed under the terms and conditions of the Creative Commons Attribution (CC BY) license (https://creativecommons.org/licenses/by/4.0/).
Share and Cite
Wang, W.; Fu, L.; Wang, S.; Wei, J.; Liu, Y.; Zhu, L.; Ban, M. Magnetic Pole Equivalence and Performance Analyses of Multi-Layer Flux-Barrier Combined-Pole Permanent-Magnet Synchronous Machines Used for Electric Vehicles. Energies 2023, 16, 4502. https://doi.org/10.3390/en16114502
Wang W, Fu L, Wang S, Wei J, Liu Y, Zhu L, Ban M. Magnetic Pole Equivalence and Performance Analyses of Multi-Layer Flux-Barrier Combined-Pole Permanent-Magnet Synchronous Machines Used for Electric Vehicles. Energies. 2023; 16(11):4502. https://doi.org/10.3390/en16114502
Chicago/Turabian StyleWang, Weinan, Lingfang Fu, Shuo Wang, Jian Wei, Yiqi Liu, Liangkuan Zhu, and Mingfei Ban. 2023. "Magnetic Pole Equivalence and Performance Analyses of Multi-Layer Flux-Barrier Combined-Pole Permanent-Magnet Synchronous Machines Used for Electric Vehicles" Energies 16, no. 11: 4502. https://doi.org/10.3390/en16114502
APA StyleWang, W., Fu, L., Wang, S., Wei, J., Liu, Y., Zhu, L., & Ban, M. (2023). Magnetic Pole Equivalence and Performance Analyses of Multi-Layer Flux-Barrier Combined-Pole Permanent-Magnet Synchronous Machines Used for Electric Vehicles. Energies, 16(11), 4502. https://doi.org/10.3390/en16114502

