Assessment of the Electric Demand Management Potential of Educational Buildings’ Mechanical Ventilation Systems
Abstract
1. Introduction
1.1. Maintaining the Energy Systems’ Balance
1.2. The Demand Management Potential of Buildings
1.3. Motivation for the Research
2. Electric Demand Management and Air Quality of Buildings
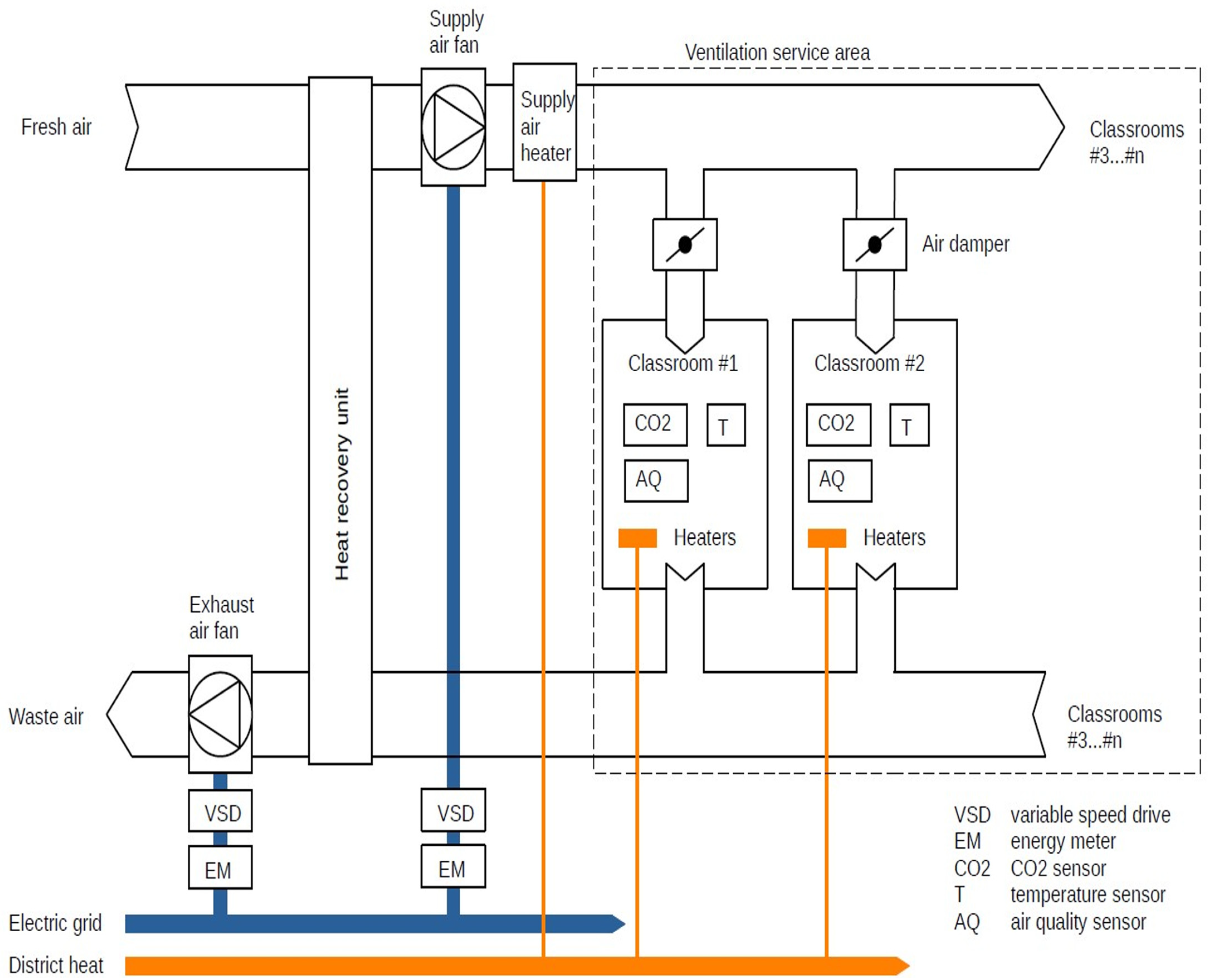
3. Implementation of the Research
4. Results
4.1. Power Curve
4.2. Demand Management Tests
5. Discussion and Conclusions
Limitations and Future Work
Author Contributions
Funding
Data Availability Statement
Conflicts of Interest
References
- Darwazeh, D.; Duquette, J.; Gunay, B.; Wilton, I.; Shillinglaw, S. Review of peak load management strategies in commercial buildings. Sustain. Cities Soc. 2022, 77, 103493. [Google Scholar] [CrossRef]
- Park, H. Human comfort-based-home energy management for demand response participation. Energies 2020, 13, 2463. [Google Scholar] [CrossRef]
- Salo, S. Demand Response in District-Heated Buildings. Aalto University Publication Series, Doctoral Dissertations 2021. Available online: http://urn.fi/URN:ISBN:978-952-64-0249-9 (accessed on 28 November 2022).
- Kontu, K.; Vimpari, J.; Penttinen, P.; Junnila, S. City scale demand side management in three different-sized district heating systems. Energies 2018, 11, 3370. [Google Scholar] [CrossRef]
- Kjærgaard, M.B.; Arendt, K.; Clausen, A.; Johansen, A.; Jradi, M.; Jørgensen, B.N. Demand response in commercial buildings with an assessable impact on occupant comfort. In Proceedings of the IEEE International Conference on Smart Grid Communications, Sydney, Australia, 6–9 November 2016; pp. 447–452. [Google Scholar] [CrossRef]
- Hao, H.; Lin, Y.; Kowli, A.S.; Barooah, P.; Meyn, S. Ancillary service to the grid through control of fans in commercial building HVAC systems. IEEE Trans. Smart Grid 2014, 5, 2066–2074. [Google Scholar] [CrossRef]
- Zhao, P.; Henze, G.P.; Brandemuehl, M.J.; Cushing, V.J.; Plamp, S. Dynamic frequency regulation resources of commercial buildings through combined building system resources using a supervisory control methodology. Energy Build. 2015, 86, 137–150. [Google Scholar] [CrossRef]
- Palensky, P.; Dietrich, D. Demand-side management: Demand response, intelligent energy systems, and smart loads. IEEE Trans. Ind. Inform. 2011, 7, 381–388. [Google Scholar] [CrossRef]
- Fingrid. Go-Live Date for 15-min Imbalance Settlement Period Has Been Confirmed: 22.05.2023. Available online: https://www.fingrid.fi/en/news/news/2021/go-live-date-for-15-minute-imbalance-settlement-period-has-been-confirmed-22.05.2023/ (accessed on 10 November 2022).
- Fingrid. Reserve Products and Reserve Market Places. Available online: https://www.fingrid.fi/globalassets/dokumentit/en/electricity-market/reserves/reserve-products-and-reserve-market-places.pdf (accessed on 10 November 2022).
- Härkönen, K.; Hannola, L.; Lassila, J.; Luoranen, M. Assessing the electric demand-side management potential of Helsinki’s public service building stock in ancillary markets. Sustain. Cities Soc. 2022, 76, 103460. [Google Scholar] [CrossRef]
- American Society of Heating, Refrigerating, and Air-Conditioning Engineers (ASHRAE). Indoor Air Quality Guide: Best Practices for Design, Construction, and Commissioning; American Society of Heating, Refrigerating, and Air-Conditioning Engineers (ASHRAE): Peachtree Corners, GA, USA, 2009. [Google Scholar]
- ISO 16000-6:2021; Indoor Air—Part 6: Determination of Organic Compounds (VVOC, VOC, SVOC) in Indoor and Test Chamber Air by Active Sampling on Sorbent Tubes, Thermal Desorption and Gas Chromatography Using MS or MS FID. International Organization for Standardization: Geneva, Switzerland, 2021.
- Hormigos-Jimenez, S.; Padilla-Marcos, M.Á.; Meiss, A.; Gonzalez-Lezcano, R.A.; Feijó-Muñoz, J. Ventilation rate determination method for residential buildings according to TVOC emissions from building materials. Build. Environ. 2017, 123, 555–563. [Google Scholar] [CrossRef]
- Pereira, M.L.; Graudenz, G.; Tribess, A.; Morawska, L. Determination of particle concentration in the breathing zone for four different types of office ventilation systems. Build. Environ. 2009, 44, 904–911. [Google Scholar] [CrossRef]
- Decree of the Ministry of Social Affairs and Health on Health-Related Conditions of Housing and Other Residential Buildings and Qualification Requirements for Third-Party Experts. 2015. Available online: https://www.finlex.fi/fi/laki/alkup/2015/20150545 (accessed on 10 November 2022).
- Sisäilmastoluokitus 2018 (Indoor Climate Classification 2018). Available online: https://www.sisailmayhdistys.fi/Julkaisut/Sisailmastoluokitus (accessed on 10 November 2022).
- City of Helsinki. Sisäilmaohjelma 2018–2028 (Indoor Air Quality Policy 2018–2028). Available online: https://www.hel.fi/static/liitteet/kaupunkiymparisto/julkaisut/julkaisut/julkaisu-02-19.pdf (accessed on 28 November 2022).
- Ojanen, T.; Vesanen, T.; Kannari, L.; Piira, K.; Biström, H.; Nykänen, E.; Tuomainen, M.; Naumi, H.; Lumme, T.; Melender, M.; et al. Sisäilma 2020—Hyvän Sisäilman Tekijöitä Kouluissa ja Päiväkodeissa (Indoor air 2020—Factors for a Good Indoor Climate in Schools and Kindergartens). VTT Technology 388. Available online: https://publications.vtt.fi/pdf/technology/2021/T388.pdf (accessed on 10 November 2022).
- Aduda, K.O.; Labeodan, T.; Zeiler, W.; Boxem, G.; Zhao, Y. Demand side flexibility: Potentials and building performance implications. Sustain. Cities Soc. 2016, 22, 146–163. [Google Scholar] [CrossRef]
- Olsen, D.J.; Matson, N.; Sohn, M.D.; Rose, C.; Dudley, J.; Goli, S.; Sila, K.; Marissa, H.; David, P.; Paul, D.; et al. Grid Integration of Aggregated Demand Response, Part 1: Load Availability Profiles Andconstraints for the Western Interconnection. 2014. Available online: https://www.osti.gov/servlets/purl/1165113 (accessed on 28 November 2022).
- Lin, Y.; Barooah, P.; Meyn, S.; Middelkoop, T. Experimental evaluation of frequency regulation from commercial building HVAC systems. IEEE Trans. Smart Grid 2015, 6, 776–783. [Google Scholar] [CrossRef]
- Watson, D.S.; Matson, N.; Page, J.; Kiliccote, S.; Piette, M.A.; Corfee, K.; Seto, B.; Masiello, R.; Masiello, J.; Molander, L.; et al. Fast Automated Demand Response to Enable the Integration of Renewable Resources. California Energy Commission. Report Number LBNL-5555E; 2012. Available online: https://eta.lbl.gov/publications/fast-automated-demand-response-enable (accessed on 28 November 2022).
- Beil, I.; Hiskens, I.; Backhaus, S. Frequency regulation from commercial building HVAC demand response. Proc. IEEE 2016, 104, 745–757. [Google Scholar] [CrossRef]
- Lin, Y.; Barooah, P.; Mathieu, J. Ancillary services through demand scheduling and control of commercial buildings. IEEE Trans. Power Syst. 2017, 32, 186–197. [Google Scholar] [CrossRef]
- Wang, F.; Zhou, L.; Ren, H.; Liu, X.; Talari, S.; Shafie-khah, M.; Catalão, J.P.S. Multi-objective optimization model of source–load–storage synergetic dispatch for a building energy management system based on TOU price demand response. IEEE Trans. Ind. Appl. 2018, 54, 1017–1028. [Google Scholar] [CrossRef]
- Yadav, M.K.; Verma, A.; Panigrahi, B.K.; Mishra, S. User comfort driven timetable linked AHU scheduling for ancillary service maximization of an educational building. Energy Build. 2020, 225, 110317. [Google Scholar] [CrossRef]
- Zhao, P.; Henze, G.P.; Plamp, S.; Cushing, V.J. Evaluation of commercial building HVAC systems as frequency regulation providers. Energy Build. 2013, 67, 225–235. [Google Scholar] [CrossRef]
- Tuomainen, M. Kuntien Sisäilmaverkoston Palvelurakennusten Ilmanvaihdon Käytön Ohje ja Perustelumuistio (General Guidelines and Explanatory Memorandum for the Use of Ventilation in Public Service Buildings). 2019. Available online: https://www.sisailmayhdistys.fi/Julkaisut/Hyva-sisailma-suositukset (accessed on 10 November 2022).
Publication | Building Classification | Markets | Indoor Air Metrics |
---|---|---|---|
Aduba et al. (2016) [20] | Office | Market DR | Thermal comfort, CO2, relative humidity |
Beil et al. (2016) [24] | Office | Ancillary market | Thermal comfort |
Hao et al. (2014) [6] | Educational | Ancillary market | Thermal comfort |
Kjærgaard et al. (2016) [5] | Office | Ancillary market | Thermal comfort, CO2 |
Lin et al. (2015) [22] | Educational | Ancillary market | Thermal comfort |
Lin et al. (2017) [25] | Educational | Ancillary market | Thermal comfort |
Olsen et al. (2014) [21] | Commercial | Ancillary market and market DR | Not stated |
Park (2020) [2] | Residential | Ancillary market | Thermal comfort |
Wang et al. (2018) [26] | Residential | Market DR | Thermal comfort, CO2 |
Watson et al. (2012) [23] | Various | Ancillary market | Thermal comfort |
Yadav et al. (2020) [27] | Educational | Ancillary market | Thermal comfort |
Zhao et al. (2013) [28] | Office | Ancillary market | Thermal comfort |
Test Number | Test Date and Time | Fan Power Alteration |
---|---|---|
1 | 3.10. 10:00–10:15 | −15% 15 min |
2 | 3.10. 15:15–15:30 | −30% 15 min 1 |
3 | 4.10. 10:00–11:00 | Control |
4 | 4.10. 12:00–13:00 | −15% 1 h |
5 | 5.10. 12:00–13:00 | −30% 1 h 1 |
6 | 6.10. 10:00–11:00 | Control |
7 | 6.10. 12:00–13:00 | −45% 1 h 1 |
8 | 7.10. 12:15–12:30 | −45% 15 min 1 |
9 | 10.10. 10:00–10:15 | −60% 15 min 1 |
10 | 10.10. 15:00–16:00 | Control |
11 | 11.10. 12:00–13:00 | −60% 1 h 1 |
12 | 12.10. 12:00–13:00 | Control |
Power Level | Supply Air Fan Set Value % | Exhaust Air Fan Set Value % | Supply Air Fan Power kW | Exhaust Air Fan Power kW | Fan Power Total kW | Supply Air Volume m3/s | Exhaust Air Volume m3/s |
---|---|---|---|---|---|---|---|
Runtime | 75.0 | 76.0 | 4.25 | 3.90 | 8.15 | 5.2 | 4.3 |
−15% | 71.2 | 71.2 | 3.75 | 3.19 | 6.94 | 4.9 | 4.0 |
−30% | 66.2 | 66.2 | 3.12 | 2.59 | 5.71 | 4.5 | 3.7 |
−45% | 60.7 | 60.7 | 2.44 | 2.02 | 4.46 | 4.1 | 3.4 |
−60% | 54.1 | 54.1 | 1.79 | 1.47 | 3.26 | 3.7 | 3.0 |
Air Quality Rating | Corresponding Symbol on the Terminal | Written Criteria |
---|---|---|
1 | Fresh, odorless, optimal temperature | |
2 | Not quite fresh or odorless, or not quite optimal temperature | |
3 | Somewhat stuffy or some odors, or somewhat uncomfortable temperature | |
4 | Somewhat stuffy and/or some odors, and/or somewhat uncomfortable temperature | |
5 | Stuffy and/or odors and/or uncomfortable temperature |
Test | Occupant Feedback on Air Quality |
---|---|
15 min control | 3.24 |
15 min −15% | 2.12 |
15 min −30% | 2.68 |
15 min −45% | 2.40 |
15 min −60% | 3.68 |
60 min control | 2.16 |
60 min −15% | 1.85 |
60 min −30% | 2.36 |
60 min −45% | 2.48 |
60 min −60% | 2.24 |
Disclaimer/Publisher’s Note: The statements, opinions and data contained in all publications are solely those of the individual author(s) and contributor(s) and not of MDPI and/or the editor(s). MDPI and/or the editor(s) disclaim responsibility for any injury to people or property resulting from any ideas, methods, instructions or products referred to in the content. |
© 2022 by the authors. Licensee MDPI, Basel, Switzerland. This article is an open access article distributed under the terms and conditions of the Creative Commons Attribution (CC BY) license (https://creativecommons.org/licenses/by/4.0/).
Share and Cite
Härkönen, K.; Hannola, L.; Lassila, J.; Luoranen, M. Assessment of the Electric Demand Management Potential of Educational Buildings’ Mechanical Ventilation Systems. Energies 2023, 16, 85. https://doi.org/10.3390/en16010085
Härkönen K, Hannola L, Lassila J, Luoranen M. Assessment of the Electric Demand Management Potential of Educational Buildings’ Mechanical Ventilation Systems. Energies. 2023; 16(1):85. https://doi.org/10.3390/en16010085
Chicago/Turabian StyleHärkönen, Kalevi, Lea Hannola, Jukka Lassila, and Mika Luoranen. 2023. "Assessment of the Electric Demand Management Potential of Educational Buildings’ Mechanical Ventilation Systems" Energies 16, no. 1: 85. https://doi.org/10.3390/en16010085
APA StyleHärkönen, K., Hannola, L., Lassila, J., & Luoranen, M. (2023). Assessment of the Electric Demand Management Potential of Educational Buildings’ Mechanical Ventilation Systems. Energies, 16(1), 85. https://doi.org/10.3390/en16010085