An Agent-Based Bidding Simulation Framework to Recognize Monopoly Behavior in Power Markets
Abstract
1. Introduction
2. The Description of the Proposed Simulation Framework
2.1. The Power Market Framework
2.1.1. The Quote Curve
2.1.2. The SCUC Model
2.1.3. The LMP Calculation
2.1.4. The Profit of Power Producers
2.2. The Q-Learning-Based Modelling of Bidding Strategy Making
2.2.1. An Overview of the Q-Learning Algorithm
2.2.2. Action Selection
2.2.3. Reward Calculation and Update Q Value
2.2.4. The Simulation Execution Process
- Initialize Q value (Q(s,a)) for all state-action pairs.
- Repeat (for each episode):
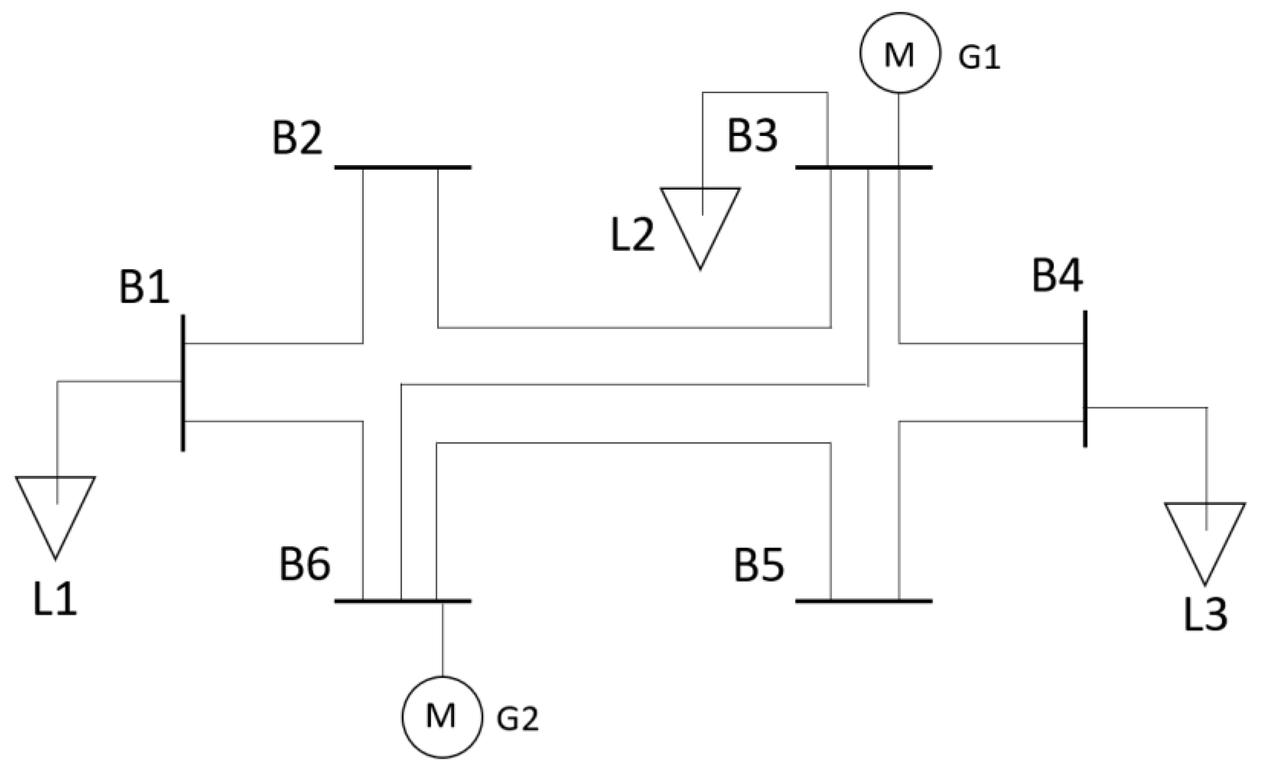
3. Numerical Study
3.1. Background
3.2. The Result Analysis of Both Systems
- Power producers with low power generation costs have the greatest advantage during the early stages of the simulation. They are in an environment where quotations are raised, profits are rapidly increasing, and they can occupy most of the market share during the long-term simulation process. In the example of the 9-bus system in Figure 5a–d, power producer 1 occupied a large market share in the long-term simulation process, accounting for more than half of the total share. Its profit growth rate was faster than that of other power generation companies at the initial stage, and the profit of power producer 1 reached a higher level than that of the other power producers. In the example of the 33-bus system in Figure 6a–d, compared with other power producers, power producer 1 and 6 had lower costs, so their profits at the beginning of simulation grew rapidly, and they occupied a certain share in the whole simulation process, accounting for approximately one-third of the total shares, respectively.
- Power producers with low power generation costs must find suitable bidding strategies through long-term games with other power producers to bring profits to their companies. As shown in Figure 5c,d and Figure 6c,d, low-cost power producers, such as power producer 1 in the 9-bus system and power producer 1 and 6 in the 33-bus system, have large fluctuations in their profits in the long-term market simulation. If they cannot find an appropriate bidding strategy, they may have small or even no bid winning volume, leading to lower profits. Therefore, it is very important to find an appropriate bidding strategy.
- The agent will always choose a strategy that is conducive to increasing interest. In the simulation experiment of Scenario 1, when there is a structured monopoly in the electricity market and the supply and demand balance of the power grid needs to purchase power from a fixed electricity seller, the agent will continue to increase the quotation during the simulation process, and the benefits will continue to increase. Then, there will be other sellers in the market to increase their quotations, and the income of each seller cannot converge, which makes the LMP continue to rise and the market collapses. Thus, the owner of this capacity will keep increasing the price or the claimed boundary cost to a very high level. There may be malicious bidding by producers in the market to drive prices up. As shown in Figure 5e,f and Figure 6e,f, the average electricity price in Scenario 1 is much higher than that in Scenario 2, and the electricity price in Scenario 1 shows a continuous upward trend.
- In the simulation experiments of Scenario 2, any generation section of any power producer can be replaced by other power producers. Before the optimal bidding strategy is found, the electricity price in the electricity market increases. However, through the strategy selection between the agents, the parties quickly reach convergence, the market tends to be balanced, and it becomes a competitive electricity market. The producers find the optimal quotation strategy in the market environment. As shown in Figure 5f and Figure 6f, the average electricity price in the power market shows a continuous rising trend at the beginning of the simulation, with the 9-bus system increasing approximately one sixth of the initial price and the 33-bus system increasing approximately one fifth of the initial price. Through the strategic choice among agents, all parties reached a consensus quickly, and the market tended to be balanced, becoming a highly competitive electricity market.
- The successful rate of winning, assuming generation capacity, in the monopoly case is higher than that in the case without monopoly. It can be revealed by the degree of fluctuation in Figure 5a,b and Figure 6a,b. Higher fluctuation in the market share indicates that even competitors with small market power will still obtain chances to win higher generation capacity, which represents a more fair environment in power market. In other words, competition in the case without monopoly is much heavier.
- The price fluctuation in the case with monopoly is smaller than in the case without monopoly. As shown in Figure 5e,f and Figure 6e,f, after a certain period of simulation, the average price in the case without monopoly fluctuates sharply in a range due to fierce competition among the power producers. The reason for this phenomenon is that more heavy competition in the case without monopoly will lead to more risk in the winning capacity. Thus, the power producers will need to decrease their prices frequently when they face decreasing winning capacity.
3.3. Result of Hidden Monopoly Recognition and Effect of Price Boundary
4. Conclusions
Author Contributions
Funding
Institutional Review Board Statement
Informed Consent Statement
Data Availability Statement
Conflicts of Interest
Appendix A
| Basic Load (MW) | ||||||
|---|---|---|---|---|---|---|
| L1 | L2 | L3 | L4 | L5 | L6 | |
| Connected Bus | B1 | B3 | B4 | B6 | B7 | B9 |
| 1 h | 24.81 | 52.24 | 47.00 | 106.99 | 58.40 | 41.34 |
| 2 h | 24.01 | 50.56 | 45.48 | 103.54 | 56.52 | 40.01 |
| 3 h | 23.54 | 49.56 | 44.58 | 101.50 | 55.41 | 39.22 |
| 4 h | 23.44 | 49.35 | 44.39 | 101.06 | 55.17 | 39.05 |
| 5 h | 23.91 | 50.34 | 45.29 | 103.09 | 56.28 | 39.84 |
| 6 h | 25.35 | 53.36 | 48.01 | 109.28 | 59.66 | 42.23 |
| 7 h | 28.32 | 59.63 | 53.65 | 122.13 | 66.67 | 47.19 |
| 8 h | 31.49 | 66.29 | 59.64 | 135.77 | 74.12 | 52.46 |
| 9 h | 32.19 | 67.76 | 60.96 | 138.78 | 75.76 | 53.63 |
| 10 h | 32.58 | 68.59 | 61.71 | 140.47 | 76.68 | 54.28 |
| 11 h | 32.47 | 68.36 | 61.50 | 139.99 | 76.42 | 54.10 |
| 12 h | 31.81 | 66.98 | 60.26 | 137.18 | 74.89 | 53.01 |
| 13 h | 31.73 | 66.81 | 60.11 | 136.83 | 74.70 | 52.88 |
| 14 h | 31.64 | 66.62 | 59.93 | 136.44 | 74.48 | 52.72 |
| 15 h | 31.32 | 65.94 | 59.32 | 135.05 | 73.72 | 52.19 |
| 16 h | 31.82 | 67.00 | 60.28 | 137.22 | 74.91 | 53.02 |
| 17 h | 33.23 | 69.96 | 62.94 | 143.27 | 78.21 | 55.36 |
| 18 h | 35.50 | 74.74 | 67.24 | 153.07 | 83.56 | 59.15 |
| 19 h | 35.13 | 73.96 | 66.54 | 151.47 | 82.69 | 58.53 |
| 20 h | 34.27 | 72.15 | 64.91 | 147.76 | 80.66 | 57.10 |
| 21 h | 33.02 | 69.51 | 62.53 | 142.36 | 77.71 | 55.01 |
| 22 h | 31.30 | 65.89 | 59.28 | 134.94 | 73.66 | 52.14 |
| 23 h | 28.60 | 60.21 | 54.17 | 123.32 | 67.32 | 47.65 |
| 24 h | 25.69 | 54.09 | 48.66 | 110.77 | 60.47 | 42.80 |
| Gmax (MW) | Gmin (MW) | Initial Status | Ramp | Initial Bidding Coefficient | A ($/MW2) | B ($/MW) | C ($) | Startup Cost | Shutdown Cost | |
|---|---|---|---|---|---|---|---|---|---|---|
| G1 | 300 | 20 | 1 | 220 | 1.05 | 0.0004 | 13.7 | 174.3 | 180 | 0 |
| G2 | 250 | 20 | 1 | 100 | 1.05 | 0.005 | 17.6 | 137.4 | 60 | 0 |
| G3 | 250 | 20 | 1 | 100 | 1.05 | 0.005 | 18.2 | 131.2 | 60 | 0 |
| Item | Impedance (Ω) | PLmax (MW) |
|---|---|---|
| Lines_1 B1-B2 | 0.0576 | 100 |
| Lines_2 B2-B3 | 0.092 | 180 |
| Lines_3 B3-B4 | 0.17 | 120 |
| Lines_4 B4-B5 | 0.0586 | 150 |
| Lines_5 B5-B6 | 0.1008 | 160 |
| Lines_6 B6-B7 | 0.072 | 140 |
| Lines_7 B7-B8 | 0.0626 | 150 |
| Lines_8 B8-B9 | 0.161 | 120 |
| Lines_9 B9-B1 | 0.085 | 80 |
| Lines_10 B9-B2 | 0.084 | 120 |
| Lines_11 B7-B5 | 0.163 | 80 |
| Basic Load (MW) | |||||||
|---|---|---|---|---|---|---|---|
| L1 | L2 | L3 | L4 | L5 | L6 | L7 | |
| Connected Bus | B5 | B7 | B11 | B20 | B24 | B29 | B33 |
| 1 h | 71.99 | 49.61 | 99.95 | 92.76 | 83.44 | 113.60 | 87.04 |
| 2 h | 69.67 | 48.01 | 96.73 | 89.77 | 80.75 | 109.94 | 84.23 |
| 3 h | 68.29 | 47.06 | 94.82 | 88.00 | 79.16 | 107.77 | 82.57 |
| 4 h | 68.01 | 46.86 | 94.42 | 87.62 | 78.82 | 107.31 | 82.22 |
| 5 h | 69.37 | 47.80 | 96.32 | 89.39 | 80.40 | 109.47 | 83.87 |
| 6 h | 73.54 | 50.68 | 102.10 | 94.75 | 85.23 | 116.04 | 88.91 |
| 7 h | 82.18 | 56.63 | 114.10 | 105.89 | 95.25 | 129.68 | 99.36 |
| 8 h | 91.36 | 62.96 | 126.84 | 117.72 | 105.89 | 144.17 | 110.45 |
| 9 h | 93.39 | 64.35 | 129.66 | 120.33 | 108.24 | 147.37 | 112.94 |
| 10 h | 94.53 | 65.14 | 131.24 | 121.80 | 109.56 | 149.16 | 114.28 |
| 11 h | 94.20 | 64.92 | 130.79 | 121.38 | 109.19 | 148.65 | 113.89 |
| 12 h | 92.31 | 63.61 | 128.16 | 118.94 | 106.99 | 145.66 | 111.60 |
| 13 h | 92.08 | 63.45 | 127.84 | 118.64 | 106.72 | 145.30 | 111.32 |
| 14 h | 91.81 | 63.27 | 127.47 | 118.30 | 106.41 | 144.88 | 111.00 |
| 15 h | 90.88 | 62.62 | 126.17 | 117.09 | 105.33 | 143.40 | 109.87 |
| 16 h | 92.34 | 63.63 | 128.20 | 118.97 | 107.02 | 145.70 | 111.63 |
| 17 h | 96.41 | 66.44 | 133.86 | 124.23 | 111.74 | 152.14 | 116.56 |
| 18 h | 103.01 | 70.98 | 143.01 | 132.72 | 119.39 | 162.54 | 124.53 |
| 19 h | 101.99 | 70.24 | 141.52 | 131.33 | 118.14 | 160.84 | 123.23 |
| 20 h | 99.43 | 68.52 | 138.05 | 128.11 | 115.24 | 156.90 | 120.21 |
| 21 h | 95.79 | 66.01 | 133.00 | 123.43 | 111.03 | 151.16 | 115.81 |
| 22 h | 90.80 | 62.57 | 126.07 | 117.00 | 105.24 | 143.29 | 109.78 |
| 23 h | 82.98 | 57.18 | 115.21 | 106.92 | 96.18 | 130.95 | 100.32 |
| 24 h | 74.54 | 51.37 | 103.49 | 96.04 | 86.39 | 117.62 | 90.12 |
| Gmax (MW) | Gmin (MW) | Initial Status | Ramp | Initial Bidding Coefficient | A ($/MW2) | B ($/MW) | C ($) | Startup Cost | Shutdown Cost | |
|---|---|---|---|---|---|---|---|---|---|---|
| G1 | 220 | 0 | 1 | 50 | 1.05 | 0.0004 | 15.5 | 176.9 | 180 | 0 |
| G2 | 180 | 0 | 1 | 30 | 1.05 | 0.0045 | 18.1 | 168.4 | 180 | 0 |
| G3 | 250 | 0 | 1 | 30 | 1.05 | 0.001 | 19.6 | 129.9 | 360 | 0 |
| G4 | 150 | 0 | 1 | 25 | 1.05 | 0.005 | 17.6 | 137.4 | 60 | 0 |
| G5 | 250 | 0 | 1 | 40 | 1.05 | 0.0047 | 20.2 | 130.6 | 60 | 0 |
| G6 | 300 | 0 | 1 | 55 | 1.05 | 0.0026 | 17.2 | 137.8 | 60 | 0 |
| Item | Impedance (Ω) | PLmax (MW) |
|---|---|---|
| Lines_1 B1-B2 | 0.0470 | 150 |
| Lines_2 B2-B3 | 0.2511 | 150 |
| Lines_3 B3-B4 | 0.1864 | 100 |
| Lines_4 B4-B5 | 0.1941 | 100 |
| Lines_5 B5-B6 | 0.7070 | 100 |
| Lines_6 B6-B7 | 0.6188 | 100 |
| Lines_7 B7-B8 | 0.2351 | 100 |
| Lines_8 B8-B9 | 0.7400 | 100 |
| Lines_9 B9-B10 | 0.7400 | 100 |
| Lines_10 B10-B11 | 0.0650 | 100 |
| Lines_11 B11-B12 | 0.1238 | 100 |
| Lines_12 B12-B13 | 1.1550 | 100 |
| Lines_13 B13-B14 | 0.7129 | 100 |
| Lines_14 B14-B15 | 0.5260 | 100 |
| Lines_15 B15-B16 | 0.5450 | 200 |
| Lines_16 B16-B17 | 1.7210 | 200 |
| Lines_17 B17-B18 | 0.5740 | 200 |
| Lines_18 B1-B19 | 0.1565 | 150 |
| Lines_19 B19-B20 | 1.3554 | 150 |
| Lines_20 B20-B21 | 0.4784 | 100 |
| Lines_21 B21-B22 | 0.9373 | 100 |
| Lines_22 B3-B23 | 0.3083 | 100 |
| Lines_23 B23-B24 | 0.7091 | 200 |
| Lines_24 B24-B25 | 0.7011 | 100 |
| Lines_25 B6-B26 | 0.1034 | 150 |
| Lines_26 B26-B27 | 0.9337 | 200 |
| Lines_27 B27-B28 | 0.1447 | 200 |
| Lines_28 B28-B29 | 0.7006 | 200 |
| Lines_29 B29-B30 | 0.2585 | 100 |
| Lines_30 B30-B31 | 0.9630 | 100 |
| Lines_31 B31-B32 | 0.3619 | 100 |
| Lines_32 B32-B33 | 0.5362 | 100 |
| Lines_33 B8-B21 | 0.6842 | 100 |
| Lines_34 B9-B15 | 0.9524 | 100 |
| Lines_35 B12-B22 | 0.8661 | 100 |
| Lines_36 B25-B29 | 0.7216 | 100 |
| Lines_37 B33-B18 | 0.5641 | 250 |
Appendix B
| Basic Load (MW) | |||
|---|---|---|---|
| L1 | L2 | L3 | |
| Connected Bus | B1 | B3 | B4 |
| 1 h | 60.95 | 52.28 | 42.70 |
| 2 h | 58.98 | 50.60 | 41.33 |
| 3 h | 57.82 | 49.60 | 40.51 |
| 4 h | 57.57 | 49.38 | 40.34 |
| 5 h | 58.73 | 50.38 | 41.15 |
| 6 h | 62.26 | 53.40 | 43.62 |
| 7 h | 69.57 | 59.68 | 48.75 |
| 8 h | 77.34 | 66.34 | 54.19 |
| 9 h | 79.06 | 67.82 | 55.10 |
| 10 h | 80.02 | 68.64 | 56.07 |
| 11 h | 79.75 | 68.41 | 55.88 |
| 12 h | 78.15 | 67.03 | 54.76 |
| 13 h | 77.95 | 66.86 | 54.62 |
| 14 h | 77.72 | 66.67 | 54.46 |
| 15 h | 76.93 | 65.99 | 53.90 |
| 16 h | 78.17 | 67.05 | 54.77 |
| 17 h | 81.62 | 70.01 | 57.19 |
| 18 h | 87.20 | 74.80 | 61.10 |
| 19 h | 86.29 | 74.02 | 60.46 |
| 20 h | 84.17 | 72.20 | 58.98 |
| 21 h | 81.10 | 69.56 | 56.82 |
| 22 h | 76.87 | 65.94 | 53.86 |
| 23 h | 70.25 | 60.26 | 49.22 |
| 24 h | 63.10 | 54.13 | 44.22 |
| Gmax (MW) | Gmin (MW) | Initial Status | Ramp | Initial Bidding Coefficient | A ($/MW2) | B ($/MW) | C ($) | Startup Cost | Shutdown Cost | |
|---|---|---|---|---|---|---|---|---|---|---|
| G1 | 250 | 0 | 1 | 50 | 1.05 | 0.0004 | 13.5 | 176.9 | 180 | 0 |
| G2 | 200 | 0 | 1 | 30 | 1.05 | 0.0006 | 16.9 | 146.4 | 60 | 0 |
| Item | Impedance (Ω) | PLmax (MW) |
|---|---|---|
| Lines_1 B1-B2 | 0.2304 | 80 |
| Lines_2 B2-B3 | 0.0920 | 100 |
| Lines_3 B3-B4 | 0.6802 | 80 |
| Lines_4 B4-B5 | 0.1327 | 100 |
| Lines_5 B5-B6 | 0.0567 | 100 |
| Lines_6 B6-B1 | 0.1333 | 100 |
| Lines_7 B6-B3 | 0.0626 | 100 |
References
- Bhattacharya, K.; Bollen, M.H.J.; Daalder, J.E. Operation of Restructured Power Systems; Springer Science & Business Media: Berlin/Heidelberg, Germany, 2012. [Google Scholar]
- Wilson, J.D.; O’Boyle, M.; Lehr, R. Monopsony behavior in the power generation market. Electr. J. 2020, 33, 106804. [Google Scholar] [CrossRef]
- Yokoyama, R.; Oyama, T.; Yorino, N.; Ishikawa, T.; Mori, H.; Hiyama, T. Advanced and intelligent technologies for reliable operation of power systems and electricity markets. IEEJ Trans. Electr. Electron. Eng. 2008, 3, 464–472. [Google Scholar] [CrossRef]
- Mohd Isa, A.; Niimura, T.; Yokoyama, R. Multicriteria transmission congestion management by load curtailment and generation redispatch in a deregulated power system. IEEJ Trans. Electr. Electron. Eng. 2008, 3, 524–529. [Google Scholar] [CrossRef]
- Zhong, J. Power System Economic and Market Operations; CRC Press: Boca Raton, FL, USA, 2018. [Google Scholar]
- Makkonen, M.; Pätäri, S.; Jantunen, A.; Viljainen, S. Competition in the European electricity markets—Outcomes of a Delphi study. Energy Policy 2012, 44, 431–440. [Google Scholar] [CrossRef]
- Ribó-Pérez, D.; Van der Weijde, A.H.; Álvarez-Bel, C. Effects of self-generation in imperfectly competitive electricity markets: The case of Spain. Energy Policy 2019, 133, 110920. [Google Scholar] [CrossRef]
- Nepal, R.; Carvalho, A.; Foster, J. Revisiting electricity liberalization and quality of service: Empirical evidence from New Zealand. Appl. Econ. 2016, 48, 2309–2320. [Google Scholar] [CrossRef]
- Ghazvini, M.A.F.; Canizes, B.; Vale, Z.; Morais, H. Stochastic short-term maintenance scheduling of GENCOs in an oligopolistic electricity market. Appl. Energy 2013, 101, 667–677. [Google Scholar] [CrossRef]
- Ding, J.; Xu, Y.; Chen, H.; Sun, W.; Hu, S.; Sun, S. Value and economic estimation model for grid-scale energy storage in monopoly power markets. Appl. Energy 2019, 240, 986–1002. [Google Scholar] [CrossRef]
- Bushnell, J.; Knittel, C.R.; Wolak, F. Estimating the opportunities for market power in a deregulated Wisconsin electricity market. J. Ind. Econ. 1999, 47. [Google Scholar]
- Shahidehpour, M.; Alomoush, M. Restructured Electrical Power Systems: Operation, Trading, and Volatility; CRC Press: Boca Raton, FL, USA, 2017. [Google Scholar]
- Wolfram, C. Strategic Bidding in a Multi-Unit Auction: An Empirical Analysis of Bids to Supply Electricity; Working Paper 6269; National Bureau of Economic Research: Cambridge, MA, USA, 1997. [Google Scholar]
- Hesamzadeh, M.R.; Biggar, D.R.; Hosseinzadeh, N. The TC-PSI indicator for forecasting the potential for market power in wholesale electricity markets. Energy Policy 2011, 39, 5988–5998. [Google Scholar] [CrossRef]
- Arellano, M.S.; Serra, P. The competitive role of the transmission system in price-regulated power industries. Energy Econ. 2008, 30, 1568–1576. [Google Scholar] [CrossRef]
- Haas, R.; Auer, H. The prerequisites for effective competition in restructured wholesale electricity markets. Energy 2006, 31, 857–864. [Google Scholar] [CrossRef]
- Lee, Y.Y.; Baldick, R.; Hur, J. Firm-based measurements of market power in transmission-constrained electricity markets. IEEE Trans. Power Syst. 2011, 26, 1962–1970. [Google Scholar] [CrossRef]
- Wang, P.; Xiao, Y.; Ding, Y. Nodal market power assessment in electricity markets. IEEE Trans. Power Syst. 2004, 19, 1373–1379. [Google Scholar] [CrossRef]
- Aliabadi, D.E.; Kaya, M.; Şahin, G. An agent-based simulation of power generation company behavior in electricity markets under different market-clearing mechanisms. Energy Policy 2017, 100, 191–205. [Google Scholar] [CrossRef]
- Macal, C.; Thimmapuram, P.; Koritarov, V.; Koritarov, V.; Conzelmann, G.; Veselka, T.; North, M.; Mahalik, M.; Botterud, A.; Cirillo, R. Agent-based simulation of electric power markets. In Proceedings of the Winter Simulation Conference 2014, Savannah, GA, USA, 7–10 December 2014; pp. 276–287. [Google Scholar]
- Kiran, P.; Chandrakala, K.R.M.V. New interactive agent based reinforcement learning approach towards smart generator bidding in electricity market with micro grid integration. Appl. Soft Comput. 2020, 97, 106762. [Google Scholar]
- Li, G.; Shi, J. Agent-based simulation for trading wind power with uncertainty in the day-ahead wholesale electricity markets of single-sided auctions. Appl. Energy 2012, 99, 13–22. [Google Scholar] [CrossRef]
- Viehmann, J.; Lorenczik, S.; Malischek, R. Multi-unit multiple bid auctions in balancing markets: An agent-based Q-learning approach. Energy Econ. 2021, 93, 105035. [Google Scholar] [CrossRef]
- Ye, Y.; Qiu, D.; Papadaskalopoulos, D.; Strbac, G. A deep Q network approach for optimizing offering strategies in electricity markets. In Proceedings of the 2019 International Conference on Smart Energy Systems and Technologies (SEST), Porto, Portugal, 9–11 September 2019; pp. 1–6. [Google Scholar]
- Mohtavipour, S.S.; Zideh, M.J. An iterative method for detection of the collusive strategy in prisoner’s dilemma game of electricity market. IEEJ Trans. Electr. Electron. Eng. 2019, 14, 252–260. [Google Scholar] [CrossRef]
- Brooks, A.E.; Lesieutre, B.C. A locational marginal price for frequency balancing operations in regulation markets. Appl. Energy 2022, 308, 118306. [Google Scholar] [CrossRef]
- Hu, B.; Wu, L.; Guan, X.; Gao, F.; Zhai, Q. Comparison of variant robust SCUC models for operational security and economics of power systems under uncertainty. Electr. Power Syst. Res. 2016, 133, 121–131. [Google Scholar] [CrossRef]
- Dai, C.; Wu, L.; Wu, H. A multi-band uncertainty set based robust SCUC with spatial and temporal budget constraints. IEEE Trans. Power Syst. 2016, 31, 4988–5000. [Google Scholar] [CrossRef]
- Xu, F.Y.; Tang, R.X.; Xu, S.B.; Fan, Y.; Zhou, Y.; Zhang, H.A. Neural network-based photovoltaic generation capacity prediction system with benefit-oriented modification. Energy 2021, 223, 119748. [Google Scholar] [CrossRef]
- Jaghargh, M.J.P.; Mashhadi, H.R. An analytical approach to estimate structural and behavioral impact of renewable energy power plants on LMP. Renew. Energy 2021, 163, 1012–1022. [Google Scholar] [CrossRef]
- Alabdullah, M.H.; Abido, M.A. Microgrid energy management using deep Q-network reinforcement learning. Alex. Eng. J. 2022, 61, 9069–9078. [Google Scholar] [CrossRef]
- Kosana, V.; Teeparthi, K.; Madasthu, S.; Kumar, S. A novel reinforced online model selection using Q-learning technique for wind speed prediction. Sustain. Energy Technol. Assess. 2022, 49, 101780. [Google Scholar] [CrossRef]
- Russell, S.; Norvig, P. Artificial Intelligence: A Modern Approach; Pearson: Upper Saddle River, NJ, USA, 2002. [Google Scholar]








| System | Scenario | Gen NO. | TCRSI Result X Value | MRG Result X Value |
|---|---|---|---|---|
| 9-Bus | SCN 1 | Gen No. 2 | 0.7837580 | 85.848419 |
| (Exist) | (Exist) | |||
| SCN 2 | Gen No. 2 | 1.008404 | 0 | |
| (Not Exist) | (Not Exist) | |||
| 33-Bus | SCN 1 | Gen No. 1 | 0.844809 | 55.110000 |
| (Exist) | (Exist) | |||
| Gen No. 6 | 0.963207 | 14.398432 | ||
| (Exist) | (Exist) | |||
| SCN 2 | Gen No. 1 | 1.142996 | 0 | |
| (Not Exist) | (Not Exist) | |||
| Gen No. 6 | 1.110499 | 0 | ||
| (Not Exist) | (Not Exist) |
| Item | Value | Item | Value |
|---|---|---|---|
| Action 1 | −0.05 | exploration rate | 0.95 |
| Action 2 | 0 | learning rate | 0.1 |
| Action 3 | 0.05 | discount factor | 0.9 |
Disclaimer/Publisher’s Note: The statements, opinions and data contained in all publications are solely those of the individual author(s) and contributor(s) and not of MDPI and/or the editor(s). MDPI and/or the editor(s) disclaim responsibility for any injury to people or property resulting from any ideas, methods, instructions or products referred to in the content. |
© 2022 by the authors. Licensee MDPI, Basel, Switzerland. This article is an open access article distributed under the terms and conditions of the Creative Commons Attribution (CC BY) license (https://creativecommons.org/licenses/by/4.0/).
Share and Cite
He, Y.; Guo, S.; Wang, Y.; Zhao, Y.; Zhu, W.; Xu, F.; Lai, C.S.; Zobaa, A.F. An Agent-Based Bidding Simulation Framework to Recognize Monopoly Behavior in Power Markets. Energies 2023, 16, 434. https://doi.org/10.3390/en16010434
He Y, Guo S, Wang Y, Zhao Y, Zhu W, Xu F, Lai CS, Zobaa AF. An Agent-Based Bidding Simulation Framework to Recognize Monopoly Behavior in Power Markets. Energies. 2023; 16(1):434. https://doi.org/10.3390/en16010434
Chicago/Turabian StyleHe, Ye, Siming Guo, Yu Wang, Yujia Zhao, Weidong Zhu, Fangyuan Xu, Chun Sing Lai, and Ahmed F. Zobaa. 2023. "An Agent-Based Bidding Simulation Framework to Recognize Monopoly Behavior in Power Markets" Energies 16, no. 1: 434. https://doi.org/10.3390/en16010434
APA StyleHe, Y., Guo, S., Wang, Y., Zhao, Y., Zhu, W., Xu, F., Lai, C. S., & Zobaa, A. F. (2023). An Agent-Based Bidding Simulation Framework to Recognize Monopoly Behavior in Power Markets. Energies, 16(1), 434. https://doi.org/10.3390/en16010434

