Review of Efficiency Improvement Technologies of Wind Diesel Hybrid Systems for Decreasing Fuel Consumption
Abstract
1. Introduction
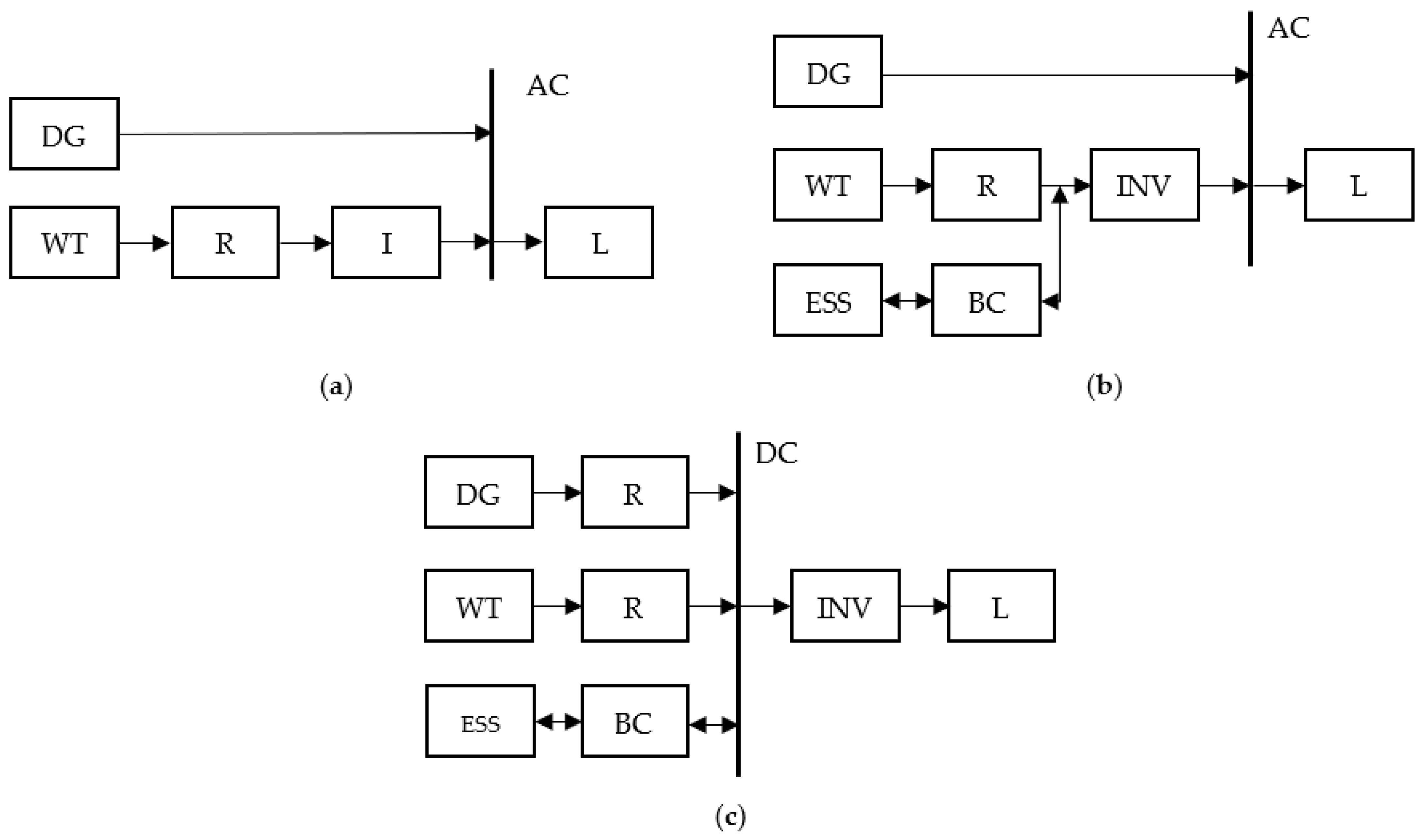
2. WDHS Configuration, Capacity and Location
2.1. WDHS Optimal Sizing and Location
2.2. Project Efficiency Calculations
2.3. Reliability and Stability Estimate
3. Main Equipment Improvement
3.1. Variable Speed DG
3.2. WT
3.2.1. HAWT
- Turbine structure.
- Blades.
- Turbine.
- Generator.
- Layout.
3.2.2. VAWT
- Structure.
- Layout.
3.3. Economy Mode Setting Device
3.4. Energy Storage System
3.5. Hybrid Electric Power Plants Based on DG, WT and Other RES Types
4. Control System
4.1. WDHS Control Systems: Dispatch Strategies or Optimal Scheduling
4.1.1. Energy Management System (EMS)
4.1.2. Frequency and Voltage Control
4.2. WT Control System Improvement
4.2.1. Wind Prediction
4.2.2. Maximum Power Point Tracking (MPPT)
4.2.3. Pitch Control
4.3. ESS Control Algorithms
5. Conclusions and Future Directions
Author Contributions
Funding
Conflicts of Interest
Nomenclature
| ABC | artificial bee colony |
| AC | alternating current |
| ACP-WDCAS | wind–diesel hybrid system with adiabatic air compression and storage at constant pressure |
| AEP | annual energy production |
| ANN | artificial neutral network |
| ARMA | auto-regressive and moving-average |
| BEM | blade element momentum |
| BESS | battery energy storage system |
| BFA | bacterial foraging algorithm |
| BC | bidirectional converter |
| BO | bonobo optimizer |
| BOACO | bi-objective ant colony optimization |
| BP | back propagation |
| CACS | annualized cost of system |
| CAES | compressed air energy storage |
| CAPEX | capital expenses |
| CC | cycle charging |
| CD | conventional dispatch |
| COE | cost of energy |
| CmD | combination dispatch |
| CS | cuckoo search |
| CSA | crow search algorithm |
| CVT | continuously variable transmission |
| DC | direct current |
| DG | diesel generator |
| DEA | differential evolution algorithm |
| DFIG | doubly fed induction generator |
| DP | dynamic programming |
| DPS | diesel power station |
| DPSP | deficiency of power supply probability |
| DTC | direct torque control |
| ED | economic dispatch |
| EENS | expected energy not supplied |
| EI | environmental impact |
| EL | ensemble learning |
| ELSS | effective load-carrying capability |
| EMS | energy management system |
| EMSD | economy mode setting device |
| ENS | energy not served (supplied) |
| ESS | energy storage system |
| EXC | energy excess percentage |
| FA | firefly algorithm |
| FC | fuel cell |
| FCAS | frequency control ancillary services |
| FESS | flywheel energy storage system |
| FPA | flower pollination algorithm |
| FPK | Fokker–Planck–Kolmogorov |
| FSWT | fixed speed wind turbines |
| FWT | Ferris wheel turbine |
| GA | genetic algorithm |
| GBS | grid bridge system |
| GFMI | grid forming inverter |
| GO | generator order |
| GOA | grasshopper optimization algorithm |
| GPR | Gaussian process regression |
| GSC | grid-side converter |
| GSO | group search optimization |
| HAWT | horizontal axis wind turbine |
| HBB-BC | hybrid big bang–big crunch |
| HCS | hill-climbing search |
| HDI | human development index |
| HOGA | Hybrid Optimization by Genetic Algorithms |
| HOMER | Hybrid Optimization of Multiple Energy Resources |
| HS | harmony search |
| HSBCS | harmony search-based chaotic search |
| ICE | internal combustion engine |
| IMOGWO | improved multi-objective grey wolf optimizer |
| INV | inverter |
| IRR | internal-rate-of-return |
| JC | job creation |
| LA | lead-acid |
| LCC | life cycle cost |
| LCOE | levelized cost of energy |
| LEP | loss of energy probability |
| LI | lithium-ion |
| LF | load following |
| LLS | linear least-square |
| LOLP | loss of load probability |
| LPSP | loss of power sup-ply probability |
| LSA | lightning search algorithm |
| MAPE | mean absolute percentage error |
| MCS | Monte Carlo simulation |
| MDFA | multidimensional firefly algorithm |
| MFO | moth-flame optimizer |
| MOEA | multi-objective evolutionary algorithm |
| MOPSO | multi-objective particle swarm optimization |
| MPPT | maximum power point tracker |
| MRFO | manta ray foraging optimizer |
| NARX-BPNN | non-linear auto-regressive model with exogenous inputs—back-propagation neural network |
| NPC | net present cost |
| NPV | net present value |
| NSPSO | natural selection particle swarm optimization |
| OLC | operating life cycle |
| OT | optimal torque |
| PAFC | phosphoric acid fuel cell |
| PD | proportional–differential |
| probability density function | |
| PEMFC | proton exchange membrane fuel cell |
| PFND | Pareto-front non-dominated sorting |
| PMSG | permanent magnet synchronous generator |
| PSF | power signal feedback |
| PSO | particle swarm optimization |
| PSOGSA | particle swarm–gravitational search algorithm |
| PV | photovoltaic |
| P&O | perturb and observe |
| R | rectifier |
| RC | renewable contribution |
| REF | renewable energy fraction |
| RES | renewable energy sources |
| RSA | renewable source availability |
| RSDG | rotating-stator mode for diesel generator |
| RSC | rotor side converter |
| SA | simulated annealing |
| SCDG | super-capacitor diesel generator |
| SMES | superconductive magnetic energy storage |
| SOC | state of charge |
| SWARA | stepwise weight assessment ratio analysis |
| TAC | total annual cost |
| THD | total harmonic distortion |
| TLBO | teaching–learning-based optimization algorithm |
| TS | tabu search |
| TSR | tip speed ratio |
| UC | ultra-condenser |
| UPFC | unified power flow controller |
| VAWT | vertical axis wind turbine |
| VOC | voltage-oriented control |
| VRB | vanadium redox battery |
| VSWT | variable-speed wind turbines |
| WASPAS | weighted aggregated sum product assessment |
| WCA | water cycle algorithm |
| WDHS | wind–diesel hybrid system |
| WOA | whale optimization algorithm |
| WRIG | wound-rotor induction generator |
| WT | wind turbine |
| ZB | zinc-bromine |
References
- Kiushkina, V.R.; Antonenkov, D.V. Specifics of assessing energy security of isolated energy service areas in territories with harsh climatic conditions. Int. J. Energy Technol. Policy 2019, 15, 236–253. [Google Scholar] [CrossRef]
- López-Castrillón, W.; Sepúlveda, H.H.; Mattar, C. Off-grid hybrid electrical generation systems in remote communities: Trends and characteristics in sustainability solutions. Sustainability 2021, 13, 5856. [Google Scholar] [CrossRef]
- Ginny, F.; Schwörer, T.; Keith, K. Alaska Isolated Wind-Diesel Systems: Performance And Economic Analysis; Report prepared for Alaska Energy Authority and Denali Commission; Alaska Center for Energy and Power: Fairbanks, AK, USA, 2010. [Google Scholar]
- Elistratov, V.V.; Panfilov, A.A.; Konyschev, M.A.; Denisov, R.S. The application of adapted materials and technologies to create energy systems based on renewable energy sources under harsh climatic condition. Appl. Sol. Energy 2018, 54, 472–476. [Google Scholar] [CrossRef]
- Simpkins, T.; Cutler, D.; Hirsch, B.; Olis, D.; Anderson, K. Cost-optimal pathways to 75% fuel reduction in remote Alaskan villages. In Proceedings of the 2015 IEEE Conference on Technologies for Sustainability (SusTech), Ogden, UT, USA, 30 July–1 August 2015; pp. 125–130. [Google Scholar] [CrossRef]
- Zatsarinnaya, Y.; Gainullin, R.; Rep’ev, E.; Bramm, A. The prospects of distributed generation in Russia. In Proceedings of the 2021 Ural-Siberian Smart Energy Conference (USSEC), Novosibirsk, Russian, 13–15 November 2021; pp. 157–162. [Google Scholar] [CrossRef]
- McGowan, J.G.; Manwell, J.F.; Connors, S.R. Wind/diesel energy systems: Review of design options and recent developments. Sol. Energy 1988, 41, 561–575. [Google Scholar] [CrossRef]
- Lavrik, A.; Zhukovskiy, Y.; Tcvetkov, P. Optimizing the size of autonomous hybrid microgrids with regard to load shifting. Energies 2021, 14, 5059. [Google Scholar] [CrossRef]
- Hamanah, W.M.; Abido, M.A.; Alhems, L.M. Optimum sizing of hybrid PV, wind, battery and diesel system using lightning search algorithm. Arab. J. Sci. Eng. 2020, 45, 1871–1883. [Google Scholar] [CrossRef]
- Lan, H.; Yin, H.; Wen, S.; Hong, Y.-Y.; Yu, D.C.; Zhang, L. Electrical energy forecasting and optimal allocation of ESS in a hybrid wind-diesel power system. Appl. Sci. 2017, 7, 155. [Google Scholar] [CrossRef]
- Chhipą, A.A.; Chakrabarti, P.; Bolshev, V.; Chakrabarti, T.; Samarin, G.; Vasilyev, A.N.; Ghosh, S.; Kudryavtsev, A. Modeling and control strategy of wind energy conversion system with grid-connected doubly-fed induction generator. Energies 2022, 15, 6694. [Google Scholar] [CrossRef]
- Mobarra, M.; Rezkallah, M.; Ilinca, A. Variable speed diesel generators: Performance and characteristic comparison. Energies 2022, 15, 592. [Google Scholar] [CrossRef]
- Manwell, J.F.; Stein, W.A.; Rogers, A.; McGowan, J.G. An investigation of variable speed operation of diesel generators in hybrid energy systems. Renew. Energy 1992, 2, 563–571. [Google Scholar] [CrossRef]
- Hamilton, J.; Negnevitsky, M.; Wang, X. The role of modified diesel generation within isolated power systems. Energy 2022, 240, 122829. [Google Scholar] [CrossRef]
- Dar’enkov, A.; Sosnina, E.; Shalukho, A.; Lipuzhin, I. Economy mode setting device for wind-diesel power plants. Energies 2020, 13, 1274. [Google Scholar] [CrossRef]
- Flynn, J.; Iqbal, T. Ramea wind–hydrogen–diesel project: System description and component sizing. In Proceedings of the NECEC 2007 Conference, St. John’s, NL, USA, 31 October 2007. [Google Scholar]
- Martinez, N.; Benchaabane, Y.; Silva, R.E.; Ilinca, A.; Ibrahim, H.; Chandra, A.; Rousse, D.R. Computer model for a wind–diesel hybrid system with compressed air energy storage. Energies 2019, 12, 3542. [Google Scholar] [CrossRef]
- Li, C.; Zhou, D.; Wang, H.; Lu, Y.; Li, D. Techno-economic performance study of stand-alone wind/diesel/battery hybrid system with different battery technologies in the cold region of China. Energy 2020, 192, 116702. [Google Scholar] [CrossRef]
- Katsaprakakis, D.A.; Christakis, D.G. Seawater pumped storage systems and offshore wind parks in islands with low onshore wind potential. A fundamental case study. Energy 2014, 66, 470–486. [Google Scholar] [CrossRef]
- Stiel, A.; Skyllas-Kazacos, M. Feasibility study of energy storage systems in wind/diesel applications using the HOMER model. Appl. Sci. 2012, 2, 726–737. [Google Scholar] [CrossRef]
- Shezan, S.A.; Hasan, K.N.; Rahman, A.; Datta, M.; Datta, U. Selection of appropriate dispatch strategies for effective planning and operation of a microgrid. Energies 2021, 14, 7217. [Google Scholar] [CrossRef]
- Elistratov, V.; Konishchev, M.; Denisov, R.; Bogun, I.; Grönman, A.; Turunen-Saaresti, T.; Lugo, A.J. Study of the intelligent control and modes of the Arctic-adopted wind–diesel hybrid system. Energies 2021, 14, 4188. [Google Scholar] [CrossRef]
- Phan, B.C.; Lee, M.-T.; Lai, Y.-C. Intelligent deep-Q-network-based energy management for an isolated microgrid. Appl. Sci. 2022, 12, 8721. [Google Scholar] [CrossRef]
- Phelan, S.; Meehan, P.; Daniels, S. Using atmospheric pressure tendency to optimise battery charging in off-grid hybrid wind-diesel systems for telecoms. Energies 2013, 6, 3052–3071. [Google Scholar] [CrossRef]
- Zhu, W.; Guo, J.; Zhao, G.; Zeng, B. Optimal sizing of an island hybrid microgrid based on improved multi-objective grey wolf optimizer. Processes 2020, 8, 1581. [Google Scholar] [CrossRef]
- Amer, M.; Namaane, A.; Sirdi, N. Optimization of hybrid renewable energy systems (HRES) using PSO for cost reduction. Energy Procedia 2013, 42, 318–327. [Google Scholar] [CrossRef]
- Borowy, B.S.; Salameh, Z.M. Methodology for optimally sizing the combination of a battery bank and PV array in a wind/PV hybrid system. IEEE Trans. Energy Convers. 1996, 11, 367–375. [Google Scholar] [CrossRef]
- Chedid, R.; Rahman, S. Unit sizing and control of hybrid wind-solar power systems. IEEE Trans. Energy Convers. 1997, 12, 79–85. [Google Scholar] [CrossRef]
- Erdinc, O.; Uzunglu, M. Optimum design of hybrid renewable energy systems: Overview of different approaches. Renew. Sustain. Energy Rev. 2012, 16, 1412–1425. [Google Scholar] [CrossRef]
- Borhanazad, H.; Mekhilef, S.; Ganapathy, V.G.; Modiri-Delshad, M.; Mirtaheri, A. Optimization of micro-grid system using MOPSO. Renew. Energy 2014, 71, 295–306. [Google Scholar] [CrossRef]
- Connolly, D.; Lund, H.; Mathiesen, B.V.; Leahy, M. A review of computer tools for analysing the integration of renewable energy into various energy systems. Appl. Energy 2010, 87, 1059–1082. [Google Scholar] [CrossRef]
- Mazzeo, D.; Matera, N.; De Luca, P.; Baglivo, C.; Congedo, P.M.; Oliveti, G. A literature review and statistical analysis of photovoltaic-wind hybrid renewable system research by considering the most relevant 550 articles: An upgradable matrix literature database. J. Clean. Prod. 2021, 295, 126070. [Google Scholar] [CrossRef]
- Lian, J.; Zhang, Y.; Ma, C.; Yang, Y.; Chaima, E. A review on recent sizing methodologies of hybrid renewable energy systems. Energy Convers. Manag. 2019, 199, 112027. [Google Scholar] [CrossRef]
- Almutairi, K.; Hosseini Dehshiri, S.S.; Hosseini Dehshiri, S.J.; Mostafaeipour, A.; Issakhov, A.; Techato, K. Use of a hybrid wind—Solar—Diesel—Battery energy system to power buildings in remote areas: A case study. Sustainability 2021, 13, 8764. [Google Scholar] [CrossRef]
- Al-falahi, M.D.A.; Jayasinghe, S.D.G.; Enshaei, H. A review on recent size optimization methodologies for standalone solar and wind hybrid renewable energy system. Energy Convers. Manag. 2017, 143, 252–274. [Google Scholar] [CrossRef]
- Cho, J.-H.; Chun, M.-G.; Hong, W.-P. Structure optimization of stand-alone renewable power systems based on multi object function. Energies 2016, 9, 649. [Google Scholar] [CrossRef]
- Dufo-López, R.; Cristóbal-Monreal, I.R.; Yusta, J.M. Optimisation of PV-wind-diesel-battery stand-alone systems to minimise cost and maximise human development index and job creation. Renew. Energy 2016, 94, 280–293. [Google Scholar] [CrossRef]
- Lujano-Rojas, J.M.; Dufo-López, R.; Bernal-Agustín, J.L. Probabilistic modelling and analysis of stand-alone hybrid power systems. Energy 2013, 63, 19–27. [Google Scholar] [CrossRef]
- Hong, Y.-Y.; Lian, R.-C. Optimal sizing of hybrid wind/PV/diesel generation in a stand-alone power system using Markov-based genetic algorithm. IEEE Trans. Power Deliv. 2012, 27, 640–647. [Google Scholar] [CrossRef]
- Katsigiannis, Y.A.; Georgilakis, P.S.; Karapidakis, E.S. Hybrid simulated annealing–tabu search method for optimal sizing of autonomous power systems with renewables. IEEE Trans. Sustain. Energy 2012, 3, 330–338. [Google Scholar] [CrossRef]
- Tahani, M.; Babayan, N.; Pouyaei, A. Optimization of PV/Wind/Battery stand-alone system, using hybrid FPA/SA algorithm and CFD simulation, case study: Tehran. Energy Convers. Manag. 2015, 106, 644–659. [Google Scholar] [CrossRef]
- Maleki, A.; Khajeh, M.G.; Rosen, M.A. Weather forecasting for optimization of a hybrid solar-wind–powered reverse osmosis water desalination system using a novel optimizer approach. Energy 2016, 114, 1120–1134. [Google Scholar] [CrossRef]
- Tito, S.R.; Lie, T.T.; Anderson, T.N. Optimal sizing of a wind-photovoltaic-battery hybrid renewable energy system considering socio-demographic factors. Sol. Energy 2016, 136, 525–532. [Google Scholar] [CrossRef]
- Ma, G.; Xu, G.; Chen, Y.; Ju, R. Multi-objective optimal configuration method for a standalone wind–solar–battery hybrid power system. IET Renew. Power Gener. 2017, 11, 194–202. [Google Scholar] [CrossRef]
- Ross, M.; Abbey, C.; Joós, G. Cost analysis for sizing energy storage systems in wind-diesel microgrids. In Proceedings of the 2011 IEEE Power and Energy Society General Meeting, Detroit, MI, USA, 24–28 July 2011; pp. 1–8. [Google Scholar] [CrossRef]
- Nguyen-Hong, N.; Nguyen-Duc, H.; Nakanishi, Y. Optimal sizing of energy storage devices in isolated wind-diesel systems considering load growth uncertainty. IEEE Trans. Ind. Appl. 2018, 54, 1983–1991. [Google Scholar] [CrossRef]
- Kumar, R.; Gupta, R.A.; Bansal, A.K. Economic analysis and power management of a standalone wind/photovoltaic hybrid energy storage system using biography based optimization algorithm. Swarm Evol. Comput. 2013, 8, 33–43. [Google Scholar] [CrossRef]
- Ma, X.; Wu, Y.; Fang, H.L.; Sun, Y.Z. Optimal sizing of hybrid solar-wind distributed generation in an islanded microgrid using improved bacterial foraging algorithm. Zhongguo Dianji Gongcheng Xuebao (Proc. Chin. Soc. Electr. Eng.) 2011, 31, 17–25. [Google Scholar]
- Abo-Elyousr, F.K.; Elnozahy, A. Bi-objective economic feasibility of hybrid micro-grid systems with multiple fuel options for islanded areas in Egypt. Renew. Energy 2018, 128, 37–56. [Google Scholar] [CrossRef]
- Kaabeche, A.; Diaf, S.; Ibtiouen, R. Firefly-inspired algorithm for optimal sizing of renewable hybrid system considering reliability criteria. Sol. Energy 2017, 155, 727–738. [Google Scholar] [CrossRef]
- Bukar, A.L.; Tan, C.W.; Lau, K.Y. Optimal sizing of an autonomous photovoltaic/wind/battery/diesel generator microgrid using grasshopper optimization algorithm. Sol. Energy 2019, 188, 685–696. [Google Scholar] [CrossRef]
- Nadjemi, O.; Nacer, T.; Hamidat, A.; Salhi, H. Optimal hybrid PV/wind energy system sizing: Application of cuckoo search algorithm for Algerian dairy farms. Renew. Sustain. Energy Rev. 2017, 70, 1352–1365. [Google Scholar] [CrossRef]
- Alturki, F.A.; Farh, H.M.H.; Al-Shamma’a, A.A.; AlSharabi, K. Techno-economic optimization of small-scale hybrid energy systems using manta ray foraging optimizer. Electronics 2020, 9, 2045. [Google Scholar] [CrossRef]
- Zhao, J.; Yuan, X. Multi-objective optimization of stand-alone hybrid PV-wind-diesel-battery system using improved fruit fly optimization algorithm. Soft Comput. 2016, 20, 2841–2853. [Google Scholar] [CrossRef]
- Farh, H.M.H.; Al-Shamma’a, A.A.; Al-Shaalan, A.M.; Alkuhayli, A.; Noman, A.M.; Kandil, T. Technical and economic evaluation for off-grid hybrid renewable energy system using novel bonobo optimizer. Sustainability 2022, 14, 1533. [Google Scholar] [CrossRef]
- Ahmadi, S.; Abdi, S. Application of the hybrid big bang–big crunch algorithm for optimal sizing of a stand-alone hybrid PV/wind/battery system. Sol. Energy 2016, 134, 366–374. [Google Scholar] [CrossRef]
- Abedi, S.; Alimardani, A.; Gharehpetian, G.B.; Riahy, G.H.; Hosseinian, S.H. A comprehensive method for optimal power management and design of hybrid RES-based autonomous energy systems. Renew. Sustain. Energy Rev. 2012, 16, 1577–1587. [Google Scholar] [CrossRef]
- Alshammari, S.; Fathy, A. Optimum size of hybrid renewable energy system to supply the electrical loads of the northeastern sector in the Kingdom of Saudi Arabia. Sustainability 2022, 14, 13274. [Google Scholar] [CrossRef]
- Mahesh, K.; Nallagownden, P.; Elamvazuthi, I. Advanced Pareto front non-dominated sorting multi-objective particle swarm optimization for optimal placement and sizing of distributed generation. Energies 2016, 9, 982. [Google Scholar] [CrossRef]
- Diab, A.A.Z.; Sultan, H.M.; Mohamed, I.S.; Kuznetsov, O.N.; Do, T.D. Application of different optimization algorithms for optimal sizing of PV/wind/diesel/battery storage stand-alone hybrid microgrid. IEEE Access 2019, 7, 119223–119245. [Google Scholar] [CrossRef]
- Jamiati, M.; Houshiyar, H.; Ziloee, B.; Jelodarian, A. Determining optimal location and size of diesel generator and wind turbine in simultaneous mode. IJERT 2015, 4, 638–642. [Google Scholar] [CrossRef]
- García-Vera, Y.E.; Dufo-López, R.; Bernal-Agustín, J.L. Techno-economic feasibility analysis through optimization strategies and load shifting in isolated hybrid microgrids with renewable energy for the non-interconnected zone (NIZ) of Colombia. Energies 2020, 13, 6146. [Google Scholar] [CrossRef]
- Eltamaly, A.M.; Alotaibi, M.A.; Alolah, A.I.; Ahmed, M.A. A novel demand response strategy for sizing of hybrid energy system with smart grid concepts. IEEE Access 2021, 9, 20277–20294. [Google Scholar] [CrossRef]
- Xia, Z.; Li, P.; Ji, Y.; Shen, Z.; Wang, G. Optimal configuration of grid-connected microgrid considering real-time electricity price. In Proceedings of the 2021 IEEE 5th Conference on Energy Internet and Energy System Integration (EI2), Taiyuan, China, 22–24 October 2021; pp. 4404–4410. [Google Scholar] [CrossRef]
- Chang, C.-A.; Wu, Y.-K.; Chen, B.-K. Determination of maximum wind power penetration in an isolated island system by considering spinning reserve. Energies 2016, 9, 688. [Google Scholar] [CrossRef]
- Elistratov, V.V.; Bogun, I.V.; Kasina, V.I. Optimization of wind-diesel power plants parameters and placement for power supply of Russia’s Northern Regions consumers. In Proceedings of the 2019 16th Conference on Electrical Machines, Drives and Power Systems (ELMA), Varna, Bulgaria, 6–8 June 2019; pp. 1–5. [Google Scholar] [CrossRef]
- Al-Sharafi, A.; Yilbas, B.S.; Sahin, A.Z.; Ayar, T. Performance assessment of hybrid power generation systems: Economic and environmental impacts. Energy Convers. Manag. 2017, 132, 418–431. [Google Scholar] [CrossRef]
- Connors, S.R.; McGowan, J.G.; Manwell, J.F. Wind/diesel village-scale electric power systems: The performance and economic analysis of a simulated village system. Sol. Wind. Technol. 1990, 7, 423–439. [Google Scholar] [CrossRef]
- Himri, Y.; Boudghene Stambouli, A.; Draoui, B.; Himri, S. Techno-economical study of hybrid power system for a remote village in Algeria. Energy 2008, 33, 1128–1136. [Google Scholar] [CrossRef]
- Bhattarai, P.R.; Thompson, S. Optimizing an off-grid electrical system in Brochet, Manitoba, Canada. Renew. Sustain. Energy Rev. 2016, 53, 709–719. [Google Scholar] [CrossRef]
- Shezan, S.A.; Saidur, R.; Ullah, K.R.; Hossain, A.; Chong, W.T.; Julai, S. Feasibility analysis of a hybrid off-grid wind–DG-battery energy system for the eco-tourism remote areas. Clean Technol. Environ. Policy 2015, 17, 2417–2430. [Google Scholar] [CrossRef]
- Giannoulis, E.D.; Haralambopoulos, D.A. Distributed generation in an isolated grid: Methodology of case study for Lesvos—Greece. Appl. Energy 2011, 88, 2530–2540. [Google Scholar] [CrossRef]
- Liu, X.; Islam, S. Reliability evaluation of a wind-diesel hybrid power system with battery bank using discrete wind speed frame analysis. In Proceedings of the 2006 International Conference on Probabilistic Methods Applied to Power Systems, Stockholm, Sweden, 11–15 June 2006; pp. 1–7. [Google Scholar] [CrossRef]
- Tremyasov, V.A.; Krivenko, T.V. Reliability evaluation method of the wind-diesel installation with application of dynamic fault tree. J. Sib. Fed. Univ. Eng. Technol. 2017, 10, 414–425. [Google Scholar] [CrossRef]
- Sebastián, R. Review on dynamic simulation of wind diesel isolated microgrids. Energies 2021, 14, 1812. [Google Scholar] [CrossRef]
- Baring-Gould, E.I.; Dabo, M. Technology, performance, and market report of wind-diesel applications for remote and island communities. In Proceedings of the European Wind Energy Conference, Marseille, France, 16–19 March 2009. [Google Scholar]
- Issa, M.; Ibrahim, H.; Hosni, H.; Ilinca, A.; Rezkallah, M. Effects of low charge and environmental conditions on diesel generators operation. Eng 2020, 1, 137–152. [Google Scholar] [CrossRef]
- Sebastian, R. Modelling and simulation of a high penetration wind diesel system with battery energy storage. Int. J. Electr. Power Energy Syst. 2011, 33, 767–774. [Google Scholar] [CrossRef]
- Obukhov, S.G.; Plotnikov, I.A. Sravnitel’nyj analiz skhem avtonomnyh elektrostancij, ispol’zuyushchih ustanovki vozobnovlyaemoj energii [Comparative analysis of autonomous power plant schemes using renewable energy installations]. Ind. Power Eng. 2012, 7, 46–51. (In Russian) [Google Scholar]
- Erbaev, E.T.; Artyukhov, I.I.; Stepanov, S.F.; Molot, S.V. Features of stand-alone wind-diesel power system construction with different type electrical receivers. Mod. Probl. Sci. Educ. 2015, 1, 121. [Google Scholar]
- Stepanov, S.F.; Pavlenko, I.M.; Erbaev, E.T. Ensure efficient operation multi-modular wind power station with change wind speed and load. Mod. Probl. Sci. Educ. 2013, 6, 141. [Google Scholar]
- Chernov, D.A.; Karpov, N.D.; Tyagunov, M.G. Features of design and operation of wind-diesel complexes. In Proceedings of the 2018 International Ural Conference on Green Energy (UralCon), Chelyabinsk, Russia, 4–6 October 2018; pp. 34–38. [Google Scholar] [CrossRef]
- Issa, M.; Fiset, J.; Mobarra, M.; Ibrahim, H.; Ilinca, A. Optimizing the performance of a 500kW Diesel Generator: Impact of the Eo-Synchro concept on fuel consumption and greenhouse gases. Power Eng. 2018, 23, 22–31. [Google Scholar]
- Hamilton, J.; Negnevitsky, M.; Wang, X.; Semshchikov, E. The role of low-load diesel in improved renewable hosting capacity within isolated power systems. Energies 2020, 13, 4053. [Google Scholar] [CrossRef]
- Van Maerhem, T.; Bram, R.; Johan, D.; Jan, C. Variable speed genset with full rated power converter using readily available industrial products. In Proceedings of the 2014 16th European Conference on Power Electronics and Applications, Lappeenranta, Finland, 26–28 August 2014; pp. 1–7. [Google Scholar] [CrossRef]
- Kocheganov, D.M.; Steklov, A.S.; Serebryakov, A.V. Structure of energy-efficient wind-diesel power plant with variable rotation speed. Smart Electr. Eng. 2019, 2, 42–52. [Google Scholar] [CrossRef]
- Schubel, P.J.; Crossley, R.J. Wind turbine blade design. Energies 2012, 5, 3425–3449. [Google Scholar] [CrossRef]
- Rehman, S.; Alam, M.M.; Alhems, L.M.; Rafique, M.M. Horizontal axis wind turbine blade design methodologies for efficiency enhancement—A review. Energies 2018, 11, 506. [Google Scholar] [CrossRef]
- Singh, R.K.; Ahmed, M.R. Blade design and performance testing of a small wind turbine rotor for low wind speed applications. Renew. Energy 2013, 50, 812–819. [Google Scholar] [CrossRef]
- Fernandez-Gamiz, U.; Zulueta, E.; Boyano, A.; Ansoategui, I.; Uriarte, I. Five megawatt wind turbine power output improvements by passive flow control devices. Energies 2017, 10, 742. [Google Scholar] [CrossRef]
- Barlas, T.K.; van Kuik, G.A.M. Review of state of the art in smart rotor control research for wind turbines. Prog. Aerosp. Sci. 2010, 46, 1–27. [Google Scholar] [CrossRef]
- Vučina, D.; Marinić-Kragić, I.; Milas, Z. Numerical models for robust shape optimization of wind turbine blades. Renew. Energy 2016, 87, 849–862. [Google Scholar] [CrossRef]
- Wang, L.; Wang, T.; Wu, J.; Chen, G. Multi-objective differential evolution optimization based on uniform decomposition for wind turbine blade design. Energy 2017, 120, 346–361. [Google Scholar] [CrossRef]
- Han, W.; Yan, P.; Han, W.; He, Y. Design of wind turbines with shroud and lobed ejectors for efficient utilization of low-grade wind energy. Energy 2015, 89, 687–701. [Google Scholar] [CrossRef]
- Allaei, D.; Andreopoulos, Y. INVELOX: Description of a new concept in wind power and its performance evaluation. Energy 2014, 69, 336–344. [Google Scholar] [CrossRef]
- Ding, L.; Guo, T. Numerical study on the power efficiency and flow characteristics of a new type of wind energy collection device. Appl. Sci. 2020, 10, 7438. [Google Scholar] [CrossRef]
- Sotoudeh, F.; Kamali, R.; Mousavi, S.M. Field tests and numerical modeling of INVELOX wind turbine application in low wind speed region. Energy 2019, 181, 745–759. [Google Scholar] [CrossRef]
- Adeyeye, K.A.; Ijumba, N.; Colton, J.S. Multi-parameter optimization of efficiency, capital cost and mass of Ferris wheel turbine for low wind speed regions. Energies 2021, 14, 6217. [Google Scholar] [CrossRef]
- Wu, Y.-K.; Yang, W.-H. Different control strategies on the rotor side converter in DFIG-based wind turbines. Energy Procedia 2016, 100, 551–555. [Google Scholar] [CrossRef]
- Puchalapalli, S.; Singh, B. Synchronizing control of wind turbine driven doubly fed induction generator system with DG in remote area involving solar PV-battery energy storage. In Proceedings of the 2021 IEEE Energy Conversion Congress and Exposition (ECCE), Vancouver, BC, Canada, 10–14 October 2021; pp. 497–503. [Google Scholar] [CrossRef]
- Lukasievicz, T.; Oliveira, R.; Torrico, C. A control approach and supplementary controllers for a stand-alone system with predominance of wind generation. Energies 2018, 11, 411. [Google Scholar] [CrossRef]
- Maruf-ul-Karim, M.; Iqbal, M.T. Dynamic modeling and simulation of a remote wind-diesel-hydrogen hybrid power system. In Proceedings of the 2010 IEEE Electrical Power & Energy Conference, Halifax, NS, Canada, 25–27 August 2010; pp. 1–6. [Google Scholar] [CrossRef]
- Sultana, U.; Aamir, M.; Irfan, M.; Fatima, M. Increase the performance of wind energy systems using optimal layout planning. Eng. Proc. 2022, 20, 20. [Google Scholar] [CrossRef]
- Ung, S.-K.; Chong, W.-T.; Mat, S.; Ng, J.-H.; Kok, Y.-H.; Wong, K.-H. Investigation into the aerodynamic performance of a vertical axis wind turbine with endplate design. Energies 2022, 15, 6925. [Google Scholar] [CrossRef]
- Vergaerde, A.; De Troyer, T.; Standaert, L.; Kluczewska-Bordier, J.; Pitance, D.; Immas, A.; Silvert, F.; Runacres, M.C. Experimental validation of the power enhancement of a pair of vertical-axis wind turbines. Renew. Energy 2020, 146, 181–187. [Google Scholar] [CrossRef]
- Peng, J. Effects of aerodynamic interactions of closely-placed vertical axis wind turbine pairs. Energies 2018, 11, 2842. [Google Scholar] [CrossRef]
- Shaahid, S.M. Impact of battery storage on economics of hybrid wind-diesel power systems in commercial applications in hot regions. Int. J. Energy Res. 2013, 37, 1405–1414. [Google Scholar] [CrossRef]
- Hussain, I.; Das, D.C.; Sinha, N.; Latif, A.; Hussain, S.M.S.; Ustun, T.S. Performance assessment of an islanded hybrid power system with different storage combinations using an FPA-tuned two-degree-of-freedom (2DOF) controller. Energies 2020, 13, 5610. [Google Scholar] [CrossRef]
- Monroy-Morales, J.L.; Peña-Alzola, R.; Campos-Gaona, D.; Anaya-Lara, O. Complete transitions of hybrid wind-diesel systems with clutch and flywheel-based energy storage. Energies 2022, 15, 7120. [Google Scholar] [CrossRef]
- Ibrahim, H.; Ilinca, A. Contribution of the compressed air energy storage in the reduction of GHG–Case study: Application on the remote area power supply system. In Air Pollution—A Comprehensive Perspective; Haryanto, B., Ed.; IntechOpen: London, UK, 2012. [Google Scholar] [CrossRef][Green Version]
- Saad, Y.; Nohra, C.; Younes, R.; Abboudi, S.; Ilinca, A.; Ibrahim, H.; Feger, Z. Study of an optimized wind-diesel hybrid system for Canadian remote sites. In Proceedings of the 2017 IEEE Electrical Power and Energy Conference (EPEC), Saskatoon, SK, Canada, 22–25 October 2017; pp. 1–6. [Google Scholar] [CrossRef]
- Sedighnejad, H.; Iqbal, T.; Quaicoe, J. Performance evaluation of a hybrid wind-diesel-compressed air energy storage system. In Proceedings of the 2011 24th Canadian Conference on Electrical and Computer Engineering (CCECE), Niagara Falls, ON, Canada, 8–11 May 2011; pp. 270–273. [Google Scholar] [CrossRef]
- Benchaabane, Y.; Silva, R.E.; Ibrahim, H.; Ilinca, A.; Chandra, A.; Rousse, D.R. Computer model for financial, environmental and risk analysis of a wind–diesel hybrid system with compressed air energy storage. Energies 2019, 12, 4054. [Google Scholar] [CrossRef]
- Garcia, R.S.; Weisser, D. A wind–diesel system with hydrogen storage: Joint optimisation of design and dispatch. Renewable Energy 2006, 31, 2296–2320. [Google Scholar] [CrossRef]
- Segurado, R.; Krajačić, G.; Duić, N.; Alves, L. Increasing the penetration of renewable energy resources in S. Vicente, Cape Verde. Appl. Energy 2011, 88, 466–472. [Google Scholar] [CrossRef]
- Asif, M.R.H.; Iqbal, M.T. Diesel consumption in a high penetration remote hybrid power system with a pumped hydro and battery storage. In Proceedings of the 2013 IEEE Electrical Power & Energy Conference, Halifax, NS, Canada, 21–23 August 2013; pp. 1–6. [Google Scholar] [CrossRef]
- Loskutov, A.; Kurkin, A.; Kuzmin, I.; Lipuzhin, I. Ways to ensure parallel operation of vanadium flow batteries to create high power energy storage systems. Batteries 2022, 8, 120. [Google Scholar] [CrossRef]
- Thoker, Z.A.; Lone, S.A. Improved frequency response of a wind-diesel power system with adaptive RBF sliding mode control of SMES. In Proceedings of the 2021 National Power Electronics Conference (NPEC), Bhubaneswar, India, 15–17 December 2021; pp. 1–6. [Google Scholar] [CrossRef]
- Mishra, D.K.; Złotecka, D.; Li, L. Significance of SMES devices for power system frequency regulation scheme considering distributed energy resources in a deregulated environment. Energies 2022, 15, 1766. [Google Scholar] [CrossRef]
- Hernandez-Alvidrez, J.; Darbali-Zamora, R.; Flicker, J.D.; Shirazi, M.; VanderMeer, J.; Thomson, W. Using energy storage-based grid forming inverters for operational reserve in hybrid diesel microgrids. Energies 2022, 15, 2456. [Google Scholar] [CrossRef]
- Riayatsyah, T.M.I.; Geumpana, T.A.; Fattah, I.M.R.; Mahlia, T.M.I. Techno-economic analysis of hybrid diesel generators and renewable energy for a remote island in the indian ocean using HOMER Pro. Sustainability 2022, 14, 9846. [Google Scholar] [CrossRef]
- Johannsen, R.M.; Østergaard, P.A.; Hanlin, R. Hybrid photovoltaic and wind mini-grids in Kenya: Techno-economic assessment and barriers to diffusion. Energy Sustain. Dev. 2020, 54, 111–126. [Google Scholar] [CrossRef]
- Gan, L.K.; Shek, J.K.; Mueller, M.A. Hybrid wind–photovoltaic–diesel–battery system sizing tool development using empirical approach, life-cycle cost and performance analysis: A case study in Scotland. Energy Convers. Manag. 2015, 106, 479–494. [Google Scholar] [CrossRef]
- Baidas, M.W.; Almusailem, M.F.; Kamel, R.M.; Alanzi, S.S. Renewable-energy-powered cellular base-stations in Kuwait’s rural areas. Energies 2022, 15, 2334. [Google Scholar] [CrossRef]
- Conteh, F.; Takahashi, H.; Hemeida, A.M.; Krishnan, N.; Mikhaylov, A.; Senjyu, T. Analysis of hybrid grid-connected renewable power generation for sustainable electricity supply in Sierra Leone. Sustainability 2021, 13, 11435. [Google Scholar] [CrossRef]
- Drouilhet, S.; Shirazi, M. Wales, Alaska high-Penetration Wind-Diesel Hybrid Power System. Theory of Operation; Technical report NREL/TP-500-31755; National Renewable Energy Laboratory: Golden, CO, USA, 2002. [Google Scholar]
- Ishraque, M.F.; Shezan, S.A.; Rashid, M.M.; Bhadra, A.B.; Hossain, M.A.; Chakrabortty, R.K.; Ryan, M.J.; Fahim, S.R.; Sarker, S.K.; Das, S.K. Techno-economic and power system optimization of a renewable rich islanded microgrid considering different dispatch strategies. IEEE Access 2021, 9, 77325–77340. [Google Scholar] [CrossRef]
- Hu, Y.; Solana, P. Optimization of a hybrid diesel-wind generation plant with operational options. Renew. Energy 2013, 51, 364–372. [Google Scholar] [CrossRef]
- Yang, Y.; Qiu, J.; Qin, Z. Multidimensional firefly algorithm for solving day-ahead scheduling optimization in microgrid. J. Electr. Eng. Technol. 2021, 16, 1755–1768. [Google Scholar] [CrossRef]
- Tiwari, S.K.; Singh, B.; Goel, P.K. Control of wind–diesel hybrid system with BESS for optimal operation. IEEE Trans. Ind. Appl. 2019, 55, 1863–1872. [Google Scholar] [CrossRef]
- Shuai, D.; Nian, L.; Yingmiao, C. Optimal operation of the island microgrid with renewable energy and desalination. In Proceedings of the International Conference on Mechatronic Sciences, Electric Engineering and Computer (MEC), Shenyang, China, 20–22 December 2013; pp. 3718–3722. [Google Scholar] [CrossRef]
- An, L.N.; Tuan, T.Q. Dynamic programming for optimal energy management of hybrid wind–PV–diesel–battery. Energies 2018, 11, 3039. [Google Scholar] [CrossRef]
- Yahyaoui, I.; de la Peña, N.V. Energy management strategy for an autonomous hybrid power plant destined to supply controllable loads. Sensors 2022, 22, 357. [Google Scholar] [CrossRef] [PubMed]
- Arzani, M.; Abazari, A.; Oshnoei, A.; Ghafouri, M.; Muyeen, S.M. Optimal distribution coefficients of energy resources in frequency stability of hybrid microgrids connected to the power system. Electronics 2021, 10, 1591. [Google Scholar] [CrossRef]
- Takahashi, R.; Umemura, A.; Tamura, J. Cooperative frequency control of a small-scale power system between diesel engine driven adjustable speed generator and battery. Appl. Sci. 2020, 10, 9085. [Google Scholar] [CrossRef]
- Xiong, Z.; Chen, Y.; Ban, G.; Zhuo, Y.; Huang, K. A hybrid algorithm for short-term wind power prediction. Energies 2022, 15, 7314. [Google Scholar] [CrossRef]
- Chen, D.; Gong, Q.; Zou, B.; Zhang, X.; Zhao, J. A low-carbon dispatch model in a wind power integrated system considering wind speed forecasting and energy-environmental efficiency. Energies 2012, 5, 1245–1270. [Google Scholar] [CrossRef]
- Alkesaiberi, A.; Harrou, F.; Sun, Y. Efficient wind power prediction using machine learning methods: A comparative study. Energies 2022, 15, 2327. [Google Scholar] [CrossRef]
- Shojaee, M.; Mohammadi Shakiba, F.; Azizi, S.M. Decentralized model-predictive control of a coupled wind turbine and diesel engine generator system. Energies 2022, 15, 3349. [Google Scholar] [CrossRef]
- Zhang, X.; Zhang, Z.; Jia, J.; Zheng, L. A maximum power point tracking control method based on rotor speed PDF shape for wind turbines. Appl. Sci. 2022, 12, 9108. [Google Scholar] [CrossRef]
- Meng, H.; Yang, T.; Liu, J.-z.; Lin, Z. A flexible maximum power point tracking control strategy considering both conversion efficiency and power fluctuation for large-inertia wind turbines. Energies 2017, 10, 939. [Google Scholar] [CrossRef]
- Habibi, H.; Howard, I.; Simani, S. Wind turbine pitch actuator regulation for efficient and reliable energy conversion: A fault-tolerant constrained control solution. Actuators 2022, 11, 102. [Google Scholar] [CrossRef]














| Technology/Method | Maximal Decrease, % | Year | Ref. | |
|---|---|---|---|---|
| Fuel Consumption | COE or LCOE | |||
| Optimization methods | ||||
| Size optimization with load shifting control | N/A | 40 | 2021 | [8] |
| Size optimization with ESS | N/A | 58 | 2020 | [9] |
| ESS location optimization | 3.2 | N/A | 2017 | [10] |
| Main equipment | ||||
| Size increase: | 2013 | [11] | ||
| – WT number | 51 | N/A | ||
| – ESS capacity | 12 | + 28 | ||
| Variable speed DG | 40 | N/A | 2022 | [12] |
| 1992 | [13] | |||
| Dual speed mode DG | 2022 | [14] | ||
| – with ESS | 10.9 | N/A | ||
| – without ESS | 42 | N/A | ||
| Economy mode setting device | 30 | N/A | 2020 | [15] |
| Additional photovoltaic (PV) source | ||||
| – with ESS | 53 | 21 | 2021 | [8] |
| – without ESS | N/A | 60 | 2020 | [9] |
| ESS | ||||
| Hydrogen | 2.5 | N/A | 2007 | [16] |
| Compressed air energy storage | 27 | N/A | 2019 | [17] |
| Lithium-ion | 72 | 20 | 2020 | [18] |
| ZB flow battery | 67 | 56 | ||
| Pumped hydro storage | 40 | N/A | 2014 | [19] |
| Vanadium redox battery | 77 | N/A | 2012 | [20] |
| Control strategies and systems | ||||
| Generator order | 22 | + 20 | 2021 | [21] |
| Cycle charging with short-term forecasting | 34 | N/A | 2021 | [22] |
| Energy management system on deep Q network | 28 | N/A | 2022 | [23] |
| ESS charge algorithm | 2.5 | N/A | 2013 | [24] |
| Optimization Algorithm | Objective Function | System Configuration | Constraints | Performance Comparison | Year | [Ref.] |
|---|---|---|---|---|---|---|
| Lightning search algorithm (LSA) | Minimize annual cost | PV-WT-DG-ESS | Energy not served (ENS) and renewable energy fraction (REF) | N/A | 2020 | [9] |
| Improved multi-objective grey wolf optimizer (IMOGWO) | Minimize annualized cost of system (CACS) and deficiency of power supply probability (DPSP) | PV-WT-DG-tidal-ESS | Number of DG, PV, WT, tidal, ESS, generation unit power output, supply–demand balance, SOC | Better convergence than MOGWO and multi-objective particle swarm optimization (MOPSO) | 2020 | [25] |
| Hybrid teaching–learning-based optimization algorithm (TLBO) and clone selection | Minimize annual total cost (TAC), loss of power supply probability (LPSP), and fuel cost | PV-WT-DG-ESS | Number of PV, WT, DG, ESS and charge quantity of battery | Better quality results than GA and PSO | 2016 | [36] |
| Multi-objective evolutionary algorithm (MOEA) and GA | Minimize NPC and maximize human development index (HDI) and job creation (JC) | PV-WT-DG-ESS | Power balance, excess energy, SOC | N/A | 2016 | [37] |
| Hybrid artificial neutral network (ANN), GA and Monte Carlo simulation (MCS) | Minimize NPC | PV-WT-DG-ESS | Probability of ENS limit | N/A | 2013 | [38] |
| Markov-based GA | Minimize total cost | PV-WT-DG | Number of PV, WT and DG, loss of load probability (LOLP) and CO2 emissions | Better quality results and much smaller CPU time than chronology-based GA | 2012 | [39] |
| Hybrid simulated annealing (SA)–tabu search (TS) | Minimize COE | PV-WT-DG- -Fuel Cell (FC)-biodiesel-ESS | Initial cost, unmet load, capacity shortage, fuel consumption, REF and components’ size | Better quality results and faster convergence than SA and TS | 2012 | [40] |
| Flower pollination algorithm (FPA/SA) | Minimize LPSP and maximize cumulative savings | PV-WT-ESS | Number of PV and batteries, PV tilt angle | Better results quality than GA; more precise optimum values than PSO; less convergence time | 2015 | [41] |
| Harmony search (HS)-based chaotic search (HSBCS) | Minimize life cycle cost (LCC) | PV-WT-ESS | LPSP, swept area of WT blades, total area of PV and number of ESS | Better average index, better standard deviation and mean simulation time than HS | 2016 | [42] |
| Hybrid GA and exhaustive search technique | Minimize total cost | PV-WT-ESS | Number of PV, WT and ESS, PV tilt angle and wind generator installation height | Smaller number of iterations than GA | 2016 | [43] |
| Natural selection particle swarm optimization (NSPSO) | Minimize LPSP, LCC, loss of energy probability (LEP) and energy fluctuation rate Kl | PV-WT-ESS | Number of type I/II PV, type I/II WT and ESS | Avoids a premature convergence effectively than GA; provides precise results with a lower fitness function value than GA | 2017 | [44] |
| Wind Penetration Rate | Equipment Specific Performance Features | WT Usage, % | |
|---|---|---|---|
| By Installed Power | By Generated Energy | ||
| Low | DG runs continuously. WT reduces the load on DG. WT participates in covering the main load. Automatic control system is not needed. | <50 | <20 |
| Medium | DG runs continuously. At high WT, generation rate secondary loads are connected. An automatic control system is needed. | 50–100 | 20–50 |
| High | At high WT, generation rate DG turns off [78]. Tools to maintain frequency and voltage are necessary. An intelligent control system is needed. | 100–400 | 50–150 |
Disclaimer/Publisher’s Note: The statements, opinions and data contained in all publications are solely those of the individual author(s) and contributor(s) and not of MDPI and/or the editor(s). MDPI and/or the editor(s) disclaim responsibility for any injury to people or property resulting from any ideas, methods, instructions or products referred to in the content. |
© 2022 by the authors. Licensee MDPI, Basel, Switzerland. This article is an open access article distributed under the terms and conditions of the Creative Commons Attribution (CC BY) license (https://creativecommons.org/licenses/by/4.0/).
Share and Cite
Sosnina, E.; Dar’enkov, A.; Kurkin, A.; Lipuzhin, I.; Mamonov, A. Review of Efficiency Improvement Technologies of Wind Diesel Hybrid Systems for Decreasing Fuel Consumption. Energies 2023, 16, 184. https://doi.org/10.3390/en16010184
Sosnina E, Dar’enkov A, Kurkin A, Lipuzhin I, Mamonov A. Review of Efficiency Improvement Technologies of Wind Diesel Hybrid Systems for Decreasing Fuel Consumption. Energies. 2023; 16(1):184. https://doi.org/10.3390/en16010184
Chicago/Turabian StyleSosnina, Elena, Andrey Dar’enkov, Andrey Kurkin, Ivan Lipuzhin, and Andrey Mamonov. 2023. "Review of Efficiency Improvement Technologies of Wind Diesel Hybrid Systems for Decreasing Fuel Consumption" Energies 16, no. 1: 184. https://doi.org/10.3390/en16010184
APA StyleSosnina, E., Dar’enkov, A., Kurkin, A., Lipuzhin, I., & Mamonov, A. (2023). Review of Efficiency Improvement Technologies of Wind Diesel Hybrid Systems for Decreasing Fuel Consumption. Energies, 16(1), 184. https://doi.org/10.3390/en16010184

