Next Article in Journal
Opportunity Analysis of Cogeneration and Trigeneration Solutions: An Application in the Case of a Drug Factory
Next Article in Special Issue
An Electromagnetic Var Compensator Suitable for Wind Power Access and Its Control Strategy
Previous Article in Journal
Simulation of Mass and Heat Transfer in an Evaporatively Cooled PEM Fuel Cell
Previous Article in Special Issue
Recurrence of Sub-Synchronous Oscillation Accident of Hornsea Wind Farm in UK and Its Suppression Strategy
 
 
Font Type:
Arial Georgia Verdana
Font Size:
Aa Aa Aa
Line Spacing:
Column Width:
Background:
Article

Study on Improving Fault Stability of Doubly Fed Induction Wind Turbine by Using Active-Power Transient Frequency Characteristics

1
Key Laboratory of Distributed Energy Storage and Micro-Grid of Hebei Province, North China Electric Power University, Baoding 071003, China
2
State Grid Hebei Electric Power Research Institute, Shijiazhuang 050021, China
*
Authors to whom correspondence should be addressed.
Energies 2022, 15(8), 2736; https://doi.org/10.3390/en15082736
Submission received: 15 February 2022 / Revised: 30 March 2022 / Accepted: 4 April 2022 / Published: 8 April 2022
(This article belongs to the Special Issue Advanced Technologies in Wind Power Generation)

Abstract

:
With the continuous increase in wind power penetration, doubly fed wind turbines can quickly respond to changes in grid frequency, and have particularly important inertia-response characteristics. This article starts with the excitation control principle of a doubly fed induction generator, compares the transient frequency characteristics of the synchronous generator under fault, and proposes that the doubly fed induction generator can control the speed or active power of the generator through excitation. It proves the unique “active power transient frequency characteristics” of doubly fed induction generators. Under different wind speeds, the inertia response capability of the wind turbine is quantified, and the degrees of influence of the inertia time constant and frequency characteristic slope of the doubly fed induction generator on the transient change process are analyzed. Finally, simulation and experiments verify the correctness of the above theory, which provides a basis for significantly improving the transient stability of the power system and realizing the controllability of the transient stability of the power system.

1. Introduction

In 2017, wind power generation accounted for 5.6% of global energy demand and showed an increasing trend [1]. A doubly fed induction generator (DFIG) can realize the decoupling of active- and reactive-power control, and has become one of the mainstream models of wind farms at present [2]. However, a problem is that the rotor speed of the DFIG cannot respond to changes in system frequency. This leads to a decrease in the equivalent rotational inertia of the system, which will reduce the safety of the power grid, thus increasing its potential risks [3]. The United Kingdom blackout accident that occurred on 9 August 2019, occurred because during the system fault, the rotor speed of the DFIG could not respond to the change in system frequency, resulting in excessive rotor current, which caused the wind turbines of the Hornsea Wind Farm to go off-grid at a large-scale [4].
The stability of motors has always been an important problem to be solved urgently in electric power research, and the excitation control of generators has attracted great attention from experts and scholars. One study [5] compares the dynamic models of constant-speed and variable-speed induction generators, and analyzes the corresponding dynamic characteristics when there is power grid disturbance. When a three-phase short-circuit fault occurs, the dynamic characteristics of generator excitation system are analyzed in reference [6], the characteristics of excitation models are compared, and the main factors affecting the stability of excitation model system are deeply discussed. With the further research on excitation control systems, the authors in [7], based on nonlinear control theory, optimize a generator excitation system, use particle swarm optimization algorithm to optimize the phase parameters of a generator controller, put forward the design of a nonlinear super-spiral synovial excitation controller by output feedback, continuously enhance the stability of the system, and give suggestions to stabilize the system speed accordingly. The study in [8] analyzes the shortcomings of particle swarm optimization, and adopts an improved particle swarm optimization algorithm combining crossover strategy and adaptive inertia weight strategy to improve the control of a synchronous generator excitation control system.
With the further development of research, one study [9] proposed that, after adopting an AC excitation generator, due to the effect of AC excitation, the generator can keep synchronism with the system even if the generator rotor runs asynchronously. Additionally, because doubly fed induction generators can surpass the limitation of synchronous generators and realize asynchronous synchronous operation, the research on excitation control of corresponding generators has also developed rapidly. According to the power angle-characteristic equation of DFIGs in the literature [10], it is concluded that DFIGs are determined by the rotor excitation current, so it can be concluded that DFIGs can change the generator rotor speed or active power by changing the excitation current frequency to achieve asynchronous stable operation. Another study [11] puts forward a new excitation control method, which does not need to control the parameters of the motor, and is of great significance for eliminating the influence caused by the change in the speed of the prime mover. In addition, with the development of a power network, the complex working conditions it faces are increasing gradually. When three-phase short-circuit fault occurs in power network voltage, the rotor voltage and current of doubly fed induction generators will increase significantly [12]. For the influence caused by a light voltage drop, the method of demagnetization control can be adopted, and the DC component of the stator flux can be attenuated by a crossing operation, so as to achieve the effect of limiting voltage drop [13]. Through the above research, the rotor speed and active power output of doubly fed induction generators can be adjusted by excitation control, which lays a foundation for further digging into the huge inertia kinetic energy support of doubly fed induction generators.
In this paper, taking advantage of the asynchronous and synchronous operation of doubly fed induction generators, so that the speed of the generator can be controlled by excitation, the transient change process of doubly fed induction generators during three-phase short circuit is analyzed in principle, and the “active power transient frequency characteristic” of doubly fed wind generators is put forward according to its frequency characteristic curve. Through simulation and experiments, a single machine-infinite bus system platform with a doubly fed wind turbine is built, and it is verified that this unit is beneficial to motor stability under its unique control mode, thus improving the stability of the whole system.

2. Principle and Characteristics of Doubly Fed Induction Wind Generator

Different from the principle of the conventional synchronous generator, the doubly fed induction generator adopts a three-phase wound rotor structure. In this working mode, the motor will generate an alternating magnetic field, which can rotate with the rotor. The electrical performance of asynchronous generator is consistent with that of a synchronous generator, that is, the synchronous speed N0 of the system is the sum of the rotor speed Nm and the rotating magnetic field speed Ne generated by rotor excitation.
The rotor speed of a doubly fed induction generator can be controlled by the change in AC excitation current frequency, and the corresponding relationship between the rotor speed of the DFIG and its synchronous speed is:
N 0 = N e + N m
where N0 is the rotating speed of the air gap magnetic field; Nm is the rotor rotation speed; Ne is the speed at which the magnetic field on the rotor side moves on the rotor.
Since the traditional synchronous motor Ne = 0, Nm = N0, the synchronous motor can only rotate at a fixed synchronous speed. When the doubly fed induction generator with AC excitation is connected to the grid, the rotor excitation magnetic field can form a strong rotating magnetic field, which can influence the speed of the rotor and change its speed, thus forming an excitation current formed by rotor excitation, that is, the rotor can run at any frequency.

3. Active Transient Frequency Characteristics of Doubly Fed Induction Generator

According to the frequency characteristics of the useful power of the generator, the relationship between the mechanical power of the generator and the rotor speed without automatic speed regulation system can be obtained:
P m = c 1 ω c 2 ω 2 = d 1 f d 2 f 2
Among them, all the above variables are nominal values, c1, c2, d1, d2 are constants, usually c1 = 2c2, d1 = 2d2 and Formula (2) can be expressed by the curve in Figure 1.
P m = T ω
Mechanical power is the product of torque and angular velocity, which means that these are two main factors affecting mechanical power. As shown in Figure 1, when the speed is very low, even if the torque on the impeller is increased, it does not mean that the mechanical power can be increased, because at this time, the angular velocity is not increased. With the increasing angular velocity, the impeller speed is gradually accelerated; at this time, the angular velocity makes it difficult to track the impeller speed well, and the mechanical power will be reduced accordingly. Therefore, when the generator runs under rated conditions, the mechanical power reaches the maximum, that is, the product of torque and angular velocity is the maximum. According to the static frequency characteristics of the comprehensive load of the system, the generator can only run stably in the ab section of the curve shown in Figure 1.
When the generator suffers from interference such as a short circuit, as the mechanical energy input to the DFIG is inconsistent with the electrical energy output, the rotating speed of the rotor will increase. At this time, as shown in Figure 1, the rotor will move from point A to point B. At this time, the rotating speed of the motor will increase continuously. However, with the increasing rotating speed of the motor, the expected air inlet speed of the motor does not match, and it is difficult to track the rotating speed of the impeller, so the torque will decrease, which finally shows that the mechanical power decreases, and the acceleration process of the rotor is accompanied by the conversion of kinetic energy. Therefore, there must be a dynamic equilibrium point on the curve of segment ab shown in Figure 1, which makes the output active power of the generator set equal to the input mechanical power, and is temporarily identified as point B. When the transient process is over, the speed can be set to the initial value by using the governor automatic adjustment, that is, the speed can be restored from point B to point C. In the process of adjustment, the full transient process should be satisfied: the acceleration area is less than or equal to the deceleration area, so as to ensure the stability of the power supply system and the effective control of the whole transient process. The performance of the governor itself and its inertia will not affect the active-power characteristics of the prime mover.
The power angle-characteristic equation of the DFIG [10] is
P e = E q U s X d sin δ
The DFIG power angle-characteristic equation is similar to that of the traditional synchronous generator, but the difference is that the no-load electromotive force Eq’ is determined by the rotor excitation current formed by the combined voltage of the external given excitation voltage Ur and the rotor slip-induced electromotive force Er [10]. So, it can be concluded that the DFIG can change the generator rotor speed or active power by changing the excitation current frequency to achieve asynchronous stable operation. Therefore, in the transient process, the doubly fed induction generator can make the rotor of the generator run asynchronously due to AC excitation, and the DFIG keeps synchronization with the system. This characteristic is called the “active power transient frequency characteristic” of the doubly fed induction generator. In Figure 2, the abscissa is the rotor speed, and the ordinate is the active power. When it is at point A, the purpose of the active-power transient frequency characteristic is to reduce the active power by increasing the rotor speed of the DFIG, and the rotor current Ir value corresponding to the active power will decrease. Once the rotor current decreases, the fault ride-through can be realized.
In the case of short-circuit fault, the changes in the synchronous generator and doubly fed induction generator can be compared. If the generator is connected with the system through a transformer through a double-circuit line, the system runs stably at point a in Figure 3 (the power angle is δ0), and the output power P0 of the synchronous generator is consistent with the output power PT of the prime mover. When a short-circuit fault occurs, according to the power characteristic curve, the power output of the synchronous unit immediately drops to PII. Because of the inertia of the generator rotor, the angle δ0 relative to the bus voltage of the infinite system does not change, so the output power of the synchronous machine suddenly changes from the operating point a to the operating point b, but at this time, the mechanical power PT output by the prime mover does not change, so excess power will be generated in the system, and the more serious the fault situation, the more obvious the amplitude reduction in the PII power curve. Under a three-phase short-circuit fault, the PII curve is a straight line with a zero ordinate. Under the action of excess torque, the rotor speed of the generator accelerates, which increases correspondingly compared with the synchronous speed and the relative angle δ, and the operating point b moves to the point c. If the fault persists, the generator will continue to accelerate due to the excess torque, which will eventually lead to the system being out of step.
In case of a sudden system three-phase short circuit, the faulty line should be eliminated in time. After the relay protection device acts quickly, the power characteristic curve of the generator changes to PIII, which suddenly changes from point c to point e, and the rotor speed is restrained because the output power of the generator is greater than the mechanical power of the prime mover. However, because the rotor speed is larger than the synchronous speed at this time, the relative angle δ increases accordingly. If the braking point of the synchronous speed is point f, δ will not increase at this time. However, as the electromagnetic power is greater than the mechanical power at this time, the rotating speed of the rotor decreases continuously, and the relative angle δ also decreases, and the operating point f will move in the directions of operating points e and k. When point k is not reached, the rotor speed decreases continuously and is lower than the synchronous speed. When the speed of the rotor reaches point k, δ will also decrease due to the low speed of the rotor. When the speed exceeds point k, the electromagnetic power will be lower than the mechanical power, and then the speed of the rotor will be improved. Therefore, there will be oscillation at the operating point, and finally, the generator will stop at operating point k due to energy loss and damping. The corresponding change curve is shown in Figure 4.
In case of extreme working conditions, the rotor speed reaches a very high speed before the fault line is cut off. Then, when the fault is cut off and reaches point f, as shown in Figure 3, the rotor speed will still be higher than the synchronous speed and will continue to reach point h. In the absence of full recovery, once the operating point crosses point h, the torque acceleration will further increase the speed, the acceleration will increase with it, and the relative angle δ will also continuously increase, resulting in the final system instability, as shown in Figure 5.
The difference between the doubly fed induction generator and the synchronous generator studied in this paper is:
  • The doubly fed induction generator can satisfy the power angle-characteristic equation at any slip rate. Adjusting the excitation current frequency ensures Ne + Nm and No are the same, and the relative angle δ can remain in the k→h domain shown in Figure 3. By absorbing its acceleration energy in the process of δ0→δc, the residual energy ΔPP = acceleration area–deceleration area) can be transformed into the kinetic energy of the rotor.
  • The doubly fed induction generator has “active power transient frequency characteristics”. As shown in Figure 6, when the rotor speed exceeds the moderate value, the mechanical power PT of the prime mover will decrease. When the deceleration area defg is less than the acceleration area abcd, while the generator rotor continues to accelerate, the mechanical power PT input to the generator decreases, as shown in Figure 6, which is equivalent to reducing the acceleration area and increasing the deceleration area, thus reaching a new balance point.
  • When a three-phase short-circuit fault suddenly occurs in one circuit of the receiving end, the imbalance between the mechanical power input to the generator and the active power output at this time leads to an increase in the rotor speed. According to the flywheel effect of rotor kinetic energy, the rotating speed of the synchronous generator sets changes in the range of 0.96–1 pu during the system frequency modulation, in which 0.96 pu corresponds to the rotating speed of the synchronous machine when the system frequency is at the lower limit of 48 Hz, and the maximum rotor kinetic energy that can be absorbed by synchronous generator sets is:
Δ E k = E 1 E 0 = 1 2 J ( ω 1 2 ω 0 2 )
Δ E k max =     1 2 J ( 0.96 2 1 ) ω N 2 = 0.0392 J ω N 2 = 0.0784 H S N
where J is the moment of inertia of the unit, E0 is the initial speed, the rotor kinetic energy corresponds to ω0, and E1 is the rotor kinetic energy corresponding to the rotor speed ω1 after the unit participates in frequency modulation. Comparing a 2 MW doubly fed wind turbine with a synchronous generator with the same capacity, the moment of inertia of the doubly fed wind turbine is J = 7.4779 × 10 6 kg · m 2 , the inertia time constant of the synchronous generator is H = 10 s, and the maximum rotor kinetic energy absorbed by the synchronous generator is 1.568 MJ by substituting into Formula (6). For doubly fed wind turbines, the absorbed rotor kinetic energy is related to the rotational speed of the wind turbine in steady-state operation, and the operating range of the rotor rotational speed is generally 0.7–1.2 pu. By substituting it into Formula (5), the absorbed rotor kinetic energy of the wind turbine at different rotational speeds can be obtained. It can be seen that at the lowest speed, the wind turbine can absorb 1.57 MJ of rotor kinetic energy, even at a lower speed (0.8 pu), which is equivalent to that of a synchronous generator, so the DFIG can increase the rotor speed to absorb a large amount of kinetic energy in a short time. When the DFIG drops at 10% and 15% rated power, the transient power support time provided by the absorbed rotor kinetic energy is shown in Table 1. Even at 15% rated power, the wind turbine can provide no less than 5 s of transient support capacity.
From the above analysis, it can be known that due to the “active power transient frequency characteristics” and the “flywheel effect” of the rotor, the generator meets the requirement that the acceleration area is less than or equal to the deceleration area in the transient time domain, which is expected to realize the stable control of the power system in the transient time domain.

4. Characteristic Simulation and Experimental Verification of DFIG

In this paper, a simulation platform of doubly fed wind power generation (10 kW/380 V) is used to verify the correctness of the analysis of the above-mentioned “active power transient frequency characteristics” of doubly fed induction generators, which are mainly composed of a monitoring console, converter cabinet of prime mover speed regulation, converter cabinet of the rotor side and grid side of a doubly fed generator, 40 kW bidirectional power-grid simulator cabinet, 15 kW asynchronous motor and a 10 kW doubly fed generator. The test system structure is shown in Figure 7. The controller adopts the YXSPACE-SP2000 Rapid Control Prototype Controller (RCP), which can convert the control algorithm under MATLAB-Simulink into input and output switch control quantity and input and output analog regulation quantity, and can complete the actual hardware control.
When the doubly fed induction wind turbine is connected to the grid, and the wind speed is 7 m/s–12 m/s, the simulation system will be disturbed, which will then be transformed into the target value for adjusting the excitation current frequency. We recorded the active power and other state quantities of DFIG output, as shown in Table 2, Table 3, Table 4, Table 5, Table 6 and Table 7.
The active-power transient frequency characteristics of the doubly fed induction generator at different wind speeds are shown in Figure 8. Take the wind speed of a wind turbine running in the maximum power tracking area as an example. At this time, the rotor speed of the doubly fed induction generator is 1212 r/min, the excitation current frequency is reduced from 9.59 Hz to −10.13 Hz, the rotor speed is increased from 1212 r/min to 1804 r/min, and the active output power of the doubly fed induction generator is reduced from 0.187 pu to 0.055 pu, that is, at the wind speed of 8 m/s. The relationship curve can be seen in Figure 8. When the synchronous speed of the doubly fed generator fluctuates by 20%, the active power of the generator will change by 70.6%. Considering the response capability of the AC excitation control system, this characteristic can improve the stability of power system, thus realizing the stable control of the transient power system.
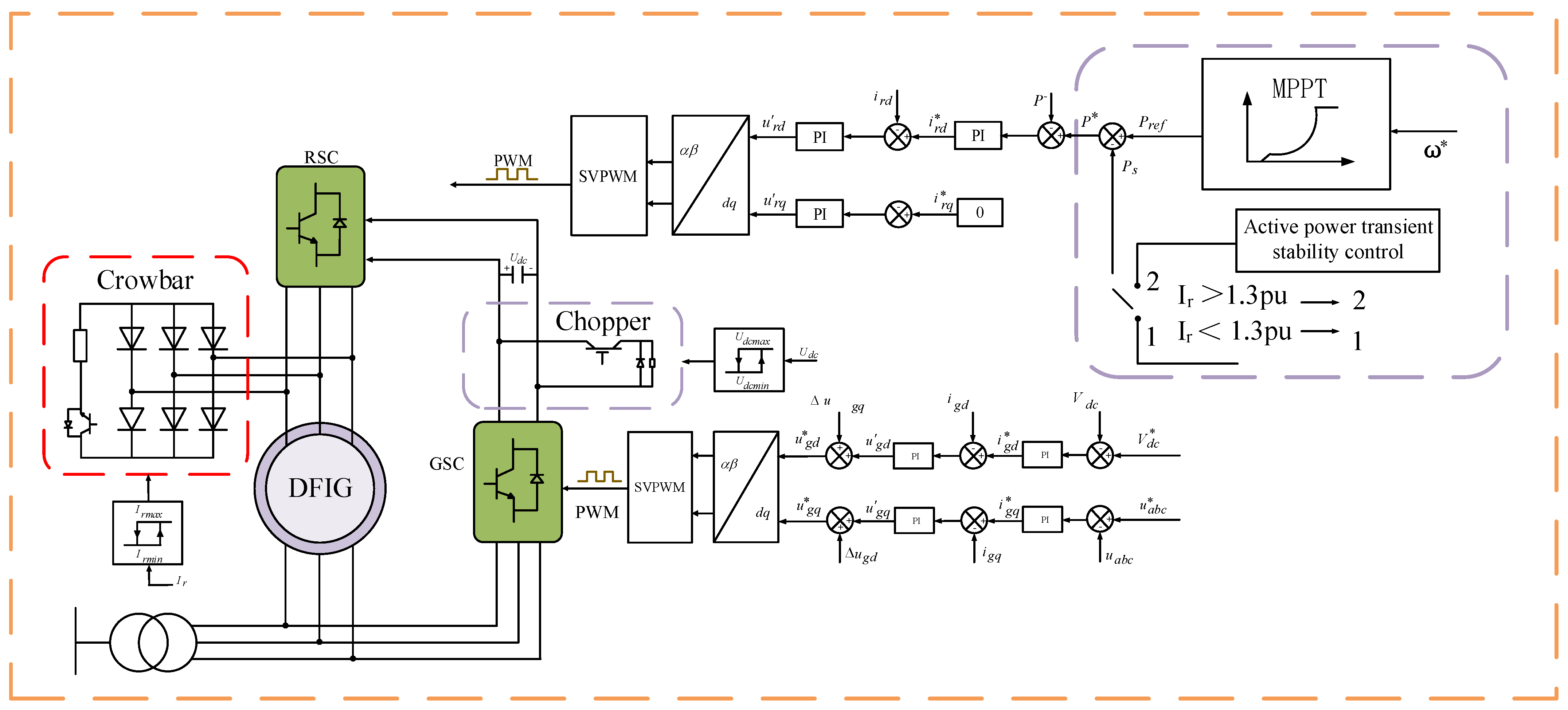
In order to further verify the universality of the application scenario of the above-mentioned doubly fed induction generator with this characteristic, aiming at the single-machine infinite-bus system, this paper establishes a grid-connected system simulation platform based on a doubly fed wind turbine based on MATLAB/Simulink. Its system wiring diagram is shown in Figure 9 and its main control is shown in Figure 10. As shown in Figure 9, in normal operation, the doubly fed induction generator sends power to the infinite system through transformers and double-circuit lines. The wind turbine runs normally at 8 m/s, and when the time T is 200 s, a three-phase short-circuit fault occurs, and the relay protection device acts quickly to protect the system circuit. The specific control in Figure 10 is such that when the rotor current reaches the critical value of 1.3 pu, the simulation system automatically switches from the conventional control to the active transient frequency characteristic control, which automatically increases the rotor speed so as to follow the relationship between the transient power and the speed in Figure 1. The active power output by the DFIG will decrease until it reaches the normal value, and the rotor speed will not increase at this time, thus completing the entire control process.
Figure 11 shows the rotor speed curves of the doubly fed induction generator under conventional control and the active transient frequency characteristics’ comparison. When T is less than 200 s in section A-B in the figure, the rotor speed is stable at 0.8 pu. At point B, when time T is 200 s, a three-phase short-circuit fault occurs, and the relay protection device acts quickly to protect the system circuit. By comparing the B-D section with conventional control and the B-C section with active-power transient frequency characteristics, it can be clearly found that under conventional control, after the primary circuit is disconnected, the speed of the doubly fed induction generator loses stability and increases to the maximum value at 1.2 pu. However, after adopting the active-power transient frequency characteristic, the rotor speed increases slightly and then stabilizes at 0.8 pu, which is beneficial to the stability of the system.
Figure 12 shows active power output curves of the doubly fed induction generator under conventional control and the active transient frequency characteristics’ comparison. When T is less than 200 s in section A–B in the figure, the active power output of the generator is stable at 0.18 pu. At point B, when time T is 200 s, a three-phase short-circuit fault occurs, and the relay protection device acts quickly to protect the system circuit. By comparing the B–D section with conventional control and the B–C section with active-power transient frequency characteristics, it can be clearly found that under the conventional control, the output active power drops to zero, and the doubly fed induction generator is off-grid. However, by adopting the active-power transient frequency characteristic, the active power remains at 0.18 pu, which is very beneficial to the stability of the system.
Figure 13 shows the power angle–power characteristic curve of the doubly fed induction wind turbine at a wind speed of 8 m/s. The initial stable operating point of the DFIG is point a (the power angle is δ0), and when a three-phase short-circuit fault occurs in one circuit, the amplitude of the PII power curve drops to zero. Under the action of excess torque, the rotor speed of the generator increases, and its relative speed and relative angle continue to increase, moving from operating point b to operating point c. At 0.05 s, when the short-circuit fault occurs, the relay protection device cuts off the fault line, and the power angle–power characteristic curve of the doubly fed induction generator changes to PIII, and the operating point c changes to operating point e. At this time, the output power of the generator is larger, so that the effect of restraining the rotor speed can be achieved. Then, the rotor speed decreases, and the power angle δ continues to decrease. The operating point moves along the curve PIII shown in Figure 13 in the direction of point k. Finally, due to the energy loss and damping in the oscillation process, it stays at a new dynamic equilibrium point, that is, the intersection point between curve PIII and curve PT at rotor speed ωr = 0.8 pu.
The transient time-domain stability of the doubly fed induction generator is not only related to the magnitude of disturbance and the time to withstand disturbance, but also related to the system structure, power-flow situation, impedance and inertia of the generator, and many other factors, such as excitation regulator (AVR) and governor (GOV) automatic control device. In order to highlight the key research contents of this paper, only the influence of the whole transient process when the wind turbine not equipped with a governor is considered. Therefore, based on the curve shown in Figure 1, it is approximately considered that the slope of section 1–2 of the curve is unchanged, which can be simplified as shown in Figure 13. The slope of the straight line is KG = ΔPG/Δf, that is, the power–frequency characteristic curve of the wind turbine, which can also be expressed by standard values, in which KG* = 33.3~20.
Its electromechanical motion equation can be expressed as:
T J d ω d t = T m T e
TJ is the inertia time constant of the doubly fed induction generator, and Tm and Te are its mechanical torque and electromagnetic torque, respectively. When the torque T is expressed by power, the electromechanical motion equation becomes:
T J d ω d t = P m P e ω
It is known that the inertia time constant TJ of the generator usually takes 8–16 s, the unit with a small capacity takes a larger value, and the unit with a large capacity takes a smaller value. Under this time constant, the prime mover accounts for about 60%. Additionally, the mechanical power Pm of the prime mover is represented by the simplified straight line in Figure 14, such that:
Pm = − KG(ωω0) + Pm0
where ω0 and Pm0 are the rotational speed and corresponding mechanical power values in the initial operation state, respectively. With Formula (8), the electromechanical motion equation of the doubly fed induction generator can be transformed into:
ω d ω d t + K G T J ω = ω 0 T J K G + P m 0 P e T J
Set the initial operating state as the rated operating state, that is, Pm0 = PmN = 1, ω0 = ωN = 1, Pe0 = PeN = 1.
Bring these values into Formula (10) and obtain:
ω d ω d t + K G T J ω = K G T J + 1 P e T J
Take the wind speed of 8 m/s as an example. When the system fails, the mechanical energy input into the generator is unbalanced with the electric energy sent by the generator to the system, and the generator will deviate from the synchronous point.
  • Take the transition process when TJ = 8 s and KG = 25, and the transient power step is ΔP = 0.1, 0.3 and 0.6. Next, the transient process of the doubly fed induction generator is solved iteratively when the system has a permanent fault and the transient power step change ΔP = 0.1, 0.3 and 0.6, respectively.
It can be seen from Figure 15 that when the system is grounded or three-phase suddenly short-circuited and the rated power difference of the doubly fed induction generator is 10%, 30% and 60%, the generator rotor will accelerate, and the acceleration process will change exponentially. After reaching a certain value, the generator will finally run stably at this speed value. At this time, if the speed control system works, the manner of damper (or valve) will be reduced, so that the rotor speed of the generator will return to the speed running state of before the fault.
With the increase in transient power step value ΔP, the change in generator rotor speed also increases correspondingly. When the inertia time constant TJ = 8 s and the frequency characteristic KG = 25, the transient power step is 60%PN, the change rate Δω of generator rotor speed is less than 1.2, and the transition process t is less than 2 s.
2.
Take the transient process when TJ = 8 s and KG = 33.3 and the transient power step is ΔP = 0.1, 0.3 and 0.6.
It can be seen from Figure 16 that when the frequency characteristic value KG increases and the inertia time constant remains unchanged, under the action of the same transient power step ΔP, the transient speed-change rule is the same as that of the first case, but the difference is that the speed change rate of the generator is reduced to Δω < 1.15 and the transition time is shortened to t < 1 s.
It can be seen from Figure 16 that when TJ increases, that is, the inertia time constant increases, other factors such as KG = 25 and ΔP = 0.1, 0.3 and 0.6 are the same as those in the first case. During the transient transition, Δω < 1.2, t < 3 s, that is, the rate of change in rotational speed remains unchanged, but the transition time is prolonged.
According to the above analyses, the larger the inertia time constant of the doubly fed induction generator, the longer the transient process, and the larger the slope of frequency characteristics of the doubly fed induction generator, the smaller the change in rotor speed in the transient process and the shorter the transient process time under the same transient power step.

5. Conclusions

In the process of studying the control method of AC excitation, this paper adopts a new research concept. It breaks the traditional limitation of strict synchronization and proposes the idea of changing the rigid connection from electromechanical to flexible. Because the doubly fed induction generator has “active power transient frequency characteristics” and quantifies its inertia support capacity, it completes the effective control of the transient stability of the power system and greatly improves the transient stability of the system. Additionally, it analyzes the influence of inertia time constant and frequency characteristic slope values on its transient process, which lays a foundation for improving the power supply characteristics of the power system later.

Author Contributions

Conceptualization, T.M., X.Y. and S.C.; methodology, T.M., X.Y. and S.C.; software, T.M. and S.C.; validation, T.M.; formal analysis, T.M.; writing—original draft preparation, T.M.; writing—review and editing, T.M., X.Y., S.C., Q.D., W.C., T.L. and R.L. All authors have read and agreed to the published version of the manuscript.

Funding

This paper is supported by the State Grid Corporation Headquarters Science and Technology Project (No. SGHEDK00DYJS1900061).

Institutional Review Board Statement

Not applicable.

Informed Consent Statement

Not applicable.

Data Availability Statement

Not applicable.

Acknowledgments

The authors gratefully thank the financial support of the State Grid Corporation Headquarters Science and Technology Project (No. SGHEDK00DYJS1900061).

Conflicts of Interest

The authors declare no conflict of interest.

References

  1. Siqing, S.; Pengwang, L.; Qing, G. Optimization method of inertia parameters of thermal power units to improve wind power penetration limit. Power Syst. Autom. 2020, 44, 181–193. [Google Scholar]
  2. Xiangwu, Y.; Zijun, S.; Sen, C.; Ying, S.; Tiecheng, L. Primary frequency regulation strategy of doubly-fed wind turbine based on variable power point tracking and coordinated control of super capacitor energy storage. J. Electrotech. 2020, 35, 530–541. [Google Scholar]
  3. Gang, M.; Tingting, C.; Gangui, Y.; Hongbo, L.; Sutong, L. Bidirectional power constraint of doubly-fed wind turbines participating in continuous frequency modulation and its influence. J. Electr. Technol. 2019, 34, 1750–1759. [Google Scholar]
  4. Huadong, S.; Tao, X.; Qiang, G.; Li, Y.; Lin, W.; Yi, J.; Li, W. Analysis on blackout in great britain power grid on august 9th,2019 and its enlightenment to power grid in China. In Proceedings of the CSEE 2019, Rome, Italy, 7–9 April 2019; Volume 39, pp. 6183–6192. [Google Scholar]
  5. Holdsworth, L.; Wu, X.G.; Ekanayake, J.B.; Jenkins, N. Comparison of Fixed Speed and Doubly-Fed Induction Wind Turbines during Power System Disturbances. IEE Proc.-Gener. Transm. Distrib. 2003, 150, 343–352. [Google Scholar] [CrossRef]
  6. Lixia, Z.; Gaoshan, W.; Youhua, W.; Cui, J. Simulation of typical excitation models for transient stability analysis. Power Autom. Equip. 2008, 1, 77–80. [Google Scholar]
  7. Hanghui, J. Research on Optimal Control Method of Generator Excitation System; Xi’an University of Technology: Xi’an, China, 2019. [Google Scholar]
  8. Daoyun, W. Research on Intelligent Optimization of Synchronous Generator Excitation Control System; Shandong University: Jinan, China, 2019. [Google Scholar]
  9. Xiangwu, Y.; Renzhou, W.; Zhuo, L. Using Alternating-Currrent Exciting Generator to Improve Power System Transient State Stability. Autom. Electr. Power Syst. 1997, 9, 35–38. [Google Scholar]
  10. Shitao, Y. Research on Stability and Control System of AC-Excited Generator; North China Electric Power University (HeBei): Beijing, China, 2007. [Google Scholar]
  11. Xin, C.; Xuefan, W. Excitation control and performance analysis of marine independent power generation system based on brushless doubly-fed generator. J. Electr. Technol. 2017, 32, 120–129. [Google Scholar]
  12. Xu, C.; Gen, C.; Dangsheng, Z.; Jianwen, Z.; Yan, W.; Haoshu, S.; Wuhua, W. Research status and prospect of offshore wind power converters. Glob. Energy Internet 2019, 2, 102–115. [Google Scholar]
  13. Weina, W. Low breakdown excitation control of doubly-fed inverter based on full-order state observer. Electr. Drive 2018, 48, 71–74. [Google Scholar]
Figure 1. Relationship between transient power and speed.
Figure 1. Relationship between transient power and speed.
Energies 15 02736 g001
Figure 2. DFIG active power vs. rotational speed.
Figure 2. DFIG active power vs. rotational speed.
Energies 15 02736 g002
Figure 3. Power characteristic curve of simple system after normal operation, fault and fault removal.
Figure 3. Power characteristic curve of simple system after normal operation, fault and fault removal.
Energies 15 02736 g003
Figure 4. Oscillation process.
Figure 4. Oscillation process.
Energies 15 02736 g004
Figure 5. Out-of-step process.
Figure 5. Out-of-step process.
Energies 15 02736 g005
Figure 6. Power angle curve.
Figure 6. Power angle curve.
Energies 15 02736 g006
Figure 7. Double-fed induction generator experiment platform.
Figure 7. Double-fed induction generator experiment platform.
Energies 15 02736 g007
Figure 8. Transient frequency characteristics of doubly fed induction generator.
Figure 8. Transient frequency characteristics of doubly fed induction generator.
Energies 15 02736 g008
Figure 9. Wiring diagram of grid-connected system of doubly fed wind turbine.
Figure 9. Wiring diagram of grid-connected system of doubly fed wind turbine.
Energies 15 02736 g009
Figure 10. DFIG active-power transient frequency characteristic control.
Figure 10. DFIG active-power transient frequency characteristic control.
Energies 15 02736 g010
Figure 11. Rotor speed curve of doubly fed induction generator.
Figure 11. Rotor speed curve of doubly fed induction generator.
Energies 15 02736 g011
Figure 12. Active-power output diagram of doubly fed induction generator.
Figure 12. Active-power output diagram of doubly fed induction generator.
Energies 15 02736 g012
Figure 13. Power angle–power characteristic curve of doubly fed induction generator (8 m/s).
Figure 13. Power angle–power characteristic curve of doubly fed induction generator (8 m/s).
Energies 15 02736 g013
Figure 14. Simplified power–frequency characteristic.
Figure 14. Simplified power–frequency characteristic.
Energies 15 02736 g014
Figure 15. Transient speed-change process of doubly fed induction generator with TJ = 8 s, KG = 25, ΔP = 0.1, 0.3, 0.6.
Figure 15. Transient speed-change process of doubly fed induction generator with TJ = 8 s, KG = 25, ΔP = 0.1, 0.3, 0.6.
Energies 15 02736 g015
Figure 16. Transient speed-change process of doubly fed induction generator with TJ = 8 s, KG = 33.3, ΔP = 0.1, 0.3, 0.6.
Figure 16. Transient speed-change process of doubly fed induction generator with TJ = 8 s, KG = 33.3, ΔP = 0.1, 0.3, 0.6.
Energies 15 02736 g016
Table 1. Transient support capability of DFIG at different rotor speeds.
Table 1. Transient support capability of DFIG at different rotor speeds.
Double-Fed Fan Speed ( r . min 1 ) Absorbed Rotor Kinetic Energy (MJ)Transient Support Time at 10% Rated Power (s)Transient Support Time at 15% Rated Power (s)
1800 (1.2 pu)9.9749.8533.23
1500 (1.0 pu)5.3526.7517.83
1350 (0.9 pu)3.3616.811.2
1200 (0.8 pu)1.577.855.23
Table 2. The change in rotor speed at a given power at a wind speed of 7 m/s.
Table 2. The change in rotor speed at a given power at a wind speed of 7 m/s.
Rotor SpeedExcitation Frequency/HzActive Power (pu)Reactive Power (pu)Excitation Current (pu)Excitation Voltage (pu)Terminal Voltage/V
1693−6.44800.0410.3880.138574.5
1648−4.930.0140.0380.3850.105574.6
1598−3.2740.0230.0340.3820.069574.6
1502−0.0740.0560.0270.3780.023574.7
13973.4350.0820.0210.3790.073574.8
13016.6170.1010.0170.3830.141574.8
120010.010.1150.0130.3910.213574.8
109913.380.1230.0110.3990.285574.9
105114.950.1240.0110.4040.318574.9
Table 3. The change in rotor speed at a given power at a wind speed of 8 m/s.
Table 3. The change in rotor speed at a given power at a wind speed of 8 m/s.
Rotor SpeedExcitation Frequency/HzActive Power (pu)Reactive Power (pu)Excitation Current (pu)Excitation Voltage (pu)Terminal Voltage/V
1804−10.130.0550.2750.3770.215574.7
1701−6.960.09140.01870.3750.142574.8
1600−3.340.1230.01150.3780.708574.9
14990.030.1490.0060.3850.023574.9
13973.420.1690.0010.3970.073575
13066.470.1810.0010.4090.138575
12129.590.1870.0030.4220.204575
Table 4. The change in rotor speed at a given power at a wind speed of 9 m/s.
Table 4. The change in rotor speed at a given power at a wind speed of 9 m/s.
Rotor SpeedExcitation Frequency/HzActive Power (pu)Reactive Power (pu)Excitation Current (pu)Excitation Voltage (pu)Terminal Voltage/V
1800−10.010.1770.0010.3790.211575
1751−8.3610.1940.0040.3840.176575
1703−6.7590.2090.0070.390.142575.1
1651−5.0390.224−0.010.3980.105575.1
1603−3.4470.236−0.0130.4060.072575.1
1595−3.1690.238−0.0130.4080.066575.2
1551−1.7150.247−0.0150.4160.035575.2
1504−0.1320.255−0.0160.4250.002575.2
14511.6240.262−0.1770.4350.036575.2
14043.20.266−0.0190.4440.069575.2
1350five0.267−0.0190.4540.107575.2
Table 5. The change in rotor speed at a given power at a wind speed of 10 m/s.
Table 5. The change in rotor speed at a given power at a wind speed of 10 m/s.
Rotor SpeedExcitation Frequency/HzActive Power (pu)Reactive Power (pu)Excitation Current (pu)Excitation Voltage (pu)Terminal Voltage/V
1795−9.8450.321−0.0290.4250.206575.3
1755−8.490.3324−0.0310.43450.177575.4
1696−6.5340.346−0.0330.450.136575.4
1648−4.9230.355−0.0350.4620.102575.4
1604−3.4550.3612−0.0360.4730.071574.5
1555−1.8340.366−0.0370.4840.037574.5
150000.368−0.0370.4970.002575.4
Table 6. The change in rotor speed at a given power at a wind speed of 11 m/s.
Table 6. The change in rotor speed at a given power at a wind speed of 11 m/s.
Rotor SpeedExcitation Frequency/HzActive Power (pu)Reactive Power (pu)Excitation Current (pu)Excitation Voltage (pu)Terminal Voltage/V
1801−10.030.479−0.0540.5110.209575.6
1754−6.4640.484−0.0550.5250.176575.6
1696−6.540.489−0.0560.5420.135575.6
1650−50.491−0.0560.5540.103575.6
Table 7. The change in rotor speed at a given power at a wind speed of 12 m/s.
Table 7. The change in rotor speed at a given power at a wind speed of 12 m/s.
Rotor SpeedExcitation Frequency/HzActive Power (pu)Reactive Power (pu)Excitation Current (pu)Excitation Voltage (pu)Terminal Voltage/V
1800−100.639−0.0740.6250.207575.8
Publisher’s Note: MDPI stays neutral with regard to jurisdictional claims in published maps and institutional affiliations.

Share and Cite

MDPI and ACS Style

Yan, X.; Ma, T.; Cui, S.; Dong, Q.; Chang, W.; Li, R.; Li, T. Study on Improving Fault Stability of Doubly Fed Induction Wind Turbine by Using Active-Power Transient Frequency Characteristics. Energies 2022, 15, 2736. https://doi.org/10.3390/en15082736

AMA Style

Yan X, Ma T, Cui S, Dong Q, Chang W, Li R, Li T. Study on Improving Fault Stability of Doubly Fed Induction Wind Turbine by Using Active-Power Transient Frequency Characteristics. Energies. 2022; 15(8):2736. https://doi.org/10.3390/en15082736

Chicago/Turabian Style

Yan, Xiangwu, Tengyu Ma, Sen Cui, Qing Dong, Wenfei Chang, Ruibo Li, and Tiecheng Li. 2022. "Study on Improving Fault Stability of Doubly Fed Induction Wind Turbine by Using Active-Power Transient Frequency Characteristics" Energies 15, no. 8: 2736. https://doi.org/10.3390/en15082736

APA Style

Yan, X., Ma, T., Cui, S., Dong, Q., Chang, W., Li, R., & Li, T. (2022). Study on Improving Fault Stability of Doubly Fed Induction Wind Turbine by Using Active-Power Transient Frequency Characteristics. Energies, 15(8), 2736. https://doi.org/10.3390/en15082736

Note that from the first issue of 2016, this journal uses article numbers instead of page numbers. See further details here.

Article Metrics

Back to TopTop