Dual-Domain Maximum Power Tracking for Multi-Input RF Energy Harvesting with a Reconfigurable Rectifier Array
Abstract
:1. Introduction
- (1)
- Peak power conversion efficiency (PCE) of the RF-DC rectifier, which is defined as Pout,DC/Pin,RF, where Pin,RF is the received energy at the input of the rectifier and Pout,DC is the output power.
- (2)
- (3)
- High sensitivity, which is defined as the minimum input power to keep Vout = 1 V with a 1 MΩ loading.
2. System Architecture
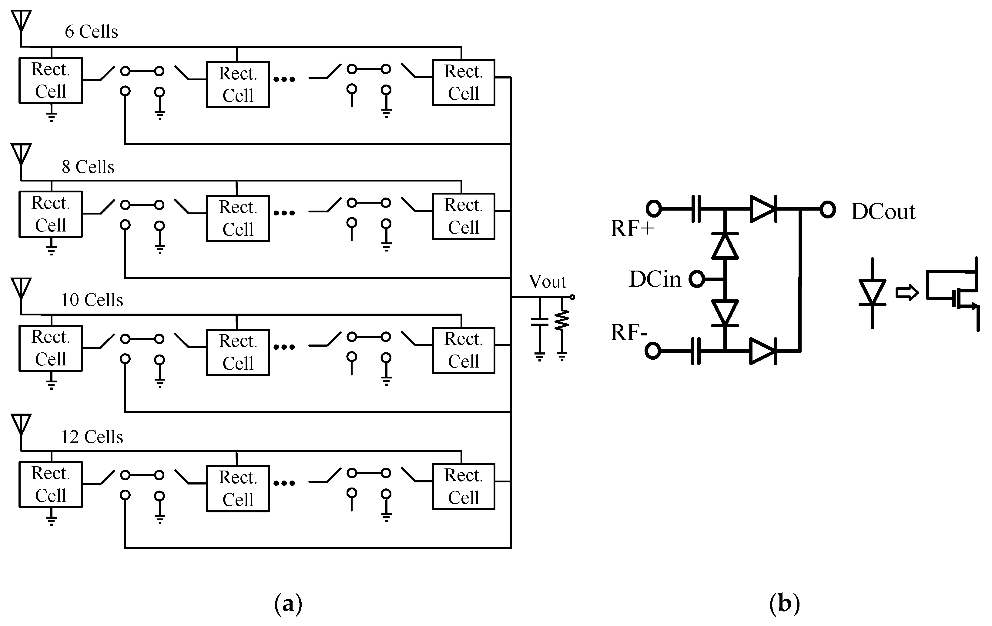
2.1. Multi-Input Reconfigurable Rectifier Array
2.2. Adaptive Impedance Matching (AIM) Network
2.3. Dual Domain MPPT
3. Measurement Results
4. Conclusions
Author Contributions
Funding
Acknowledgments
Conflicts of Interest
References
- Hu, Y.-J.; Chen, I.-C.; Tsai, T.-H. A piezoelectric vibration energy harvesting system with improved power extraction capability. In Proceedings of the 2016 IEEE Asian Solid-State Circuits Conference (A-SSCC), Toyama, Japan, 7–9 November 2016; pp. 305–308. [Google Scholar]
- Paul, S.; Honkote, V.; Kim, R.G.; Majumder, T.; Aseron, P.A.; Grossnickle, V.; Sankman, R.; Mallik, D.; Wang, T.; Vangal, S.; et al. A Sub-cm3 Energy-Harvesting Stacked Wireless Sensor Node Featuring a Near-Threshold Voltage IA-32 Microcontroller in 14-nm Tri-Gate CMOS for Always-ON Always-Sensing Applications. IEEE J. Solid-State Circuits 2017, 52, 961–971. [Google Scholar] [CrossRef]
- Martinez, B.; Montón, M.; Vilajosana, I.; Prades, J.D. The Power of Models: Modeling Power Consumption for IoT Devices. IEEE Sens. J. 2015, 15, 5777–5789. [Google Scholar] [CrossRef] [Green Version]
- Scheidl, A.; Pott, P.P. Energy Harvesting in and on the Human Body. In Proceedings of the ACTUATOR; International Conference and Exhibition on New Actuator Systems and Applications, Online Event, 17–19 February 2021. [Google Scholar]
- Schmidt, C.L.; Scott, E.R. Energy harvesting and implantable medical devices-first order selection criteria. In Proceedings of the 2011 International Electron Devices Meeting, Washington, DC, USA, 5–7 December 2011. [Google Scholar] [CrossRef]
- Bandyopadhyay, S.; Chandrakasan, A.P. Platform Architecture for Solar, Thermal, and Vibration Energy Combining with MPPT and Single Inductor. IEEE J. Solid-State Circuits 2012, 47, 2199–2215. [Google Scholar] [CrossRef]
- Shao, H.; Li, X.; Tsui, C.; Ki, W. A Novel Single-Inductor Dual-Input Dual-Output DC–DC Converter with PWM Control for Solar Energy Harvesting System. IEEE Trans. Very Large Scale Integr. (VLSI) Syst. 2014, 22, 1693–1704. [Google Scholar] [CrossRef]
- Lu, C.; Raghunathan, V.; Roy, K. Efficient Design of Micro-Scale Energy Harvesting Systems. IEEE J. Emerg. Sel. Top. Circuits Syst. 2011, 1, 254–266. [Google Scholar] [CrossRef]
- Raghunathan, V.; Chou, P.H. Design and power management of energy harvesting embedded systems. In Proceedings of the 2006 International Symposium on Low Power Electronics and Design, Tegernsee, Germany, 4–6 October 2006; pp. 369–374. [Google Scholar]
- Ruan, T.; Chew, Z.J.; Zhu, M. Energy-Aware Approaches for Energy Harvesting Powered Wireless Sensor Nodes. IEEE Sens. J. 2017, 17, 2165–2173. [Google Scholar] [CrossRef]
- Sanislav, T.; Mois, G.D.; Zeadally, S.; Folea, S.C. Energy Harvesting Techniques for Internet of Things (IoT). IEEE Access 2021, 9, 39530–39549. [Google Scholar] [CrossRef]
- Garg, N.; Garg, R. Energy harvesting in IoT devices: A survey. In Proceedings of the 2017 International Conference on Intelligent Sustainable Systems (ICISS), Palladam, India, 7–8 December 2017; pp. 127–131. [Google Scholar] [CrossRef]
- Panahi, F.H.; Moshirvaziri, S.; Mihemmedi, Y.; Panahi, F.H.; Ohtsuki, T. Smart Energy Harvesting for Internet of Things. In Proceedings of the 2018 Smart Grid Conference (SGC), Sanandaj, Iran, 28–29 November 2018. [Google Scholar] [CrossRef]
- Eltresy, N.A.; Dardeer, O.M.; Al-Habal, A.; Elhariri, E.; Hassan, A.H.; Khattab, A.; Elsheakh, D.N.; Taie, S.A.; Mostafa, H.; Elsadek, H.A.; et al. Energy Harvesting IoT System for Museum Ambience Control with Deep Learning. Sensors 2019, 19, 4465. [Google Scholar] [CrossRef] [PubMed] [Green Version]
- Colaiuda, D.; Ulisse, I.; Ferri, G. Rectifiers’ Design and Optimization for a Dual-Channel RF Energy Harvester. J. Low Power Electron. Appl. 2020, 10, 11. [Google Scholar] [CrossRef] [Green Version]
- Zeng, Z.; Shen, S.; Zhong, X.; Li, X.; Tsui, C.Y. Design of sub-gigahertz reconfigurable RF energy harvester from−22 to 4 dBm with 99.8% peak MPPT power efficiency. IEEE J. Solid-State Circuits 2019, 54, 2601–2613. [Google Scholar] [CrossRef]
- Wang, J.; Jiang, Y.; Dijkhuis, J.; Dolmans, G.; Gao, H.; Baltus, P. A 900 MHz RF energy harvesting system in 40 nm CMOS technology with efficiency peaking at 47% and higher than 30% over a 22dB wide input power range. In Proceedings of the 43rd European Solid-State Circuits Conference (ESSCIRC 2017), Leuven, Belgium, 11–14 September 2017. [Google Scholar]
- Ballo, A.; Grasso, A.D.; Palumbo, G. A review of charge pump topologies for the power management of IoT nodes. Electronics 2019, 8, 480. [Google Scholar] [CrossRef] [Green Version]
- Whittaker, K.; Rizkalla, M.; Ytterdal, T. A Low Power FinFET Charge Pump for Energy Harvesting Applications. In Proceedings of the 2020 IEEE 63rd International Midwest Symposium on Circuits and Systems (MWSCAS), Springfield, MA, USA, 9–12 August 2020; pp. 1048–1051. [Google Scholar] [CrossRef]
- Ballo, A.; Grasso, A.D.; Palumbo, G. Charge Pump Improvement for Energy Harvesting Applications by Node Pre-Charging. IEEE Trans. Circuits Syst. II Express Briefs 2020, 67, 3312–3316. [Google Scholar] [CrossRef]
- Giuseppe, P.; Carrara, F.; Palmisano, G. A 90-nm CMOS threshold-compensated RF energy harvester. IEEE J. Solid-State Circuits 2011, 46, 1985–1997. [Google Scholar]
- Liu, Z.; Hsu, Y.P.; Fahs, B.; Hella, M.M. An RF-DC Converter IC with On-Chip Adaptive Impedance Matching and 30μW Peak Output Power for Health Monitoring Applications. IEEE Trans. Very Large Scale Integr. (VLSI) Syst. 2018, 26, 1565–1574. [Google Scholar] [CrossRef]
- Xu, P.; Flandre, D.; Bol, D. Analysis, modeling, and design of a 2.45-GHz RF energy harvester for SWIPT IoT smart sensors. IEEE J. Solid-State Circuits 2019, 54, 2717–2729. [Google Scholar] [CrossRef]
- Ouda, M.H.; Khalil, W.; Salama, K.N. Self-biased differential rectifier with enhanced dynamic range for wireless powering. IEEE Trans. Circuits Syst. II Express Briefs 2016, 64, 515–519. [Google Scholar] [CrossRef]
- Almansouri, A.S.; Ouda, M.H.; Salama, K.N. A CMOS RF-to-DC power converter with 86% efficiency and−19.2-dBm sensitivity. IEEE Trans. Microw. Theory Tech. 2018, 66, 2409–2415. [Google Scholar] [CrossRef] [Green Version]
- Abouzied, M.A.; Ravichandran, K.; Sánchez-Sinencio, E. A fully integrated reconfigurable self-startup RF energy-harvesting system with storage capability. IEEE J. Solid-State Circuits 2016, 52, 704–719. [Google Scholar] [CrossRef]
- Lee, D.J.; Lee, S.J.; Hwang, I.J.; Lee, W.S.; Yu, J.W. Hybrid power combining rectenna array for wide incident angle coverage in RF energy transfer. IEEE Trans. Microw. Theory Tech. 2017, 65, 3409–3418. [Google Scholar] [CrossRef]













| # of Rectifiers | Configurations (# of Stages) | Rout |
|---|---|---|
| 12 | 12-6-4-3-2 | 12RSTG ~ RSTG/6 |
| 10 | 10-5-2 | 10RSTG ~ RSTG/5 |
| 8 | 8-4-2 | 8RSTG ~ RSTG/4 |
| 6 | 6-3-2 | 6RSTG ~ RSTG/3 |
| ESSCIRC’17 [17] | TVLSI’18 [22] | JSSC’17 [26] | JSSC’19 [16] | This Work | |
|---|---|---|---|---|---|
| Freq. (MHz) | 900 | 915 | 915 | 915 | 433 |
| Tech. (nm) | 40 | 130 | 180 | 180 | 180 |
| Input channel | 1 | 1 | 1 | 1 | 4 |
| Stage number | 1 | 3 | 1–2–4–8 | 2–3–4–6–12 | 6–8–10–12 |
| Vout | <2.45 v | 0.2–2.2 | >1 v | 0.4–2.2 | 0.2–2.2 |
| System requirement | off chip balun and inductors | off chip balun and inductors | looked-up table | external voltage source | off chip balun and inductors |
| Sensitivity (1V@1M ohm) | −15 dBm | −12.3 dBm | −14.8 dBm | −17.8 dBm | −13.6 dBm |
| Matching network | off chip and tunable | on chip and tunable | on chip and tunable | off chip | on chip and tunable |
| MPPT duration | X | 0.69 μs | always on | 60 μs | 22 μs |
| Peak efficiency | 66% @0 dBm | 19.3% @−4 dBm | 25% @0 dBm | 34.4% @1.3 dBm | 49.06% @−6 dBm |
| High PCE range (>20%) | N/A | N/A | 10 dB | 13 dB | 21 dB |
| Die area (mm2) | N/A | 0.17 | 1.08 | 0.4 | 0.24 |
| RF signal cycles | X | 631 | X | 54,900 | 9526 |
| RF signal cycles = input RF signal × MPPT duration | |||||
Publisher’s Note: MDPI stays neutral with regard to jurisdictional claims in published maps and institutional affiliations. |
© 2022 by the authors. Licensee MDPI, Basel, Switzerland. This article is an open access article distributed under the terms and conditions of the Creative Commons Attribution (CC BY) license (https://creativecommons.org/licenses/by/4.0/).
Share and Cite
Chen, M.-C.; Sun, T.-W.; Tsai, T.-H. Dual-Domain Maximum Power Tracking for Multi-Input RF Energy Harvesting with a Reconfigurable Rectifier Array. Energies 2022, 15, 2068. https://doi.org/10.3390/en15062068
Chen M-C, Sun T-W, Tsai T-H. Dual-Domain Maximum Power Tracking for Multi-Input RF Energy Harvesting with a Reconfigurable Rectifier Array. Energies. 2022; 15(6):2068. https://doi.org/10.3390/en15062068
Chicago/Turabian StyleChen, Mu-Chun, Tsung-Wen Sun, and Tsung-Heng Tsai. 2022. "Dual-Domain Maximum Power Tracking for Multi-Input RF Energy Harvesting with a Reconfigurable Rectifier Array" Energies 15, no. 6: 2068. https://doi.org/10.3390/en15062068
APA StyleChen, M.-C., Sun, T.-W., & Tsai, T.-H. (2022). Dual-Domain Maximum Power Tracking for Multi-Input RF Energy Harvesting with a Reconfigurable Rectifier Array. Energies, 15(6), 2068. https://doi.org/10.3390/en15062068

