Green Solution for Insulation System of a Medium Frequency High Voltage Transformer for an Offshore Wind Farm
Abstract
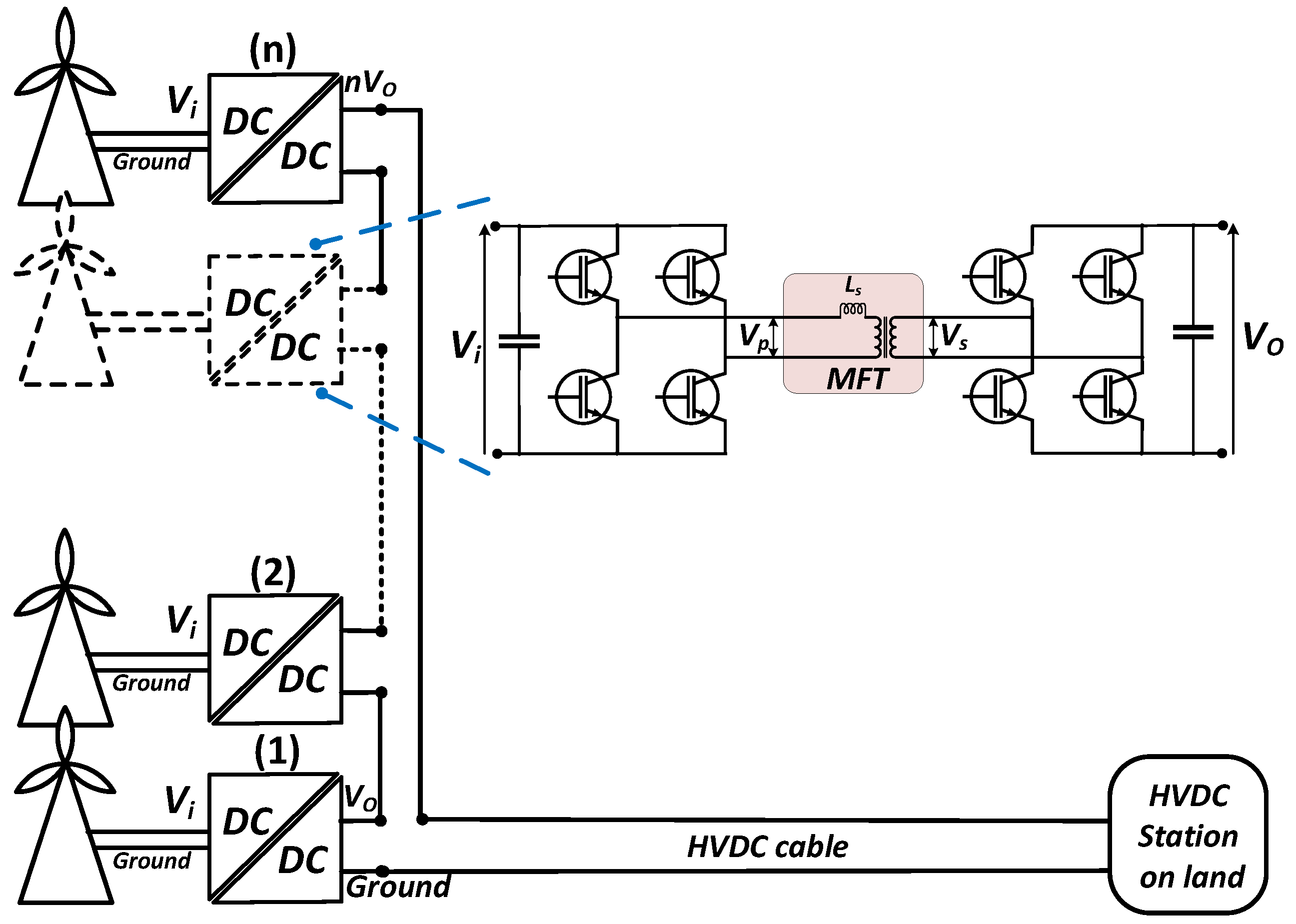
:1. Introduction
2. Overview of the Design of the Mineral-Oil-Based HVDC Medium Frequency Transformer
2.1. Design Method Development and Verification
2.2. A Real Scale 10 MW HVDC MFT
2.3. Insulation System Behaviour under DC Stress
3. Conductivity Measurement
4. FEM Simulation
4.1. Initial Stress Distribution
4.2. Final Stress Distribution
4.3. Transient Stress Distribution
4.4. Dielctirc Design Evaluation
4.4.1. The Maximum Stress in OIP
4.4.2. The Safety Factors in Oil Gaps
4.4.3. The Safety Factors in Creepage Surfaces
4.4.4. The Safety Factors in the Combined Oil Gaps and Creepage Surfaces
4.4.5. The Automatic Dielectric Evaluation
5. Discussion
- The measured conductivity of the oil/OIP insulation materials are temperature and electric stress dependent. This fact is considered in the FEM simulations adopted for finding the insulation withstand level of the transformer design.
- The conductivity values of the ester oil/OIP are generally higher than the mineral oil/OIP, which causes lower time constants for ester oil/OIP and consequently faster convergence to the steady state condition (shorter transient phase) by using ester oil.
- For both ester and mineral oils, the lower the operational temperature, the lower the conductivity values. As a result, the transient state is longer at low temperatures.
- The temperature dependency of ester oil/OIP conductivities are lower, which causes the transformer to be less sensitive to temperature variations during energization or variable loading conditions. As a result, the transformer filled with mineral oil behaves completely different at 90 °C compared to lower temperatures.
- For a successful insulation design, it is insufficient to check the stress distribution only during the initial and steady state conditions, but also during the transient state when instantaneous maximums in the field strength may occur.
- By using ester oil, the stress in the OIP at steady state condition is at the same level as for a similar transformer filled with mineral oil. Similarly, the minimum SFs at the oil gaps, creepage paths as well as the combined paths are almost at the same order for both ester and mineral oils applications.
- The introduced combined method for safety factor calculation can be used effectively in a transformer insulation design evaluation. The SF value of an insulation design discovered by this method is equal or lower than the minimum of the SF values found by conventional methods on the independent oil gaps and creepage paths. Therefore, the new proposed method can be considered as a conservative method for insulation design evaluation.
6. Conclusions
Author Contributions
Funding
Acknowledgments
Conflicts of Interest
Abbreviations
| HVDC | High Voltage Direct Current | 
| MFT | Medium Frequency Transformer | 
| OIP | Oil Impregnated Pressboard | 
| DAB | Dual Active Bridge | 
| LCC | Life Cycle Cost | 
| LMW | Linear Maxwell–Wagner | 
| NLMW | Non-Linear Maxwell–Wagner | 
| FEA | Finite Element Analysis | 
| FEM | Finite Element Method | 
| CR | Conductivity Ratio | 
References
- IEA. Offshore Wind Outlook 2019. Available online: https://www.iea.org/reports/offshore-wind-outlook-2019 (accessed on 20 November 2021).
- U.S. Department of Energy. Independent Statistics & Analysis. Assessing HVDC Transmission for Impacts of Non-Dispatchable Generation. June 2018. Available online: https://www.eia.gov/analysis/studies/electricity/hvdctransmission/pdf/transmission.pdf (accessed on 20 November 2021).
- Lundberg, S. Wind Farm Configuration and Energy Efficiency Studies—Series DC versus AC Layouts. Ph.D. Thesis, Chalmers University of Technology, Göteborg, Sweden, 2006. [Google Scholar]
- Guillén Sentís, O. Feasibility of Sea Based Wind Park. Master’s Thesis, Chalmers University of Technology, Göteborg, Sweden, 2020. Available online: https://hdl.handle.net/20.500.12380/301473 (accessed on 20 November 2021).
- Kharezy, M.; Mirzaei, H.R.; Serdyuk, Y.; Thiringer, T.; Eslamian, M. A Novel Oil-Immersed Medium Frequency Transformer for Offshore HVDC Wind Farms. IEEE Trans. Power Deliv. 2021, 36, 3185–3195. [Google Scholar] [CrossRef]
- Bahmani, M.A.; Thiringer, T.; Kharezy, M. Optimization and experimental validation of medium-frequency high power transformers in solid-state transformer applications. In Proceedings of the IEEE Applied Power Electronics Conference and Exposition APEC ’16, Long Beach, CA, USA, 20–24 March 2016; pp. 3043–3050. [Google Scholar]
- Kharezy, M.; Thiringer, T. Challenges with the design of cost-effective series DC collection network for offshore windfarm. In Proceedings of the 17th Wind Integration Workshop on Large Scale Integration of Wind Power into Power Systems as well as on Transmission Networks for Offshore Wind Power Plants, Stockholm, Sweden, 17 October 2018. [Google Scholar]
- Kharezy, M.; Eslamian, M.; Thiringer, T. Insulation Design of a Medium Frequency Power Transformer for a Cost-Effective Series High Voltage DC Collection Network of an Offshore Wind Farm. In Proceedings of the 21st International Symposium on High Voltage Engineering ISH ’19, Budapest, Hungary, 26–30 August 2019; pp. 1406–1417. [Google Scholar]
- Fritsche, K.L.R.; Trautmann, F.; Hammer, T. Transformers for High Voltage Direct Current Transmission—Challenge, Technology and Development. 2016. Available online: https://www.researchgate.net/publication/315657537 (accessed on 8 March 2022). (In German).
- Mohan Rao, U.; Fofana, I.; Jaya, T.; Rodriguez-Celis, E.M.; Jalbert, J.; Picher, P. Alternative Dielectric Fluids for Transformer Insulation System: Progress, Challenges, and Future Prospects. IEEE Access 2019, 7, 184552–184571. [Google Scholar] [CrossRef]
- Rozga, P.; Beroual, A.; Przybylek, P.; Jaroszewski, M.; Strzelecki, K. A Review on Synthetic Ester Liquids for Transformer Applications. Energies 2020, 13, 6429. [Google Scholar] [CrossRef]
- Cigré Technical Brochure 646, HVDC Transformer Insulation: Oil Conductivity. Electra ELT_285_3. 2016. Available online: https://e-cigre.org/publication/ELT_285_3-hvdc-transformer-insulation-oil-conductivity (accessed on 17 December 2021).
- Aakre, T.G.; Ve, T.A.; Hestad, Ø.L. Conductivity and Permittivity of Midel 7131: Effect of Temperature, Moisture Content, Hydrostatic Pressure and Electric Field. IEEE Trans. Dielectr. Electr. Insul. 2016, 23, 2957–2964. [Google Scholar] [CrossRef]
- Rumpelt, P.; Jenau, F. Investigation on DC conductivity of alternative insulating oils as an application for HVDC converter transformers. In Proceedings of the IEEE 19th International Conference on Dielectric Liquids ICDL ’17, Manchester, UK, 25–29 June 2017; pp. P.1–P.10. [Google Scholar]
- Rumpelt, P.; Jenau, F. Oil Impregnated Pressboard Barrier Systems Based on Ester Fluids for an Application in HVDC Insulation Systems. Energies 2017, 10, 2147. Available online: https://www.mdpi.com/1996-1073/10/12/2147#cite (accessed on 17 December 2021). [CrossRef] [Green Version]
- Kharezy, M.; Mirzaei, H.R.; Rastamo, J.; Svensson, M.; Serdyuk, Y.; Thiringer, T. Performance of Insulation of DC/DC Converter Transformer for Offshore Wind Power Applications. In Proceedings of the Conference on Electrical Insulation and Dielectric Phenomena CEIDP ‘20, Virtual, East Rutherford, NJ, USA, 18–30 October 2020; pp. 382–385. [Google Scholar]
- Bahmani, M.A.; Thiringer, T.; Kharezy, M. Design Methodology and Optimization of a Medium-Frequency Transformer for High-Power DC-DC Applications. IEEE Trans. Ind. Appl. 2016, 52, 4225–4233. [Google Scholar] [CrossRef]
- Mogorovic, M.; Dujic, D. Sensitivity Analysis of Medium-Frequency Transformer Designs for Solid-State Transformers. IEEE Trans. Power Electron. 2019, 34, 8356–8367. [Google Scholar] [CrossRef]
- Agheb, E.; Bahmani, M.A.; Høidalen, H.K.; Thiringer, T. Core loss behavior in high frequency high power transformers—II: Arbitrary excitation. J. Renew. Sustain. Energy 2012, 4, 033113. [Google Scholar] [CrossRef]
- Kharezy, M.; Eslamian, M.; Thiringer, T. Estimation of the winding losses of Medium Frequency Transformers with Litz wire using an equivalent permeability and conductivity method. In Proceedings of the 22nd European Conference on Power Electronics and Applications EPE ’20 ECCE Europe, Virtual, Lyon, France, 7–11 September 2020; pp. P.1–P.7. [Google Scholar]
- Bahmani, M.A.; Thiringer, T. Accurate Evaluation of Leakage Inductance in High Frequency Transformers Using an Improved Frequency-Dependent Expression. IEEE Trans. Power Electron. 2015, 30, 5738–5745. [Google Scholar] [CrossRef]
- Eslamian, M.; Kharezy, M.; Thiringer, T. Calculation of the Leakage Inductance of Medium Frequency Transformers with Rectangular-Shaped Windings using an Accurate Analytical Method. In Proceedings of the 21st European Conference on Power Electronics and Applications EPE ’19 ECCE Europe, Genova, Italy, 2–5 September 2019; pp. P.1–P.10. [Google Scholar]
- Kulkarni, S.V.; Khaparde, S.A. Transformer Engineering Design, Technology, and Diagnostics; CRC Press, Taylor & Francis Group: Boca Raton, FL, USA, 2017. [Google Scholar]
- Eslamian, M.; Kharezy, M.; Thiringer, T. An Accurate Method for Leakage Inductance Calculation of Shell-Type Multi Core-Segment Transformers with Circular Windings. IEEE Access 2021, 9, 111417–111431. [Google Scholar] [CrossRef]
- Moser, H.P. Transformerboard; Weidmann AG: Rapperswil, Switzerland, 1979. [Google Scholar]
- Yea, M.; Han, K.J.; Park, J.; Lee, S.; Choi, J. Design optimization for the insulation of HVDC converter transformers under composite electric stresses. IEEE Trans. Dielectr. Electr. Insul. 2018, 25, 253–262. [Google Scholar] [CrossRef]
- Okubo, H. HVDC electrical insulation performance in oil/pressboard composite insulation system based on Kerr electro-optic field measurement and electric field analysis. IEEE Trans. Dielectr. Electr. Insul. 2018, 25, 1785–1797. [Google Scholar] [CrossRef]
- Okubo, H.; Sakai, T.; Furuyashiki, T.; Takabayashi, K.; Kato, K. HVDC electric field control by pressboard arrangement in oil-pressboard composite electrical insulation systems. In Proceedings of the IEEE Conference on Electrical Insulation and Dielectric Phenomena CEIDP ’16, Toronto, ON, Canada, 16–19 October 2016. [Google Scholar]
- Hao, M.; Zhou, Y.; Chen, G.; Wilson, G.; Jarman, P. Space charge behavior in oil gap and impregnated pressboard combined system under HVDC stresses. IEEE Trans. Dielectr. Electr. Insul. 2016, 23, 848–858. [Google Scholar] [CrossRef]
- Schober, F.; Küchler, A.; Liebschner, M.; Berger, F.; Exner, W.; Krause, C.; Fritsche, R.; Wimmer, R. Dielectric Behavior of HVDC Insulating Materials, Polarization and Conduction Processes in Mineral Oil and in Pressboard Impregnated with Different Fluids. In Proceedings of the 19th International Symposium on High Voltage Engineering ISH ’15, Pilsen, Czech Republic, 23–28 August 2015. [Google Scholar]
- Vahidi, F.; Tenbohlen, S.; Rösner, M.; Perrier, C.; Fink, H. The investigation of the temperature and electric field dependency of mineral oil electrical conductivity. In Proceedings of the ETG Power Engineering Society Symposium, Dresden, Germany, 12 November 2013. [Google Scholar]
- Vahidi, F.; Tenbohlen, S.; Rösner, M.; Perrier, C.; Fink, H. Influence of electrode material on conductivity measurements under DC stresses. In Proceedings of the IEEE International Conference on Dielectric Liquids ICDL ’14, Bled, Slovenia, 29 June–3 July 2014. [Google Scholar]
- Jeroense, M.J.P.; Kreuger, F.H. Electrical conduction in HVDC mass-impregnated paper cable. IEEE Trans. Dielectr. Electr. Insul. 1995, 2, 718–723. [Google Scholar] [CrossRef]
- Schober, F.; Harrer, S.; Küchler, A.; Berger, F.; Exner, W.; Krause, C. Transient and steady-state dc behavior of oil-impregnated pressboard. IEEE Electr. Insul. Mag. 2016, 32, 8–14. [Google Scholar] [CrossRef]
- Kato, K.; Okubo, H.; Endo, F.; Yamagishi, A.; Miyagi, K. Investigation of charge behavior in low viscosity silicone liquid by Kerr electro-optic field measurement. IEEE Trans. Dielectr. Electr. Insul. 2010, 17, 1214–1220. [Google Scholar] [CrossRef] [Green Version]
- Küchler, A. Condition Assessment of Aged transformer Bushing Insulation. Sess. Pap. Cigré Study Com. A2 2006, A2-104, P.1–P.10. [Google Scholar]
- Dolata, B.; Borsi, H.; Gokenbach, E. Comparison of Electric and Dielectric properties of Ester Fluids with Mineral based Transformer oil. In Proceedings of the 15th International Symposium on High Voltage Engineering (ISH), Ljubljana, Slovenia, 27–31 August 2007. [Google Scholar]
















| 1 kV/mm | 3 kV/mm | 6 kV/mm | 12 kV/mm | ||
|---|---|---|---|---|---|
| Mineral Oil | 30 °C | 5.0 × 10−14 | 3.9 × 10−14 | 5.8 × 10−14 | - | 
| 50 °C | 1.2 × 10−13 | 9.5 × 10−14 | 1.1 × 10−13 | - | |
| 90 °C | 5.2 × 10−13 | 4.6 × 10−13 | 3.9 × 10−13 | - | |
| Mineral OIP | 30 °C | 1.7 × 10−16 | 2.2 × 10−16 | 2.7 × 10−16 | 4.0 × 10−16 | 
| 50 °C | 2.6 × 10−15 | 3.3 × 10−15 | 4.0 × 10−15 | 5.8 × 10−15 | |
| 90 °C | 2.6 × 10−13 | 3.0 × 10−13 | 3.8 × 10−13 | 5.1 × 10−13 | |
| CR | 30 °C | 294 | 177 | 215 | - | 
| 50 °C | 46 | 29 | 27 | - | |
| 90 °C | 2 | 1.5 | 1 | - | 
| 1 kV/mm | 3 kV/mm | 6 kV/mm | 12 kV/mm | ||
|---|---|---|---|---|---|
| Ester Oil | 30 °C | 1.4 × 10−11 | 1.0 × 10−11 | 0.8 × 10−11 | - | 
| 50 °C | 5.0 × 10−11 | 3.6 × 10−11 | 3.2 × 10−11 | - | |
| 90 °C | 2.9 × 10−10 | 2.3 × 10−10 | 2.3 × 10−10 | - | |
| Ester OIP | 30 °C | 6.1 × 10−13 | 6.9 × 10−13 | 4.9 × 10−13 | 3.4 × 10−13 | 
| 50 °C | 2.0 × 10−12 | 2.2 × 10−12 | 1.6 × 10−12 | 1.2 × 10−12 | |
| 90 °C | 1.4 × 10−11 | 1.5 × 10−11 | 1.2 × 10−11 | 1.1 × 10−11 | |
| CR | 30 °C | 23 | 15 | 16 | - | 
| 50 °C | 25 | 16 | 20 | - | |
| 90 °C | 21 | 15 | 19 | - | 
| Temp. (°C) | Max. Stress in OIPs (kV/mm) | Time (s) | Min. SF in Oil Gaps | Time (s) | Min. SF at Creepage Surfaces | Time (s) | Min. SF at Combined Paths | Time (s) | |
|---|---|---|---|---|---|---|---|---|---|
| mineral oil | 30 | 17.5 | 4467 | 1.5 | 1 | 2.4 | 2239 | 1.5 | 1 | 
| 50 | 16.2 | 1778 | 1.5 | 1 | 2.4 | 891 | 1.5 | 1 | |
| 90 | 8.3 | 398 | 1.5 | 1 | 2.5 | 158 | 1.5 | 1 | |
| ester oil | 30 | 17.7 | 28 | 1.7 | 1 | 2.3 | 12.6 | 1.6 | 1 | 
| 50 | 17.7 | 8 | 1.7 | 1 | 2.4 | 4 | 1.6 | 1 | |
| 90 | 17.3 | 2 | 1.8 | 1 | 2.5 | 1.4 | 1.7 | 1 | 
| Publisher’s Note: MDPI stays neutral with regard to jurisdictional claims in published maps and institutional affiliations. | 
© 2022 by the authors. Licensee MDPI, Basel, Switzerland. This article is an open access article distributed under the terms and conditions of the Creative Commons Attribution (CC BY) license (https://creativecommons.org/licenses/by/4.0/).
Share and Cite
Kharezy, M.; Mirzaei, H.R.; Thiringer, T.; Serdyuk, Y.V. Green Solution for Insulation System of a Medium Frequency High Voltage Transformer for an Offshore Wind Farm. Energies 2022, 15, 1998. https://doi.org/10.3390/en15061998
Kharezy M, Mirzaei HR, Thiringer T, Serdyuk YV. Green Solution for Insulation System of a Medium Frequency High Voltage Transformer for an Offshore Wind Farm. Energies. 2022; 15(6):1998. https://doi.org/10.3390/en15061998
Chicago/Turabian StyleKharezy, Mohammad, Hassan Reza Mirzaei, Torbjörn Thiringer, and Yuriy V. Serdyuk. 2022. "Green Solution for Insulation System of a Medium Frequency High Voltage Transformer for an Offshore Wind Farm" Energies 15, no. 6: 1998. https://doi.org/10.3390/en15061998
APA StyleKharezy, M., Mirzaei, H. R., Thiringer, T., & Serdyuk, Y. V. (2022). Green Solution for Insulation System of a Medium Frequency High Voltage Transformer for an Offshore Wind Farm. Energies, 15(6), 1998. https://doi.org/10.3390/en15061998
 
         
                                                



 
       