Optimal Placement of Renewable Energy Generators Using Grid-Oriented Genetic Algorithm for Loss Reduction and Flexibility Improvement
Abstract
:1. Introduction
- This paper introduces a grid-oriented genetic algorithm (GOGA) which uses a hybrid combination of a genetic algorithm (GA) and analytical power flow solution equations for optimal placement of REG units in practical transmission networks for loss reduction and flexibility improvement.
- Due to the wide margin of REG units, the GA has a slow convergence speed and may not lead to an accurate solution. The GOGA uses a combination of a GA and analytical methods, which ensures high convergence speed and high accuracy of solutions. The use of analytical formulations only, which are complex and nonlinear in nature, would not give an accurate solution for the placement of REG units because discrete parameters are used. Hence, the combination of a heuristic method (GA) with an analytical method will improve the performance of the GOGA.
- The proposed GOGA effectively decided the optimal sizing and placement of REG units and improved the flexibility of the power network.
- A linear fit mathematical model is designed for load forecasting corresponding to the projected years, considering the practical data recorded for four consecutive years.
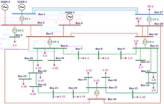
- A study is performed on a part of the RVPN transmission network for the base year (2021) and the projected year (2031).
- A cost–benefit analysis is performed, and it is established that the proposed GOGA provides a financially viable solution with improved flexibility.
- The performance of GOGA is superior compared to a conventional GA-based algorithm.
2. Description of Practical Utility Network Used for Study
3. Load Projection
4. Proposed Method
4.1. Formulation of Objective Function
4.2. Optimal Sizing of REGs
4.3. GOGA for Optimal Allocation of REG Units
- A set of chromosomes is randomly produced, which indicates the possible solutions for REG location. The form of the chromosomes considered in the study is shown in Figure 4.
- A number is allocated to every chromosome with respect to its fitness, to find a possible solution. This indicates the number determined by the fitness function, which will be optimized by the GOGA.
- To compute the fitness function corresponding to a chromosome, the network loss is computed using Equation (3), and the optimal power generation of the REG units computed in Section 4.2 is considered.
- A power flow run is performed, and the system losses are computed using Equation (2) and assigned to a chromosome as a fitness value. The GOGA searches for the lowest value of the fitness function by changing the location of the REG units. The lower boundary of the fitness function is zero, and an upper boundary is not required because the objective is to reduce the loss. However, the actual system losses without placement of REG units are considered as the upper-boundary values. These losses were 62.185 MW and 139.224 MW for the base year without REG placement, in the base year (2021) and the projected year (2031).
- The GOGA selects some chromosomes for crossover, mutation, and replacement operators using selection operators, with respect to the fitness of the chromosomes. These operators generate a new chromosome, and the process is repeated until the stop condition is satisfied. A schematic diagram of the GOGA optimization approach for optimal placement and sizing of REG units is depicted in Figure 5.
4.4. Computation of Flexibility
5. Simulation Results and Discussion
5.1. Losses in the Network
5.2. Computation of Flexibility
6. Cost–Benefit Analysis
7. Performance Comparison Study
8. Conclusions
Author Contributions
Funding
Institutional Review Board Statement
Informed Consent Statement
Conflicts of Interest
Abbreviations
| ACSR | Aluminium conductor steel reinforced |
| CTU | Central transmission utility |
| D/C | Double circuit |
| DR | Demand response |
| DG | Distributed generator |
| ESS | Energy storage systems |
| EV | Electric vehicles |
| FI | Flexibility index |
| GA | Genetic algorithm |
| GEP | Generation expansion planning |
| GOGA | Grid-oriented genetic algorithm |
| GSS | Grid sub-station |
| HVDC | High-voltage direct current |
| IEEE | Institute of Electrical and Electronics Engineers |
| INR | Indian rupees |
| IRRE | Insufficient ramping resource expectation |
| LCC | Line commutated converter |
| NR | Newton–Raphson |
| NRPF | Newton–Raphson power flow |
| PBP | Payback period |
| PL | Projected load |
| PQ | Power quality |
| PSF | Power system flexibility |
| PSO | Particle swarm optimization |
| RALG | Rate of annual load growth |
| RE | Renewable energy |
| REG | Renewable energy generator |
| RMSE | Mean square error |
| RVPN | Rajasthan Rajya Vidyut Prasaran Nigam Ltd. |
| S/C | Single circuit |
| SSE | Sum of squared estimate of error |
| STU | State Transmission Utility |
| TEP | Transmission expansion planning |
| UGEN | Utility generator |
| UL | Utility load |
References
- Abudu, K.; Igie, U.; Roumeliotis, I.; Hamilton, R. Impact of gas turbine flexibility improvements on combined cycle gas turbine performance. Appl. Therm. Eng. 2021, 189, 116703. [Google Scholar] [CrossRef]
- Yang, B.; Wang, J.; Chen, Y.; Li, D.; Zeng, C.; Chen, Y.; Guo, Z.; Shu, H.; Zhang, X.; Yu, T.; et al. Optimal sizing and placement of energy storage system in power grids: A state-of-the-art one-stop handbook. J. Energy Storage 2020, 32, 101814. [Google Scholar] [CrossRef]
- Abdelaziz, A.Y.; Hegazy, Y.G.; El-Khattam, W.; Othman, M.M. A Multiobjective Optimization for Sizing and Placement of Voltage Controlled Distributed Generation Using Supervised Big Bang Big Crunch Method. Electr. Power Compon. Syst. J. 2015, 43, 105–117. [Google Scholar] [CrossRef]
- Othman, M.M.; Hegazy, Y.G.; Abdelaziz, A.Y. Electrical Energy Management in Unbalanced Distribution Networks using Virtual Power Plant Concept. Electr. Power Syst. Res. 2017, 145, 157–165. [Google Scholar] [CrossRef]
- Shaheen, A.M.; Elsayed, A.M.; El-Sehiemy, R.A.; Abdelaziz, A.Y. Equilibrium Optimization Algorithm for Network Reconfiguration and Distributed Generation Allocation in Power Systems. Appl. Soft Comput. J. 2021, 98, 106867. [Google Scholar] [CrossRef]
- Lannoye, E.; Flynn, D.; O’Malley, M. Evaluation of Power System Flexibility. IEEE Trans. Power Syst. 2012, 27, 922–931. [Google Scholar] [CrossRef]
- Zongo, O.A.; Oonsivilai, A. Optimal placement of distributed generator for power loss minimization and voltage stability improvement. Energy Procedia 2017, 138, 134–139. [Google Scholar] [CrossRef]
- Lannoye, E.; Flynn, D.; O’Malley, M. Transmission, Variable Generation, and Power System Flexibility. IEEE Trans. Power Syst. 2015, 30, 57–66. [Google Scholar] [CrossRef]
- Shrimali, G. Managing power system flexibility in India via coal plants. Energy Policy 2021, 150, 112061. [Google Scholar] [CrossRef]
- Das, C.K.; Bass, O.; Kothapalli, G.; Mahmoud, T.S.; Habibi, D. Optimal placement of distributed energy storage systems in distribution networks using artificial bee colony algorithm. Appl. Energy 2018, 232, 212–228. [Google Scholar] [CrossRef]
- Zhao, H.; Jiang, P.; Chen, Z.; Ezeh, C.I.; Hong, Y.; Guo, Y.; Zheng, C.; Džapo, H.; Gao, X.; Wu, T. Improvement of fuel sources and energy products flexibility in coal power plants via energy-cyber-physical-systems approach. Appl. Energy 2019, 254, 113554. [Google Scholar] [CrossRef]
- Maeder, M.; Weiss, O.; Boulouchos, K. Assessing the need for flexibility technologies in decarbonized power systems: A new model applied to Central Europe. Appl. Energy 2021, 282, 116050. [Google Scholar] [CrossRef]
- Kopiske, J.; Spieker, S.; Tsatsaronis, G. Value of power plant flexibility in power systems with high shares of variable renewables: A scenario outlook for Germany 2035. Energy 2017, 137, 823–833. [Google Scholar] [CrossRef]
- Guo, Z.; Zheng, Y.; Li, G. Power system flexibility quantitative evaluation based on improved universal generating function method: A case study of Zhangjiakou. Energy 2020, 205, 117963. [Google Scholar] [CrossRef]
- Chen, J.; Qi, B.; Rong, Z.; Peng, K.; Zhao, Y.; Zhang, X. Multi-energy coordinated microgrid scheduling with integrated demand response for flexibility improvement. Energy 2021, 217, 119387. [Google Scholar] [CrossRef]
- Feng, J.; Yang, J.; Wang, H.; Wang, K.; Ji, H.; Yuan, J.; Ma, Y. Flexible optimal scheduling of power system based on renewable energy and electric vehicles. In Proceedings of the 2021 8th International Conference on Power and Energy Systems Engineering (CPESE 2021), Fukuoka, Japan, 10–12 September 2021. [Google Scholar]
- Xu, J.; Ma, Y.; Li, K.; Li, Z. Unit commitment of power system with large-scale wind power considering multi time scale flexibility contribution of demand response. In Proceedings of the 2021 International Conference on Energy Engineering and Power Systems (EEPS2021), Hangzhou, China, 20–22 August 2021. [Google Scholar]
- Zhang, H.; Shen, J.; Wang, G. Day-ahead stochastic optimal dispatch of LCC-HVDC interconnected power system considering flexibility improvement measures of sending system. Int. J. Electr. Power Energy Syst. 2022, 138, 107937. [Google Scholar] [CrossRef]
- RVPN. Rajasthan Rajya Vidyut Prasaran Nigam Limited. 2021. Available online: https://energy.rajasthan.gov.in/content/raj/energy-department/rajasthan-rajya-vidyut-prasaran-limited/en/home.html## (accessed on 20 November 2021).
- Ola, S.R.; Saraswat, A.; Goyal, S.K.; Jhajharia, S.; Rathore, B.; Mahela, O.P. Wigner distribution function and alienation coefficient-based transmission line protection scheme. IET Gener. Transm. Distrib. 2020, 14, 1842–1853. [Google Scholar] [CrossRef]
- Rajasthan Renewable Energy Corporation. Available online: https://energy.rajasthan.gov.in/content/raj/energy-department/rrecl/en/home.html# (accessed on 26 February 2022).
- CEA. Central Electricity Authority. Transmission Planning Criteria. 2021. Available online: https://cea.nic.in/transmission-planning-criteria/?lang=en (accessed on 20 November 2021).
- Axelsson, O. A generalized conjugate gradient, least square method. Numer. Math. 1987, 51, 209–227. [Google Scholar] [CrossRef]
- Chen, G.; Ren, Z.L.; Sun, H.Z. Curve fitting in least-square method and its realization with Matlab. Ordnance Ind. Autom. 2005, 3, 063. [Google Scholar]
- Stevenson, W., Jr.; Grainger, J. Power System Analysis; McGraw-Hill Education: New York, NY, USA, 1994. [Google Scholar]
- Vatani, M.; Alkaran, D.S.; Sanjari, M.J.; Gharehpetian, G.B. Multiple distributed generation units allocation in distribution network for loss reduction based on a combination of analytical and genetic algorithm methods. IET Gener. Transm. Distrib. 2016, 10, 66–72. [Google Scholar] [CrossRef]
- RERC. Tariff for Supply of Electricity-2020; Rajasthan Electricity Regulatory Commission: Jaipur, India, 2021. Available online: https://energy.rajasthan.gov.in/content/raj/energydepartment/en/departments/jvvnl/Tariff_orders.html (accessed on 20 November 2021).
- Solar Panel Installation Cost in India. Loom Solar, India. 2021. Available online: https://www.loomsolar.com/blogs/collections/solar-panel-installation-cost-in-india (accessed on 20 November 2021).
- Agajie, T.F.; Khan, B.; Alhelou, H.H.; Mahela, O.P. Optimal expansion planning of distribution system using grid-based multi-objective harmony search algorithm. Comput. Electr. Eng. 2020, 87, 106823. [Google Scholar] [CrossRef]
- Gopu, P.; Naaz, S.; Aiman, K. Optimal Placement of Distributed Generation using Genetic Algorithm. In Proceedings of the 2021 International Conference on Advances in Electrical, Computing, Communication and Sustainable Technologies (ICAECT), Bhilai, India, 19–20 February 2021. [Google Scholar] [CrossRef]










| Bus No. | Bus Name | Voltage (kV) | Load Symbol | Peak Load | Average Load | Shunt Reactive Compensation (MVAR) | ||
|---|---|---|---|---|---|---|---|---|
| P (MW) | Q (MW) | P (MW) | Q (MW) | |||||
| 1 | 400 kV Barmer | 400 kV | - | - | - | - | - | - |
| 2 | 220 kV Barmer | 220 kV | - | - | - | - | - | - |
| 3 | 132 kV Barmer | 132 kV | L-1 | - | - | 103 | 29 | 50 |
| 4 | 220 kV Rajwest | 220 kV | - | - | - | - | - | - |
| 5 | 220 kV Dhaurimanna | 220 kV | - | - | - | - | - | - |
| 6 | 132 kV Dhaurimanna | 132 kV | L-2 | 59.64 | 15.67 | 41.748 | 10.969 | 10.86 |
| 7 | 132 kV Gudamalani | 132 kV | L-3 | 33.43 | 10.16 | 23.401 | 7.112 | 10.86 |
| 8 | 132 kV Bagora | 132 kV | L-4 | 59.94 | 10.9 | 41.958 | 7.63 | 10.86 |
| 9 | 132 kV Jeran | 132 kV | L-5 | 15 | 7.26 | 10.5 | 5.082 | 5.43 |
| 10 | 220 kV Bhinmal (RVPN) | 220 kV | - | - | - | - | - | - |
| 11 | 132 kV Bhinmal (RVPN) | 132 kV | L-6 | 105.85 | 33.13 | 74.095 | 23.191 | 16.29 |
| 12 | 132 kV Poonasa | 132 kV | L-7 | 51.56 | 13.8 | 36.092 | 9.66 | 10.86 |
| 13 | 132 kV Raniwara | 132 kV | L-8 | 35.88 | 21.32 | 25.116 | 14.924 | 10.86 |
| 14 | 132 kV Sangad | 132 kV | L-9 | 45 | 26.69 | 31.5 | 18.683 | 10.86 |
| 15 | 132 kV Bhadroona | 132 kV | L-10 | 45.72 | 11.46 | 32.004 | 8.022 | 10.86 |
| 16 | 220 kV Sanchore | 220 kV | - | - | - | - | - | - |
| 17 | 132 kV Sanchore (220 kV GSS) | 132 kV | L-11 | 8.2 | 3.97 | 5.74 | 2.779 | 5.43 |
| 18 | 132 kV Sanchore | 132 kV | L-12 | 39.55 | 13 | 27.685 | 9.1 | 10.86 |
| 19 | 132 kV Paladar | 132 kV | L-13 | 23.83 | 9.42 | 16.681 | 6.594 | 10.86 |
| 20 | 132 kV Galifa | 132 kV | L-14 | 12.47 | 1.13 | 8.729 | 0.791 | 5.43 |
| 21 | 132 kV Sata | 132 kV | L-15 | 30.53 | 12.07 | 21.371 | 8.449 | 10.86 |
| 22 | 132 kV Sedwa | 132 kV | L-16 | 38.66 | 15.28 | 27.062 | 10.696 | 10.86 |
| 23 | 132 kV Sawa | 132 kV | L-17 | 43.01 | 21.93 | 30.107 | 15.351 | 10.86 |
| 24 | 132 kV Chohtan | 132 kV | L-18 | 19.5 | 9.44 | 13.65 | 6.608 | 5.43 |
| 25 | 132 kV Ranasar | 132 kV | L-19 | 29.13 | 12.41 | 20.391 | 8.687 | 10.86 |
| 26 | 132 kV Ramjiki Gol | 132 kV | L-20 | 15 | 7.26 | 10.5 | 5.082 | 5.43 |
| 27 | 400 kV Bhinmal (CTU) | 400 kV | UL-1 | - | - | 759 | 103 | 150 |
| 28 | 220 kV Bhinmal (CTU) | 220 kV | UL-2 | - | - | 261 | 22 | 100 |
| Bus No. | Symbol of Generator | Voltage (kV) | Pgen (MW) | Qgen (MVAR) |
|---|---|---|---|---|
| 1 | UGEN-1 | 400 kV | 1320 | 264 |
| 2 | UGEN-2 | 220 kV | 228 | 44 |
| 4 | UGEN-3 | 220 kV | 177 | 35 |
| Bus No. | Details of REG | Installed Capacity (MW) |
|---|---|---|
| 1 | Solar energy (ground-mounted) | 7738 |
| 2 | Wind energy | 4438 |
| 3 | Biomass | 120.38 |
| 4 | Solar roof-top under net metering scheme | 545 |
| Total | 12,741.45 | |
| Element No. | From Bus No. | To Bus No. | Voltage Level (kV) | Line Length (km) | Type of Conductor | Type of Circuit |
|---|---|---|---|---|---|---|
| 1 | 1 | 27 | 400 kV | 143.79 | Twin Moose | D/C |
| 2 | 2 | 5 | 220 kV | 72 | ACSR Zebra | S/C |
| 3 | 4 | 5 | 220 kV | 90 | ACSR Zebra | S/C |
| 4 | 5 | 10 | 220 kV | 92.48 | ACSR Zebra | S/C |
| 5 | 5 | 16 | 220 kV | 64.83 | ACSR Zebra | S/C |
| 6 | 28 | 10 | 220 kV | 10.37 | ACSR Zebra | D/C |
| 7 | 28 | 16 | 220 kV | 18.08 | ACSR Zebra | S/C |
| 8 | 6 | 7 | 132 kV | 67.35 | ACSR Panther | S/C |
| 9 | 7 | 8 | 132 kV | 32.3 | ACSR Panther | S/C |
| 10 | 8 | 9 | 132 kV | 21.33 | ACSR Panther | S/C |
| 11 | 9 | 11 | 132 kV | 21.33 | ACSR Panther | S/C |
| 12 | 11 | 12 | 132 kV | 26.32 | ACSR Panther | S/C |
| 13 | 11 | 13 | 132 kV | 51.04 | ACSR Panther | S/C |
| 14 | 13 | 14 | 132 kV | 26.37 | ACSR Panther | S/C |
| 15 | 11 | 15 | 132 kV | 22.14 | ACSR Panther | S/C |
| 16 | 15 | 17 | 132 kV | 51.04 | ACSR Panther | S/C |
| 17 | 17 | 18 | 132 kV | 35.32 | ACSR Panther | S/C |
| 18 | 17 | 19 | 132 kV | 6.6 | ACSR Panther | S/C |
| 19 | 17 | 20 | 132 kV | 18.5 | ACSR Panther | S/C |
| 20 | 20 | 21 | 132 kV | 50 | ACSR Panther | S/C |
| 21 | 21 | 22 | 132 kV | 25.4 | ACSR Panther | S/C |
| 22 | 22 | 23 | 132 kV | 25 | ACSR Panther | S/C |
| 23 | 23 | 24 | 132 kV | 24 | ACSR Panther | S/C |
| 24 | 24 | 25 | 132 kV | 19.33 | ACSR Panther | S/C |
| 25 | 25 | 6 | 132 kV | 21.06 | ACSR Panther | S/C |
| 26 | 6 | 26 | 132 kV | 25 | ACSR Panther | S/C |
| S. No. | Description of Technical Parameters | Numerical Values of Technical Parameter for Various Conductors | ||
|---|---|---|---|---|
| Twin Moose | ACSR Zebra | ACSR Panther | ||
| 1 | Positive sequence resistance | 0.0298 Ω/km/circuit | 0.0749 Ω/km/circuit | 0.1622 Ω/km/circuit |
| 2 | Positive sequence reactance | 0.332 Ω/km/circuit | 0.3992 Ω/km/circuit | 0.3861 Ω/km/circuit |
| 3 | Positive sequence susceptance (B/2) | 1.7344 × 10−6 Ʊ/km/circuit | 1.4670 × 10−6 Ʊ/km/circuit | 1.4635 × 10−6 Ʊ/km/circuit |
| 4 | Zero sequence resistance | 0.1619 Ω/km/circuit | 0.2200 Ω/km/circuit | 0.4056 Ω/km/circuit |
| 5 | Zero sequence reactance | 1.24 Ω/km/circuit | 1.3392 Ω/km/circuit | 1.6222 Ω/km/circuit |
| 6 | Zero sequence susceptance | 1.12 × 10−6 Ʊ/km/circuit | 9.2004 × 10−7 Ʊ/km/circuit | 1.3171 Ʊ/km/circuit |
| 7 | Thermal rating | 515 MVA | 176 MVA | 71 MVA |
| From Bus No. | To Bus No. | Voltage Ratio | MVAR Capacity | Transformer Parameters |
|---|---|---|---|---|
| 1 | 2 | 400/220 kV | 2 × 315 MVA | Z1 = 0.14 pu; (X1/R1) = 20; Z0 = 0.14 pu; (X0/R0) = 20 |
| 2 | 3 | 220/132 kV | 2 × 100 MVA | Z1 = 0.12 pu; (X1/R1) = 20; Z0 = 0.12 pu; (X0/R0) = 20 |
| 5 | 6 | 220/132 kV | 260 MVA | Z1 = 0.12 pu; (X1/R1) = 20; Z0 = 0.12 pu; (X0/R0) = 20 |
| 10 | 11 | 220/132 kV | 2 × 100 MVA | Z1 = 0.12 pu; (X1/R1) = 20; Z0 = 0.12 pu; (X0/R0) = 20 |
| 16 | 17 | 220/132 kV | 100 MVA | Z1 = 0.12 pu; (X1/R1) = 20; Z0 = 0.12 pu; (X0/R0) = 20 |
| 27 | 28 | 400/220 kV | 2 × 315 MVA | Z1 = 0.14 pu; (X1/R1) = 20; Z0 = 0.14 pu; (X0/R0) = 20 |
| S. No. | Particulars | Year | |||
|---|---|---|---|---|---|
| 2018 | 2019 | 2020 | 2021 | ||
| 1 | Recorded maximum load (MW) | 408.47 | 434.69 | 464.38 | 498.33 |
| 2 | Rate of annual load growth (%) | - | 6.42% | 6.83% | 7.31% |
| Particulars | Year | |||||||||
|---|---|---|---|---|---|---|---|---|---|---|
| 2022 | 2023 | 2024 | 2025 | 2026 | 2027 | 2028 | 2029 | 2030 | 2031 | |
| Projected Load (MW) | 524.335 | 543.89 | 562.15 | 585.62 | 616.05 | 648.80 | 677.09 | 698.29 | 716.26 | 737.86 |
| Bus No. | Bus Name | Voltage (kV) | Load Symbol | Average Load | |
|---|---|---|---|---|---|
| P (MW) | Q (MW) | ||||
| 3 | 132 kV Barmer | 132 kV | L-1 | 103 | 29 |
| 6 | 132 kV Dhaurimanna | 132 kV | L-2 | 61.81482 | 16.24142 |
| 7 | 132 kV Gudamalani | 132 kV | L-3 | 34.64905 | 10.53049 |
| 8 | 132 kV Bagora | 132 kV | L-4 | 62.12576 | 11.29748 |
| 9 | 132 kV Jeran | 132 kV | L-5 | 15.54699 | 7.524742 |
| 11 | 132 kV Bhinmal (RVPN) | 132 kV | L-6 | 109.7099 | 34.33811 |
| 12 | 132 kV Poonasa | 132 kV | L-7 | 53.44018 | 14.30323 |
| 13 | 132 kV Raniwara | 132 kV | L-8 | 37.18839 | 22.09745 |
| 14 | 132 kV Sangad | 132 kV | L-9 | 46.64096 | 27.66327 |
| 15 | 132 kV Bhadroona | 132 kV | L-10 | 47.38722 | 11.8779 |
| 17 | 132 kV Sanchore (220 kV GSS) | 132 kV | L-11 | 8.49902 | 4.114769 |
| 18 | 132 kV Sanchore | 132 kV | L-12 | 40.99222 | 13.47406 |
| 19 | 132 kV Paladar | 132 kV | L-13 | 24.69898 | 9.763508 |
| 20 | 132 kV Galifa | 132 kV | L-14 | 12.92473 | 1.171206 |
| 21 | 132 kV Sata | 132 kV | L-15 | 31.6433 | 12.51014 |
| 22 | 132 kV Sedwa | 132 kV | L-16 | 40.06977 | 15.8372 |
| 23 | 132 kV Sawa | 132 kV | L-17 | 44.57839 | 22.72969 |
| 24 | 132 kV Chohtan | 132 kV | L-18 | 20.21108 | 9.784237 |
| 25 | 132 kV Ranasar | 132 kV | L-19 | 30.19225 | 12.86254 |
| 26 | 132 kV Ramjiki Gol | 132 kV | L-20 | 15.54699 | 7.524742 |
| 27 | 400 kV Bhinmal (CTU) | 400 kV | UL-1 | 759 | 103 |
| 28 | 220 kV Bhinmal (CTU) | 220 kV | UL-2 | 261 | 22 |
| Bus No. | Optimal Size of REGs Using GOGA | Proposed REG Capacity | |
|---|---|---|---|
| Base Year | Projected Year | ||
| 6 | 150 MW | 120 MW | 150 MW |
| 14 | 0 | 22 MW | 25 MW |
| 22 | 15 MW | 6 MW | 15 MW |
| From Bus No. | To Bus No. | Line Power Flows for Year 2021 | Line Power Flows for Year 2031 | ||||||
|---|---|---|---|---|---|---|---|---|---|
| Without REG | With REG | Without REG | With REG | ||||||
| MW | MVAR | MW | MVAR | MW | MVAR | MW | MVAR | ||
| 17 | 19 | 16.727 | −13.131 | 18.137 | 2.126 | 24.807 | −7.085 | 23.468 | 6.185 |
| 1 | 27 | 1068.068 | 56.464 | 1060.089 | 125.235 | 1206.448 | 318.476 | 1190.243 | 182.079 |
| 2 | 5 | 331.545 | −57.869 | 338.539 | −33.514 | 502.469 | 148.01 | 443.225 | 50.554 |
| 4 | 5 | 177 | −45.963 | 187.837 | −24.555 | 177 | 112.376 | 179.272 | 40.714 |
| 5 | 10 | 126.932 | −14.563 | 145.557 | 4.647 | 140.364 | 60.281 | 136.305 | 26.018 |
| 5 | 16 | 152.326 | −41.896 | 168.398 | −8.240 | 190.496 | 41.847 | 176.604 | 24.903 |
| 28 | 10 | 52.475 | −50.422 | 39.834 | 6.652 | 148.982 | −52.598 | 131.174 | 30.530 |
| 28 | 16 | −24.331 | −32.163 | −32.261 | −9.328 | 1.356 | −50.231 | 2.535 | −5.130 |
| 6 | 7 | 74.59 | −38.933 | 84.472 | −15.796 | 105.798 | −1.994 | 96.740 | 1.793 |
| 7 | 8 | 49.416 | 21.346 | 57.281 | −8.701 | 67.099 | 1.914 | 60.195 | 1.543 |
| 8 | 9 | 6.973 | −7.363 | 11.967 | −4.632 | 3.799 | 6.905 | 2.483 | −1.700 |
| 9 | 11 | −3.537 | 4.838 | 0.688 | 3.658 | −11.787 | 12.714 | −11.636 | 1.333 |
| 11 | 12 | 36.686 | −2.554 | 37.586 | 9.082 | 55.532 | 6.646 | 47.936 | 14.993 |
| 11 | 13 | 57.573 | −12.043 | 59.045 | 16.402 | 87.475 | 20.476 | 75.396 | 36.605 |
| 13 | 14 | 31.697 | −3.566 | 31.734 | 13.376 | 47.432 | 11.579 | 39.515 | 22.737 |
| 11 | 15 | 2.186 | −14.261 | 2.064 | −5.535 | 9.232 | −17.734 | 9.959 | −5.436 |
| 15 | 17 | −29.892 | −8.758 | −32.349 | 0.529 | −38.403 | −17.44 | −33.953 | −8.086 |
| 17 | 18 | 27.728 | −5.431 | 30.041 | 7.240 | 41.122 | 0.29 | 39.009 | 12.039 |
| 17 | 20 | 43.467 | −31.551 | 45.400 | −4.038 | 69.237 | −15.041 | 63.737 | 9.854 |
| 20 | 21 | 34.343 | −17.389 | 34.324 | 1.933 | 55.24 | −5.977 | 52.269 | 12.288 |
| 21 | 22 | 12.382 | −12.27 | 12.051 | 1.711 | 21.749 | −6.158 | 20.141 | 7.114 |
| 22 | 23 | −14.718 | 2.095 | −16.260 | 4.819 | −18.368 | −2.164 | −14.739 | 1.475 |
| 23 | 24 | −44.889 | 11.483 | −47.922 | 3.379 | −63.169 | −5.143 | −54.304 | −9.755 |
| 24 | 25 | −59.015 | 22.638 | −63.226 | 9.373 | −84.613 | −3.406 | −74.648 | −9.473 |
| 25 | 6 | −80.104 | 33.997 | −86.176 | 13.424 | −116.514 | −1.896 | −106.331 | −11.072 |
| 6 | 26 | 10.515 | −12.781 | 11.555 | −1.452 | 15.582 | −7.303 | 15.294 | 2.014 |
| 2 | 3 | 104.073 | 11.983 | 93.430 | 21.210 | 104.073 | 11.983 | 93.430 | 21.210 |
| 1 | 2 | 210.447 | 11.564 | 181.776 | 11.540 | 388.526 | 74.409 | 295.626 | 40.583 |
| 5 | 6 | 213.755 | −104.504 | 73.239 | −142.534 | 314.952 | 1.893 | 162.296 | −61.111 |
| 27 | 28 | 294.95 | 18.391 | 281.078 | 33.947 | 427.75 | 212.486 | 385.793 | 122.513 |
| 10 | 11 | 177.315 | −42.104 | 48.061 | −51.903 | 285.193 | 9.928 | 159.791 | 159.791 |
| 16 | 17 | 125.688 | −65.138 | −2.954 | −88.519 | 187.278 | −17.198 | 66.596 | −38.742 |
| Bus No. | Particulars | Network Losses | |||
|---|---|---|---|---|---|
| Without REG Placement | With Optimal REG Units Placement | ||||
| 2021 | 2031 | 2021 | 2031 | ||
| 1 | Active power loss (MW) | 62.185 | 139.224 | 55.733 | 86.894 |
| 2 | Loss saving due to optimal REG placement (MW) | -- | 6.452 | 52.33 | |
| Flexibility Index | Magnitude of FI |
|---|---|
| FI2021 | 74.84 |
| FI2021REG | 99.01 |
| FI2031 | 30.94 |
| FI2031REG | 78.81 |
Publisher’s Note: MDPI stays neutral with regard to jurisdictional claims in published maps and institutional affiliations. |
© 2022 by the authors. Licensee MDPI, Basel, Switzerland. This article is an open access article distributed under the terms and conditions of the Creative Commons Attribution (CC BY) license (https://creativecommons.org/licenses/by/4.0/).
Share and Cite
Kaushik, E.; Prakash, V.; Mahela, O.P.; Khan, B.; Abdelaziz, A.Y.; Hong, J.; Geem, Z.W. Optimal Placement of Renewable Energy Generators Using Grid-Oriented Genetic Algorithm for Loss Reduction and Flexibility Improvement. Energies 2022, 15, 1863. https://doi.org/10.3390/en15051863
Kaushik E, Prakash V, Mahela OP, Khan B, Abdelaziz AY, Hong J, Geem ZW. Optimal Placement of Renewable Energy Generators Using Grid-Oriented Genetic Algorithm for Loss Reduction and Flexibility Improvement. Energies. 2022; 15(5):1863. https://doi.org/10.3390/en15051863
Chicago/Turabian StyleKaushik, Ekata, Vivek Prakash, Om Prakash Mahela, Baseem Khan, Almoataz Y. Abdelaziz, Junhee Hong, and Zong Woo Geem. 2022. "Optimal Placement of Renewable Energy Generators Using Grid-Oriented Genetic Algorithm for Loss Reduction and Flexibility Improvement" Energies 15, no. 5: 1863. https://doi.org/10.3390/en15051863
APA StyleKaushik, E., Prakash, V., Mahela, O. P., Khan, B., Abdelaziz, A. Y., Hong, J., & Geem, Z. W. (2022). Optimal Placement of Renewable Energy Generators Using Grid-Oriented Genetic Algorithm for Loss Reduction and Flexibility Improvement. Energies, 15(5), 1863. https://doi.org/10.3390/en15051863

