Next Article in Journal
Enhanced Energy Savings with Adaptive Watchful Sleep Mode for Next Generation Passive Optical Network
Previous Article in Journal
Customer Perceived Risk Measurement with NLP Method in Electric Vehicles Consumption Market: Empirical Study from China
error_outline You can access the new MDPI.com website here. Explore and share your feedback with us.
 
 
Font Type:
Arial Georgia Verdana
Font Size:
Aa Aa Aa
Line Spacing:
Column Width:
Background:
Article

Suppression of Rotor-Grounding Bearing Currents Based on Matching Stator and Rotor Grounding Impedances

1
Bearing Project Department, CRRC Dalian Institute Co., Ltd., Dalian 116021, China
2
School of Electrical Engineering, Beijing Jiaotong University, Beijing 100044, China
*
Author to whom correspondence should be addressed.
Energies 2022, 15(5), 1638; https://doi.org/10.3390/en15051638
Submission received: 24 December 2021 / Revised: 27 January 2022 / Accepted: 8 February 2022 / Published: 23 February 2022
(This article belongs to the Section F: Electrical Engineering)

Abstract

:
Pulse-width modulation (PWM) inverter drive systems are widely applied in industry for their great speed-control characteristics and performance. However, the common-mode voltage of the inverter induces motor bearing voltage and bearing current, which result in premature bearing failure. In this paper, the influence of stator and rotor grounding impedances on the bearing voltage of the motor is investigated. A comprehensive bearing-current equivalent model circuit is proposed. Based on circuit analysis, the relationship between bearing voltage ratio (BVR) and grounding impedances is derived, showing that bearing voltage varies with the stator grounding impedance on a V-shaped surface. The minimum BVR appears at some specific combinations of the stator and rotor grounding impedance. Based on this, a method of suppression of rotor-grounding bearing currents based on matching the stator and rotor grounding impedances is proposed. The analytical results are verified by experimental results and show that the bearing voltage can be mitigated by matching the grounding impedances in a proper range.

1. Introduction

With the development of modern drive technology, PWM variable-frequency technology is widely used in AC motor drive systems. The applications of high-performance semiconductor switching devices and control strategies have shown the outstanding advantage of this frequency-conversion technology. However, PWM variable-frequency technology causes some negative effects, such as bearing currents [1,2].
Common-mode voltage from the inverter is one of the main causes of high-frequency bearing currents [3]. Through the coupling of the motor parasitic capacitances, the bearing voltage between bearing outer race and inner race is induced by the common-mode voltage. When the bearing voltage surpasses the threshold voltage of lubricating oil film of the bearing, oil-film breakdown appears, and bearing currents occur. A large amount of heat due to release of electric discharge in a very short time leads to melted metal near the breakdown point, and electric pitting and fluting occurs [4]. If the bearings are continuously stressed by pitting, electric erosion can shorten the bearing lifetime. Bearing currents can be divided into four types, according to [5], which are the dv/dt bearing currents, electric-discharge-machining (EDM) currents, rotor-grounding bearing currents and circulating bearing currents. dv/dt currents and the EDM currents are related to the common-mode voltage of the inverter. Circulating bearing currents and rotor-grounding bearing currents are related to ground currents. Presently, extensive research has been carried out on EDM currents and circulating bearing currents [6]. Various methods for suppressing the different types bearing currents have been put forward. For example, common-mode voltage-minimization techniques using semiconductor-based inverters is an important method to reduce bearing voltage and bearing current [7]. However, rotor-grounding bearing currents require further investigation. The mitigation methods adopted for the other types bearing currents are not suitable for suppression of rotor-grounding bearing currents.
Typically, the stator frame of motors should be well grounded for the sake of safety and the grounding impedance is usually neglected in bearing-current analysis. However, the frequency of grounding currents can reach tens of kilohertz or even megahertz. At high frequencies, the influence of grounding impedance cannot be ignored. At the same time, in some applications, there is also a situation where the stator frame and the ground are connected via impedance. For example, in electric locomotives, the traction-motor car body and the rail are connected through protective resistors, bus bars, carbon brushes, wheels and other devices. The high dv/dt grounding current caused by the inverter flows through the stator grounding impedance. At the same time, there is also a case where the shaft and the ground are connected via impedance. For example, in electric locomotives, the traction motor connects with gear boxes, and the gear boxes connect with the wheels and the rail. When the rotor grounding impedance is smaller than the stator grounding impedance, part of the grounding current flows through the bearing to form the rotor-grounding bearing current. Existing studies have shown that the grounding state of the motor has an effect on the bearing voltage and bearing currents of the motor fed by the PWM inverter, and corresponding bearing-current suppression measures have been proposed [8]. In [9], the influence of rotor grounding impedance on bearing current is discussed; the conclusion is that the ground impedance of the rotor affects the bearing voltage, and the bearing currents are obtained. The authors point out that a reasonable arrangement of grounding impedance can suppress the bearing current, but so far, no in-depth research has been carried out. The bearing current can be suppressed by grounding the rotor. Connection of the rotor side with the ground is a method to suppress the bearing current. The influence on bearing currents, grounding currents and common-mode currents caused by different lengths and types of cables is discussed [10,11,12]. For the case where the grounding impedance exists at the frame and the shaft, the equivalent circuit with the stator grounding impedance and the rotor grounding impedance is given [13,14,15], but there is no discussion on the changing bearing voltage with the variation of the grounding impedance [16]. Typically, electrically isolating plastic stator bushing is used, and the lowest bearing voltages are achieved if either the stator potential is adjusted to the rotor potential by adding a separate capacitor between the stator and ground or the stator is shorted to ground, but no in-depth quantitative research has been conducted. To research the rotor-grounding bearing current, the relationship between bearing voltage and grounding impedance needs to be quantitatively studied, but the current research is limited to qualitative analysis. Therefore, this paper will quantitatively analyze the relationship among the stator grounding impedance, rotor grounding impedance and bearing voltage, and search for a method to suppress the rotor-grounding bearing current.
The effects of grounding status on the bearing currents will be discussed comprehensively. First, the equivalent bearing-current circuit is established, considering the stator grounding impedance and the rotor impedance. Through circuit analysis, the basic relationship between the bearing voltage and the grounding impedances is derived. Based on this, a method to suppress the rotor-grounding bearing current is put forward by adjusting the grounding impedance. Finally, the designed experiment is performed to verify the proposed method.

2. Modelling of the Motor Bearing Voltage in the PWM Inverter System

2.1. The Classic Equivalent Bearing-Current Model

The source of the bearing current is the common-mode voltage caused by the inverter. The coupling circuit of the common-mode current includes the stray capacitances of the motor.
For the squirrel-cage induction motor, the stator core and the frame can be regarded as the same electrode. The rotor core of the squirrel-cage motor and the rotor bars can be considered as another electrode, and the stator windings can be regarded as the third electrode. Stray capacitances exist among them, as shown in Figure 1.
Cwr is the capacitance between the stator winding and the rotor; Cwf is the capacitance between the stator winding and the frame; Crf is the capacitance between the rotor and the frame; and Cb is the equivalent capacitance of the bearing oil film between the raceway and the rolling elements. It is assumed that the bearings on the drive end and the non-drive end are of the same type.
Figure 2 shows the classic equivalent bearing-current model in the two-level AC–DC–AC voltage source converter, which is often used in motor driving systems.
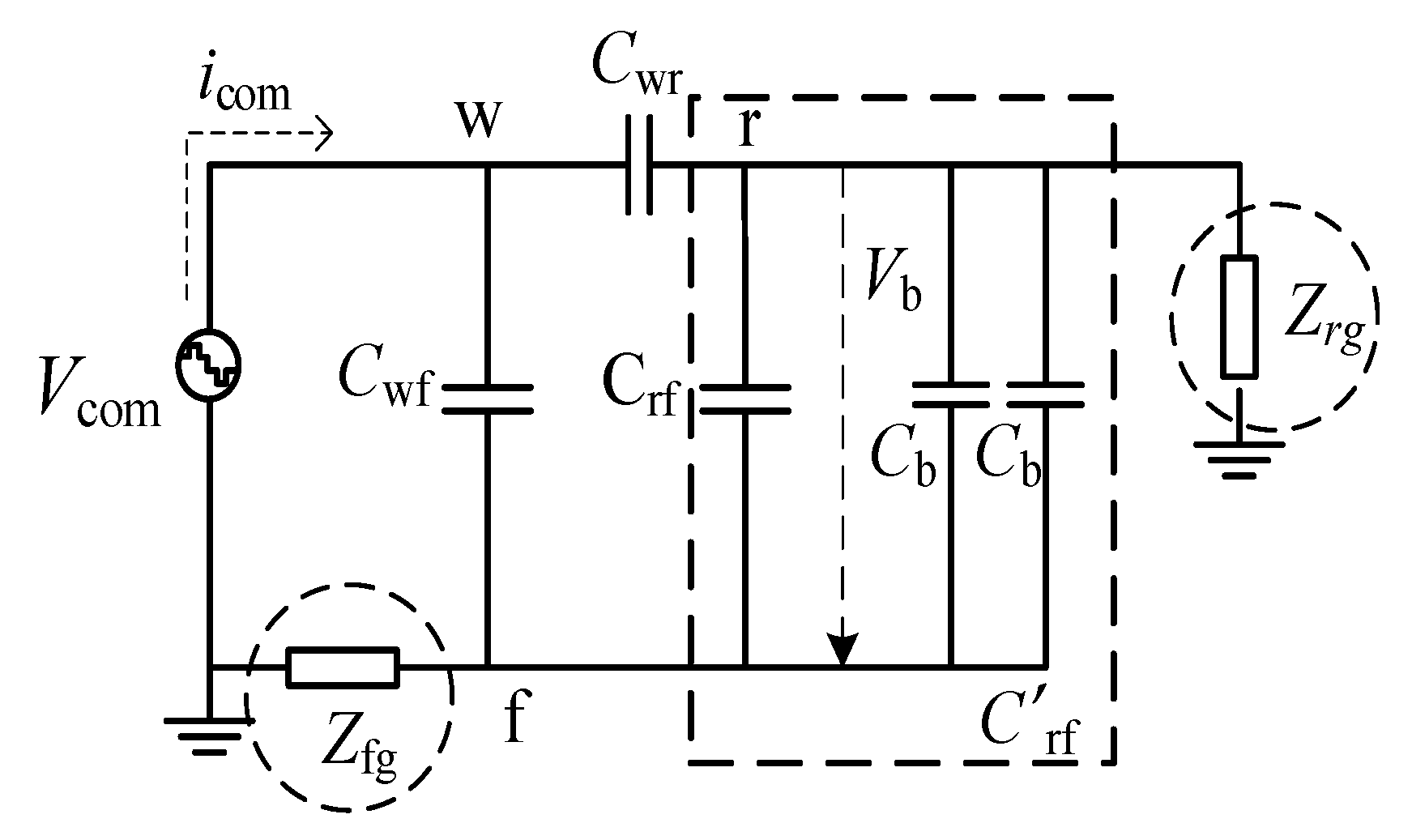
Ua, Ub and Uc are the output three-phase voltage; Ud is the DC link voltage; R and L are the winding common-mode resistance and inductance of each phase of the motor, respectively; Vcom is the common-mode voltage; Vb is the bearing voltage; w, r and f represent the stator winding, the rotor and the frame, respectively. As shown in Figure 2, the stray capacitances in the motor constitute the common-mode path. As the motor is fed by the PWM inverter, the common-mode voltage is not zero, and the voltage, Vb, is induced between the motor shaft and the grounding.
The common-mode voltage at the output of the inverter is the average value of the voltage between the three-phase output and the ground, as shown in (1), where VUo, VVo and VWo are the output three-phase voltages.
V com = ( V Uo + V Vo + V Wo ) 3
For the convenience of analysis, the circuit converter is omitted, and the voltage source, Vcom, is used to express the common-mode voltage, as shown in Figure 3 [17,18].
As shown in Figure 3, the bearing voltage, Vb, is decided by stray capacitances of the motors and the common-mode voltage, Vcom. We can obtain the ratio of the bearing voltage, Vb, and the common-mode voltage, Vcom. The ratio is called bearing voltage ratio (BVR) [19].
B V R = V b V c o m = C w r C w r + C r f + 2 C b
The above equation represents the relationship between the bearing voltage and the common-mode voltage without considering the stator and rotor grounding resistance. The bearing voltage, Vb, is an index of the bearing erosion failure. The higher the bearing voltage, the more serious the bearing erosion. In order to decrease the bearing voltage, Vb, under this condition, some methods could be adopted, such as inserting an electrostatic shielding layer between the stator winding and rotor in order to decrease the Cwr [20].

2.2. Bearing-Current Circuit Considering the Stator and Rotor Grounding Impedance

In practical applications, there are multiple grounding forms for motors. The influence of grounding impedances should be considered in circuit analysis. The following cases are the main grounding conditions in practical applications.
Case 1: the motor stator frame is well grounded, and the rotor shaft is not grounded. The stator grounding impedance can be neglected, as shown in Figure 2. The BVR can be determined by (2).
Case 2: The motor stator frame is poorly grounded or not grounded, and the shaft is grounded through the load. Poor stator grounding status means that the stator grounding impedance is very big and can sometimes reach MΩ levels. However, the equivalent impedance of the rotor to the grounding is relatively small, and the stator frame is clamped at a high voltage, so the bearing voltage is significantly increased and the bearing current will be very big, resulting in serious electric erosion of the bearing.
Case 3: both the stator and the rotor are not grounded, and the bearing voltage does not increase, which induces potential safety problems.
Case 4: The stator frame is grounded through an earthing device, but the grounding impedance cannot be neglected, whereas the rotor shaft is grounded through the impedance. For example, in rail-transit traction motors, the motor shaft connects the gear box and the wheels to the rails. The rotor grounding impedance provides a path for the flow of the rotor grounding impedance current. In this case, the grounding impedance of the motor frame and the grounding impedance of the rotor exist simultaneously. The topology of the bearing voltage circuit is changed, as shown in Figure 4.
Zfg is the stator grounding impedance, and Zfg is the equivalent impedance of the stator grounding.
The equivalent circuit model in Figure 4 considers both the rotor and the stator grounding impedances. This means that the grounding impedances on both sides are neither zero nor infinite, as is the situation in Case 4.
The stator and rotor grounding impedances and the stray capacitances of the motor have effect on the bearing voltage. The relationship between the bearing voltage and the parameters in the circuit will be analyzed by solving the circuit.

3. Influence of Motor Grounding Impedances on Bearing Voltage

In Figure 4, Crf and the two bearing capacitances, Cb, are parallelly connected for convenience. These capacitances are taken as C’rf, as shown in (3)
C rf = C rf + 2 C b
The composition of the grounding impedance of the stator and the rotor depends on the actual grounding situation and often includes resistance and reactance. In order to simplify the analysis, the common-mode voltage is treated as the sinusoidal high-frequency AC voltage, and the circuit can be analyzed through the phasor method. The phasor circuit is shown in Figure 5. There are three loops in this circuit. In loop 1, the current, I ˙ 1 , passes through Vcom, Cwf and Zfg; in loop 2, the current, I ˙ 2 , passes through Vcom, Cwr and Zrg; and in loop 3, the current, I ˙ 3 , passes through C’rf, Zrg and Zfg.
The voltage equations of the above circuit are shown as (4).
{ V ˙ com = I ˙ 1 ( Z fg + 1 / j ω C wf ) + 0 Z fg I ˙ 3 V ˙ com = 0 + I ˙ 2 ( Z r g + 1 / j ω C wr ) + Z r g I ˙ 3 0 = Z fg I ˙ 1 + Z r g I ˙ 2 + ( Z fg + Z r g + 1 / j ω C rf ) I ˙ 3
The bearing voltage, Vb, is expressed as (5).
V ˙ b = I ˙ 3 / j ω C rf
By simultaneous solving the three equations in (4), I ˙ 3 can be derived as (6).
I ˙ 3 = Z rg Z rg + 1 / j ω C wr Z fg Z fg + 1 / j ω C wf 1 / j ω C r f + Z fg / j ω C wf Z fg + 1 / j ω C wf + Z rg / j ω C wr Z rg + 1 / j ω C wr V ˙ com
By combining (5) and (6), the bearing voltage Vb can be derived as (7).
V ˙ b = 1 / j ω C rf ( Z rg Z rg + 1 / j ω C wr Z fg Z fg + 1 / j ω C wf ) 1 / j ω C r f + Z fg / j ω C wf Z fg + 1 / j ω C wf + Z rg / j ω C wr Z rg + 1 / j ω C wr V ˙ com
From (6), the bearing voltage ratio under this condition, BVR’, can be derived as (8).
B V R = V b V com = | 1 / j ω C rf ( Z fg Z fg + 1 / j ω C wf Z rg Z rg + 1 / j ω C wr ) 1 / j ω C r f + Z fg / j ω C wf Z fg + 1 / j ω C wf + Z rg / j ω C wr Z rg + 1 / j ω C wr |
Comparing (7) with (1), we find that the relationship between the common-mode voltage and the bearing voltage in Case 4 is more complex than that in Case 1. If the stray capacitances of the motor are constant, the change of grounding impedance, Zrg and Zfg, respectively, affect the voltage between the frame and the shaft, which, in turn, affects the bearing voltage and the bearing current.
If the bearing voltage, Vb, is zero, the bearing current will not appear. If Vb is zero, the numerator of the right side of Equation (7) should be zero, and we can derive the following.
Z fg Z fg + 1 / j ω C wf Z rg Z rg + 1 / j ω C wr = 0
Then,
Z fg Z fg + 1 j ω C wf = Z rg Z rg + 1 j ω C wr
If the numerator and denominator of the left side are divided by Zfg and the numerator and denominator of the right side are divided by Zrg, we get:
1 1 + 1 Z fg j ω C wf = 1 1 + 1 Z rg j ω C wr
The denominators of both sides should be same, i.e.,
Z fg C wf = Z rg C wr
Then, we get:
Z fg Z r g = C wr C wf
The above impedance balance condition can be explained from the perspective of the circuit topology. Due to the simultaneous existence of the stator grounding impedance and the rotor grounding impedance, the equivalent circuit in Figure 5 forms a Wheatstone bridge circuit. The Wheatstone bridge circuit is shown in Figure 6.
In Figure 6, Z1, Z2, Z3 and Z4 are the impedances of the four arms; the meter, G, between nodes c and d is the galvanometer; and Us is the voltage source. According to the principle of the Wheatstone bridge circuit, if the magnitude and the phase angle of the impedances of the four arms meet the relationships in (11), the voltage between c and d is zero, and there is no current passing through the galvanometer G [21].
{ | Z 1 | | Z 3 | = | Z 2 | | Z 4 | φ 1 + φ 3 = φ 2 + φ 4
where |Z1|, |Z2|, |Z3| and |Z4| are the amplitudes of the impedances of arm 1, 2, 3 and 4 respectively, and φ1, φ2, φ3,and φ4 is the phase angle of the impedance of arm 1, 2, 3 and 4 respectively.
Comparing Figure 6 with Figure 5, the capacitances Cwf and Cwr constitute two upside arms, Z1 and Z4; and the stator grounding impedances, Zfg, and the rotor grounding impedance, Zrg, constitute two downside arms, Z2 and Z3. The bearing capacitance, Cb, and its parallel capacitance, Crf, constitute the bridge arm. The bridge voltage is the bearing voltage, Vb. If the impedances of the two downside arms change, the corresponding bridge voltage varies with them. If the impedances of the four arms cannot satisfy the magnitude and phase-balance relationship in (13), the bearing voltage can be deduced through circuit analysis.
When the circuit impedances reach balance, as in (14), the value of BVR should be zero. The relationship between grounding impedances and motor stray capacitances is shown in (13). The impedance balance relationship inspires a method for suppressing the bearing voltage induced by the grounding impedances.

4. Bearing-Current Suppression Method Based on Matching Grounding Impedances

According to (13), if the stray capacitances are known, the value of the balanced impedance, Zfg, can be obtained, which allows for the determination of the minimum value of bearing voltage, Vb. According to Figure 5, when the impedance, Zfg, equals the balance impedance, the BVR is minimum. Then, the bearing voltage can be suppressed by adjusting the grounding impedance. Based on this, a rotor-grounding-current suppression method based on matching grounding impedance can be proposed.
In practical applications, the type and value of the grounding impedance on one side can usually be determined with the aid of an impedance analyzer, and the stray capacitances of the motor can be acquired by calculation or measurement [1,5]. Then, the appropriate grounding impedance on the other side can be determined according to (13) in order to minimize the bearing voltage
In following discussion, the rotor grounding impedance is assumed as fixed or unchangeable. The rotor grounding impedances can be divided into three types, as shown in Figure 7. Type a: the rotor is grounded through the pure resistance, Rrg, as in Figure 7a; type (b): the rotor is grounded through the resistance, Rrg, in series with the inductance, Lrg, as in Figure 7b; and type (c): the rotor is grounded through the resistance, Rrg, in series with the capacitance, Crg, as in Figure 7c.
In Figure 7a, the rotor grounding impedance is pure resistance, Rrg. According to (13), the balanced stator grounding impedance should also be pure resistance, and its value, Rfg, is shown in (15).
R fg = C wr C wf R rg
In Figure 7b, the rotor grounding impedance is the resistance, Rrg, connected in series with the inductance, Lrg. According to (13), the type of the balanced stator grounding impedance should also be series connection of the resistance, Rfg, and the inductance, Lfg, the values of which are as shown in (16).
{ R fg = C wr C wf R rg L fg = C wr C wf L rg
In Figure 7c, the rotor grounding impedance is the resistance, Rrg, connected in series with the capacitance, Crg. According to (13), the type of the balanced stator grounding impedance should be series connection of resistance, Rfg, and the capacitance, Cfg, the values of which are as shown in (17).
{ R fg = C wr C wf R rg C fg = C wf C wr C rg
In general, when the grounding impedance on one side is known, adjusting the grounding impedance on the other side to a proper balanced value could suppress the bearing voltage. When the grounding impedance on both sides meets the balance relationship, the bearing voltage reaches the minimum at the balance impedance. In order to verify the rationality of the above analysis, a simulation and an experimental platform were set up. The experimental scheme was designed for testing.

5. Simulation and Experiment

5.1. Simulation

In order to specifically study the influence of grounding impedances on the BVR, a 5.5 kW induction motor was taken as an example. The values of the stray capacitances of a 5.5 kW motor are shown in Table 1. The stray capacitances were calculated through the finite element method, as in [22].
For the motor capacitances in Table 1, the ratio of Cwr and Cwf is 0.007. According to the capacitances of the motor and the balance equations (16), when the ratio of the stator grounding inductance, Lfg, to the rotor grounding inductance, Lrg, is 0.007, the bearing voltage is zero, and BVR is the minimum.
It is assumed that the motor frame and the shaft are respectively grounded through the inductances. The variation range of the motor-frame grounding inductance is from 0 μH to 8 μH, and the shaft grounding inductance is from 0 μH to 1000 μH. Through Matlab analysis of Equation (8), we can get the bearing voltage ratio under the combination of different stator grounding inductances and rotor grounding inductances. The bearing voltage ratio with the stator and rotor grounding inductances at a frequency of 100 kHz is shown in Figure 8.
Figure 8 shows that bearing voltage varies with the stator grounding impedance in a V-shaped surface. When the grounding impedance on one side is fixed, the bearing voltage ratio will first decrease and then increase as the grounding impedance on the other side increases. This means that there is a minimum bearing voltage ratio when grounding impedances exist on both sides. The impedance in this scenario is called the balanced impedance. We can observe that when Lrg and Lfg take different values, BVR fluctuates from 0 to 2.5, which has a great influence on the bearing voltage. When Lrg and Lfg are reasonably selected, BVR could be located at the bottom of V-shaped surface.. At this time, theoretically, BVR is the lowest, and the bearing voltage is the smallest. Under a given rotor grounding inductance, we can find the proper stator grounding inductance to achieve the minimum bearing voltage.

5.2. Experimental Platform

The test induction motor was a 5.5 kW type Y2-135S. The motor was driven by an E2000-0055T3 inverter from EURA Drives. The motor-frame grounding inductance and the shaft grounding inductance used grounding wires and sliding rheostats, respectively. A schematic diagram of the test platform is shown in Figure 9. The measured waveform was observed through a RIGOL DS1204B oscilloscope with real-time sampling of 2 GSa/s and a bandwidth of 200 MHz. The bearing voltage and common-mode voltage under different grounding impedances were recorded.
The grounding of the inverter was set to a reference connected to the laboratory power-supply grounding with a short line. Therefore, the common-mode voltage, Vcom, is the voltage between the stator winding-star connection neutral point and the reference grounding. Vcom was measured with a Tektronix P520A high-voltage differential probe. Vb is the potential difference between the shaft and stator frame. Vb was measured with an oscilloscope probe. In order to measure the bearing current, one bearing was isolated from the motor frame. A 5 mm insulation layer was inserted between the bearing outer raceway and the bearing housing of one bearing [23].
In the experiment, the change in grounding impedance of the stator was realized by changing the length of the grounding wire. The rotor grounding impedance was unchanged, so the scale of the sliding rheostat was unchanged. At high frequency, the sliding rheostat can be regarded as a solenoid, and the main component is the inductance. The relevant parameters of the grounding wire and the rheostat were measured separately with an RLC meter (measurement frequency: 100 kHz). The test rig is shown in Figure 10.
The stator grounding wire length, l, ranges from 0.5 m to 5 m and was measured every 0.5 m. The scale, k, of the sliding wire rheostat ranges from 5 to 50 and was is measured every 5 scales. At l = 4 and k = 10, the waveforms of the common-mode voltage, Vcom, the bearing voltage, Vb, and the bearing current, ib, are shown in Figure 11. It can be seen from Figure 11 that the common–mode voltage is a four–step wave, which is consistent with the theory. The measured bearing voltage is not a four–step wave, similar to the common-mode voltage, and is not mapped from the common-mode voltage.

6. Measurement Result and Discussion

The common-mode voltage and bearing voltage of the motor were measured according to the above experimental scheme. The bearing voltage, Vb, and the common-mode voltage, Vcom, were recorded under 100 different combinations of the stator and the rotor grounding impedance. The bearing voltage ratios were acquired according to the peak–peak value of Vb and Vcom. Table 2 shows partial data about the rotor grounding scale, k, with the grounding resistance and inductance; the stator grounding cable, l, with the grounding resistance and inductance; and bearing voltage ratio percentage.
The variation of BVR with the stator grounding cable length, l, and the rotor ground impedance scale, k, is shown in Figure 12.
The variation of BVR in the experiment shows there is a band where the BVR is lower than other grounding conditions. This means that under such grounding conditions, the bearing voltage can be suppressed.
There are differences between the simulation results in Figure 8 and the measurement results in Figure 12. In the experiment, the stator grounding inductance was 4.8 μH to obtain the minimum bearing voltage value; however, in Figure 8, the minimum bearing voltage is obtained when the stator grounding inductance is 4.28 μH. The minimum BVR in Figure 12 is not zero. This is because the structure of the motor is relatively complicated. Using the circuit to estimate the BVR cannot fully reflect the complex structure of the motor and its electromagnetic relationship. The actual state of the motor grounding is more complicated than the circuit calculation; the lowest point of the test result is an oblique band but not zero. On the other side, the common-mode voltage is not a single-frequency source but is made up of many harmonic components, which does not satisfy the assumption in Section 3, so the analysis of BVR in (8) can be taken as a reference.
Since the theoretical analysis and experimental results reflect that the law is basically consistent, this method is feasible within the allowable range of error. When the grounding impedance type and the value of one side of the motor are known, it is effective to suppress the bearing current by matching the grounding impedance on the other side of the motor.

7. Conclusions

The influence of motor grounding conditions on the bearing currents in PWM inverter driving system was discussed. The equivalent circuit model of bearing current of variable frequency motors was established, considering the stator and rotor grounding impedance. Through circuit analysis, we deduced that the bearing voltage ratio changes with the stator grounding impedance. Analysis results show that when the grounding impedance of the stator and the grounding impedance of the rotor exist simultaneously, the common-mode equivalent circuit of the PWM frequency-conversion system constitutes a Wheatstone bridge circuit. If the grounding impedance changes, the bearing voltage will change to a V shape.
In practice, the traction-motor car body and the rail in electric locomotives are connected through protective resistors, bus bars, carbon brushes, wheels and other devices. We can design those impedances to match the rotor ground impedance according to the impedance balancing restrain to reduce the bearing voltage and suppress bearing electric erosion.

Author Contributions

Conceptualization, L.Y., J.W. and Y.Y.; methodology, R.L. and L.J.; software, E.Y. and L.J.; validation, E.Y., R.L. and L.J.; formal analysis, E.Y.; writing—original draft preparation, E.Y. and L.J; writing—review and editing, R.L. and L.J.; supervision, R.L.; project administration, L.Y. All authors have read and agreed to the published version of the manuscript.

Funding

Part of the research was funded by Natural Science Foundation of Beijing grant number 3222055.

Institutional Review Board Statement

Not applicable.

Informed Consent Statement

Not applicable.

Data Availability Statement

Not applicable.

Conflicts of Interest

The authors declare no conflict of interest.

References

  1. Martin, W.; Andreas, B. Review on system parameters in variable speed AC-induction motor drives with parasitic electric bearing currents. In Proceedings of the 2021 23rd European Conference on Power Electronics and Applications (EPE’21 ECCE Europe), Ghent, Belgium, 6–10 September 2021; pp. 1–8. [Google Scholar]
  2. Plazenet, T.; Boileau, T.; Caironi, C. A comprehensive study on shaft voltages and bearing currents in rotating machines. IEEE Trans. Ind. Appl. 2018, 54, 3749–3759. [Google Scholar] [CrossRef]
  3. Chen, S.; Lipo, T.A. Bearing currents and shaft voltages of an induction motor under hard-and soft-switching inverter excitation. IEEE Trans. Ind. Appl. 1998, 34, 1042–1048. [Google Scholar] [CrossRef]
  4. Berhausen, S.; Jarek, T. Method of limiting shaft voltages in AC electric machines. Energies 2021, 14, 3326. [Google Scholar] [CrossRef]
  5. Kudelina, K.; Vaimann, T.; Rassõlkin, A.; Kallaste, A.; Asad, B.; Demidova, G. Induction Motor Bearing Currents-Causes and Damages. In Proceedings of the 2021 28th International Workshop on Electric Drives: Improving Reliability of Electric Drives (IWED), Moscow, Russia, 27–29 January 2021; pp. 1–5. [Google Scholar]
  6. Jaritz, M.; Jaeger, C.; Bucher, M.; Smajic, J.; Vukovic, D.; Blume, S. An Improved Model for Circulating Bearing Currents in Inverter-Fed AC Machines. In Proceedings of the 2019 IEEE International Conference on Industrial Technology (ICIT), Melbourne, Australia, 13–15 February 2019; pp. 225–230. [Google Scholar]
  7. Kalaiselvi, J.; Srinivas, S. Bearing Currents and Shaft Voltage Reduction in Dual-Inverter-Fed Open-End Winding Induction Motor with Reduced CMV PWM Methods. IEEE Trans. Ind. Electron. 2015, 62, 144–152. [Google Scholar] [CrossRef]
  8. Ollila, J.; Hammar, T.; Iisakkala, J.; Tuusa, H. On the bearing currents in medium power variable speed AC drives. In Proceedings of the 1997 IEEE International Electric Machines and Drives Conference Record (IEMDC), Milwaukee, WI, USA, 18–21 May 1997; pp. MD1/1.1–MD1/1.3. [Google Scholar]
  9. Macdonald, D.; Gray, W. PWM drive related bearing failures. IEEE Ind. Appl. Mag. 1999, 5, 41–47. [Google Scholar] [CrossRef]
  10. Bentley, J.M.; Link, P.J. Evaluation of motor power cables for PWM AC drives. IEEE Trans. Ind. Appl. 1997, 33, 342–358. [Google Scholar] [CrossRef]
  11. Muetze, A.; Binder, A. Don’t lose your bearings—Mitigation techniques for bearing currents in inverter-supplied drive systems. IEEE Ind. Appl. Mag. 2006, 12, 22–31. [Google Scholar] [CrossRef]
  12. Rechberger, T.; Ingruber, R. Influence of Different Types of Supply Cables on Shaft Currents in VSI-fed Induction Motors. In Proceedings of the International Symposium on Power Electronics, Electrical Drives, Automation and Motion (SPEEDAM), Taormina, Italy, 23–26 May 2006; pp. 1372–1376. [Google Scholar]
  13. Guttowski, S.; Weber, S.; Schinkel, M.; John, W.; Reichl, H. Troubleshooting and fixing of inverter driven induction motor bearing currents in existing plants of large size—An evaluation of possible mitigation techniques in practical applications. In Proceedings of the Twenty-First Annual IEEE Applied Power Electronics Conference and Exposition, Dallas, TX, USA, 19 March 2006; pp. 225–230. [Google Scholar]
  14. Muetze, A.; Binder, A. Calculation of motor capacitances for prediction of the voltage across the bearings in machines of inverter-based drive systems. IEEE Trans. Ind. Appl. 2007, 43, 665–672. [Google Scholar] [CrossRef]
  15. Dahl, D.; Sosnowski, D.; Schlegel, D.; Kerkman, R.J.; Pennings, M. Gear up your bearings. IEEE Ind. Appl. Mag. 2008, 14, 45–53. [Google Scholar] [CrossRef]
  16. Schroth, S.; Bortis, D.; Kolar, J.W. Impact of Stator Grounding in Low Power Single-Phase EC-Motors. In Proceedings of the 2014 IEEE Applied Power Electronics Conference and Exposition-APEC, Fort Worth, TX, USA, 16–20 March 2014; pp. 783–790. [Google Scholar]
  17. Vostrov, K.; Pyrhönen, J.; Lindh, P.; Niemelä, M.; Ahola, J. Mitigation of Inverter-Induced Noncirculating Bearing Currents by Introducing Grounded Electrodes into Stator Slot Openings. IEEE Trans. Ind. Electron. 2021, 68, 11752–11760. [Google Scholar] [CrossRef]
  18. Xu, Y.; Liang, Y.; Yuan, X.; Wu, X.; Li, Y. Experimental Assessment of High Frequency Bearing Currents in an Induction Motor Driven by a SiC Inverter. IEEE Access 2021, 9, 40540–40549. [Google Scholar] [CrossRef]
  19. Mechlinski, M.; Schröder, S.; Shen, J. Grounding Concept and Common-Mode Filter Design Methodology for Transformerless MV Drives to Prevent Bearing Current Issues. IEEE Trans. Ind. Appl. 2017, 53, 5393–5404. [Google Scholar] [CrossRef]
  20. Quan, J.; Bai, B.; Wang, Y.; Liu, W. Research on electrostatic shield for discharge bearing currents suppression in variable-frequency motors. In Proceedings of the 2014 17th International Conference on Electrical Machines and Systems (ICEMS), Hangzhou, China, 22–25 October 2014; pp. 139–143. [Google Scholar]
  21. Ma, X.; Liu, R.; Zheng, B.; Zhang, Y. Analysis and calculation of capacitance parameters in induction machines to predict shaft voltage. In Proceedings of the 2012 15th International Conference on Electrical Machines and Systems (ICEMS), Sapporo, Japan, 21–24 October 2012; pp. 1–5. [Google Scholar]
  22. Chu, C.; Liao, X.; Yan, H.; Yi, Z. RF MEMS Thermistor Power Sensor Based on Wheatstone Full-Bridge Structure. In Proceedings of the 2019 IEEE 32nd International Conference on Micro Electro Mechanical Systems (MEMS), Seoul, Korea, 27–31 January 2019; pp. 891–894. [Google Scholar]
  23. Ren, X.; Liu, R.; Yang, E. Modelling of the Bearing Breakdown Resistance in Bearing Currents Problem of AC Motors. Energies 2019, 12, 1121. [Google Scholar] [CrossRef] [Green Version]
Figure 1. Stray capacitances in induction motors.
Figure 1. Stray capacitances in induction motors.
Energies 15 01638 g001
Figure 2. The equivalent bearing-current circuit of a converter–driven AC machine.
Figure 2. The equivalent bearing-current circuit of a converter–driven AC machine.
Energies 15 01638 g002
Figure 3. Classic equivalent bearing-current model.
Figure 3. Classic equivalent bearing-current model.
Energies 15 01638 g003
Figure 4. Bearing-current model considering both the stator and the rotor grounding impedances.
Figure 4. Bearing-current model considering both the stator and the rotor grounding impedances.
Energies 15 01638 g004
Figure 5. Phasor circuit of the bearing-current model considering both the stator and the rotor grounding impedances.
Figure 5. Phasor circuit of the bearing-current model considering both the stator and the rotor grounding impedances.
Energies 15 01638 g005
Figure 6. Wheatstone bridge circuit.
Figure 6. Wheatstone bridge circuit.
Energies 15 01638 g006
Figure 7. Equivalent circuits with three types grounding impedance (a) type a (b) type b (c) type c.
Figure 7. Equivalent circuits with three types grounding impedance (a) type a (b) type b (c) type c.
Energies 15 01638 g007
Figure 8. BVR varies with different stator and rotor grounding inductances.
Figure 8. BVR varies with different stator and rotor grounding inductances.
Energies 15 01638 g008
Figure 9. Schematic diagram of test platform.
Figure 9. Schematic diagram of test platform.
Energies 15 01638 g009
Figure 10. Test rig.
Figure 10. Test rig.
Energies 15 01638 g010
Figure 11. Waveforms of Vcom, Vb and ib when the length of the stator grounding cable, l, and the rotor ground impedance scale, k, are l = 4 and k = 10, respectively.
Figure 11. Waveforms of Vcom, Vb and ib when the length of the stator grounding cable, l, and the rotor ground impedance scale, k, are l = 4 and k = 10, respectively.
Energies 15 01638 g011
Figure 12. Curve of the bearing voltage ratio versus the stator grounding cable length, l, and rotor ground impedance scale, k.
Figure 12. Curve of the bearing voltage ratio versus the stator grounding cable length, l, and rotor ground impedance scale, k.
Energies 15 01638 g012
Table 1. Stray capacitances of a 5.5 kW induction motor.
Table 1. Stray capacitances of a 5.5 kW induction motor.
Cwf/pFCwr/pFCrf/pFCb/pF
5098.435.8782.7110.0
Table 2. Bearing voltage ratio percentage results of the test.
Table 2. Bearing voltage ratio percentage results of the test.
l
(Stator)
k (Rotor)
1020304050
64.9 μH211.1 μH414.8 μH611.2 μH830.4 μH
21.4 mΩ47.6 mΩ70.4 mΩ83.1 mΩ99.7 mΩ
0.5 m 17.5 mΩ 0.6 μH0.3710.5360.6030.6830.763
1 m 35.0 mΩ 1.2 μH0.2560.4750.5600.5920.683
1.5 m 52.5 mΩ 1.8 μH0.2050.3280.4690.5710.635
2 m 70 mΩ 2.4 μH0.3090.3520.4960.6030.629
2.5 m 87.5 mΩ 3.0 μH0.4910.3550.5330.5920.613
3 m 105 mΩ 3.6 μH0.4850.2830.4160.5600.608
3.5 m 22.5 mΩ 4.2 μH0.5760.2370.4530.5170.580
4 m 140 mΩ 4.8 μH0.7040.1890.4160.5120.560
4.5 m 157.5 mΩ 5.4 μH1.0560.6510.3890.4530.544
5 m 175 mΩ 6.0 μH1.2690.7040.2720.5550.571
Publisher’s Note: MDPI stays neutral with regard to jurisdictional claims in published maps and institutional affiliations.

Share and Cite

MDPI and ACS Style

Yang, L.; Yang, Y.; Wen, J.; Jia, L.; Yang, E.; Liu, R. Suppression of Rotor-Grounding Bearing Currents Based on Matching Stator and Rotor Grounding Impedances. Energies 2022, 15, 1638. https://doi.org/10.3390/en15051638

AMA Style

Yang L, Yang Y, Wen J, Jia L, Yang E, Liu R. Suppression of Rotor-Grounding Bearing Currents Based on Matching Stator and Rotor Grounding Impedances. Energies. 2022; 15(5):1638. https://doi.org/10.3390/en15051638

Chicago/Turabian Style

Yang, Lei, Ying Yang, Junfu Wen, Lei Jia, Erle Yang, and Ruifang Liu. 2022. "Suppression of Rotor-Grounding Bearing Currents Based on Matching Stator and Rotor Grounding Impedances" Energies 15, no. 5: 1638. https://doi.org/10.3390/en15051638

APA Style

Yang, L., Yang, Y., Wen, J., Jia, L., Yang, E., & Liu, R. (2022). Suppression of Rotor-Grounding Bearing Currents Based on Matching Stator and Rotor Grounding Impedances. Energies, 15(5), 1638. https://doi.org/10.3390/en15051638

Note that from the first issue of 2016, this journal uses article numbers instead of page numbers. See further details here.

Article Metrics

Back to TopTop