Next Article in Journal
BESS Primary Frequency Control Strategies for the West Africa Power Pool
Next Article in Special Issue
Estimation of Underground MV Network Failure Types by Applying Machine Learning Methods to Indirect Observations
Previous Article in Journal
Research on Module Layout and Module Coverage of an Automobile Exhaust Thermoelectric Power Generation System
Previous Article in Special Issue
DC Communities: Transformative Building Blocks of the Emerging Energy Infrastructure
 
 
Font Type:
Arial Georgia Verdana
Font Size:
Aa Aa Aa
Line Spacing:
Column Width:
Background:
Article

Implementation of Dynamic Controls for Grid-Tied-Inverters through Next-Generation Smart Meters and Its Application in Modernized Grid

by
Navonita Sharma
* and
Ajoy Kumar Chakraborty
Electrical Engineering Department, NIT Agartala, Agartala 799046, India
*
Author to whom correspondence should be addressed.
Energies 2022, 15(3), 988; https://doi.org/10.3390/en15030988
Submission received: 19 December 2021 / Revised: 23 January 2022 / Accepted: 26 January 2022 / Published: 28 January 2022
(This article belongs to the Special Issue Distribution Grids Modernization II)

Abstract

:
In this paper, an introduction and comprehensive analysis have been presented for the implementation and application of modern smart meters which include Unbundled Smart Meters (USM) and Next-Generation Open Real-Time Smart Meters (NORM). This article also contributes to methods through which USM and NORM could provide a better perspective to the already available technologies for grid-tied-inverter controlled feeding renewables to the grid. The research proposes a next-generation smart meter model with the feature of a phasor measurement unit. The meter is further integrated with a controller board that controls the power injection from the inverter to the grid based on the real-time data obtained from the smart meter. The inverter is simulated with an open-circuit fault and is controlled to provide non-oscillatory power to the grid based on an instantaneous grid power factor or phase requirement. The proposed meter has the flexibility to add additional features to control the inverter based on other grid requirements such as active and reactive power control, tariff implementation, etc. This manuscript provides the analytical aspects of the use of smart meters in efficient energy management and also addresses the need for smart technologies for grid modernization.

1. Introduction

Smart grid technologies are the already established trends in the power system world. The use of smart meters has been recognized as an inseparable and significant part of the future power grid. Smart meters are those technology-enabled devices that will help Residential Electricity Consumers (REC) to cut their usage, reduce greenhouse gases, save electricity costs as well as consumer monthly bills, etc. Apart from these, smart meters can also provide ancillary services to the grid through grid-tied inverter controls [1,2]. With growing dependence on power and electricity, consumers want better customer service, high accuracy in energy measurement, and a healthy power supply along with timely data delivery. Traditional electricity meters provide only the basic functions of energy measurement and that too is provided with few details. Limited information about the electricity usage (usual monthly electricity bill) provided to the end-users fails to appeal to consumers to adapt their energy usage so as to save on electricity charges. Moreover, the electromechanical meters are incapable of displaying real-time information on energy usage and time-varying prices at the consumer’s side [3]. The current grid system is not adjustable to rapid changes in demand patterns. It also suffers from a lack of reliability, high cost of energy consumption, lack of efficiency, carbon pollution, and low consumer interactions. Such shortcomings of the present grid system demand a better and more reliable power system. The incorporation of communication systems and information technologies is being used to resolve the issues of the present grid system. It also provides better monitoring and control over the total power grid [4].
Advanced metering infrastructure (AMI) is an important part of the smart grid structure which not only reduces the cost of energy pricing for the consumer but also motivates them towards better energy conservation. A smart metering system will also help in increasing system reliability, security, and efficiency. A smart metering system consists of smart meters, control devices, and communication links. The key element of this system is the smart meter which is the combination of all energy monitoring and intelligence.
Today, smart metering is the buzzword in the utility industries, especially in the electricity market. Many countries across the globe are already involved in projects with smart metering on a demonstration scale or implementation [5]. The last couple of decades has seen electric power being managed using different technologies [6,7]. The Unbundled Smart Meter (USM) was introduced by the Horizon 2020 project of Nobel Grid in April 2015 [8]. This new smart meter is architecturally grouped in two separate (unbundled) parts based on the function they perform making the structure both metrology proof and highly flexible. One of the two parts is designated for real-time functions, called the Smart Metrology Meter (SMM), which has basic fixed functionalities like energy monitoring and measurement. The other is smart meter extension (SMX) which is highly flexible and supports new functionalities. These functionalities are deployed during the meter’s lifespan to support the state of art need of the smart grid and energy services [9]. With the advancement in technology, USM has also been subjected to change and a low-cost PMU unit has been attached to its SMX part, and thus the next generation smart meter is constituted. Next-Generation Open Real-Time Smart Meter (NORM) is an open architecture which supports multiple functionality deployment over the course of time in its life span [10].
Unlike the conventional grid system, a modernized grid is a technologically advanced grid that has the flexibility to adapt to rapid changes happening in the power sector, especially with the fast-increasing penetration of renewables. Grid modernization, in general, implies the increasing application of smart devices such as sensors, computers, and communications systems in the operations of power grid [11]. Thus, a modernized grid in a sense means increasing the intelligence of the grid with the flexibility to adapt to the wide range of new technologies. Next-generation smart meters emulate the same purpose with their ability to adapt to new features as per demand. Next-generation smart meters with their flexible SMX/SMG modules can be used to implement new programs based on user need such as grid-tied inverter controls, non-intrusive load profile monitoring, implementation of new and profitable tariff systems, etc. These new features help the grid to operate efficiently. Both USM and NORM are designed to provide user-based applications for supporting grid functions.
One such application is control of grid-tied inverters specifically those which are feeding renewable (solar/wind) to the grid. Conventionally, PV inverters were intended to provide only active power to the grid and power regulations suggest that the inverters should automatically disconnect (and reconnect) from the grid in cases of voltage and frequency fluctuations. However, as prosumers are increasing, penetration of renewables to the grid is increasing. It has been observed that with robust and dynamic control assisted with smart communication, grid-tied inverters can contribute to support grid functionalities during parameter disturbances [12,13,14]. In this article, the emphasis has been put on the control of grid-tied inverters using next-generation smart meters. A next-generation smart meter model is proposed and designed in this research with the added flexibility of a phasor measurement unit (PMU). This feature is further applied to generate a dynamic control of the grid-tied inverter in case of an open-circuit fault in the inverter leg. The proposed meter with PMU feature and integrated inverter control provides a robust solution for uninterrupted non-oscillatory power to the grid in the case of open-circuit inverter faults. Since the control is driven through smart meter real-time data, the process is more dynamic and reliable. Other features can also be added to this meter based on the grid requirements such as active and reactive power support. Hence, this new technology smart meter supports the concept of grid modernization. The main difference of the proposed smart meter integrated inverter control scheme from similar real-time communication-based control as explained in [15,16] is that here the control can be modified according to grid requirement flexibly without much complication i.e., this proposed scheme is not specific to one application. With the feature of adding new programs to the smart meter, control can be implemented for other real-time operations such as grid voltage/frequency disturbances, grid faults, inverter faults, renewable feed-in limitations, etc. Additionally, with a command from SMX, the inverter control board can switch modes between different control schemes based on the requirement. As this advanced meter facilitates many functionalities of grid support, its application in developing smart control of grid-tied inverters will be of immense interest among smart grid researchers.

2. Development of Unbundled Smart Meters (USM)

Traditional state-of-the-art smart meters come with an embedded architecture for all functionalities (metrology and additional). Therefore, the addition of local functionalities in the meter based on user demand is difficult and sometimes impossible. This is because the addition of any new function requires a complete recompilation of the meter firmware which again needs to be certified by the meter manufacturer and can be expensive.
To support grid modernization, modern-day smart meters need the feature of programmable modules so as to have the flexibility of adding new features (e.g., making load-profiles of energies, integrating grid-tied inverter control, and implementing tariff functionality).
Unbundled Smart Meter (USM), which is represented in Figure 1, is a systematic architecture where the smart meter instead of being single equipment has been unbundled into two separate functional units:
Smart Metrology Meter (SMM): This unit provides the basic functionalities of measurement and monitoring which helps in energy consumption tracking and billing. Basically, SMM performs the functions which are deployed in conventional energy meters [17].
Smart Meter Extension (SMX): This unit is what makes the USM advanced and unique. The SMX unit provides an open platform within the meter where additional functionalities could be added depending on the need of the consumer. With the flexibility of programming, the meter with on-demand functions, the meter itself becomes the unit of control for all electricity-related applications [18].
Smart meters are the need of the hour in modernized grid systems but with USM, technology integration takes a higher and more dynamic notch. Smart meters are limited in functionalities and are generally manufacturer-specific, which restricts their usage for a specific type of provider–prosumer application. However, with USM, a single device can serve the purpose of all possible operational requirements of a smart grid, for example:
  • Standard billing based on different tariffs like a feed-in tariff, time-of-use tariff, etc.
  • Advanced billing information based on load-profiles of equipment using load monitoring algorithms installed in USM.
  • Measurement of instrumentation values of electrical variables (such as URMS, IRMS, P, Q, f…) to support real-time observability for smart grid functionality.
  • Support for energy services using load profiles of consumed and/or produced active and reactive energy.
  • Power quality support.
  • Support for demand response (DR).
  • Support for communication with home devices, including DR functionalities.
  • Support for controlling intelligent PV and/or storage inverters.
  • Besides all the above functionalities, the USM architecture allows support for future SMX functionalities based on third-party apps and/or software upgrades of essential SMX functionalities
In the SMM component, hard real-time functions and black-box functionality are essential, while in the SMX component, communication capabilities and flexible local intelligence are essential. The two components do not present any overlapping functionality and have different designs, in order to meet their requirements independently.

3. Introduction to the NORM Smart Meter

The Next-Generation Open Real-Time Smart Meter (NORM) has been developed under the project named SUCCESS and is based on the USM concept. The difference between USM and NORM exists in the integration of additional software and hardware modules. In NORM, the SMX has been enhanced with an additional module of a low-cost PMU which will be the second source of data. This complex and highly secured extension is known as Smart Meter Gateway (SMG) which is an open platform where new functionalities can be added to the smart meter.
The Smart Meter Gateway (SMG) is the most essential and unique subpart of NORM. It facilitates the integration of local measurement equipment and secure communication with all external elements at the same time. NORM provides new features as compared to conventional smart meters and unbundled smart meters. The main features of NORM are presented below:
  • As compared to conventional Smart meters NORM has a multi-user interface and, therefore, can communicate with multiple external actors simultaneously.
  • NORM has advanced communication with security networks which helps in privacy preservation and safeguards against cyber-attacks.
  • SMG accumulates data from both metrology meter and low-cost PMU as shown in Figure 2. With this data integration, NORM enables both smart metering and hard real-time smart grid functionalities. This is an important advancement over existing smart meters, as PMU data are now available in any metering point, enabling higher functionality in active distribution networks, specific to high renewable penetration.
The applications of NORM and USM for generating grid-tied inverter controls have been presented in a good deal of research. Use of smart meter data for dynamic power flow control [19,20], voltage ride through [21,22], grid unbalance stabilization, etc. are the state-of-the-art research of modern times. Some researchers suggest the use of incentives/tariff-based control for generating optimal power flow and balancing active and reactive power in the system, as shown in [23], while other researchers suggest the use of real-time data for generating control logic [24,25]. Some of the research also suggests the integration of inverter control logic and related incentive tariffs [26,27] within the SMX/SMG module which will be both cost-effective and user-customized. A case study has been presented in the next section where real-time smart meter data have been used to generate the appropriate control signals to support the instantaneous grid requirements.

4. Case Study: Control of Grid Tied Inverter through Smart Meter in Case of an Open-Circuit Fault in the Inverter

In this research, a control algorithm is proposed to mitigate the oscillation in instantaneous power exchange between grid and inverter when one of the phases of the inverter fails and device reconfiguration or redundant leg operations are not feasible. It has been found analytically that in case of an open circuit fault if the current of the remaining two healthy phases are equal in magnitude and phase-shifted by 60 , the net instantaneous power that flows to the grid is non-oscillatory. The proposed control scheme generates the required voltages to produce the above-mentioned currents for various power factors based on grid requirements. The phase angle requirement is obtained as the real-time data from the smart meter. A microcontroller programming has been established to simulate the SMX/SMG module where phase angle detection functionality has been deployed. A grid-connected inverter system has been simulated and tested in a laboratory prototype for a single-phase open-circuit inverter fault and the proposed control has been implemented for the same. The analysis of the simulation and real-time experiment results provide justification for the output claims of the proposed controller.

4.1. Power Equation Development for the Proposed Control

Figure 3 represents a balanced grid-connected inverter system with three-phase voltage and current. The fault situation is represented with a red line which shows an open circuit fault in one inverter leg. The power equations for the following pre-fault balanced system and post-fault system are shown below.
The three-phase balanced grid voltages are represented by Equations (1)–(3):
v a = V sin ( ω t )
v b = V sin ( ω t 120 o )
v c = V sin ( ω t + 120 o )
where V is the peak value of the phase voltage, ω is the angular frequency and v a , v b , and v c are the instantaneous phase voltages. The three-phase current flowing from inverter to grid is represented by Equations (4)–(6):
i a = I sin ( ω t ϕ )
i b = I sin ( ω t 120 o ϕ )
i c = I sin ( ω t + 120 o ϕ )
where I is the peak value of phase current and ϕ is the phase difference between grid voltage and current.
Let us consider an open circuit fault in one of the phases of the inverter (say 3rd phase, so i c = 0). If the current in other two phases are assumed to be unaltered then instantaneous power flowing into the grid is given by Equations (7) and (8):
P 3 ϕ = v a · i a + v b · i b
P 3 ϕ = V · I · cos ϕ + ( V · I ) 4 ( 3 cos ϕ + sin ϕ ) sin ( 2 ω t ) ( V · I ) 4 ( cos ϕ + 3 sin ϕ ) cos ( 2 ω t )
Let i 123 be the current flowing from inverter to grid during open circuit fault and i 1 and i 2 be the current which will result in non-oscillatory power flow during open circuit fault since i 3 = 0. The current flowing from inverter to grid, i 1 and i 2 can be represented as:
i 1 = I 1 · sin ( ω t ϕ )
i 2 = I 2 · sin ( ω t ( ϕ + δ ) )
where δ is an arbitrary phase shift between the current in two healthy phases. I 1 and I 2 are the peak values of current in phase one and phase two, respectively. The instantaneous power flowing from inverter to grid can be calculated as
P 3 ϕ = 1 2 V I 1 ( cos ( 2 ω t ϕ ) + cos ϕ ) + 1 2 V I 2 ( cos ( 2 ω t ϕ 120 o δ ) ) + 1 2 V I 2 ( cos ( ϕ + δ 120 o ) )
From (11), it is deduced that for the oscillatory terms to be zero, I 1 should be equal to I 2 , and (120 + δ ) should be equal to 180 . Therefore, the value of δ is derived to be 60 . Putting the value of δ and I 1 = I 2 = I in (11) the instantaneous power is derived to be:
P 2 ϕ = 3 2 V · I ( sin ( ϕ + 60 o ) )

4.2. Design of SMX/SMG Unit

To control the inverter according to the real-time grid requirements, the inverter needs to interface with the SMX/SMG. Two units are designed and programmed, one is the SMX/SMG board and the second is the inverter control board. The control board is responsible for the control operation of the inverter. The SMX/SMG unit is responsible for measuring the real-time phase angle and other grid requirements.
To generate real-time data, a model of the phasor estimation process has been designed in the Proteus simulation platform and the real-time data are fed to the inverter control board. Figure 4 shows the schematic of the microcontroller unit programmed as SMX/SMG to monitor grid condition.
The following operations are performed by the SMX/SMG unit.
  • A 4th order Butterworth filter has been used to generate the frequency response.
  • A variable frequency voltage-controlled oscillator is used as the phase-locked oscillator, output frequency of which can be varied by changing the value of feedback resistor.
  • A microcontroller board has been used for DFT based phasor estimation [28,29].

4.3. Design of Control Scheme

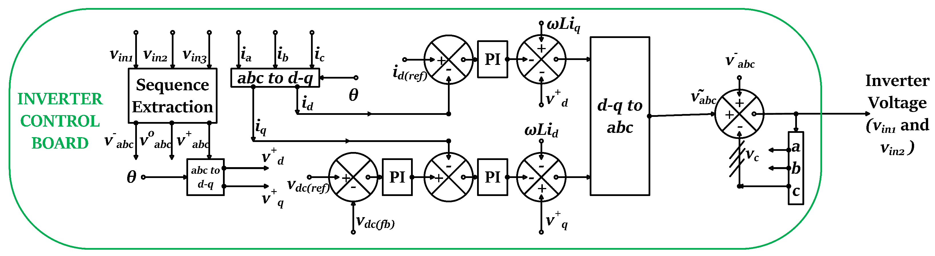
The schematic of the proposed control is presented in Figure 5. The third phase is shown to be disconnected due to an open-circuit fault. Real-time data from the designed smart meter are received in the inverter control board. The inverter voltages and currents are monitored using the smart meter. During balanced three-phase operation, the smart meter generates a “No-fault” signal which activates the conventional control mode of the inverter in the inverter control board. During this mode, a conventional vector control scheme in a synchronously rotating reference frame is designed which generates the reference signal for the PWM converter, a three-phase sinusoidal signal. This reference signal is compared with a triangular carrier to generate the gate pulses for IGBTs.
During open circuit fault when one of the phase currents becomes zero, the smart meter generates information regarding which phase has developed the fault. A corresponding “Fault” signal is generated by the smart meter which activates the proposed fault-tolerant mode of inverter control in the inverter control board. It also simultaneously deactivates the conventional control mode. The SMX/SMG module of the smart meter generates the real-time phase requirement which is again sent to the inverter control board. The proposed control scheme is designed in the inverter control board based on real-time phase requirement represented in Figure 6 using the following steps:
  • The reference signal generated for the inverter is obtained from a positive, negative, and zero-sequence controller. Standard decouple control in synchronously rotating reference frame is implemented for the positive-sequence control.
  • The negative-sequence control is implemented to ensure that no negative-sequence current flows in the circuit which in turn ensures that the oscillation in power is zero. This can be achieved if the negative-sequence voltage of the inverter is equal to the negative-sequence voltage of two healthy phases of the inverter. So, the negative-sequence voltage of the inverter is given as a negative-sequence reference signal for the inverter.
  • The zero-sequence control is implemented in such a way that the reference voltage for the faulty phase is zero (in this case phase ‘c’). A zero-sequence signal is added to this reference signal (sum of positive- and negative-sequence reference signals) such that the reference for the faulty phase (‘c’ phase) is zero. The zero-sequence signal that is used here is the ‘c’ phase voltage of the signal obtained from the summation of positive- and negative-sequence reference signals.
  • To implement this control the positive, negative, and zero sequence components of inverter voltage and current during open circuit fault is segregated using a sequence extraction algorithm.

4.4. Results and Discussion

The proposed control scheme is simulated in Matlab/Simulink platform to simulate the controller board and in Proteus platform to simulate the smart meter.
Table 1 has been presented below to show the different values of instantaneous power (P 3 φ ), inverter voltage for phase-1 (v in 1 ), and inverter voltage for phase-2 (v in 2 ) obtained through the controller for different values of ϕ (the phase angle between grid voltage and current) as measured in real-time from the SMX/SMG programmed unit. The values are represented in p.u (per unit), where the rated value of grid voltage (V) and rated power of three-phase balanced system are considered as the base values. The system has been simulated with conventional D-Q control and with proposed control to show the variations in different system parameters when fault occurs.

4.4.1. (a) With Conventional Control Scheme

The following sections show the results of variations in different system parameters before and after fault without using the proposed control.
Figure 7 represents the current profile before and after fault scenario. It is evident from Figure 7 that with conventional control, the current is neither equal in magnitude nor 60 phase apart which is the requirement for non-oscillating power operation.
It can be seen in Figure 8 that in the case of an open-circuit fault, the conventional controller creates oscillations in instantaneous power. The controller proposed here is designed to provide non-oscillatory power into the grid as shown in the next section.

4.4.2. (b) With Using Proposed Control

Figure 9 shows the current profile before and after fault when the proposed control is implemented. As the power reference is set to be constant w.r.t pre-fault condition, the magnitude of current has increased to generate the required power from two active phases. If the current is maintained to be constant, the power will decrease as per phase angle variation as obtained in Table 1. The current obtained after the proposed control is equal in magnitude and 60 apart.
Figure 10 shows the instantaneous power profile before and after fault with the use of the proposed control. Since the power requirement is kept constant w.r.t pre-fault condition, the instantaneous power flow is the same as the pre-fault condition and is non-oscillatory in nature.

4.4.3. (c) Experiment Results

The proposed control scheme is experimentally validated in a laboratory prototype using the current sensor (LA 55-P) and dSPACE 1104. Figure 11 shows the current from inverter to grid under no-fault condition.The following results are obtained using both the conventional control and proposed smart meter integrated control, respectively. Figure 12 shows the inverter current with an open-circuit fault when operated through a conventional vector control scheme.
Figure 13 represents the inverter current with open-circuit fault operating through the proposed control scheme.
The analysis of the simulation and real-time experiment results provide justification for the output claims of the proposed controller. The advantages of the proposed smart meter over existing smart meters have been presented in Table 2.

5. Conclusions

Smart Meters are expensive because of their complex architecture and manufacturers have their own criteria for incorporating smart features into the meter and there is no consensus on the horizon. Therefore, the concept of Next-Generation Smart Meters (USM/NORM) could provide a different approach to solving smart meter problems. The flexibility of adding on-demand functionalities makes the next generation smart meters widely applicable to smart grid problems. One such case study for the fault-tolerant operation of the grid-tied inverter through next-generation smart meter application has been presented here. The proposed next-generation smart meter has the feature of phasor measurement and is integrated with an inverter control board which controls the grid-tied inverter operation during an open-circuit fault in one phase of the inverter. This novel configuration of smart meter integrated inverter control provides uninterrupted non-oscillatory power to the grid in case of an open-circuit fault in one phase of the system. The proposed model not only eliminates the need for extra hardware for smart communication and redundant leg but also minimizes the delay in operations since the control is based on synchronous real-time grid requirement data. This design can be further modified to add new features as well for providing ancillary services to the grid. The simulation and experiment results show the feasibility of the idea.

Author Contributions

Conceptualization, N.S. and A.K.C.; methodology, N.S.; software, N.S.; validation, N.S. and A.K.C.; formal analysis, N.S.; investigation, N.S.; resources, N.S. and A.K.C.; data curation, N.S.; writing—original draft preparation, N.S.; writing—review and editing, N.S. and A.K.C.; visualization, N.S.; supervision, A.K.C. All authors have read and agreed to the published version of the manuscript.

Funding

This research received no external funding.

Acknowledgments

This research is supported by Visvesvaraya PhD Scheme, MeitY, Govt. of India, MEITY-PHD-1124.

Conflicts of Interest

The authors declare no conflict of interest.

Abbreviations

USMUnbundled Smart Meter
NORMNext Generation Open Real-Time Smart Meter
RECResidential Electricity Consumers
AMIAdvanced Metering Infrastructure
GSMGlobal System for Mobile Communication
SIMSubscriber Identification Module
SMMSmart Metrology Meter
SMXSmart Meter Extension
PVPhotovoltaic
DRDemand Response
PMUPhasor Measurement Unit
SMGSmart Meter Gateway
DFTDiscrete Fourier Transform
p.uPer Unit
CT & PTCurrent Transformer & Potential Transformer
SymbolsRepresentations
v a b c Instantaneaous Grid Phase Voltages
VPeak Value of Phase Voltage
ωAngular Frequency
i a b c Instantaneous Phase Current flowing from Inverter to Grid
during No-Fault Balanced Condition
IPeak Value of Phase Current
ϕ = θ Phase Angle Difference between Grid Voltage and Current
P 3 ϕ Instantaneous 3-Phase Power Flowing into the Grid
i 123 Current flowing from Inverter to Grid during open circuit fault.
i 1 , i 2 The Current in Two Healthy Phases Which Will Result in
Non-Oscillatory Power Flow During Open Circuit Fault
δ Arbitrary Phase Shift Between the Currents (i 1 , i 2 ) in Two Healthy Phases
I 1 , I 2 Peak Values of Current After Fault in Phase-One and Phase-Two Respectively
P 2 ϕ Instantaneous Non-Oscillatory Power Floiwng to the Grid from
Two Operational Healthy Phases of Inverter after Open- Circuit Fault
v i n 123 Inverter Pole Voltages

References

  1. Charalambous, A.; Hadjidemetriou, L.; Zacharia, L.; Bintoudi, A.D.; Tsolakis, A.C.; Tzovaras, D.; Kyriakides, E. Phase balancing and reactive power support services for microgrids. Appl. Sci. 2019, 9, 5067. [Google Scholar] [CrossRef] [Green Version]
  2. Kavya Santhoshi, B.; Mohana Sundaram, K.; Padmanaban, S.; Holm-Nielsen, J.B.; Prabhakaran, K.K. Critical review of PV grid-tied inverters. Energies 2019, 12, 1921. [Google Scholar] [CrossRef] [Green Version]
  3. Borenstein, S.; Jaske, M.; Rosenfeld, A. Dynamic Pricing, Advanced Metering, and Demand Response in Electricity Markets; Center for the Study of Energy Markets: Berkeley, CA, USA, 2002. [Google Scholar]
  4. Kuzlu, M.; Pipattanasomporn, M.; Rahman, S. Communication network requirements for major smart grid applications in HAN, NAN and WAN. Comput. Netw. 2014, 67, 74–88. [Google Scholar] [CrossRef]
  5. Azasoo, J.Q.; Boateng, K.O. A Model for Transforming Traditional Meters into Smart Meters using GPRS Technology in Developing Countries. In Proceedings of the 3rd Workshop on IT & Systems 2014, Accra, Ghana, 10–12 November 2014. [Google Scholar]
  6. Schleicher-Tappeser, R. How renewables will change electricity markets in the next five years. Energy Policy 2012, 48, 64–75. [Google Scholar] [CrossRef]
  7. Tabor, D.P.; Roch, L.M.; Saikin, S.K.; Kreisbeck, C.; Sheberla, D.; Montoya, J.H.; Aspuru-Guzik, A. Accelerating the discovery of materials for clean energy in the era of smart automation. Nat. Rev. Mater. 2018, 3, 5–20. [Google Scholar] [CrossRef] [Green Version]
  8. Sharma, N.; Chakraborty, A.K. Robust State Feedback Controller for Photovoltaic Inverter System using Unbundled Smart Meter. Int. J. Innov. Technol. Explor. Eng. 2019, 8, 4095–4104. [Google Scholar]
  9. Albu, M.M.; Sănduleac, M.; Stănescu, C. Syncretic use of smart meters for power quality monitoring in emerging networks. IEEE Trans. Smart Grid 2016, 8, 485–492. [Google Scholar] [CrossRef]
  10. Sanduleac, M.; Lipari, G.; Monti, A.; Voulkidis, A.; Zanetto, G.; Corsi, A.; Federenciuc, D. Next generation real-time smart meters for ICT based assessment of grid data inconsistencies. Energies 2017, 10, 857. [Google Scholar] [CrossRef] [Green Version]
  11. Dhara, S.; Shrivastav, A.K. 2021. Available online: https://www.intechopen.com/online-first/76952 (accessed on 8 November 2021).
  12. Delgado-Gomes, V.; Martins, F.; Lima, C.; Borza, P.N. Towards the use of Unbundle Smart Meter for advanced inverters integration. In Proceedings of the 2017 IEEE 26th International Symposium on Industrial Electronics, Edinburgh, UK, 19–21 June 2017; pp. 1721–1724. [Google Scholar]
  13. Arfeen, Z.A.; Khairuddin, A.B.; Larik, R.M.; Saeed, M.S. Control of distributed generation systems for microgrid applications: A technological review. Int. Trans. Electr. Energy Syst. 2019, 29, e12072. [Google Scholar] [CrossRef] [Green Version]
  14. Colak, I.; Kabalci, E.; Fulli, G.; Lazarou, S. A survey on the contributions of power electronics to smart grid systems. Renew. Sustain. Energy Rev. 2015, 47, 562–579. [Google Scholar] [CrossRef]
  15. Zhang, Z.; Dou, C.; Yue, D.; Zhang, B. Predictive Voltage Hierarchical Controller Design for Islanded Microgrids Under Limited Communication. IEEE Trans. Circuits Syst. I 2021, 69, 933–945. [Google Scholar] [CrossRef]
  16. Zhang, Z.; Mishra, Y.; Yue, D.; Dou, C.; Zhang, B.; Tian, Y.C. Delay-Tolerant Predictive Power Compensation Control for Photovoltaic Voltage Regulation. IEEE Trans. Ind. Inform. 2021, 17, 4545–4554. [Google Scholar] [CrossRef]
  17. Canaan, B.; Colicchio, B.; Abdeslam, D.O. Microgrid cyber-security: Review and challenges toward resilience. Appl. Sci. 2020, 10, 5649. [Google Scholar] [CrossRef]
  18. Qin, C.; Srivastava, A.; Davies, K. Unbundling Smart Meter Services Through Spatio-Temporal Decomposition Agents in DER-rich Environment. IEEE Trans. Ind. Inform. 2021, 18, 666–676. [Google Scholar] [CrossRef]
  19. Huang, S.; Wu, Q.; Shahidehpour, M. Dynamic power tariff for congestion management in distribution networks. IEEE Trans. Smart Grid 2018, 10, 2148–2157. [Google Scholar] [CrossRef] [Green Version]
  20. Mckenna, E.; Richardson, I.; Thomson, M. Smart meter data: Balancing consumer privacy concerns with legitimate applications. Energy Policy 2012, 41, 807–814. [Google Scholar] [CrossRef] [Green Version]
  21. Benali, A.; Khiat, M.; Allaoui, T.; Denai, M. Power quality improvement and low voltage ride through capability in hybrid wind-PV farms grid-connected using dynamic voltage restorer. IEEE Access 2018, 6, 68634–68648. [Google Scholar] [CrossRef]
  22. Zhang, Z.; You, X.; Ma, H.; Zhao, K.; Zhou, N. Research on Application of Low Voltage Ride Through Technology of Auxiliary Equipment Inverter of Thermal Power Plant in Power Grid. In Proceedings of the 2021 6th Asia Conference on Power and Electrical Engineering (ACPEE), Chongqing, China, 8–11 April 2021; pp. 1446–1450. [Google Scholar]
  23. Dewangan, L.; Chakrabarti, S.; Singh, S.N.; Sharma, M. A Fair Incentive Scheme for Participation of Smart Inverters in Voltage Control. IEEE Trans. Ind. Inform. 2022, 18, 656–665. [Google Scholar] [CrossRef]
  24. Dissanayaka, M.L.B.; Fernando, C.T.J.; Abeyratne, S.G. Smart meter based inverter controlling network for demand response applications in smart grids. In Proceedings of the 6th International Conference on Industrial and Information Systems, Kandy, Sri Lanka, 16–19 August 2011; pp. 192–197. [Google Scholar]
  25. Bhela, S.; Kekatos, V.; Veeramachaneni, S. Enhancing Observability in Distribution Grids Using Smart Meter Data. IEEE Trans. Smart Grid 2018, 9, 5953–5961. [Google Scholar] [CrossRef] [Green Version]
  26. Sharma, N.; Chakraborty, A.K.; Chakraborti, A. Smart meter design with incorporated dynamic control of grid connected three phase inverter. In Proceedings of the 2017 7th International Conference on Power Systems (ICPS), Pune, India, 21–23 December 2017; pp. 677–683. [Google Scholar]
  27. Sharma, N.; Chakraborty, A.K. Development of Feed-In-Tariff using Unbundle Smart Meters for Small Scale Wind Power Generating Plant and Small-Scale Roof-Top Solar Plant. In Proceedings of the 2019 8th International Conference on Power Systems (ICPS), Cluj, Romania, 21–23 May 2019; pp. 1–6. [Google Scholar]
  28. Silva, K.M.; Nascimento, F.A. Modified DFT-based phasor estimation algorithms for numerical relaying applications. IEEE Trans. Power Deliv. 2017, 33, 1165–1173. [Google Scholar] [CrossRef]
  29. Hwang, J.K.; Lee, C.S. Fault Current Phasor Estimation below One Cycle Using Fourier Analysis of Decaying DC Component. IEEE Trans. Power Deliv. 2021. [Google Scholar] [CrossRef]
Figure 1. Unbundled Smart Meter architecture.
Figure 1. Unbundled Smart Meter architecture.
Energies 15 00988 g001
Figure 2. NORM architecture.
Figure 2. NORM architecture.
Energies 15 00988 g002
Figure 3. Representation of simulated grid connected inverter system with and without fault.
Figure 3. Representation of simulated grid connected inverter system with and without fault.
Energies 15 00988 g003
Figure 4. Block diagram representation of the process to obtain real-time phase angle values from grid.
Figure 4. Block diagram representation of the process to obtain real-time phase angle values from grid.
Energies 15 00988 g004
Figure 5. Block diagram representation of control scheme.
Figure 5. Block diagram representation of control scheme.
Energies 15 00988 g005
Figure 6. Proposed control embedded in inverter control board.
Figure 6. Proposed control embedded in inverter control board.
Energies 15 00988 g006
Figure 7. Current flowing from inverter to grid before and after fault with conventional control.
Figure 7. Current flowing from inverter to grid before and after fault with conventional control.
Energies 15 00988 g007
Figure 8. Instantaneous power flowing to grid before and after fault with conventional control.
Figure 8. Instantaneous power flowing to grid before and after fault with conventional control.
Energies 15 00988 g008
Figure 9. Current flowing from inverter to grid before and after fault with proposed control.
Figure 9. Current flowing from inverter to grid before and after fault with proposed control.
Energies 15 00988 g009
Figure 10. Instantaneous power flowing to grid before and after fault, using proposed control.
Figure 10. Instantaneous power flowing to grid before and after fault, using proposed control.
Energies 15 00988 g010
Figure 11. Three-phase current flowing from inverter to grid under no fault condition.
Figure 11. Three-phase current flowing from inverter to grid under no fault condition.
Energies 15 00988 g011
Figure 12. Current after fault with conventional vector control.
Figure 12. Current after fault with conventional vector control.
Energies 15 00988 g012
Figure 13. Current after fault with proposed control.
Figure 13. Current after fault with proposed control.
Energies 15 00988 g013
Table 1. Values of power (P 3 φ ) and inverter voltages (v i n 1 ) and (v i n 2 ) for different values of ϕ .
Table 1. Values of power (P 3 φ ) and inverter voltages (v i n 1 ) and (v i n 2 ) for different values of ϕ .
ϕ P 3 φ (p.u)v in 1 (p.u)v in 2 (p.u)
0 0.5001.005 5.71 0.915–116.87
30 0.5771.054 4.72 0.954–114.79
60 0.5001.088 2.63 1.005–114.29
90 0.2891.100 0.00 1.054–115.28
120 0.0001.088–2.63 1.088–117.37
180 −0.5001.005–5.71 1.088–122.63
Table 2. Advantages of proposed smart meter over state of art smart meters.
Table 2. Advantages of proposed smart meter over state of art smart meters.
Sl. No.Existing Smart Meters FunctionalityProposed Smart Meter FunctionalityObservations
1Single User InterfaceMulti User InterfaceMultiple players can integrate with a single meter that can perform multiple operations based on player demand
2Metering data for billing and prefixed functionsData are utilized for more applicationsUnlike traditional smart meters, the data of the proposed smart meter can be used not only for billing but also to provide a wide range of customized grid services during faults and requirements
3No PMU FunctionalitiesPrecise Phasor synchronizationAllows synchronous PMU measurements
4Medium to high cyber securityEnhanced cyber-securityAs the metrology meter is separated from the programmable meter, the basic functions of metrology are highly secure in a black box configuration.
5Low to medium grid data redundancyRedundancy for grid data such as voltage and frequencyAllows local check of data consistency
Publisher’s Note: MDPI stays neutral with regard to jurisdictional claims in published maps and institutional affiliations.

Share and Cite

MDPI and ACS Style

Sharma, N.; Chakraborty, A.K. Implementation of Dynamic Controls for Grid-Tied-Inverters through Next-Generation Smart Meters and Its Application in Modernized Grid. Energies 2022, 15, 988. https://doi.org/10.3390/en15030988

AMA Style

Sharma N, Chakraborty AK. Implementation of Dynamic Controls for Grid-Tied-Inverters through Next-Generation Smart Meters and Its Application in Modernized Grid. Energies. 2022; 15(3):988. https://doi.org/10.3390/en15030988

Chicago/Turabian Style

Sharma, Navonita, and Ajoy Kumar Chakraborty. 2022. "Implementation of Dynamic Controls for Grid-Tied-Inverters through Next-Generation Smart Meters and Its Application in Modernized Grid" Energies 15, no. 3: 988. https://doi.org/10.3390/en15030988

APA Style

Sharma, N., & Chakraborty, A. K. (2022). Implementation of Dynamic Controls for Grid-Tied-Inverters through Next-Generation Smart Meters and Its Application in Modernized Grid. Energies, 15(3), 988. https://doi.org/10.3390/en15030988

Note that from the first issue of 2016, this journal uses article numbers instead of page numbers. See further details here.

Article Metrics

Back to TopTop