ZVS Realization of H-Bridge Low-Voltage High-Current Converter via Phase-Shift and Saturable Control
Abstract
1. Introduction
2. Voltage Spikes Generation and Suppression
2.1. Voltage Spike Generation Mechanism
2.2. Voltage Spike Suppression with Saturable Inductors
3. Parameters Design in the Converter
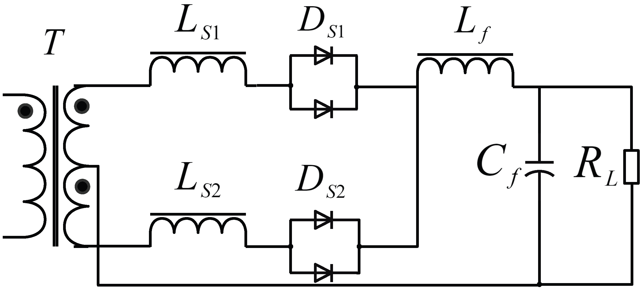
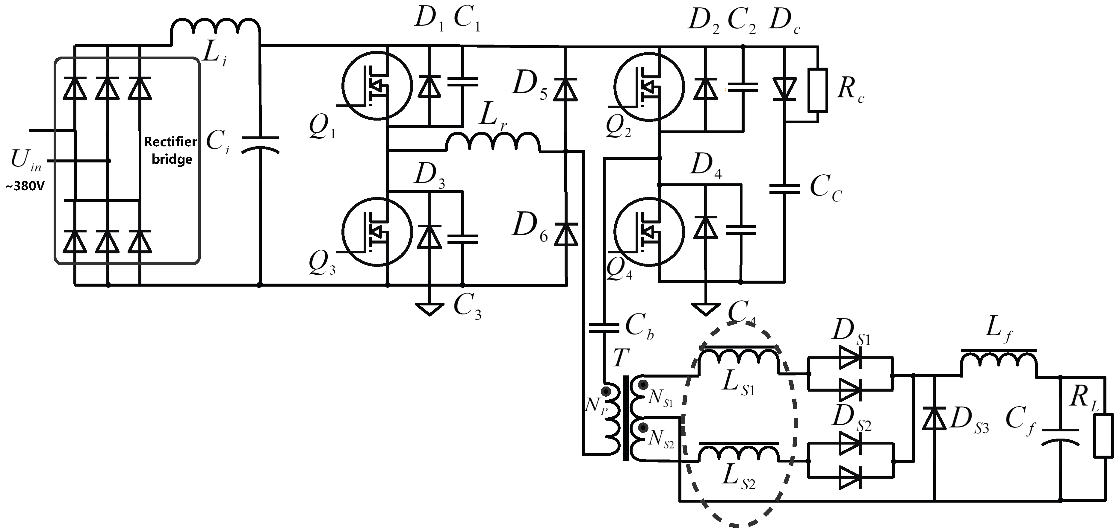
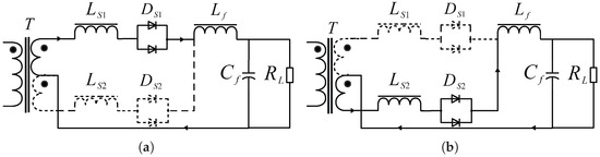
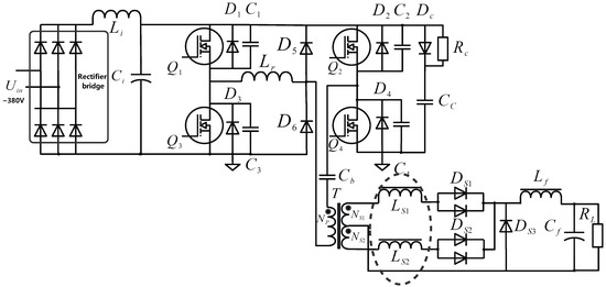
3.1. Design of the Circuit
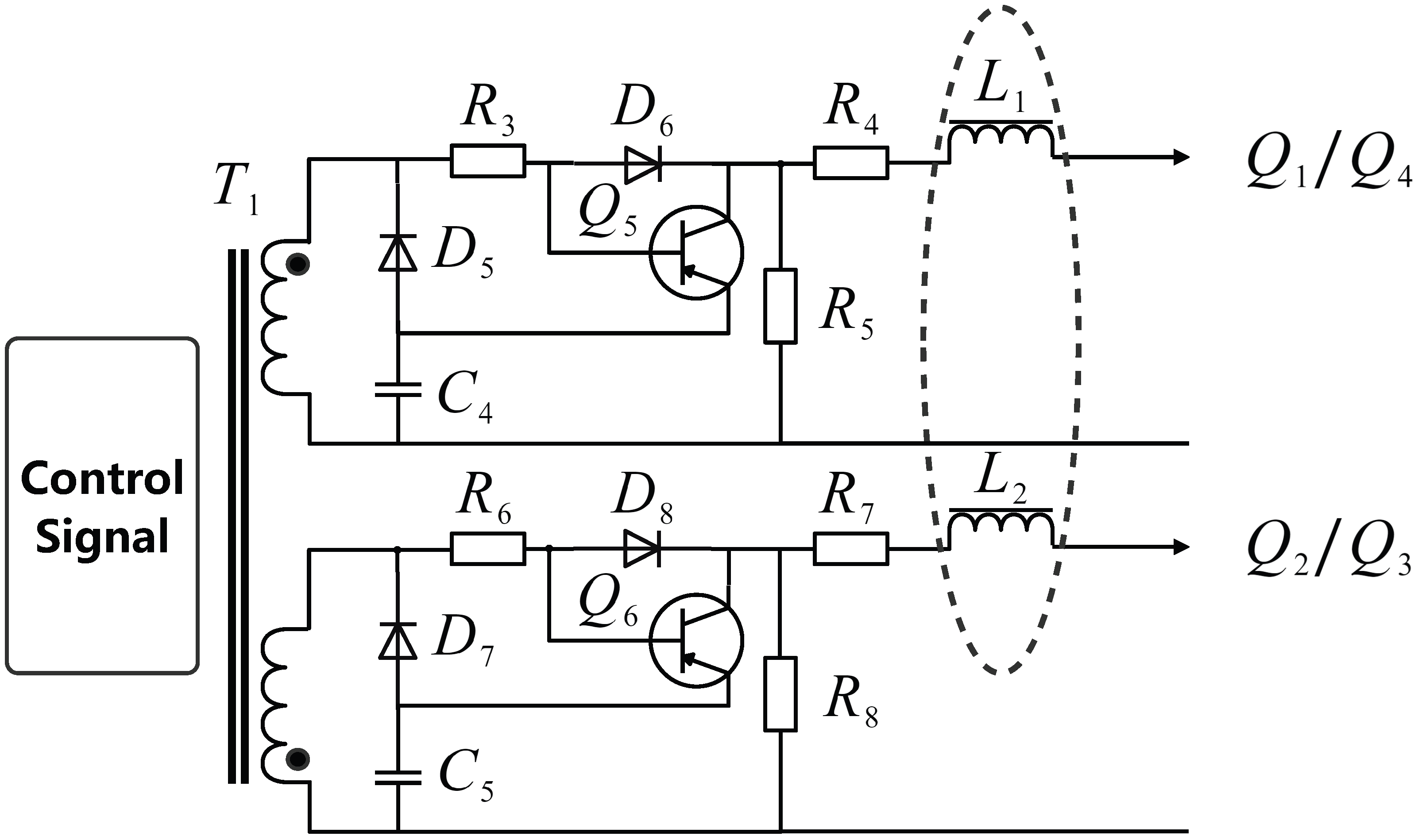
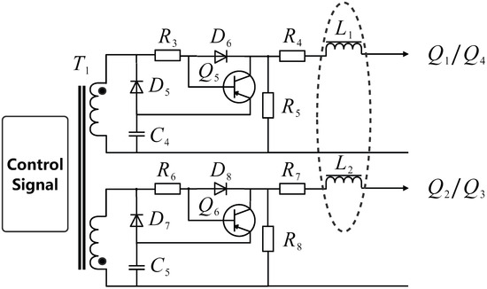
3.2. Design of Drive Circuit
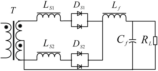
3.3. Detailed Design of High-Frequency Transformer
3.4. Detailed Design of Saturable Inductors
4. Efficiency Analysis
5. Experimental Verification
6. Conclusions
Author Contributions
Funding
Data Availability Statement
Conflicts of Interest
References
- Zhang, H.; Isobe, T. An Improved Charge-Based Method Extended to Estimating Appropriate Dead Time for Zero-Voltage-Switching Analysis in Dual-Active-Bridge Converter. Energies 2022, 15, 671. [Google Scholar] [CrossRef]
- Zha, D.; Wang, Q.; Cheng, M.; Deng, F.; Buja, G. Regulation Performance of Multiple DC Electric Springs Controlled by Distributed Cooperative System. Energies 2019, 12, 3422. [Google Scholar] [CrossRef]
- Wang, Q.; Niu, S. A Novel DC-Coil-Free Hybrid-Excited Machine with Consequent-Pole PM Rotor. Energies 2018, 11, 700. [Google Scholar] [CrossRef]
- Sun, T.; Liu, H.; Peng, G.; Tang, P.; Zhang, X. Modeling of ZVS PWM FB DC/DC Converter Based on Equivalent Switching Circuit Model. In Proceedings of the Intelligent Control and Automation, Dalian, China, 21–23 June 2006. [Google Scholar]
- Khodabakhsh, J.; Moschopoulos, G. A Study of T-Type and ZVS-PWM Full-Bridge Converters for Switch-Mode Power Supplies. IEEE Trans. Power Electron. 2019, 35, 7145–7159. [Google Scholar] [CrossRef]
- Adam, A.; Hou, S.; Chen, J. ZVS Operation Range Analysis and Deadband Conditions of A dual H-bridge Bidirectional DC-DC Converter with Phase Shift Control. In Proceedings of the 2019 IEEE International Conference on Environment and Electrical Engineering and 2019 IEEE Industrial and Commercial Power Systems Europe (EEEIC/I&CPS Europe), Genova, Italy, 11–14 June 2019. [Google Scholar]
- Wang, Y.; Zhang, Y.; Wang, Y.; Zhu, L.; Guan, Y.; Chen, S.Z.; Zhang, G.; Yang, L. A Dual-Active-Bridge With Half-Bridge Submodules DC Solid-State Transformer for DC Distribution Networks. IEEE J. Emerg. Sel. Top. Power Electron. 2021, 9, 1891–1904. [Google Scholar] [CrossRef]
- Zhang, G.; Zeng, J.; Yu, S.S.; Xiao, W.; Zhang, B.; Chen, S.Z.; Zhang, Y. Control Design and Performance Analysis of a Double-Switched LLC Resonant Rectifier for Unity Power Factor and Soft-Switching. IEEE Access 2020, 8, 44511–44521. [Google Scholar] [CrossRef]
- Xue, J.; Xin, Z.; Chen, J.; Wang, H.; Blaabjerg, F. An Improved di/dt -RCD Detection for Short-Circuit Protection of SiC mosfet. IEEE Trans. Power Electron. 2020, 36, 12–17. [Google Scholar] [CrossRef]
- Zheng, W.; Hu, C.; Zhao, B.; Su, X.B.; Wang, G.; Hou, X.W.; Gu, B. A Two-Stage DC/DC Isolated High-Voltage Converter with Zero-Voltage Switching and Zero-Current Switching Applied in Electronic Power Conditioners. Energies 2022, 15, 6378. [Google Scholar] [CrossRef]
- Kan, R.V.; Agostini, E. Hybrid T-Type ZVS Pulsewidth Modulation DC-DC Converter. IEEE Trans. Ind. Electron. 2021, 68, 9420–9432. [Google Scholar] [CrossRef]
- Mishima, T.; Koji, Y. Zero Voltage Soft-Switching Phase-Shift PWM Controlled Three-Level DC-DC Converter for Railway Auxiliary Electric Power Unit. In Proceedings of the 2019 IEEE Applied Power Electronics Conference and Exposition (APEC), Anaheim, CA, USA, 17–21 March 2019. [Google Scholar]
- Saeed, J. A ZVS-ZCS phase shift full bridge DC-DC converter with secondary-side control for battery charging applications. Int. J. Circuit Theory Appl. 2018, 46, 1407–1415. [Google Scholar] [CrossRef]
- Zhang, G.; Li, Z.; Zhang, B.; Halang, W.A. Power electronics converters: Past, present and future. Renew. Sustain. Energy Rev. 2018, 81, 2028–2044. [Google Scholar] [CrossRef]
- Zhang, G.; Chen, J.; Zhang, B.; Zhang, Y. A critical topology review of power electronic transformers: In view of efficiency. Chin. J. Electr. Eng. 2018, 4, 90–95. [Google Scholar] [CrossRef]
- Huang, W.; Zhang, S.; Yan, R.H. Novel Spread Spectrum Communication Theory and the Anti-jamming Applications. In Proceedings of the 2021 6th International Conference on Inventive Computation Technologies (ICICT), Coimbatore, India, 20–22 January 2021. [Google Scholar]
- Wang, Y.; Wang, Y.; Chen, S.Z.; Zhang, G.; Zhang, Y. A Simplified Minimum DC-Link Voltage Control Strategy for Shunt Active Power Filters. Energies 2018, 11, 2407. [Google Scholar] [CrossRef]
- Zhang, G.; Ou, Z.; Qu, L. A Fractional-Order Element (FOE)-Based Approach to Wireless Power Transmission for Frequency Reduction and Output Power Quality Improvement. Electronics 2019, 8, 1029. [Google Scholar] [CrossRef]
- Hong, J.; Deng, X.; Zhang, G.; Huang, Z.; Li, X.; Zhang, Y. Sneak Circuit Identification of An Improved Boost Converter with Soft-Switching Realization. IEEE J. Emerg. Sel. Top. Power Electron. 2018, 7, 2394–2402. [Google Scholar] [CrossRef]
- Wei, S.; Wen, W. High-Frequency Oscillation of the Active-Bridge-Transformer-Based DC/DC Converter. Energies 2022, 15, 3311. [Google Scholar] [CrossRef]
- Li, R.; Xu, D.; Feng, B.; Mino, K.; Umida, H. Efficiency and EMI Analysis for a ZVS-SVM Controlled Three-Phase Boost PFC Converter. In Proceedings of the APEC 07 - Twenty-Second Annual IEEE Applied Power Electronics Conference and Exposition, Anaheim, CA, USA, 25 February–1 March 2007. [Google Scholar]
- Zeng, J.; Zhang, G.; Yu, S.S.; Zhang, B.; Zhang, Y. LLC resonant converter topologies and industrial applications—A review. Chin. J. Electr. Eng. 2020, 6, 73–84. [Google Scholar] [CrossRef]
- Hren, A.; Korelic, J.; Milanovic, M. RC-RCD clamp circuit for ringing losses reduction in a flyback converter. IEEE Trans. Circuits Syst. II Express Briefs 2006, 53, 369–373. [Google Scholar] [CrossRef]
- Qin, W.; Wu, X.; Zhang, J. Current-Feed Single-Switch Forward Resonant DC Transformer (DCX) With Secondary Diode-Clamping. IEEE Trans. Ind. Electron. 2017, 64, 7790–7799. [Google Scholar] [CrossRef]
- Song, H.; Zhang, Y.; Gao, J.; Zhang, Y.; Feng, X. Clamping-diode Circuit for Marine Controlled-source Electromagnetic Transmitters. J. Power Electron. A Publ. Korean Inst. Power Electron. 2018, 18, 395–406. [Google Scholar]
- Boriskov, P.; Velichko, A.; Shilovsky, N.; Belyaev, M. Bifurcation and Entropy Analysis of a Chaotic Spike Oscillator Circuit Based on the S-Switch. Entropy 2022, 24, 11693. [Google Scholar] [CrossRef] [PubMed]
- Kumar, R.; Wu, C.C.; Liu, C.Y.; Hsiao, Y.L.; Chieng, W.H.; Chang, E.Y. Discontinuous Current Mode Modeling and Zero Current Switching of Flyback Converter. Energies 2021, 14, 5996. [Google Scholar] [CrossRef]
- Liu, H.; Wang, Y.; Wheeler, P.; Zhou, X.; Zhu, K. A Voltage Spike Suppression Strategy Based on De-Re-Coupling Idea for the Three-Phase High-Frequency Isolated Matrix-Type Inverter. IEEE Trans. Power Electron. 2022, 37, 9024–9034. [Google Scholar] [CrossRef]
- Zhao, Y.; Xiao, Q.; Zhang, Z.; Zhao, X.; Lin, D. Research on ZVS Phase-Shifted Full-Bridge Broadband Inverter Based on Auxiliary Current Source. Energies 2022, 15, 8661. [Google Scholar] [CrossRef]
- Khan, D.; Hu, P.; Waseem, M.; Yasir Ali Khan, M.; Tahir, M.; Annuk, A. Practical Evaluation of Loss Reduction in Isolated Series Resonant Converter with Fixed Frequency Modulation. Energies 2022, 15, 5802. [Google Scholar] [CrossRef]
- Mahafzah, K.A.; Obeidat, M.A.; Al-Shetwi, A.Q.; Ustun, T.S. A Novel Synchronized Multiple Output DC-DC Converter Based on Hybrid Flyback-Cuk Topologies. Batteries 2022, 8, 93. [Google Scholar] [CrossRef]












| Losses Type | Equation | Conditions |
|---|---|---|
| : the average current through : the DC resistance of | ||
| 4 | : switch gate charge or : voltage needed to charge the gate f: switching frequency | |
| or : the average current through or or :the DC resistance of or | ||
| : Constants related to magnetic materials
: the average current through the transformer : the DC resistance of the transformer |
| Device | Parameter |
|---|---|
| Three-phase AC input voltage | |
| Control chip | UCC2895 |
| Power cube | SPP17N80C3 (800 V, 17 A, 0.29 ) |
| Output rectifier tube | MBRP400100CT |
| Main transformer ferrite core | PQ40/40Z (TDK) |
Publisher’s Note: MDPI stays neutral with regard to jurisdictional claims in published maps and institutional affiliations. |
© 2022 by the authors. Licensee MDPI, Basel, Switzerland. This article is an open access article distributed under the terms and conditions of the Creative Commons Attribution (CC BY) license (https://creativecommons.org/licenses/by/4.0/).
Share and Cite
Xu, P.; Liu, X.; Yu, S.S.; Pang, L. ZVS Realization of H-Bridge Low-Voltage High-Current Converter via Phase-Shift and Saturable Control. Energies 2022, 15, 9488. https://doi.org/10.3390/en15249488
Xu P, Liu X, Yu SS, Pang L. ZVS Realization of H-Bridge Low-Voltage High-Current Converter via Phase-Shift and Saturable Control. Energies. 2022; 15(24):9488. https://doi.org/10.3390/en15249488
Chicago/Turabian StyleXu, Pingfan, Xiaoyi Liu, Samson Shenglong Yu, and Lisheng Pang. 2022. "ZVS Realization of H-Bridge Low-Voltage High-Current Converter via Phase-Shift and Saturable Control" Energies 15, no. 24: 9488. https://doi.org/10.3390/en15249488
APA StyleXu, P., Liu, X., Yu, S. S., & Pang, L. (2022). ZVS Realization of H-Bridge Low-Voltage High-Current Converter via Phase-Shift and Saturable Control. Energies, 15(24), 9488. https://doi.org/10.3390/en15249488

