Next Article in Journal
Simulation-Based Fault Detection Remote Monitoring System for Small-Scale Photovoltaic Systems
Next Article in Special Issue
Design Space Analysis of the Dual-Active-Bridge Converter for More Electric Aircraft
Previous Article in Journal
Behavior-Aware Aggregation of Distributed Energy Resources for Risk-Aware Operational Scheduling of Distribution Systems
Previous Article in Special Issue
AC–AC Modular Multilevel Converter—Hexverter
 
 
Font Type:
Arial Georgia Verdana
Font Size:
Aa Aa Aa
Line Spacing:
Column Width:
Background:
Review

Review, Challenges and Potential of AC/AC Matrix Converters CMC, MMMC, and M3C

by
Luiz Carlos Gili
,
Julio Cesar Dias
and
Telles Brunelli Lazzarin
*
Department of Electrical Engineering, Federal University of Santa Catarina (UFSC), Florianópolis 88040-900, Brazil
*
Author to whom correspondence should be addressed.
Energies 2022, 15(24), 9421; https://doi.org/10.3390/en15249421
Submission received: 9 November 2022 / Revised: 3 December 2022 / Accepted: 8 December 2022 / Published: 13 December 2022

Abstract

This article presents a review and a comparison of the conventional matrix converter (CMC), multimodular matrix converter (MMMC), and multilevel matrix modular converter (M3C) topologies, which are three of the main topologies of the matrix family. The study of the CMC supplies basic knowledge for these structures and then the concept of multilevel matrix converters used in MMMC and M3C topologies is approached. The study addresses modulation strategies and switching sequences for the topologies to provide implementation guidelines and harmonic content reduction. The design is also carried out and results of the three topologies are shown to exemplify their operation. Finally, the article presents a comparison between the topologies to highlight the advantages and challenges of each one. This study contributes information on the three topologies, which are not easily found in the literature, especially in terms of modulation and switching strategies. It also highlights applications and research points that have to improve.

1. Introduction

In generation systems, energy conversion with high efficiency is one of the main concerns, as it directly influences the final cost of generated energy. With the emergence of multilevel converters, high efficiency can be achieved by using low-voltage switches and improving the switching losses, while reducing the size of filters [1].
In the field of high power (>1 MVA) and medium voltage (>2.2 kV) converters for motor drives, several researchers have made significant efforts to search for new topologies of converters, or solving technical problems and optimizing the performance of existing topologies for specific applications [2,3,4,5]. During the last decade, high-power semiconductor technology has improved, and several studies have focused on optimizing existing topologies and their variants. Currently, the most common structures for high-power applications are AC–DC–AC topologies with input diode or active rectifiers and output voltage source inverters (VSI) [6] (Figure 1). In some applications, current source converters (CSC) have also found a place in [7] industry. In addition to conventional converters that are relatively mature, some alternative topologies, including various types of hybrid multilevel converters [8,9,10], active clamping diodes (active neutral point clamped—ANPC) [11,12], modular multilevel converters (MMC) [13,14], and multilevel matrix converters [15,16] have also attracted interest in recent years. While the overall effectiveness and benefits of these emerging topologies still need further investigation, some of them have already proven to be commercially attractive. Correspondingly, modulation and control strategies adapted to these new converters have been proposed and studied in a large number of recent publications, contributing to improve operational performance, as well as to explore new possibilities.
With the evolution of semiconductors and processors used in converters, some topologies that were not practical in the past are back as the focus of studies and some new topologies are emerging to meet society’s demands. Some of the major positive points for a converter nowadays are its efficiency, reliability, and power density. As a result, matrix converters are gaining ground as they appear to be a solution to the problem of having to use the DC bus (Direct Current) in AC–DC–AC (Alternating Current—AC) converters, direct AC–AC topologies have been studied for several decades, among them, there are the cycloconverters [17] and the conventional matrix converter (CMC) [18,19,20], that is the basis for the topologies studied in this paper. The CMC has interesting attributes, however, it is not yet used for high power levels, as there are no available semiconductor devices yet to be used in this type of converter and presents challenges for the protection of semiconductors when the converter is subjected to voltage surges. Because the conventional matrix converter is great for use, but not adequate at high power levels, a new converter called multilevel matrix converter has emerged, which incorporates the concepts of multiple levels and direct energy conversion and has the advantage of using capacitors to clamp the voltages on the semiconductors and, thus, becomes inherently more robust than a CMC.
This family of matrix converters can process high power and voltage levels with existing semiconductors. Currently, research on these topologies has advanced and there is a large number of publications, including several multilevel converter topologies, such as the clamping diode converter (NPC) [21], the converter with floating capacitor (FLC) [22], and with full bridge cells (Cascaded H-Bridge—CHB) [23]. These topologies are combined with the concept of the matrix converter, generating the multilevel matrix NPC [24], FLC [25], and multilevel CHB [26] converters.
To date, only a certain type of multilevel MC topology has been implemented commercially for medium voltage, here designated as multimodular matrix converter (MMMC). The topology is composed of three phases for each MC power module, connected so as to allow the converter to work with high power and medium voltage levels. It is reported in [2] that the medium voltage unit marketed using this topology achieved 3 MVA/3.3 kV with three MC modules in series per phase, and 6 MVA/6.6 kV, with six modules in series per phase. Being a member of the MC family, the MMMC has some features, such as elimination of DC energy storage components, extended lifetime, inherent four-quadrant operation, and fast dynamic performance. In addition, it also has the inherited characteristics of the CHB structure, such as modular design, flexible scalability, and high-quality output voltage waveforms [27]. The major disadvantage of this structure is the need for a multi-pulse transformer to generate the phase-shifted voltages needed for each converter module. This significantly increases the volume of the converter and its cost, in addition to influencing the overall performance of the structure. The MMMC also lacks the inherent clamping capability of voltages across its power semiconductors and, therefore, requires surge protection circuitry such as the CMC.
The most cited multilevel matrix structure in the literature is the topology proposed by Erickson in [28], called multilevel modular matrix converter (M3C). Its structure is similar to the CMC, but with characteristics of multilevel converters and without the multi-pulse transformer used in the MMMC structure. In addition, the M3C has features, such as current-fed input and output, simplified control compared to the MMC topology and can work as a step-up or step-down converter, which makes it a preferred candidate for many studies into machine drives. However, its structure is complex compared to conventional multilevel converters and, for this reason, several researchers propose small changes in the topology to improve the general control of the converter. Among them is the addition of inductors in each H-bridge module, which facilitates the balance of capacitor voltages, reduces the chance of destructive short circuits due to failure in command pulses, and makes the control similar to the conventional MMC [29,30]. Another problem found in this topology is its operation at very low frequencies or in conditions where the input and output frequencies are close to each other [31]. Balancing the capacitor voltages becomes extremely difficult at these two operating points [32,33].
This article presents a literature review of matrix converters, starting with the CMC, which was one of the first matrix topologies proposed in the literature [34,35]. It is possible to study the basic functioning of these structures by first understanding the CMC, so that the concept of multilevel structures used in the other two topologies can be better understood. Important points, such as the rules for the possible connections of switches and their respective modulations, are exposed. Next, the topologies M3C [28], MMMC [2] and CMC [34,35] are also studied, following the same methodology as the CMC. Thus, in the following pages, the article reviews operational aspects, modulation and compares these three important topologies of direct ca–ca converters.

2. CMC

The main function of the MC is to perform the energy conversion in a single stage, with variable frequency and magnitude at the input and output, without using passive devices in a DC link. These are topologies that use bidirectional switches and operate with forced switching, typically using IGBTs. A typical MC can generate output voltages with higher or lower frequency than the input, has the inherent ability to work in four quadrants, process sinusoidal voltages and currents at the input and output, and, finally, has the ability to regulate the input power factor [19,36].
When comparing the MC with two-stage back-to-back converters (AC–DC/DC–AC), it offers advantages, such as reduced size and higher power density. It also features improved life expectancy due to the elimination of bulky passive DC bus components, which often cause problems and affect the dynamic performance. However, for not using a DC link, they are known for using relatively complex modulation and switching techniques, in addition to limited voltage gain.
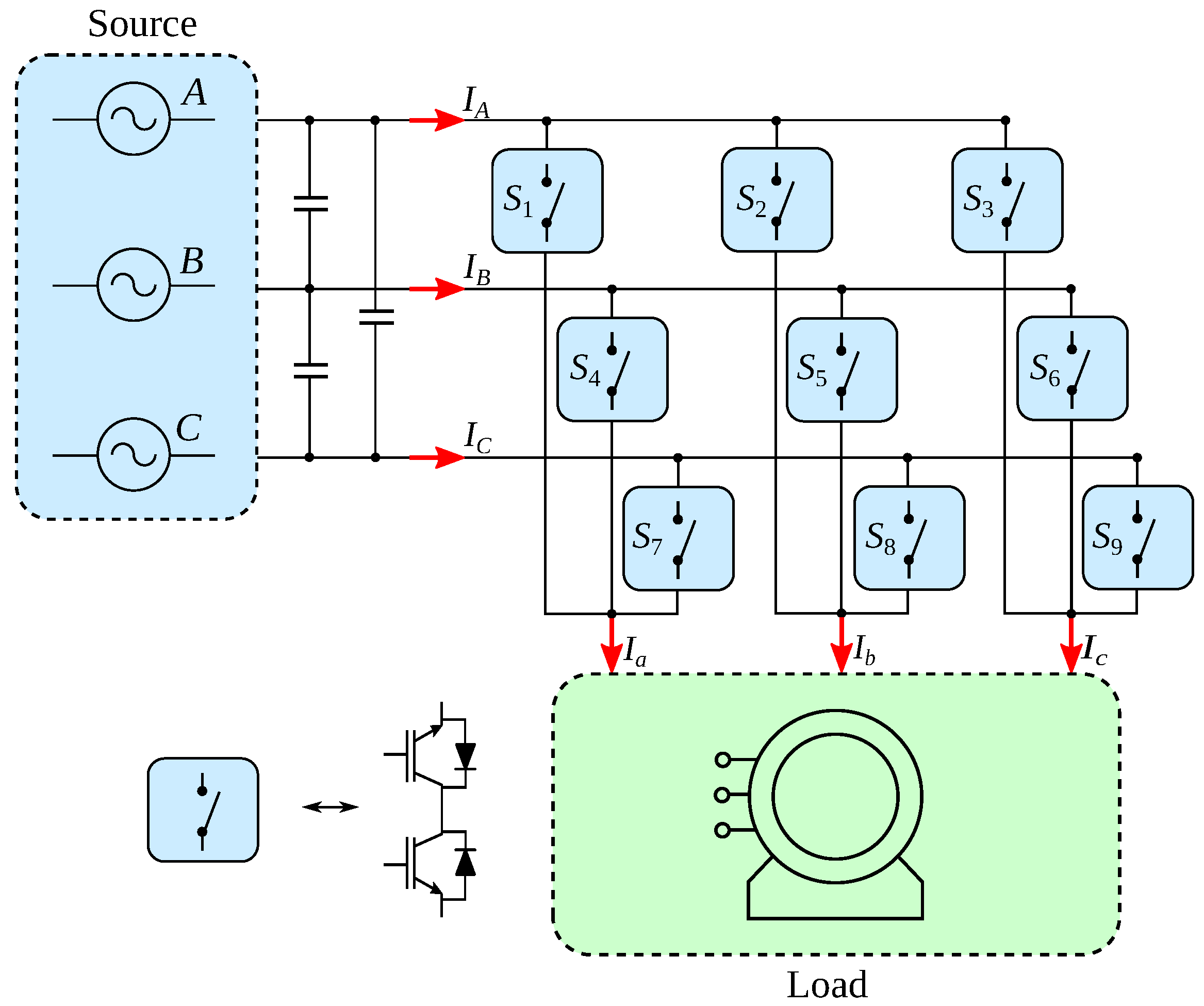
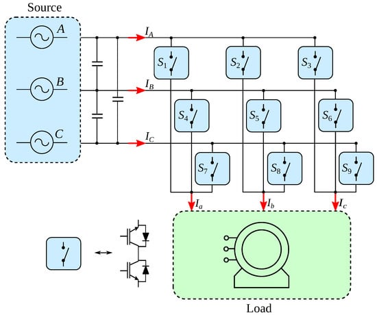
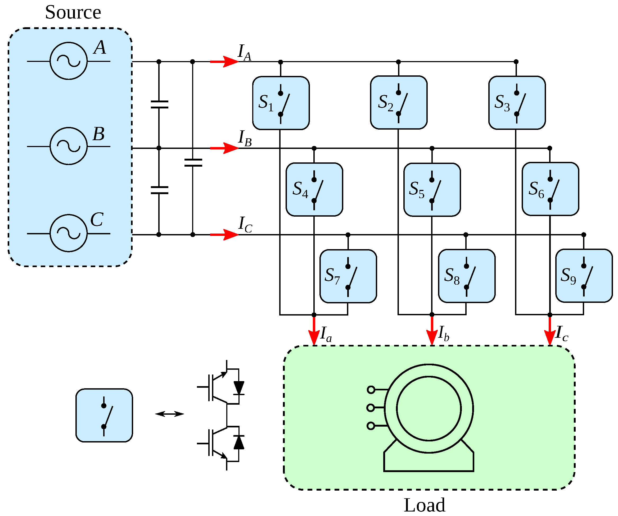
The advent of new switch technologies and the advance in control techniques makes the MC a more attractive alternative to two-stage converters, in which power density and regeneration capability are of great importance. Among all the configurations, the MC with three inputs and three outputs (3 × 3 MC), referred to as CMC, shown in Figure 2, and its topological variants, have attracted research interest. Although the CMC study has been around for a long time [18,34], the subject has resurfaced in recent years and has captured the attention of academia and industry. By solving some major technical problems, such as bidirectionality of switches, MCs have achieved practical applications [2].
The basic feature of the CMC is the possibility of interconnecting each of the inputs to each of the outputs independently, controlled, and bidirectionally. In a system with three supply phases A, B, and C; and load supplied through three phases a, b, and c; nine bidirectional switches are required (The input phases in this paper will be referred to with capital letter and the output phases with lower case). This topology provides a direct and independent connection between the three input and output phases. The interest in this type of converter lies in the fact that it can present [20,37,38,39,40]:
  • Simple and compact circuits;
  • Output voltage modulation with adjustable amplitude and frequency;
  • Currents with sinusoidal characteristics at the input and output;
  • Operation with unity displacement factor at the input with any type of load at the output;
  • Four-quadrant operation.
Despite numerous advantages, the CMC also has disadvantages, which have been addressed in several published works [41,42,43] on the direct matrix converter. Many advances have been achieved; however, some challenges are still the subject of investigation, such as:
  • Reduction in the number of power devices;
  • Protection against voltage surges;
  • Encapsulation of modules and devices;
  • Operation in situations of disturbances in the electrical network (imbalances, momentary interruptions);
  • Increase in control complexity;
  • Maximum static gain of 0.866;
  • Bidirectional switch implementation.
The CMC converter in Figure 2 consists of an arrangement of nine bi-directional switches that directly connect a three-phase source to a three-phase load [44,45,46]. The voltages and currents synthesized by the CMC are generated by activating combinations of two-way switches for certain periods. There are restrictions on not short-circuiting the input phases and/or opening any output phase (in the case of loads with inductive characteristics). Therefore, for each arm of the CMC only one (1) switch must be activated at any given time.
With the aid of Figure 2, it is possible to calculate the output voltages and input currents for all combinations of switches. From the Clarke transform given by Equation (1), the three-phase coupled voltages and currents are to an uncoupled two-phase system [47].
v α v β v 0 = 2 3 1 1 2 1 2 0 3 2 3 2 1 2 1 2 1 2 · v a v b v c
The resulting values, which can be analyzed in their vector form, are grouped in tables, where each combination receives a name with its respective description of the magnitude and angle of the output voltage and input current.
In [40], the most commonly used configurations and the switches that must remain on to compose this vector are described. There is the possibility of using other vectors, called rotational vectors [48].
The vectors can be represented in the α β plane for both voltage and current vectors, and divide the α β plane into six sectors of 60 each, ranging from one to six. Figure 3 show the 18 active output voltage and input current vectors, respectively, in the α β plane.
The amplitudes of the voltage vectors and current in a matrix converter vary with the currents in the current port and with the line voltages in the voltage port.

2.1. Modulation

The large number of switches present in the CMC makes modulation a complex task. One alternative to overcome this problem is to use space vector modulation (SVM). SVM is extremely widespread in the literature [20,49,50,51,52,53,54] and is widely used in the industry to drive traditional converters, such as three-phase AC–AC indirect devices that have a DC bus. This strategy, when initially proposed, only allows the control of the output voltage [17]. After successive development, the SVM can exploit the many benefits of the CMC, such as control of the displacement factor of the input current, independent from the displacement factor of the output and the reduction in the number of commutations per switching period [35].
SVM modulation for matrix converters has the inherent capability of complete control over the output voltage (frequency and modulation index) and control of the displacement factor of the input current [42,55].
In view of all these benefits, SVM modulation has become widespread in the MC literature [19,20,28,34,35]. Due to its advantages and popularity, it was chosen to be studied in this article, in addition to the fact that it can be applied to all converters studied here.

2.2. Switching Pattern

The SVM algorithm must always apply three vectors, two active and one null [56]. The distribution sequence of these combinations does not necessarily have to follow the Table 1, as they can be exchanged and even divided. The choice of Switching Pattern, or the distribution of these combinations, can directly affect the number of switching per period and even change the harmonic content of input currents and output voltages [57].
The Switching Pattern commonly used is the symmetric type, with the application of a null vector in the middle of the period. The choice of which of the three vectors will be applied follows the premise of reducing the number of commutations.
The equations for the calculation of the duty cycles and the application time of each combination can be calculated using the expressions presented in [40].

2.3. Example of Project and Results

The results to be shown will be directed to the analysis of the output voltages. However, it should be remembered that the SVM strategy allows the converter to operate with a unity input current displacement factor, and these waveforms can be seen in [40].
The operation of the CMC converter is verified in simulation using Simulink/MATLAB with the parameters in Table 2. Figure 4 shows the line voltage waveforms and the harmonic spectrum related to it. Note that the CMC can generate only three levels of line voltage, thus causing the total harmonic distortion (THD) to be high compared to multilevel converters.
Due to the reduced number of levels in the output voltage, there are low frequency harmonics (Figure 4), in addition to the spectrum around the switching frequency and its multiples, contributing to the high harmonic distortion. However, compared to traditional low-power voltage converters, the CMC can deliver a greater number of benefits, two of which are the low volume of the converter and the ability to control the input current displacement. On the other hand, it is necessary to employ more complex modulation and control.

2.4. Partial Conclusions on the CMC

There are several topologies to be used as a voltage source inverter (VSI) for low voltage, and as a source of generic comparison. Table 3 shows the main characteristics, advantages and disadvantages of conventional, indirect matrix and direct matrix converters. According to previous studies, the indirect topology has higher conduction losses compared to the CMC [58]. While in the conventional matrix converter the phase current flows only through one switch and one diode, in the indirect one this current flows through two switches and one diode.
Most of the articles on the CMC are studies of the low voltage, in which the converter can operate at high switching frequencies. In addition, high-power applications were not considered viable for the MC, due to concerns about switch efficiency and its limits. Recently, however, there has been a growing interest in introducing high powered MCs [25,28,36,61]. Due to the limitations of switches, the CMC is not yet a viable option for high voltages. In order to break this barrier, researchers have directed their attention to produce MC topologies that incorporate the concepts of multilevel converters. During the last decade, they emerged from the integration of the concepts of multilevel voltage source converter (VSC) and CMC, resulting in multilevel MC clamped diode, multilevel MC clamped capacitor, and multilevel MC multimodular diode converters. In addition to being from the MC family, these topologies also have characteristics similar to those of multilevel VSCs. Correspondingly, its modulation and control aspects have been studied in a series of publications as seen in [13,15,16,24,25,28].
The MC clamping diode converter is developed from the indirect construction of conventional MCs. The indirect construction separates the converter into a rectifier stage and another inverter without storage components on the DC link. Instead of using a two-level VSC, a three-level neutral-point clamped (NPC) converter is employed in the inverting phase to provide more output voltage levels. Recently, several topological variants of the multilevel NPC-MC have been discussed in some publications [15,24,61]. Compared to CMC, multilevel MC NPCs improve output voltage at the cost of increasing number of switches. However, the voltage stress on semiconductor devices, especially for those of the rectifier, is not reduced. Therefore, the topology is not yet suitable for high-voltage applications.
Another multilevel MC topology called MC clamped capacitor was proposed in 2005 [25]. This converter employs six capacitors to balance the voltage distributed between the switch modules to provide average voltage levels. Tension effort is reduced by half compared to CMC. As a result, the output voltage and current harmonics are also significantly reduced. The major disadvantage of this topology lies in the large number of capacitors, as well as the number of switches and the complexity of the converter.

3. MMMC

The MMMC, shown in Figure 5, is formed by 3 × 2 MC modules (i.e., three-phase input to a single-phase output module), the MMMCs are very similar to the cascaded H-bridge (CHB) converter, but they differ in the construction of the power module. In a CHB converter, each module contains a DC link and the output voltage is synthesized from a DC input, while, in the MMMC, the module output voltage is generated directly from the three-phase input voltage. Due to the series connection of the power modules, the MMMC can achieve high voltage and power levels using only low-voltage IGBTs. However, they also need a multi-pulse transformer at the input, such as the CHB. So far, the MMMC is the only commercial multilevel MC topology [2,16].
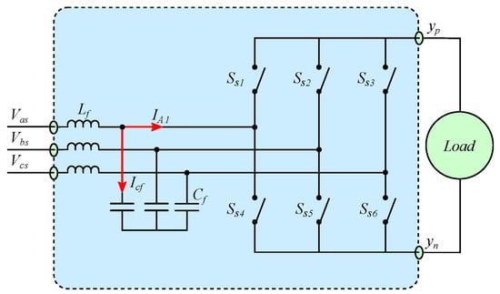
The MMMC has an switching cell that uses bidirectional switches, and each module uses six bidirectional switches (see Figure 5). The high number of switches is a disadvantage of the MMMC topology [62].
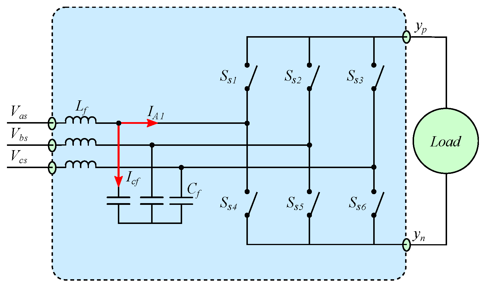
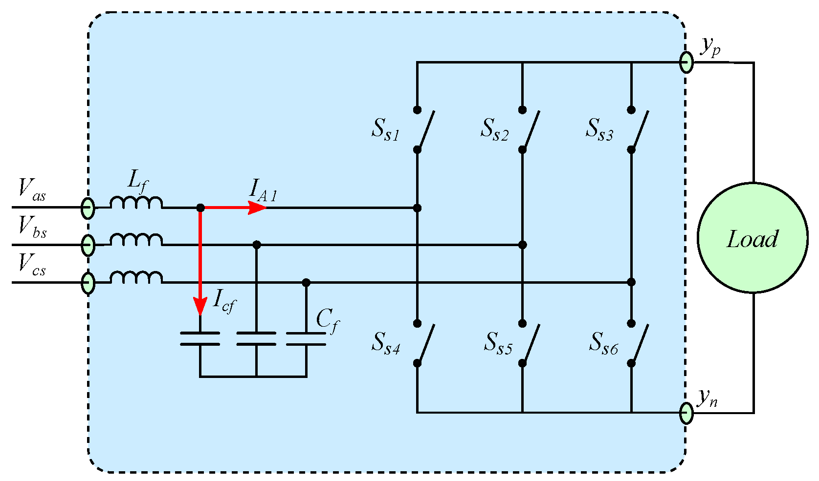
Figure 6 shows the MC module used in the MMMC. Under normal operating conditions, the switches can be turned on or off, the output terminals y p and y n can be connected to any of the three input phases a, b, and c depending on the desired voltage level. In the input part, the MC module is connected to the secondary winding of a transformer ( V a s , V b s , and V c s ). The input filter is used to filter the harmonics generated by switching. The load must be inductive, as the converter needs a constant flow of current to produce a sinusoidal current waveform at the input.
Similar to the CMC (3 × 3), the MC module (3 × 2) has switching limitations. No switching state can short-circuit the filter capacitors and interrupt the current in the inductive load. Therefore, at an instant of time, only two switches can be turned on in the MC module, one from the top ( S s 1 , S s 2 , S s 3 ) and one from the bottom ( S s 3 , S s 5 , S s 6 ).

3.1. Modulation

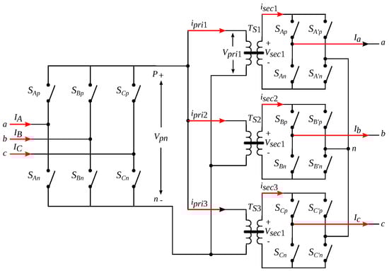
The modulation used here for the MMMC is indirect SVM. The modulation considers a virtual DC link between the rectifier and inverter parts. The indirect model of the MMMC with three modules, one per phase, shown in Figure 7 is used as a basis for the study of modulation [27].
Symbolic switches have the same restrictions for switching. In the rectifier stage, the restrictions are the same as in the CSR (Current Source Rectifier). In the inverter stage, the constraints are identical to the VSI (Voltage Source Inverter). Therefore, SVM is performed independently for the input and the output stages of the converter. The rectifier stage assumes that the total bus current is constant, and is considered a current source for generating input currents. The inverter assumes that the bus voltage is constant to design the voltages at the output terminals.
Similar to the one used in the CMC, the basic principle of indirect modulation is to apply the SVM separately to the rectifier and inverter stages, before making the switch combinations to produce the final command signals. In the rectifier stage, the traditional SVM to operate CSR can be easily applied. Using the α β transform for the input current, we have the diagram in vector space synthesizing the current vector in Figure 8.
The application of SVM in the rectification step modulates the input currents with a sinusoidal waveform by applying a unit displacement factor. The duty cycles are composed by the vectors calculated in (2).
d u = m c · sin ( π / 3 β i ) d v = m c · sin ( β i ) d 0 = 1 d u d v
where m c represents the modulation index of the rectifier, which is normally used as 1, since the magnitude of the input current depends on the load. β i is the angle of the reference sector i i .
The inverter part uses the SVM shown in Figure 9. Based on the magnitude of the vectors, they are divided into groups, as described below:
  • Zero Vector V o , represents three switching states ppp, nnn, and ooo, the magnitude of V o is zero.
  • Short Vectors ( V 1 V 6 ), all have magnitude 1 3 V p n , each small vector has two switching states, one containing p and another n, so it can be classified as small vector N-type and P-type.
  • Mean Vectors ( V 7 V 12 ), whose magnitude is 2 3 V p n .
  • Large Vectors ( V 13 V 18 ), all with magnitude 2 3 V p n .
As seen in Figure 9, all vectors have a combination of voltages for each phase of the inverter. For example for the vector V 7 ( p o n ) the terminal an must have the voltage p, the bn the voltage o and cn the voltage n.
In the case of three-level SVM, the reference vector is synthesized by three closest stationary vectors, generating a superior harmonic quality. To demonstrate the relationship between time and V r e f , Figure 10 is used as a base. Assuming that the tip of the vector V r e f is exactly at the center of the triangle of region 4, at point Q, the vectors V 2 V 7 V 14 have the same size as their origin up to the point Q. This can be verified by substituting θ s e c = 49.1 and m v = 0.882 in the equations of Table 1 in [63], resulting in T a = T b = T c = 0.333 T S . If you move V r e f towards the vector V 2 , it means that the vector V 2 has a stronger influence on v e c V r e f , which results in a longer application time of the vector V 2 . When V r e f is identical to V 2 , the time T c representing the vector V 2 has the maximum value ( T c = T s ), while the times T a and T b of the vectors V 14 and V 7 have their value decreased to zero [63].

3.2. Switching Pattern

The order of the switching sequence and switching frequency reflect harmonic performance on the waveform. So, it is necessary to define a proper switching sequence in the modulation to obtain optimal results.
Figure 11 illustrate two different switching sequences that are exemplified by the phases a and b. To distinguish the difference between them, we consider v c n in a particular period, in which it takes on the value zero, while v a n is positive and v b n is negative. With these conditions, the duty cycles for the phase a and b are the same. In the figures, V L L 1 and V L L 2 denote two magnitudes corresponding to two input line voltages over the DC bus. d u s 1 , d u s 1 and d u s 1 represent the final value derived for the duty cycles presented in [27]. In this exemplified case, d u s 1 is greater than d u s 1 .
Both switching sequences, I and II, generate the same output phase a, with positive polarity. In sequence I, the voltages v a n and v b n have the same amplitude values in time, but they are opposite, that is, one with a positive value and the other negative, so the resulting line-to-line voltage V a b is v a n ( v b n ) . The resulting voltage is twice the amplitude of the phase voltage. This characteristic causes the d v / d t of the load voltage to be large and, depending on the load used, it produces a stress due to the high derivative of the voltage. Although this switching sequence generates the desired voltages, there is another way of doing it that improves the voltage derivative and the THD of the final [63] waveform.
Sequence II reverses the position of the times d u s 1 and d u s 1 whenever the phase voltage is negative. In this example, the voltage v b n is negative and you can see that the waveforms are practically complementary to each other. The resulting voltage has a more distributed value over the switching period and does not have a zero value. This results in a better quality THD and a reduction in the voltage derivative at the [63] load.
These two sequences are the main choices for switching from this converter. The first technique is the most used for driving converters, dividing only the duty cycle in half and distributing it symmetrically during the switching time. The second technique uses additional logic to change the time distribution whenever the phase voltage is negative. This results in some advantages, the main ones being the reduction in the d v / d t of the load voltage and the improvement in THD compared to switching I.

3.3. Example Project and Results

The MMMC also uses SVM modulation, however, a different version to the one used in the CMC. Combined with a structure that uses a transformer and some differences in its switching cell, the SVM’s ability to vary the input current displacement is limited. The current that circulates in each phase of the secondary is also a problem, as it is a non-sinusoidal current, causing the transformer to suffer from it [27], and a suitable design is necessary.
The parameters used for this converter are shown in Table 4. Figure 12 displays the line voltage waveforms and also the harmonic spectrum related to it. As the MMMC is a converter capable of producing various voltage levels, the comparison with the CMC is not valid. However, the improvement of THD is high, showing the superiority of multilevel converters in relation to harmonic distortion, which is a target point for filter reduction. It is noteworthy that in high-power applications the currents are high, generating bulky filters. So, filter reduction is a very important point when choosing the topology.
Two highlights related to the modulation and switching of this converter should be noted. In the first one, it is necessary to operate at higher modulation indices, making use of the most external vectors of the SVM, and consequently operating with more voltage levels at the output of the converter. As for the switching sequence, as shown in [63], it can change the harmonic content, so the most appropriate choice for this topology is the switching sequence II, shown in Figure 11.

3.4. Partial Conclusions on the MMMC

MMMC topologies combine the benefits of multilevel converters and direct energy conversion. Similar to multilevel converters, MMMCs enables the use of low-power, low-voltage semiconductors, and are able to provide multilevel output waveforms resulting in a high-quality waveform output voltage (low THD). In addition, they also have characteristics of MCs, such as elimination of DC link components, four-quadrant operation capability, high dynamic response, production of sinusoidal currents and voltages at the input and output of the converter, and the ability to vary the factor of input power.
The study of indirect modulation by spatial vectors for the MMMC converter using the indirect SVM approach in both the rectification and inversion steps was exposed in the modulation section. With this modulation it is possible to shift the current, frequency and amplitude of the output voltage, in addition to generating sinusoidal waveforms both at the input and at the output of the converter.
The switching of MMMC switches is controlled based on the theory presented in this previous section. The steps to be performed for the correct operation of the converter will be summarized below:
  • Identify the location of the rectification and inversion vector in their respective vector spaces.
  • Calculate the duty cycles of both stages.
  • Combine the duty cycles [27].
  • Determine the switches involved in each switching.
  • Implement the switching sequence, in which case one of the two choices must be predetermined.

4. M3C

Aiming to improve the performance of bidirectional topologies that use two converters in back-to-back series, single-stage AC–AC structures generally have high efficiency compared to AC–DC–AC [64] solutions. As seen for low voltage, CMC is a good option. At high powers, the MMMC appears as one of the attractive solutions, even with the use of bidirectional switches similar to the CMC and a multi-pulse transformer, which, in addition to increasing the total volume of the topology, also influences the decreased efficiency.
In this context, the topology proposed by Erickson in [64] was proposed. Since then, several researchers have studied modulation, control, and small topology variations (such as including an inductor in series with the modules) to improve some aspects of the converter.
The two main problems mentioned in the previous matrix structures, which is the use of bidirectional and transformer switches, were improved by Erickson in his proposal. He modified the converter’s switching cell, using a full bridge with IGBTs, freewheeling diodes and a capacitor. In addition, the solution does not use a transformer.
The multilevel matrix modular converter (Figure 13) synthesizes the input and output voltages by switching the module capacitor voltage. This operation differs from the conventional matrix converter, in which one side synthesizes current and the other the voltage. Additionally, inductors can be used as filters on both sides of the converter. Due to its symmetrical multilevel structure, the topology can operate as both a Buck and Boost mode.
In [64] it was explained that this topology must follow some rules referring to the family of matrix converters, in which it was defined that there must always be five modules leading at each moment (in [64] all existing connections are shown).
On the other hand, the structure proposed by Erickson has challenges related to the balance of capacitor voltages. Operating with frequencies close to zero on one side or with frequencies close to between input and output makes controlling voltages across capacitors difficult or even impossible. In [31] the relationship of the fluctuation of the capacitors voltage in relation to the operating frequency is shown. For this problem, several articles ([33,65,66,67,68]) proposed the introduction of an inductor in series in each module, as seen in Figure 14.
Other works ([69,70]) also suggested the use of coupled inductors in the modules (Figure 15). However, the concept of using inductors and inductors coupled side is the same, to control the capacitor voltages with the circulating current between modules, as is standard for MMC converters [29].
The additional inductors, either the single or the coupled inductors, allow the use of other types of modulation, because when injecting the circulating currents between the modules, it is no longer necessary to follow the rule of the matrix converter of always having five modules leading to every moment. Therefore, various types of modulations can be used, such as level shifted SPWM (Sinusoidal Pulse Width Modulation), IPD (In-Phase Disposition), POD (Phase Opposition Disposition), and APOD (Alternative Phase Opposition Disposition).
The control of the circulating currents was done in [71,72] using the α β double transform to decouple the dynamics of the input, output, and circulating currents of the converter from the coupled inductors. Subsequently, the same methodology was exposed for use in the topology with the simple inductor [65]. This control technique fulfills its purpose, however it requires additional inductors in series with each one of the nine modules. Furthermore, these inductors have inductance values very close to those used in input and output filters, that is, inductances in the order of tens of mH depending on the application. Remembering that the converter is used at high power, which generates high currents in the inductors and, consequently, large dimensions.
The basic principle of matrix converters is to perform the energy conversion in a single stage so that the structure volume is smaller than that of conventional AC–DC–AC double conversion converters. So, to solve the problem of not using the inductors, or using one with a small value, the articles [73,74,75,76,77,78] proposed an intermediate solution. They developed the control strategy using an inductor in series with the modules, but they are inductors with inductance in the tens of μ H . The inductors are used only to limit the current derivative in the modules, so that the proposed control can balance the voltages in the capacitors. Therefore, with this new approach, it is possible to reduce the overall volume of the topology.

4.1. Modulation

The modulation used for the M3C is the same proposed by Erickson, who does not use inductors in series with the modules. As seen in Figure 2 and Figure 13, the CMC converters and the basic two-level topology of M3C are similar, changing their switching cell, with the CMC using bidirectional switches and the M3C bridge converters complete. Therefore, the modulation for the two topologies tends to be similar, changing some aspects related to the implementation of each vector in the converter. The biggest difference in the circuit is the introduction of a capacitor, which must be controlled for the correct functioning of the converter.
In [79], the balance of voltage across the capacitors was proposed. Instead of using a null vector, as seen in the SVM modulation shown so far, two vectors with opposite directions would be introduced so that their sum generates zero (Figure 16). Thus, the added vectors could be used to balance the capacitors without harming the input and output voltage waveforms.
However, this control was not satisfactory as mentioned before, not being able to operate at low frequencies or in cases with close frequencies at the input and output. This strategy also cannot control the capacitors when more than one module is used in series. Therefore, control concepts for the original M3C will not be discussed here, only the modulation aspects. SVM for M3C can be run as follows:
1.
Read the input and output voltages.
2.
Perform the α β transform (Equation (1)) of the two voltages read. Two diagrams are created in vector space, as shown in Figure 3, one for each side of the converter. The difference here is that both sides synthesize current, so the two vector planes will be equal.
3.
The duty cycles are calculated for the input (3) and for the output (4).
4.
Searches for combinations of vectors that synthesize both input and output voltages, similar to what was performed for the CMC.
5.
Returns to the first step and repeats the routine.
d k = m c · sin ( π / 3 β ~ i ) d l = m c · sin ( β ~ i ) d 0 ̲ i n = 1 d k d l
d m = m c · sin ( π / 3 α ~ o ) d n = m c · sin ( α ~ o ) d 0 ̲ o u t = 1 d m d n

4.2. Switching Pattern

The input and output reference vectors have different magnitudes and phases, so the duty cycles on either side will have different values. The input and output vectors change at different times. As a result, each switching period can have at most five distinct subintervals (Figure 17), which have different combinations of input and output vectors. It is observed that the order of vectors in each switching period is arbitrary.
Erickson proposed two modulation schemes in [64] for the M3C converter when operated at two levels: the eight-capacitor modulation scheme and the single-capacitor modulation scheme. With the eight-capacitor scheme, a converter configuration for each sub-interval is generated and all nine switching cells conduct currents at any one time. Additionally, the capacitors are connected in parallel. In each switching period, a total of eight capacitors are involved in the synthesis of terminal voltages. This increases the effective capacitance to transfer power through the converter proposed by [26]. On the other hand, a combination of the switching cells for each sub-interval is chosen from redundant switching combinations with the single-capacitor modulation scheme. In this case, only a capacitor is used to synthesize terminal voltages over a switching period. This approach can minimize the currents flowing between the capacitors. Consequently, the stability of capacitor voltages and the efficiency of the converter are improved [79].
The guarantee that the switching cell capacitor used over an existing switching period is achieved with the vector pattern shown in Figure 18, in a switching period, each side of the converter synthesizes the terminal voltages using three vectors: a zero vector and two vectors with magnitude 2 v c a p 3 . For both the input and output sides, the pattern starts with the null vector, then the vector with the highest duty cycle, ending with the vector with the shortest time.
Figure 19 shows how to choose the capacitors to be used with the single-capacitor technique. The case where the null vector of the output is smaller than that of the input ( d 0 _ i n > d 0 _ o u t ) is illustrated in Figure 19a. There is a different capacitor selection every 60 for the output vector and every 120 for the input vector. For the reverse situation, when d 0 _ i n < d 0 _ o u t the input and output exchange positions, as shown in Figure 19b.
As an example for the case d 0 _ i n > d 0 _ o u t , if the reference vector of the output has an angle of 10 (it is within the region of the vector V 1 ) and the reference vector has the angle of 280 , the capacitor C B a should be chosen. This capacitor is the module capacitor that connects the input phase B with the output phase a. However, for the same values of the input and output reference vectors, but in the situation where d 0 _ i n < d 0 _ o u t , the capacitor C C b should be chosen.
To use the technique with a capacitor, it is necessary to follow two steps:
  • The position of the input and output reference vectors must be ordered in the sequence in which the vector with the highest duty cycle is positioned after the null vector.
  • The input and output vectors are compared to choose which of the two parts of Figure 19 will be used to choose the capacitor.
It is important to note that the voltage ratio must be respected for the single capacitor technique [26] to be valid.
1 3 V i p k V o p k 3

4.3. Example of Project and Results

The M3C has current-fed input and output, so it is able to vary the current displacement in its two ports, for example, if it is extracting current from a wind turbine and injecting it into the electrical grid.
Table 5 shows the parameters used in the M3C converter simulation and the Figure 20 the result wave forms. When compared it with the MMMC, the M3C has a better harmonic distortion, much is due to the use of capacitors in this topology and how the balance of their voltage is performed. The M3C modulation and control influence the quality of its waveforms, as it is a relatively newer topology than the MMMC, many studies are being carried out to improve the performance of the topology (in the next chapter a comparison between the topologies will be performed).

4.4. Partial Conclusions on the M3C

This family of converters introduced by Erickson in 2002 [64] takes a different approach to converters existing up to that date. Some of its advantages are the ability to increase and decrease the voltage amplitude, operation with different values of power factor, use of several switching cells in series to generate multilevel waveforms and the variation of both input and output frequencies.
The topology also has some disadvantages, mostly related to the balance of capacitors. A solution proposed to improve this problem was adding inductors to each module of the converter, however, this measure increases the volume of the topology, which goes against what is expected of a matrix converter. This reduced volume is expected to compensate for the converter’s operating difficulties. The modulation and control processing of these converters require a more elaborate hardware. Thus, if the volume and conversion rate are better than conventional AC–DC–AC topologies, even with complex control, it can be a viable solution.
Another approach to solve the capacitor balance problem was proposed in [74]. Therefore, it was possible to considerably reduce the size of the inductors. The modulation technique used for this topology is SVM, as it is not possible to use level-shifted SPWM modulations.

5. Analysis and Comparison of Topologies

A comparison of the topologies studied in this article is presented in Table 6. This comparison aims to visualize the main characteristics of each converter. AC–AC converters with energy storage elements are frequently used in the industry and have several advantages. The switching strategies are simplified when compared to matrix converters and, to a certain extent, are immune to mains disturbances due to the decoupling made by the capacitor from the DC bus. One of the disadvantages of this converter family is the reduced lifespan due to the capacitors used on the DC bus, especially when operating in hotter environments. The capacitors used in the DC bus for low voltage are generally electrolytic, and for medium voltage levels film capacitors are used, thus increasing the weight and volume of the converter. Topologies that use diode rectifiers at their input stage cannot perform input current control. This causes the current to have high harmonic distortion and, consequently, a low power factor. Matrix converters can overcome these issues. They are currently divided into three groups, direct [19,35], indirect [80,81], and multilevel matrix converters [27,82]. Direct and indirect converters are employed in low-voltage applications, for medium- and high-voltage applications the multilevel structures are preferred. There are several advantages related to matrix converters, such as the possibility of controlling the output voltage frequency, adjusting the static gain, extremely versatile and compact structure, and the adjustable power factor. In this article, some comparisons will be made between the three topologies studied, in order to show the outstanding quality of each one, not for a direct comparison, as each one applies in a voltage and power range, which makes them suitable in different applications.
The CMC is the the most widespread matrix topology in the literature. The default modulation used for these converters is the SVM. The Switching Pattern is where there is greater freedom to modify some patterns and improve the waveforms, where redundant vectors can be chosen, as well as the sequence in which these vectors are arranged in the switching. These choices directly impact the harmonic content of the currents and converter voltages. As shown in Table 6, the CMC can operate only as a voltage step-down converter, being able to operate with a maximum modulation index of 0.866 under normal conditions, or operate with over-modulation techniques, thus, being able to exceed this value. The switches for this topology need to be able to operate in four quadrants, causing some drawbacks in the construction of this type of converter. In addition to the switch associations, it is necessary to use techniques to drive them appropriately. This technique is commonly referred as four-step switching [58], where it is necessary to know the direction of the current in the switch and its current in a future state in order to define which sequence will be used to drive all switches based on a predefined sequence. Although its modulation and gate drivers are more complex, the CMC reduces the amount of passive devices, as it only uses filters for the input and output of the converter, these being low-volume and simple depending on the application’s needs. A circuit rarely mentioned in the literature about this topology, but which is as essential as the topology itself, is the clamp circuit (Figure 21). Without clamping, it is practically impossible to implement the converter, as this circuit is needed to clamp the voltage at the input and output terminals so that there is no overvoltage in the switches. As mentioned in Table 6, the CMC uses 18 switches to implement as 9 four-quadrant switches, connecting them in series in a common-collector or common-emitter configuration. Its modulation and control were defined here with medium implementation difficulty.
Although CMCs present several advantages, they are not adequate for applications with high power and medium voltage ratings. The introduction of the multilevel concept in the family of matrix converters offers an opportunity to conceive new converters, two of the best known are the MMMC and the M3C. The MMMC is already industrially produced, because its structure is a little simpler and its control is well defined in the literature. It also uses a transformer, which for many industrial applications is essential for electrical insulation. It also allows it to operate either as a voltage step-down or voltage booster, as shown in Table 6 and with gain depending on the transformer ratio ( V o u t ( N s / N p ) 0.866 V i n ). Despite these advantages, this structure is limited to operating with some predefined levels, not being a scalable topology for any situation. In addition, it uses two-way switches, which bring all the problems mentioned above, but now with even more complexity, as this topology has a greater number of switches compared to the CMC. The MMMC can operate with several levels of output voltage, but the combination of modules used depends on the constructive model of the transformer, therefore, it is possible to operate in 3 and 7 levels, using 36 and 108 switches, respectively. Other variations of the MMMC with different levels have not yet been published, probably due to the difficulty of building the transformer. The modulation difficulty is considered high, despite being a modulation already widespread in the literature, its application to multilevel converters carries a high degree of difficulty. Control adds even more complexity, making its rating extra high.
The M3C is still under development and needs more studies to improve its control and simplify its modulation. A feature of the M3C is the possibility of working as a step-down and voltage booster ( 0 V o u t V i n ), without a transformer, as in the MMMC. As mentioned previously, the CMC and MMMC generate more complexity due to the four-quadrant switches, in which it is necessary to use the four-step switching technique. However, for the M3C, a simple method for coordinating switch transitions “break before make” is used [82]. This method requires that all transistors that are to be switched off must first be turned off; after a short delay, the transistors that are to be switched on are then turned on. During this off time, the current is not interrupted due to the anti-parallel diodes used in the switching cell.
The modularity of the M3C converter makes this structure more practical for higher voltage and power levels. The converter can be expanded with the addition of more switching cells in series, starting from 3 levels to infinity, theoretically. The practical limit of its implementation has not been imposed in the literature yet. Table 6 shows the number of switches and diodes for 3, 5, and 7 levels, starting with 36 switches and diodes, adding the same amount for each level added.
M3C uses capacitors in parallel with each switching cell, adding two problems to this structure. The first is the use of capacitors, which was a point discussed as a drawback due to the added volume and decreased lifetime, but with this cell the bidirectional switch is not necessary. Defining the best between them is debatable, but as more levels are added, it is preferred to choose the cell with capacitors. The second point is the need to balance the voltage of these capacitors, which is one of the most studied disadvantages of this converter in recent years. It should be noted that, for operation at frequencies close to the input and output, or at very low frequencies on one of the two sides of the converter, the voltage control in the capacitors becomes impossible. For this reason, some researchers have inserted inductors in series with the switching cell, making it possible to control the voltage in the capacitors due to the circulating current, in the same way it is done with the multilevel modular converter [29,30]. The insertion of the inductor also facilitates the control of the structure for a greater number of levels, the SVM being no longer used as modulation, but some variations of carrier-based modulations. This consequence can also be seen as a disadvantage, as there is a need for nine additional inductors that process a considerable current in this topology due to the power levels that these structures are subjected to. Unlike the CMC, that uses capacitors on one side of the converter, making it necessary for three switches to be conducting at all times, the M3C uses inductors on both sides of the converter, so it is necessary that five switching cells are always conducting. Control and modulation complexity for this converter are considered of extra-high difficulty. Both involve advanced mathematics, combined with special control and discretization techniques to be able to operate the converter.
All topologies present some advantages and disadvantages, but they also have many characteristics in common, coming from the family of matrix converters. One of these characteristics is the application, these topologies are applied almost predominantly to drive machines, the difference is the power level they are more suitable to operate.

6. Conclusions

A review of CMC, MMMC, and M3C matrix converters in terms of modulation, implementation challenges, advantages, and disadvantages is approached in this paper. The main objective was to provide theoretical material that encompasses essential information about these topologies in order to support their use. The literature on the subject is distributed in several articles and some books, which makes it extremely difficult to study and develop subjects in the area, as well as to get started in this study subject. For this reason, a review was initially carried out on the matrix and multilevel matrix converters. Subsequently, the structure of the conventional matrix converter was presented, despite not being used with high power and voltage levels, was presented for a better understanding of this family of converters. This topology is the basis for the direct matrix family and, consequently, it is essential to understand how it works in order to add the multilevel concepts to the structure. The chapter on this converter introduces the philosophy of the matrix converter family and its concepts. Topology advantages and disadvantages are discussed. The SVM is demonstrated in a simple way focused on practical implementation, along with a possible switching pattern. At the end, an application example along with its output voltage waveform and harmonic spectrum is presented.
For the MMMC and M3C converters, the same sequence of chapters is adopted, in which a general analysis of the topology is carried out, followed by modulation and switching pattern. For these two converters, the concepts of multilevels are added to the matrix topology, each with advantages and disadvantages. For both converters, a design and waveform are presented, as these two have more similarities, it is possible to make a comparison of the results obtained. At the end of the article, a more specific comparison is made between each converter to better highlight their qualities. It is worth mentioning that the comparison is not performed to determine which is better, since each converter is used for different voltage levels and powers. The purpose of the comparison is to show and highlight your qualities, challenges, and evolution. The CMC is primarily applied to low-voltage machine drives, the MMMC and M3C for high-voltage applications. If the application requires galvanic isolation, the MMMC is the ideal choice, otherwise, the M3C is more versatile and may be a more suitable choice. However, for each specific application a more detailed study is necessary for the ideal choice of converter.
Finally, the material presented herein contributes as a guide for further studies, contributing important information compiled and discussed in the text. Many derivations could be addressed in this broad subject. The focus was to bring important information, from basic to complex, to be a means of reference for new studies.

Author Contributions

Conceptualization, L.C.G.; original draft preparation L.C.G.; technical review, J.C.D. and T.B.L.; English review and editing L.C.G., J.C.D. and T.B.L. All authors have read and agreed to the published version of the manuscript.

Funding

This research was funded by the Brazilian National Council on Research and Development—CNPq (Process No. 142413/2016-0).

Data Availability Statement

Not applicable.

Conflicts of Interest

The authors have no conflict of interest to declare.

References

  1. Almazeedi, K.J. Modeling and Control of the Currents and Capacitor Voltages of a Novel Modular Matrix Converter. Ph.D. Thesis, University of Colorado, Boulder, CO, USA, 2005. [Google Scholar]
  2. Yamamoto, E.; Hara, H.; Uchino, T.; Kawaji, M.; Kume, T.J.; Kang, J.K.; Krug, H.P. Development of mcs and its applications in industry [industry forum]. IEEE Ind. Electron. Mag. 2011, 5, 4–12. [Google Scholar] [CrossRef]
  3. Mirzaee, H.; De, A.; Tripathi, A.; Bhattacharya, S. Design Comparison of High-Power Medium-Voltage Converters Based on a 6.5-kV Si-IGBT/Si-PiN Diode, a 6.5-kV Si-IGBT/SiC-JBS Diode, and a 10-kV SiC-MOSFET/SiC-JBS Diode. IEEE Trans. Ind. Appl. 2014, 50, 2728–2740. [Google Scholar] [CrossRef]
  4. Bai, H.; Zhao, Z.; Mi, C. Framework and research methodology of short-timescale pulsed power phenomena in high-voltage and high-power converters. IEEE Trans. Ind. Electron. 2009, 56, 805–816. [Google Scholar] [CrossRef]
  5. Yuan, X. A set of multilevel modular medium-voltage high power converters for 10-MW wind turbines. IEEE Trans. Sustain. Energy 2014, 5, 524–534. [Google Scholar] [CrossRef]
  6. Rodríguez, J.; Bernet, S.; Wu, B.; Pontt, J.O.; Kouro, S. Multilevel voltage-source-converter topologies for industrial medium-voltage drives. IEEE Trans. Ind. Electron. 2007, 54, 2930–2945. [Google Scholar] [CrossRef]
  7. Wu, B.; Pontt, J.; Rodríguez, J.; Bernet, S.; Kouro, S. Current-source converter and cycloconverter topologies for industrial medium-voltage drives. IEEE Trans. Ind. Electron. 2008, 55, 2786–2797. [Google Scholar]
  8. Manjrekar, M.D.; Steimer, P.K.; Lipo, T.A. Hybrid multilevel power conversion system: A competitive solution for high-power applications. IEEE Trans. Ind. Appl. 2000, 36, 834–841. [Google Scholar] [CrossRef]
  9. Veenstra, M.; Rufer, A. Control of a hybrid asymmetric multilevel inverter for competitive medium-voltage industrial drives. IEEE Trans. Ind. Appl. 2005, 41, 655–664. [Google Scholar] [CrossRef]
  10. Rech, C.; Pinheiro, J.R. Hybrid multilevel converters: Unified analysis and design considerations. IEEE Trans. Ind. Electron. 2007, 54, 1092–1104. [Google Scholar] [CrossRef]
  11. Brückner, T.; Bernet, S.; Güldner, H. The active NPC converter and its loss-balancing control. IEEE Trans. Ind. Electron. 2005, 52, 855–868. [Google Scholar] [CrossRef]
  12. Kieferndorf, F.; Basler, M.; Serpa, L.; Fabian, J.H.; Coccia, A.; Scheuer, G. A new medium voltage drive system based on ANPC-5L technology. In Proceedings of the 2010 IEEE International Conference on Industrial Technology, Via del Mar, Chile, 14–17 March 2010; pp. 643–649. [Google Scholar]
  13. Akagi, H. Classification, terminology, and application of the modular multilevel cascade converter (MMCC). IEEE Trans. Power Electron. 2011, 26, 3119–3130. [Google Scholar] [CrossRef]
  14. Hagiwara, M.; Akagi, H. Control and experiment of pulsewidth-modulated modular multilevel converters. IEEE Trans. Power Electron. 2009, 24, 1737–1746. [Google Scholar] [CrossRef]
  15. Lee, M.Y.; Wheeler, P.; Klumpner, C. Space-vector modulated multilevel matrix converter. IEEE Trans. Ind. Electron. 2010, 57, 3385–3394. [Google Scholar] [CrossRef]
  16. Kang, J.; Yamamoto, E.; Ikeda, M.; Watanabe, E. Medium-voltage matrix converter design using cascaded single-phase power cell modules. IEEE Trans. Ind. Electron. 2011, 58, 5007–5013. [Google Scholar] [CrossRef]
  17. Huber, L.; Borojevic, D. Space vector modulator for forced commutated cycloconverters. In Proceedings of the Conference Record of the IEEE Industry Applications Society Annual Meeting, San Diego, CA, USA, 1–5 October 1989; pp. 871–876. [Google Scholar]
  18. Venturini, M. A new sine wave in, sine wave out conversion technique eliminates reactive elements. Proc. Powercon 1980, 7, 80014188636. [Google Scholar]
  19. Wheeler, P.W.; Rodriguez, J.; Clare, J.C.; Empringham, L.; Weinstein, A. Matrix converters: A technology review. IEEE Trans. Ind. Electron. 2002, 49, 276–288. [Google Scholar] [CrossRef]
  20. Huber, L.; Borojevic, D. Space vector modulated three-phase to three-phase matrix converter with input power factor correction. IEEE Trans. Ind. Appl. 1995, 31, 1234–1246. [Google Scholar] [CrossRef]
  21. Nabae, A.; Takahashi, I.; Akagi, H. A new neutral-point-clamped PWM inverter. IEEE Trans. Ind. Appl. 1981, IA-17, 518–523. [Google Scholar] [CrossRef]
  22. Meynard, T.A.; Foch, H.; Thomas, P.; Courault, J.; Jakob, R.; Nahrstaedt, M. Multicell converters: Basic concepts and industry applications. IEEE Trans. Ind. Electron. 2002, 49, 955–964. [Google Scholar] [CrossRef]
  23. Hammond, P.W. A new approach to enhance power quality for medium voltage drives. In Proceedings of the Industry Applications Society 42nd Annual Petroleum and Chemical Industry Conference, Denver, CO, USA, 11–13 September 1995; pp. 231–235. [Google Scholar]
  24. Kolar, J.W.; Schafmeister, F.; Round, S.D.; Ertl, H. Novel three-phase AC–AC sparse matrix converters. IEEE Trans. Power Electron. 2007, 22, 1649–1661. [Google Scholar] [CrossRef]
  25. Shi, Y.; Yang, X.; He, Q.; Wang, Z. Research on a novel capacitor clamped multilevel matrix converter. IEEE Trans. Power Electron. 2005, 20, 1055–1065. [Google Scholar] [CrossRef]
  26. Angkititrakul, S.; Erickson, R. Control and implementation of a new modular matrix converter. In Proceedings of the 19th Annual IEEE Applied Power Electronics Conference and Exposition, 2004, APEC ’04, Anaheim, CA, USA, 22–26 February 2004; Volume 2, pp. 813–819. [Google Scholar]
  27. Wang, J. High-Power Multimodular Matrix converters and Modulation. Ph.D. Thesis, Program of Electrical and Computer Engineering, Ryerson University, Toronto, ON, Canada, 2012. [Google Scholar]
  28. Erickson, R.W.; Al-Naseem, O.A. A new family of matrix converters. In Proceedings of the IECON’01, 27th Annual Conference of the IEEE Industrial Electronics Society (Cat. No. 37243), Denver, CO, USA, 29 November–2 December 2001; Volume 2, pp. 1515–1520. [Google Scholar]
  29. de Sousa, G.J.M.; Heldwein, M.L. Modular multilevel converter control strategy for future DC subsea electric transmission and distribution systems. In Proceedings of the 2013 Brazilian Power Electronics Conference, Gramado, Brazil, 27–31 October 2013; pp. 100–106. [Google Scholar] [CrossRef]
  30. de Sousa, G.J.M.; Dias, A.D.S.; Alves, J.A.; Heldwein, M.L. Modeling and control of a Modular Multilevel Converter for medium voltage drives rectifier applications. In Proceedings of the 2015 IEEE 24th International Symposium on Industrial Electronics (ISIE), Buzios, Brazil, 3–5 June 2015; pp. 1080–1087. [Google Scholar] [CrossRef]
  31. Fan, B.; Wang, K.; Wheeler, P.; Gu, C.; Li, Y. An Optimal Full Frequency Control Strategy for the Modular Multilevel Matrix Converter Based on Predictive Control. IEEE Trans. Power Electron. 2018, 33, 6608–6621. [Google Scholar] [CrossRef]
  32. Nademi, H.; Norum, L.E.; Soghomonian, Z.; Undeland, T. Low frequency operation of modular multilevel matrix converter using optimization-oriented predictive control scheme. In Proceedings of the 2016 IEEE 17th Workshop on Control and Modeling for Power Electronics, COMPEL, Trondheim, Norway, 27–30 June 2016; pp. 1–6. [Google Scholar] [CrossRef]
  33. Wang, K.; Gu, C.; Fan, B.; Li, Y.; Wheeler, P. A Branch Current Reallocation Based Energy Balancing Strategy for the Modular Multilevel Matrix Converter Operating Around Equal Frequency. IEEE Trans. Power Electron. 2017, 33, 1105–1117. [Google Scholar] [CrossRef]
  34. Venturini, M.; Alesina, A. The generalised transformer: A new bidirectional, sinusoidal waveform frequency converter with continuously adjustable input power factor. In Proceedings of the 1980 IEEE Power Electronics Specialists Conference, Atlanta, GA, USA, 16–20 June 1980; pp. 242–252. [Google Scholar] [CrossRef]
  35. Alesina, A.; Venturini, M.G.B. Analysis and design of optimum-amplitude nine-switch direct AC-AC converters. IEEE Trans. Power Electron. 1989, 4, 101–112. [Google Scholar] [CrossRef]
  36. Kolar, J.W.; Baumann, M.; Schafmeister, F.; Ertl, H. Novel three-phase AC-DC-AC sparse matrix converter. In Proceedings of the APEC, 7th Annual IEEE Applied Power Electronics Conference and Exposition (Cat. No. 02CH37335), Dallas, TX, USA, 10–14 March 2002; Volume 2, pp. 777–791. [Google Scholar]
  37. Huber, L.; Borojevic, D.; Zhuang, X.F.; Lee, F.C. Design and implementation of a three-phase to three-phase matrix converter with input power factor correction. In Proceedings of the Eighth Annual Applied Power Electronics Conference and Exposition, San Diego, CA, USA, 7–11 March 1993; pp. 860–865. [Google Scholar] [CrossRef]
  38. Lee, H.H.; Nguyen, H.M.; Chun, T.W. New direct-SVM method for matrix converter with main input power factor compensation. In Proceedings of the 2008 34th Annual Conference of IEEE Industrial Electronics, Orlando, FL, USA, 10–13 November 2008; pp. 1281–1286. [Google Scholar] [CrossRef]
  39. Pinto, S.F.; Silva, J.F. Direct control method for matrix converters with input power factor regulation. In Proceedings of the 2004 IEEE 35th Annual Power Electronics Specialists Conference (IEEE Cat. No. 04CH37551), Aachen, Germany, 20–25 June 2004; Volume 3, pp. 2366–2372. [Google Scholar] [CrossRef]
  40. Gili, C.; Lozano, G.D.; Péres, A.; Oliveira, S.V.G. Experimental study of a direct matrix converter driving an induction machine. In Proceedings of the XI Brazilian Power Electronics Conference, Natal, Brazil, 11–15 September 2011; pp. 232–237. [Google Scholar] [CrossRef]
  41. Kumar, D.; Wheeler, P.W.; Clare, J.C.; Empringham, L. A multi-drive system based on a two-stage matrix converter. In Proceedings of the 2008 13th International Power Electronics and Motion Control Conference, Poznan, Poland, 1–3 September 2008; pp. 207–212. [Google Scholar] [CrossRef]
  42. Casadei, D.; Grandi, G.; Serra, G.; Tani, A. Space vector control of matrix converters with unity input power factor and sinusoidal input/output waveforms. In Proceedings of the 1993 Fifth European Conference on Power Electronics and Applications, Brighton, UK, 13–16 September 1993; pp. 170–175. [Google Scholar]
  43. Kolar, J.W.; Friedli, T.; Rodriguez, J.; Wheeler, P.W. Review of three-phase PWM AC–AC converter topologies. IEEE Trans. Ind. Electron. 2011, 58, 4988–5006. [Google Scholar] [CrossRef]
  44. Wiechmann, E.; Espinoza, J.; Salazar, L.; Rodriquez, J. A direct frequency converter controlled by space vectors. In Proceedings of the IEEE Power Electronics Specialist Conference—PESC ’93, Seattle, WA, USA, 20–24 June 1993; pp. 314–320. [Google Scholar]
  45. Oyama, J.; Higuchi, T.; Yamada, E.; Koga, T.; Lipo, T. New control strategy for matrix converter. In Proceedings of the 20th Annual IEEE Power Electronics Specialists Conference, Milwaukee, WI, USA, 26–29 June 1989; pp. 360–367. [Google Scholar]
  46. Rodríguez, J. A new control technique for ac-ac converters. In IFAC Control in Power Electronics and Electrical Drives; Szczesniak, P., Ed.; Springer: Vienna, Austria, 1983; pp. 203–208. [Google Scholar]
  47. Krause, P.C.; Wasynczuk, O.; Sudhoff, S.D.; Pekarek, S. Analysis of Electric Machinery and Drive Systems; John Wiley & Sons: Hoboken, NJ, USA, 2013; Volume 75. [Google Scholar]
  48. Arioni Paladino, A.D.; Padilha, T.S.; Garcia Oliveira, S.V. Expanded Space Vector Modulation of Direct Matrix Converters Including Hidden Rotating Pairs. IEEE Trans. Ind. Electron. 2019, 66, 8296–8307. [Google Scholar] [CrossRef]
  49. Rodriguez, J.; Lai, J.S.; Peng, F.Z. Multilevel inverters: A survey of topologies, controls, and applications. IEEE Trans. Ind. Electron. 2002, 49, 724–738. [Google Scholar] [CrossRef]
  50. Habetler, T.G.; Profumo, F.; Pastorelli, M.; Tolbert, L.M. Direct torque control of induction machines using space vector modulation. IEEE Trans. Ind. Appl. 1992, 28, 1045–1053. [Google Scholar] [CrossRef]
  51. Zhou, K.; Wang, D. Relationship between space-vector modulation and three-phase carrier-based PWM: A comprehensive analysis [three-phase inverters]. IEEE Trans. Ind. Electron. 2002, 49, 186–196. [Google Scholar] [CrossRef]
  52. Babu, N.; Agarwal, P. Space vector modulation for three-level NPC inverter using two-level space vector diagram. In Proceedings of the 2016 IEEE International Conference on Power Electronics, Drives and Energy Systems (PEDES), Trivandrum, India, 4–17 December 2016; pp. 1–6. [Google Scholar] [CrossRef]
  53. Kumar, A.; Chatterjee, D. A survey on space vector pulse width modulation technique for a two-level inverter. In Proceedings of the 2017 National Power Electronics Conference (NPEC), Pune, India, 18–20 December 2017; pp. 78–83. [Google Scholar] [CrossRef]
  54. Jacob, B.; Baiju, M.R. A New Space Vector Modulation Scheme for Multilevel Inverters which Directly Vector Quantize the Reference Space Vector. IEEE Trans. Ind. Electron. 2015, 62, 88–95. [Google Scholar] [CrossRef]
  55. Yuvarajan, S.; Khoei, A. An improved direct AC-AC converter and its application to three phase induction motor drive. In Proceedings of the 1988 IEEE Industry Applications Society Annual Meeting, Pittsburgh, PA, USA, 2–7 October 1988; pp. 961–964. [Google Scholar]
  56. Casadei, D.; Serra, G.; Tani, A.; Zarri, L. Optimal Use of Zero Vectors for Minimizing the Output Current Distortion in Matrix Converters. IEEE Trans. Ind. Electron. 2009, 56, 326–336. [Google Scholar] [CrossRef]
  57. Guo, Y.; Zhu, J.; Deng, C. Three modulation modes of SVM for ac-ac matrix converter. In Proceedings of the 2008 IEEE Conference on Robotics, Automation and Mechatronics, Chengdu, China, 21–24 September 2008; pp. 382–386. [Google Scholar]
  58. Gili, C. Conversor Matricial Direto para Acionamento de Motor de Indução Trifásico. Master’s Thesis, Universidade de Regional de Blumenau—FURB, Blumenau, Brazil, 2009. [Google Scholar]
  59. Kwak, S. Design and Analysis of Modern Three-Phase AC/AC Power Converters for AC Drives and Utility Interface. Ph.D. Thesis, Texas A&M University, College Station, TX, USA, 2006. [Google Scholar]
  60. Wei, L.; Lipo, T.A. A novel matrix converter topology with simple commutation. In Proceedings of the Conference Record of the 2001 IEEE Industry Applications Conference, 36th IAS Annual Meeting (Cat. No. 01CH37248), Chicago, IL, USA, 30 September–4 October 2001; Volume 3, pp. 1749–1754. [Google Scholar]
  61. Klumpner, C.; Lee, M.; Pitic, C.; Wheeler, P.; Zanchetta, P. A new three-level indirect matrix converter with reduced number of switches. In Proceedings of the 2007 IEEE Industry Applications Annual Meeting, New Orleans, LA, USA, 23–27 September 2007; pp. 186–193. [Google Scholar]
  62. Gili, L.C. Estudo da Modulação por espaço Vetorial Indireta Aplicada ao Conversor Multimodular Matricial. Master’s Thesis, Universidade Regioal de Blumenau—FURB, Blumenau, Brazil, 2016. [Google Scholar]
  63. Gili, L.C.; Seman, L.O.; Vidal Garcia Oliveira, S. Different Switching Sequence Comparison Applied to Multimodular Matrix Converter using ISVM. IEEE Lat. Am. Trans. 2018, 16, 1595–1602. [Google Scholar] [CrossRef]
  64. Erickson, R.; Angkititrakul, S.; Almazeedi, K. New Family of Multilevel Matrix Converters for Wind Power Applications Final Report, July 2002–March 2006; National Renewable Energy Lab. (NREL): Golden, CO, USA, 2002. [Google Scholar]
  65. Díaz, M.; Cardenas, R.; Mauricio Espinoza, B.; Mora, A.; Rojas, F. A novel LVRT control strategy for Modular Multilevel Matrix Converter based high-power Wind Energy Conversion Systems. In Proceedings of the 2015 Tenth International Conference on Ecological Vehicles and Renewable Energies (EVER), Monte Carlo, Monaco, 31 March–2 April 2015; pp. 1–11. [Google Scholar] [CrossRef]
  66. Mora, A.; Espinoza, M.; Díaz, M.; Cárdenas, R. Model Predictive Control of Modular Multilevel Matrix Converter. In Proceedings of the 2015 IEEE 24th International Symposium on Industrial Electronics (ISIE), Buzios, Brazil, 3–5 June 2015; pp. 1074–1079. [Google Scholar] [CrossRef]
  67. Díaz, M.; Espinoza, M.; Mora, A.; Cárdenas, R.; Wheeler, P. The application of the modular multilevel matrix converter in high-power wind turbines. In Proceedings of the 2016 18th European Conference on Power Electronics and Applications (EPE’16 ECCE Europe), Karlsruhe, Germany, 5–9 September 2016; pp. 1–11. [Google Scholar] [CrossRef]
  68. Diaz, M.; Cárdenas, R.; Espinoza, M.; Mora, A.; Wheeler, P. Modelling and control of the Modular Multilevel Matrix Converter and its application to Wind Energy Conversion Systems. In Proceedings of the IECON 2016—42nd Annual Conference of the IEEE Industrial Electronics Society, Florence, Italy, 23–26 October 2016; pp. 5052–5057. [Google Scholar] [CrossRef]
  69. Kammerer, F.; Braeckle, D.; Gommeringer, M.; Schnarrenberger, M.; Braun, M. Operating Performance of the Modular Multilevel Matrix Converter in Drive Applications. In Proceedings of the PCIM Europe 2015; International Exhibition and Conference for Power Electronics, Intelligent Motion, Renewable Energy and Energy Management, Nuremberg, Germany, 19–20 May 2015; pp. 1–8. [Google Scholar]
  70. Kammerer, F.; Gommeringer, M.; Kolb, J.; Braun, M. Energy balancing of the Modular Multilevel Matrix Converter based on a new transformed arm power analysis. In Proceedings of the 2014 16th European Conference on Power Electronics and Applications, Lappeenranta, Finland, 26–28 August 2014; pp. 1–10. [Google Scholar] [CrossRef]
  71. Kammerer, F.; Kolb, J.; Braun, M. Fully decoupled current control and energy balancing of the Modular Multilevel Matrix Converter. In Proceedings of the 2012 15th International Power Electronics and Motion Control Conference (EPE/PEMC), Novi Sad, Serbia, 4–6 September 2012; p. LS2a-3. [Google Scholar] [CrossRef]
  72. Kammerer, F.; Kolb, J.; Braun, M. A novel cascaded vector control scheme for the Modular Multilevel Matrix Converter. In Proceedings of the IECON 2011—37th Annual Conference of the IEEE Industrial Electronics Society, Melbourne, VIC, Australia, 7–10 November 2011; pp. 1097–1102. [Google Scholar] [CrossRef]
  73. Miura, Y.; Mizutani, T.; Ito, M.; Ise, T. Modular multilevel matrix converter for low frequency AC transmission. In Proceedings of the 2013 IEEE 10th International Conference on Power Electronics and Drive Systems (PEDS), Kitakyushu, Japan, 22–25 April 2013; pp. 1079–1084. [Google Scholar] [CrossRef]
  74. Miura, Y.; Mizutani, T.; Ito, M.; Ise, T. A novel space vector control with capacitor voltage balancing for a multilevel modular matrix converter. In Proceedings of the 2013 IEEE ECCE Asia Downunder, Melbourne, VIC, Australia, 3–6 June 2013; pp. 442–448. [Google Scholar] [CrossRef]
  75. Miura, Y.; Inubushi, K.; Ito, M.; Ise, T. Multilevel modular matrix converter for high voltage applications: Control, design and experimental characteristics. In Proceedings of the IECON 2014—40th Annual Conference of the IEEE Industrial Electronics Society, Dallas, TX, USA, 29 October–1 November 2014; pp. 4690–4696. [Google Scholar] [CrossRef]
  76. Miura, Y.; Inubushi, K.; Yoshida, T.; Fujikawa, T.; Ise, T. Operation of modular matrix converter under close input and output frequency by using voltage space vector modulation. In Proceedings of the IECON 2015—41st Annual Conference of the IEEE Industrial Electronics Society, Yokohama, Japan, 9–12 November 2015; pp. 005136–005141. [Google Scholar] [CrossRef]
  77. Miura, Y.; Fujikawa, T.; Yoshida, T.; Ise, T. Control scheme of the modular multilevel matrix converter using space vector modulation for wide frequency range operation. In Proceedings of the 2017 IEEE Energy Conversion Congress and Exposition (ECCE), Cincinnati, OH, USA, 1–5 October 2017; pp. 1084–1091. [Google Scholar] [CrossRef]
  78. Miura, Y.; Yoshida, T.; Fujikawa, T.; Miura, T.; Ise, T. Operation of modular matrix converter with hieralchical control system under cell failure condition. In Proceedings of the 2016 IEEE Energy Conversion Congress and Exposition (ECCE), Milwaukee, WI, USA, 18–22 September 2016; pp. 1–8. [Google Scholar] [CrossRef]
  79. Angkititrakul, S.; Erickson, R.W. Capacitor voltage balancing control for a modular matrix converter. In Proceedings of the Twenty-First Annual IEEE Applied Power Electronics Conference and Exposition, APEC ’06, Dallas, TX, USA, 19–23 March 2006; p. 7. [Google Scholar] [CrossRef]
  80. Rmili, L.; Rahmani, S.; Al-Haddad, K. PWM modulation strategy of three-phase AC-AC power converters based on sparse indirect matrix converter. In Proceedings of the 2015 IEEE 12th International Multi-Conference on Systems, Signals & Devices (SSD15), Mahdia, Tunisia, 16–19 March 2015; pp. 1–6. [Google Scholar] [CrossRef]
  81. Riedemann Aros, J.; Pena Guinez, R.; Cardenas Dobson, R.; Blasco Gimenez, R.; Clare, J. Indirect matrix converter modulation strategies for open-end winding induction machine. IEEE Lat. Am. Trans. 2014, 12, 395–401. [Google Scholar] [CrossRef]
  82. Erickson, R.W.; Maksimovic, D. Fundamentals of Power Electronics, 2nd ed.; Springer: Berlin/Heidelberg, Germany, 2001. [Google Scholar]
Figure 1. Classification of high-power converters.
Figure 1. Classification of high-power converters.
Energies 15 09421 g001
Figure 2. Basic CMC topology.
Figure 2. Basic CMC topology.
Energies 15 09421 g002
Figure 3. Vectors grouped in the Alpha–Beta plane. (a) Input current. (b) Output voltage.
Figure 3. Vectors grouped in the Alpha–Beta plane. (a) Input current. (b) Output voltage.
Energies 15 09421 g003
Figure 4. Line voltage and CMC harmonic spectrum.
Figure 4. Line voltage and CMC harmonic spectrum.
Energies 15 09421 g004
Figure 5. MMMC topology.
Figure 5. MMMC topology.
Energies 15 09421 g005
Figure 6. Simplified MC module (3 × 2).
Figure 6. Simplified MC module (3 × 2).
Energies 15 09421 g006
Figure 7. Complete model for the MMMC.
Figure 7. Complete model for the MMMC.
Energies 15 09421 g007
Figure 8. CSR SVM to synthesize the current of the rectifier stage.
Figure 8. CSR SVM to synthesize the current of the rectifier stage.
Energies 15 09421 g008
Figure 9. SVM diagram divided into sectors and regions.
Figure 9. SVM diagram divided into sectors and regions.
Energies 15 09421 g009
Figure 10. Example to demonstrate the relationship between V r e f and the times of each vector.
Figure 10. Example to demonstrate the relationship between V r e f and the times of each vector.
Energies 15 09421 g010
Figure 11. Output signal from switching pattern. (a) sequence I. (b)sequence II.
Figure 11. Output signal from switching pattern. (a) sequence I. (b)sequence II.
Energies 15 09421 g011
Figure 12. Line voltage and MMMC harmonic spectrum.
Figure 12. Line voltage and MMMC harmonic spectrum.
Energies 15 09421 g012
Figure 13. M3C topology.
Figure 13. M3C topology.
Energies 15 09421 g013
Figure 14. M3C topology with inductors added to the modules.
Figure 14. M3C topology with inductors added to the modules.
Energies 15 09421 g014
Figure 15. M3C topology with coupled inductors added to the modules.
Figure 15. M3C topology with coupled inductors added to the modules.
Energies 15 09421 g015
Figure 16. Modulation by modified vector space.
Figure 16. Modulation by modified vector space.
Energies 15 09421 g016
Figure 17. Switching sequence divided into five subintervals.
Figure 17. Switching sequence divided into five subintervals.
Energies 15 09421 g017
Figure 18. Switching sequence for single capacitor modulation.
Figure 18. Switching sequence for single capacitor modulation.
Energies 15 09421 g018
Figure 19. Choice of capacitor. (a) when d 0 _ i n is greater than d 0 _ o u t . (b) when d 0 _ o u t is greater than d 0 _ i n .
Figure 19. Choice of capacitor. (a) when d 0 _ i n is greater than d 0 _ o u t . (b) when d 0 _ o u t is greater than d 0 _ i n .
Energies 15 09421 g019
Figure 20. Line voltage and M3C harmonic spectrum.
Figure 20. Line voltage and M3C harmonic spectrum.
Energies 15 09421 g020
Figure 21. CMC converter with filter and clamp circuit.
Figure 21. CMC converter with filter and clamp circuit.
Energies 15 09421 g021
Table 1. Switching configurations in the SVM algorithm.
Table 1. Switching configurations in the SVM algorithm.
ConfigurationSwitches
on
| V o | α o I i β i
+1S1S5S6 2 / 3 V a b 2 / 3 I a 330°
−1S4S2S3 2 / 3 V a b 180° 2 / 3 I a 150°
+2S4S8S9 2 / 3 V b c 2 / 3 I a 90°
−2S6S5S6 2 / 3 V b c 180° 2 / 3 I a 270°
+3S7S2S3 2 / 3 V c a 2 / 3 I a 210°
−3S1S8S9 2 / 3 V c a 180° 2 / 3 I a 30°
+4S4S2S6 2 / 3 V a b 120° 2 / 3 I b 330°
−4S1S5S3 2 / 3 V a b 300° 2 / 3 I b 150°
+5S7S5S9 2 / 3 V b c 120° 2 / 3 I b 90°
−5S4S8S6 2 / 3 V b c 300° 2 / 3 I b 270°
+6S1S8S3 2 / 3 V c a 120° 2 / 3 I b 240°
−6S7S2S9 2 / 3 V c a 300° 2 / 3 I b 30°
+7S5S5S3 2 / 3 V a b 240° 2 / 3 I c 330°
−7S1S2S6 2 / 3 V a b 60° 2 / 3 I c 150°
+8S7S8S6 2 / 3 V b c 240° 2 / 3 I c 90°
−8S4S5S9 2 / 3 V b c 60° 2 / 3 I c 270°
+9S1S2S6 2 / 3 V c a 240° 2 / 3 I c 210°
−9S7S8S3 2 / 3 V c a 60° 2 / 3 I c 30°
01S1S2S30-0-
02S4S5S60-0-
03S7S8S90-0-
Table 2. Parameters used in CMC simulation.
Table 2. Parameters used in CMC simulation.
ParameterValue
Converter power1 kVA
Voltage V A B 380 V
Input frequency60 Hz
Modulation Index0.866
Switching frequency5 kHz
ControlOpen Loop
Modulation[40]
Table 3. Main characteristics of low-power voltage converters.
Table 3. Main characteristics of low-power voltage converters.
ConverterFeature
Conventional AC–AC [59]
  • Bulky System.
  • High harmonic distortion of the mains current and low power factor.
  • Reduced lifespan.
Indirect Matrix Converter [60]
  • Unit input offset factor.
  • PWM modulation of conventional inverters.
  • No bulky energy storage components required.
  • Higher conduction losses compared to CMC
Direct CMC [41,42,43]
  • Simple and compact circuit.
  • Operation with unity displacement factor at the input with any type of load at the output.
  • Four-quadrant operation.
Table 4. Parameters used in MMMC simulation.
Table 4. Parameters used in MMMC simulation.
ParameterValue
Converter power1 MVA
Voltage V a b 4160 V
Input frequency60 Hz
Ratio Ns:Np9:2
Switching frequency2 kHz
Filter Inductance1.3 mH
Filter Capacitance27 μ F
ControlOpen Loop
Modulation[27]
Table 5. Parameters used in simulation.
Table 5. Parameters used in simulation.
ParameterValue
Converter power2 MVA
Switching frequency2 kHz
Capacitor voltage4 kV
Capacitance680 μ H
Number of submodules6
ControlOpen Loop
Modulation[79]
Line voltage13.8 kV
InputFrequency50 Hz
Inductance Filter25 mH
Line voltage11 kV
OutputFrequency40 Hz
Inductance Filter25 mH
Table 6. Comparison between CMC, MMMC, and M3C converters.
Table 6. Comparison between CMC, MMMC, and M3C converters.
FactorMatrix Converter
CMC
Matrix Converter
MMMC
Modular Converter
M3C
Operationonly BuckBuck-Boost with transformerBuck-Boost
( V o u t / V i n ) V o u t 0.866 V i n V o u t ( N s / N p ) 0.866 V i n 0 V o u t V i n
Switch4 quadrants
switch
4 quadrants
switch
Single transistor with
freewheeling diode
Multilevel Operationnoyesyes
Transformernoyesno
Filter ElementsCapacitors and
inductors
Capacitors and
inductors
Inductors
H-bridge capacitorsnonoyes
Needs clampingyesyesno
Modularnoyes (limited)yes
Basic topology3-level3-level3-level
Number of switches183636
Number of diodes0036
level increase-7 levels5 levels
Amount switchesN/A+72+36
Number of diodesN/A+0+36
level increase--7 levels
Number of switchesN/AN/A+36
Number of diodesN/AN/A+36
level increase--
Modulation
complexity
MediumHighExtra
ControlMediumExtra HighExtra High
Capacitor voltage
balancing complexity
--Extra High
Main applicationLow Voltage
Motor drives
Medium Voltage Wind
Turbine motors
Medium Voltage Wind
Turbine motors
N/A: Not Applicable.
Publisher’s Note: MDPI stays neutral with regard to jurisdictional claims in published maps and institutional affiliations.

Share and Cite

MDPI and ACS Style

Gili, L.C.; Dias, J.C.; Lazzarin, T.B. Review, Challenges and Potential of AC/AC Matrix Converters CMC, MMMC, and M3C. Energies 2022, 15, 9421. https://doi.org/10.3390/en15249421

AMA Style

Gili LC, Dias JC, Lazzarin TB. Review, Challenges and Potential of AC/AC Matrix Converters CMC, MMMC, and M3C. Energies. 2022; 15(24):9421. https://doi.org/10.3390/en15249421

Chicago/Turabian Style

Gili, Luiz Carlos, Julio Cesar Dias, and Telles Brunelli Lazzarin. 2022. "Review, Challenges and Potential of AC/AC Matrix Converters CMC, MMMC, and M3C" Energies 15, no. 24: 9421. https://doi.org/10.3390/en15249421

APA Style

Gili, L. C., Dias, J. C., & Lazzarin, T. B. (2022). Review, Challenges and Potential of AC/AC Matrix Converters CMC, MMMC, and M3C. Energies, 15(24), 9421. https://doi.org/10.3390/en15249421

Note that from the first issue of 2016, this journal uses article numbers instead of page numbers. See further details here.

Article Metrics

Back to TopTop