Comparative Performance of DFIG and PMSG Wind Turbines during Transient State in Weak and Strong Grid Conditions Considering Series Dynamic Braking Resistor
Abstract
1. Introduction
2. Modelling and Control
2.1. Wind Turbine Characteristics
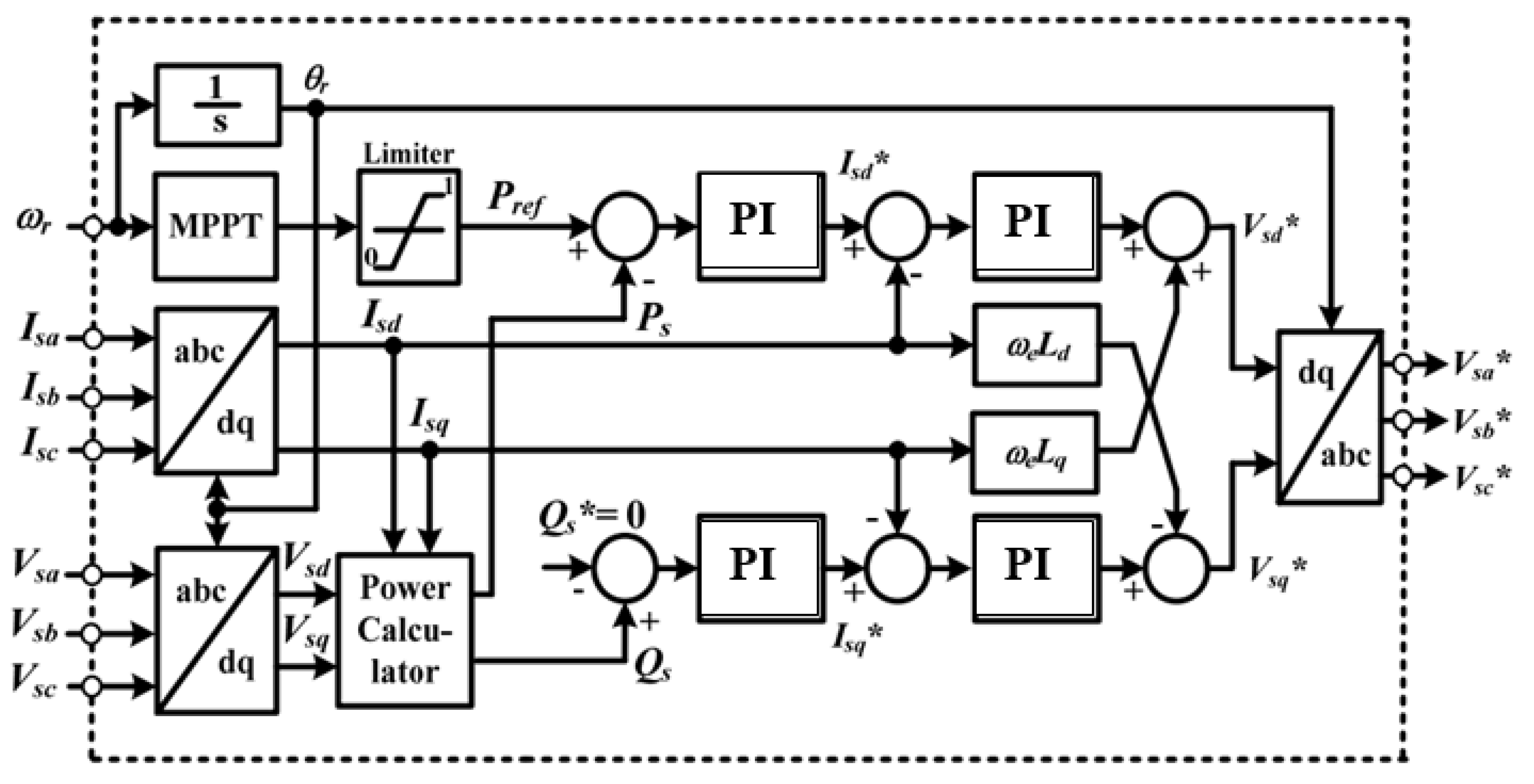
2.2. DFIG Model and Control
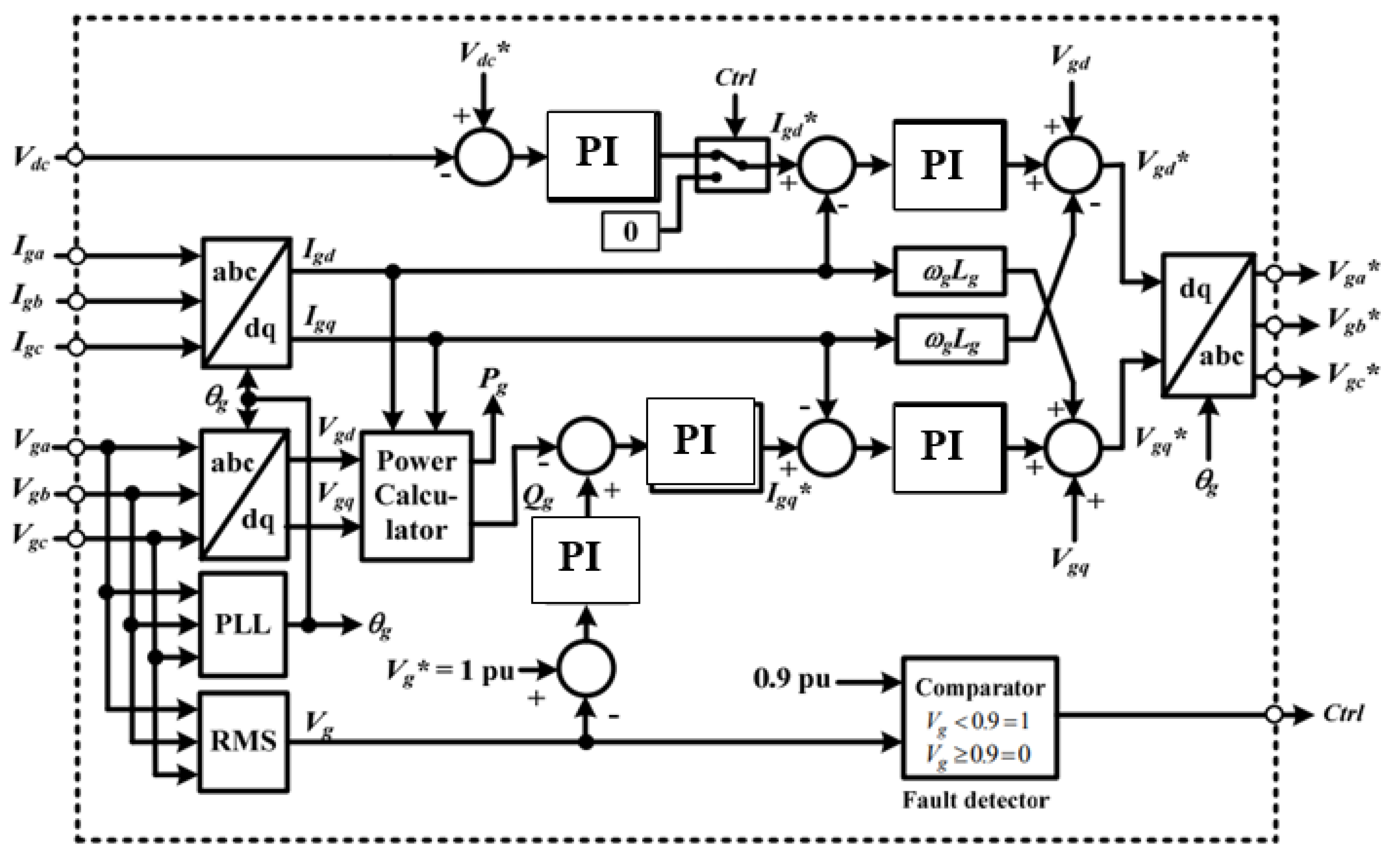
2.3. PMSG Model and Control
3. Mathematical Dynamics of SDBR in DFIG Wind Turbine
4. SDBR and PMSG Mathematical Dynamics
5. Results and Discussions
5.1. Operation of the DFIG and PMSG Wind Turbines at Different Grid Strengths
5.2. Improving the Performance of DFIG and PMSG Wind Turbines in Weak Grids Considering the Effective Sizing of SDBR
5.3. Improving the Performance of DFIG and PMSG Wind Turbines in Weak Grids Considering over Voltage Protection System (OVPS)
5.4. Improving the Performance of DFIG and PMSG Wind Turbines in Weak Grids Considering SDBR and over Voltage Protection System
5.5. Improving the Performance of DFIG and PMSG Wind Turbines in Weak Grids Considering 75% and 50% of the Effective SDBR and over Voltage Protection System
5.6. Investigating the Performance of DFIG and PMSG Wind Turbines in Weak Grids Considering the Effective SDBR and over Voltage Protection System in a Single Line-to-Ground Fault
6. Conclusions
Author Contributions
Funding
Conflicts of Interest
Abbreviations
| reactance, | |
| resistance, | |
| impedance, | |
| torque, N | |
| air density, | |
| R | radius, m |
| wind speed, | |
| Power coefficient | |
| is the ratio of the tip speed | |
| is the turbine coefficient | |
| is the stator power, Watts | |
| is the rotor power, Watts | |
| quadrature axis rotor current, A | |
| direct axis rotor current, A | |
| stator reactive power, VA | |
| stator inductance, H | |
| magnetising inductance, H | |
| rotor inductance, H | |
| stator flux, T | |
| stator angular frequency, Hz | |
| rotor angular frequency, Hz | |
| rotor leakage factor | |
| stationary frames | |
| DFIG rotor and stator quantities | |
| g | DFIG grid-side converter circuit quantity |
| L | inductance, H |
| R | resistance, |
| dc-link voltage, V | |
| reference power of turbine, W | |
| θr | rotor angle position |
| Isd, Isq, | direct and quadrature stator current, A |
| Vsa*, Vsb*, Vsc* | reference abc stator voltages, V |
| Vsd* and Vsq* | reference dq stator voltages, V |
| Iga, Igb, Igc | abc grid currents, A |
| Vga, Vgb, Vgc | abc grid voltages, V |
| components of the stator’s voltage positive and negative sequences, V | |
| time constant of the stator flux, S | |
| natural flux, T | |
| rotor induced voltage | |
| , | dq rectifier’s axes current, A |
| , | dq axes grid voltage, V |
| angular frequency, Hz | |
| dq rectifier’s modulating signal | |
| vector norm signal of modulation | |
| phase grid voltage amplitude, | |
| resistance of the series dynamic braking resistor, | |
| resistance of the load, | |
| available power at the DC, W | |
| maximal available power at the DC, W |
References
- Nduwamungu, A.; Ntagwirumugara, E.; Mulolani, F.; Bashir, W. Fault Ride through Capability Analysis (FRT) in Wind Power Plants with Doubly Fed Induction Generators for Smart Grid Technologies. Energies 2020, 13, 4260. [Google Scholar] [CrossRef]
- Qiu, Y.; Feng, Y.; Infield, D. Fault diagnosis of wind turbine with SCADA alarms based multidimensional information processing method. Renew. Energy 2020, 145, 1923–1931. [Google Scholar] [CrossRef]
- Okedu, K.E.; Muyeen, S.M.; Takahashi, R.; Tamura, J. Protection schemes for DFIG considering rotor current and DC-link voltage. In Proceedings of the 24th IEEE-ICEMS (International Conference on Electrical Machines and System), Beijing, China, 20–23 August 2011; pp. 1–6. [Google Scholar]
- Ouyang, J.; Tang, T.; Yao, J.; Li, M. Active Voltage Control for DFIG-Based Wind Farm Integrated Power System by Coordinating Active and Reactive Powers under Wind Speed Variations. IEEE Trans. Energy Convers. 2019, 34, 1504–1511. [Google Scholar] [CrossRef]
- Okedu, K.E.; Muyeen, S.M. Enhanced performance of PMSG Wind Turbines during grid disturbance at different network strengths considering fault current limiter. Int. Trans. Electr. Energy Syst. 2021, 6, e12985. [Google Scholar] [CrossRef]
- Shao, H.; Cai, X.; Li, Z.; Zhou, D.; Sun, S.; Guo, L.; Rao, F. Stability Enhancement and Direct Speed Control of DFIG Inertia Emulation Control Strategy. IEEE Access 2019, 7, 120089–120105. [Google Scholar] [CrossRef]
- He, X.; Fang, X.; Yu, J. Distributed Energy Management Strategy for Reaching Cost-Driven Optimal Operation Integrated with Wind Forecasting in Multimicrogrids System. IEEE Trans. Syst. Man Cyber. Syst. 2019, 49, 1643–1651. [Google Scholar] [CrossRef]
- Qazi, H.W.; Wall, P.; Escudero, M.V.; Carville, C.; Cunniffe, N.; O’Sullivan, J. Impacts of Fault Ride through Behavior of Wind Farms on a Low Inertia System. IEEE Trans. Power Syst. 2020. early access. [Google Scholar] [CrossRef]
- Chunli, L.; Zefu, T.; Huang, Q.; Nie, W.; Yao, J. Lifetime Evaluation of IGBT Module in DFIG Considering Wind Turbulence and Nonlinear Damage Accumulation Effect. In Proceedings of the 2019 IEEE 2nd International Conference on Automation, Electronics and Electrical Engineering (AUTEEE), Shenyang, China, 22–24 November 2019. [Google Scholar]
- Okedu, K.E.; Muyeen, S.M.; Takahashi, R.; Tamura, J. Wind farms fault ride through using DFIG with new protection scheme. IEEE Trans. Sustain. Energy 2012, 3, 242–254. [Google Scholar] [CrossRef]
- El-Sattar, A.A.; Saad, N.H.; El-Dein, M.Z.S. Dynamic response of doubly fed induction generator variable speed wind turbine under fault. Electr. Power Syst. Res. 2008, 78, 1240–1246. [Google Scholar] [CrossRef]
- Okedu, K.E.; Barghash, H. Enhancing the Performance of DFIG Wind Turbines Considering Excitation Parameters of the Insulated Gate Bipolar Transistors and a New PLL Scheme. Front. Energy Res.-Smart Grids 2021, 8, 620277. [Google Scholar] [CrossRef]
- Dattaa, S.; Mishrab, J.P.; Royb, A.K. Grid connected DFIG based wind energy conversion system using nine switch converter. J. Appl. Res. Technol. 2021, 17, 859. [Google Scholar] [CrossRef]
- Okedu, K.E.; Muyeen, S.M.; Takahashi, R.; Tamura, J. Use of Supplementary Rotor Current Control in DFIG to Augment Fault Ride through of Wind Farm as per Grid Requirement. In Proceedings of the 37th Annual Conference of IEEE Industrial Electronics Society (IECON 2011), Melbourne, Australia, 7–10 November 2011. [Google Scholar]
- Okedu, K.E.; Muyeen, S.M.; Takahashi, R.; Tamura, J. Improvement of Fault Ride Through Capability of Wind Farm using DFIG Considering SDBR. In Proceedings of the 14th European Conference of Power Electronics EPE, Birmingham, UK, 30 August–1 September 2011; pp. 1–10. [Google Scholar]
- Okedu, K.E. Enhancing DFIG Wind Turbine during Three-phase Fault Using Parallel Interleaved Converters and Dynamic Resistor. IET Renew. Power Gener. 2016, 10, 1211–1219. [Google Scholar] [CrossRef]
- Okedu, K.E.; Muyeen, S.M.; Takahashi, R.; Tamura, J. Participation of FACTS in Stabilizing DFIG with Crowbar during Grid Fault Based on Grid Codes. In Proceedings of the 6th IEEE-GCC Conference and Exhibition, Dubai, United Arab Emirates, 19–22 February 2011; pp. 365–368. [Google Scholar]
- Boujoudi, B.; Kheddioui, E.; Machkour, N.; Achalhi, A.; Bezza, M. Comparative study between different types of control of the wind turbine in case of voltage dips. In Proceedings of the 2018 Renewable Energies, Power Systems & Green Inclusive Economy (REPS-GIE), Casablanca, Morocco, 23–24 April 2018; pp. 1–5. [Google Scholar]
- Okedu, K.E.; Muyeen, S.M.; Takahashi, R.; Tamura, J. Comparative Study between Two Protection Schemes for DFIG-based Wind Generator. In Proceedings of the 23rd IEEE-ICEMS (International Conference on Electrical Machines and Systems), Seoul, Republic of Korea, 31 October–3 November 2010; pp. 62–67. [Google Scholar]
- Okedu, K.E.; Muyeen, S.M.; Takahashi, R.; Tamura, J. Stabilization of wind farms by DFIG-based variable speed wind generators. In Proceedings of the International Conference of Electrical Machines and Systems (ICEMS), Seoul, Republic of Korea, 10–13 October 2010; pp. 464–469. [Google Scholar]
- Bekakra, Y.; Attous, D.B. Sliding Mode Controls of Active and Reactive Power of a DFIG with MPPT for Variable Speed Wind Energy Conversion. Aust. J. Basic Appl. Sci. 2011, 5, 2274–2286. [Google Scholar]
- Ali, D.M.; Jemli, K.; Jemli, M.; Gossa, M. Doubly Fed Induction Generator, with Crowbar System under Micro-Interruptions Fault. Int. J. Electr. Eng. Inform. 2010, 2, 216–231. [Google Scholar]
- Suthar, D.B. Wind Energy Integration for DFIG Based Wind Turbine Fault Ride Through. Indian J. Appl. Res. 2014, 4, 216–220. [Google Scholar] [CrossRef]
- Lamchich, M.T.; Lachguer, N. Matlab Simulink as Simulation Tool for Wind Generation Systems Based on Doubly Fed Induction Machines. In MATLAB-A Fundamental Tool for Scientific Computing and Engineering Applications; Intech Publishing: Rijeka, Croatia, 2012; Volume 2, Chapter 7; pp. 139–160. [Google Scholar]
- Noubrik, A.; Chrifi-Alaoui, L.; Bussy, P.; Benchaib, A. Analysis and Simulation of a 1.5MVA Doubly Fed Wind Power in Matlab Sim PowerSystems using Crowbar during Power Systems Disturbances. In Proceedings of the IEEE-2011 International Conference on Communications, Computing and Control Applications (CCCA), Hammamet, Tunisia, 3–5 March 2011. [Google Scholar]
- Nasiri, M.; Mohammadi, R. Peak current limitation for grid-side inverter by limited active power in PMSG-based wind turbines during different grid faults. IEEE Trans. Sustain. Energy 2017, 8, 3–12. [Google Scholar] [CrossRef]
- Gencer, A. Analysis and control of fault ride through capability improvement PMSG based on WECS using active crowbar system during different fault conditions. Elektron. Elektrotech. 2018, 24, 64–69. [Google Scholar] [CrossRef]
- Yehia, D.M.; Mansour, D.A.; Yuan, W. Fault ride-through enhancement of PMSG wind turbines with DC microgrids using resistive-type SFCL. IEEE Trans. Appl. Supercond. 2018, 28, 1–5. [Google Scholar] [CrossRef]
- Strachan, N.P.W.; Jovcic, D. Stability of a variable-speed permanent magnet wind generator with weak ac grids. IEEE Trans. Power Deliv. 2010, 25, 2779–2788. [Google Scholar] [CrossRef]
- Hu, J.; Huang, Y.; Wang, D.; Yuan, H.; Yuan, X. Modeling of grid-connected DFIG-based wind turbines for dc-link voltage stability analysis. IEEE Trans. Sustain. Energy 2015, 6, 1325–1336. [Google Scholar] [CrossRef]
- Zhou, Y.; Nguyen, D.D.; Kjr, P.C.; Saylors, S. Connecting wind power plant with weak grid–challenges and solutions. In Proceedings of the 2013 IEEE Power Energy Society General Meeting, Vancouver, BC, Canada, 21–25 July 2013; pp. 1–7. [Google Scholar]
- Garcia-Garcia, M.; Comech, M.P.; Sallan, J.; Liombart, A. Modelling Wind Farms for Grid Disturbances Studies. Science direct. Renew. Energy 2008, 33, 2019–2121. [Google Scholar]
- Okedu, K.E.; Muyeen, S.M.; Takahashi, R.; Tamura, J. Application of SDBR with DFIG to Augment Wind Farm Fault Ride Through. In Proceedings of the 24th IEEE-ICEMS (International Conference on Electrical Machines and Systems), Beijing, China, 20–23 August 2011; pp. 1–6. [Google Scholar]
- Okedu, K.E. Enhancing the performance of DFIG variable speed wind turbine using parallel integrated capacitor and modified modulated braking resistor. IET Gener. Transm. Distrib. 2019, 13, 3378–3387. [Google Scholar] [CrossRef]
- Okedu, K.E. Improving the transient performance of DFIG wind turbine using pitch angle controller low pass filter timing and network side connected damper circuitry. IET Renew. Power Gener. 2020, 14, 1219–1227. [Google Scholar] [CrossRef]
- Zubia, I.; Ostolaza, J.X.; Susperrgui, A.; Ugartemendia, J.J. Multi-machine transient modeling of wind farms, an essential approach to the study of fault conditions in the distribution network. Appl. Energy 2012, 89, 421–429. [Google Scholar] [CrossRef]
- Okedu, K.E. Enhancing the Transient Performance of DFIG Wind Turbine with Supercapacitor Control Strategy. In Proceedings of the 2022 IEEE 31st International Symposium on Industrial Electronics (ISIE), Paper ISIE22-000118. Anchorage, AK, USA, 31 May–3 June 2022; Volume 31, pp. 92–97. [Google Scholar]
- Okedu, K.E. Augmentation of DFIG and PMSG Wind Turbines Transient Performance Using Different Fault Current Limiters. Energies 2022, 15, 4817. [Google Scholar] [CrossRef]
- Priyadarshi, N.; Ramachandaramurthy, V.; Padmanaban, S.; Azam, F. An ant colony optimized MPPT for standalone hybrid PV-wind power system with single Cuk converter. Energies 2019, 12, 167. [Google Scholar] [CrossRef]
- Lee, S.W.; Chun, K.H. Adaptive sliding mode control for PMSG wind turbine systems. Energies 2019, 12, 595. [Google Scholar] [CrossRef]
- Heier, S. Wind energy conversion systems. In Grid Integration of Wind Energy Conversion Systems; John Wiley & Sons Ltd.: Chicester, UK, 1998; pp. 34–36. [Google Scholar]
- MATLAB Documentation Center. Available online: http://www.mathworks.co.jp/jp/help/ (accessed on 12 March 2012).
- Muyeen, S.M.; Al-Durra, A.; Tamura, J. Variable speed wind turbine generator system with current controlled voltage source inverter. Energy Convers. Manag. 2011, 52, 2688–2694. [Google Scholar] [CrossRef]
- Li, S.; Haskew, T.A.; Xu, L. Conventional and novel control design for direct driven PMSG wind turbines. Electr. Power Syst. Res. 2010, 80, 328–338. [Google Scholar] [CrossRef]
- Yang, D.; Ruan, X.; Wu, H. Impedance shaping of the grid-connected inverter with LCL filter to improve its adaptability to the weak grid condition. IEEE Trans. Power Electron. 2014, 29, 5795–5805. [Google Scholar] [CrossRef]
- Thierry, C.V. Voltage Stability of Electric Power Systems; Springer: Berlin, Germany, 1998. [Google Scholar]
- Grunau, S.; Fuchs, W.F. Effect of Wind-Energy Power Injection into Weak Grids; Institute for Power Electronics and Electrical Drives, Christian-Albrechts-University of Kiel: Kiel, Germany, 2012; pp. 1–7. [Google Scholar]
- PSCAD/EMTDC Manual, Version 4.6.0; Manitoba HVDC Lab.: Winnipeg, MB, Canada, 2016.

























| DFIG Wind Turbine | PMSG Wind Turbine | ||
|---|---|---|---|
| rated power | 5.0 MW | rated power | 5.0 MW |
| stator resistance | 0.01 pu | stator resistance | 0.01 pu |
| d-axis reactance | 1.0 pu | d-axis reactance | 1.0 pu |
| q-axis reactance | 0.7 pu | q-axis reactance | 0.7 pu |
| machine inertia (H) | 3.0 | machine inertia (H) | 3.0 |
| effective DC-link protection | 0.2 | effective DC-link protection | 0.2 |
| effective SDBR | 0.01 pu | effective SDBR | 0.05 pu |
| over voltage protection system (OVPS) | 110% | over voltage protection system (OVPS) | 110% |
| Cases | Grid Strength | SCR | DFIG | PMSG |
|---|---|---|---|---|
| 1 | Weak | 4 | No SDBR No OVPS | No SDBR No OVPS |
| 2 | Normal | 8 | No SDBR No OVPS | No SDBR No OVPS |
| 3 | Strong | 12 | No SDBR No OVPS | No SDBR No OVPS |
| 4 | Weak | 4 | With effective SDBR No OVPS | With effective SDBR No OVPS |
| 5 | Weak | 4 | No SDBR With effective OVPS | No SDBR With effective OVPS |
| 6 | Weak | 4 | With effective SDBR With effective OVPS | With effective SDBR With effective OVPS |
| 7 | Weak | 4 | With 50% effective SDBR and OVPS | With 50% effective SDBR and OVPS |
Publisher’s Note: MDPI stays neutral with regard to jurisdictional claims in published maps and institutional affiliations. |
© 2022 by the authors. Licensee MDPI, Basel, Switzerland. This article is an open access article distributed under the terms and conditions of the Creative Commons Attribution (CC BY) license (https://creativecommons.org/licenses/by/4.0/).
Share and Cite
Okedu, K.E.; Muyeen, S.M. Comparative Performance of DFIG and PMSG Wind Turbines during Transient State in Weak and Strong Grid Conditions Considering Series Dynamic Braking Resistor. Energies 2022, 15, 9228. https://doi.org/10.3390/en15239228
Okedu KE, Muyeen SM. Comparative Performance of DFIG and PMSG Wind Turbines during Transient State in Weak and Strong Grid Conditions Considering Series Dynamic Braking Resistor. Energies. 2022; 15(23):9228. https://doi.org/10.3390/en15239228
Chicago/Turabian StyleOkedu, Kenneth E., and S. M. Muyeen. 2022. "Comparative Performance of DFIG and PMSG Wind Turbines during Transient State in Weak and Strong Grid Conditions Considering Series Dynamic Braking Resistor" Energies 15, no. 23: 9228. https://doi.org/10.3390/en15239228
APA StyleOkedu, K. E., & Muyeen, S. M. (2022). Comparative Performance of DFIG and PMSG Wind Turbines during Transient State in Weak and Strong Grid Conditions Considering Series Dynamic Braking Resistor. Energies, 15(23), 9228. https://doi.org/10.3390/en15239228
