A Comprehensive Review of Photovoltaic Modules Models and Algorithms Used in Parameter Extraction
Abstract
1. Introduction
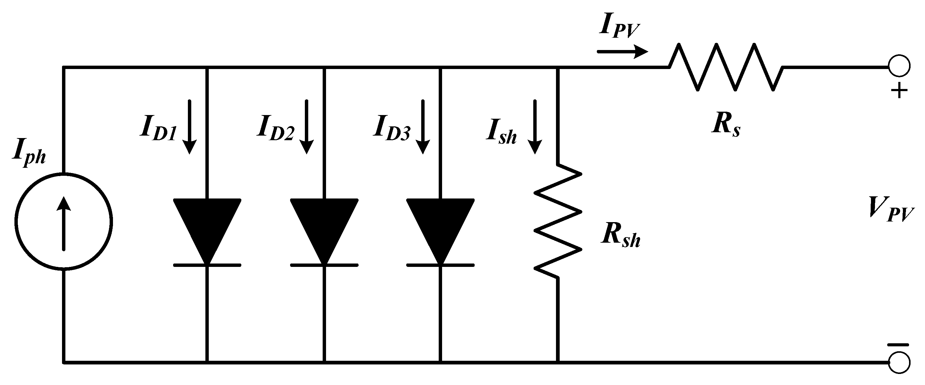
2. Mathematical Modeling of Single, Double, and Triple Diode Equivalent Circuits
- Single Diode Model (SDM);
- Double Diode Model (DDM);
- Triple Diode Model (TDM).
2.1. Single Diode Model (SDM): Parameters Estimation
2.1.1. Parameter Estimation of SDM—Analytical Method #01
| Total current generated from PV cell | |
| Light current, i.e., generated due to solar irradiance | |
| Shockley diode current (single diode) | |
| Reverse saturation/leakage current of diode | |
| Electron charge () | |
| Voltage across the device | |
| Ideality constant of the diode (single diode) | |
| Boltzmann constant () | |
| p-n junction temperature (Kelvin) | |
| Equivalent series resistance | |
| Equivalent shunt resistance | |
| Thermal voltage of the PV module | |
| Number of series connected cells that form the PV module (provided by the manufacturer) |
- —Light current (A) at nominal conditions (25 °C and 1000 W/m2)
- —Temperature coefficient for short circuit current (A/K)
- —Actual temperature (K)
- —Nominal temperature (K)
- —Solar insolation at PV panel surface (W/m2)
- —Solar insolation at nominal conditions (W/m2)
- —Short circuit current at the nominal conditions
- —Open circuit voltage at the nominal conditions.
2.1.2. Parameter Estimation of SDM—Analytical Method #02
2.1.3. Parameter Estimation of SDM—Analytical Method #03
- —Reciprocal of slope at open circuit point
- —Reciprocal of slope at short circuit point
2.1.4. Parameter Estimation of SDM—Analytical Method #04
- —Ideality constant (at nominal conditions)
- —Air mass
- —Air mass (at nominal conditions)
- —Energy bandgap at reference temperature (=1.12 eV for silicon)
- —Reverse saturation/leakage current of the diode (at nominal conditions)
- —Air mass modifier
- —Air mass at standard rating conditions
- —Series resistance (at nominal conditions)
- —Shunt resistance (at nominal conditions)
2.1.5. Parameter Estimation of SDM—Analytical Method #05
- —The ratio between current irradiance and irradiance at standard rating conditions
- —Thermal correction factor (°C)
- —The voltage at maximum power point (at standard irradiance = 1000 W/m2)
- —Current at maximum power point (at standard irradiance = 1000 W/m2)
- —PV cell temperature (the value lies between the minimum and maximum values provided in the manufacturer’s datasheet)
- An initial value for and are set, with the assumption that and . Therefore, the values of , , and are computed.
- The value of is updated and compared to the value previously computed. Thus, the value of can be adjusted correctly. This process stops when the difference between previous and current values is within a predetermined margin.
- Following the same manner and using the adjusted value of , the value of can be evaluated.
- When the value of is adjusted, this requires readjusting the value of . This process is called the double-nested algorithm. The algorithm stops the iterations when both values of and achieve convergence.
2.1.6. Parameter Estimation of SDM—Analytical Method #06
- —Maximum power estimated for PV module
- —Temperature coefficient for power
- —0.11175 or 0.16129 (in case of heterojunction with intrinsic thin layer “HIT”)
- —34.49692 or 124.48114 (in case of HIT)
- Initial values are suggested by setting and .
- Another assumption for value is suggested, thus the value for and are calculated.
- If the assumed value for failed to satisfy , then the value of will be updated using a modified bisection method. The iterations are carried on till the predetermined tolerance is fulfilled.
- Concerning the input values of the parameters (, , , , , and ), they are scale-ranged rather than assuming a particular value to avoid the need to re-adjust the bisection method parameters, such as (search interval, accuracy level, and bisection step).
2.1.7. Parameter Estimation of SDM—Analytical Method #07
- Initial values are suggested for and using the expressions written in the initial conditions.
- The calculated values are tested against the equation . If the equation is satisfied, then a further test is done using the equation .
- If any of the tests are not successful, a new value for is generated, and the new value is tested again. The selection of value depends on satisfying both equations.
- Using the calculated values of (, , and ), (64) and (65) can be evaluated.
- Category #1: data sheet values.
- Category #2: unknown parameter.
- Category #3: output quantities.
2.1.8. Parameter Estimation of SDM—Analytical Method #08
- Based on the previous findings, the algorithm initially sets .
- The value of (as an emulation to infinity).
- If the results lead to valid values for and , then the value for is computed.
- Else, the value of is set to zero, then the values of , , and are computed respectively.
2.1.9. Parameter Estimation of SDM—Analytical Method #09
- Trust-region-dogleg algorithm was prioritized as it is designed to solve nonlinear equations;
- Trust-region-reflective algorithm;
- Levenberg–Marquardt algorithm.
- The model has the following steps to be executed:
- The initial value of the diode ideality factor is .
- is set.
- The initial values for the rest of the PV module parameters are expressed as follows:
2.1.10. Parameter Estimation of SDM—Analytical Method #10
- —Coefficient for photocurrent temperature [K−1]
- —Temperature coefficient for open circuit voltage
- —Temperature coefficient for short circuit current
- Using a system of algebraic equations (aforementioned in Equations (80)–(85));
- Minimizing the curve error calculation, i.e., the error that arises between the modeled and measured curves.
- The model has the following steps to be evaluated:
- Using Equations (84) and (85) and substituting them into the model equations (i.e., (80) and (81) at maximum power point and , two transcendental equations arise with only three unknown parameters (, , and ).
- As the number of equations is less than the variables, the value of is assumed to be . An optimization technique named the least square approach is used to find the value of .
- The values for (, , and ) are obtained after finding the value of .
2.1.11. Parameter Estimation of SDM—Analytical Method #11
2.1.12. Parameter Estimation of SDM—Analytical Method #12
- The value of lies between .
- Equations (107)–(109) are used to estimate the values of and .
2.1.13. Parameter Estimation of SDM—Analytical Method #13
- —Irradiance dependence parameter of
- —Temperature dependence parameter of
- —Subscript denotes calculated values
- —Subscript denotes experimental values
2.1.14. Parameter Estimation of SDM—Analytical Method #14
- The value of equals .
- To estimate the value of , (127) is used.
- Afterward, the value of can be calculated using (128).
- The value of is computed using (129).
2.2. Double Diode Model (DDM): Parameters Estimation
2.2.1. Parameter Estimation of DDM—Analytical Method #01
- —Ideality constant of the diode (double diode).
- —Reverse saturation/leakage current of the second diode.
2.2.2. Parameter Estimation of DDM—Analytical Method #02
- ;
- .
- System of equations #1: Equations (142)–(144), and (146) along with (144) for ; (151) and (152) for and ;
- System of equations #2: Equations (149) and (150) to avoid the non-convergence of system #1;
- System of equations #3: Equation (153) in its quadratic form, (151), (152), (154), and (155). This system can either be used alone to replace the above systems; or obtain the initial parameters values.
2.2.3. Parameter Estimation of DDM—Analytical Method #03
- Step#1: initiate a value for , then find the value of using (161);
- Step#2: substitute the value of and in (157). This gives the value of . The voltage should be in the range of ;
- Step#3: divide to find the value of ;
- Step#4: repeat the steps from #1 to #3 until the error between the calculated and the is within a predefined tolerance value.
2.2.4. Parameter Estimation of DDM—Analytical Method #04
2.2.5. Parameter Estimation of DDM—Analytical Method #05
- —Reference energy at zero Kelvin
- —Constants dependent on the material
- —Linear coefficient of series resistance
- —Linear coefficient of shunt resistance
- —Exponential coefficient of series resistance concerning solar irradiance
- —Exponential coefficient of shunt resistance concerning solar irradiance
- —Linear coefficient for short circuit current related to temperature (datasheet)
- —Linear coefficient for open circuit voltage related to temperature (datasheet)
- —Linear coefficient for open circuit voltage related to solar irradiance (datasheet)
- Step#1: the model was built using (173), (174), (177), (180), and (181).
- Step#2: in the first optimization technique, (179), (182), and (183) were used to calculate the photocurrent and the two diode currents, respectively.
- Step#3: in the second optimization technique and the same values, (184), (186), and (187), were used instead.
2.2.6. Parameter Estimation of DDM—Analytical Method #06
2.3. Triple Diode Model (TDM): Parameters Estimation
2.3.1. Parameter Estimation of TDM—Analytical Method #01
- —Ideality constant of the diode (triple diode)
- —Reverse saturation/leakage current of the third diode
2.3.2. Parameter Estimation of TDM—Analytical Method #02
3. Comparison between Different PV Models and Technologies
4. Error Expressions Used in Objective Function Formulation
5. Soft Computing Used in Parameter Estimation of PV Models
6. Future Research Trends
- The atmospheric parameters (irradiance and ambient temperature) should be considered in the simulation and modeling stage. This is due to the PV modules operating outdoors mainly.
- The model TDM should be studied in detail and draw some attention in future research.
- Most published work depends on RMSE value as the main optimization target, and the other statistical parameters are rarely addressed. However, the listed statistical functions should be addressed to assess their influence on overall optimization values and compare different metaheuristic algorithms’ performance.
- It is recommended in future work that CPU time should influence the decision to adopt a specific metaheuristic algorithm or decide on the suitability of a proposed hybrid algorithm.
- The previous two points can contribute to framing an overall picture of the studied algorithm. Hence, a comprehensive picture of the algorithm’s performance in terms of accuracy, reliability, suitability, and stability is clear.
- Most analytical models are dominated by mono- and poly-crystalline silicon. However, the thin film modules have been expanding recently. Specifically, amorphous thin film is famous for possessing high ideality factors due to its low fill factors.
- Limited work is dedicated to multi-junction cells, organic cells, and solar concentrators. Therefore, there are several issues in their model that need resolving.
- Finally, in testing new algorithms/hybrid algorithms, it is recommended to use complex PV cell models, such as a 57 mm diameter R.T.C France solar cell or Photowatt-PWP201.
- The following points summarize future trends in upgrading the metaheuristic algorithms [213]:
- Algorithm accuracy and needed computational burden should be addressed concerning the GA. This is by combining GA with other metaheuristic algorithms. This adds to the overall performance of GA and decreases the probability of entrapment in local optimas.
- DEs and PSOs, in general, have remarkable performance. However, DEs have enhanced performance when coupled with other algorithms and obtain better RMSE. At the same time, PSO has remarkable CPU resource consumption compared to DEs.
- The algorithm TLBO is parameter-free, which means that there are no parameters that need to be tuned in advance. However, with this advantage, the convergence speed is questionable and needs further enhancement. This is also applicable to WOA convergence speed.
- Also, the hybrid algorithms may possess complex structures regarding the number of parameters needed to be tuned, such as ABSO+FPA. Therefore, when tuning these algorithms’ parameters, great care should be paid to harnessing the benefits and avoiding the drawbacks.
- Developing a combination of local search and metaheuristic algorithms is also recommended for new hybrid algorithms. Local search can reduce the computation burden, optimize the usage of computation resources, and improve accuracy, for example, on local search algorithms: Nelder–Mead (NM), simplex method, and trust-region reflective (TRR).
- There are evolutions in swarm techniques to add diversity to the existing techniques. This evolution explores more available relations, such as animals, cells, molecular motors, granular matter, and robotic swarms. This enables exploring novel applications. In addition, investigate more advanced and/or simplified or rapid and accurate convergence algorithms, introducing new approaches to solving more complex models.
- An important issue concerning agent-dependent algorithms and which interaction pattern between agents is adopted, namely, hierarchical or egalitarian: they need delicate balance and immense fine-tuning to achieve the best solution. The advantages and level of information interchange among agents need further investigation.
- The negatives of the metaheuristic algorithms should be considered, especially the interactions between agents and how they benefit the algorithm’s performance. The interactions should be studied to weigh their impact as they can lead to the devaluation of a critical element or decrease in sensitivity to the variations in the topography of the problem.
7. Conclusions
Author Contributions
Funding
Data Availability Statement
Conflicts of Interest
References
- Kholaif, M.M.N.H.K.; Xiao, M.; Tang, X. COVID-19’s fear-uncertainty effect on renewable energy supply chain management and ecological sustainability performance; the moderate effect of big-data analytics. Sustain. Energy Technol. Assess. 2022, 53, 102622. [Google Scholar]
- Steffen, B.; Patt, A. A historical turning point? Early evidence on how the Russia-Ukraine war changes public support for clean energy policies. Energy Res. Soc. Sci. 2022, 91, 102758. [Google Scholar] [CrossRef]
- Li, G.D.; Li, G.Y.; Zhou, M. Model and application of renewable energy accommodation capacity calculation considering utilization level of interprovincial tie-line. Prot. Control Mod. Power Syst. 2019, 4, 1–12. [Google Scholar] [CrossRef]
- Pamponet, M.C.; Maranduba, H.L.; de Almeida Neto, J.A.; Rodrigues, L.B. Energy balance and carbon footprint of very large-scale photovoltaic power plant. Int. J. Energy Res. 2022, 46, 6901–6918. [Google Scholar] [CrossRef]
- Li, B.; Chen, M.; Ma, Z.; He, G.; Dai, W.; Liu, D.; Zhang, C.; Zhong, H. Modeling Integrated Power and Transportation Systems: Impacts of Power-to-Gas on the Deep Decarbonization. IEEE Trans. Ind. Appl. 2022, 58, 2677–2693. [Google Scholar] [CrossRef]
- Bhowmik, C.; Bhowmik, S.; Ray, A. Green Energy Sources Selection for Sustainable Planning: A Case Study. IEEE Trans. Eng. Manag. 2022, 69, 1322–1334. [Google Scholar] [CrossRef]
- Çimen, H.; Bazmohammadi, N.; Lashab, A.; Terriche, Y.; Vasquez, J.C.; Guerrero, J.M. An online energy management system for AC/DC residential microgrids supported by non-intrusive load monitoring. Appl. Energy 2022, 307, 118136. [Google Scholar] [CrossRef]
- Merah, H.; Gacem, A.; Ben Attous, D.; Lashab, A.; Jurado, F.; Sameh, M.A. Sizing and Sitting of Static VAR Compensator (SVC) Using Hybrid Optimization of Combined Cuckoo Search (CS) and Antlion Optimization (ALO) Algorithms. Energies 2022, 15, 4852. [Google Scholar] [CrossRef]
- Chin, V.J.; Salam, Z.; Ishaque, K. Cell modelling and model parametrs estimation techniques for photovoltaic simulator application: A Review. Appl. Energy 2015, 154, 500–519. [Google Scholar] [CrossRef]
- Villalva, M.G.; Gazoli, J.R.; Filho, E.R. Comprehensive Approach to Modeling and Simulation of Photovoltaic Arrays. IEEE Trans. Power Electron. 2009, 24, 1198–1208. [Google Scholar] [CrossRef]
- Mohammed, S.S. Modeling and simulation of photovoltaic module using MATLAB/Simulink. Int. J. Chem. Environ. Eng. 2011, 2. [Google Scholar]
- Ishaque, K.; Salam, Z.; Taheri, H. Simple, fast and accurate two-diode model for photovoltaic modules. Sol. Energy Mater. Sol. Cells 2011, 95, 586–594. [Google Scholar] [CrossRef]
- Arab, A.H.; Chenlo, F.; Benghanem, M. Loss-of-load probability of photovoltaic water pumping systems. Sol. Energy 2004, 76, 713–723. [Google Scholar] [CrossRef]
- Celik, A.N.; Acikgoz, N. Modelling and experimental verification of the operating current of mono-crystalline photovoltaic modules using four- and five parameter models. Appl. Energy 2007, 84, 1–15. [Google Scholar] [CrossRef]
- De Blas, M.A.; Torres, J.L.; Prieto, E.; Garcia, A. Selecting a suitable model for characterizing photovoltaic devices. Renew. Energy 2002, 25, 371–380. [Google Scholar] [CrossRef]
- De Soto, W.; Klein, S.A.; Beckman, W.A. Improvement and validation of a model for photovoltaic array performance. Sol. Energy 2006, 80, 78–88. [Google Scholar] [CrossRef]
- Klein, S.; Alvarado, F. Engineering equation solver, FChart Software. 2002. Available online: www.fchart.com (accessed on 20 November 2022).
- Tian, H.; Mancilla-David, F.; Ellis, K.; Muljadi, E.; Jenkins, P. A cell-to-module-to array detailed model for photovoltaic panels. Sol. Energy 2012, 86, 2695–2706. [Google Scholar] [CrossRef]
- Laudani, A.; Mancilla-David, F.; Riganti-Fulginei, F.; Salvini, A. Reduced-form of the photovoltaic five-parameter model for efficient computation of parameters. Sol. Energy 2013, 97, 122–127. [Google Scholar] [CrossRef]
- Laudani, A.; Mancilla-David, F.; Riganti-Fulginei, F.; Salvini, A. Identification of the one-diode model for photovoltaic modules from datasheet values. Sol. Energy 2014, 108, 432–446. [Google Scholar] [CrossRef]
- Brano, V.L.; Orioli, A.; Ciulla, G.; Di Gangi, A. An improved five-parameter model for photovoltaic modules. Sol. Energy Mater. Sol. Cells 2010, 94, 1358–1370. [Google Scholar] [CrossRef]
- Brano, V.L.; Orioli, A.; Ciulla, G. On the experimental validation of an improved five-parameter model for silicon photovoltaic modules. Sol. Energy Mater. Sol. Cells 2012, 105, 27–39. [Google Scholar] [CrossRef]
- Orioli, A.; Di Gangi, A. A procedure to calculate the five-parameter model of crystalline silicon photovoltaic modules on the basis of the tabular performance data. Appl. Energy 2013, 102, 1160–1177. [Google Scholar] [CrossRef]
- Sera, D.; Teodorescu, R.; Rodriguez, P. PV panel model based on datasheet values. In Proceedings of the IEEE International Symposium on Industrial Electronics, Vigo, Spain, 4–7 June 2007; pp. 2392–2396. [Google Scholar]
- Katsanevakis, M. Modelling the photovoltaic module. In Proceedings of the IEEE International Symposium on Industrial Electronics (ISIE), Gdansk, Poland, 27–30 June 2011; pp. 1414–1419. [Google Scholar]
- Chatterjee, A.; Keyhani, A.; Kapoor, D. Identification of photovoltaic source models. IEEE Trans. Energy Convers. 2011, 26, 883–889. [Google Scholar] [CrossRef]
- Mahmoud, Y.A.; Xiao, W.; Zeineldin, H.H. A parameterization approach for enhancing PV model accuracy. IEEE Trans. Indust. Electron. 2013, 60, 5708–5716. [Google Scholar] [CrossRef]
- Alqahtani, A.H. A simplified and accurate photovoltaic module parameters extraction approach using Matlab. In Proceedings of the IEEE International Symposium on Industrial Electronics (ISIE), Hangzhou, China, 28–31 May 2012; pp. 1748–1753. [Google Scholar]
- El Tayyan, A.A. PV system behavior based on datasheet. J. Electron. Dev. 2011, 9, 335–341. [Google Scholar]
- Lineykin, S.; Averbukh, M.; Kuperman, A. An improved approach to extract the single-diode equivalent circuit parameters of a photovoltaic cell/panel. Renew. Sustain. Energy Rev. 2014, 30, 282–289. [Google Scholar] [CrossRef]
- Chouder, A.; Silvestre, S.; Sadaoui, N.; Rahmani, L. Modeling and simulation of a grid connected PV system based on the evaluation of main PV module parameters. Simul. Modell. Practice Theory 2012, 20, 46–58. [Google Scholar] [CrossRef]
- Adamo, F.; Attivissimo, F.; Di Nisio, A.; Lanzolla, A.M.L.; Spadavecchia, M. Parameters estimation for a model of photovoltaic panels. In Proceedings of the XIX IMEKO World Congress, Fundamental and Applied Metrology, Lisbon, Portugal, 6–11 May 2009; pp. 964–967. [Google Scholar]
- Adamo, F.; Attivissimo, F.; Spadavecchia, M. A tool for photovoltaic panels modeling and testing. In Proceedings of the IEEE Instrumentation & Measurement Technology Conference Proceedings, Austin, TX, USA, 3–6 May 2010; pp. 1463–1466. [Google Scholar]
- Adamo, F.; Attivissimo, F.; Spadavecchia, M. Characterization and Testing of a Tool for Photovoltaic Panel Modeling. IEEE Trans. Instrum. Meas. 2011, 60, 1613–1622. [Google Scholar] [CrossRef]
- Gow, J.A.; Manning, C.D. Development of a photovoltaic array model for use in power-electronics simulation studies. IEEE Proc. Electr. Power Appl. 1999, 146, 193–200. [Google Scholar] [CrossRef]
- Siddiqui, M.U.; Arif, A.F.M.; Bilton, A.M.; Dubowsky, S.; Elshafei, M. An improved electric circuit model for photovoltaic modules based on sensitivity analysis. Sol. Energy 2013, 90, 29–42. [Google Scholar] [CrossRef]
- Khalid, M.S.; Abido, M.A. A novel and accurate photovoltaic simulator based on seven-parameter model. Electr. Power Syst. Res. 2014, 116, 243–251. [Google Scholar] [CrossRef]
- Peng, L.; Sun, Y.; Meng, Z. An improved model and parameters extraction for photovoltaic cells using only three state points at standard test condition. J. Power Sour. 2014, 248, 621–631. [Google Scholar] [CrossRef]
- Hejri, M.; Mokhtari, H.; Azizian, M.R.; Ghandhari, M.; Soder, L. On the Parameter Extraction of a Five-Parameter Double-Diode Model of Photovoltaic Cells and Modules. IEEE J. Photovolt. 2014, 4, 915–923. [Google Scholar] [CrossRef]
- Jacobson, N. Basic Algebra; Freeman, W.H., Ed.; Courier Corporation: San Francisco, CA, USA, 1985. [Google Scholar]
- Babu, B.C.; Gurjar, S. A Novel Simplified Two-Diode Model of Photovoltaic (PV) Module. IEEE J. Photovolt. 2014, 4, 1156–1161. [Google Scholar] [CrossRef]
- Bradaschia, F.; Cavalcanti, M.C.; do Nascimento, A.J.; da Silva, E.A.; de Souza Azevedo, G.M. Parameter Identification for PV Modules Based on an Environment-Dependent Double-Diode Model. IEEE J. Photovolt. 2019, 4, 1388–1397. [Google Scholar] [CrossRef]
- Wolf, M.; Noel, G.T.; Stirn, R.J. Investigation of the double exponential in the current–voltage characteristics of silicon solar cells. IEEE Trans. Electron Devices 1977, 24, 419–428. [Google Scholar] [CrossRef]
- Tifidat, K.; Maouhoub, N.; Benahmida, A.; Ait Salah, F.E. An accurate approach for modeling I-V characteristics of photovoltaic generators based on the two-diode model. Energy Convers. Manag. X 2022, 14, 100205. [Google Scholar] [CrossRef]
- Soliman, M.A.; Al-Durra, A.; Hasanien, H.M. Electrical Parameters Identification of Three-Diode Photovoltaic Model Based on Equilibrium Optimizer Algorithm. IEEE Access 2021, 9, 41891–41901. [Google Scholar] [CrossRef]
- Qais, M.H.; Hasanien, H.M.; Alghuwainem, S.; Loo, K.H.; Elgendy, M.A.; Turky, R.A. Accurate Three-Diode model estimation of Photovoltaic modules using a novel circle search algorithm. Ain Shams Eng. J. 2022, 13, 101824. [Google Scholar] [CrossRef]
- Gafar, M.; El-Sehiemy, R.A.; Hasanien, H.M.; Abaza, A. Optimal parameter estimation of three solar cell models using modified spotted hyena optimization. J. Ambient Intell. Humaniz. Comput. 2022, 1–12. [Google Scholar] [CrossRef]
- El-Dabaha, M.A.; El-Sehiemy, R.A.; Hasanien, H.M.; Saad, B. Photovoltaic model parameters identification using Northern Goshawk Optimization algorithm. Energy 2023, 262, 125522. [Google Scholar] [CrossRef]
- Ćalasan, M.; Aleem, S.H.E.A.; Zobaa, A.F. A new approach for parameters estimation of double and triple diode models of photovoltaic cells based on iterative Lambert W function. Sol. Energy 2021, 218, 392–412. [Google Scholar] [CrossRef]
- Ćalasan, M.; Al-Dhaifallah, M.; Ali, Z.M.; Aleem, S.H.E.A. Comparative Analysis of Different Iterative Methods for Solving Current–Voltage Characteristics of Double and Triple Diode Models of Solar Cells. Mathematics 2022, 10, 3082. [Google Scholar] [CrossRef]
- Micheli, D.; Alessandrini, S.; Radu, R.; Casula, I. Analysis of the outdoor performance and efficiency of two grid connected photovoltaic systems in northern Italy. Energy Convers. Manag. 2014, 80, 436–445. [Google Scholar] [CrossRef]
- Masuko, K.; Shigematsu, M.; Hashiguchi, T.; Fujishima, D.; Kai, M.; Yoshimura, N.; Yamaguchi, T.; Ichihashi, Y.; Mishima, T.; Matsubara, N.; et al. Achievement of more than 25% conversion efficiency with crystalline silicon heterojunction solar cell. IEEE J. Photovolt. 2014, 4, 1433–1435. [Google Scholar] [CrossRef]
- Chander, S.; Purohit, A.; Sharma, A.; Nehra, S.P.; Dhaka, M.S. Impact of temperature on performance of series and parallel connected mono-crystalline silicon solar cells. Energy Rep. 2015, 1, 175–180. [Google Scholar] [CrossRef]
- Tripathi, B.; Yadav, P.; Rathod, S.; Kumar, M. Performance analysis and comparison of two silicon material based photovoltaic technologies under actual climatic conditions in Western India. Energy Convers. Manag. 2014, 80, 97–102. [Google Scholar] [CrossRef]
- Schindler, F.; Fell, A.; Müller, R.; Benick, J.; Richter, A.; Feldmann, F.; Krenckel, P.; Riepe, S.; Schubert, M.C.; Glunz, S.W. Towards the efficiency limits of multicrystalline silicon solar cells. Sol. Energy Mater. Sol. Cells 2018, 185, 198–204. [Google Scholar] [CrossRef]
- Tihane, A.; Boulaid, M.; Elfanaoui, A.; Nya, M.; Ihlal, A. Performance analysis of mono and polycrystalline silicon photovoltaic modules under Agadir climatic conditions in Morocco. Mater. Today Proc. 2020, 24, 85–90. [Google Scholar] [CrossRef]
- Fuentealba, E.; Ferrada, P.; Araya, F.; Marzo, A.; Parrado, C.; Portillo, C. Photovoltaic performance and LCoE comparison at the coastal zone of the Atacama Desert, Chile. Energy Convers. Manag. 2015, 95, 181–186. [Google Scholar] [CrossRef]
- Bianchini, A.; Gambuti, M.; Pellegrini, M.; Saccani, C. Performance analysis and economic assessment of different photovoltaic technologies based on experimental measurements. Renew. Energy 2016, 85, 1–11. [Google Scholar] [CrossRef]
- Cao, Y.; Zhu, X.Y.; Chen, H.B.; Zhang, X.T.; Zhouc, J.; Hu, Z.; Pang, J. Towards high efficiency inverted Sb2Se3 thin film solar cells. Sol. Energy Mater. Sol. Cells 2019, 200, 109945. [Google Scholar] [CrossRef]
- Mi, Z.; Chen, J.K.; Chen, N.F.; Bai, Y.M.; Fu, R.; Liu, H. Open-loop solar tracking strategy for high concentrating photovoltaic systems using variable tracking frequency. Energy Convers. Manag. 2016, 117, 142–149. [Google Scholar] [CrossRef]
- Romero, J.M.; Almonacid, F.; Theristis, M.; Casa, J.; Georghiou, G.E.; Fernández, E.F. Comparative analysis of parameter extraction techniques for the electrical characterization of multi-junction CPV and m-Si technologies. Sol. Energy 2018, 160, 275–288. [Google Scholar] [CrossRef]
- Yanga, B.; Wanga, J.; Zhangb, X.; Yuc, T.; Yaod, W.; Shua, H.; Zenga, F.; Sune, L. Comprehensive overview of meta-heuristic algorithm applications on PV cell parameter identification. Energy Convers. Manag. 2020, 208, 112595. [Google Scholar] [CrossRef]
- Diab, A.A.Z.; Tolba, M.A.; El-Rifaie, A.M.; Denis, K.A. Photovoltaic parameter estimation using honey badger algorithm and African vulture optimization algorithm. Energy Rep. 2022, 8, 384–393. [Google Scholar] [CrossRef]
- Muhsen, D.H.; Ghazali, A.B.; Khatib, T.; Abed, I.A. Parameters extraction of double diode photovoltaic module’s model based on hybrid evolutionary algorithm. Energy Convers. Manag. 2015, 105, 552–561. [Google Scholar] [CrossRef]
- Moshksar, E.; Ghanbari, T. Adaptive estimation approach for parameter identification of photovoltaic modules. IEEE J. Photovolt. 2017, 7, 614–623. [Google Scholar] [CrossRef]
- Silva, E.A.; Bradaschia, F.; Cavalcanti, M.C.; Nascimento, A.J. Parameter estimation method to improve the accuracy of photovoltaic electrical model. IEEE J. Photovolt. 2016, 6, 278–285. [Google Scholar] [CrossRef]
- Tong, N.T.; Pora, W. A parameter extraction technique exploiting intrinsic properties of solar cells. Appl. Energy 2016, 176, 104–115. [Google Scholar] [CrossRef]
- Gomes, R.C.M.; Vitorino, M.A.; Correa, M.B.R.; Fernandes, D.A.; Wang, R.X. Shuffled complex evolution on photovoltaic parameter extraction: A comparative analysis. IEEE Trans. Sustain. Energy 2017, 8, 805–815. [Google Scholar] [CrossRef]
- Rajasekar, N.; Kumar, N.K.; Venugopalan, R. Bacterial foraging algorithm based solar PV parameter estimation. Sol. Energy 2013, 97, 255–265. [Google Scholar] [CrossRef]
- Babu, T.S.; Ram, J.P.; Sangeetha, K.; Laudani, A.; Rajasekar, N. Parameter extraction of two diode solar PV model using fireworks algorithm. Sol. Energy 2016, 140, 265–276. [Google Scholar] [CrossRef]
- Askarzadeh, A.; Rezazadeh, A. Parameter identification for solar cell models using harmony search-based algorithms. Sol. Energy 2012, 86, 3241–3249. [Google Scholar] [CrossRef]
- Kler, D.; Sharma, P.; Banerjee, A.; Rana, K.P.S.; Kumar, V. PV cell and module efficient parameters estimation using evaporation rate based water cycle algorithm. Swarm Evol. Comput. 2017, 35, 93–110. [Google Scholar] [CrossRef]
- Ayodele, T.R.; Ogunjuyigbe, A.S.O.; Ekoh, E.E. Evaluation of numerical algorithms used in extracting the parameters of a single-diode photovoltaic model. Sustain. Energy Technol. Assess. 2016, 13, 51–59. [Google Scholar] [CrossRef]
- Kato, T. Prediction of photovoltaic power generation output and network operation. In Integration of Distributed Energy Resources in Power Systems: Implementation, Operation, and Control; Funabashi, T., Ed.; Academic Press: Cambridge, MA, USA, 2016; pp. 77–108. ISBN 978-0-12-803212-1. [Google Scholar]
- Song, S.; Wang, P.; Heidari, A.A.; Zhao, X.; Chen, H. Adaptive Harris Hawks Optimization with Persistent Trigonometric Differences for PV Model Parameter Extraction. Eng. Appl. Artif. Intell. 2022, 109, 104608. [Google Scholar] [CrossRef]
- Venkateswari, R.; Rajasekar, N. Review on parameter estimation techniques of solar photovoltaic systems. Int. Trans. Electr. Energy Syst. 2021, 31, e13113. [Google Scholar] [CrossRef]
- Zhou, W.; Wang, P.; Heidari, A.A.; Zhao, X.; Turabieh, H.; Chen, H. Random learning gradient based optimization for efficient design of photovoltaic models. Energy Convers. Manag. 2021, 230, 113751. [Google Scholar] [CrossRef]
- Farah, A.; Belazi, A.; Benabdallah, F.; Almalaq, A.; Chtourou, M.; Abido, M.A. Parameter extraction of photovoltaic models using a comprehensive learning Rao-1 algorithm. Energ. Conver. Manag. 2022, 252, 115057. [Google Scholar] [CrossRef]
- Elyaqouti, M.; Saadaoui, D.; Lidaighbi, S.; Chaoufi, J.; Ibrahim, A.; Aqel, R.; Obukhov, S. A novel hybrid numerical with analytical approach for parameter extraction of photovoltaic modules. Energy Convers. Manag. X 2022, 14, 100219. [Google Scholar]
- Shuijia, L.; Gong, W.; Gu, Q. A comprehensive survey on meta-heuristic algorithms for parameter extraction of photovoltaic models. Renew. Sust. Energ. Rev. 2021, 141, 110828. [Google Scholar]
- Elshatter, T.F.; Elhagry, M.T.; Abou-Elzahab, E.M.; Elkousy, A.A.T. Fuzzy modeling of photovoltaic panel equivalent circuit. In Proceedings of the 40th Midwest Symposium on Circuits and Systems, Anchorage, AK, USA, 15–22 September 2000; Volume 1, pp. 1656–1659. [Google Scholar]
- Bendib, T.; Djeffal, F.; Arar, D.; Meguellati, M. Fuzzy-logic-based approach for organic solar cell parameters extraction. In Proceedings of the World Congress on Engineering, London, UK, 3–5 July 2013. [Google Scholar]
- AbdulHadi, M.; Al-Ibrahim, A.M.; Virk, G.S. Neuro-fuzzy-based solar cell model. IEEE Trans. Energy Convers. 2004, 19, 619–624. [Google Scholar] [CrossRef]
- Sheraz, M.; Abido, M.A. An efficient approach for parameter estimation of PV model using DE and fuzzy based MPPT controller. In Proceedings of the IEEE Conference on Evolving and Adaptive Intelligent Systems (EAIS), Linz, Austria, 2–4 June 2014. [Google Scholar]
- Dehghani, M.; Taghipour, M.; Gharehpetian, G.B.; Abedi, M. Optimized Fuzzy Controller for MPPT of Grid-connected PV Systems in Rapidly. J. Mod. Power. Syst. Clean Energy 2021, 9, 376–383. [Google Scholar] [CrossRef]
- Zhu, H.; Lu, L.; Yao, J.; Dai, S.; Hu, Y. Fault diagnosis approach for photovoltaic arrays based on unsupervised sample clustering and probabilistic neural network model. Sol. Energy 2018, 176, 395–405. [Google Scholar] [CrossRef]
- Douiri, M.R. Particle swarm optimized neuro-fuzzy system for photovoltaic power forecasting model. Sol. Energy 2019, 184, 91–104. [Google Scholar] [CrossRef]
- Balzani, M.; Reatti, A. Neural network based model of a PV array for the optimum performance of PV system. In Research in Microelectronics and Electronics 2005, PhD; IEEE: Lausanne, Switzerland, 2005. [Google Scholar]
- Karatepe, E.; Boztepe, M.; Colak, M. Neural network based solar cell model. Energy Convers. Manag. 2006, 47, 1159–1178. [Google Scholar] [CrossRef]
- King, D.L.; Kratochvil, J.A.; Boyson, W.E. Photovoltaic Array Performance Model; Sandia National Laboratories: Livermore, CA, USA, 2004. [Google Scholar]
- Duffie, J.A.; Beckman, W.A. Solar Engineering of Thermal Processes; John Wiley & Sons: Hoboken, NJ, USA, 2013. [Google Scholar]
- Zhang, L.; Fei Bai, Y. Genetic algorithm-trained radial basis function neural networks for modelling photovoltaic panels. Eng. Appl. Artif. Intell. 2005, 18, 833–844. [Google Scholar] [CrossRef]
- Almonacid, F.; Rus, C.; Hontoria, L.; Fuentes, M.; Nofuentes, G. Characterization of Si-crystalline PV modules by artificial neural networks. Renew. Energy 2009, 34, 914–949. [Google Scholar] [CrossRef]
- Almonacid, F.; Rus, C.; Hontoria, L.; Muñoz, F.J. Characterization of PV CIS module by artificial neural networks A comparative study with other methods. Renew. Energy 2010, 35, 973–980. [Google Scholar] [CrossRef]
- Mellit, A.; Benghanem, M.; Arab, A.H.; Guessoum, A. An adaptive artificial neural network model for sizing stand-alone photovoltaic systems: Application for isolated sites in Algeria. Renew. Energy 2005, 30, 1501–1524. [Google Scholar] [CrossRef]
- Mellit, A.; Benghanem, M.; Kalogirou, S.A. Modeling and simulation of a standalone photovoltaic system using an adaptive artificial neural network: Proposition for a new sizing procedure. Renew. Energy 2007, 32, 285–313. [Google Scholar] [CrossRef]
- Almonacid, F.; Rus, C.; Pérez, P.J.; Hontoria, L. Estimation of the energy of a PV generator using artificial neural network. Renew. Energy 2009, 34, 2743–2750. [Google Scholar] [CrossRef]
- Almonacid, F.; Rus, C.; Pérez-Higueras, P.; Hontoria, L. Calculation of the energy provided by a PV generator. Comparative study: Conventional methods vs. artificial neural networks. Energy 2011, 36, 375–384. [Google Scholar] [CrossRef]
- Li, B.; Delpha, C.; Diallo, D.; Migan-Dubois, A. Application of Artificial Neural Networks to photovoltaic fault detection and diagnosis: A review. Renew. Sustain. Energy Rev. 2021, 138, 110512. [Google Scholar] [CrossRef]
- Ishaque, K.; Salam, Z. An improved modeling method to determine the model parameters of photovoltaic (PV) modules using differential evolution (DE). Sol. Energy 2011, 85, 2349–2359. [Google Scholar] [CrossRef]
- Ishaque, K.; Salam, Z.; Taheri, H.; Shamsudin, A. A critical evaluation of EA computational methods for photovoltaic cell parameter extraction based on two diode model. Sol. Energy 2011, 85, 1768–1779. [Google Scholar] [CrossRef]
- Ishaque, K.; Salam, Z.; Mekhilef, S.; Shamsudin, A. Parameter extraction of solar photovoltaic modules using penalty-based differential evolution. Appl. Energy 2012, 99, 297–308. [Google Scholar] [CrossRef]
- Da Costa, W.T.; Fardin, J.F.; Simonetti, D.S.L.; Neto, L.D.B.M. Identification of photovoltaic model parameters by differential evolution. In Proceedings of the IEEE International Conference on Industrial Technology (ICIT), Via del Mar, Chile, 14–17 March 2010; pp. 931–936. [Google Scholar]
- Gong, W.; Zhihua, C. Parameter extraction of solar cell models using repaired adaptive differential evolution. Sol. Energy 2013, 94, 209–220. [Google Scholar] [CrossRef]
- Zhang, J.; Sanderson, A.C. JADE: Adaptive differential evolution with optional external archive. IEEE Trans. Evol. Comput. 2009, 13, 945–958. [Google Scholar] [CrossRef]
- Kharchouf, Y.; Herbazi, R.; Chahboun, A. Parameter’s extraction of solar photovoltaic models using an improved differential evolution algorithm. Energy Convers. Manag. 2022, 251, 114972. [Google Scholar] [CrossRef]
- Patro, S.K.; Saini, R. Mathematical modeling framework of a PV model using novel differential evolution algorithm. Sol. Energy 2020, 211, 210–226. [Google Scholar] [CrossRef]
- Hao, Q.; Zhou, Z.; Wei, Z.; Chen, G. Parameters identification of photovoltaic models using a multi-strategy success-history-based adaptive differential evolution. IEEE Access 2020, 8, 35979–35994. [Google Scholar] [CrossRef]
- Liao, Z.; Gu, Q.; Li, S.; Hu, Z.; Ning, B. An Improved Differential Evolution to Extract Photovoltaic Cell Parameters. IEEE Access 2020, 8, 177838–1778500. [Google Scholar] [CrossRef]
- Chellaswamy, C.; Ramesh, R. Parameter extraction of solar cell models based on adaptive differential evolution algorithm. Renew. Energy 2016, 97, 823–837. [Google Scholar] [CrossRef]
- Muangkote, N.; Sunat, K.; Chiewchanwattana, S.; Kaiwinit, S. An advanced onlooker-ranking-based adaptive differential evolution to extract the parameters of solar cell models. Renew. Energy 2019, 134, 1129–1147. [Google Scholar] [CrossRef]
- Song, Y.; Wu, D.; Deng, W.; Gao, X.-Z.; Li, T.; Zhang, B.; Li, Y. MPPCEDE: Multi-population parallel co-evolutionary differential evolution for parameter optimization. Energy Convers. Manag. 2021, 228, 113661. [Google Scholar] [CrossRef]
- Gao, S.; Wang, K.; Tao, S.; Jin, T.; Dai, H.; Cheng, J. A state-of-the-art differential evolution algorithm for parameter estimation of solar photovoltaic models. Energy Convers. Manag. 2021, 230, 113784. [Google Scholar] [CrossRef]
- Li, S.; Gu, Q.; Gong, W.; Ning, B. An enhanced adaptive differential evolution algorithm for parameter extraction of photovoltaic models. Energy Convers. Manag. 2020, 205, 112443. [Google Scholar] [CrossRef]
- Liang, J.; Qiao, K.; Yu, K.; Ge, S.; Qu, B.; Xu, R.; Li, K. Parameters estimation of solar photovoltaic models via a self-adaptive ensemble-based differential evolution. Sol. Energy 2020, 207, 336–346. [Google Scholar] [CrossRef]
- Biswas, P.P.; Suganthan, P.N.; Wu, G.; Amaratunga, G.A. Parameter estimation of solar cells using datasheet information with the application of an adaptive differential evolution algorithm. Renew. Energy 2019, 132, 425–438. [Google Scholar] [CrossRef]
- Hu, Z.; Gong, W.; Li, S. Reinforcement learning-based differential evolution for parameters extraction of photovoltaic models. Energy Rep. 2021, 7, 916–926. [Google Scholar] [CrossRef]
- Li, S.; Gong, W.; Wang, L.; Yan, X.; Hu, C. A hybrid adaptive teaching–learning-based optimization and differential evolution for parameter identification of photovoltaic models. Energy Convers. Manag. 2020, 225, 113474. [Google Scholar] [CrossRef]
- Shankar, N.; Saravanakumar, N. Solar photovoltaic module parameter estimation with an enhanced differential evolutionary algorithm using the manufacturer’s datasheet information. Optik 2020, 224, 165700. [Google Scholar]
- Zagrouba, M.; Sellami, A.; Bouaïcha, M.; Ksouri, M. Identification of PV solar cells and modules parameters using the genetic algorithms: Application to maximum power extraction. Sol. Energy 2010, 84, 860–866. [Google Scholar] [CrossRef]
- Sellami, A.; Bouaïcha, M. Application of the genetic algorithms for identifying the electrical parameters of PV solar generators. In Solar Cells-Silicon Wafer-Based Technologies; Kosyachenko Leonid, A., Ed.; InTech Open: London, UK, 2011; pp. 349–364. [Google Scholar]
- Jervase, J.A.; Bourdoucen, H.; Al-Lawati, A. Solar cell parameter extraction using genetic algorithms. Meas. Sci. Technol. 2001, 12, 1922. [Google Scholar] [CrossRef]
- Picos, R.; Garcia-Moreno, E. Parameter extraction of a solar cell compact model using genetic algorithms. In Proceedings of the Spanish Conference on Electron Devices, Santiago de Compostela, Spain, 11–13 February 2009; pp. 379–382. [Google Scholar]
- Ismail, M.S.; Moghavvemi, M.; Mahlia, T.M.I. Characterization of PV panel and global optimization of its model parameters using genetic algorithm. Energy Convers. Manag. 2013, 73, 10–25. [Google Scholar] [CrossRef]
- Saadaoui, D.; Elyaqouti, M.; Assalaou, K.; Ben Hmamou, D.; Lidaighbi, S. Parameters optimization of solar PV cell/module using genetic algorithm based on nonuniform mutation. Energy Convers. Manag. X 2021, 22, 100129. [Google Scholar]
- Dali, A.; Bouharchouche, A.; Diaf, S. Parameter identification of photovoltaic cell/module using genetic algorithm (GA) and particle swarm optimization (PSO). In Proceedings of the 3rd International Conference on Control, Engineering & Information Technology (CEIT), Tlemcen, Algeria, 25–27 May 2015. [Google Scholar]
- Dizqah, A.M.; Maheri, A.; Busawon, K. An accurate method for the PV model identification based on a genetic algorithm and the interior-point method. Renew. Energy 2014, 72, 212–222. [Google Scholar] [CrossRef]
- Kumari, P.A.; Geethanjali, P. Adaptive genetic algorithm based multi-objective optimization for photovoltaic cell design parameter extraction. Energy Procedia 2017, 117, 432–441. [Google Scholar] [CrossRef]
- Mahesh, A.; Sandhu, K.S. A genetic algorithm based improved optimal sizing strategy for solar-wind-battery hybrid system using energy filter algorithm. Front. Energy 2020, 14, 139–151. [Google Scholar] [CrossRef]
- Peng, W.; Zeng, Y.; Gong, H.; Leng, Y.Q.; Yan, Y.H.; Hu, W. Evolutionary algorithm and parameters extraction for dye-sensitized solar cells one-diode equivalent circuit model. Micro Nano Lett. 2013, 8, 86–89. [Google Scholar] [CrossRef]
- Deotti, L.M.P.; Pereira, J.L.R.; da Silva, I.C., Jr. Parameter extraction of photovoltaic models using an enhanced Lévy flight bat algorithm. Energy Convers. Manag. 2020, 221, 113114. [Google Scholar] [CrossRef]
- Alam, D.F.; Yousri, D.A.; Eteiba, M.B. Flower pollination algorithm based solar PV parameter estimation. Energy Convers. Manag. 2015, 101, 410–422. [Google Scholar] [CrossRef]
- Xu, S.; Wang, Y. Parameter estimation of photovoltaic modules using a hybrid flower pollination algorithm. Energy Convers. Manag. 2017, 144, 53–68. [Google Scholar] [CrossRef]
- Benkercha, R.; Moulahoum, S.; Taghezouit, B. Extraction of the PV modules parameters with MPP estimation using the modified flower algorithm. Renew. Energy 2019, 143, 1698–1709. [Google Scholar] [CrossRef]
- AlHajri, M.F.; El-Naggar, K.M.; AlRashidi, M.R.; Al-Othman, A.K. Optimal extraction of solar cell parameters using pattern search. Renew. Energy 2012, 44, 238–245. [Google Scholar] [CrossRef]
- Derick, M.; Rani, C.; Rajesh, M.; Busawon, K.; Binns, R. Estimation of solar photovoltaic parameters using pattern search algorithm. In International Conference on Emerging Trends in Electrical, Electronic and Communications Engineering; Springer: Berlin/Heidelberg, Germany, 2017; pp. 184–191. [Google Scholar]
- El-Naggar, K.M.; AlRashidi, M.R.; AlHajri, M.F.; Al-Othman, A.K. Simulated annealing algorithm for photovoltaic parameters identification. Sol. Energy 2012, 86, 266–274. [Google Scholar] [CrossRef]
- AlRashidi, M.R.; El-Naggar, K.M.; AlHajri, M.F. Solar cell parameters estimation using simulated annealing algorithm. World Acad. Sci. Eng. Technol. 2013, 7, 149–152. [Google Scholar]
- Messaoud, R.B. Extraction of uncertain parameters of single-diode model of a photovoltaic panel using simulated annealing optimization. Energy Rep. 2020, 6, 350–357. [Google Scholar] [CrossRef]
- Dkhichi, F.; Oukarfi, B.; Fakkar, A.; Belbounaguia, N. Parameter identification of solar cell model using Levenberg-Marquardt algorithm combined with simulated annealing. Sol. Energy 2014, 110, 781–788. [Google Scholar] [CrossRef]
- Mughal, M.A.; Ma, Q.; Xiao, C. Photovoltaic cell parameter estimation using hybrid particle swarm optimization and simulated annealing. Energies 2017, 10, 1213. [Google Scholar] [CrossRef]
- Qais, M.H.; Hasanien, H.M.; Alghuwainem, S. Identification of electrical parameters for three-diode photovoltaic model using analytical and sunflower optimization algorithm. Appl. Energy 2019, 250, 109–117. [Google Scholar] [CrossRef]
- Hasanien, H.M. Shuffled frog leaping algorithm for photovoltaic model identification. IEEE Trans. Sustain. Energy 2015, 6, 509–515. [Google Scholar] [CrossRef]
- Qais, H.M.; Hasanien, M.H.; Alghuwainem, S. Transient search optimization for electrical parameters estimation of photovoltaic module based on datasheet values. Energy Convers. Manag. 2020, 214, 112904. [Google Scholar] [CrossRef]
- Mathew, D.; Rani, C.; Kumar, M.R.; Wang, Y.; Binns, R.; Busawon, K. Wind-driven optimization technique for estimation of solar photovoltaic parameters. IEEE J. Photovolt. 2017, 8, 248–256. [Google Scholar] [CrossRef]
- Ridha, H.M.; Hizam, H.; Mirjalili, S.; Othman, M.L.; Ya’acob, M.E.; Ahmadipour, M. Parameter extraction of single, double, and three diodes photovoltaic model based on guaranteed convergence arithmetic optimization algorithm and modified third order Newton Raphson methods. Renew. Sust. Energ. Rev. 2022, 162, 112436. [Google Scholar] [CrossRef]
- Jacob, B.; Balasubramanian, K.; Babu, T.S.; Rajasekar, N. Parameter extraction of solar PV double diode model using artificial immune system. In Proceedings of the IEEE International Conference on Signal Processing, Informatics, Communication and Energy Systems (SPICES), Kozhikode, India, 19–21 February 2015. [Google Scholar]
- Fathy, A.; Rezk, H. Parameter estimation of photovoltaic system using imperialist competitive algorithm. Renew. Energy 2017, 111, 307–320. [Google Scholar] [CrossRef]
- Ali, E.E.; El-Hameed, M.A.; El-Fergany, A.A.; El-Arini, M.M. Parameter extraction of photovoltaic generating units using multi-verse optimizer. Sustain. Energy Technol. Assess. 2016, 17, 68–76. [Google Scholar] [CrossRef]
- Askarzadeh, A.; Rezazadeh, A. Artificial bee swarm optimization algorithm for parameters identification of solar cell models. Appl. Energy 2013, 102, 943–949. [Google Scholar] [CrossRef]
- Ketkar, M.; Chopde, A.M. Efficient parameter extraction of solar cell using modified ABC. Int. J. Comput. Appl. 2014, 102, 1–6. [Google Scholar] [CrossRef]
- Oliva, D.; Cuevas, E.; Pajares, G. Parameter identification of solar cells using artificial bee colony optimization. Energy 2014, 72, 93–102. [Google Scholar] [CrossRef]
- Ram, J.P.; Babu, T.S.; Dragicevic, T.; Rajasekar, N. A new hybrid bee pollinator flower pollination algorithm for solar PV parameter estimation. Energy Convers. Manag. 2017, 135, 463–476. [Google Scholar] [CrossRef]
- Chen, X.; Xu, B.; Mei, C.; Ding, Y.; Li, K. Teaching–learning–based artificial bee colony for solar photovoltaic parameter estimation. Appl. Energy 2018, 212, 1578–1588. [Google Scholar] [CrossRef]
- Wu, L.; Chen, Z.; Long, C.; Cheng, S.; Lin, P.; Chen, Y.; Chen, H. Parameter extraction of photovoltaic models from measured I-V characteristics curves using a hybrid trust-region reflective algorithm. Appl. Energy 2018, 232, 36–53. [Google Scholar] [CrossRef]
- Wu, Z.; Yu, D.; Kang, X. Parameter identification of photovoltaic cell model based on improved ant lion optimizer. Energy Convers. Manag. 2017, 151, 107–115. [Google Scholar] [CrossRef]
- Kanimozhi, G.; Harish, K. Modeling of solar cell under different conditions by Ant Lion Optimizer with LambertW function. Appl. Soft Comput. J. 2018, 71, 141–151. [Google Scholar]
- Ben Messaoud, R. Extraction of uncertain parameters of double-diode model of a photovoltaic panel using Ant Lion Optimization. SN Appl. Sci. 2020, 2, 1–8. [Google Scholar] [CrossRef]
- Wang, M.; Zhao, X.; Heidari, A.A.; Chen, H. Evaluation of constraint in photovoltaic models by exploiting an enhanced ant lion optimizer. Sol. Energy 2020, 211, 503–521. [Google Scholar] [CrossRef]
- Awadallah, M.A.; Venkatesh, B. Bacterial Foraging Algorithm Guided by Particle Swarm Optimization for Parameter Identification of Photovoltaic Modules. Can. J. Electr. Comput. Eng. 2016, 39, 150–157. [Google Scholar] [CrossRef]
- Subudhi, B.; Pradhan, R. Bacterial foraging optimization approach to parameter extraction of a photovoltaic module. IEEE Trans. Sustain. Energy 2018, 9, 381–389. [Google Scholar] [CrossRef]
- Askarzadeh, A.; Rezazadeh, A. Extraction of maximum power point in solar cells using bird mating optimizer-based parameters identification approach. Sol. Energy 2013, 90, 123–133. [Google Scholar] [CrossRef]
- Askarzadeh, A.; dos Santos Coelho, L. Determination of photovoltaic modules parameters at different operating conditions using a novel bird mating optimizer approach. Energy Convers. Manag. 2015, 89, 608–614. [Google Scholar] [CrossRef]
- Guo, L.; Meng, Z.; Sun, Y.; Wang, L. Parameter identification and sensitivity analysis of solar cell models with cat swarm optimization algorithm. Energy Convers. Manag. 2016, 108, 520–528. [Google Scholar] [CrossRef]
- Qais, M.H.; Hasanien, H.M.; Alghuwainem, S.; Nouh, A.S. Coyote optimization algorithm for parameters extraction of three-diode photovoltaic models of photovoltaic modules. Energy 2019, 187, 116001. [Google Scholar] [CrossRef]
- Ma, J.; Ting, T.O.; Man, K.L.; Zhang, N.; Guan, S.-U.; Wong, P.W.H. Parameter estimation of photovoltaic models via cuckoo search. J. Appl. Math. 2013, 2013, 1–8. [Google Scholar] [CrossRef]
- Chen, X.; Yu, K. Hybridizing cuckoo search algorithm with biogeography-based optimization for estimating photovoltaic model parameters. Sol. Energy 2019, 180, 192–206. [Google Scholar] [CrossRef]
- Gude, S.; Jana, K.C. Parameter extraction of photovoltaic cell using an improved cuckoo search optimization. Sol. Energy 2020, 204, 280–293. [Google Scholar] [CrossRef]
- Omar, A.; Hasanien, H.M.; Elgendy, M.A.; Badr, M.A. Identification of the photovoltaic model parameters using the crow search algorithm. IET J. Eng. 2017, 13, 1570–1575. [Google Scholar] [CrossRef]
- Beigi, M.; Maroosi, A. Parameter identification for solar cells and module using a hybrid firefly and pattern search algorithms. Sol. Energy 2018, 171, 435–436. [Google Scholar] [CrossRef]
- Louzazni, M.; Khouya, A.; Amechnoue, K.; Gandelli, A.; Mussetta, M.; Craciunescu, A. Metaheuristic algorithm for photovoltaic parameters: Comparative study and prediction with a Firefly algorithm. Appl. Sci. 2018, 8, 339. [Google Scholar] [CrossRef]
- Elazab, O.S.; Hasanien, H.M.; Alsaidan, I.; Abdelaziz, A.Y.; Muyeen, S. Parameter Estimation of Three Diode Photovoltaic Model using Grasshopper Optimization Algorithm. Energies 2020, 13, 497. [Google Scholar] [CrossRef]
- Mokeddem, D. Parameter extraction of solar photovoltaic models using enhanced levy flight based grasshopper optimization algorithm. J. Electron. Eng. Technol. 2021, 16, 171–179. [Google Scholar] [CrossRef]
- Robandi, I. Photovoltaic parameter estimation using grey wolf optimization. In Proceedings of the 3rd International Conference on Control, Automation and Robotics (ICCAR), Nagoya, Japan, 24–26 April 2017; pp. 593–597. [Google Scholar]
- Long, W.; Cai, S.; Jiao, J.; Xu, M.; Wu, T. A new hybrid algorithm based on grey wolf optimizer and cuckoo search for parameter extraction of solar photovoltaic models. Energy Convers. Manag. 2020, 203, 112243. [Google Scholar] [CrossRef]
- Qais, M.H.; Hasanien, H.M.; Alghuwainem, S. Parameters extraction of three-diode photovoltaic model using computation and Harris Hawks optimization. Energy 2020, 195, 117040. [Google Scholar] [CrossRef]
- Abdel-Basset, M.; El-Shahat, D.; Sallam, K.M.; Munasinghe, K. Parameter extraction of photovoltaic models using a memory-based improved gorilla troops optimizer. Energy Convers. Manag. 2022, 252, 115134. [Google Scholar] [CrossRef]
- Houssein, E.H.; Zaki, G.N.; Diab, A.A.Z.; Younis, E.M.G. An efficient Manta Ray Foraging Optimization algorithm for parameter extraction of three-diode photovoltaic model. Comput. Electron. Eng. 2021, 94, 107304. [Google Scholar] [CrossRef]
- Naraharisetti, J.N.L.; Devarapalli, R.; Bathina, V. Parameter extraction of solar photovoltaic module by using a novel hybrid marine predators–success history based adaptive differential evolution algorithm. Energy Sources Part A Recovery Util. Environ. Eff. 2020, 1–23. [Google Scholar] [CrossRef]
- Soliman, M.A.; Hasanien, H.M.; Alkuhayli, A. Marine predators algorithm for parameters identification of triple-diode photovoltaic models. IEEE Access 2020, 8, 155832–155842. [Google Scholar] [CrossRef]
- Abdel-Basset, M.; Sl-Shahat, D.; Chakrabortty, R.K.; Ryan, M. Parameter estimation of photovoltaic models using an improved marine predators algorithm. Energy Convers. Manag. 2021, 227, 113491. [Google Scholar] [CrossRef]
- Allam, D.; Yousri, D.A.; Eteiba, M.B. Parameters extraction of the three diode model for the multi-crystalline solar cell/module using Moth-Flame Optimization Algorithm. Energy Convers. Manag. 2016, 123, 535–548. [Google Scholar] [CrossRef]
- Ye, M.; Wang, X.; Xu, Y. Parameter extraction of solar cells using particle swarm optimization. J. Appl. Phys. 2009, 105, 094502. [Google Scholar] [CrossRef]
- Hengsi, Q.; Kimball, J.W. Parameter determination of photovoltaic cells from field testing data using particle swarm optimization. In Proceedings of the IEEE Power and Energy Conference at Illinois (PECI), Urbana, IL, USA, 25–26 February 2011. [Google Scholar]
- Soon, J.J.; Low, K.-S. Photovoltaic model identification using particle swarm optimization with inverse barrier constraint. IEEE Trans. Power Electron. 2012, 27, 3975–3983. [Google Scholar] [CrossRef]
- Sandrolini, L.; Artioli, M.; Reggiani, U. Numerical method for the extraction of photovoltaic module double–diode model parameters through cluster analysis. Appl. Energy 2010, 87, 442–451. [Google Scholar] [CrossRef]
- Macabebe, E.Q.B.; Sheppard, C.J.; van Dyk, E.E. Parameter extraction from I–V characteristics of PV devices. Sol. Energy 2011, 85, 12–18. [Google Scholar] [CrossRef]
- Wei, H.; Cong, J.; Lingyun, X.; Deyun, S. Extracting solar cell model parameters based on chaos particle swarm algorithm. In Proceedings of the International Conference on Electric Information and Control Engineering (ICEICE), Wuhan, China, 15–17 April 2011; pp. 398–402. [Google Scholar]
- Yousri, D.; Allam, D.; Eteiba, M.; Suganthan, P.N. Static and dynamic photovoltaic models’ parameters identification using Chaotic Heterogeneous Comprehensive Learning Particle Swarm Optimizer variants. Energy Convers. Manag. 2019, 182, 546–563. [Google Scholar] [CrossRef]
- Yousri, D.; Thanikanti, S.B.; Allam, D.; Ramachandaramurthy, V.K.; Eteiba, M. Fractional chaotic ensemble particle swarm optimizer for identifying the single, double, and three diode photovoltaic models’ parameters. Energy 2020, 195, 116979. [Google Scholar] [CrossRef]
- Ben Hmamou, D.; Elyaqouti, M.; Arjdal, E.; Chaoufi, J.; Saadaoui, D.; Lidaighbi, S.; Aqel, R. Particle swarm optimization approach to determine all parameters of the photovoltaic cell. Mater. Today Proc. 2022, 52, 7–12. [Google Scholar] [CrossRef]
- Merchaoui, M.; Sakly, A.; Mimouni, M.F. Particle swarm optimization with adaptive mutation strategy for photovoltaic solar cell/module parameter extraction. Energy Convers. Manag. 2018, 175, 151–163. [Google Scholar] [CrossRef]
- Jordehi, A.R. Enhanced leader particle swarm optimization (ELPSO): An efficient algorithm for parameter estimation of photovoltaic (PV) cells and modules. Sol. Energy 2018, 159, 78–87. [Google Scholar] [CrossRef]
- Ebrahimi, S.M.; Salahshour, E.; Malekzadeh, M.; Gordillo, F. Parameters identification of PV solar cells and modules using flexible particle swarm optimization algorithm. Energy 2019, 179, 358–372. [Google Scholar] [CrossRef]
- Bana, S.; Saini, R. Identification of unknown parameters of a single diode photovoltaic model using particle swarm optimization with binary constraints. Renew. Energy 2017, 101, 1299–1310. [Google Scholar] [CrossRef]
- Rezk, H.; Arfaoui, J.; Gomaa, M.R. Optimal Parameter Estimation of Solar PV Panel Based on Hybrid Particle Swarm and Grey Wolf Optimization Algorithms. Int. J. Interact. Multimed. Artif. Intell. 2021, 6. [Google Scholar] [CrossRef]
- Liang, J.; Ge, S.; Qu, B.; Yu, K.; Liu, F.; Yang, H.; Wei, P.; Li, Z. Classified perturbation mutation based particle swarm optimization algorithm for parameters extraction of photovoltaic models. Energy Convers. Manag. 2020, 203. [Google Scholar] [CrossRef]
- Chopde, A.; Magare, D.; Patil, M.; Gupta, R.; Sastry, O.S. Parameter extraction for dynamic PV thermal model using particle swarm optimization. Appl. Therm. Eng. 2016, 100, 508–517. [Google Scholar] [CrossRef]
- Lin, X.; Wu, Y. Parameters identification of photovoltaic models using niche-based particle swarm optimization in parallel computing architecture. Energy 2020, 196, 117054. [Google Scholar] [CrossRef]
- Khanna, V.; Das, B.K.; Bisht, D.; Singh, P.K. A three diode model for industrial solar cells and estimation of solar cell parameters using PSO algorithm. Renew. Energy 2015, 78, 105–113. [Google Scholar] [CrossRef]
- Abbassi, R.; Abbassi, A.; Heidari, A.A.; Mirjalili, S. An efficient salp swarm-inspired algorithm for parameters identification of photovoltaic cell models. Energy Convers. Manag. 2019, 179, 362–372. [Google Scholar] [CrossRef]
- Messaoud, R.B. Extraction of uncertain parameters of single and double diode model of a photovoltaic panel using Salp swarm algorithm. Measurement 2020, 154. [Google Scholar] [CrossRef]
- Oliva, D.; Aziz, M.A.; Hassanien, A. Parameter estimation of photovoltaic cells using an improved chaotic whale optimization algorithm. Appl. Energy 2017, 200, 154–174. [Google Scholar] [CrossRef]
- ElAziz, M.A.; Oliva, D. Parameter estimation of solar cells diode models by an improved opposition-based whale optimization algorithm. Energy Convers. Manag. 2018, 171, 1843–1859. [Google Scholar] [CrossRef]
- Xiong, G.; Zhang, J.; Yuan, X.; Shi, D.; He, Y.; Yao, G. Parameter extraction of solar photovoltaic models by means of a hybrid differential evolution with whale optimization algorithm. Sol. Energy 2018, 176, 742–761. [Google Scholar] [CrossRef]
- Xiong, G.; Zhang, J.; Shi, D.; He, Y. Parameter extraction of solar photovoltaic models using an improved whale optimization algorithm. Energy Convers. Manag. 2018, 174, 388–405. [Google Scholar] [CrossRef]
- Elazab, O.S.; Hasanien, H.M.; Elgendy, M.A.; Abdeen, A.M. Parameters estimation of single-and multiple-diode photovoltaic model using whale optimization algorithm. IET Renew. Power Gener. 2018, 12, 1755–1761. [Google Scholar] [CrossRef]
- Long, W.; Wu, T.; Jiao, J.; Tang, M.; Xu, M. Refraction-learning-based whale optimization algorithm for high-dimensional problems and parameter estimation of PV model. Eng. Appl. Artif. Intell. 2020, 89, 103457. [Google Scholar] [CrossRef]
- Abdel-Basset, M.; Mohamed, R.; El-Fergany, A.; Askar, S.S.; Abouhawwash, M. Efficient ranking-based whale optimizer for parameter extraction of three-diode photovoltaic model: Analysis and validations. Energies 2021, 14, 3729. [Google Scholar] [CrossRef]
- Jiang, L.L.; Maskell, D.L.; Patra, J.C. Parameter estimation of solar cells and modules using an improved adaptive differential evolution algorithm. Appl. Energy 2013, 112, 185–193. [Google Scholar] [CrossRef]
- Nunes, H.G.G.; Pombo, J.A.N.; Mariano, S.J.P.S.; Calado, M.R.A.; De Souza, J.F. A new high performance method for determining the parameters of PV cells and modules based on guaranteed convergence particle swarm optimization. Appl. Energy 2018, 211, 774–791. [Google Scholar] [CrossRef]
- Madhiarasan, M.; Cotfas, D.T.; Cotfas, P.A. Barnacles Mating Optimizer Algorithm to Extract the Parameters of the Photovoltaic Cells and Panels. Sensors 2022, 22, 6989. [Google Scholar] [CrossRef]
- Tang, J.; Liu, G.; Pan, Q. A Review on Representative Swarm Intelligence Algorithms for Solving Optimization Problems: Applications and Trends. IEEE/CAA J. Autom. Sin. 2021, 8, 1627–1643. [Google Scholar] [CrossRef]





| Model | Advantages | Disadvantages | Field of Application |
|---|---|---|---|
| SDM |
|
|
|
| DDM |
|
|
|
| TDM |
|
|
|
| Technology | Efficiency | Advantages | Disadvantages |
|---|---|---|---|
| Mono-Crystalline Silicon [51,52,53] | 26% |
|
|
| Poly-Crystalline Silicon [54,55,56] | 22% |
|
|
| Thin film [57,58,59] | 23% |
|
|
| High Concentrating PV (HCPV) [60,61] | 28% |
|
|
| Function | Expression | Variables | ||
|---|---|---|---|---|
| Name | Abbreviation | Power | Current | |
| Root mean square error [64] | RMSE | ☑ | ||
| Normalized root mean square error [61,65] | NRMSE | ☑ | ||
| Root mean square deviation [66] | RMSD | ☑ | ||
| Normalized root mean square deviation [66] | NRMSD | ☑ | ||
| Mean absolute error in power [66] | MAEP | ☑ | ||
| Mean absolute error [67] | MAE | ☑ | ||
| Mean bias error [68] | MBE | ☑ | ||
| Absolute error [69] | AE | ☑ | ||
| Individual absolute error [70] | IAE | ☑ | ||
| Relative error [71] | RE | ☑ | ||
| Mean relative error [72] | MRE | ☑ | ||
| Mean absolute percentage error [73] | MAPE | ☑ | ||
| Mean absolute bias error [73] | MABE | ☑ | ||
| Systematic Error [74] | SysErr | ☑ | ||
| Standardized Mean Square Error [75] | SMSE | ☑ | ||
| Ref. | Algorithm | Model | Contribution |
|---|---|---|---|
| [81] | Fuzzy logic (FL) | SDM | Used the FL regression model to extract the PV module parameters. The model is based on limited input measured data. |
| [82] | FL | Organic PV | Used the FL to extract the parameters of the organic PV. The parameters of the organic PV module are significant in number and primarily correlated. The model behavior was incorporated into the FL model to simplify the parameter extraction task. |
| [83] | Neuro-fuzzy | Organic PV | The authors coupled the ANN with fuzzy logic into a hybrid neuro-fuzzy model. This new hybrid model outperforms the pure ANN, as it needs less data for training, which is beneficial in cases with limited measured input data. |
| [84] | FL-DE | SDM | The authors provide a hybrid algorithm to estimate the PV module parameters. The algorithm used differential evolution (DE) to assess the five-parameter SDM. It uses the manufacturer’s datasheet to find the electrical circuit parameters. Then the FL was used to design a controller (FLC) for maximum power point tracker (MPPT). The FLC proved it could converge to a steady state with minimum fluctuations. |
| [85] | FL-PSO-GA | MPPT | The authors designed a new FLC for MPPT. The parameters of the FLC were tuned using particle swarm optimization (PSO) coupled with a genetic algorithm (GA). The model performance was tested against rapid variations in temperature and irradiance. |
| [86] | FCM | The authors used fuzzy c-means (FCM) to cluster the defected PV module samples. | |
| [87] | Neuro-fuzzy + PSO | The authors used a hybrid neuro-fuzzy model that was tuned with PSO. This model simulates the I-V characteristics of PV modules. The model shows speed learning and fits well with the manufacturer’s data. | |
| Ref. | Algorithm | Model | Contribution |
|---|---|---|---|
| [88] | Feedforward ANN | SDM | Feedforward ANN is used to model the PV module. Their ANN model comprised two hidden layers, one of six neurons with linear connection and the other of twelve neurons with logsig transfer function. For training the ANN, the Levenberg–Marquadt function was used for the backpropagation optimization. This was used to model the classical single-diode PV module. |
| [89,90,91] | ANN | SDM | The authors used an ANN with a hidden layer of 20 nodes to extract the parameters of a single-diode PV module. To train the ANN model, the authors used output from the Sandia lab model depicted in [90]. The output results were more accurate than the classical model [91]. |
| [35,92] | RDF-GA | Model I-V curve | The authors used ANN to model the I-V curves of the PV module. The genetic algorithm (GA) was coupled with the radial basis function (RBF). The role of GA was to determine the optimum number of RBF connections of the ANN hidden layer. The authors used the PV model in [35] to train this ANN. |
| [93,94] | ANN | PV modeling | The authors proposed using ANN to make a model for various PV module types (crystalline and CIS “Copper Indium Diselenide”). This model aims to predict PV module behavior in various atmospheric conditions as the manufacturer provides only the STC (standard test conditions). Hence, the gap between the provided data from the manufacturer and the actual conditions is decreased/eliminated. |
| [95,96] | ANN | Hybrid system sizing | For sizing a PV system, the authors used the ANN. The different components of a standalone PV system are modeled (PV modules, battery, and inverter). |
| [97,98] | ANN | PV energy yield estimation | The authors used the ANN to estimate the energy yield PV system. The estimation was done to systems mounted in parking, pergolas, and façades. |
| [99] | ANN | PV fault diagnosis | The authors proposed using ANN to model the PV module for fast detection, diagnosis, and classification of PV faults. This is to ensure reliable operation and high-energy performance. |
| Ref. | Algorithm | Model | Contribution |
|---|---|---|---|
| [100] | DE | SDM | The authors proposed using DE to estimate all the parameters of SDM with varying cell temperatures and solar irradiance. The values of diode current and photocurrent are computed using analytical methods, while the values of the diode ideality factor, shunt resistance, and series resistance are optimized using the MPP equation. |
| [101,102] | DE | DDM | Then, the authors investigated the accuracy and speed of DE in extracting DDM parameters for various types of PV modules. The authors proposed using two variations of DE, one named boundary-based DE (B-DE) and the other penalty-based (P-DE), while in [102], the authors used P-DE to extract the parameters of DDM. |
| [103] | DE | SDM | After that, the authors used the DE to extract the parameters of the photovoltaic module. The model incorporated the different operating conditions based on digitalized I-V curves. |
| [104,105] | Rcr-IJADE | SDM, DDM | In addition, the authors used a variation of DE named repaired adaptive DE (Rcr-IJADE) to extract the parameters of SDM and DDM. This variation proved its superiority compared to the ordinary JADE [105]. The superiority lies in the quality of the final solution, success rate, and convergence speed. The (Rcr-IJADE) used a crossover rate repairing technique and mutation based on ranking to attain superiority. |
| [106] | DE + Lambert W function | SDM, DDM | Further, the authors used DE to extract the circuit parameters of SDM and DDM. The algorithm was coupled with the Lambert W function to reconstruct I-V and P-V curves. The model was validated by comparing the results with GA and PSO. DE provided superior results in terms of accuracy, consistency, computation time, and convergence speed. In addition, DE scored low RMSE with regard to experimental vs. simulated curves of I-V and P-V. |
| [107] | SL-DE | SDM, DDM | The authors suggested using DE coupled with analytical and social learning in the hybrid algorithm (SL-DE). SL-DE was tested against SDM and DDM. The algorithm accurately predicted the PV module parameters under low irradiance and partial shading. |
| [108] | Multi-stage & adaptive DE | SDM, DDM | For another enhancement, the authors suggested using a DE variation that uses multi-strategy, adaptive, history-based, and linearly reducing population size. The technique was used to extract the parameters of SDM and DDM. This technique balances exploration and exploitation and avoids being trapped in local minima. The technique surpasses other techniques in computation time, reliability, and accuracy. |
| [109] | Enhanced DE | SDM, DDM | For additional enhancement, the authors proposed using past vectors from individuals and an adaptive mutation strategy. The technique was applied to extract the parameters of both SDM and DDM. The past individual vectors enhanced the future offspring. At the same time, the adaptive mutation balanced the exploration/exploitation ratio. The proposed algorithm excels in terms of convergence, reliability, and accuracy. |
| [110] | Adaptive DE | SDM, DDM | For further improvement, the authors made the DE adaptive. This was done by varying the factors of both crossover and mutation. The algorithm was used to extract the parameters of the SDM and DDM. The obtained results scored low errors between estimated and calculated values. The new technique outperforms other evolutionary techniques. |
| [111] | Onlooker-ranking DE | SDM, DDM | For another boost in DE performance, the authors proposed to use onlooker ranking with the mutation of DE. The algorithm was used to extract the parameters of PV SDM and DDM. In terms of accuracy, convergence speed, the time needed for calculations, and computation effort, the new technique surpassed another 31 evolutionary techniques. |
| [112] | Multiple strategy DE | SDM, DDM | Then the authors adopted multiple strategies to enhance DE performance. The strategies are mutation, reverse learning mechanism, parallel population, and multi-population. The proposed algorithm is used to extract the parameters of SDM and DDM. The proposed strategies are incorporated in boosting regular DE performance. Reverse learning helped enhance the velocity of convergence and maintain population diversity. At the same time, parallel population assisted in increasing search efficiency. Overall, the new DE algorithms made the obtained values surpass other algorithms in terms of accuracy, convergence speed, and reliability. |
| [113] | Directional permutation DE | SDM, DDM, TDM | The authors proposed using directional permutation with the DE. The proposal came from the fact that PV parameter extraction is challenging due to the nonlinearity in the models, multiple variables, and characteristics. The proposed algorithm enabled the ordinary DE to overcome local minima by possessing the ability to explore the global problem surface. Then the algorithm was applied to SDM, DDM, and TDM. Remarkably, the new DE had a robust performance that surpassed another 15 evolutionary algorithms. |
| [114] | Adaptive sorting + DE | SDM, DDM | Moreover, the authors introduced using an adaptive sorting mechanism for the crossover rate, in addition to a strategy to dynamically reduce the population. Combining both with DE helped suppress some of the deficiencies in ordinary DE. The technique was applied to extract the parameters of SDM and DDM. The results were also competitive and superior in terms of convergence speed, reliability, and accuracy. |
| [115,116] | Novel Mutation + DE | SDM, DDM | Also, the authors suggested using novel mutation techniques consisting of three different strategies. The strategies possess other properties and are divided into two groups that update every individual. Then, a self-adaptive scheme was adopted to maintain equilibrium among the diversity of the population and solutions convergence. The self-adaptive scheme was also used in determining the proportion of mutation among the three different mutation strategies. The technique was tested by extracting the PV parameters of SDM and DDM. The obtained results showed the superiority of the new method among other evolutionary techniques with their higher efficiency. |
| [117] | Reinforced learning + DE | SDM, DDM | In another trial for DE performance enhancement, the authors introduced a strategy called reinforced learning. This combination is explicitly used with the fitness function of DE. Each fitness function evaluation takes a reward action toward parameter value adjustment, then the parameter value is adjusted through reinforced learning. The proposed technique was used to extract the parameters of SDM and DDM. With lower RMSE values, the algorithm showed robust and accurate performance among other competitive evolutionary algorithms. |
| [118] | TLBO + DE | SDM, DDM | The authors suggested using teaching learning-based optimization (TLBO) along with DE. Thus, to face the challenging and complex PV models, in this hybrid mixture, the learning ranking probability was modified to be adaptive. The adaptive probability was coupled with adaptive teaching. Finally, the DE was introduced to the learner phase to improve the exploration behavior. The algorithm was applied to SDM and DDM to extract the unknown parameters. In terms of competition, the results were more accurate and reliable. |
| [119] | Improved DE | DDM, TDM | Finally, the authors suggested using an improved version of DE to extract the parameters of the PV module. This improved version is called adaptive DE. Contrary to ordinary DE, the population size is dynamic, thus eliminating the need for user-defined value. This is to overcome the lack of experimental data. Hence, the authors used the manufacturer’s datasheet values only. The algorithm was applied to DDM and TDM models without any assumptions. The obtained results recorded almost zero errors. With promising results, the algorithm could be used to obtain results under varying solar irradiance and cell temperature. |
| [120,121] | GA | SDM | The authors used the GA for optimizing the parameters of SDM guided by the measured data. The optimized parameters were used to obtain the value of the MPPT. The authors used the standard optimization technique of Newton–Raphson, which GA surpassed in not being trapped in local minima. |
| [122] | GA | TDM | While the authors suggested using GA to extract the parameters of TDM based on the values of the I-V curve. The GA outperforms the conventional quasi-Newton methodology (based on ordinary search). |
| [123] | GA | SDM | Then the authors utilized the GA in extracting the parameter of SDM that was derived from the Lambert W function, which was based on the I-V synthetic curve. Regardless of the correctness of the extracted values, the process was admitted to be relatively slow. |
| [124] | GA | SDM | Afterward, the authors used the GA to find the optimum global value of the parameters of SDM. The obtained values were used to calculate the output of the SDM under various operating conditions. |
| [125] | Improved GA (GA with non-uniform mutation) | SDM, DDM | Also, the authors enhanced the performance of conventional GA by introducing new mutation techniques and crossover. This is by using non-uniform mutation and blended crossover, respectively. The performance of the enhanced GA was tested against experimental data. The new GA obtained estimated curves with fewer errors than the experimental curves. |
| [126] | GA+PSO | SDM, DDM | In addition, the authors mixed the GA with PSO. This hybrid combination performed very well and expressed a high ability to extract both the parameters of SDM and DDM correctly. Meanwhile, the calculated root mean square error (RMSE) was very low. This indicates that the obtained parameters were correctly predicted. |
| [127] | GA+IPM | SDM | The authors introduced a hybrid technique using the GA and the interior-point method (IPM). It was used to extract the parameters of PV modules. |
| [128] | Adaptive GA | SDM | The authors suggested using an adaptive version of the GA, multi-objective optimization for PV cells. The objective was to optimize the design parameters of the PV cell in SDM. Both the errors least mean square error (LMSE) and the Pearson residual error optimization (PREO) were used to govern the optimization process. |
| [129] | GA | Hybrid PV system | Then the authors used the GA to optimize the size of a hybrid generation system composed of a PV module, wind turbines, and a battery. |
| [130] | GA | SDM | Finally, the authors compared the GA, PSO, and DE to their performance in extracting the parameters of dye-synthesized solar cells. After reaching the error in estimation from the three techniques, the PSO showed better convergence and recorded less error. Additionally, it proved its ability to resist noise in data input. |
| Ref. | Algorithm | Model | Contribution |
|---|---|---|---|
| [131] | ELBA | SDM, DDM | The authors suggested an enhancement to the standard Bat algorithm (BA). This is by adding and incorporating enhanced Lévy flight, thus boosting the diversification of the solutions. Additionally, to effectively exploit local findings, which, in general, balances the exploration/exploitation of the algorithm, the algorithm was applied to extract the parameters of the PV module’s SDM and DDM. The modeling considered the variations in solar irradiance and cell temperature. The ELBA proved its competitiveness with other metaheuristic algorithms. This is in terms of effectiveness, stability, robustness, speed of convergence, and execution time. The algorithm’s objective was to decrease the RMSE between measured and simulated data. |
| [132] | FPA | SDM, DDM | The authors proposed using FPA to extract the parameters of the PV module. The algorithm was validated using the following data sources; the first was previously published data. At the same time, the second source was the data measured in the laboratory. The third source was the datasheets of the manufacturer. This algorithm was applied to the SDM and DDM of the PV module. The obtained results scored the least RMSE. The FPA surpasses the other metaheuristic techniques regarding convergence speed and time. This makes FPA one of the most accurate and fastest algorithms for this problem. |
| [133] | FPA+NM | SDM, DDM | While the authors suggested hybridizing the FPA with the Nelder–Mead (NM) Simplex method and a generalized opposition-based learning algorithm (GOBL), the authors used FPA for global exploration and the NM for exploiting the findings. Yet, the NM is prone to entrapment in local optima, hence the relevance of the role of GOBL to avoid the local optimas. This algorithm was applied to extract the parameters of the SDM and DDM of the PV module. The modeling considered solar irradiance and cell temperature. The results show the algorithm’s superiority in terms of accuracy, speed of convergence, and stability. Additionally, the results had a low RMSE value between measured and simulated data. |
| [134] | Modified FPA | SDM, DDM | Finally, the authors suggested using a modified FPA. The modification adopted four different rules for switching selection probability. In other words, the selection probability varies at the beginning of each iteration. This is to increase the accuracy of the algorithm. The algorithm was applied to extract the parameters of the SDM and DDM of the PV module. The obtained results scored minimum RMSE between measured and simulated data. The algorithm was superior in terms of a minimum number of iterations and fast convergence. |
| [72] | ER-WCA | SDM, DDM | The authors proposed a new algorithm based on the nature of the water cycle called ERWCA. The aim is to get precise and accurate values of the nonlinear parameters of the PV module. The algorithm comprises four steps: initialization, water movement to river/sea from streams, rain, and finally, evaporation cycle. The algorithm was applied to extract the parameters of the SDM and DDM of the PV module. Along with the modeling, variations in cell temperature and solar irradiance were considered. The objective of the optimization was to minimize the RMSE and the mean absolute error. In this regard, ER-WAC has proven its effectiveness and practicality. |
| [135] | PS | SDM, DDM | The authors proposed using PS for parameter extraction of SDM and DDM modules. The algorithm is used to address the transcendental function that is depicted in the current-voltage model. The proposed approach shows its effectiveness compared to other optimization techniques. Additionally, the obtained estimated parameters scored a low error. This adds to the favor of the algorithm in terms of stability and accuracy. |
| [136] | PS | SDM | Then the authors proposed using PS to tackle the nonlinearity in the PV model while considering different meteorological parameters. The algorithm was used to extract the parameters of the SDM. The results validate the algorithm’s effectiveness regarding the accuracy, fast convergence, and execution time. |
| [137,138] | SA | SDM, DDM | The authors proposed using SA for extracting the PV parameters as no analytical solution exists. Moreover, the governing function between current and voltage is transcendental. So, the models were SDM and DDM PV modules. The SA performance and results were compared against other techniques and showed their effectiveness, and the results of the estimated parameters were accurate. While in [138], the SDM model was only studied. |
| [139] | SA | SDM | Another proposed enhancement the authors proposed using SA to handle the uncertainty in the parameter extraction of SDM. The procedure has three steps; the first step is using SA to extract the parameters without considering the uncertainties. The second step regards the uncertainties to narrow the search space for the optimal solution, guided by results from the first step. In the third and final steps, the iterations are done to find the optimal solution considering the results from the previous two steps. The new SA algorithm proved its effectiveness by surpassing performance compared to other techniques. |
| [140] | SA+LM | SDM | Then the authors proposed a hybrid algorithm that couples the Levenberg–Marquardt (LM) algorithm with SA. The proposed algorithm addresses the problem of non-linearity in the PV model. In specific, the LA damping factor was optimized using SA. The hybrid LMSA was used to extract SDM PV module parameters. The proposed algorithm proved its effectiveness by obtaining accurate results. Those results scored minimal errors between experimental and simulated data. The high accuracy of LMSA shows unmatched efficiency compared to other metaheuristic algorithms. |
| [141] | SA+PSO | SDM, DDM | Finally, the authors suggested coupling PSO with SA. This is to overcome the premature convergence problem. The hybrid algorithm was applied to both the SDM and DDM PV modules. The performance of the proposed algorithm was tested against other optimization techniques. The results were estimated with high precision, indicated by the low RMSE and the mean absolute error (MAE). |
| [142] | SFO | TDM | The authors suggested using SFO for parameter extraction of the PV module as a novel application for the algorithm. The algorithm was applied to the TDM model of the PV module. The analytical method was used to calculate the series and shunt resistance, which reduced the nine parameters of TDM to seven. So, the other seven parameters were obtained using SFO. The obtained results scored minimum RMSE between measured and estimated data. |
| [143] | SFLA | SDM | The author suggests a novel optimization technique named SFLA. Thus to deal with the model of PV modules, to achieve accuracy. This affects the dynamics, transients, and PV maximum power point tracking. The algorithm was applied to extract the parameters of the SDM of the PV module. The modeling considered the variations in both solar irradiance and cell temperature. The obtained results scored low absolute error (between the measured and estimated) values. Thus SFLA could be considered a candidate for accurately estimating the PV model. |
| [144] | TSO | TDM | The authors suggested using a novel technique TSO, to deal with the extraction of the complex and nonlinear PV model parameter. The electrical phenomenon inspires the algorithm in inductive and capacitive circuits, called the transient process. The algorithm was applied to the TDM of the PV module. Based on datasheet values, the optimization process begins. Further, the algorithm used various PV modules with cell type, power, and voltage differences. Along with the models, the variations in solar irradiance and cell temperature were considered. TSO achieved optimal desired values to avoid stagnation in local optima, solving the complex objective function formed from the sum of absolute errors. |
| [145] | WDO | DDM | The authors proposed using WDO to extract the parameters of the PV module. The DDM model was adopted (instead of the single diode model), seeking a highly accurate representation of PV performance. Twelve parameters further defined the DDM model to add more accuracy. Then the WDO was fed with all these highly non-linear variables. In addition, the temperature and solar irradiance were considered. To demonstrate the flexibility and accuracy of WDO, three sets of data were used: controlled environmental conditions, experimental data, datasheet values, and experimental data at non-controlled environmental conditions. The performance of WDO was put head-to-head with other known metaheuristic algorithms. The WDO proved that it could provide optimized values with low RMSE for the power model and other environmental conditions. |
| Ref. | Algorithm | Model | Contribution |
|---|---|---|---|
| [146] | AOA | SDM, DDM, TDM | The authors suggested a hybrid algorithm that uses AOA backed with the Newton–Raphson method of the third order. This was to achieve the following goals: balancing exploration/exploitation of the search algorithm, dealing with the adopted objective function, and handling the nonlinearity and complex nature of the PV module. The algorithm was utilized to extract the parameters of the SDM, DDM, and TDM. The results prove the superiority of this algorithm to other metaheuristic techniques. This is in terms of stability, accuracy, convergence speed, and reasonable computation time. |
| [147] | AIS | DDM | The authors suggested using AIS as a candidate algorithm to tackle the PV parameter extraction problem. However, the required calculations by AIS are tantamount to the other metaheuristic algorithms, and the AIS converges faster. This algorithm was applied to extract the parameters of the DDM of the PV module. The model considered the variations in solar irradiance and cell temperature. The results from AIS outperform the ones produced by GA and PSO. In terms of convergence speed and value of the objective function. |
| [71] | HS+GGHS+IGHS | SDM, DDM | The authors used three metaheuristic algorithms original HS, grouping-based global HS (GGHS), and innovative global HS (IGHS). The three algorithms were applied to the problem of extracting the SDM and DDM PV module model. Both variants aim to use better the solutions “harmonies” stored in harmony memory. In GGHS, harmonies are divided into three groups, and using two probabilistic techniques to select among them. The probabilistic methods are tournament selection and the roulette wheel, while in IGHS, a predefined number of harmonies are chosen, and some of the best are considered elite. The superiority of HS and its variants lies in accuracy, quality, and low RMSE between measured and estimated values. |
| [148] | ICA | SDM, DDM | The authors suggested using ICA to extract the parameters of the PV generation unit. The algorithm was applied to various technologies of SDM and DDM of PV modules. Additionally, the cell temperature and solar irradiance were considered in the optimization. The authors used the maximum power tracking equation as the objective function. Finally, the obtained results were compared to other metaheuristic algorithms and experimental data, which prove the reliability of using ICA in such types of problems. |
| [149] | MVO | SDM | The authors proposed using MVO to tackle the problem of extracting the parameters of the PV module. The initial values of the five parameters were obtained using analytical methods. This algorithm was applied to extract the parameters of the SDM PV module. The modeling considered the variations in solar irradiance and cell temperature. The estimated values were compared to results from mathematical values and other metaheuristic algorithms. Moreover, the simulated results matched that of the experimental data. From those validations, the MVO proved its efficacy. |
| Ref. | Algorithm | Model | Contribution |
|---|---|---|---|
| [150] | ABSO | SDM | The authors introduced using ABSO to solve the parameter extraction of SDM and DDM of the PV module model. |
| [151,152] | ABC | SDM, DDM | While the authors provided using of Artificial Bee Colony (ABC) to tackle the problem of parameter extraction of SDM and DDM of the PV model, the authors added modifications to the ordinary ABC to boost the slow convergence speed and to avoid entrapment in local minima. The improvements gave the technique a promising performance, leading to the ABC as one of the primary candidates for solving such a problem. |
| [153] | BPFPA | SDM, DDM | Afterward, the authors suggested hybridization of bee pollination (BP) and the flower pollination algorithm (FPA), thus enhancing the overall performance, avoiding slow convergence, and improving the quality of solutions. The new hybrid algorithm was applied to the parameter-extracting problem of SDM and DDM. The improvement was made by replacing the flower pollination operator with its counter bee pollinator. The obtained results surpassed other metaheuristic techniques and the individual techniques that form the new hybrid. The enhancement in developments was shown in the fast convergence to global optima. In addition, the robustness and less complexity of the new algorithm. |
| [154] | TLBO+ABC | SDM, DDM | Further, the authors introduced the mixing of teaching-learning-based optimization (TLBO) with ABC. This enhances the algorithm’s overall performance in terms of reliability and accuracy. The proposed hybrid algorithm consists of three search phases. The problem of extracting the parameters of SDM and DDM was addressed. |
| [155] | TRR+ABC | SDM, DDM | In addition, the authors suggested the use of the trust-region-reflective deterministic algorithm (TRR) along with the ABC metaheuristic algorithm. This hybrid combination is used to exploit TRR with the exploration of the ABC. This is to tackle the parameter extraction of SDM and DDM of PV modules. The hybridization was advantageous in terms of accuracy, reliability, and efficiency. |
| [156] | Improved ALO (IALO) | SDM | The authors suggested using ALO to extract the parameters of the PV module accurately. The authors proposed using a chaotic sequence to enhance the convergence speed and avoid premature convergence, thus the technique became IALO with a uniform population. Another improvement was adopting the dynamic contraction region; therefore, the algorithm execution time is shortened. The algorithm was applied to the SDM of the PV module. The IALO outperforms its counterparts in terms of accuracy. |
| [157] | ALO+ Lambert W function | SDM | While the authors used ALO backed with Lambert W function for SDM. The algorithm considered variations in the cell temperature and solar irradiance. The RMSE was the validation for the obtained results. |
| [158] | ALO | DDM | Further, the authors suggested using ALO with consideration of parameter uncertainties. The algorithm was applied to extract the parameters of the DDM of the PV module. This algorithm presented effective performance compared to other counterparts. |
| [159] | ALO+NM | SDM, DDM | Additionally, the authors coupled the ALO with the Nelder–Mead simplex technique and opposition-based learning mechanism. These improvements help enhance the poor performance and decrease uncertainties, preventing immature convergence. Finally, to balance the exploration (diversification)/exploitation (intensification). The algorithm was applied to extract the parameters of the SDM and DDM of the PV module. The hybrid algorithm remarkably scores minor errors between the measured and simulated values. |
| [69] | BFA | SDM | The authors adopted the biological metaheuristic algorithm BFA to extract the parameters of the SDM PV module model. The algorithm considered the variations in both the cell temperature and solar irradiance. The diode current and saturation current values are computed using the values in the manufacturer’s datasheet, while shut resistance, series resistance, and diode ideality factor were obtained using the algorithm that optimizes the maximum power point tracking slop equation. |
| [160] | BFA + PSO | SDM | The authors presented an algorithm that uses PSO and BFA. The hybrid algorithm was used to extract the parameter of the SDM PV module. The PSO was used to guide the bacteria’s direction in each iteration, thus enhancing the overall performance of BFA. The optimization process was based on the datasheet values. It was targeted to minimize the error between estimated and measured values. Each of the PSO, BFA, and hybrid algorithms was applied individually and independently to the optimization problem. The results show the superior performance of the hybrid algorithm over the individual algorithms. The effectiveness lies in the minimum value of error and accuracy. |
| [161] | BFA | SDM | Then the authors proposed using BFA to extract the parameters of the SDM PV module. A comparison between the simulated data and experimental ones considering four types of PV panels. In addition, the model contained the dependence of the PV parameters on both the solar irradiance and cell temperature. The obtained results from BFA showed the surpassing performance of the used algorithm. The use of BFA had the following advantages: BFA has the implicit tendency to eliminate the poor solution, avoid premature convergence, fast convergence speed, more accurate values, and finally, less error. All the advantages arise when comparing BFA to PSO and enhanced simulated annealing. |
| [162] | BMO | SDM, DDM | The authors proposed using BMO. This technique has many search patterns, eliminating premature convergence and maintaining diversity. The parameter extraction for SDM and DDM was tackled. The obtained results accentuated the accuracy and superior performance among other meta-heuristic algorithms. |
| [163] | SBMO (simplified) | SDM | A further modification was proposed, as the authors introduced using BMO in a more simplified form, eliminating the efforts needed for parameter setting in the original BMO. In addition, to modifying some rules. The algorithm was used to address the problem of extracting the parameters of the SDM PV module. By comparing it to other meta-heuristic algorithms, SBMO shows more accurate results. |
| [164] | Cat Swarm Optimization (CSO) | SDM, DDM | The authors proposed using CSO to determine the parameters of the PV module. The algorithm was applied to the SDM and DDM. To control the operation of CSO, the authors used control parameters. Sensitivity analysis was performed to measure the effect of changing some parameters. The following parameters were varied: seeking range effect, dimension of the count, pool for seeking memory, and mixture ratio. The quality of the obtained values was compared to other metaheuristic algorithms. The CSO was characterized by consistency, high-quality results, and convergence. The sensitivity analysis proved that small steps and mutation with one dimension enhance the performance. |
| [165] | COA | TDM | The authors presented a novel application for COA for handling the nonlinearity in the PV model to extract the parameters of the PV module. The authors applied the technique to extract the parameters of TDM of the PV module. The model’s RMSE was targeted to get a high precision value. The optimization process considered cell temperature and solar irradiance. The algorithm presented high effectiveness, robustness, and precision, which made the technique a candidate for model PV systems. |
| [166] | CS | SDM | The authors adopted using Cuckoo search to solve the nonlinear problem of parameter extraction. The proposed algorithm offers high accuracy and low RMSE value. It was applied to the SDM PV module. The CS outperforms the GA, PSO, and PS. |
| [167] | CS+ Biogeography | SDM, DDM | The authors proposed a hybrid algorithm that consists of heterogeneous CS based on biogeography optimization as an attempt to overcome the premature and slow convergence of other metaheuristic algorithms. The proposed hybridization offers a perfect balance between exploration and exploitation. This is to tackle the nonlinearity and multiple models used in PV modeling. Specifically, the SDM and DDM models. The hybrid algorithm performed competitively compared to individual CS and biogeography optimizations. This competitiveness appears in both the accurate and reliable values of the results. |
| [168] | improved CS + modified CS | SDM, DDM | The authors proposed using two variations of CS, named: improved CS and modified CS. Both modifications were applied to SDM and DDM. The improved CS uses an adaptive coefficient to determine the step size of the random walk, which is based on Lévy flights. With the modified CS, the information is interchanged between top solutions, thus attaining better convergence and uniformity at the same time. The improved CS achieved better results than the modified and original CS, as the results from the enhanced CS pose lower RMSE between measured and simulated data. |
| [169] | CSA | SDM, DDM | The authors proposed using CSA to identify the parameters of the PV module. The algorithm aims to determine the parameters at great precision and high convergence speed. The algorithm possesses a simple structure and easy tuning of its parameters. The algorithm was applied to both the SDM and DDM. CSA presented remarkable performance compared to its counterpart’s metaheuristic algorithms. |
| [170] | FA + PS | SDM, DDM | The authors suggested using a hybrid mix between the firefly algorithm and pattern search. The firefly can explore the problem space in search of a possible solution. However, it needs to be adjusted to exploit the findings effectively. Here arises the role of pattern search as a backup algorithm in this concern. The hybrid algorithm was applied to the parameter extraction problem of SDM and DDM. The algorithm’s performance was found to be competitive with other metaheuristic algorithms. |
| [171] | FA | SDM, DDM | While the authors suggested using the firefly algorithm to tackle the problem of extracting the SDM and DDM parameters of the PV module, they considered both the solar irradiance and cell temperature. The obtained results from the firefly algorithm were compared to another metaheuristic one. The results were competitive in terms of root mean squared errors, the sum of squared errors, and mean absolute errors. |
| [172] | GOA | TDM | The authors used GOA to extract the optimum values of the parameters. The algorithm was applied to the TDM of a PV module. The modeling considered the variations in temperature and solar irradiance. GOA performed better than the other metaheuristic algorithm based on RMSE values between measured and estimated values. |
| [173] | GOA | SDM, DDM | The algorithm was applied to SDM and DDM. |
| [174] | Grey Wolf Optimization (GWO) | SDM | The authors suggested using GWO for a reliable, accurate, and precise estimate of PV model parameters. The algorithm was applied to the SDM of the PV module. The solar irradiance and cell temperature were considered in the modeling. The obtained results were validated by comparing the estimated to datasheet values. The GWO succeeded in giving accurate estimates of the parameters. |
| [175] | GWO + CS | SDM, DDM | While the authors proposed using a hybrid mixture between GWO and CS. This balances exploration (using GWO) and exploitation (using CS). The hybrid algorithm was used to extract the parameters of the SDM and DDM of the PV module. Additionally, with consideration of varying solar irradiance and cell temperature. The algorithm was backed with an opposition learning technique to add diversity to the population. This hybrid algorithm has shown a remarkable performance, making it a promising candidate for such problems. The performance of GWOCS was superior (to the other GWO variants) in terms of precision, convergence speed, and achieving global optimum solutions. |
| [176] | HHO + computation methods | TDM | The authors suggested hybridizing HHO with computation methods to be used as the metaheuristic algorithm to optimize the model of the PV module. The computation methods will be sued to identify four parameters, leaving the five remaining parameters to HHO. The new objective function relies on manufacturers’ datasheet values instead of laboratory experiments. The algorithm was applied to extract the parameters of the TDM of the PV module. The obtained results scored minimum RMSE compared to other algorithms. This shows the efficiency of the proposed algorithm, in addition, to its easiness of application. |
| [177] | MIGTO | SDM, DDM, TDM | The authors suggested using a new hybrid algorithm called MIGTO to handle the PV module model’s complexity, nonlinear, and multimodal nature. Therefore, the hybrid algorithm helps in preventing the individual algorithm from being stuck in local optima. The improvement lies in two changes: the first is called: an explorative gorilla backed with an adaptive mechanism for mutation. At the same time, the second improvement is called: the gorilla memory-saving technique. This is to maintain the exploration/exploitation balance. The hybrid algorithm was applied to the PV module’s SDM, DDM, and TDM. The results of the proposed hybrid algorithm’s superiority among other metaheuristic techniques in terms of RMSE, computation time, and absolute individual error. |
| [178] | MRFO | SDM, DDM, TDM | The authors adopted using MRFO to handle the PV parameter extraction computational problem. The algorithm was implemented to extract the parameters of the PV module’s SDM, DDM, and TDM. Additionally, the modeling considered solar irradiance and cell temperature variations. The obtained results from MRFO show that the value of RMSE (measured and estimated data) was at its minimum. |
| [179] | MPA + SHADE | SDM, DDM | The authors suggested using a novel metaheuristic algorithm based on the biological behavior of marine predators (MPA). This is to obtain the optimum solution. Then the algorithm is backed with another successful history-based adaptive differential evolution (SHADE). This shall offer the best balance between exploration and exploitation needed to achieve the best-optimized answer. The hybrid algorithm was applied to SDM and DDM PV modules. The authors used the hybrid technique to optimize three out of five parameters in SDM and five out of seven in DDM. the unoptimized parameters were calculated analytically. |
| [180] | MPA | TDM | The authors suggested using the original MPA to tackle the problem of parameter identification of TDM of PV modules. This new application aims to optimize all nine parameters of the TDM model. The model considers the meteorological parameters, cell temperature, and solar irradiance. The obtained optimized values were compared to other metaheuristic algorithms. The MPA performance surpassed them in accuracy, robustness, and efficacy. |
| [181] | IMPA | SDM, DDM | The authors suggested improving the MPA algorithm to tackle the challenging task of PV parameter estimation. The authors realized that most available metaheuristic algorithms suffer several drawbacks, such as a vast computation burden, stagnation in local optima, and complex parameter tuning. The improvements to the MPA were by using two steps; the first was the adaptive mutation technique. While the second improvement was, updating the location of the solution with low quality, guided by the best solution with a good location. The model took into consideration both the solar irradiance and cell temperature. The IMPA was superior to the other metaheuristic algorithms. This is in terms of RMSE (between measured and simulated data), the standard deviation of values, computation time, absolute individual error, average sum of ranks, and the sum of ranks. |
| [182] | MFOA | DDM, TDM | The authors proposed using MFOA to extract PV module parameters from various PV technologies and types. The algorithm was applied to extract the parameters of DDM and TDM of the PV module. The modeling considered the variations in both solar irradiance and cell temperature. In addition, the values of RMSE, mean bias error, absolute error, and maximum power point; were far less than those published in the literature and obtained from counterparts of other metaheuristic algorithms. The algorithm acquires the data more rapidly and accurately. |
| [183] | PSO | SDM, DDM | Using the I-V curves, the authors implemented PSO to the parameter extraction problem in both SDM and DDM. The PSO outperforms the GA in both the accuracy and computational speed of optimization values. |
| [184] | PSO | PV cell | Then the authors used PSO to extract the PV cell parameters under variable conditions of solar irradiance and cell temperature. |
| [185] | PSO | SDM | After that, the authors employed the PSO to predict the values of SDM under varying cell temperatures. The PSO was coupled with the penalty objective function. Thus, preventing the PSO algorithm from proposing solutions beyond a predefined range/boundaries. |
| [186] | PSO | DDM | Also, the authors used PSO to optimize the parameters of DDM. The results were statistically clustered. The results gave a good representation of the model and were also physically accurate. |
| [187] | PSO | DDM | Moreover, the authors implemented PSO two to extract the parameters of DDM from various cell and module types. The results were studied to investigate the effect of each on PV’s overall performance. |
| [188] | PSO + chaos | SDM | In addition, the authors coupled PSO with chaos to extract the parameters of SDM for both module and cell. The chaos search helped in initiating the sluggish/inactive particles. This boosted the local and global search capability, which enhanced the algorithm’s overall performance. |
| [189,190] | Chaotic concept + PSO | SDM, DDM, TDM | In addition, the authors proposed a variation to the chaotic concept to be coupled with PSO. The modified chaotic concept PSO was tested to extract the parameters of SDM, DDM, and TDM. The new algorithm proved consistency, short execution time, fast convergence, and less deviation in estimation compared with data sheets. |
| [191] | PSO | PV cell | Then the authors tested PSO to extract the parameters of the PV cell. The obtained RMSE was lower than that obtained with other metaheuristic algorithms. |
| [192] | Adaptive mutation PSO | SDM, DDM | While the authors introduced adaptive mutation to the PSO algorithm, thus, preventing PSO from prematurely converging when dealing with parameter extraction of solar module parameters. Thus the PSO has balanced exploration and exploitation capabilities. |
| [18] | Inverse barrier constraint + PSO | SDM | The authors used a new approach called inverse barrier constraint with PSO. Thus overcoming the shortage in manufacturing data and minimizing the error in the optimized value of the unknown PV module parameters. |
| [193] | ELPSO | SDM, DDM | In addition, the authors introduced a variation to PSO called enhanced leader PSO. This prevents a significant drawback in PSO, which is premature convergence. This is done by introducing five steps of mutation that are applied successively. |
| [194] | Enhanced PSO | SDM, DDM | The authors proposed adding more flexibility to the PSO algorithm when applied to PV SDM and DDM parameter extraction. This further enhancement is done by replacing several stagnant individuals with new ones. In each iteration, the replacement is done. This boosts both the robustness and accuracy of the algorithm. |
| [195] | Binary constraints PSO | SDM | A further enhancement was introduced by adding binary constraints to PSO. To enhance the performance of the process of parameter extraction of SDM for both multi and mono-crystalline types. This added constraint eliminated the effect of varying temperatures on the performance of PSO. |
| [196] | PSO + GWO | SDM, DDM | Additional enhancement, implemented by combining PSO with Grey Wolf optimization (GWO). The enhancement lies in using the influential exploitation of the PSO and the superior exploration of the GWO. This push the overall performance of parameter extraction of SDM and DDM. Along with decreasing the RMSE between estimated vs. experimental data. |
| [197] | Classified-Perturbation mutation PSO | SDM, DDM | The authors introduced another solution for premature convergence as they introduced a novel enhancement called classified-perturbation mutation PSO. After each iteration, the new methodology assesses the location of each individual. The individual with a good position receives a small perturbation mutation. However, the individual with the wrong position receives a high perturbation mutation. This is in the seek for global enhancement of the PSO performance. The algorithm demonstrated rapid, stable, and accurate parameter extraction values. |
| [198] | PSO | Dynamic thermal model | The authors proposed using PSO to extract the PV module parameters of a dynamic thermal model. The model counts all the possible heat transfer from the module to the surrounding environment. |
| [199] | Niche PSO | SDM, DDM | Then the authors proposed using Niche PSO with parallel architecture to prevent the technique from being tapped in local minima. The algorithm was implemented in SDM, DDM, and PV module models with varying cell temperatures and irradiance. |
| [200] | PSO | TDM | The authors used PSO in the parameter extraction of the TDM. The PSO could predict the parameters of the TDM with a low mean absolute error compared to the DDM. |
| [201] | SSO | DDM | The authors propose using a novel optimization algorithm, SSA, to extract PV parameters. The algorithm was compared to several other metaheuristic algorithms to compare results. It was applied to the DDM of the PV module. The obtained results using SSO scored the minimum values in both mean square and absolute errors compared to other metaheuristic algorithms. |
| [202] | SSO | SDM, DDM | While the authors presented SSO as an optimization algorithm for extracting and dealing with the uncertainties in PV module parameters, the optimal solution could be found via three steps: parameter retrieving conventionally, determination of parameter uncertainty, and instantaneous determination of the parameters. The algorithm was applied on both SDM and DDM. The algorithm was applied to multiple PV datasheets for effectiveness confirmation. |
| [203] | Chaotic WOA | SDM, DDM | The authors proposed using chaotic WOA, a variant of the original WOA, to handle the nonlinear and multimodal model that describes the PV module. To tune the WOA algorithm, chaotic maps are used. This helps in finding the best optimal solution. The algorithm was applied to the PV module’s SDM and the DDM. The impact of varying cell temperature on both current and voltage was studied. The chaotic hybridization with WOA boosted the algorithm’s overall performance in stability, avoiding local optima and convergence speed. Regardless of its superiority compared to other metaheuristic optimizations. |
| [204] | Opposition-based learning WOA | SDM, DDM, TDM | The authors suggested using opposition-based learning to improve the exploration of WOA. Both the cell temperature and solar irradiance variations were considered in the model. The algorithm was applied to the PV module’s SDM, DDM, and TDM. Statistical methods were used to test the performance of the proposed algorithm. The model’s performance was enhanced (at least for SDM). In terms of accuracy and stability. |
| [205] | WOA + DE | SDM, DDM | The authors suggested hybridizing the WOA with DE. As the DE possesses strong exploring abilities, it is sluggish in exploiting the findings. Hence, the role of WOA is to back the DE up in terms of exploitation. Additionally, this hybrid mixture gets rid of WOA premature convergence. Therefore, the authors postulate that this hybrid combination balances the exploration/exploitation of the optimization problem. This new algorithm was used to extract the parameters of the PV module’s SDM and DDM. The optimization considered varying solar irradiance, cell temperature, and cloudy weather. The hybridized algorithm outperforms the individual algorithms and other algorithms. This is in terms of solution quality, speed of convergence, and robustness. |
| [206] | IWOA | SDM, DDM | The authors suggested improving WOA (IWOA) to avoid premature convergence. The improvement lies in searching consisting of two prey instead of one. This shall regain the exploration/exploitation balance, enhancing the algorithm’s overall performance. The IWOA was applied to extract the parameters of the SDM and DDM of the PV module. The obtained results demonstrate that suggest improvement boosted the performance of the original WOA. |
| [207] | WOA | SDM, DDM, TDM | While the authors applied WOA to extract the PV parameters of SDM, DDM, and TDM, the optimization was implemented on the MATLAB program. The authors use the advantages of WOA, such as a small number of parameters that need tuning. Along with simple structure, minimum computational burden, and high speed in convergence, and the output results were compared to other metaheuristic algorithms. The results scored low errors between measured and simulated values. |
| [208] | RLWOA | SDM | The authors suggested using refraction-based learning along with WOA (RLWOA) for an additional improvement trial. Thus, improving the convergence and entrapment in local optima, hence the balance between global search and fast convergence could be achieved. Additionally, this reflects on the exploitation of solutions. In return, this improves the WOA to handle high-dimensional problems. The algorithm was applied to SDM only of the PV module. The RLWOA was compared to other variations of WOA along with other metaheuristic algorithms, and the results were competitive. |
| [209] | RWOA | TDM | The authors suggested two variations to the original WOA. The first is ranking-based WOA (RWOA), aiming to exploit each individual (whale) in the population. At the same time, the other variation, hybrid WOA (HWOA), uses a new exploration-exploitation operator. Integrating both variations helps avoid entrapment in local minima and enhances the overall convergence speed. The hybrid algorithm was applied to extract the parameters of the TDM of the PV module. The results were validated by comparing the RMSE between simulated and measured data. The RWOA was superior in some cases in terms of accuracy and convergence speed; however, HWOA was good in all cases. |
| PV Module Technology | |||||
|---|---|---|---|---|---|
| Polycrystalline | Thin Film | Monocrystalline | Amorphous Silicon | ||
| PV Model | SDM | Improved Adaptive differential evolution (IADE) [210] | Particle Swarm Optimization (PSO) | Flower Pollination Algorithm (FPA) | Simplified Birds Mating Optimization (SBMO) [163] |
| DDM | Guaranteed Convergence Particle Swarm Optimization (GCPSO) [211] | Bee Pollinator Flower Pollination Algorithm (BPFPA) | Salp Swarm Optimization (SSO) | Barnacles Mating Optimizer Algorithm (BMOA) [212] | |
| TDM | Equilibrium Optimizer Algorithm (EOA) | - | Northern Goshawk Optimization algorithm (NGHOA) | - | |
| Algorithm | Advantages | Disadvantages |
|---|---|---|
| Fuzzy Logic (FL) |
|
|
| Artificial Neural Networks (ANN) |
|
|
| Genetic Algorithm (GA) |
|
|
| Particle Swarm Optimization (PSO) |
|
|
| Differential Evolution (DE) |
|
|
| Simulated Annealing (SA) |
|
|
| Artificial Bee Swarm Optimization (ABSO) |
|
|
| Teacher Learning-based Optimization (TLBO) |
|
|
| Whale Optimization Algorithm (WOA) |
|
|
Publisher’s Note: MDPI stays neutral with regard to jurisdictional claims in published maps and institutional affiliations. |
© 2022 by the authors. Licensee MDPI, Basel, Switzerland. This article is an open access article distributed under the terms and conditions of the Creative Commons Attribution (CC BY) license (https://creativecommons.org/licenses/by/4.0/).
Share and Cite
Fahim, S.R.; Hasanien, H.M.; Turky, R.A.; Aleem, S.H.E.A.; Ćalasan, M. A Comprehensive Review of Photovoltaic Modules Models and Algorithms Used in Parameter Extraction. Energies 2022, 15, 8941. https://doi.org/10.3390/en15238941
Fahim SR, Hasanien HM, Turky RA, Aleem SHEA, Ćalasan M. A Comprehensive Review of Photovoltaic Modules Models and Algorithms Used in Parameter Extraction. Energies. 2022; 15(23):8941. https://doi.org/10.3390/en15238941
Chicago/Turabian StyleFahim, Samuel R., Hany M. Hasanien, Rania A. Turky, Shady H. E. Abdel Aleem, and Martin Ćalasan. 2022. "A Comprehensive Review of Photovoltaic Modules Models and Algorithms Used in Parameter Extraction" Energies 15, no. 23: 8941. https://doi.org/10.3390/en15238941
APA StyleFahim, S. R., Hasanien, H. M., Turky, R. A., Aleem, S. H. E. A., & Ćalasan, M. (2022). A Comprehensive Review of Photovoltaic Modules Models and Algorithms Used in Parameter Extraction. Energies, 15(23), 8941. https://doi.org/10.3390/en15238941

