Polyhydroxybutyrate-Natural Fiber Reinforcement Biocomposite Production and Their Biological Recyclability through Anaerobic Digestion
Abstract
1. Introduction
2. Materials and Methods
2.1. Polymer and Natural Reinforcements
2.2. Biocomposites Preparation
2.3. Inoculum
2.4. Acidogenic Fermentation of PHB-Based Composites
2.5. Analytic Methods
3. Results and Discussion
3.1. Thermal Characteristics of PHB-Based Biocomposites
3.2. Mechanical Properties of the PHB/Natural Reinforcement Biocomposites
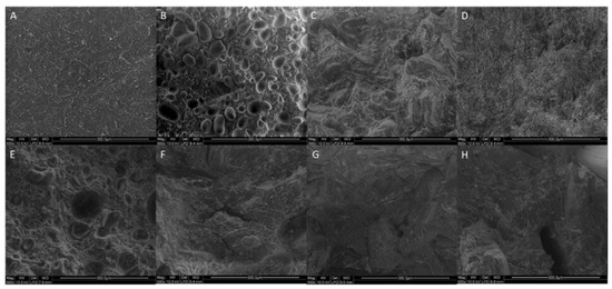
3.2.1. The Morphology of Natural Filler-Reinforced PHB Composites
3.2.2. The Effect of Type of Natural Fillers on the Mechanical Properties of a PHB-Based Composite
3.3. Acidogenic Fermentation of the PHB-Based Biocomposites
3.3.1. The Effect of pH on the Bioconversion of PHB-Based Composites to VFAs
3.3.2. The Effect of the Type of Natural Fillers on the Degradation of PHB-Based Composites
4. Conclusions
Author Contributions
Funding
Acknowledgments
Conflicts of Interest
References
- Tan, D.; Wang, Y.; Tong, Y.; Chen, G.Q. Grand challenges for industrializing polyhydroxyalkanoates (phas). Trends Biotechnol. 2021, 39, 953–963. [Google Scholar] [CrossRef]
- Santos, A.; Valentina, L.D.; Schulz, A.; Duarte, M. From obtaining to degradation of phb: Material properties. Part I. Ing. Y Cienc. 2017, 13, 269–298. [Google Scholar] [CrossRef]
- Chen, G.-Q.; Chen, X.-Y.; Wu, F.-Q.; Chen, J.-C. Polyhydroxyalkanoates (pha) toward cost competitiveness and functionality. Adv. Ind. Eng. Polym. Res. 2020, 3, 1–7. [Google Scholar] [CrossRef]
- Yeo, J.C.C.; Muiruri, J.K.; Thitsartarn, W.; Li, Z.; He, C. Recent advances in the development of biodegradable phb-based toughening materials: Approaches, advantages and applications. Mater. Sci. Eng. C 2018, 92, 1092–1116. [Google Scholar] [CrossRef] [PubMed]
- Sumit Das, L.; Ashish, B.D.; Sushovan, C. Effect of reinforcements on polymer matrix bio-composite—An overview. Sci. Eng. Compos. Mater. 2018, 25, 1039–1058. [Google Scholar]
- Derval dos Santos, R.; Maria, L.D. Biocomposites: Influence of matrix nature and additives on the properties and biodegradation behaviour. In Biodegradation; Rolando, C., Francisca, R., Eds.; IntechOpen: Rijeka, Croatia, 2013; Charpter 16. [Google Scholar]
- Sánchez-Safont, E.L.; Aldureid, A.; Lagarón, J.M.; Gámez-Pérez, J.; Cabedo, L. Biocomposites of different lignocellulosic wastes for sustainable food packaging applications. Compos. Part B: Eng. 2018, 145, 215–225. [Google Scholar] [CrossRef]
- Wei, L.; Stark, N.M.; McDonald, A.G. Interfacial improvements in biocomposites based on poly(3-hydroxybutyrate) and poly(3-hydroxybutyrate-co-3-hydroxyvalerate) bioplastics reinforced and grafted with α-cellulose fibers. Green Chem. 2015, 17, 4800–4814. [Google Scholar] [CrossRef]
- Macedo, J.; Costa, M.; Tavares, M.I.; Thiré, R. Preparation and characterization of composites based on polyhydroxybutyrate and waste powder from coconut fibers processing. Polym. Eng. Sci. 2010, 50, 1466–1475. [Google Scholar] [CrossRef]
- Gigante, V.; Seggiani, M.; Cinelli, P.; Signori, F.; Vania, A.; Navarini, L.; Amato, G.; Lazzeri, A. Utilization of coffee silverskin in the production of poly(3-hydroxybutyrate-co-3-hydroxyvalerate) biopolymer-based thermoplastic biocomposites for food contact applications. Compos. Part A: Appl. Sci. Manuf. 2021, 140, 106172. [Google Scholar] [CrossRef]
- Barkoula, N.M.; Garkhail, S.K.; Peijs, T. Biodegradable composites based on flax/polyhydroxybutyrate and its copolymer with hydroxyvalerate. Ind. Crops Prod. 2010, 31, 34–42. [Google Scholar] [CrossRef]
- Touchaleaume, F.; Tessier, R.; Auvergne, R.; Caillol, S.; Hoppe, S.; Angellier-Coussy, H. Polyhydroxybutyrate/hemp biocomposite: Tuning performances by process and compatibilisation. Green Mater. 2019, 7, 194–204. [Google Scholar] [CrossRef]
- Mokhothu, T.; Guduri, B.R.; Luyt, A. Kenaf fiber-reinforced copolyester biocomposites. Polym. Compos. 2011, 32, 2001–2009. [Google Scholar] [CrossRef]
- Mousavioun, P.; George, G.A.; Doherty, W.O.S. Environmental degradation of lignin/poly(hydroxybutyrate) blends. Polym. Degrad. Stab. 2012, 97, 1114–1122. [Google Scholar] [CrossRef]
- Zhang, M.; Thomas, N.L. Preparation and properties of polyhydroxybutyrate blended with different types of starch. J. Appl. Polym. Sci. 2010, 116, 688–694. [Google Scholar] [CrossRef]
- Laycock, B.; Pratt, S.; Werker, A.; Lant, P. Factors controlling lifetimes of polyhydroxyalkanoates and their composites in the natural environment. In The Handbook of Polyhydroxyalkanoates; CRC Press: Boca Raton, FL, USA, 2021; p. 339. [Google Scholar]
- Fábio Rivas, L.; Casarin, S.; Nepomuceno, N.; Alencar, M.I.; Agnelli, J.M.; Medeiros, E.; Neto, A.O.W.; Oliveira, M.; de Medeiros, A.; Santos, A. Reprocessability of phb in extrusion: Atr-ftir, tensile tests and thermal studies. Polímeros 2017, 27, 122–128. [Google Scholar] [CrossRef]
- Ariffin, H.; Nishida, H.; Hassan, M.A.; Shirai, Y. Chemical recycling of polyhydroxyalkanoates as a method towards sustainable development. Biotechnol. J. 2010, 5, 484–492. [Google Scholar] [CrossRef] [PubMed]
- Altaee, N.; El-Hiti, G.A.; Fahdil, A.; Sudesh, K.; Yousif, E. Biodegradation of different formulations of polyhydroxybutyrate films in soil. Springerplus 2016, 5, 762. [Google Scholar] [CrossRef]
- Madbouly, S.; Schrader, J.; Srinivasan, G.; Liu, K.; McCabe, K.; Grewell, D.; Graves, W.; Kessler, M. Biodegradation behavior of bacterial-based polyhydroxyalkanoate (pha) and ddgs composites. Green Chem. 2014, 16, 1911–1920. [Google Scholar] [CrossRef]
- Hablot, E.; Dharmalingam, S.; Hayes, D.G.; Wadsworth, L.C.; Blazy, C.; Narayan, R. Effect of simulated weathering on physicochemical properties and inherent biodegradation of pla/pha nonwoven mulches. J. Polym. Environ. 2014, 22, 417–429. [Google Scholar] [CrossRef]
- Vu, D.H.; Åkesson, D.; Taherzadeh, M.J.; Ferreira, J.A. Recycling strategies for polyhydroxyalkanoate-based waste materials: An overview. Bioresour. Technol. 2020, 298, 122393. [Google Scholar] [CrossRef] [PubMed]
- Benn, N.; Zitomer, D. Pretreatment and anaerobic co-digestion of selected phb and pla bioplastics. Front. Environ. Sci. 2018, 5, 93. [Google Scholar] [CrossRef]
- Budwill, K.; Fedorak, P.; Page, W. Methanogenic degradation of poly(3-hydroxyalkanoates). Appl. Environ. Microbiol. 1992, 58, 1398–1401. [Google Scholar] [CrossRef] [PubMed]
- Yagi, H.; Ninomiya, F.; Funabashi, M.; Kunioka, M. Mesophilic anaerobic biodegradation test and analysis of eubacteria and archaea involved in anaerobic biodegradation of four specified biodegradable polyesters. Polym. Degrad. Stab. 2014, 110, 278–283. [Google Scholar] [CrossRef]
- Kleerebezem, R.; Joosse, B.; Rozendal, R.; van Loosdrecht, M.C.M. Anaerobic digestion without biogas? Rev. Environ. Sci. Bio/Technol. 2015, 14, 787–801. [Google Scholar] [CrossRef]
- Wainaina, S.; Parchami, M.; Mahboubi, A.; Horváth, I.S.; Taherzadeh, M.J. Food waste-derived volatile fatty acids platform using an immersed membrane bioreactor. Bioresour. Technol. 2019, 274, 329–334. [Google Scholar] [CrossRef] [PubMed]
- Szacherska, K.; Oleskowicz-Popiel, P.; Ciesielski, S.; Mozejko-Ciesielska, J. Volatile fatty acids as carbon sources for polyhydroxyalkanoates production. Polymers 2021, 13, 321. [Google Scholar] [CrossRef] [PubMed]
- Vahabi, H.; Michely, L.; Moradkhani, G.; Akbari, V.; Cochez, M.; Vagner, C.; Renard, E.; Saeb, M.R.; Langlois, V. Thermal stability and flammability behavior of poly(3-hydroxybutyrate) (phb) based composites. Materials 2019, 12, 2239. [Google Scholar] [CrossRef] [PubMed]
- Álvarez-Castillo, E.; Felix, M.; Bengoechea, C.; Guerrero, A. Proteins from agri-food industrial biowastes or co-products and their applications as green materials. Foods 2021, 10, 981. [Google Scholar] [CrossRef] [PubMed]
- Reis, K.; Pereira, L.; Melo, I.; Marconcini, J.; Trugilho, P.; Tonoli, G.H.D. Particles of coffee wastes as reinforcement in polyhydroxybutyrate (phb) based composites. Mater. Res. 2015, 18, 546–552. [Google Scholar] [CrossRef]
- Smith, M.K.M.; Paleri, D.M.; Abdelwahab, M.; Mielewski, D.F.; Misra, M.; Mohanty, A.K. Sustainable composites from poly(3-hydroxybutyrate) (phb) bioplastic and agave natural fibre. Green Chem. 2020, 22, 3906–3916. [Google Scholar] [CrossRef]
- Avecilla-Ramírez, A.M.; López-Cuellar, M.d.R.; Vergara-Porras, B.; Rodríguez-Hernández, A.I.; Vázquez-Núñez, E. Characterization of poly-hydroxybutyrate/luffa fibers composite material. BioResources 2020, 15, 7159–7177. [Google Scholar] [CrossRef]
- Kuciel, S.; Liber-Kneć, A. Biocomposites based on phb filled with wood or kenaf fibers. Polimery 2011, 56, 218–223. [Google Scholar] [CrossRef]
- Van den Oever, M.; Peijs, T. Continuous-glass-fibre-reinforced polypropylene composites ii. Influence of maleic-anhydride modified polypropylene on fatigue behaviour. Compos. Part A Appl. Sci. Manuf. 1998, 29, 227–239. [Google Scholar] [CrossRef]
- Fang, K.; Wang, B.; Sheng, K.; Sun, S. Properties and morphology of poly(lactic acid)/soy protein isolate blends. J. Appl. Polym. Sci. 2009, 114, 754–759. [Google Scholar] [CrossRef]
- Siracusa, V.; Rocculi, P.; Romani, S.; Rosa, M.D. Biodegradable polymer for food packaging: A review. Trends Food Sci. Technol. 2008, 19, 634–643. [Google Scholar] [CrossRef]
- Bátori, V.; Åkesson, D.; Zamani, A.; Taherzadeh, M.J.; Horváth, I.S. Anaerobic degradation of bioplastics: A review. Waste Manag. 2018, 80, 406–413. [Google Scholar] [CrossRef] [PubMed]
- Vu, D.H.; Wainaina, S.; Taherzadeh, M.J.; Åkesson, D.; Ferreira, J.A. Production of polyhydroxyalkanoates (phas) by bacillus megaterium using food waste acidogenic fermentation-derived volatile fatty acids. Bioengineered 2021, 12, 2480–2498. [Google Scholar] [CrossRef] [PubMed]
- Wainaina, S.; Lukitawesa; Kumar Awasthi, M.; Taherzadeh, M.J. Bioengineering of anaerobic digestion for volatile fatty acids, hydrogen or methane production: A critical review. Bioengineered 2019, 10, 437–458. [Google Scholar] [CrossRef] [PubMed]
- Jankowska, E.; Chwialkowska, J.; Stodolny, M.; Oleskowicz-Popiel, P. Volatile fatty acids production during mixed culture fermentation—The impact of substrate complexity and ph. Chem. Eng. J. 2017, 326, 901–910. [Google Scholar] [CrossRef]
- Zhang, B.; Zhang, L.L.; Zhang, S.C.; Shi, H.Z.; Cai, W.M. The influence of ph on hydrolysis and acidogenesis of kitchen wastes in two-phase anaerobic digestion. Environ. Technol. 2005, 26, 329–339. [Google Scholar] [CrossRef] [PubMed]
- Parchami, M.; Wainaina, S.; Mahboubi, A.; I’Ons, D.; Taherzadeh, M.J. Mbr-assisted vfas production from excess sewage sludge and food waste slurry for sustainable wastewater treatment. Appl. Sci. 2020, 10, 2921. [Google Scholar] [CrossRef]
- Cheah, Y.-K.; Vidal-Antich, C.; Dosta, J.; Mata-Álvarez, J. Volatile fatty acid production from mesophilic acidogenic fermentation of organic fraction of municipal solid waste and food waste under acidic and alkaline ph. Environ. Sci. Pollut. Res. 2019, 26, 35509–35522. [Google Scholar] [CrossRef] [PubMed]
- Jiang, J.; Zhang, Y.; Li, K.; Wang, Q.; Gong, C.; Li, M. Volatile fatty acids production from food waste: Effects of ph, temperature, and organic loading rate. Bioresour. Technol. 2013, 143, 525–530. [Google Scholar] [CrossRef] [PubMed]
- Bethke, C.; Sanford, R.; Kirk, M.; Jin, Q.; Flynn, T. The thermodynamic ladder in geomicrobiology. Am. J. Sci. 2011, 311, 183–210. [Google Scholar] [CrossRef]
- Fernández-Calviño, D.; Bååth, E. Growth response of the bacterial community to ph in soils differing in ph. FEMS Microbiol. Ecol. 2010, 73, 149–156. [Google Scholar] [CrossRef]
- Paul, A.; Stösser, R.; Zehl, A.; Zwirnmann, E.; Vogt, R.D.; Steinberg, C.E.W. Nature and abundance of organic radicals in natural organic matter: Effect of ph and irradiation. Environ. Sci. Technol. 2006, 40, 5897–5903. [Google Scholar] [CrossRef] [PubMed]
- Ratzke, C.; Gore, J. Modifying and reacting to the environmental ph can drive bacterial interactions. PLoS Biol. 2018, 16, e2004248. [Google Scholar] [CrossRef] [PubMed]
- Wang, Y.-W.; Mo, W.; Yao, H.; Wu, Q.; Chen, J.; Chen, G.-Q. Biodegradation studies of poly(3-hydroxybutyrate-co-3-hydroxyhexanoate). Polym. Degrad. Stab. 2004, 85, 815–821. [Google Scholar] [CrossRef]
- Lu, Y.; Zhang, Q.; Wang, X.; Zhou, X.; Zhu, J. Effect of ph on volatile fatty acid production from anaerobic digestion of potato peel waste. Bioresour. Technol. 2020, 316, 123851. [Google Scholar] [CrossRef] [PubMed]
- Chen, Y.; Wen, Y.; Zhou, J.; Xu, C.; Zhou, Q. Effects of ph on the hydrolysis of lignocellulosic wastes and volatile fatty acids accumulation: The contribution of biotic and abiotic factors. Bioresour. Technol. 2012, 110, 321–329. [Google Scholar] [CrossRef] [PubMed]
- Ong, S.Y.; Chee, J.Y.; Sudesh, K. Degradation of polyhydroxyalkanoate (pha): A review. Journal of Siberian Federal University. Biology 2017, 10, 21–225. [Google Scholar]
- Huda, S.; Sato, H.; Mino, T. Anaerobic degradation of polyhydroxyalkanoate accumulated in activated sludge in the absence of anaerobic digested sludge. J. Water Environ. Technol. 2016, 14, 236–246. [Google Scholar] [CrossRef][Green Version]
- Jendrossek, D.; Handrick, R. Microbial degradation of polyhydroxyalkanoates. Annu. Rev. Microbiol. 2002, 56, 403–432. [Google Scholar] [CrossRef] [PubMed]
- Rojas, J.; Lopez, A.; Guisao, S.; Ortiz, C. Evaluation of several microcrystalline celluloses obtained from agricultural by-products. J. Adv. Pharm. Technol. Res. 2011, 2, 144–150. [Google Scholar] [CrossRef] [PubMed]
- Sánchez-Machado, D.I.; López-Cervantes, J.; Correa-Murrieta, M.A.; Sánchez-Duarte, R.G.; Cruz-Flores, P.; de la Mora-López, G.S. Chapter 4.2—Chitosan. In Nonvitamin and Nonmineral Nutritional Supplements; Nabavi, S.M., Silva, A.S., Eds.; Academic Press: Cambridge, MA, USA, 2019; pp. 485–493. [Google Scholar]
- Zaeni, A.; Safitri, E.; Fuadah, B.; Sudiana, I.N. Microwave-assisted hydrolysis of chitosan from shrimp shell waste for glucosammine hydrochlorid production. J. Phys. Conf. Ser. 2017, 846, 012011. [Google Scholar] [CrossRef]
- Levinson, H.S.; Handels, G.R.; Reese, E.T. Products of enzymatic hydrolysis of cellulose and its derivatives. Arch. Biochem. Biophys. 1951, 31, 351–365. [Google Scholar] [CrossRef] [PubMed]
- Zha, Y.; Muilwijk, B.; Coulier, L. Inhibitory compounds in lignocellulosic biomass hydrolysates during hydrolysate fermentation processes. J. Bioprocess. Biotech. 2012, 14, 22. [Google Scholar] [CrossRef]



| Samples | Tm (°C) | ΔH (J/g) | Xc (%) |
|---|---|---|---|
| Neat PHB | 169.26 | 78.13 | 53.51 |
| PHB/cellulose | 167.77 | 54.33 | 53.15 |
| PHB/chitin | 167.54 | 62.01 | 60.67 |
| PHB/chitosan | 166.58 | 49.88 | 48.80 |
| PHB/orange waste | 165.41 | 56.86 | 55.63 |
| PHB/sawdust | 162.07 | 48.04 | 47.00 |
| PHB/soy protein | 152.26 | 14.82 | 14.50 |
| PHB/starch | 167.40 | 56.07 | 54.86 |
| Materials (Ratio of 70/30) | Tensile Strength (MPa) | E-Modulus (GPa) | Strain at Break (%) | Impact Strength (kJ/m2) |
|---|---|---|---|---|
| Neat PHB | 34.6 ± 1.1 | 4.7 ± 0.19 | 0.84 ± 0.05 | 4.61 ± 1.23 |
| PHB/cellulose | 31.6 ± 1.7 | 6.7 ± 0.12 | 0.63 ± 0.04 | 5.80 ± 1.03 |
| PHB/chitin | 31.4 ± 1.1 | 5.9 ± 0.07 | 0.67 ± 0.06 | 4.30 ± 0.70 |
| PHB/chitosan | 29.7 ± 2.4 | 5.7 ± 0.16 | 0.67 ± 0.08 | 4.98 ± 0.74 |
| PHB/orange waste | 28.2 ± 1.1 | 5.2 ± 110 | 0.71 ± 0.04 | 4.43 ± 0.62 |
| PHB/sawdust | 34.3 ± 0.3 | 6.7 ± 0.09 | 0.7 ± 0.01 | 5.60 ± 0.52 |
| PHB/soy protein | 18.4 ± 0.5 | 4.1 ± 0.06 | 0.55 ± 0.02 | 3.37 ± 0.64 |
| PHB/starch | 24.2 ± 1.8 | 4.6 ± 0.16 | 0.56 ± 0.07 | 3.23 ± 0.99 |
| Samples | Final pH (with Initial pH of 6) | Final pH (with Initial pH of 10) |
|---|---|---|
| Inoculum | 6.61 ± 0.03 | 8.15 ± 0.09 |
| Neat PHB | 5.84 ± 0.81 | 8.05 ± 0.04 |
| PHB/Cellulose | 5.81 ± 0.64 | 8.04 ± 0.04 |
| PHB/Chitosan | 5.35 ± 0.15 | 7.84 ± 0.24 |
| PHB/Sawdust | 6.14 ± 0.48 | 7.96 ± 0.18 |
| Cellulose | 6.58 ± 0.09 | 6.29 ± 0.14 |
| Chitosan | 6.57 ± 0.08 | 7.36 ± 0.53 |
| Sawdust | 6.55 ± 0.20 | 7.89 ± 0.01 |
Publisher’s Note: MDPI stays neutral with regard to jurisdictional claims in published maps and institutional affiliations. |
© 2022 by the authors. Licensee MDPI, Basel, Switzerland. This article is an open access article distributed under the terms and conditions of the Creative Commons Attribution (CC BY) license (https://creativecommons.org/licenses/by/4.0/).
Share and Cite
Vu, D.H.; Mahboubi, A.; Ferreira, J.A.; Taherzadeh, M.J.; Åkesson, D. Polyhydroxybutyrate-Natural Fiber Reinforcement Biocomposite Production and Their Biological Recyclability through Anaerobic Digestion. Energies 2022, 15, 8934. https://doi.org/10.3390/en15238934
Vu DH, Mahboubi A, Ferreira JA, Taherzadeh MJ, Åkesson D. Polyhydroxybutyrate-Natural Fiber Reinforcement Biocomposite Production and Their Biological Recyclability through Anaerobic Digestion. Energies. 2022; 15(23):8934. https://doi.org/10.3390/en15238934
Chicago/Turabian StyleVu, Danh H., Amir Mahboubi, Jorge A. Ferreira, Mohammad J. Taherzadeh, and Dan Åkesson. 2022. "Polyhydroxybutyrate-Natural Fiber Reinforcement Biocomposite Production and Their Biological Recyclability through Anaerobic Digestion" Energies 15, no. 23: 8934. https://doi.org/10.3390/en15238934
APA StyleVu, D. H., Mahboubi, A., Ferreira, J. A., Taherzadeh, M. J., & Åkesson, D. (2022). Polyhydroxybutyrate-Natural Fiber Reinforcement Biocomposite Production and Their Biological Recyclability through Anaerobic Digestion. Energies, 15(23), 8934. https://doi.org/10.3390/en15238934

