Adaptive Least Mean Square Controller for Power Quality Enhancement in Solar Photovoltaic System
Abstract
1. Introduction
- In this paper, the MPPT and INVERTER controllers are developed using an Adaptive LMS algorithm.
- The P&O MPPT controller is modified using the LMS algorithm theory.
- The inverter control law is developed using the LMS algorithm as well as the d-q theory.
- The developed controllers are implemented to control the solar PV system. The total harmonic distortion is measured by the FFT tool in MATLAB under linear and non-linear loads.
2. Background. System Modeling
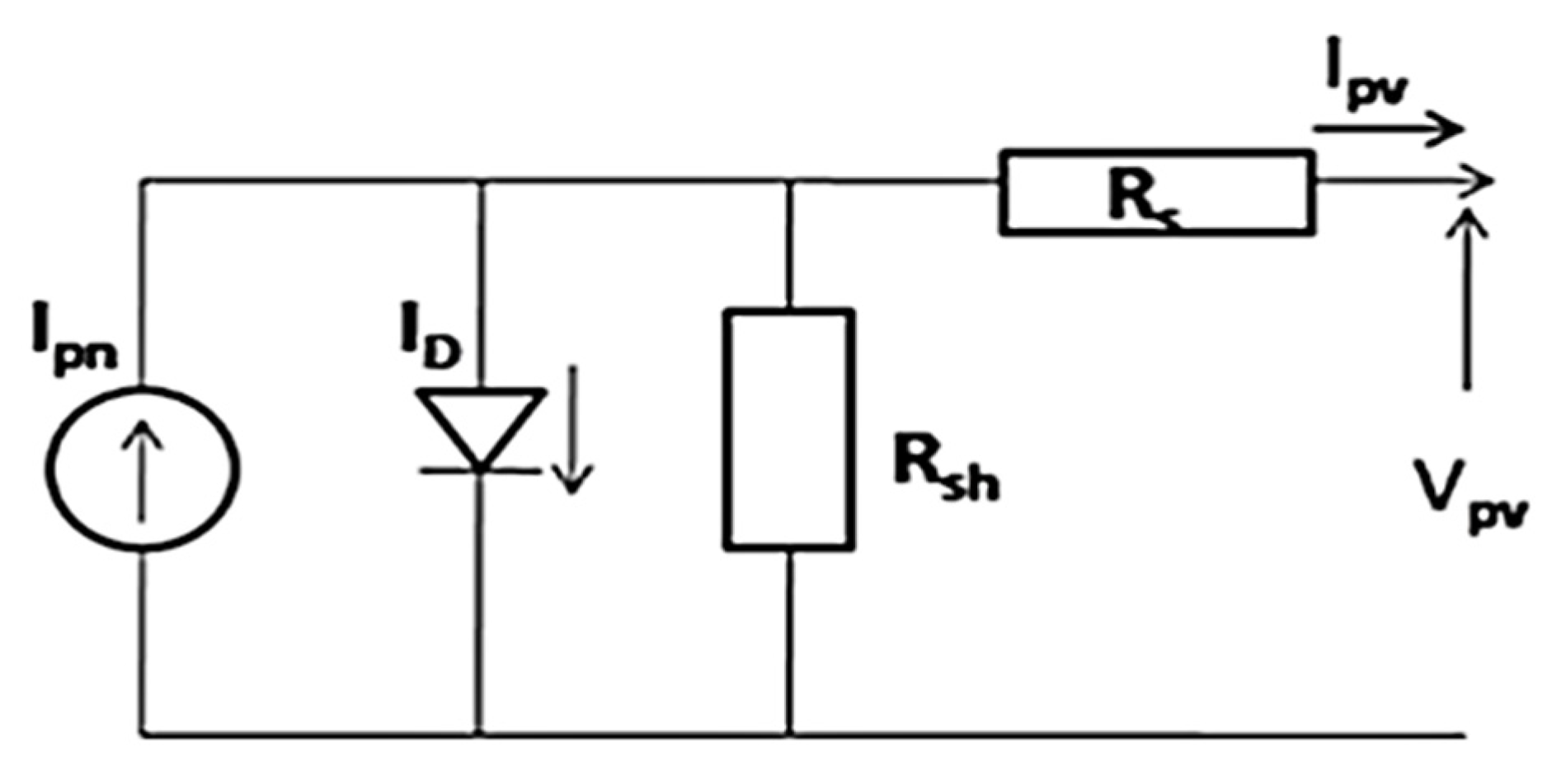
2.1. Solar PV Panel
2.2. DC-DC Boost Converter
2.3. Three-Phase Two-Level Inverter (DC-AC Converter)
3. Background: General Introduction
4. Proposed Work
4.1. Adaptive LMS Theory
4.2. Control Algorithm
4.3. Implementation of an Adaptive LMS Algorithm
4.4. Adaptive LMS MPPT Controller
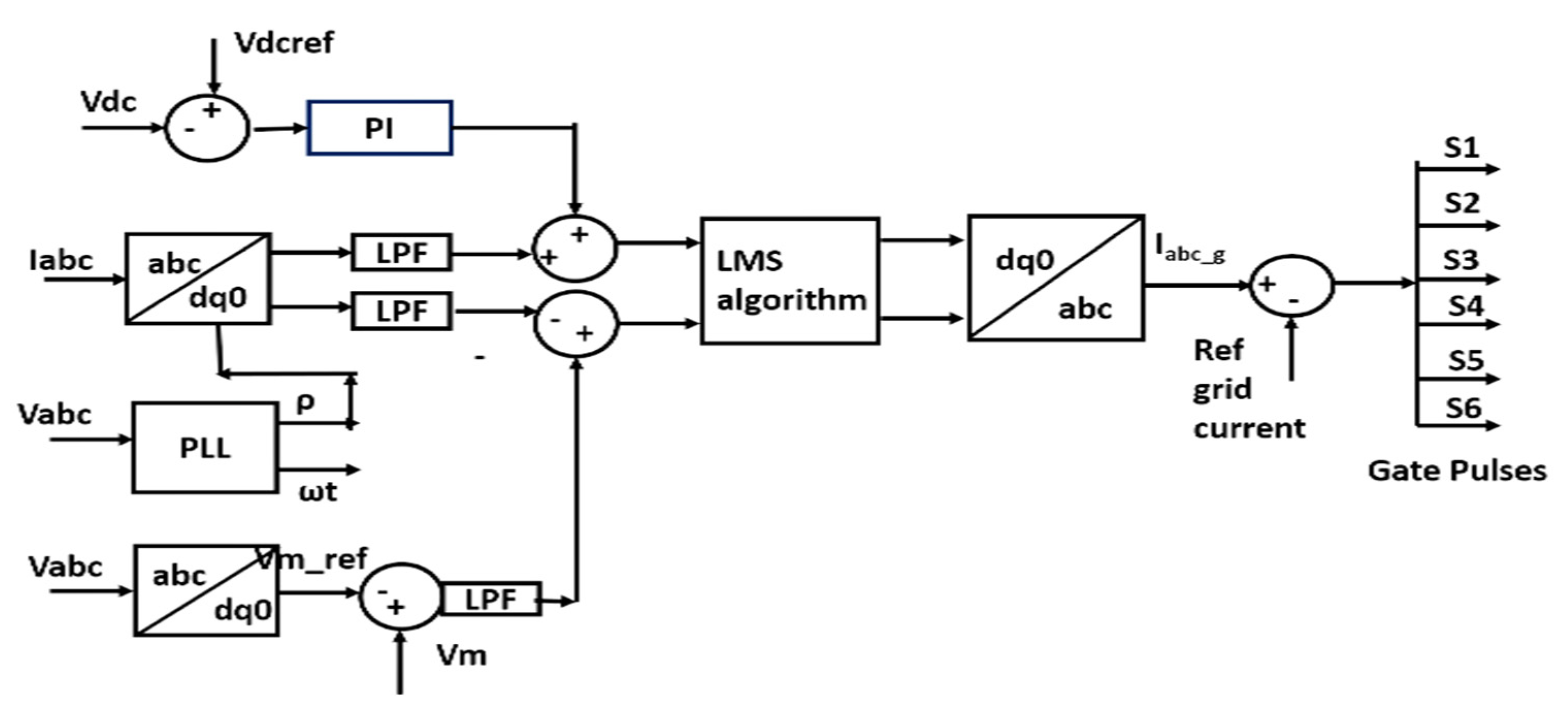
4.5. Adaptive LMS Control Law—An Inverter Controller
- Obtain the d-q component of the grid voltage, grid current and load current.
- Determine the dc reference current from the dc link voltages.
- Apply the adaptive LMS algorithm to extract the reference fundamental load current.
- Generate switching gate pulses by comparing steps 2 and 3.
5. Result
- Change in non-linear load.
- Input: variation in solar radiation.
- Change in sampling time.
- Change in step size, Ƞ.
6. Discussion
6.1. Variation in Input Solar Irradiation, Non-Linear Load, Sampling Time, Variation in Step-Size
6.2. Variation in Linear Load with Constant Solar Irradiation Input
6.3. Comparative Analysis for Two Different Combinations of MPPT and Inverter Controller
6.4. Comparative Analysis with Other Author Researcher Results
6.5. Comparative Analysis of the Three MPPT Controllers Implemented for Solar PV Panel
6.6. Findings
7. Conclusions
8. Future Scope
Author Contributions
Funding
Institutional Review Board Statement
Informed Consent Statement
Data Availability Statement
Conflicts of Interest
Nomenclature
| Title | Abbreviation |
| Alternating current | AC |
| Active power (watt) | P |
| Direct Current | DC |
| Fast fourier transform | FFT |
| Finite impulse response | FIR |
| Hertz | Hz |
| Kilowatt | kW |
| Least mean square | LMS |
| Grid voltage | Vabc |
| Load current | Iabc |
| Maximum power point tracking | MPPT |
| Phase lock loop | PLL |
| Particle swarm optimization | PSO |
| Perturbation and observation | P&O |
| Photovoltaic | PV |
| Reactive power (volt-ampere-reactive) | Q |
| Step size in the adaptive control law | ƞ |
| Temperature unit degree Celsius | °C |
| Total harmonic distortion | THD |
| Volt-ampere-reactive | VAR |
References
- Iweh, C.D.; Gyamfi, S.; Tanyi, E.; Effah-Donyina, E. Distributed Generation and Renewable Energy Integration into the Grid: Prerequisites, Push Factors, Practical Options, Issues and Merits. Energies 2021, 14, 5375. [Google Scholar] [CrossRef]
- Math, H.J.; Fainan Hassan, B. Integration of Distributed Generation in the Power System; John Wiley & Sons: Hoboken, NJ, USA, 2018; pp. 324–326. [Google Scholar]
- Patel, H.; Gajjar, R.; Pandya, R. Artificial Intelligence Based MPPT techniques for Solar V System: A Review. J. Emerg. Technol. Innov. Res. 2019, 8, 1043–1059. [Google Scholar]
- Arfeen, Z.A.; Khairuddin, A.B.; Larik, R.M.; Saeed, M.S. Control of distributed generation systems for microgrid applications: A technological review. Int. Trans. Electr. Energ. Syst. 2019, 29, e12072. [Google Scholar] [CrossRef]
- Anvarsha, M.; Otto, O. A Variable Step Size Adaptive LMS Algorithm Implementation for MPP Tracking In Solar PV System. Int. J. Adv. Res. Electr. Electron. Instrum. Eng. 2014, 3, 346–351. [Google Scholar]
- Julie, V.; Robles-Algarín, C.; Restrepo-Leal, D. Novel Approach for an MPPT Controller Based on the ADALINE Network Trained with the RTRL Algorithm. Energies 2018, 11, 3407. [Google Scholar] [CrossRef]
- Zakaria Mohamed Salem, E.; Lrahman Alranini, M.A. Review of maximum power point tracking algorithms of the PV system. Front. Eng. Built Environ. 2021, 1, 68–80. [Google Scholar] [CrossRef]
- Naki, G.; Irmak, E. MPPT-Based Model Predictive Control of Grid-Connected Inverter for PV Systems. In Proceedings of the 2019 8th International Conference on Renewable Energy Research and Applications (ICRERA), Brasov, Romania, 3–6 November 2019; ISBN 978-1-7281-3587-8/19. [Google Scholar]
- Pallavi, V.; Mahajan, P. Smooth LMS-based adaptive control of SV system tied to the grid for enhanced power quality. IET Power Electron. 2020, 13, 3456–3466. [Google Scholar]
- Chintapalli Satya, P.; Srinivasarao, M. SignRegressor Least Mean Square Control Algorithm and Adaptive P &O Algorithm for Single Stage PV system Integrated with Power Grid. Int. J. Progress. Res. Sci. Eng. 2021, 2, 66–71. [Google Scholar]
- Avdhesh, K.; Garg, R. Control of Grid Integrated Photovoltaic System using new Variable Step Size Least Mean Square adaptive filter. Electr. Eng. 2021, 103, 2945–2959. [Google Scholar]
- Manoj Badoni, A.; Kumar Singh, A. Grid Tied Solar PV system with Power Quality Enhancement Using Adaptive Generalized Maximum Versoria Criterion. CSEE J. Power Energy Syst. 2021, 1–10. [Google Scholar] [CrossRef]
- Eugene, W.; Widrow, B. The least mean fourth LMF adaptive algorithm and its family. IEEE Trans. Inf. Theory 1984, 30, 275–283. [Google Scholar]
- Agarwal, R.K.; Hussain, I.; Singh, B. LMF-Based Control Algorithm for Single Stage Three-Phase Grid Integrated Solar PV System. IEEE Trans. Sustain. Energy 2016, 7, 1379–1387. [Google Scholar] [CrossRef]
- Neha, B.; Hussain, I.; Singh, B. Implementation of DSTATCOM with i-PNLMS Based Control Algorithm under Abnormal Grid Conditions. IEEE Trans. Ind. Appl. 2018, 54, 5640–5648. [Google Scholar] [CrossRef]
- Rahul Kumar, A.; Hussain, I. Application of LMS-Based NN Structure for Power Quality Enhancement in a Distribution Network Under Abnormal Conditions. IEEE Trans. Neural Netw. Learn. Syst. 2017, 29, 1598–1607. [Google Scholar] [CrossRef]
- Sachin, D.; Singh, B. Design and Performance Analysis of Three-Phase Solar PV Integrated UPQC. In Proceedings of the IEEE 6th International Conference on Power Systems (ICPS), New Delhi, India, 4–6 March 2021; pp. 1–10. [Google Scholar]
- Varshney, G.; Chauhan, D.S.; Dave, M.P. Unit Template-based Control of PV DSTATCOM. Recent Adv. Electr. Electron. Eng. (Former. Recent Pat. Electr. Electron. Eng.) 2019, 12, 36–42. [Google Scholar] [CrossRef]
- Satish, C.; Dash, B. Comparative Analysis of LMS Based Control Algorithms for Grid Integrated System Innovation. In Electrical Power Engineering, Communication and Computing Technology; Springer Nature: Singapore, 2021; Volume 630. [Google Scholar] [CrossRef]
- Das, S.R.; Hota, A.P.; Pandey, H.M.; Sahoo, B.M. Industrial power quality enhancement using fuzzy logic based photovoltaic integrated with three-phase shunt hybrid active filter and adaptive controller. Appl. Soft Comput. 2022, 121, 108762. [Google Scholar] [CrossRef]
- Touheed, K.; Asim, M.; Saood Manzar, M.; Ibrahim, M.; Sadaf Afzal Ahmed, S. Least mean sixth control approach for a three-phase three-wire grid-integrated PV system. Int. J. Power Electron. Drive Syst. (IJPEDS) 2021, 12, 2131–2139. [Google Scholar] [CrossRef]
- Banik, A.; Shrivastava, A.; Potdar, R.M.; Jain, S.K.; Nagpure, S.G.; Soni, M. Design, modelling, and analysis of novel solar PV system using MATLAB. Mater. Today Proc. 2022, 51, 756–763. [Google Scholar] [CrossRef]
- Winston, D.P.; Karthikeyan, G.; Pravin, M.; JebaSingh, O.; Akash, A.G.; Nithish, S.; Kabilan, S. Parallel power extraction technique for maximizing the output of solar PV array. Sol. Energy 2021, 213, 102–117. [Google Scholar] [CrossRef]
- Uthirasamy, R.; Chinnaiyan, V.K.; Vishnukumar, S.; Karthick, A.; Mohanavel, V.; Subramaniam, U.; Muhibbullah, M. Design of boosted multilevel DC-DC converter for solar photovoltaic system. Int. J. Photoenergy 2022, 2022, 1648474. [Google Scholar] [CrossRef]
- Jenisha, C.M. Decoupled Control with Constant DC Link Voltage for PV-Fed Single-Phase Grid Connected Systems. In Integration of Renewable Energy Sources with Smart Grid; Wiley: Hoboken, NJ, USA, 2021; pp. 171–185. [Google Scholar] [CrossRef]
- Cardoso, J.; Orosco, R.; Vazquez, N.; López, H.; Hernandez, C.; Vaquero, J. High Efficiency Transformerless Photovoltaic DC/AC Converter with Common Mode Leakage Current Elimination: Analysis and Implementation. Energies 2022, 15, 3177. [Google Scholar] [CrossRef]
- Brahmi, H.; Dhifaoui, R. A Study of a DC/AC Conversion Structure for Photovoltaic System Connected to the Grid with Active and Reactive Power Control. Complexity 2021, 2021, 9967577. [Google Scholar] [CrossRef]
- Tian, L.; Huang, Y.; Liu, S.; Sun, S.; Deng, J.; Zhao, H. Application of photovoltaic power generation in rail transit power supply system under the background of energy low carbon transformation. Alex. Eng. J. 2021, 60, 5167–5174. [Google Scholar] [CrossRef]
- Mulenga, E.; Bollen, M.H.; Etherden, N. Distribution networks measured background voltage variations, probability distributions characterization and Solar PV hosting capacity estimations. Electr. Power Syst. Res. 2021, 192, 106979. [Google Scholar] [CrossRef]
- Parida, A.; Subudhi, B. A Variable Step Size Robust Least Mean Logarithmic Square-Based Control Scheme for Improved Power Quality of Grid-Interfaced PV System. IEEE Trans. Smart Grid 2022, 13, 2086–2093. [Google Scholar] [CrossRef]
- Sibanyoni, M.; Chowdhury, S.D.; Ngoma, L.J. Single phase inverter fuzzy logic phase locked loop. In Microgrid Technologies; Wiley: Hoboken, NJ, USA, 2021; pp. 91–120. [Google Scholar] [CrossRef]
- Chankaya, M.; Hussain, I.; Ahmad, A.; Malik, H.; Garcia Márquez, F.P. Multi-Objective Grasshopper Optimization Based MPPT and VSC Control of Grid-Tied PV-Battery System. Electronics 2021, 10, 2770. [Google Scholar] [CrossRef]
- Qais, M.H.; Hasanien, H.M.; Alghuwainem, S. A novel LMSRE-based adaptive PI control scheme for grid-integrated PMSG-based variable-speed wind turbine. Int. J. Electr. Power Energy Syst. 2021, 125, 106505. [Google Scholar] [CrossRef]
- Veeramanikandan, P.; Selvaperumal, S. Investigation of different MPPT techniques based on fuzzy logic controller for multilevel DC link inverter to solve the partial shading. Soft Comput. 2021, 25, 3143–3154. [Google Scholar] [CrossRef]
- Chandrasekaran, K.; Sahayam, J.J.; Thanasingh, S.J.; Ramalingam, S.; Fayek, H.H.; Ravichandran, N.; Rusu, E. Performance of Multifunctional Smart PV-Based Domestic Distributed Generator in Dual-Mode Operation. Machines 2021, 9, 356. [Google Scholar] [CrossRef]













| Ref No | Adaptive Algorithm | Weight Function | Step Size | Control Algorithm | Unit Vector Calculation |
|---|---|---|---|---|---|
| [9] | SmoothLMS | Modified using smoothing gradient | Constant | Instantaneous Symmetrical component | Yes |
| [10] | LLMS | Modified using the leaky LMS algorithm | Constant | Instantaneous Symmetrical component | Yes |
| [11] | VSSLMS | Simple as LMS | Variable | Instantaneous Symmetrical component | Yes |
| [12] | AGMV | Based on the versoria criterion | Constant | Instantaneous Symmetrical component | Yes |
| [13,14] | LMF | Fourth order of error function | Constant | Instantaneous Symmetrical component | Yes |
| [16] | i-PNLMS, NKLMF-NN, LMMN | Weights updated using neural network | Constant | Instantaneous Symmetrical component | Yes |
| [21] | LMS | Sixth order of error function | Constant | Instantaneous Symmetrical component | Yes |
| Module | SOLON SOLON Blue 220/01 215 |
|---|---|
| Maximum power, (W) | 214.97 |
| Open circuit voltage, Voc, (V) | 36.18 |
| Short circuit current, Isc, (A) | 7.88 |
| Voltage at the maximum power point, Vmp, (V) | 29.05 |
| Current at the maximum power point, Imp, (A) | 7.4 |
| Internal series resistance, (ohms) | 0.36428 |
| Internal shunt resistance, (ohms) | 407.0581 |
| Parameters | Value |
|---|---|
| Sampling time, Tss, (sec) | s |
| Rated power, (W) | |
| Grid voltage, (V) | 380 |
| Filter inductor, Lf, (H) | 0.0027 |
| Filter inductor resistance, RLf, (ohm) | 0.0676 |
| DC boost converter input voltage, Vin. (V) | 406.2000 |
| Voltage at maximum power point, Vmpp (V) | 406.2000 |
| DC voltage of DC boost converter, Vo, (V) | 700 |
| Switching frequency for boost converter, (Hz) | 5000 |
| DC-DC boost converter inductor, L_bound, (H) | |
| DC-DC boost converter inductor, L_boost, (H) | 0.0014 |
| DC-DC boost converter capacitor, C_boost, (Farad) |
| Non-Linear Load | Step Size | Sampling Time (Sec) | Settling Time (Sec) | Grid Current. (THD in%) | Load Current. (THD in%) |
|---|---|---|---|---|---|
| P = 10 kW and Q = 200 VAR | 0.0001 | 40 µs | --- | 6.30 | 23.85 |
| P = 10 kW and Q = 200 VAR | 0.001 | 40 µs | 0.02 | 6.28 | 23.85 |
| P = 10 kW and Q = 200 VAR | 0.01 | 40 µs | 0.0205 | 6.28 | 23.85 |
| P = 10 kW and Q = 100 VAR | 0.001 | 40 µs | 0.525 | 3.22 | 19.88 |
| P = 10 kW and Q = 100 VAR | 0.001 | 50 µs | 0.8 | 2.95 | 7.14 |
| Load | Grid Current Harmonics (THD) in% | Load Current Harmonics (THD) in% |
|---|---|---|
| Non-linear load (10 kW linear connected in parallel with Rectifier with R = 10 kW and Q = 100 VAR) | 3.22 | 19.64 |
| Non-linear load (60 kW linear connected in parallel with Rectifier with R = 10 kW and Q = 100 VAR) | 2.95 | 7.11 |
| Load | Grid Current Harmonics (THD) in% | Load Current Harmonics (THD) in% |
|---|---|---|
| Adaptive LMS inverter control law and perturbation and observation MPPT controller | 4.75 | 19.89 |
| Adaptive LMS inverter control law and adaptive LMS MPPT controller | 3.22 | 19.64 |
| Parameter/Adaptive Technique THD in % | i-PNLMS Based Control Algorithm [15] | Novel Power Normalized Kernel Least Mean Fourth Algorithm-Based Neural Network (NN) Control (PNKLMF-NN) Technique [12] | Variable Step Size Least Mean Square (VSSLMS) Adaptive [11] | Variable Parameter Resized Zero Attracting Least Mean Fourth (VP-RZA-LMF) | Wiener Filtering-Based Control Algorithm [19] | LMS, LMF, and RLS to Study the Dynamic Performance of the PVDSTATCOM System [14] | LMS Adaptive Control Law |
|---|---|---|---|---|---|---|---|
| Grid Voltage | 0.07 | 9.5 | 18.84 | 1.11 | 4.11 | 2.63 | 0% |
| Grid Current | 4.9 | 2.4 | 4 | 3.1 | 4.61 | 3.63 | 3.22% |
| Load Current | 27.14 | 36.8 | 29.39 | 24.53 | 23.89 | NA | 19.88% |
| Sr. No | Specifications | |
|---|---|---|
| 1 | Model–Solarland USA SLP215 | |
| 2 | Maximum power (W) of module | 214.56 |
| 3 | Open circuit voltage (V), Voc | 36.4 |
| 4 | The voltage at maximum power point (V), Vmp | 29.8 |
| 5 | Shunt resistance, (ohm) Rsh | 68.8 |
| 6 | No of strings, Np | 2 |
| 7 | Cells per module | 60 |
| 8 | Short circuit current (A), Isc | 8 |
| 9 | Current at maximum power point (A), Imp | 7.2 |
| 10 | Series resistance, (ohm), Rse | 0.2 |
| 11 | No of the series module, Ns | 2 |
| 12 | The maximum output voltage, VPV(V) | 59.6 |
| 13 | The maximum output power of the panel (W) | 858 |
| Simulation Time (sec) | LMS MPPT Controller μ = 0.001 (W) | PSO MPPT Controller (W) | P&O MPPT Controller (W) | LMS MPPT Controller μ = 0.01 (W) |
|---|---|---|---|---|
| 0 | 0 | 0 | 0 | 162.443 |
| 0.1633 | 200 | 273 | 88.8 | 183.93 |
| 0.0303 | 262 | 308 | 162.191 | 225.526 |
| 0.04 | 308 | 480 | 227.995 | 191 |
| 0.05 | 355 | 599 | 312 | 284 |
| 0.06 | 374 | 736 | 362 | 261.382 |
| 0.0963 | 484 | 865 | 447.56 | 386.689 |
| 0.11 | 521 | 878 | 656.49 | 437.302 |
| 0.13 | 587 | 881 | 723.602 | 439.66 |
| 0.16 | 647 | 880 | 821.611 | 551.99 |
| 0.18 | 698.11 | 879 | 874.177 | 592 |
| 0.2 | 723 | 881 | 765 | 628.641 |
| 0.224 | 766 | 876 | 632.549 | 668.36 |
| 0.24 | 803.8 | 879 | 536.067 | 702.295 |
| 0.27 | 839 | 877 | 505.6 | 742.332 |
| 0.29 | 857.49 | 877 | 477 | 775.456 |
| 0.31 | 875.997 | 877 | 477 | 824.165 |
| 0.33 | 880 | 877 | 477 | 858.471 |
| Solar Radiation = 1000 W/m2, T = 30 °C, Load R = 100 ohms | |||
|---|---|---|---|
| PSO MPPT Controller | Adaptive LMS MPPT Controller | P&O MPPT Controller | |
| D | 0.6314 | 0.75 | 0.75 |
| VPV (V) | 71.56 | 64.84 | 69.04 |
| IPV (A) | 12.12 | 11.29 | 8.705 |
| PPV (W) | 867 | 735.01 | 670.1 |
| ILOAD (A) | 3 | 2.586 | 1.869 |
| VLOAD(V) | 286.7 | 258 | 186.9 |
| Terms | P&O Controller | PSO Controller | Adaptive LMS Controller |
|---|---|---|---|
| Settling time (sec) | 0.18 | 0.09630 | 0.33 |
| Rise time (sec) | moderate | fast | slow |
| Peak overshoot (W) | 874.177 | 881 | 857 |
| Overshoot in % | 1.88 | 2.6 | 0 |
| Steady-state error in watt | 5 | 369 | 6 |
| Final value (W) | 863.9 | 489 | 864.7 |
| Oscillations at the final value | Observed | NA | No |
| Voltage response | Oscillations | smooth | smooth |
Publisher’s Note: MDPI stays neutral with regard to jurisdictional claims in published maps and institutional affiliations. |
© 2022 by the authors. Licensee MDPI, Basel, Switzerland. This article is an open access article distributed under the terms and conditions of the Creative Commons Attribution (CC BY) license (https://creativecommons.org/licenses/by/4.0/).
Share and Cite
Karchi, N.; Kulkarni, D.; Pérez de Prado, R.; Divakarachari, P.B.; Patil, S.N.; Desai, V. Adaptive Least Mean Square Controller for Power Quality Enhancement in Solar Photovoltaic System. Energies 2022, 15, 8909. https://doi.org/10.3390/en15238909
Karchi N, Kulkarni D, Pérez de Prado R, Divakarachari PB, Patil SN, Desai V. Adaptive Least Mean Square Controller for Power Quality Enhancement in Solar Photovoltaic System. Energies. 2022; 15(23):8909. https://doi.org/10.3390/en15238909
Chicago/Turabian StyleKarchi, Nalini, Deepak Kulkarni, Rocío Pérez de Prado, Parameshachari Bidare Divakarachari, Sujata N. Patil, and Veena Desai. 2022. "Adaptive Least Mean Square Controller for Power Quality Enhancement in Solar Photovoltaic System" Energies 15, no. 23: 8909. https://doi.org/10.3390/en15238909
APA StyleKarchi, N., Kulkarni, D., Pérez de Prado, R., Divakarachari, P. B., Patil, S. N., & Desai, V. (2022). Adaptive Least Mean Square Controller for Power Quality Enhancement in Solar Photovoltaic System. Energies, 15(23), 8909. https://doi.org/10.3390/en15238909

